煤矿井下安全检查实训教案
- 格式:docx
- 大小:20.26 KB
- 文档页数:9
伊新煤业安全检查工培训教案第一章:安全检查工职责与要求1.1 安全检查工的职责1.1.1 了解矿井安全生产情况,负责矿井安全生产的监督检查。
1.1.2 严格执行国家安全法规和矿井安全规章制度。
1.1.3 发现安全隐患及时报告,并提出整改措施。
1.2 安全检查工的要求1.2.1 热爱本职工作,具备一定的安全知识和业务技能。
1.2.3 具备较强的团队合作精神,能与他人有效沟通。
第二章:安全检查工基本技能2.1 安全检查工基础知识2.1.1 学习国家安全法规、煤矿安全规程及矿井安全规章制度。
2.1.2 学习煤矿井下安全检查知识,包括通风、排水、供电、提升、运输等方面。
2.1.3 学习煤矿事故应急预案及救援知识。
2.2 安全检查工实操技能2.2.1 井下安全检查实操,包括使用检测仪器、检查工具等。
2.2.2 安全隐患辨识与整改实操。
2.2.3 安全巡查与记录实操。
第三章:矿井安全生产流程3.1 矿井安全生产组织架构3.1.1 了解矿井安全生产组织架构,包括矿井领导、安全生产部门、基层单位等。
3.1.2 掌握各部门职责,保证安全生产工作的顺利进行。
3.2 矿井安全生产流程3.2.1 生产准备阶段:安全检查工参与矿井生产准备工作,检查生产设备、设施的安全性。
3.2.2 生产过程中:安全检查工进行巡回安全检查,发现安全隐患及时整改。
3.2.3 生产结束后:安全检查工参与矿井生产结束后的安全检查,确保矿井安全。
第四章:安全隐患辨识与整改4.1 安全隐患辨识4.1.1 学习安全隐患辨识方法,包括直观判断、数据分析等。
4.1.2 掌握安全隐患分类,包括人的不安全行为、物的不安全状态、环境的不安全因素等。
4.2 安全隐患整改4.2.1 学习安全隐患整改方法,包括立即整改、限期整改等。
4.2.2 掌握安全隐患整改流程,包括整改措施制定、整改落实、整改效果验收等。
第五章:安全事故案例分析5.1 安全事故案例选取5.1.1 选取具有代表性的安全事故案例,包括矿井火灾、瓦斯爆炸、透水等。
安全检查工讲课教案一、煤矿安全检查工的知识要求:①具有高中文化程度;②了解《煤矿安全规程》和各工种操作规程的有关规定;③熟悉分管专业的各生产流程及自然标准要求;④了解矿井采、掘、机、运、通系统基本知识;⑤熟悉分管专业内使用的主要工具和仪器的操作保养方法,并了解其工作原理;⑥熟悉本矿井的主要安全隐患及灾害。
⑵技能要求:①能检查发现分管专业内的隐患,并督促和协助进行处理;②能组织一般事故的追查分析,会进行事故现场勘察、社会调查、经济损失分析等,并能编写事故调查报告;③能审查作业规程和安全措施中的有关内容;④熟悉矿井灾害预防处理计划,在矿井发生灾害时,能组织职工按照避灾路线撤离灾区。
二、煤矿安全与当前的形势㈠关于煤矿安全1、一堵绕不过的长城众所周知,煤矿的危险、危害因素众多,煤炭生产面临着水、火、瓦斯、顶板和粉尘由环境因素带来的五大灾害,还有因生产工艺过程带来的放炮、运输、机械、电气等危险因素。
因此,煤矿伤害事故频发,经济损失严重,安全就成了煤矿必须跨过的长城,绕不过的坎。
2、一条砍不断的干系发生了伤亡事故,煤矿从业人员:企业负责人、工程技术人员、各级管理者,还有现场操作人员。
或多或少都会跟事故的发生牵连,都无法脱离与事故的干系,也就难以逃避被处罚的命运。
3、一个无法回避的责任在当今的时代,作为生者,面对一个或多个生命的逝去,于情、于理、于法,都无法回避应承担的责任。
轻者:收入受损,职务被免;重者:倾家荡产,锒铛入狱,也就是必须承担法律的责任。
4、一道难以破解的方程煤矿井下生产环境恶劣、危险、危害因素多、生产工艺落后、人员素质低,导致安全事故频发,国家经济要发展,老百姓生活水平要提高,煤矿要生产,如何控制、减少、乃至杜绝煤矿事故的发生,的确是一个难题,是一道难以破解的方程。
5、一个无法承受的之重举例:1)2004年“10.20”郑煤集团大平煤矿特大瓦斯爆炸事故,146人死亡;2)2004年“11.28”陕西陈家山煤矿特大瓦斯爆炸事故,166人死亡,45人受伤;3)2005年“2.14”辽宁阜新孙家湾煤矿特大瓦斯爆炸事故,214人死亡;4)2005年“”广东梅州市大兴煤矿"8.7"特别重大透水事故,121人死亡。
伊新煤业安全检查工培训教案课程名称:安全检查工(培训)总学时数:72学时本次课课题:煤矿安全生产法律法规学时数:8学时(5.7日)教学目的及要求:使学员掌握我国的安全生产方针,并懂得如何贯彻执行安全生产方针。
教学重点:我国的安全生产方针教学难点:如何贯彻执行安全生产方针。
教学方法:讲授法教学用具:课本及相关资料教学内容:第一章煤矿安全生产法律法规第一节安全生产方针一、安全生产方针的含义我国的煤矿安全生产方针是安全第一,预防为主,综合治理。
“安全第一”要求我们在工作中始终把安全放在第一位。
“预防为主”要求我们在工作中时刻注意预防安全事故的发生。
“综合治理”就是综合运用经济、法律、行政等手段,人管、法治、技防多管齐下,并充分发挥社会、职工、舆论的监督作用,实现安全生产的齐抓共管。
二、煤矿工人如何贯彻执行安全生产方针(1)牢固树立“安全第一”的思想。
(2)学法、知法、守法,树立依法从事煤矿安全生产的意识。
(3)严格遵守安全生产规章制度和劳动纪律。
(4)养成良好的职业道德。
(5)认真积极参加安全生产的教育培训。
(6)做好劳动保护,避免职业伤害。
三、课堂提问我国的煤矿安全生产方针是什么?(安全第一,预防为主,综合治理)四、思考题谈谈对煤矿安全生产方针的认识?伊新煤业安全检查工培训教案课程名称:安全检查工总学时:72本次课题:工人出入井安全规范学时数:8(5.8日)教学目的及要求:使学员掌握入井前要做的准备,掌握井下行走及乘车安全知识。
教学重点:工人入井前的准备教学难点:井下行走及乘车安全知识教学方法:理论结合实际教学用具:投影仪,计算机教学内容:第二章工人入井安全规范第一节入井前的准备煤矿工人要严格遵守入井前“三禁止”和“三戴”的规定。
(1)每个人在入井前,一定要睡足、吃饱、休息好,要精神饱满、神志清醒,保持强健体能和充沛精力。
(2)严格遵守“三禁止”,即入井前严禁喝酒,严禁带烟火和点火物品入井,严禁穿化纤衣服入井。
煤矿安全一、教学目标1. 让学生了解煤矿安全生产的基本知识。
2. 使学生掌握煤矿事故预防与处理的方法。
3. 提高学生遵守煤矿安全规程的意识。
二、教学内容1. 煤矿安全生产概述2. 煤矿瓦斯防治3. 煤矿顶板管理4. 煤矿水害防治5. 煤矿火灾防治三、教学方法1. 讲授法:讲解煤矿安全生产的基本知识、事故预防与处理方法。
2. 案例分析法:分析典型煤矿事故案例,引导学生了解事故原因及防范措施。
3. 小组讨论法:分组讨论煤矿安全问题,培养学生团队合作精神。
四、教学准备1. 教材:煤矿安全相关教材。
2. 课件:制作煤矿安全教学课件。
3. 视频资料:准备相关煤矿事故案例视频。
五、教学过程1. 导入:介绍煤矿安全生产的重要性,引起学生对煤矿安全的关注。
2. 教学内容讲解:讲解煤矿安全生产的基本知识,分析煤矿事故预防与处理方法。
3. 案例分析:观看煤矿事故案例视频,引导学生了解事故原因及防范措施。
4. 小组讨论:分组讨论煤矿安全问题,培养学生团队合作精神。
六、教学活动1. 游戏互动:设计一个关于煤矿安全的知识问答游戏,让学生在轻松愉快的氛围中巩固所学知识。
2. 实地考察:组织学生参观煤矿,使学生更直观地了解煤矿生产环境和安全隐患。
3. 应急预案演练:模拟煤矿事故发生场景,让学生学会正确的应急处理方法。
七、教学评价1. 平时成绩:观察学生在课堂上的表现,包括发言、讨论、作业等,了解学生对煤矿安全知识的掌握程度。
2. 书面测试:布置有关煤矿安全的课后作业,测试学生对知识的掌握情况。
3. 实际操作:评估学生在应急预案演练中的表现,检验学生运用所学知识解决实际问题的能力。
八、教学拓展1. 邀请煤矿安全专家进行讲座,让学生更深入地了解煤矿安全生产的实际情况。
2. 组织学生开展煤矿安全主题的研究性学习,培养学生独立思考和解决问题的能力。
3. 开展煤矿安全知识竞赛,激发学生学习煤矿安全知识的兴趣。
九、教学反思在课程结束后,教师应认真反思教学效果,针对学生的反馈情况进行调整教学策略,以提高教学质量。
河南永锦能源有限公司安全检查工实操培训教案授课人:授课时间:年月日授课时长: 24学时安全检查工实操教案课程名称:安全检查工实操培训教学目的及要求:通过本次学习使学员能更好的掌握安全检查工在现场工作时所需要做的工作和工作标准。
教学重点:各个工作面重点检查项目。
教学难点:各个工作面检查项目的标准。
教学方法:讲授及实操演练。
教学用具:钢卷尺、压力表、线绳、温度计、瓦斯便携仪等。
教学地点:实操基地。
教学内容:第一章安全检查工的基本条件和职责范围(2课时)(一)适用范围第1条本操作规范适用于矿井的生产现场安全检查。
第2条安全检查工应完成下列工作:1、检查生产场所及作业过程中是否存在操作人员的不安全行为。
2、检查机械设备的不安全状态。
3、检查不符合安全生产要求的作业环境。
4、检查隐患整改落实情况。
5、完成其他需要进行的安全监督检查工作。
(二)上岗条件第3条安全检查工必须经过专业技术培训,取得安全技术工种操作资格证后,持证上岗。
第4条安全检查工需要掌握以下知识:1、掌握与煤矿安全生产有关的法律、法规。
2、学习有关煤矿安全的专业技术知识。
重点应掌握以下9个方面的内容:(1)了解井田开拓和采煤系统;(2)了解矿井建设和生产过程;(3)熟悉采掘工作面作业组织;(4)了解井下主要机电设备的基本性能;(5)掌握煤矿采掘工程质量标准;掌握煤矿各种灾害的发生原因、预兆、规律、预防措施及灾害发生时的处理方法;(6)掌握安全检查本专业的基本理论知识;(7)学习和掌握一些安全管理方面的新理论、新技术;(8)了解和熟悉与煤矿安全生产检查有关的其他方面知识。
(三)安全职责第5条依照国家法律、法规和煤炭行业安全规程、规定、技术标准及矿井安全生产规章制度,检查生产现场的安全生产状况。
第6条检查安全生产责任制、安全生产规章制度的落实情况和特种作业人员持证上岗情况。
第7条对查出的问题进行登记、上报,并督促落实整改。
第8条协助领导落实临时性危险作业的安全措施及事故应急安全措施。
永锦能源有限公司安全检查工实操培训教案授课人:授课时间:年月日授课时长:24学时安全检查工实操教案课程名称:安全检查工实操培训教学目的及要求:通过本次学习使学员能更好的掌握安全检查工在现场工作时所需要做的工作和工作标准。
教学重点:各个工作面重点检查项目。
教学难点:各个工作面检查项目的标准。
教学法:讲授及实操演练。
教学用具:钢卷尺、压力表、线绳、温度计、瓦斯便携仪等。
教学地点:实操基地。
教学容:第一章安全检查工的基本条件和职责围(2课时)(一)适用围第1条本操作规适用于矿井的生产现场安全检查。
第2条安全检查工应完成下列工作:1、检查生产场所及作业过程中是否存在操作人员的不安全行为。
2、检查机械设备的不安全状态。
3、检查不符合安全生产要求的作业环境。
4、检查隐患整改落实情况。
5、完成其他需要进行的安全监督检查工作。
(二)上岗条件第3条安全检查工必须经过专业技术培训,取得安全技术工种操作资格证后,持证上岗。
第4条安全检查工需要掌握以下知识:1、掌握与煤矿安全生产有关的法律、法规。
2、学习有关煤矿安全的专业技术知识。
重点应掌握以下9个面的容:(1)了解井田开拓和采煤系统;(2)了解矿井建设和生产过程;(3)熟悉采掘工作面作业组织;(4)了解井下主要机电设备的基本性能;(5)掌握煤矿采掘工程质量标准;掌握煤矿各种灾害的发生原因、预兆、规律、预防措施及灾害发生时的处理法;(6)掌握安全检查本专业的基本理论知识;(7)学习和掌握一些安全管理面的新理论、新技术;(8)了解和熟悉与煤矿安全生产检查有关的其他面知识。
(三)安全职责第5条依照法律、法规和煤炭行业安全规程、规定、技术标准及矿井安全生产规章制度,检查生产现场的安全生产状况。
第6条检查安全生产责任制、安全生产规章制度的落实情况和特种作业人员持证上岗情况。
第7条对查出的问题进行登记、上报,并督促落实整改。
第8条协助领导落实临时性危险作业的安全措施及事故应急安全措施。
煤矿安全检查员教案一、教案概述本教案旨在培养煤矿安全检查员,使其具备煤矿安全知识和检查技能,以确保煤矿生产过程中的安全。
通过学习,学员将掌握煤矿安全法律法规、矿井安全检查流程及方法、事故预防与处理等方面的知识。
二、教学目标1. 了解煤矿安全法律法规及政策要求。
2. 掌握矿井安全检查的基本流程和方法。
3. 学习事故预防与处理措施,提高安全检查能力。
4. 增强安全意识,降低煤矿事故发生的风险。
三、教学内容1. 煤矿安全法律法规及政策要求1.1 我国煤矿安全法律法规体系1.2 煤矿安全生产政策1.3 煤矿安全生产许可证管理办法2. 矿井安全检查基本流程2.1 安全检查的组织与实施2.2 安全检查内容的分类与要求3. 事故预防与处理措施3.1 常见事故类型及预防措施3.2 事故应急预案与救援3.3 事故调查与处理四、教学方法1. 讲授:讲解煤矿安全法律法规、安全检查流程及方法等理论知识。
2. 案例分析:分析典型事故案例,探讨事故原因及预防措施。
3. 实操演练:组织学员进行安全检查实操,提高实际操作能力。
4. 讨论与交流:分组讨论,分享学习心得与经验,提高学员之间的互动与交流。
五、教学安排1. 课时:共计24学时。
2. 教学进度安排:第1-4学时:讲解煤矿安全法律法规及政策要求。
第5-8学时:讲解矿井安全检查基本流程。
第9-12学时:讲解事故预防与处理措施。
第13-16学时:案例分析与实操演练。
第17-20学时:讨论与交流。
六、教案进阶本章节将深入探讨煤矿安全检查员在实际工作中可能遇到的各种情况,以及如何应对。
通过实例分析、角色扮演和模拟演练等多种教学方法,使学员能够更加熟练地应对各种复杂的安全检查情况。
6.1 复杂情况分析分析在煤矿安全生产过程中可能遇到的复杂情况,如瓦斯爆炸、煤尘爆炸、顶板事故等。
探讨在这些复杂情况下,安全检查员应该如何正确判断形势,采取有效措施。
6.2 角色扮演通过角色扮演,让学员模拟安全检查员,面对各种复杂情况,练习如何应对。
矿山井下作业安全培训教材第一部分:井下作业环境介绍矿山井下作业是指在地下矿井中进行的各种作业活动。
井下作业环境特殊,具有复杂的地质和气象条件,同时存在各种危险因素。
为了有效地保障矿工的安全,必须进行全面的作业环境介绍。
1. 井下作业环境概述矿井深入地下,环境黑暗、潮湿,通风不良,空气中含有大量的粉尘和有害气体,如甲烷、二氧化碳等。
此外,矿井中存在地震、冲击和局部坍塌的风险,给作业人员的生命安全带来严重威胁。
2. 矿井地质条件矿井地质条件决定了井下开采的可行性和安全性。
在培训中,需要详细介绍地质构造类型、岩石稳定性、断层走向及矿石分布情况等,使矿工能够全面了解矿井地质条件,并做好相应的安全防护措施。
3. 矿井气象条件矿井气象条件对井下作业安全非常重要。
通过培训,矿工需了解矿井中温度、湿度、气体浓度等气象要素的变化规律,以及不同气象条件下对作业人员的影响,以便及时采取相应的防护措施。
第二部分:井下作业常见危险因素及防范措施1. 粉尘危害及防护矿井中的粉尘是井下作业中最常见的危害因素之一。
粉尘不仅对矿工的呼吸系统有害,还可能引发爆炸和火灾。
因此,必须采取有效的防护措施,如使用湿法喷雾设备、佩戴防尘口罩等。
2. 有害气体危害及防护井下空气中常常存在有害气体,如甲烷、二氧化碳、硫化氢等。
这些气体具有毒性和爆炸性,对矿工的生命安全构成严重威胁。
在培训中,需要详细介绍有害气体的性质和检测方法,并要求矿工熟练掌握使用气体检测仪器的技巧。
3. 地震、冲击和局部坍塌预防井下作业中地震、冲击和局部坍塌是十分危险的情况,会导致人员被困、重伤甚至死亡。
在培训中,需要教授矿工相关的避险技巧和逃生方法,以及监测仪器的使用方法。
第三部分:井下作业安全管理制度1. 安全责任制度矿山管理者应建立和完善安全责任制度,明确各级管理人员和作业人员的安全职责。
同时,管理者还应及时检查和评估安全责任的履行情况,确保责任的到位和有效执行。
2. 安全培训机制安全培训是提高矿工安全意识和技能的关键环节。
煤矿井下安全检查实训教案第一章:煤矿井下安全概述1.1 教学目标使学生了解煤矿井下安全的意义和重要性。
使学生掌握煤矿井下安全的基本知识和原则。
使学生了解煤矿井下安全事故的类型和预防措施。
1.2 教学内容煤矿井下安全的定义和重要性。
煤矿井下安全的原则和基本要求。
煤矿井下安全事故的类型和原因。
煤矿井下安全预防措施和方法。
1.3 教学方法讲授:讲解煤矿井下安全的概念和重要性,引导学生理解安全原则和要求。
案例分析:分析典型安全事故案例,让学生了解安全事故的类型和原因。
小组讨论:分组讨论安全预防措施,培养学生的合作和分析能力。
第二章:煤矿井下安全检查的目的和意义2.1 教学目标使学生了解煤矿井下安全检查的目的和意义。
使学生掌握煤矿井下安全检查的基本要求和程序。
使学生了解煤矿井下安全检查的方法和技巧。
2.2 教学内容煤矿井下安全检查的目的和意义。
煤矿井下安全检查的基本要求和程序。
煤矿井下安全检查的方法和技巧。
2.3 教学方法讲授:讲解煤矿井下安全检查的目的和意义,引导学生理解安全检查的基本要求和程序。
实地考察:组织学生参观煤矿井下安全检查现场,让学生了解实际操作和技巧。
小组讨论:分组讨论安全检查中发现的问题和解决方法,培养学生的合作和分析能力。
第三章:煤矿井下安全检查的内容和方法3.1 教学目标使学生了解煤矿井下安全检查的内容和范围。
使学生掌握煤矿井下安全检查的方法和技巧。
使学生能够正确进行煤矿井下安全检查。
3.2 教学内容煤矿井下安全检查的内容和范围。
煤矿井下安全检查的方法和技巧。
煤矿井下安全检查的实际操作步骤。
3.3 教学方法讲授:讲解煤矿井下安全检查的内容和范围,引导学生理解安全检查的方法和技巧。
实地考察:组织学生参观煤矿井下安全检查现场,让学生了解实际操作和技巧。
模拟演练:设置模拟场景,让学生分组进行煤矿井下安全检查的实际操作,培养学生的实际操作能力。
第四章:煤矿井下安全检查的工具和设备4.1 教学目标使学生了解煤矿井下安全检查所需的工具和设备。
煤矿安全检查工作培训教材本章要点1.煤矿安全检查的内容和任务2.煤矿安全检查的方法和手段3.煤矿安全检查的重点第一节煤矿安全检查的内容、种类、任务与组织形式一、煤矿安全检查的内容煤矿安全检查的内容,包括查理想、查制度、查安全设置、查隐患、查事故处理。
查思想主要是对照党和国家有关安全生产方针政策及文件,检查部门单位领导和职工对安全生产的认识。
如干部是否真正做到了关心职工安全健康;指挥人员有无违章指挥;职工群众是否人人关心安全生产,在生产中是否有不安全行为和不安全操作;国家安全生产方针政策法令是否真正得到贯彻执行。
查制度主要是检查单位部门领导是否把安全生产摆上议事日程,是否真正贯彻了安全生产责任制度;在计划、布置、检查、总结、评比生产的同时,是否都有安全内容,“五同时”是否得到落实;各职能部门在各自业务范围内,是否对安全生产负责,安全机构是否健全,工人群众参加安全生产管理情况;企业单位改善劳动生产条件的措施计划是否按年度编制执行;新建和改扩建工程项目与安全生产设施工程的“三同时”编制是否得到落实。
此外还要检查单位部门的安全教育制度,新工人、调换工种人员以及特种作业人员的安全培训制度,各工种操作规程和岗位责任制的执行情况。
.查安全设施、查隐患主要是深入现场、检查劳动条件和作业环境、生产设备以及相应的安全卫生设施。
查事故处理主要是检查单位和部门对工伤事故以及重大非伤亡生产事故和未遂事故,是否按规定及时报告、认真调查、严肃处理,有无隐瞒包庇、谎报(大事故小包、重伤轻报)的现象;检查防止同类事故重复发生发生的防范措施是否认真落实;在事故调查处理中是否真正做到“四不放过”(事故原因未查清不放过,事故责任者未处理不放过,职工、群众未受到教育者不放过,防范措施未落实不放过)。
在检查中如发现未按“四不放过”原则草率处理的事故,要重新严肃处理,找出事故原因,追究有关责任,采取有效措施,防止类似事故重复发生。
在开展安全检查中,可根据各单位和部门的情况和特点,每次检查的内容应有所侧重,突出重点,确保收到实效。
安全检查工教案一、培训对象安全检查员(工人)。
二、培训目的1、了解煤矿安全生产方针、政策和法律法规,增强法制观念和安全意识,提高遵章守纪的自觉性,杜绝“三违”现象。
2、掌握本岗位的安全工作职责;了解煤矿生产技术知识;掌握《煤矿安全规程》对工人入井的有关规定;熟练掌握煤矿现场安全管理知识和安全检查方法;提高安全检查能力。
3、掌握煤矿各种灾害事故发生基本规律及防治措施,能及时发现事故隐患并采取应急处理措施,防止灾害扩大,能及时组织工人避灾自救。
4、熟悉井下避灾路线;掌握自救、互救和创伤急救的基本知识和操作方法;能熟练地使用自救器。
5、经过培训,考核合格,具备安全检查员(工人)安全工作资格。
三、培训时间培训时间为45学时四、课程内容(一)煤矿安全生产方针与法律法规1、煤矿安全生产方针。
2、有关煤矿安全生产的法律法规。
(二)煤矿安全管理与安全培训1、安全检查员岗位责任制。
2、安全管理基础知识。
3、安全检查的内容、方式和方法。
4、现代安全管理方法。
(三)煤矿安全监察与事故调查1、煤矿安全监察。
2、事故调查与处理。
(四)煤矿生产技术与质量标准1、矿井地质基本知识。
2、矿井开拓方式。
3、采煤技术。
4、通风质量标准。
5、机电运输质量标准。
6、采掘工程质量标准(五)矿井通风与灾害防防治1、矿井通风2、矿井瓦斯防治3、顶板灾害防治4、矿井水害防治5、矿井防灭火6、矿尘防治7、爆破安全技术8、机电、运输事故防治(六)自救、互救与创伤急救1、井下发生各种灾害事故的自救、互救与避灾方法。
2、创伤急救基本知识。
3、自救器。
一、煤矿安全生产方针与法律法规煤矿安全生产方针安全第一,预防为主。
[安全第一]是指如何看待和处理安全和生产以及其它各项工作的关系,要强调安全、突出安全,把安全放在一切工作的首位。
当生产和其它工作与安全发生矛盾时,生产和其它工作要服从安全。
要求一切经济部门和生产企业的领导者要高度重视安全工作,把安全工作当作头等大事来抓,作为完成各项任务、做好各项工作的前提条件。
一、实训目的本次实训旨在提高我对矿井安全知识的理解和掌握,增强安全意识,学习矿井安全管理制度和操作规程,提高应对矿井突发事故的能力,为今后从事相关工作打下坚实的基础。
二、实训时间与地点实训时间:2023年X月X日至X月X日实训地点:XX矿业有限公司三、实训内容1. 矿井安全基础知识- 矿井通风系统及风流控制- 矿井火灾、爆炸及矿井瓦斯- 矿井水害防治- 矿井机械设备安全- 矿井安全法规及管理制度2. 矿井安全操作规程- 入井前的安全检查- 矿井巷道安全行走- 矿井设备操作安全- 矿井作业现场安全注意事项- 矿井事故应急处理3. 矿井安全技能培训- 矿井逃生自救与互救- 矿井事故案例分析- 矿井安全检查与隐患排查- 矿井安全培训考核四、实训过程1. 理论学习- 通过查阅相关资料,学习矿井安全基础知识,了解矿井安全管理制度和操作规程。
- 参加矿井安全培训课程,听专业讲师讲解矿井安全知识,提高自己的安全意识。
2. 现场实训- 在专业人员的指导下,实地参观矿井,了解矿井通风系统、设备设施、巷道布局等。
- 参与矿井安全检查,学习如何排查安全隐患,掌握事故应急处理方法。
- 进行矿井逃生自救与互救演练,提高应对矿井突发事故的能力。
3. 技能考核- 通过理论考试和实操考核,检验自己在矿井安全知识、技能方面的掌握程度。
五、实训结果1. 理论知识掌握情况- 通过本次实训,我对矿井安全基础知识有了更深入的了解,掌握了矿井安全管理制度和操作规程。
2. 安全技能提高情况- 通过现场实训和技能考核,我掌握了矿井安全操作技能,提高了应对矿井突发事故的能力。
3. 安全意识增强情况- 本次实训使我深刻认识到矿井安全的重要性,增强了安全意识,为今后从事相关工作打下了坚实基础。
六、实训总结1. 优点- 实训内容丰富,理论与实践相结合,使我受益匪浅。
- 专业讲师的讲解和现场实训,使我掌握了矿井安全知识和技能。
2. 不足- 实训时间较短,对某些知识点的掌握还不够深入。
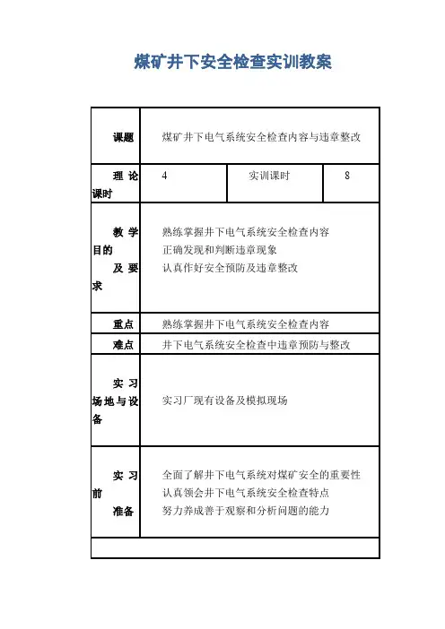
煤矿井下安全检查实训教案课题煤矿井下电气系统安全检查内容与违章整改理论课时4实训课时8教学目的及要求1、熟练掌握井下电气系统安全检查内容2、正确发现和判断违章现象3、认真作好安全预防及违章整改重点熟练掌握井下电气系统安全检查内容难点井下电气系统安全检查中违章预防与整改实习场地与设备实习厂现有设备及模拟现场实习前准备1、全面了解井下电气系统对煤矿安全的重要性2、认真领会井下电气系统安全检查特点3、努力养成善于观察和分析问题的能力教学过程组织教学:1、检查人数2、宣布实习课堂纪律3、强调安全注意事项导入新课:在煤矿生产安全事故中,井下电气系统引发的事故所占比例非常大,加强井下电气系统的安全检查,意义重大。
煤矿井下电气事故主要有人身触电事故、电气火灾事故、电器设备引爆瓦斯或煤尘事故、停电引起的瓦斯超限事故等。
因此,煤矿井下电气设备的安全检查主要包括防止触电、防止电气火灾、电气防爆和安全供电。
检查的重点是:1、矿井供电线路是否符合《煤矿安全规程》的有关规定;2、用于煤矿井下防爆型电气设备是否达到标准和要求;3、矿用电气设备的过流保护装置的整定、熔断器的选择是否符合规定;4、井下电网漏电保护和煤电钻综合保护装置是否灵敏可靠;5、井下电气设备接地系统是否完好;6、矿井安全监控装备是否按要求装备、使用与维护;7、井下电缆的管理和使用是否符合,煤矿安全规程》规定;8、井下变、配电硐室,机电设备硐室的构造是否符合规定;9、在井下电气设备检修和停送电作业中,是否有违章情况。
教学重点:一、防爆电气设备的现场安全检查1、隔爆型电气设备须有合格证;2、外壳完整无损,无裂痕和变形;3、外壳的紧固件、密封件、接地件是否齐全完好;4、隔爆结合面的间隙和有效宽度是否符合规定,结合面的粗糙度、螺纹隔爆结构的拧入深度和啮合扣数是否符合规定;5、电缆接线盒和电缆引入装置是否完好,电缆连接是否可靠,不用的电缆引入装置是否用钢板堵好;6、连锁装置功能完整,内部电气元件、保护装置是否完好无损、动作可靠7、接线盒内裸露芯线之间的电气间隙是否符合规定,芯线是否有毛刺,螺母是否压住绝缘材料;8、在设备输出端断电后,壳内仍有带电部件时,是否装设防护绝缘板;9、接线盒内的接地线是否比导电芯线长,保证导线被拉脱时仍能保持接地10、隔爆型电气设备安装地点有无滴水、淋水,周围是否坚固平稳;11、是否使用失爆设备及失爆的小型电器。
二、井下电网过流保护的现场安全检查1、对所选电气设备的安全检查(1)电气设备额定电压与所在电网的额定电压是否相适应;(2)额定电流应大于或等于长时最大工作电流;(3)电缆截面的选用是否符合设备容量的要求;(4)高、低压开关的额定断流容量是否大于或等于线路可能产生的最大三相短路电流;2、电气设备使用的安全检查(1)电气设备安装前后测量其绝缘电阻值是否合格,使用中定期测试设备绝缘(2)安装地点能否使电气设备免遭碰撞、砸压和林水的影响;(3)电缆的敷设和连接应遵守《煤矿安全规程》的规定,防止砸、碰、压电缆3、对过流保护装置整定值的安全检查过流保护分为短路保护、过负荷保护和断相保护。
井下各类电气设备应具备(1)井下高压电动机和动力变压器的高压侧,应有短路保护、过负荷保护和欠电压释放保护;(2)由采区变电所移动变电站或配电点引出的馈电线上,应有短路保护、过负荷保护;(3)低压电动机应有短路保护、过负荷保护和单相保护。
4、对所用熔体额定电流的安全检查根据现场符合情况检查所用的熔体额定电流是否正确,然后按短路电流校验5、对千伏级电网过载及过流保护装置整定的安全检查(现场确定是否正确)四、预防井下电气火灾事故的现场安全检查发生电气火灾的原因主要是:电缆连接的电气设备和接线盒有严重缺陷;电缆受挤压短路;保护失灵;设备与电缆阻燃性差;无火灾监视;现场灭火设施不起作用等。
因此,检查中应注意以下几点:1、电缆发生短路故障,高低压开关由于断流容量不足而不能断弧,引燃电缆。
检查中要注意断流容量、动、热稳定性、检验整定系统中继电保护是否灵敏可靠。
2、必须采用阻燃电缆。
3、电缆不许盘卷堆压,悬挂要符合《煤矿安全规程》。
4、必须有断电保护,合规整定,保证灵敏可靠,跳闸原因不明不许送电。
5、接线盒合格,周围不得有可燃物。
6、矿用变压器接线端子接触不良、绝缘油失效易发生火灾。
7、照明灯应悬挂,不得放置在可燃物上。
8、架线电机车行驶的巷道,必须是锚喷、砌碹或混凝土棚支护,以防火灾9、检查变配电硐室是否备有足够的消防灭火器材,机电硐室不得用可燃材料支护,并应有防火门。
五、井下电网漏电保护的现场安全检查电网漏电是煤矿安全的重大隐患,有可能引起矿井瓦斯、煤尘爆炸或增大人身触电的危险性,进而造成电气火灾,造成人身伤亡事故。
检查重点如下:1、检漏继电器一定要与带跳闸线圈的自动馈电开关一起使用,不能多用。
2、检漏继电器的辅助接地线应是橡套电缆,芯线截面积不小于10平方,辅助接地极并单独设置。
3、检漏继电器应水平安装在适当高度的支架上,要求可靠,便于检验。
4、每天是否有检查试验记录,记录是否合要求,检漏继电器外观、防爆性是否完好,欧姆表的数值是否正常。
5、运行中的设备绝缘是否受潮,电缆是否受到外力伤害、挤压过度弯曲而裂口,接头是否脱落。
6、操作电气设备时,是否有弧光产生。
7、电气设备与电缆是否因过负荷运行而损坏或直接烧毁绝缘。
六、井下电气设备保护接地的现场安全检查1、保护接地外壳的安全检查1)、外壳接地连线是否完整、连续,接头是否松动、锈蚀。
2)、每台设备是否使用独立导线与接地母线连接,设备是否串联接地。
3)、接地连接线与接地母线是否焊接,如果用螺钉是否镀锌或镀锡的。
4)、接地装置的材料是否使用铜材或钢材。
2、保护接地网的安全检查1)、主接地极应在主副水仓中各埋一块,规格应合规定要求。
2)、局部接地极应装设在:每个装有电气设备的硐室;每个单独设置的高压电气设备;每个低压配电点;每个连接动力铠装电缆的接线盒。
设置在巷道水沟或其他潮湿地方的局部接地极,均应符合相应规格。
3)、采掘移动设备,金属外壳应用像套电缆中接地芯线与配电点的控制设备外壳相连,接到局部接地极,组成保护接地网,不得兼做其他用途3、保护接地测试的安全检查接地网上任一点上测得电阻值不得超过2欧姆;移动式和手持式电气设备同接地网的保护接地电缆芯线电阻值不得超1欧姆;每年应将主、局接地极从水仓或水沟中提出,进行详细检查。
4、风电闭锁的安全检查《煤矿安全规程》规定:局部通风机和掘进工作面中的电气设备必须装有风电闭锁装置。
当局部通风机停止运转时,能立即切断供风的巷道中的一切电源。
检查时应注意高瓦斯矿井所有有瓦斯的掘进工作面;瓦斯突出矿井的所有掘进工作面;低瓦斯矿井中的高瓦斯掘进面;其他存在瓦斯聚集并安装有机电设备的场所。
在闭锁电路中,只能由人工恢复送电。
七、井下电缆的现场安全检查1、电缆选用的安全检查:电缆敷设水平差;电源电缆油浸纸绝缘;电缆是否带有供保护接地用的足够截面导体;铝芯电缆的使用范围;移动变电站是否采用监视型屏蔽橡胶电缆。
2、对低压动力缆的检查。
无论固定或移动低压动力缆都应是不延燃电缆,1140V 设备应用分相屏蔽的矿用移动屏蔽橡胶软电缆;对承受拉力的应采用VCBPQ抗拉型移动屏蔽电缆;采掘工作面660V、380V电气设备也应使用带分相屏蔽的橡胶电缆;煤电钻用UI橡套电缆;固定敷设的照明、通信、信号和控制电缆用铠装电缆、不延燃或矿用电缆。
3、对电缆截面的检查。
高压动力电缆应按电源经济电流密度、允许负荷电流、电力网路的允许电压损失进行选择,同时考虑是否满足过流保护装置灵敏系数要求。
低压动力电缆也应按照相应条件考虑采用电缆截面。
4、电缆敷设与悬挂的安全检查。
电缆挂钩、夹子、卡箍(立井和30度以上斜井)是否齐全,悬挂高度和距离是否符合要求;电缆在回风管、水管同一侧敷设时,电缆必须在其上方;电话、信号电缆与电力缆分挂井巷两侧,井筒内应相距0、3米以上,巷道内在其上。
电缆过墙用套管,沿线间隔标牌标明用途、电压和编号。
同时注意最小允许弯曲半径。
5、电缆连接的安全检查。
电缆与接线盒是否相符,电缆芯线是否使用卡爪或线鼻子同电气设备连接。
不同型电缆不得直接连接,接线盒、连接器或母线盒应符合要求,不得有明接头,鸡爪子、羊尾巴。
高压油浸纸绝缘电缆相互连接用的接线盒中,应灌注绝缘充填物。
井下橡套电缆直接连接时,应按规定采用硫化热补,不应有冷接头。
八、机电设备硐室的现场安全检查1、永久性电气设备硐室应砌碹或其他可靠方式构筑支护;2、采区变电室、采掘工作面配电点用不燃性材料支护;3、硐室出口防火铁门5米以内巷道砌碹或不燃材料支护,套管严密封堵4、硐室防火门向外开,门上装有可关严的通风孔;5、井下主变电所和主要排水泵房的地面比其他出口地板底板高50厘米6、变电硐室长度超6米时,两端各设一出口与巷道连接。
7、装有带油设备硐室应设集油坑8、设备与墙、与设备之间有合适的通道,便于检修。
9、入口出悬挂非工作人员禁止入内警示牌,有高压设备挂高压危险10、室内设灭火砂、电器火灾灭火器等灭火工具器材。
11、有无合格的高压绝缘手套、绝缘台和绝缘靴,设备与电缆标志牌是否齐全,标明清楚,有无停送电牌。
九、井下电气设备检修,停送电作业的现场安全检查1、是否执行工作票制度和制定安全措施,是否有签发人、负责人、操作人安全责任制。
2、高压停送电的操作是否采用书面申请或其他可靠的联系方式,由专职电工执行;谁停电,谁送电,严禁约时停送电现象;断开的隔离开关的操作机构应该锁住,把手悬挂有人作业,禁止合闸标志牌。
3、检修和搬迁设备须停电,检修前须验电,确认无电后再在三相上挂装接地线。
检修完恢复送电时,由原操作人员取下标志牌,合闸送电。
4、高压线路倒闸操作时,实行操作和监护制度,操作人员填写操作票,写明被操作设备的线路编号及操作顺序。
由两人执行,一人操作,一人监护,操作中执行监护复诵制度。
所用绝缘工具、绝缘手套、绝缘靴、绝缘台必须经试验合格。
5、井下防爆设备运行、维修、必须符合各项技术要求,失爆设备不得使用十、机电系统违章行为的现场安全检查1、违反停送电规定,机电设备检修时不停电、不挂牌、不加锁,停用的电气开关不挑保险丝。
2、使用失爆电气设备,不按规定使用保险丝。
3、对计划大范围停电检修或高压电气设备停电检修,无停电措施就施工。
4、风泵上的安全阀、释压阀不按规定时间检验,以至失灵或不动作。
5、电工高压作业无人监护。
6、没有接地、过流、漏电保护或未投入使用,电气设备脱体运行。
7、各种安全保护装置不按时检验,保护整定不合理,记录填写不认真或做假记录。
8、大型机电设备安装试运转或胶带道、绞车道、双层作业无措施。
9、各种机电设备转动部位不按时保养,无防护罩。