分离器技术规格书4-24
- 格式:doc
- 大小:87.50 KB
- 文档页数:9
分离器操作规程一、引言分离器是一种常用的工业设备,用于将混合物中的不同组分分离出来。
本操作规程旨在确保分离器的安全运行和有效操作,以保证生产过程的顺利进行。
二、适用范围本操作规程适用于所有使用分离器的工作场所和操作人员。
三、安全要求1. 操作人员必须经过专业培训,了解分离器的结构、原理和操作规程。
2. 操作人员必须佩戴适当的个人防护装备,包括防护眼镜、手套、耳塞等。
3. 在操作分离器前,必须检查设备的完整性和安全性,确保所有阀门和管道连接牢固,无泄漏现象。
4. 分离器周围必须保持整洁,无杂物堆积,确保操作空间通畅。
5. 禁止在分离器附近吸烟或使用明火。
四、操作步骤1. 打开分离器前,先检查进料管道和出料管道的阀门是否关闭。
2. 打开分离器的进料阀门,将混合物缓慢地注入分离器中。
3. 根据分离器的类型和要求,调整分离器的旋转速度、温度和压力等参数。
4. 在分离过程中,根据需要及时调整进料速度和出料速度,以保持分离效果。
5. 当分离过程结束后,关闭进料阀门,停止向分离器注入混合物。
6. 关闭出料阀门,将分离后的组分分别收集。
7. 关闭分离器的电源和其他操作设备,清理分离器及周围环境。
五、故障处理1. 如果分离器出现异常噪音、振动或泄漏等情况,应立即停止操作,并通知维修人员进行检修。
2. 在分离过程中,如发现温度或压力异常升高,应及时调整参数或停止操作,确保安全。
六、紧急情况处理1. 在发生火灾或其他紧急情况时,操作人员应立即按照应急预案进行处理,并通知相关人员。
2. 在紧急情况下,切勿慌乱操作,应保持冷静,遵循安全规定和指示。
七、操作记录1. 每次操作分离器前,应填写操作记录表,详细记录操作人员、操作时间、操作步骤、参数调整情况等。
2. 操作结束后,将操作记录表归档保存,以备查阅。
八、操作培训与评估1. 对新员工进行分离器操作培训,确保其掌握操作规程和安全要求。
2. 定期对操作人员进行操作技能和安全知识的评估,发现问题及时进行培训和改进。
金属分离器手册应用于橡塑工业金属检测和分离技术,广泛运用于橡塑工业。
针对待检物料中的金属有很好的检测和分离作用。
避免金属在后续的生产环节中,对生产设备和产品质量带来不利影响。
金属分离器系列产品,代替了传统的磁力架,而且解决了磁力架对于非铁磁性金属(如不锈钢、铜、铅和铝)不能解决的难题,成为解决金属杂质困难的首选。
系列化的金属解决方案可以短时间内收回投资成本生产设备:避免金属杂质对模具、螺杆和生产设备带来的危害。
减少维修费用,延长使用寿命。
生产效率:避免临时停机、打乱正常的生产安排,减少报废率,提高生产效率。
产品质量:避免含有金属杂质的产品,伤害消费者,引起巨额的赔偿。
资源节约:提高回料利用率金属杂质从何而来1)生产、运输时采用开放式容器2)人员的疏忽,比如金属饰物、发夹、钮扣和指甲剪等3)设备金属部件的损坏或掉落4)粉碎或研磨设备的碎片的损坏5)维修用金属工具的遗漏6)维修时遗漏的焊渣7)掉落的螺栓螺母8)甚至是运输时使用的托盘上的铁钉扎破包装后渗入原料等都有可能。
金属杂质的影响1)堵塞注塑机的射嘴、模具的流道等,导致经常需要维修人员去清理,造成生产停顿。
2)损坏设备,比如螺杆断裂、滚筒刮花或有压痕、模具损坏。
增加维修费用3)注塑或挤出的产品不合格,比如不耐高压、绝缘有问题、影响外观等4)导致产品召回5)客户抱怨, 损害市场形象产品系列BH系列金属分离器应用与自由落体散装物料的金属分离器,可单独使用,也可集成于管路中自由落体段,或配料罐下及成品料包装出口处。
安装简单,使用方便,易于集成。
UC系列金属分离器安装与注塑机进料口上的金属分离器,可迅速有效的剔除金属杂质。
使用负压密封式排料系统,不易堵塞物料出口。
紧凑的安装形式,方便连接各路系统。
EC系列除铁器可至于管路中,抽取式清理附着在除铁器上的磁性金属。
随意组合,易于清理。
金属分离器工作原理工作步骤待检物料通过检测系统、分离系统、剔除金属杂质,得到干净物料。
输气管道工程多管旋风分离器技术规格书
一、设备简介
多管旋风分离器是一种高效的气体除尘设备,适用于各种气体的净化处理。
该设备由多个小直径的旋风分离器组合而成,可广泛应用于输气管道工程中,对天然气、石油气等气体进行高效分离,去除其中的杂质和颗粒物,保证管道输送的清洁和安全。
二、技术规格
1. 设备型号:多管旋风分离器
2. 处理气体:天然气、石油气等
3. 处理流量:根据实际需求定制
4. 入口颗粒物浓度:≤100mg/m³
5. 出口颗粒物浓度:≤5mg/m³
6. 设备材质:碳钢、不锈钢等
7. 外形尺寸:根据实际需求定制
8. 工作温度:常温至150℃(根据实际需求定制)
9. 工作压力:≤(根据实际需求定制)
10. 电机功率:根据实际需求定制
11. 设备寿命:≥10年(根据实际使用情况而定)
三、工作原理
多管旋风分离器采用旋风分离技术,通过高速旋转产生离心力,使气体中的颗粒物和杂质被分离出来。
设备内部设有多个小直径的旋风分离器,可对气体进行多次分离,提高分离效率。
同时,采用耐磨、耐腐蚀的材质,可延长设备的使用寿命。
四、操作维护
1. 定期检查设备运行情况,确保正常工作。
2. 定期清理设备内部的积灰和杂质,保持清洁。
3. 定期检查设备的密封件和连接件,如有损坏及时更换。
4. 严格按照操作规程进行操作,避免出现安全事故。
5. 定期对设备进行维护保养,延长设备的使用寿命。
分离器操作规程
标题:分离器操作规程
引言概述:
分离器是一种常用的设备,用于将混合物中的不同组分分离开来。
为了确保分离器的正常运行和安全操作,制定一套操作规程是必要的。
本文将详细介绍分离器操作规程的五个部分。
一、分离器操作前的准备
1.1 确认分离器的类型和工作原理
1.2 检查分离器的设备状态和运行条件
1.3 准备分离器所需的操作工具和材料
二、分离器的启动和停止
2.1 启动前的检查和准备工作
2.2 正确启动分离器的步骤和顺序
2.3 停止分离器的步骤和注意事项
三、分离器的操作参数设置
3.1 确定分离器的操作温度和压力
3.2 设置分离器的流量和速度
3.3 调整分离器的分离效果和效率
四、分离器的运行监控和故障处理
4.1 监控分离器的运行状态和指标
4.2 处理分离器运行中的常见故障
4.3 预防和应对分离器的安全事故
五、分离器的日常维护和保养
5.1 定期清洁和检查分离器的内部和外部
5.2 更换分离器的耗材和易损件
5.3 记录和分析分离器的运行数据和维护记录
结论:
分离器是一种重要的设备,在工业生产中起到关键作用。
通过制定和遵守分离器操作规程,可以确保分离器的正常运行和安全操作,提高生产效率和产品质量。
以上五个部分的详细内容涵盖了分离器操作规程的各个方面,希望能为操作人员提供参考和指导。
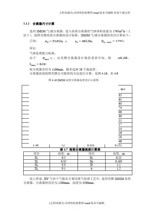
1.1.1 分离器尺寸计算选用SMSM 气/液分离器,进入高效分离器的气体体积流量为1795m 3/h (工况下),按照壳牌高效分离器的设计标准,SMSM 气/液分离器的直径计算如下: 已知:,:, 所以气体处理能力标准: 由于,由壳牌分离器设计规范查表可知,取=0.186,取分离器直径为1100mm ,最多选择29个旋流管。
分离器高度按照壳牌公司提供的方法进行计算,见图4.16、表4.6表4.6 分离器直径及涡流管个数的确定表 D ,m涡流管个数 *m ax Q ,m³/s m ax ,m/s 0.211 0.0064 0.185 0.454 0.0256 0.161 0.505 0.0320 0.163 0.659 0.0576 0.174 0.7012 0.0768 0.200 0.8516 0.102 0.180 0.9021 0.134 0.211 0.9524 0.154 0.217 1.0529 0.186 0.214 1.1032 0.205 0.216 1.1537 0.237 0.228 1.2044 0.282 0.249 1.3052 0.333 0.251 项目高度,m 项目 高度,m X 10.5 X 5 0.22 X 20.32 X 6 0.165 X 30.3 D 1.1 X 40.1 h1.2 综上所述,DY 气田干气脱汞方案闪蒸气处理工艺中,选用壳牌SMSM 高效分离器,分离器的直径为1200mm ,高度为3200mm 。
图4.16 SMSM 高效分离器高度设计示意图1.2MEG再生塔C-2201(1)和凝析油稳定塔C-2301分别对MEG再生塔和凝析油稳定塔进行选型并对塔径和高度进行计算。
1.2.1MEG再生塔和凝析油稳定塔基础数据MEG再生塔和凝析油稳定塔均选用整装填料塔,填料采用金属板波纹填料250Y型,该种填料具有生产能力大,分离效率高,压力降小,操作弹性大,持液量小等优点。
分离器操作规程引言概述:分离器是一种常用的设备,用于将混合物中的不同组分分离开来。
为了确保分离器的正常运行和安全性,制定一套操作规程是必要的。
本文将详细介绍分离器操作规程的内容。
一、操作前的准备工作1.1 检查设备状态1.2 清洁设备1.3 检查工作区环境二、分离器的启动和住手2.1 启动分离器2.2 住手分离器2.3 应急停机措施三、分离器的操作步骤3.1 设置操作参数3.2 载入混合物3.3 调整分离器运行状态四、分离器的监控与维护4.1 监控分离器运行状态4.2 定期维护分离器4.3 处理分离器异常情况五、操作注意事项5.1 遵守安全操作规程5.2 防止设备过载5.3 定期培训操作人员正文内容:引言概述:分离器是一种常用的设备,用于将混合物中的不同组分分离开来。
为了确保分离器的正常运行和安全性,制定一套操作规程是必要的。
本文将详细介绍分离器操作规程的内容。
一、操作前的准备工作1.1 检查设备状态在操作分离器之前,首先需要检查设备的状态,包括电源、液位、压力等。
确保设备处于正常工作状态,避免因设备故障导致操作失误或者安全事故。
1.2 清洁设备分离器在使用之前应进行清洁,确保设备内部无杂质和残留物。
清洁过程应遵循相关的操作规程,使用适当的清洗剂和工具,保证设备的卫生和安全。
1.3 检查工作区环境操作分离器的工作区环境应符合相关的安全要求,包括通风良好、无易燃易爆物品、无异味等。
确保工作区环境的安全和舒适,有利于操作人员的工作效率和安全性。
二、分离器的启动和住手2.1 启动分离器在启动分离器之前,需要按照操作手册或者设备说明书的要求进行操作。
包括打开电源、设定运行参数、检查设备运行状态等。
确保分离器能够正常启动并进入工作状态。
2.2 住手分离器住手分离器的操作应当谨慎,遵循相关的操作规程。
包括关闭电源、住手进料、排空设备等。
住手分离器时应注意安全,避免设备的蓦地住手引起的危(wei)险和损坏。
2.3 应急停机措施在紧急情况下,需要即将住手分离器的运行。
分离器操作规程一、引言分离器是一种常用的设备,用于将混合物中的不同组分分离开来。
本操作规程旨在确保分离器的安全操作,并提供详细的步骤和注意事项。
二、适合范围本操作规程适合于所有使用分离器的工作人员。
三、设备准备1. 确保分离器处于良好的工作状态,无损坏或者泄漏。
2. 检查分离器的电源和仪表是否正常工作。
3. 检查分离器的进料和排出口是否畅通。
4. 准备好所需的试剂和材料。
四、操作步骤1. 穿戴个人防护装备,包括安全眼镜、手套和防护服。
2. 打开分离器的进料阀门,并将混合物缓慢注入分离器。
3. 观察分离器的压力和温度变化,确保在安全范围内。
4. 根据需要调节分离器的转速和温度,以实现有效的分离效果。
5. 监控分离器的运行状态,如有异常情况及时采取措施。
6. 当分离过程完成时,关闭进料阀门,并等待分离器住手运行。
7. 打开排出口阀门,将分离后的组分采集或者排出。
8. 关闭分离器的电源,清洁分离器和周围的工作区域。
五、安全注意事项1. 操作人员应接受相关培训,了解分离器的工作原理和操作规程。
2. 在操作过程中,严禁将手或者其他物体伸入分离器内部。
3. 注意分离器的压力和温度变化,避免超过安全范围。
4. 在操作过程中,如发现任何异常情况,应即将住手操作并报告相关人员。
5. 使用化学试剂时,应注意防护措施,避免接触皮肤和吸入有害气体。
6. 分离器住手运行后,应等待其彻底住手并冷却后再进行清洁和维护。
六、紧急情况处理1. 在发生泄漏或者其他紧急情况时,即将住手操作,并按照应急预案进行处理。
2. 紧急情况处理应由经过培训的人员进行,确保安全和高效。
七、设备维护1. 定期检查分离器的工作状态,如有损坏或者异常情况,应及时修复或者更换。
2. 清洁分离器和周围的工作区域,保持设备的清洁和整洁。
3. 定期进行设备的维护保养,包括清洁、润滑和校准等。
八、记录和报告1. 在操作过程中,应记录关键参数和操作细节。
2. 如发生异常情况或者事故,应即将报告相关人员,并填写事故报告。
输气管道工程多管旋风分离器技术规格书旋风分离器作为输气管道工程中常用的一种分离设备,其技术规格书对于工程设计和施工具有重要意义。
本文将对输气管道工程中多管旋风分离器的技术规格进行详细描述,以确保设备能够正常运行并满足工程要求。
1. 设备类型:多管旋风分离器2. 设备结构:多管旋风分离器由进气管、旋风管、出气管、分离室等部分组成。
进气管将气体引入旋风管,气体在旋风管内受到离心力作用而分离出固体颗粒,分离后的气体通过出气管排出,固体颗粒则沉积在分离室内。
3. 设备材质:多管旋风分离器通常采用碳钢、不锈钢等耐腐蚀材质制成,以确保设备长期稳定运行。
4. 设备工作压力:根据输气管道工程的设计要求,多管旋风分离器的工作压力通常在0.5MPa至2.0MPa之间。
5. 设备工作温度:多管旋风分离器的工作温度范围通常在-20°C至80°C之间,根据输气管道工程的实际工况进行调整。
6. 设备分离效率:多管旋风分离器的分离效率通常在90%以上,根据工程要求可以进行调整和优化。
7. 设备安装要求:多管旋风分离器应安装在离管道阻塞点远离的位置,以确保气体流畅分离,同时应考虑设备维护和清洁的便利性。
8. 设备维护周期:根据多管旋风分离器的实际工作情况和使用频率,设定设备的定期维护周期,包括清洗分离室、更换滤网等工作。
9. 设备安全防护:多管旋风分离器应配备安全阀、压力表、温度计等安全防护装置,确保设备在工作过程中的安全性和稳定性。
总的来说,输气管道工程中的多管旋风分离器技术规格书应包括设备类型、结构、材质、工作压力、工作温度、分离效率、安装要求、维护周期、安全防护等内容,以确保设备在工程中的正常运行和长期稳定性。
通过严格遵守技术规格书的要求,可以有效提高输气管道工程的运行效率和安全性。
液气分离器技术规格书1、物资名称、规格型号:2.1、供方必须具备相关压力容器生产制造资质。
2.2、节流管汇到液气分离器的进液管为DN100,通过变径接头和液气分离器的DN150 14MPa法兰接口相连。
2.3、液气分离器与节流管汇的4 1/16″-35MPa法兰连接。
2.4、配转换接头:6〃转8〃,6〃转10〃,8〃转10〃,见配置单。
2.5、液气分离器到固控及节流管汇的管线由供方制作,需方需提供液气分离器的安装位置。
2.6、制作安装支架及铭牌。
3、产品设计、制造及验收标准规范:3.1、SY/T0515-2007《分离器规范》3.2、JB/T 4709-2000《钢制压力容器焊接规程》4、产品使用环境要求:液气分离器设计适于温度-29~82℃,相对湿度+20℃≤90℅,海拔高度≤1000m5、产品技术参数:设计工作压力:1.8MPa最高工作压力:1.6MPa强度试验压力:2.4MPa适用温度:-29℃~121℃分离器内径:Φ1000~1400容积: 2.6m3 3.0m3 3.6m3腐蚀裕度: 2焊接系数:1.0工作介质:清水、泥浆、原油、压裂液等进液管尺寸:DN150 (6″)出气管尺寸:DN200(8″)出液管尺寸:DN250(10″)气体处理量:15000m3/h、20000m3/h、23000m3/h 泥浆处理量:220m3/h、280m3/h、330m3/h6、产品组成配置:◆说明:液气分离器其余进出口连接规格和数量按用户需要选配7、备品备件:序号器材名称规格型号单位数量备注1 石棉橡胶垫100-10RF 件 1 标配2 石棉橡胶垫150-10RF 件 4 标配3 胶皮δ3 m^2 0.2 标配8、随机工具:序号器材名称规格型号单位数量备注1 螺栓扳手把各1把标配9、产品图片:10、随机交货资料:中文全套技术说明书(各五套)中文合格证和检测报告电子版光盘说明书按照要求制作技术证书和装箱清单11、产品验收:需方负责按技术协议和相关标准验收。
第四章货物需求一览表及商务技术要求一、货物需求一览表标包1:注:1. 本次招标为定商定价,采购数量以实际需求为准。
2. 技术要求详见技术规格书。
3. 整机产品质量保证期为安装验收合格后使用12个月或出厂18个月。
质保期内, 因供方原因造成的质量问题,由供方负责“三包”。
二、商务要求(一)质量保证措施和履约保证措施条款:(1)中标厂商的供货物资必须满足产品质量标准(标书中明确的标准要求),组织单位对中标物资进行不定期抽检,由有资质第三方检测单位进行检测,如发现一次不合格或质量管理部门抽检出现不合格产品的,取消该中标厂商在渤钻中标的同类产品的中标资格,启动排名第二为中标单位,执行自身投标价格。
(2)中标通知书下发以后,在中标有效期内,如供应商违反供货承诺,无故延期供货、拖延供货或无正当理由不供货,同一项目在收到渤海钻探工程公司各分公司投诉共计2次及以上,取消该供应商在公司范围内的交易资格,启动排名第二为中标单位,执行自身投标价格。
(3)供应商放弃中标或未能完全履行合同等相关违约事项,按照CT.7.1《物资供应商管理办法》中4.11.3、4.11.4、4.11.5、4.11.6、4.11.7和4.11.8中条例进行处罚,具体内容如下:4.11.3供应商出现下列情形之一的,临时暂停供应商交易资格,供应商管理部门进一步核实情况,确定处罚和恢复条件:a)公司及所属单位提出重大问题或质疑,需进一步调查核实;b)在质量、验收、事故处理方面存在问题有待核实;c)生产经营资质或体系保证文件逾期;d)在石油石化行业出现影响商业信誉的严重事故、法律纠纷等。
4.11.4供应商出现下列情形之一的,视情节严重程度中止其相应准入产品的交易资格3至12个月,并限期整改:a)某项产品质量经检验,不符合合同规定的质量要求;b)某项产品生产经营资质逾期超过规定时间更新;c)现场考察中发现产品生产存在某些质量隐患,需进行整改。
4.11.5供应商出现下列情形之一的,视情节严重程度中止供应商交易资格3至12个月,并限期整改:a)中标后无正当理由不与采购单位签订合同或延迟交货影响生产;b)非不可抗力原因,擅自变更、解除或终止合同或拒绝供货;c)供应商现场考察发现可能影响生产的问题;d)售后服务环节出现问题,影响企业运营。
目录1 绪论 (1)2设计选材及结构 (3)2.1材料选择 (3)2.2筒体及封头的选择 (3)3设计计算 (4)3.1确定罐体的工艺尺寸 (4)3.2设计主要技术参数的确定 (4)3.2.1设计压力 (4)3.2.2设计温度 (5)3.2.3厚度及厚度附加量 (5)3.2.4焊接接头系数 (7)3.2.5许用应力 (7)3.3筒体厚度设计 (8)3.4 封头壁厚设计 (10)3.5水压试验及强度校核 (10)4 附件的选择 (16)4.1 人孔的选择 (16)4.2人孔补强的计算 (17)4.2.1补强判别 (19)4.2.2开孔所需补强面积 (20)4.3补强圈的设计 (23)4.5液面计的设计 (18)4.6压力计的设计 (19)4.7安全阀的设计 (20)4.8容器支座的选择 (20)4.8.1承载核算 (21)4.8.2鞍座的选择 (21)4.9密封装置的设计 (22)4.10 视镜的选择 (34)4.11 溢流堰板的设计 (34)5筒体和封头的强度及稳定性校核 (35)5.1筒体的弯矩 (35)5.2剪力 (26)5.3.筒体应力计算及校核 (26)5.3.1 圆筒轴向应力及校核 (26)5.3.2筒体和封头切向应力及校核 (28)5.3.3 支座截面处圆筒体的周向应力及校核 (29)6容器制造工艺 (30)6.1下料 (30)6.1.1划线 (30)6.1.2坡口加工 (30)6.2成形 (30)6.4筒节复圆 (44)6.5纵缝无损检测 (45)6.6筒体组装 (45)6.7筒节环缝施焊 (46)6.8筒节环缝无损检测 (46)6.9划线开孔 (46)6.10筒体封头总装 (46)6.11设备附件组焊 (46)6.12完工总检 (47)6.13压力试验 (47)结论......................................................................................... 错误!未定义书签。
第四章货物需求一览表及商务技术要求一、货物需求一览表标包1:注:1. 本次招标为定商定价,采购数量以实际需求为准。
2. 技术要求详见技术规格书。
3. 整机产品质量保证期为安装验收合格后使用12个月或出厂18个月。
质保期内, 因供方原因造成的质量问题,由供方负责“三包”。
二、商务要求(一)质量保证措施和履约保证措施条款:(1)中标厂商的供货物资必须满足产品质量标准(标书中明确的标准要求),组织单位对中标物资进行不定期抽检,由有资质第三方检测单位进行检测,如发现一次不合格或质量管理部门抽检出现不合格产品的,取消该中标厂商在渤钻中标的同类产品的中标资格,启动排名第二为中标单位,执行自身投标价格。
(2)中标通知书下发以后,在中标有效期内,如供应商违反供货承诺,无故延期供货、拖延供货或无正当理由不供货,同一项目在收到渤海钻探工程公司各分公司投诉共计2次及以上,取消该供应商在公司范围内的交易资格,启动排名第二为中标单位,执行自身投标价格。
(3)供应商放弃中标或未能完全履行合同等相关违约事项,按照CT.7.1《物资供应商管理办法》中4.11.3、4.11.4、4.11.5、4.11.6、4.11.7和4.11.8中条例进行处罚,具体内容如下:4.11.3供应商出现下列情形之一的,临时暂停供应商交易资格,供应商管理部门进一步核实情况,确定处罚和恢复条件:a)公司及所属单位提出重大问题或质疑,需进一步调查核实;b)在质量、验收、事故处理方面存在问题有待核实;c)生产经营资质或体系保证文件逾期;d)在石油石化行业出现影响商业信誉的严重事故、法律纠纷等。
4.11.4供应商出现下列情形之一的,视情节严重程度中止其相应准入产品的交易资格3至12个月,并限期整改:a)某项产品质量经检验,不符合合同规定的质量要求;b)某项产品生产经营资质逾期超过规定时间更新;c)现场考察中发现产品生产存在某些质量隐患,需进行整改。
4.11.5供应商出现下列情形之一的,视情节严重程度中止供应商交易资格3至12个月,并限期整改:a)中标后无正当理由不与采购单位签订合同或延迟交货影响生产;b)非不可抗力原因,擅自变更、解除或终止合同或拒绝供货;c)供应商现场考察发现可能影响生产的问题;d)售后服务环节出现问题,影响企业运营。
分离器操作规程一、目的与适用范围本规程旨在确保分离器操作的安全、高效和规范,适用于所有使用分离器的操作人员。
二、术语定义1. 分离器:用于物料分离和液体固体分离的设备。
2. 操作人员:指接受过相关培训并持有操作证书的员工。
三、操作要求1. 操作前检查a. 确保分离器设备完好无损,各管线连接紧密。
b. 检查分离器内是否存有残余物料,必要时清理干净。
c. 验证分离器工作区域周围安全,不存在火源、易燃物和其他危险物品。
2. 操作步骤a. 启动前准备(1) 操作人员需佩戴符合要求的个人防护装备,包括防护眼镜、耳塞、防护服等。
(2) 确认分离器所需的操作参数,如温度、压力等,并进行适当设置。
b. 启动操作(1) 慢慢打开分离器入口阀门,保证物料缓慢进入分离器。
(2) 监测分离器工作状态,确保分离器正常运转。
(3) 关注分离器出口的流体情况,如出现异常应及时停机检查。
c. 停机操作(1) 关闭分离器入口阀门,停止物料进入。
(2) 等待分离器内的物料完全排空后,关闭分离器出口阀门。
(3) 断开分离器与供能系统之间的连接,确保电源切断。
3. 安全注意事项a. 操作人员应严格按照操作规程操作,不得私自更改操作参数。
b. 发现分离器异常情况或设备故障时,应及时上报并停机检修。
c. 禁止随意更改分离器安全阀的压力设定和调整。
d. 禁止在分离器周围吸烟、使用明火等具有火源的行为。
e. 禁止将分离器用于非设计用途的操作。
四、运行记录操作人员应及时录入运行记录,包括启动和停机时间、操作参数、发现的异常情况等,做到真实、详细。
五、操作培训与考核所有分离器操作人员必须参加分离器操作培训,并取得相应的操作证书。
公司将进行定期考核,确保操作人员持续掌握操作规程和要求。
六、责任制度1. 分离器操作人员有责任确保操作安全,并及时向上级报告操作风险和问题。
2. 监督部门应对分离器操作人员的操作标准进行监督,及时发现和纠正操作中的不规范行为。
中油股份乌鲁木齐石化公司热电厂烟气脱硫装置一、二效分离室制作技术规格书乌石化公司热电厂:乌石化公司:二〇一三年一月目录一、总则二、自然条件和公用工程条件三、工艺参数四、设计、制造过程中执行的标准和规范五、供货清单六、技术要求七、检验与验收八、图纸和资料交付九、涂色、标识和包装十、性能保证十一、质量保证与技术服务十二、交货期十三、报价说明十四、其它一、总则1.1本技术规格书适用于中国石油乌鲁木齐石化公司(简称买方)和宝鸡宝冶钛镍制造有限责任公司(简称卖方)就买方热电厂烟气脱硫装置一、二效分离器制作的有关技术事宜,本技术规格书是商务合同的重要组成部分。
在商务合同生效后,本技术规格书作为商务合同的附件,与商务合同具有同等的法律效力。
★1.2本技术规格书提出的是最低限度的技术要求,并未对一切技术细节做出规定,也未充分引述有关标准和规范的条文,卖方应保证提供符合本技术规格书和有关最新工业标准的成熟的优质产品。
#1.3如卖方没有以书面形式对本技术规格书的条文提出异议,则意味着卖方提供的设备完全符合本技术规格书的要求。
如有异议,卖方应以书面形式或电子邮件形式向买方提出,经双方协商达成一致意见后方可变更。
#1.4在签订商务合同之后,买方保留对本技术规格书提出补充要求和修改的权力,卖方承诺予以配合,具体事宜由双方商定。
★1.5卖方作为总成套方,对于产品涉及到的所有设备和设施起总成负责作用,卖方保证对其提供设备的完整性负责。
二、自然条件现场条件年平均气温: 16.6℃最高月平均气温: 25.7 ℃最低月平均气温: -14.8 ℃极端最高气温: 42 ℃极端最低气温: -41.5℃年平均气压: 950.2mba最高绝对大气压: 988.7mba最低绝对大气压: 924.4mba年平均相对湿度: 60%月最大相对湿度: 82%月最小相对湿度: 39%基本风压(10米高处):0.6kN/m2最大月平均风速: 2.9m/s三、工艺参数★设备工艺参数其他设计条件见图纸。
(参数已修改)改造说明:此设备为在原有系统设备基础上进行改造,由于原设备为玻璃钢设备腐蚀严重,需要另行制作,材质选用碳钢衬TA2,因此需对原浆流的流程进行改造,改造方案如下:改造后的流程图见《后处理一、二系统图修改》(1)在分离器下锥部分增加晶腿,晶腿直径Φ625。
直筒高3-5米,视安装空间确定, 晶浆由出料泵送至稠厚器旋流器;(2)出料泵入口处设循环液反冲洗管线,利用分离器进料泵出口设一条分线来反冲;(3)分离器上部增加裙型挡板,减少结晶物进入换热器,清液的出口上移,经循环管进入循环泵送入加热器.;(4)增大分离器容积蒸发量,及增加分离器容积10m3,现场条件所限只能向上扩大筒体;(5)分离器采用碳钢衬TA2材质,碳钢厚度8 mm,TA2厚度2mm。
(6)具体外形尺寸见附图。
★四、设计、制造过程中执行的标准和规范(1)设备和配件的设计、制造、施工、安装、调试、试验和材料应符合相关的中国法律、法规、规范、标准以及最新版的ISO和IEC标准。
对于标准的采用应符合下述原则:首先满足中国国家标准(GB系列)及化工行业标准(HG系列)及其它行业标准、规程的要求。
上述标准中不包含的部分采用技术来源国标准或国际通用标准,由卖方提供,买方确认;如上述标准均不适用,双方讨论确定;上述标准有矛盾时,按较高标准执行。
(2)卖方在协议书中应列举所有的设备、工具、配件的设计、制造、施工、安装、调试、试验和材料所采用的标准和规范清单,并能应买方要求提供标准和规范全文供审查确认。
从订货之日至卖方制造之日的这段时期内,买方有权提出因规程、协议和标准发生变化而产生的补充要求,卖方遵守这些要求。
(3)工程联系文件、技术资料、图纸、计算、仪表刻度和文件中的计量单位为国际计量单位(SI)制。
(4)工程中的工作语言为中文,所有的文件、图纸均应用中文进行编写。
卖方在接到中标通知后15天内完成换热器的总体设计,随后交付白图和电子版(PDF版和CAD版)给买方签字确认,买方接到确认图纸后7天之内会同该项目设计方中国石油工程建设公司新疆设计分公司提供图纸的确认意见。
★五、供货清单5.1卖方向买方提供的产品明细负全责。
★六、技术要求6.1 供方提供的产品功能完整、技术先进,并能满足人身安全和劳动保护条件。
6.2 所有产品均能正确设计和制造,在正常工况下均能安全、持续运行,没有过度的应力、振动、温升、磨损、腐蚀、老化等其它问题,设备结构考虑方便日常维护需要。
6.3 分离器的设计、制造、检验和试验应符合国内最新标准协议的有关要求。
加工前按照本协议的要求,编制质量控制计划和质量检查计划报需方认可。
6.4 产品及零部件采用先进、可靠的加工制造技术,有良好的表面几何形状和合适的配合,分离器必须完全满足工艺系统的操作参数和安装条件,可以在最低和最高条件下连续操作。
6.5 外购材料选用优质名牌、节能先进的产品,并有生产许可证及生产检验合格证。
供方对外购部件及材料进行检验,并对其质量、性能负责。
对目前国内产品质量不能满足使用要求的,将选用进口产品。
6.6 所有材料应符合有关规范的要求,且应是新型的和优质的,并能满足当地环境条件的要求。
6.7 材质要求6.9 设备制造符合相关国家标准。
6.10分离器之铭牌、支撑采用不锈钢材质,按《工程技术条件》中“铭牌”条款的规定制作和安装。
设备主螺栓、螺母也必须采用不锈钢材质在组装时要涂抹耐高温咬合剂。
6.11本协议包含的分离器应接受甲方的检验人员对各阶段的试验和制造的检查,制造厂应允许监造人员和买方检验人员进入分离器制造厂的各个部门。
卖方应向买方检验人员提供方便。
6.12对买方和卖方共同确定的见证点、停止点,卖方应提前10个工作日书面通知买方。
卖方若有变动,应在3个工作日内以书面形式通知买方。
如果买方在5天内未到卖方现场,也未以书面形式通知甲方,卖方应进行再次联系确认,经确认后可以由第三方监造人员履行买方权利,如买方和第三方监造人员在5天内均未到卖方现场,也未以书面形式通知卖方,视为此见证点、停止点合格,卖方可进行下一道工序。
6.13制造过程中的任何对设计的变更及材料代用应事先征得买方书面认可后方可进行。
★七、检验与验收7.1卖方须持有国家质量监督检验检疫总局颁发的第一、二类压力容器制造许可证。
7.2按GB150-2001<<钢制压力容器>> JB/T4745-2002<<钛制压力容器>>要求验收.7.3外形按竣工图尺寸核对检验.7.4钛钢复合板按GB/T8547-2006(二类)要求检验7.5钛板按GB/T3621-2007标准要求检验7.6焊缝按JB/T4730.2-2005要求检验7.7水压试验:0.2MPa7.8交货时出具全套软件资料,竣工图一套.7.9本协议包含的换热器应接受甲方的检验人员对各阶段的试验和制造的检查,制造厂应允许监造人员和买方检验人员进入换热器制造厂的各个部门。
卖方应向买方检验人员提供方便。
7.10对买方和卖方共同确定的见证点、停止点,卖方应提前10个工作日书面通知买方。
卖方若有变动,应在3个工作日内以书面形式通知买方。
如果买方在5天内未到卖方现场,也未以书面形式通知甲方,卖方应进行再次联系确认,经确认后可以由第三方监造人员履行买方权利,如买方和第三方监造人员在5天内均未到卖方现场,也未以书面形式通知卖方,视为此见证点、停止点合格,卖方可进行下一道工序。
7.11制造过程中的任何对设计的变更及材料代用应事先征得买方书面认可后方可进行。
八、图纸和资料交付#8.1 图纸资料交付数量技术资料按下表提供(不限于此):九、涂色、标识和包装9.1 设备的涂漆、包装和运输按JB/T4711《压力容器涂敷与运输包装》的规定进行。
9.2设备表面处理及涂漆还须遵守下列规定:9.2.1设备碳钢部分表面采用喷丸除锈,除锈等级符合GB8923《涂装前钢材表面锈蚀等级和除锈等级》要求,达到Sa3级。
除锈后钢材表面应无可见的油脂和污垢,并且无附着不牢固的氧化皮、铁锈和油漆涂层等附着物。
应清除钢材表面的浮灰及碎屑,将已处理的金属表面用干燥的棉纱揩试干净,使金属表面呈现均匀的金属光泽。
9.2.2设备碳钢部分表面,涂VG0611铁红耐高温防腐底漆二层、漆膜干膜厚度50µm。
9.2.3涂料采用重庆三峡油漆股份有限公司出品的合格产品.9.3 卖方提供设备运输的工装、包装等。
其中,所有接管都要采用盲板密封,防止杂物进入。
9.4分离器挂牌标示,标记应明显、准确、完整。
#9.5标记内容:材质标记、焊工钢印、生产指令号、设备位号。
9.6竣工验收资料内容与份数#9.6.1竣工验收资料内容包括:产品合格证、产品质量证明书、主要材料一览表、主要材料合格证及其质量证明书,设备竣工图。
9.6.2竣工资料的份数:竣工资料和竣工图分正本、副本共计三份。
#9.7制造好的设备要在甲方对预检验结果审核同意后方可装运。
9.8装箱单一式两份,一份装入包装箱,一份提供给甲方。
十、性能保证★10.1 卖方承诺:保证产品质量按照图纸的要求,并符合国家有关法规、标准及技术协议的要求,买方在卖方制造厂的检查和监造并不解除卖方在合同中所承担的责任。
★10.2 质保期后卖方继续跟踪服务,在质保期后如设备出现质量问题,卖方应及时对设备检修提供方案或派技术人员到现场解决问题,并按出厂价供应配件。
★10.3 卖方现场服务公司派有经验的专业人员到现场服务,负责解答买方对所供产品提出的问题和帮助指导产品的现场安装调试工作,主要内容如下:①产品的现场验收协调工作;②检查、指导产品的安装就位工作;③帮助检查安装产品的管线及对应管口的连接工作;④负责产品72小时试运行中出现的故障处理。
十一、质量保证与技术服务★11.1设备在买方现场出现问题时,卖方接到买方通知后应在4小时内给予答复。
若需派人到现场解决问题时,卖方接到通知后,应在24小时内到达现场。
★11.2设备质保期为设备交货18个月或设备运行后12个月。
在质保期内如设备因质量出现问题,在收到用户函、电后,保证48小时内派员到现场处理,并提供免费现场服务,在质保期内,如设备因质量出现问题卖方负责免费修复、更换。
现场安装时,卖方免费派人到现场指导。
★11.3质保期后卖方继续跟踪服务,在质保期后如设备出现质量问题,卖方应及时对设备检修提供方案或派技术人员到现场解决问题,并按出厂价供应配件。
十二、交货期#按商务合同执行。
十三、报价说明13.1 1个★号不符合则废标;13.21个#号不符合加价1%,10个#号不符合则废标;十四、其它14.1、未尽事宜双方协商解决,所补充的技术要求或者往来书面文字材料在双方签字确认后与本技术规格书具有同等的法律效力。