最新机动车辆及挂车分类对照表.docx
- 格式:docx
- 大小:17.05 KB
- 文档页数:1
机动车分类一、按照 GB7258— 2017《机动车运行安全技术条件》确定的机动车分类:汽车挂车载客汽车载货汽车货车专项作业车气体燃料汽车两用燃料汽车双燃料汽车纯电动汽车插电式混合动力汽车燃料电池汽车教练车残疾人专用车牵引杆挂车全挂车中置轴挂车半挂车乘用车旅居车未设置乘客站立区的客车客车设置乘客站立区的客车幼儿校车小学生校车校车中学生校车专用校车半挂牵引车三轮汽车低速汽车低速货车公路客车或长途客车旅游客车未设置乘客站立区的公共汽车客车专用客车机动旅居挂车车牵引杆挂车列车乘用车列车全挂拖斗车汽全挂汽车列车车货车列车列中置轴挂车列车车铰链列车半挂车列车危险货物运输车两轮普通摩托车普通摩托车边三轮摩托车摩正三轮摩托车托车两轮轻便摩托车轻便摩托车正三轮轻便摩托车拖拉机运输机组轮式专用机械车轮式自行机械车特型机动车二、按照公安部 GA802— 2014《机动车类型术语和定义》对机动车进行分类,车辆类型是根据机动车规格术语和机动车结构术语确定的机动车分类。
1.机动车规格术语机动车规格术语见表 2-1表 2- 1机动车规格术语分类表分类说明c载大型车长大于等于 6000mm或者乘坐人数大于等于20 人的载客汽车。
客中型车长小于 6000mm且乘坐人数为( 10~19)人的载客汽。
汽车长小于 6000mm且乘坐人数小于等于 9 人的载客汽车,但不包括微型载客汽。
车小型a微型重型中型轻型汽车微型载货三轮汽(三轮汽车)车低速(低速货车)专项作业车有轨电车摩普通托轻便车挂重型车中型b轻型车长小于等于3500mm且发动机气缸总排量小于等于1000 mL的载客汽。
大允许总质量(以下简称“总质量”)大于等于12000kg 的载货汽车。
车长大于等于6000mm 或者总质量大于等于4500kg 且小于12000kg 的载货汽车,但不包括低速货车。
车长小于6000mm 且总质量小于4500kg 的载货汽车,但不包括微型载货汽车和低速汽车(三轮汽车和低速货车的总称,下同)。
根据各种车辆的标准名称对照表1. 概述本文档旨在提供车辆标准名称对照表,帮助读者更好地理解各种车辆的标准命名,并促进相关行业的交流与合作。
该对照表包括一系列常见车辆的标准名称,涵盖汽车、摩托车、自行车等各类车辆。
2. 车辆标准名称对照表以下是车辆标准名称对照表,按照车辆类型进行分类:2.1 汽车- 小轿车:一种四轮的乘用车辆,通常含有2至4个座位。
- SUV:运动型多功能车,具有较强的越野能力,通常采用车体结构比较高的设计。
- 跑车:高速公路等场合使用的高性能轿车。
- 越野车:具有较强的通过性能,适用于各种复杂的地面条件。
- 面包车:专门用于运输货物或旅客的小型货车。
- 卡车:用于运输货物的大型汽车,通常具有较大的载重能力。
- 敞篷车:具有可折叠或可拆卸车顶的汽车,可在适宜的天气条件下享受户外驾驶的乐趣。
2.2 摩托车- 机动车:包括摩托车、轻便摩托车等各种电动或燃油驱动的两轮车辆。
- 跑车:高性能的摩托车,具有较高的加速性能和转弯稳定性。
- 巡航车:适用于长途骑行的摩托车,具有较为舒适的座椅和悬挂系统。
- 电动车:以电力为动力源的摩托车或电动自行车。
2.3 自行车- 步行车:不带驱动装置的自行车,需要人力脚踏才能前进。
- 电动自行车:以电力为辅助动力的自行车,能够减轻骑行的劳动强度。
- 山地车:适用于山地骑行的自行车,具有较好的通过性能和悬挂系统。
- 公路车:专为在公路上骑行而设计的自行车,具有轻量化和高速性能。
3. 使用说明读者可根据具体需求,在对照表中查找所需车辆的标准名称。
这些标准名称可用于相关文档、技术报告、行业交流等场合。
4. 总结本文档提供了各种车辆的标准名称对照表,在车辆行业和相关领域具有一定的参考价值。
通过标准化的命名,可以有效促进各方交流与合作,推动车辆行业的发展。
读者可根据需要使用该对照表,更好地理解和使用不同类型的车辆。
分类定义分类定义分类图片1普通乘用车——1、4个或以上座位;2、2个或4个侧门;2活顶乘用车——车顶为硬顶或软顶:①封闭;②拆除式开启3高级乘用车——1、4个或6个侧门;2、6个或以上侧窗;4小型乘用车——1、2个或以上座位;2、2个侧门;5敞篷车——车顶为硬顶或软顶,通过机构开合6仓背乘用车——————7旅行车————8多用途乘用车——1、7座以内;2、P-(M+N×68)>N×689短头乘用车——它一半以上的发动机长度位于车辆前风窗玻璃最前点以后,并且方向盘的中心位于车辆总长的前四分之一部分内10越野乘用车G类——所有车轮同时驱动,其性能、特性允许其在非道路上行驶11专用乘用车——旅居车、防弹车、救护车、殡仪车12小型客车不超过16座13城市客车可站立备注序号一级二级三级主要用于载运乘客及随时行李或临时物品的汽车,最多不超过9个座位M1类乘用车(俗称轿车)动力驱动,具有4个或以上车轮的非轨道承载的车辆(含整备质量超过400kg的三轮车)四级图片(超过9座)M2类:总质量≤5000kg汽车14长途客车可短途站立15旅游客车不可站立16铰接客车由两节刚性的车厢铰接组成17无轨电车一种经架线由电力驱动的客车18越野客车————19专用客车————20半挂牵引车N类——装备有特殊装置用于牵引半挂车的商用车辆21普通货车——22多用途货车可运载3个以上乘客的货车23全挂牵引车一种牵引杆式挂车的货车,它本身可在附属的载运平台上运载货物24越野货车G类所有车轮同时驱动25专用作业车消防车、救险车、垃圾车、应急车、街道清洗车、扫雪车、清洁车26专用货车运输特殊物品的货车:罐式车、集装箱运输车27客车挂车——载运人员及随身行李货车N1类:总质量≤3500kgN2类:3500kg<总质量≤12000kg N3类:总质量>12000kg使用的一种无动力的道用于运送人员和货物的汽车,可以牵引挂车商用车以上车轮的非轨道承载的车辆(含整备质量超过400kg的三轮车)客车(超过9座)M2类:总质量≤5000kgM3类:总质量>5000kg28牵引杆货车挂车——载运货物29普通牵引杆挂车——载运货物30专用牵引杆挂车——1、需特殊布置后才能载运人员或货物;2、只执行某种规定的运输任务;31客车半挂车——32通用货车半挂车——33专用半挂车——1、需特殊布置后才能载运人员或货物;2、只执行某种规定的运输任务;34旅居半挂车————能够提供活动睡具的半挂车35中置轴挂车牵引装置不能垂直移动,车轴位于紧靠挂车的重心的挂车旅居挂车——中置轴36乘用车列车——————37客车列车——————38货车列车——————39牵引杆挂车列车——————40铰接列车——————41双挂列车——————至少有两根轴的挂车牵引杆挂车由汽车牵引,才能正常使用的一种无动力的道路车辆O1类:总质量≤750kg O2类:750kg<总质量≤3500kgO3类:3500kg<总质量≤10000kgO4类:10000kg<总质量挂车一辆汽车与一辆或多辆挂车的组合汽车列车车轴置于车辆重心后面,并且装有可将水平或垂直力传递到牵引车的联结装置的挂车半挂车42双半挂列车————————43平板列车——————。
标准机动车辆及挂车分类
机动车辆及挂车可以根据不同的标准进行分类,常见的分类标准包括:
1. 根据用途分类:按照车辆的主要使用目的,可以分为乘用车、商用车、货车、客车、专用车等。
2. 根据车辆结构分类:按照车身结构和功能特点,可以分为轿车、跑车、SUV、MPV、皮卡等。
3. 根据驱动方式分类:按照车辆的驱动方式,可以分为前驱车、后驱车、四驱车等。
4. 根据排放标准分类:按照车辆的排放水平,可以分为国一、国二、国三、国四、国五、国六等不同的排放标准级别。
5. 根据座位数分类:按照车辆的座位数量,可以分为两厢车、三厢车、七座车等。
6. 根据总质量分类:按照车辆的总质量,可以分为小型车、中型车、重型车等。
7. 根据牵引车辆分类:按照车辆的牵引能力,可以分为挂车、拖车、牵引车等。
这些分类标准可以帮助人们更方便地了解和选择适合自己需求的车辆类型。
车辆型号分类等级对照表
本文档旨在提供车辆型号分类的等级对照表,以便于用于车辆管理和统计等方面的需要。
1. 概述
车辆型号分类是根据车辆的特征和用途将车辆进行分类和等级划分的过程。
根据不同国家和地区的规定,车辆型号分类的等级划分标准可能有所不同。
本文档将介绍一种常见的车辆型号分类等级对照表,供参考和使用。
2. 车辆型号分类等级对照表
以下是一种常见的车辆型号分类等级对照表:
请注意,以上仅为一种常见的车辆型号分类等级对照表,具体的划分标准可能会因国家、地区以及用途的不同而有所变化。
在实际应用中,应根据具体情况进行调整和使用。
3. 使用建议
- 在车辆管理中,可以根据车辆型号分类等级对照表对车辆进行分类和统计,以方便管理和分析。
- 在统计和研究车辆市场时,可以使用车辆型号分类等级对照表对车辆进行分类,以便于进行更加精确和细致的统计和分析。
- 在制定相关政策和法规时,可以参考车辆型号分类等级对照表,以制定相应的标准和规范。
4. 结论
车辆型号分类等级对照表是车辆管理和统计等方面的重要工具,通过对车辆进行分类和等级划分,可以方便管理、统计和研究。
本
文档介绍了一种常见的车辆型号分类等级对照表,供参考和使用。
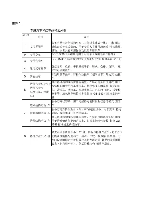
附件1:专用汽车和挂车品种划分表附件2:专用汽车和挂车生产企业许可条件及审查要求审查要求1. 标注“ * ”的项目为否决项;2. 审查适用条款可根据准入审查或监督检查、企业申请性质等情况进行适当裁剪;3. 对于采用新技术、新材料生产专用汽车的企业,第4条、第6条、第7条、第8条、第14条、第15条、第18条、第19条、第21条应予以关注或简化;4. 审查判定原则:(1)某条款部分内容不符合要求时,即视该条款为不符合;(2)全部否决项均符合要求,一般项不符合的比例不超过适用的审查适用一般项条款数的20%审查结论为通过;其余情况均为不通过;(3)当审查结论为不通过时,申请企业可在2个月内针对不符合项进行整改,验收达到第(2)条要求的,审查结论为通过;验收未达到第(2)条要求的,结论为不通过。
整改验收只能进行一次。
5. 监督检查要求:(1)第3条(年销售量或年销售收入的要求)、第13条、第17条(共性问题和设计缺陷处理)、第21条适用于监督检查;(2)所有否决项和“产品的生产一致性保证能力”章节(第14条至第21条),是监督检查的必查条款;(3)准入审查或上次监督检查中出现不符合的条款,是监督检查的必查条款;(4)其它一般项按照40%勺比例抽项审查,并覆盖企业运行周期内相关活动的变化情况附件3 :采用新技术、新材料的专用汽车和挂车的评价程序工业和信息化部委托中介机构组织评价申报企业采用新技术、新材料生产产品的情况,确认其是否属于采取新技术、新材料、填补国内空白的专用车企业。
中介机构按如下程序开展评价工作:一、组成人数不少于5人的评价小组,人员来自国内检测和认证机构、技术研究院所、主要企业事业单位、行业组织的专家等;二、评价小组采取集中讨论、现场调研、行业调研、主要企业及研究院所走访、专家交流、现场测试及验证等方式商议、确定是否属于新技术、新材料;三、评价小组在接受委托后的15个工作日内完成评价,提交评价意见;四、中介机构根据评价小组的评价意见,出具认定报告,上报工业和信息化部审核、批复。
挂车轻型中型分类标准挂车轻型中型分类标准一、车辆总质量根据车辆总质量,挂车可分为轻型和重型两类。
总质量小于等于1.8吨的挂车为轻型挂车,总质量大于1.8吨的挂车为重型挂车。
二、车辆长度挂车的长度是指车辆的总长度,是衡量挂车尺寸的重要指标。
根据车辆长度,挂车可分为微型车、小型车、中型车和大型车。
微型车的总长度小于等于3.5米,小型车的总长度在3.5米至6米之间,中型车的总长度在6米至8米之间,大型车的总长度大于8米。
三、车辆宽度挂车的宽度是指车辆的总宽度,也是衡量挂车尺寸的重要指标。
根据车辆宽度,挂车可分为窄体车、中体车和宽体车。
窄体车的总宽度小于等于1.7米,中体车的总宽度在1.7米至2.2米之间,宽体车的总宽度大于2.2米。
四、车辆轴距挂车的轴距是指车辆的前轴和后轴之间的距离。
根据轴距大小,挂车可分为短轴距车和长轴距车。
短轴距车的轴距小于等于3.5米,长轴距车的轴距大于3.5米。
五、车辆用途挂车的主要用途是运输货物,根据运输货物的种类和性质,挂车可分为普通货物运输车、危险品运输车、集装箱运输车、罐式运输车等。
此外,还有一些专用挂车,如工程作业车、消防车、救援车等。
六、车辆设计载重车辆设计载重是指挂车在正常使用条件下,所能承受的最大质量。
根据车辆设计载重,挂车可分为轻型载重挂车和中型载重挂车。
轻型载重挂车的最大设计载重小于等于30吨,中型载重挂车的最大设计载重大于30吨且小于等于50吨。
七、车辆制动方式挂车的制动方式包括空气制动和液压制动。
根据制动方式的不同,挂车可分为空气制动挂车和液压制动挂车。
空气制动挂车采用气动制动系统,具有制动迅速、灵敏、可靠等优点,但维护成本相对较高;液压制动挂车采用液压制动系统,具有制动柔和、平稳等优点,但响应速度较慢。
八、车辆保险要求根据车辆保险要求,挂车可分为营运挂车和非营运挂车。
营运挂车是指用于货物运输或其他商业用途的挂车,需要购买相应的商业保险;非营运挂车是指自用或临时用途的挂车,只需要购买交强险。
目录机动车驾驶证准驾车型对照表 (2)机动车驾驶证申请条件汇总表 (3)机动车规格术语 (5)机动车结构术语 (6)机动车检验周期一览表 (7)机动车号牌的分类规格及适用范围表 (8)机动车报废与延缓报废年限一览表 (9)机动车驾驶证准驾车型对照表准驾车型代号准驾的车型准驾的其他车型每年提交身体条件证明考试车辆的要求大型客车A1 大型载客汽车A3、B1、B2、C1、C2、C3、C4、M需要车长不小于9米的大型普通载客汽车牵引车A2 重型、中型全挂、半挂汽车列车B1、B2、C1、C2、C3、C4、M需要车长不小于12米的半挂汽车列车城市公交车A3核载10人以上的城市公共汽车C1、C2、C3、C4需要车长不小于9米的大型普通载客汽车中型客车B1 中型载客汽车(含核载10人以上、19人以下的城市公共汽车)C1、C2、C3、C4、M需要车长不小于5.8米的中型普通载客汽车大型货车B2 重型、中型载货汽车;大、重、中型专项作业车C1、C2、C3、C4、M需要车长不小于9米,轴距不小于5米的重型普通载货汽车小型汽车C1 小型、微型载客汽车以及轻型、微型载货汽车、轻、小、微型专项作业车C2、C3、C460周岁以下不需要车长不小于5米的轻型普通载货汽车,或者车长不小于4米的小型普通载客汽车,或者车长不小于4米的轿车小型自动挡汽车C2小型、微型自动挡载客汽车以及轻型、微型自动挡载货汽车60周岁以下不需要车长不小于5米的轻型自动挡普通载货汽车,或者车长不小于4米的小型自动挡普通载客汽车,或者车长不小于4米的自动挡轿车低速载货汽车C3低速载货汽车(原四轮农用运输车)C460周岁以下不需要由省级公安机关交通管理部门负责制定三轮汽车C4 三轮汽车(原三轮农用运输车)60周岁以下不需要由省级公安机关交通管理部门负责制定普通三轮摩托车D发动机排量大于50ml或者最大设计车速大于50km/h的三轮摩托车E、F60周岁以下不需要至少有四个速度挡位的普通正三轮摩托车或者普通侧三轮摩托车普通二轮摩托车E发动机排量大于50ml或者最大设计车速大于F60周岁以下不需要至少有四个速度挡位的普通二轮摩托车50km/h的二轮摩托车轻便摩托车F发动机排量小于等于50ml,最大设计车速小于等于50km/h的摩托车60周岁以下不需要由省级公安机关交通管理部门负责制定轮式自行机械车M 轮式自行机械车60周岁以下不需要由省级公安机关交通管理部门负责制定无轨电车N 无轨电车需要由省级公安机关交通管理部门负责制定有轨电车P 有轨电车需要由省级公安机关交通管理部门负责制定机动车驾驶证申请条件汇总表准驾车型可否初学身体条件年龄条件增驾条件可否在暂住地申请身高视力申请年龄允许年龄驾驶经历及记分情况A1 否155 5.0 26~50 26~60 B1、B2五年以上且前三个周期内无满分记录A2两年以上且前一个周期内无满分记录无死亡事故中负主要以上责任的记录不可A2 否155 5.0 24~50 24~60 B1、B2三年以上且前两个周期内无满分记录A1一年以上且前一个周期内无满分记录无死亡事故中负主要以上责任的记录不可A3 可155 5.0 21~50 21~60 前一个周期内无满分记录不可B1 否150 5.0 21~50 21~60 C1、C2、C3、C4三年以上且前两个周期内无满分记录A3、B2一年以上且前一个周期内无满分记录无死亡事故中负主要以上责任的记录不可B2 可155 5.0 21~50 21~60 前一个周期内无满分记录不可C1 可不限 4.9 18~70 18~ 前一个周期内无满分记录可C2 可不限 4.9 18~70 18~ 前一个周期内无满分记录可C3 可不限 4.9 18~60 18~70 前一个周期内无满分记录可C4 可不限 4.9 18~60 18~70 前一个周期内无满分记录可D 可不限 4.9 18~60 18~70 前一个周期内无满分记录不可E 可不限 4.9 18~60 18~70 前一个周期内无满分记录不可F 可不限 4.9 18~70 18~ 前一个周期内无满分记录不可M 可不限 4.9 18~60 18~70 前一个周期内无满分记录不可N 可155 5.0 21~50 21~60 前一个周期内无满分记录不可P 可不限 5.0 21~50 21~60 前一个周期内无满分记录不可机动车规格术语分类规格术语说明汽车载客大型车长大于等于6m或者乘坐人数大于等于20人。
(原)中国汽车分类标准(GB9417-89)将汽车分类为8类:1、载货汽车:微型货车Ga<=1.8t轻型货车1.8T<Ga<=6t中型货车6t<Ga<=14t重型货车Ga>14t2、越野汽车:轻型越野汽车Ga<=5t中型越野汽车5t<=Ga<=13t重型越野汽车13t<Ga<=24t超重型越野汽车Ga>24t3、自卸汽车:轻型自卸汽车Ga<=6t中型自卸汽车6t<Ga<=14t重型自卸汽车Ga>14t矿用自卸汽车4、牵引车:半挂牵引汽车全挂牵引汽车5、专用汽车:箱式汽车罐式汽车起重举升汽车仓栅式汽车特种结构汽车专用自卸汽车6、客车:微型客车L<=3.5m轻型客车3.5m<L<=7m中型客车7m<L<=10m大型客车L>10m特大型客车7、轿车:微型轿车V<=1L普通级轿车1L<V<=1.6L中级轿车1.6L<V<=2.5L中高级轿车2.5L<V<=4L高级轿车V>4L8、备用分类号9、半挂车:轻型半挂车Ga<=7.1t中型半挂车7.1t<Ga<=19.5重型半挂车19.5t<Ga<=34t超重型半挂车Ga>34t注:1、Ga——厂定最大总质量(单位:t-吨);L——车厂(单位: m—米); V——发动机排量(单位: l—升).2、载货汽车、自卸汽车、半挂车Ga为公路运行时厂定最大总质量;越野汽车Ga为越野车运行时厂定最大总质量。
3、中型、大型客车包括城市客车、长途客车、旅游客车及团体客车;特大型客车指铰接客车和双层客车。
目录机动车驾驶证准驾车型对照表 (2)机动车驾驶证申请条件汇总表 (3)机动车规格术语 (5)机动车结构术语 (6)机动车检验周期一览表 (7)机动车号牌的分类规格及适用范围表 (9)机动车报废与延缓报废年限一览表 (11)机动车驾驶证准驾车型对照表准驾车型代号准驾的车型准驾的其他车型每年提交身体条件证明考试车辆的要求大型客车A1大型载客汽车A3、B1、B2、C1、C2、C3、C4、M需要车长不小于9米的大型普通载客汽车牵引车A2重型、中型全挂、半挂汽车列车B1、B2、C1、C2、C3、C4、M需要车长不小于12米的半挂汽车列车城市公交车A3核载10人以上的城市公共汽车C1、C2、C3、C4需要车长不小于9米的大型普通载客汽车中型客车B1中型载客汽车(含核载10人以上、19人以下的城市公共汽车)C1、C2、C3、C4、M需要车长不小于5.8米的中型普通载客汽车大型货车B2重型、中型载货汽车;大、重、中型专项作业车C1、C2、C3、C4、M需要车长不小于9米,轴距不小于5米的重型普通载货汽车小型汽车C1小型、微型载客汽车以及轻型、微型载货汽车、轻、小、微型专项作业车C2、C3、C460周岁以下不需要车长不小于5米的轻型普通载货汽车,或者车长不小于4米的小型普通载客汽车,或者车长不小于4米的轿车小型自动挡汽车C2小型、微型自动挡载客汽车以及轻型、微型自动挡载货汽车60周岁以下不需要车长不小于5米的轻型自动挡普通载货汽车,或者车长不小于4米的小型自动挡普通载客汽车,或者车长不小于4米的自动挡轿车低速载货汽车C3低速载货汽车(原四轮农用运输车)C460周岁以下不需要由省级公安机关交通管理部门负责制定三轮汽车C4三轮汽车(原三轮农用运输车)60周岁以下不需要由省级公安机关交通管理部门负责制定普通三轮摩托车D发动机排量大于50ml或者最大设计车速大于50km/h的三轮摩托车E、F60周岁以下不需要至少有四个速度挡位的普通正三轮摩托车或者普通侧三轮摩托车普通二轮摩托车E发动机排量大于50ml或者最大设计车速大于50km/h的二轮摩托车F60周岁以下不需要至少有四个速度挡位的普通二轮摩托车轻便摩托车F发动机排量小于等于50ml,最大设计车速60周岁以下不需要由省级公安机关交通管理部门负责制定小于等于50km/h的摩托车轮式自行机械车M轮式自行机械车60周岁以下不需要由省级公安机关交通管理部门负责制定无轨电车N无轨电车需要由省级公安机关交通管理部门负责制定有轨电车P有轨电车需要由省级公安机关交通管理部门负责制定机动车驾驶证申请条件汇总表准驾车型可否初学身体条件年龄条件增驾条件可否在暂住地申请身高视力申请年龄允许年龄驾驶经历及记分情况A 1否1555.026~5026~60B1、B2五年以上且前三个周期内无满分记录A2两年以上且前一个周期内无满分记录无死亡事故中负主要以上责任的记录不可A 2否1555.024~5024~60B1、B2三年以上且前两个周期内无满分记录A1一年以上且前一个周期内无满分记录无死亡事故中负主要以上责任的记录不可A 3可1555.021~5021~60前一个周期内无满分记录不可B 1否1505.021~5021~60C1、C2、C3、C4三年以上且前两个周期内无满分记录A3、B2一年以上且前一个周期内无满分记录无死亡事故中负主要以上责任的记录不可B 2可1555.021~5021~60前一个周期内无满分记录不可C 1可不限4.918~7018~前一个周期内无满分记录可C 2可不限4.918~7018~前一个周期内无满分记录可C 3可不限4.918~6018~70前一个周期内无满分记录可C 4可不限4.918~6018~70前一个周期内无满分记录可D可不限4.918~6018~70前一个周期内无满分记录不可E可不限4.918~6018~70前一个周期内无满分记录不可F可不限4.918~7018~前一个周期内无满分记录不可M可不限4.918~6018~70前一个周期内无满分记录不可N可1555.021~5021~60前一个周期内无满分记录不可P可不限5.021~5021~60前一个周期内无满分记录不可机动车规格术语分类规格术语说明汽车载客大型车长大于等于6m或者乘坐人数大于等于20人。
参考医学
附件一:型分类表
表一、机动车规格术语
签注要求
一、签注机动车类型时,按照表一和表二的分类栏所对应的规格术语和结构术语相加签注,如:"大型普通客车”、"中型罐式货车” 等。
分类栏不对应的,不签注规格术语。
二、除微型轿车外,其他轿车、三轮汽车、普低速货车、厢式低速货车、罐式低速货车、自卸低速货车不签注规格术语。
三、半挂牵引车、使用载货汽车底盘的专项作业车按照载货汽车的规格术语签注;使用载客汽车底盘的专项作业车按照载客汽车的规格术语签注。
表二、机动车结构术语
(注:表格素材和资料部分来自网络,供参考。
只是收取少量整理收集费用,请预览后才下载,期待你的好评与关注)。
我国汽车按新标准划分8大类:
1、载货汽车:依公路运行时厂定最大总质量(GA)划分为:微型汽车(GA≤1.8吨)、轻型货车( 1.8吨<GA≤6吨)、中型货车(6.0吨<GA≤14吨)、重型货车( GA>14吨);
2、越野汽车:依越野运行时厂定最大总质量(GA)划分为:轻型越野汽车(GA≤5吨)、中型越野汽车(5吨<GA≤13吨)、重型越野汽车(13吨<GA≤24吨)、超重型越野汽车( GA>24吨);
3、自卸汽车:依公路运行时厂定最大总质量(GA)划分为:轻型自卸汽车(GA≤6吨)、中型自卸汽车(6吨<GA≤14吨)、重型自卸汽车(GA>14吨)、矿山自卸汽车;
4、牵引车:半挂牵引车、全挂牵引车;
5、专用汽车:厢式汽车、罐式汽车、起重举升汽车、仓棚式汽车、特种结构式汽车、专用自卸汽车;
6、客车:依车长(L)划分为:微型(L ≤3.5米)、轻型(3.5米<L≤7米)、中型客车(7米<L≤10米)、大型客车( L>10米);中大型客车又可分为城市、长途、旅游及团体客车,特大型客车指铰接和双层客车;
7、轿车:依发动机排量(V)可划分为:微型轿车(V≤1升)、普通轿车(1升<V≤1.6升)、中级轿车(1.6升<V≤2.5升)、中高级轿车车( 2.5升<V≤4升)高级轿车(V>4升 );
8、半挂车:依公路运行时厂定最大总质量(GA)划分为:轻型半挂车(GA≤7.1吨)、中型半挂车(7.1吨<GA≤19.5吨)、重型半挂车(19.5吨<GA≤34吨)、超重型半挂汽车( GA>34吨).。
附件一:机动车类型分类表
表一、机动车规格术语
签注要求
一、签注机动车类型时,按照表一和表二的分类栏所对应的规格术语和结构术语相加签注,如:“大型普通客车”、“中型罐式货车”等。
分类栏不对应的,不签注规格术语。
二、除微型轿车外,其他轿车、三轮汽车、普低速货车、厢式低速货车、罐式低速货车、自卸低速货车不签注规格术语。
三、半挂牵引车、使用载货汽车底盘的专项作业车按照载货汽车的规格术语签注;使用载客汽车底盘的专项作业车按照载客汽车的规格术语签注。
表二、机动车结构术语。
根据 GB/T?15089—2001 国家标准《机动车辆及挂车分类》 ,机动车辆及挂车分为
L 类、 M 类、 N 类、 O 类和 G 类五种类型:
分类
定义
备注
L1 2 轮 ≤ 50ml ≤50km/h 轻便 2 轮摩托车
L2 3 轮 ≤ 50ml ≤50km/h 轻便 3 轮摩托车 L 两轮或三轮机动车辆
L3 2 轮 >50ml >50km/h 2 轮摩托车 L4 正 3 轮 >50ml >50km/h 正三轮摩托车
L5 偏 3 轮
>50ml
>50km/h
偏三轮摩托车
M1
≤ 9 座
/
M2
≤5000?kg
至少有四个车轮并且 M
用于载客的机动车辆
> 9 座
M3 >5000?kg
N1
≤3500?kg
N
至少有四个车轮且用
>3500?kg 且 ≤12000?kg
N2
于载货机动车辆
N3
> 12000?kg
O 挂车(包括半挂车)O1~O4 0-750-3500-10000-MAX
G
满足要求的 M 类、 N
类的越野车
A 级???可载乘员数 (不包括驾驶员) 不多于 22 人,并允许乘员站立。
(轻型客车)
B 级???可载乘员数 (不包括驾驶员) 不多于 22 人,不允许乘员站立。
(轻型客车)
Ⅰ级 ??可载乘员数 (不包括驾驶员) 多于 22 人,允许乘员站立, 并且乘员可以自由走动。
Ⅱ级 ??可载乘员数 (不包括驾驶员) 多于 22 人,只允许乘员站立在过道和/或提供不超过相当于两个双人座位的站立面积。
Ⅲ级 ??可载乘员数(不包括驾驶员)多于
22 人,不允许乘员站立。
最大设计总质量。