美国USP标准 甘油检测操作规程
- 格式:doc
- 大小:81.50 KB
- 文档页数:11
江西欧氏药业有限责任公司GMP文件1 目的:为规范质量检验人员对甘油的检验操作,保证检验结果的准确性和可靠性,特制定本规程。
2 范围:适用于辅料甘油的检验。
3 责任人:QC人员(化验员)对实施本规程负责,QC主任(质量控制实验室负责人)负责监督检查,质量部部长负责抽查执行情况。
4 内容:4.1 检品名称及代码4.1.1 物料名称:甘油4.1.2 物料代码:F0024.2 质量标准编号:STP-ZL-02-002-00。
4.3 取样规程编号:SOP-ZL-03-017-00。
4.4 检验项目及操作方法4.4.1【性状】4.4.1.1仪器与用具:电子天平、锥形瓶4.4.1.2操作方法:4.4.1.3记录:记录观察到的辅料的行状、颜色、色泽,味道、溶解等。
4.4.1.4结果与判定:本品为无色、澄清的黏稠液体;味甜,有引湿性,水溶液(1→10)显中性反应。
本品与水或乙醇能任意混溶,在丙酮中微溶,在三氯甲烷或乙醚中均不溶。
4.4.2相对密度4.4.2.1仪器与用具:电子天平、比重瓶、干燥箱、恒温水浴锅4.4.2.2试液与试剂:纯化水名称甘油检验操作规程编号SOP-ZL-06-002-00码2/74.4.2.3操作方法:取本品,照《相对密度测定法》(编号:SOP-ZL-01-023-00)检查,4.4.2.4记录与计算:记录每次称量数据,并按下述计算公式计算相对密度:相对密度= W1-WW1-W式中:W0为比重瓶重(g);W1为供试品+比重瓶重(g);W2为水+比重瓶重(g)。
4.4.2.5结果与判定:在25℃时不小于1.2569。
4.4.3【鉴别】4.4.3.1仪器与用具:红外分光光度计等4.4.3.2试液与试剂:无水乙醇4.4.3.3操作方法:取本品,照《红外分光光度法》(编号:SOP-ZL-01-013-00)检查,4.4.3.4记录:记录供试品的红外色谱图并附图4.4.3.5结果与判定:本品的红外光吸收图谱应与对照的图谱(光谱集77图)一致。
标题:甘油检验操作规程分发部门:总经理室、质量技术部,行政部(存档)甘油检验操作规程1 范围本标准规定了甘油的检测方法和操作要求;适用于甘油的质量检测。
2 引用标准《中国药典》2005年版第二部3 检验方法3.1 感官检测打开产品包装,通过外观检测判定:本品为无色、澄明的黏稠液体;味甜,随后有温热的感觉;。
3.2 相对密度应按照公司制定的《相对密度测定法》(QC-O-047)的方法测定。
3.3 炽灼残渣3.3.1 定义和原理供试品经炭化后加入硫酸,炽灼使有机物破坏,生成硫酸灰分,称残渣重,计算出供试品中炽灼残渣的量。
3.3.2 试剂和溶液a) 变色硅胶;b) 硫酸。
3.3.3 仪器和设备a) 高温炉;b) 瓷坩埚;2/2 甘油检验操作规程QC-O-010c) 不锈钢长柄坩埚钳;d) 分析天平;e) 干燥器。
3.3.4 操作3.3.4.1 坩埚的准备新坩埚按不同重量分别编号(用蓝墨水与三氯化铁溶液的混合液涂写),置电炉上烘烤至字迹牢固地附于坩埚上,洗净擦干,置高温电炉中于700~800℃炽灼至恒重。
按编写的顺序放入干燥器内。
3.3.4.2 操作方法3.3.4.2.1 取供试品20g,置已炽灼至恒重的坩埚内,加热至发火,停止加热,使自然燃烧后,放冷,置排风橱内电炉上缓缓炽灼至完全炭化,放冷至室温;3.3.4.2.2 于上述供试品炭化物中加硫酸0.5~1ml使湿润,低温加热至硫酸蒸气除尽后,放入高温炉中于700~800℃炽灼使完全灰化(约2小时),待温度降至400℃以下时取出(室温较低时将坩埚钳先在炉口烘烤片刻,再夹持坩埚以防裂开),移置干燥器内,放冷至室温(约40分钟左右放置时间与空坩埚一致)取出迅速精密称定后,再在700~800℃炽灼至恒重,即得。
3.3.4.2.3 如需将残渣留作重金属检查,则炽灼温度必须控制在500~600℃。
3.3.5 计算遗留残渣(mg)=(m2-m1)×1000式中m1―炽灼前空坩埚质量,gm2―炽灼后坩埚和残渣质量,g本品遗留残渣不得过2mg。
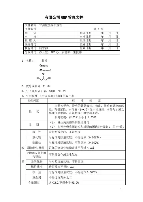
有限公司GMP 管理文件1、名称: 甘油GanyouGlycerolOHHO OH2、代号或编号:F —043、分子式和分子量:C 3H 8O 3 92.095、操作方法:5.1性状、相对密度。
5.1.1仪器、设备:试管、比重瓶、分析天平、水浴锅。
5.1.2操作步骤:取样品适量于试管中观察,应为无色、澄明的黏稠液体,尝之味甜,随后有温热的感觉;取样品适量于表面皿中,暴露空气中观察,样品是否具引湿性;取样品1ml 于量筒中加水至10ml ,混匀,用试纸测试,观察是否显中性反应。
取样品适量于烧杯中分别加入水、乙醇、氯仿、乙醚、搅拌观察,与水、乙醇任意比例是否混溶,与氯仿、乙醚是否不溶。
取洁净、干燥并精密称定重量的比重瓶装满样品(20℃)后,插入中心有毛细孔的瓶塞,用滤纸将从塞孔溢出的液体擦干,置20℃恒温水浴中,放置若干分钟,随着样品温度的上升,过多的液体将不断从塞孔溢出,随时用滤纸将瓶塞顶端擦干,待液体不再由塞孔溢出,迅即将比重瓶自水浴中取出,再用滤纸将比重瓶的外面擦净,精密称定,减去比重瓶的重量,求得样品的重量后,将样品倾去,洗净比重瓶,装满新沸过的冷水,再照上法测得20℃时水的重量,计算。
5.1.3计算公式水重量样品重量样品的相对密度 5.2鉴别5.2.1试剂:硫酸氢钾5.2.2仪器:试管5.2.3操作步骤:5.2.3.1取样品数滴于试管中,加硫酸氢钾0.5g ,加热,观察是否发生丙烯醛的刺激性臭气。
5.2.3.2 按[红外分光光度法标准操作规程(文件编号:TS0900300)]进行操作。
5.3检查5.3.1颜色:5.3.1.1试剂:重铬酸钾。
5.3.1.2仪器、设备:量筒、纳氏比色管、移液管。
5.3.1.3操作步骤:用量筒量取样品50ml ,置50ml 纳氏比色管中,与对照液(取比色用重铬酸钾液0.2ml ,加水稀释至50ml 制成)比较,观察是否比对照液浅。
5.3.2氯化物5.3.2.1试剂:氯化钠、硝酸、硝酸银。
甘油内控质量标准及检验操作规程1、目的:建立甘油检验操作规程,确保甘油的质量。
2、适用范围:适用于甘油的检验操作。
3、责任者:检验员负责实施,质控部负责人负责监督。
4、依据:中国药典2010版二部。
5、规程:(一)、质量标准:(二)、操作规程:试剂与试药:硫酸氢钾标准氯化钠溶液标准硫酸钾溶液氢氧化钠滴定液(0.1mol/L)醋酸盐缓冲液(pH3.5) 50%(W/V)乙二醇溶液 2.14%(W/V)高碘酸钠溶液仪器与用具:试管5个 50ml烧杯4个 50ml纳氏比色管1个红外光吸收仪1台电子天平1台1.性状1.1取本品适量,目视观察为无色、澄清的黏稠液体;味甜,感觉;有引湿水溶液(1 →10)显中性反应。
1.2本品与水或乙醇能任意混溶,在丙酮中微溶,在三氯甲烷或乙醚中不溶。
1.3相对密度本品的相对密度,在25℃时不小于1.2569。
2、鉴别:2.1本品的红外光吸收图谱应与对照的图谱(光谱集77图)一致。
3.检查:3.1颜色取本品50ml,置50ml纳氏比色管中,与对照液(取比色用重铬酸钾液0.2ml,加水稀释至50ml制成)比较,不得更深。
3.2氯化物取本品5.0g,依法检查(附录Ⅷ A),与标准氯化钠溶液7.5ml 制成的对照液比较,不得更浓(0.0015%)。
3.3硫酸盐取本品10g,依法检查(附录Ⅷ B),与标准硫酸钾溶液2.0ml 制成的对照液比较,不得更浓(0.002%)。
3.4脂肪酸与酯类取本品40g,加新沸过的冷水40ml,再精密加氢氧化钠滴定液(0.1mol/L)10ml,摇匀后,煮沸5分钟,放冷,加酚酞指示液数滴,用盐酸滴定液(0.1mol/L)滴定剩余的氢氧化钠,并将滴定的结果用空白试验校正,消耗的氢氧化钠滴定液(0.1mol/L)不得过4.0ml。
3.5丙烯醛、葡萄糖与铵盐取本品5ml,加10%氢氧化钾溶液5ml,在60℃放置5分钟,不得显黄色或发生氨臭。
3.6易炭化物取本品4.0g,照易炭化物检查法(附录Ⅷ O)项下方法检查,静置时间为1小时,如显色,与对照溶液(取比色用氯化钴溶液0.2ml、比色用重铬酸钾溶液1.6ml与水8.2ml制成)比较,不得更深。
辅料甘油USP操作方法甘油(Glycerin),也称甘油醇,是一种无色、无味且具有粘稠性质的有机物,广泛应用于医药、食品、化妆品等行业。
本文将详细介绍甘油USP(United States Pharmacopeia)的操作方法,并给出一些使用甘油USP的常见场景和注意事项。
甘油USP操作方法:1. 准备工作:在进行任何操作之前,确保工作区域干净整洁,有充足的通风。
戴上适当的个人防护装备,如手套、护目镜等。
2. 实验室试剂准备:使用合适的容器将需要的甘油USP倒入,可以使用玻璃烧杯、瓶子或塑料容器。
3. 需要时可以准备一些蒸馏水,以便进行稀释或冲洗等操作。
4. 执行操作:将所需的量的甘油USP小心地倒入容器中。
根据需要,可以加热容器来加快甘油的溶解。
5. 如果需要稀释甘油,添加适量的蒸馏水,并轻轻搅拌混合。
6. 根据具体的应用需求,可以将甘油USP转移至专用的储存容器中,如密封瓶或仓储罐。
7. 在处理完甘油之后,清洗使用过的容器,并将残余液体妥善处理,以确保实验室环境的安全。
甘油USP的常见应用场景:1. 医药行业:甘油USP可用作许多药物、口服药物和外用药膏的基础成分,如咳嗽糖浆、缓释药片和皮肤炎症药膏等。
2. 化妆品行业:甘油USP可在护肤品和化妆品中发挥保湿、柔软皮肤、增加产品粘稠度等作用。
3. 食品行业:甘油USP可以用作甜味剂、保湿剂和防止食品干燥的添加剂,如糖果、饼干、甜点等。
4. 烟草行业:甘油USP是电子烟液中最常见的基础成分之一,提供烟雾的口感和浓度。
甘油USP的注意事项:1. 甘油USP应存放在干燥、阴凉、通风的地方,避免阳光直射和高温。
2. 使用甘油USP时应佩戴适当的个人防护装备,以避免与皮肤、眼睛或其他黏膜接触。
3. 如果意外接触到甘油USP,应立即用大量清水冲洗,必要时寻求医疗帮助。
4. 甘油USP在处理和储存过程中应避免与酸、氧化剂等有害物质接触,以免发生不可预测的反应。
甘油检验操作规程1 目的:建立甘油检验操作规程。
2 适用范围:适用于甘油的检验操作。
3 职责:检验人员对本规程的实施负责。
4 规程:4.1 编制依据:《中国药典》2010年版二部P83。
4.2 质量指标:见《甘油质量标准》。
4.3 仪器与用具:滴定管、烘箱。
4.4 试药与试液:硫酸氢钾、重铬酸钾液、标准氯化钠、标准硫酸钾、氢氧化钠滴定液(0.1mol/L)、盐酸滴定液(0.1mol/L)、10%氢氧化钾、硫酸、醋酸盐缓冲液、标准铁溶液、高碘酸钠。
4.5 操作方法4.5.1 性状:本品为无色、澄清的黏稠液体;味甜;有引湿性,水溶液(1→10)显中性反应。
本品与水或乙醇能任意混溶,在氯仿或乙醚中均不溶。
相对密度:取本品,按《相对密度检验操作规程》检验,在25℃时应不小于1.2569。
4.5.2 鉴别(红外光谱):取本品,按《红外光谱测定操作规程》检验,应与对照图谱一致(光谱集77图)。
4.5.3 检查4.5.3.1 颜色:取本品50ml,置50ml纳氏比色管中,与对照液(取比色用重铬酸钾液0.2ml,加水稀释至50ml制成)比较,不得更深。
4.5.3.2 氯化物:取本品5.0g,依《氯化物检验操作规程》检验,与标准氯化钠溶液7.5ml制成的对照液比较,不得更浓(0.0015%)。
4.5.3.3 硫酸盐:取本品10g,依《硫酸盐检验操作规程》检验,与标准硫酸钾溶液2.0ml制成的对照液比较,不得更浓(0.002%)。
4.5.3.4 脂肪酸与酯类:取本品40g,加新沸过的冷水40ml,再精密加氢氧化钠滴定液(0.1mol/L)10ml,摇匀后,煮沸5分钟,放冷,加酚酞指示液数滴,用盐酸滴定液(0.1mol/L)滴定剩余的氢氧化钠,并将滴定的结果用空白试验校正,消耗的氢氧化钠滴定液(0.1mol/L)不得过4.0ml。
4.5.3.5 丙烯醛、葡萄糖与铵盐:取本品4.0g,加10%氢氧化钾溶液5ml,混匀,在60℃放置5分钟,不得显黄色或发生氨臭。
甘油检验操作规程一、实验目的检验甘油的纯度和质量指标,确保其符合相关标准要求。
二、实验仪器和试剂1.仪器:比重计、标准色板、分光光度计。
2.试剂:甘油、去离子水、浓硫酸。
三、实验操作步骤1.准备:(1)将比重计、标准色板、分光光度计清洗干净并晾干。
(2)准备甘油样品和去离子水。
(3)做好实验记录表格。
2.主试剂制备:(1)取一定量的浓硫酸,注入已清洗干净的试剂瓶中,封闭好瓶盖。
(2)将试剂瓶标上“浓硫酸”。
3.样品检验:(1)取适量的甘油样品,注入比重计中,记录下质量。
(2)使用标准色板,将样品与标准溶液进行比较,判断其颜色是否符合要求。
(3)使用分光光度计,测量甘油样品的吸光度,记录下数值。
(4)将甘油样品倒入试剂瓶中,添加适量的去离子水,封闭好瓶盖。
(5)将试剂瓶摇匀,置于比重计中,测量比重计读数。
(6)根据测得的吸光度和比重计读数,计算甘油的质量分数和密度。
4.结果处理:(1)将实验记录表格中的数据整理清楚。
(2)比较样品的颜色和标准溶液的颜色,判断样品的纯度。
(3)根据吸光度和比重计读数计算甘油的质量分数和密度。
(4)将结果与标准要求进行比较,判断甘油的质量是否合格。
四、实验安全注意事项1.使用浓硫酸时要戴好防护手套和防护眼镜。
2.操作时要轻拿轻放,防止甘油溅出。
3.分光光度计和比重计操作时要注意正确使用方法,避免损坏仪器。
4.实验结束后,彻底清洗仪器和容器,确保安全和卫生。
五、实验质量控制1.实验前仪器和试剂的检查。
2.测量过程中的仪器校准。
3.比对样品和标准溶液的颜色判断方法的准确性。
4.实验结果的正确计算和比较。
六、实验结果报告实验结果应详细记录在实验记录表格中,并进行分析和评价。
如有发现样品不合格的情况,应及时报告实验室主管或相关负责人。
七、实验总结根据实验结果和经验,对实验进行总结,提出改进意见,并对今后的实验工作进行规划安排。
甘油内控质量标准及检验操作规程1、目的:建立甘油检验操作规程,确保甘油的质量2、适用范围:适用于甘油的检验操作。
3、责任者:检验员负责实施,质控部负责人负责监督4、依据:中国药典2010版二部。
5、规程:(一)、质量标准:(二)、操作规程:试剂与试药:硫酸氢钾标准氯化钠溶液标准硫酸钾溶液氢氧化钠滴定液(O.1mol/L)醋酸盐缓冲液(pH3.5)50% ( W/V乙二醇溶液2.14% (W/V高碘酸钠溶液仪器与用具:试管5个 50ml烧杯4个 50ml纳氏比色管1个红外光吸收仪1台电子天平1台1.性状1.1取本品适量,目视观察为无色、澄清的黏稠液体;味甜,感觉;有引湿水溶液(1 —10)显中性反应。
1.2本品与水或乙醇能任意混溶,在丙酮中微溶,在三氯甲烷或乙醚中不溶。
1.3相对密度本品的相对密度,在25E时不小于1.2569。
2.鉴别:2.1本品的红外光吸收图谱应与对照的图谱(光谱集 77图)一致。
3.检查:3.1颜色取本品50ml,置50ml纳氏比色管中,与对照液(取比色用重铬酸钾液0.2ml,加水稀释至50ml制成)比较,不得更深。
3.2氯化物取本品5.0g,依法检查(附录毗A),与标准氯化钠溶液7.5ml 制成的对照液比较,不得更浓(0.0015%)o3.3硫酸盐取本品10g,依法检查(附录毗B ),与标准硫酸钾溶液2.0ml 制成的对照液比较,不得更浓(0.002%)o3.4脂肪酸与酯类取本品40g,加新沸过的冷水40ml,再精密加氢氧化钠滴定液(0.1mol/L ) 10ml,摇匀后,煮沸5分钟,放冷,加酚酞指示液数滴,用盐酸滴定液(0.1mol/L )滴定剩余的氢氧化钠,并将滴定的结果用空白试验校正,消耗的氢氧化钠滴定液(0.1mol/L )不得过4.0ml。
3.5丙烯醛、葡萄糖与铵盐取本品5ml,加10%K氧化钾溶液5ml,在60C放置5分钟,不得显黄色或发生氨臭。
3.6易炭化物取本品4.0g,照易炭化物检查法(附录毗 O)项下方法检查,静置时间为1小时,如显色,与对照溶液(取比色用氯化钻溶液 0.2ml、比色用重铬酸钾溶液1.6ml与水8.2ml制成)比较,不得更深。
甘油含量检测方法1、原理由于甘油是醇类物质,而酸性高碘酸盐氧化糖醇产生甲醛,在Nash试剂参与下生成黄色的化合物,该化合物在412nm下有最大吸收峰。
根据吸光值即可计算出甘油的浓度。
2、试剂①Nash试剂:精确称取15g乙酸铵,蒸馏水溶解,加入0.2ml冰醋酸,0.2ml乙酰丙酮,定容至100ml。
现用现配。
②0.015mol/L高碘酸钠溶液:精确称取高碘酸钠3.2g,用0.12mol/LHCl溶液溶解宾并定容至1000ml。
③0.1%L-鼠李糖:精确称取L-鼠李糖0.5g,溶于蒸馏水中,定容至500ml。
④0.5mg/ml甘油标准溶液:称取甘油0.5g(精确至0.0001g),加水定容至100ml。
摇匀,吸取5ml稀释至50ml,即浓度为0.5mg/ml的甘油标准溶液。
⑤0.12mol/L HCl溶液:量取浓盐酸(12mol/L)20ml,加水定容至2000ml。
3、仪器和设备①漩涡混合器②752分光光度计③恒温水浴锅4、标准曲线绘制①.吸取0.5mg/ml甘油标准溶液各0.5mL、1.0mL、2.0mL、3.0mL、4.0mL,分别定容至50mL。
即配制好0.005mg/ml、0.01mg/ml、0.02mg/ml、0.03mg/ml、0.04mg/ml 的不同浓度的甘油标准液。
②吸取上述各浓度甘油标准液1ml分别置于刻度试管中,然后加入1ml 0.015mol/L的高碘酸钠溶液,混匀,室温放置10min。
然后,加入2ml 0.1%L-鼠李糖溶液,(以除去过多的髙碘酸盐),混匀后加入4ml新鲜配制的Nash试剂,在53℃水浴中加热15min,使其充分显色。
③以空白做参比,在412nm波长下测定其吸光度。
④以甘油浓度(mg/L)为横坐标,OD412为纵坐标绘制标准曲线。
注:空白:用水代替甘油标准稀释液,其余操作同上。
每组样品做2个平行。
15、检测步骤:①称取一定量的甘油样品作适当浓度的稀释。
②吸取1ml稀释液置于刻度试管中,然后加入1ml 0.015mol/L的高碘酸钠溶液,混匀,室温放置10min。
江西欧氏药业有限责任公司GMP文件1 目的:为规范质量检验人员对甘油的检验操作,保证检验结果的准确性和可靠性,特制定本规程。
2 范围:适用于辅料甘油的检验。
3 责任人:QC人员(化验员)对实施本规程负责,QC主任(质量控制实验室负责人)负责监督检查,质量部部长负责抽查执行情况。
4 内容:4.1 检品名称及代码4.1.1 物料名称:甘油4.1.2 物料代码:F0024.2 质量标准编号:STP-ZL-02-002-00。
4.3 取样规程编号:SOP-ZL-03-017-00。
4.4 检验项目及操作方法4.4.1【性状】4.4.1.1仪器与用具:电子天平、锥形瓶4.4.1.2操作方法:4.4.1.3记录:记录观察到的辅料的行状、颜色、色泽,味道、溶解等。
4.4.1.4结果与判定:本品为无色、澄清的黏稠液体;味甜,有引湿性,水溶液(1→10)显中性反应。
本品与水或乙醇能任意混溶,在丙酮中微溶,在三氯甲烷或乙醚中均不溶。
4.4.2相对密度4.4.2.1仪器与用具:电子天平、比重瓶、干燥箱、恒温水浴锅4.4.2.2试液与试剂:纯化水名称甘油检验操作规程编号SOP-ZL-06-002-00码2/74.4.2.3操作方法:取本品,照《相对密度测定法》(编号:SOP-ZL-01-023-00)检查,4.4.2.4记录与计算:记录每次称量数据,并按下述计算公式计算相对密度:相对密度= W1-WW1-W式中:W0为比重瓶重(g);W1为供试品+比重瓶重(g);W2为水+比重瓶重(g)。
4.4.2.5结果与判定:在25℃时不小于1.2569。
4.4.3【鉴别】4.4.3.1仪器与用具:红外分光光度计等4.4.3.2试液与试剂:无水乙醇4.4.3.3操作方法:取本品,照《红外分光光度法》(编号:SOP-ZL-01-013-00)检查,4.4.3.4记录:记录供试品的红外色谱图并附图4.4.3.5结果与判定:本品的红外光吸收图谱应与对照的图谱(光谱集77图)一致。
1目的1.1 通过对所采购药用辅料甘油各项质量标准的检测,确定其自身安全性。
1.2 通过对所采购药用辅料甘油各项质量标准的检测,确定是否影响产品生产、产品质量、产品的安全性和有效性。
2 适用范围适用于本公司用于生产液体棉签所采购的药用辅料甘油。
3 责任者:质量部经理化验员4引用标准:中华人民共和国药典 2010年版二部美国药典 USP5包装与贮存要求:保存在密闭容器6 操作6.1鉴别(符合红外吸收197 F和6.1.2的鉴别反应)6.1.1 所需仪器、试剂:气象色谱仪、USP二甘醇(对照品)、USP乙二醇(对照品)、USP 甘油(对照品)、甲醇、氦气6.1.26.1.2.1 标准储存溶液1:准确称量50mg的USP二甘醇(对照品),用甲醇溶解并稀释到100ml容量瓶中。
6.1.2.2 标准储存溶液2:准确称量50mg的USP乙二醇(对照品),用甲醇溶解并稀释到100ml容量瓶中。
6.1.2.3标准储存溶液3:准确称量50mg的USP甘油(对照品),用甲醇溶解并稀释到100ml 容量瓶中。
6.1.2.4解决方案---把每种储存溶液中各取5毫升,放入100毫升的容量瓶中,用甲醇溶解并稀释到100ml容量瓶中。
6.1.2.5测试溶液---取5g甘油,加入到100毫升的容量瓶中,用甲醇溶解并稀释到100ml 容量瓶中。
6.1.2.6色谱系统(见色谱621)--- 在气相色谱仪配备一个火焰离子化检测器,一个0.53毫米×30 m熔融石英分析柱涂有3.0 -µm G43固定相。
注射口温度保持在220和检测器温度保持在250。
载气是氦气,流率约为每分钟4.5毫升。
分流比相当于10:1。
色谱程序,如下所示:最初,柱温是在100,保持4分钟,然后温度以50的比率增加到120,保持10分钟。
然后温度再以50的比率增加到220,保持6分钟。
色谱仪拆分溶液,并记录峰值响应和保留时间。
他相对保留时间约为乙二醇0.3 ,二甘醇0.8,甘油1.0;复制注射的二甘醇的相对标准偏差为不会超过10%。
1目的1.1 通过对所采购药用辅料甘油各项质量标准的检测,确定其自身安全性。
1.2 通过对所采购药用辅料甘油各项质量标准的检测,确定是否影响产品生产、产品质量、产品的安全性和有效性。
2 适用范围适用于本公司用于生产液体棉签所采购的药用辅料甘油。
3 责任者:质量部经理化验员4引用标准:中华人民共和国药典 2010年版二部美国药典 USP5包装与贮存要求:保存在密闭容器6 操作6.1鉴别(符合红外吸收197 F和6.1.2的鉴别反应)6.1.1 所需仪器、试剂:气象色谱仪、USP二甘醇(对照品)、USP乙二醇(对照品)、USP 甘油(对照品)、甲醇、氦气6.1.26.1.2.1 标准储存溶液1:准确称量50mg的USP二甘醇(对照品),用甲醇溶解并稀释到100ml容量瓶中。
6.1.2.2 标准储存溶液2:准确称量50mg的USP乙二醇(对照品),用甲醇溶解并稀释到100ml容量瓶中。
6.1.2.3标准储存溶液3:准确称量50mg的USP甘油(对照品),用甲醇溶解并稀释到100ml 容量瓶中。
6.1.2.4解决方案---把每种储存溶液中各取5毫升,放入100毫升的容量瓶中,用甲醇溶解并稀释到100ml容量瓶中。
6.1.2.5测试溶液---取5g甘油,加入到100毫升的容量瓶中,用甲醇溶解并稀释到100ml 容量瓶中。
6.1.2.6色谱系统(见色谱621)--- 在气相色谱仪配备一个火焰离子化检测器,一个0.53毫米×30 m熔融石英分析柱涂有3.0 -µm G43固定相。
注射口温度保持在220和检测器温度保持在250。
载气是氦气,流率约为每分钟4.5毫升。
分流比相当于10:1。
色谱程序,如下所示:最初,柱温是在100,保持4分钟,然后温度以50的比率增加到120,保持10分钟。
然后温度再以50的比率增加到220,保持6分钟。
色谱仪拆分溶液,并记录峰值响应和保留时间。
他相对保留时间约为乙二醇0.3 ,二甘醇0.8,甘油1.0;复制注射的二甘醇的相对标准偏差为不会超过10%。
甘油检验操作规程1.目的:为了保证本公司所使用的甘油原料质量可靠、稳定。
2.范围:适用于甘油原料的检测。
3.责任:质检科检验员对实施本规程负责。
4.程序:本品为1,2,3-丙三醇,按无水物计算,含C3H8O3应≥95.0%4.1性状4.1.1本品为无色澄明的粘稠液体;味甜,有引湿性,水溶液(1→10)显中性反应。
4.1.2本品与水或乙醇能任意混溶,在丙醇中微溶,在氯仿或乙醚中均不溶。
4.2相对密度4.2.1测定方法取本品适量,依法按“相对密度测定操作规程”中比重瓶法测定,本品在25℃时不小于1.2569。
4.2.2计算供试品重量相对密度= ————————————水重量式中:供试品重量即为供试品和比重瓶的重量减去比重瓶的重量。
水重量即为水和比重瓶的重量减去比重瓶的重量4.3鉴别4.3.1仪器一般实验室仪器。
4.3.2试剂和溶液硫酸氢钾。
4.3.3测定方法本品的红外光吸收图谱应与对照图谱(红外光谱集1995年版77图一致。
)4.4颜色取本品50ml,置50ml纳氏比色管中,与对照液(取比色用重铬酸钾液0.2ml,加水稀释至50ml制成)比较,不得更深。
4.5氯化物4.5.1试剂和溶液4.5.1.1 标准氯化钠溶液;4.5.1.2 稀硝酸;4.5.1.3 硝酸银溶液。
4.5.2 测定方法取本品5.0g,加水溶解成25ml,再加稀硝酸10ml,置50 ml纳氏比色管中,加水使成约40ml,摇匀,加硝酸银试液1.0ml,用水稀释成50ml,摇匀,在暗处放置5分钟,置黑色背景上,从比色管上方向下观察,如发生混浊,与标准氯化钠溶液7.5ml制成的对照液比较,不得更浓(0.0015%)。
4.6硫酸盐4.6.1试剂和溶液4.6.1.1标准硫酸钾溶液,100ppm;4.6.1.2稀盐酸;4.6.1.3氯化钡溶液。
4.6.2 测定方法取本品10g,加水溶解使成40 ml,置50 ml纳氏比色管中,加稀盐酸2 ml,摇匀,加25%氯化钡溶液5 ml,用水稀释至50 ml,充分摇匀,放置10分钟,置黑色背景上,从比色管上方向下观察,如发生混浊,与标准硫酸钾溶液2.0ml 制成的对照液比较不得更浓(0.002%)。
甘油试验技术操作规范
由于甘油渗透压高,分子直径小,可进入血管纹边缘细胞内,增加细胞内的渗透压,因而吸收内淋巴液中的水分,减轻膜迷路积液,听力可得到暂时性改善,藉此检测有无内淋巴积液。
【适应证】
1特发性内淋巴积液(梅尼埃病)。
2迟发性内淋巴积液。
【禁忌证】
全身慢性疾病,健康不佳,有脱水征者。
【操作方法及程序】
1试验前进行纯音测听,确定基准听阈。
2病人空腹口服甘油,按12~15g/kg的甘油加等量生盐理水,1次顿服。
3服甘油后3h内,每隔1h做1次纯音测听,共3次。
4 250~1 000Hz有两个频率气导听力改善≥15dB以上,或
语言识别率提高16%以上为甘油试验阳性。
5服甘油后耳蜗电图中可见SP幅值减小;耳声发射从无到有;听性脑干反应测试听功能改善,均可作为甘油试验阳性结果提供客观依据。
【注意事项】
1内淋巴积液在下列情况下,甘油试验结果也可能为阴性。
常见于:①内淋巴积液间歇期;②应用脱水药物治疗期;③内淋巴积液早期听力受损轻微或晚期听力损伤重且无波动者。
2试验操作不规范,如口服甘油剂量不准、受检者不能恰当配合测听等均影响测试结果。
甘油的检测方法汇总在发酵行业中,甘油作为底物,是发酵液中生物合成的直接前体,会影响外源蛋白的启动表达效率,其含量的高低直接影响产物的发酵单位,是决定菌种取舍的重要指标,是提高工程菌的发酵密度,提高产品生产率的关键。
在生物柴油生产中,它是副产物,其含量直接影响生物柴油的使用性能,是衡量生物柴油产品品质的重要指标之一。
此外,甘油能与水结合以防止红细胞的冷冻损伤,能延长红细胞的保存期,被普遍用作细胞内冷冻保护剂等。
由于甘油用途很广,因此其含量的测定具有非常重要的意义。
目前国内外甘油含量的测定方法较多,主要有高碘酸氧化法、Cu2 +络合比色法、酶比色法法、紫外-可见分光光度法、高效液相色谱法、气相色谱法、近红外光谱法以及原子吸收法等。
下面将对其进行简要概述:一、高碘酸法二、酶比色法1.原理:它是利用酶的特异性催化反应建立的测定甘油的一种酶学方法,是指甘油在甘油激酶作用下转化为3-磷酸甘油,后者由磷酸甘油氧化酶催化生成磷酸二羟丙酮和过氧化氢,然后过氧化氢和4-氨基安普比林、4-氯酚在过氧化物酶催化下反应生成紫兰色、能在500 nm 左右有特征吸收峰的醌亚胺,通过颜色深浅即吸光度的变化测定所生成的H2O2,甘油的含量与生成的H2O2成正比,这样用比色法就可以测定甘油的含量。
2.操作步骤波长:500nm (480~520nm) 反映温度:37℃比色杯光径:1cm取一定量R1(参看R2瓶签)加入1瓶R2中,溶解后即为工作液,工作液预先保温至测试温度。
三、高效液相色谱法1.原理:高效液相色谱法( HPLC) 的原理是以液体为流动相,采用高压输液系统,将具有不同极性的单一溶剂或不同比例的混合溶剂、缓冲液等流动相泵入装有固定相的色谱柱,利用色谱柱对待测混合物先进行分离,然后再进行检测,从而实现对试样的分析,因而其测量的准确性和精确度较高,目前已成为检测生化分子较常用的一种方法。
2.操作步骤(1)首先用水将发酵液稀释2.5倍,然后加H3PO4调pH至5.5,在转速8000r/min、温度4℃下离心10min,经微孔滤膜过滤用于HPLC分析;(2)将甘油标准系列溶液在最佳色谱条件下进行HPLC分析,以峰面积外标法定量得到甘油标准曲线;(3)按照样品预处理方法处理后进样5微升,记录峰面积,代入线性方程中,计算其测定值。
1目的1.1 通过对所采购药用辅料甘油各项质量标准的检测,确定其自身安全性。
1.2 通过对所采购药用辅料甘油各项质量标准的检测,确定是否影响产品生产、产品质量、产品的安全性和有效性。
2 适用范围适用于本公司用于生产液体棉签所采购的药用辅料甘油。
3 责任者:质量部经理化验员4引用标准:中华人民共和国药典 2010年版二部美国药典 USP5包装与贮存要求:保存在密闭容器6 操作6.1鉴别(符合红外吸收197 F和6.1.2的鉴别反应)6.1.1 所需仪器、试剂:气象色谱仪、USP二甘醇(对照品)、USP乙二醇(对照品)、USP 甘油(对照品)、甲醇、氦气6.1.26.1.2.1 标准储存溶液1:准确称量50mg的USP二甘醇(对照品),用甲醇溶解并稀释到100ml容量瓶中。
6.1.2.2 标准储存溶液2:准确称量50mg的USP乙二醇(对照品),用甲醇溶解并稀释到100ml容量瓶中。
6.1.2.3标准储存溶液3:准确称量50mg的USP甘油(对照品),用甲醇溶解并稀释到100ml 容量瓶中。
6.1.2.4解决方案---把每种储存溶液中各取5毫升,放入100毫升的容量瓶中,用甲醇溶解并稀释到100ml容量瓶中。
6.1.2.5测试溶液---取5g甘油,加入到100毫升的容量瓶中,用甲醇溶解并稀释到100ml 容量瓶中。
6.1.2.6色谱系统(见色谱621)--- 在气相色谱仪配备一个火焰离子化检测器,一个0.53毫米×30 m熔融石英分析柱涂有3.0 -µm G43固定相。
注射口温度保持在220和检测器温度保持在250。
载气是氦气,流率约为每分钟4.5毫升。
分流比相当于10:1。
色谱程序,如下所示:最初,柱温是在100,保持4分钟,然后温度以50的比率增加到120,保持10分钟。
然后温度再以50的比率增加到220,保持6分钟。
色谱仪拆分溶液,并记录峰值响应和保留时间。
他相对保留时间约为乙二醇0.3 ,二甘醇0.8,甘油1.0;复制注射的二甘醇的相对标准偏差为不会超过10%。
6.1.2.7 步骤:分别注入相同数量的拆分溶液和测试溶液各1µL,加入到色谱仪中并记录。
如果二甘醇或乙二醇的一个峰的相对保留时间为出现于测试溶液中,这个峰值必须直接在测试二甘醇和乙二醇杂质的测试中被被鉴别和量化。
6.2相对密度本品的相对密度在25℃(比重瓶和天平的放置环境)时不小于1.249。
6.2.1 仪器设备:比重瓶、水浴锅、分析天平、滤纸6.2.2 测定方法:取洁净、干燥并精密称定重量的比重瓶,装满甘油后,装上温度计(瓶中应无气泡),置于25℃的水浴中放置若干分钟,使甘油的温度达到25℃,用滤纸除去溢出侧管的液体,立即盖上罩。
然后将比重瓶自水浴中取出,再用滤纸将比重瓶的外面擦净,精密称定,减去比重瓶的重量,求得甘油的重量后,将甘油倾去,洗净比重瓶,装满新沸过的冷水,再照上法测得同一温度时水的重量,按下式计算,即得。
甘油的相对密度=甘油重量/水重量6.3 颜色6.3.1 所需仪器、试剂:纳氏比色管50ml、移液管、量筒、容量瓶(1000ml、100ml)、比色用氯化铁液(FeCL3.6H2O、盐酸)6.3.2比色用氯化铁溶液:用25ml盐酸和975ml水的混合液配制每1ml中含45.0mg的FeCL3.6H2O的溶液。
6.3.3检测方法:在一个50毫升颜色比较管中,当从一个白色的表面向下观察。
把0.40毫升的氯化铁比色液用50毫升水稀释后,也放入一个颜色比较管中从白色表面向下查看。
测试液的颜色比氯化铁稀释液的颜色浅。
6.4 氯化物6.4.1 所需仪器、试剂:纳氏比色管50ml、具塞棕色广口瓶或棕色容量瓶、分析纯硝酸(?浓度)(需找美国药典硝酸试剂配制方法)、硝酸银溶液(硝酸银滴定液0.1mol/L:AgNO3=169.87,称16.99g,溶至1000ml,需标定)(需找美国药典配制方法)、0.020N 盐酸(标准对照溶液)6.4.2检测方法:取甘油7.0g,取0.020 N盐酸0.10ml,分置于两容器中,分别加水稀释到30到40ml,并分别加1ml硝酸,如果溶液显浑浊,过滤,且过滤时滤纸不得影响溶液中的氯离子的含量(用滤纸滤过时,滤纸中如含有氯化物,可预先用含有硝酸的水溶液洗净后使用。
)并分别加1ml硝酸银溶液,加水到50ml摇匀,在暗处放置5分钟,从比色管上方向下比较溶液的浊度,甘油溶液不得比盐酸溶液浓。
6.5 限制氯代化合物6.5.1 所需仪器、试剂:回流冷凝装置、100ml圆底烧瓶、吗啉、硝酸、硝酸银试液、50ml 比色管、0.020N盐酸(标准溶液)6.5.2 检测方法:准确称量5g甘油,置于干燥的100毫升圆底烧瓶中,加入15ml吗啉,并连接烧瓶到回流冷凝装置,回流3小时。
用10毫升的水冲洗冷凝器,并把水受到烧瓶中。
用硝酸酸化。
把溶液放入一个合适的比对管中,加入0.5毫升的硝酸银试液,加水稀释至50毫升,混合均匀。
将0.02ml的0.020N盐酸做以上处理,甘油测试液的浊度比0.02ml的0.020N盐酸小。
被忽略的回流(0.003% of Cl)(不理解).6.6 硫酸盐6.6.1 所需仪器、试剂:纳氏比色管50ml、具塞棕色广口瓶或棕色容量瓶、3N盐酸、氯化钡试液、0.020N硫酸(标准对照溶液)6.6.2 检测方法:取甘油10.0g,取0.020 N硫酸0.20ml,分置于两容器中,分别加水稀释到30到40ml,必要时分别加1ml 3N盐酸,如果溶液显浑浊,过滤,且过滤时滤纸不得影响溶液中的氯离子的含量(用滤纸滤过时,滤纸中如含有氯化物,可预先用含有硝酸的水溶液洗净后使用。
)并分别加3ml氯化钡溶液,加水到50ml摇匀,在暗处放置10分钟,从比色管上方向下比较溶液的浊度,甘油溶液不得比硫酸溶液浓。
6.7 脂肪酸与脂类6.7.1 所需仪器、试剂:酸式滴定管、0.5N氢氧化钠滴定液、0.5N盐酸滴定液、酚酞指示剂6.7.2 检测方法:取本品50g,加新沸过的冷水40ml,再精密加氢氧化钠滴定液(0.5N)5ml,摇匀,煮沸5分钟,放冷,加酚酞指示液数滴,用盐酸滴定液(0.5N)滴定剩余的氢氧化钠,并将滴定的结果用空白试验校正,(测试液)消耗的氢氧化钠滴定液(0.1mol/L)不得过1.0ml。
6.8 二甘醇、乙二醇与其他杂质6.8.1 所需仪器、试剂:气相色谱仪、2,2,2-三氯乙醇、甲醇、USP(对照品)二甘醇、USP (对照品)乙二醇、USP(对照品)甘油、、载气为氦气6.8.2 标准溶液的制备6.8.2.1标准溶液:准确称量100mg的2,2,2-三氯乙醇,置于100ml的容器中,用甲醇溶解并稀释到刻度。
6.8.2.2标准储备溶液1:准确称量50mgUSP(对照品)二甘醇,置于100ml的容器中,用甲醇溶解并稀释到刻度。
6.8.2.3标准储备溶液2:准确称量50mgUSP(对照品)乙二醇,置于100ml的容器中,用甲醇溶解并稀释到刻度。
6.8.2.4标准储备溶液3:准确称量50mg的USP(对照品)甘油,置于100毫升的容量瓶中,用甲醇溶解并稀释到刻度。
6.8.2.5标准溶液:各储备溶液各取5毫升,置于100毫升的容量瓶中,用甲醇溶解并稀释到刻度。
6.8.2.6 分析溶液:称取500mg甘油(USP对照品)到10ml容量瓶,分别加入0.5ml标准储备溶液1和标准储备溶液2,用甲醇溶解并稀释到刻度。
6.8.2.7 测试溶液:测试溶液:准确称取5g甘油到100ml容量瓶,加入5.0ml标准溶液(6.8.2.1),用甲醇溶解并稀释到刻度。
6.8.3 色谱分析:6.8.3.1色谱系统(见色谱621)——气相色谱仪配备一个火焰离子化检测器,一个0.53毫米×30 m熔融石英分析柱涂有3.0 -µm G43固定相。
在注射口温度保持在220和检测器温度保持在250。
载气是氦,流动的速度每分钟4.5毫升。
Split(分离)流动比率大约是10:1。
用色谱法分析程序如下:最初,柱温是在100年为4分钟的平衡,那么增加的速度每分钟50到120,和被维持在120度10分钟然后增加率为50到220个,每分钟被维持在220 6分钟。
色谱仪标准的解决方案,并记录。
6.8.3.2峰值响应率和保留时间直接为程序:相对保留时间约为0.3乙二醇,0.8二甘醇,和1.0为甘油,相对标准偏差为复制注射的二甘醇不超过10%;和限制的定量的二甘醇和乙二醇不超过0.025%。
6.8.3.3程序:分别注入相同数量(约1µL)的标准解决方案和测试解决方案到色谱仪,记录色谱图,并测量反应的乙二醇、二甘醇的山峰。
计算比例的二甘醇和乙二醇在一部分甘油所采取的公式:100(CS /铜)(俄文/ RS)浓度,计算机科学是在mg / mL,二甘醇(或乙二醇)在标准的解决方案;铜浓度,在mg每毫升,甘油在测试解决方案;和俄文和RS的峰值响应比率为二甘醇(或乙二醇)内标峰获得的测试解决方案和标准的解决方案:NMT极限为每个,发现定量(0.025%)。
中国药典:取本品约10g,精密称定,置25ml量瓶中,精密加入内标溶液(每1ml中含0.5mg正己醇的甲醇溶液)5ml,用甲醇溶解并稀释至刻度,作为供试品溶液。
取二甘醇、乙二醇适量,精密称定,用甲醇溶解并稀释制成每1ml中含二甘醇、乙二醇各0.5mg的溶液,精密量取5ml,置25ml量瓶中,精密加入内标溶液5ml,用甲醇稀释至刻度,作为对照品溶液。
另取二甘醇,乙二醇、正己醇和甘油适量,精密称定,用甲醇溶解并稀释制成每1ml中含甘油400mg,二甘醇、乙二醇、正己醇各0.1mg的溶液,作为系统适用性试验溶液。
(见气相色谱操作规程)。
照气相色谱法(附录Ⅴ E),用(6%)氰丙基苯基-(94%)二甲基聚硅氧烷为固定液(或极性相近的固定液)的毛细管柱,程序升温,起始温度为100℃,维持4分钟,以每分钟50℃的速率升温至120℃,维持10分钟,再以每分钟50℃的速率升温至220℃,维持6分钟;进样口温度为200℃,检测器温度为250℃。
取系统适用性试验溶液1µl,注入气相色谱仪,记录色谱图,各组分色谱峰之间的分离度应符合要求。
取对照品溶液重复进样,二甘醇和乙二醇峰面积与内标峰面积比值的相对标准偏差均不得大于5%。
依次精密量取供试品溶液和对照品溶液各1µl,注入气相色谱仪,记录色谱图,按内标法以峰面积计算,供试品中含二甘醇与乙二醇均不得过0.025%;如有其他杂质峰,扣除内标峰按面积归一化法计算,单个未知杂质不得过0.1%;杂质总量(包含二甘醇、乙二醇)不得过1.0%。
6.9 含量测定6.9.1 所需仪器、试剂:高碘酸钠、0.1 N硫酸、烧结玻璃过滤器、容量瓶棕色(250ml)(1000ml)、移液管、盐酸、碘化钾试液、0.1N硫代硫酸钠、溴麝香草酚蓝试剂6.9.2 高碘酸钠溶液:称取 60 g高碘酸钠充分溶解在含有120毫升0.1 N硫酸的水中,并稀释到1000毫升(不可以加热溶解)。