炼钢工中级工实操考试
- 格式:doc
- 大小:32.00 KB
- 文档页数:2
职业技能鉴定国家题库统一试卷转炉炼钢工中级工试卷(B)注意事项:1.答卷前将装订线左边的项目填写清楚。
2.答卷必须用蓝色或黑色钢笔、圆珠笔,不许用铅笔或红笔。
3.本份试卷共6道大题,满分100分,考试时间120分钟。
一、判断题(正确的请在括号内打“√”,错误的请在括号内打“×”每题1分,共20分)1.>钢中[C]与炉渣中(FeO)反应是一个吸热反应。
( )2.>转炉出钢在钢包内合金化时,影响合金回收率的主要因素是出钢时间 短。
( )3.>铁水炉外脱硫原理是:使用与硫的亲和力大的元素并生成稳定的不溶 于铁液的硫化物。
( )4.>氧枪喷嘴就是压力—速度的能量转换器,也就是将高压低速气流转化为低压高速的氧射流。
( )5.>在冶炼过程中出现熔池温度低,可采用硅铁、铝块提温。
( )6.>渣中氧化亚铁(FeO )的作用主要促进成渣速度,而与炉内各元素氧化反应无关。
( )7.>对入炉的废钢的主要要求是一定的块度和重量。
( )8.>喷溅产生的原因是爆发性的碳氧反应和CO 气体排出受阻。
( )9.>在吹炼前期影响脱磷的主要因素,不是渣中氧化亚铁,而是碱度。
( ) 10.>炉温低是转炉吹炼前期成渣速度较慢的主要原因。
( )11.>钢的熔化温度是随钢中化学成分变化的,溶于钢中的化学元素含量越高,钢的熔点就越低。
( )12.>马赫数就是气流速度与当地温度条件下的音速之比。
( )13.>硅的氧化是放热反应,高温有利于硅的氧化。
( ) 14.>转炉冶炼过程中,∑FeO 含量一般要控制在20%以上。
( ) 15.>钢中的非金属夹杂物主要来源于钢液的一次氧化。
( ) 16.>炉容比大的炉子,不容易发生较大的喷溅。
( )17.>转炉吹炼中期,炉渣容易出现“返干”,其主要原因就是,CaO 含量高。
( )18.>硅酸二钙和硅酸三钙的熔点都较低,所以对冶炼效果有利。
炼钢中级工试题名词解释1、铁水预处理:铁水兑入转炉之前,为脱硫或脱硅、脱磷而进行的处理过程。
2、熔渣返干:在吹炼过程中,因氧压高,枪位过低,尤其是在碳氧化激烈的中期,(TFe)含量低导致熔渣高熔点矿物的析出,造成熔渣黏度增加,不能覆盖金属液面的现象。
3、溅渣护炉技术:利用脂0含量达到饱和或过饱和的炼钢终点渣,通过高压氮气的吹溅,使其在炉衬表面形成一层高熔点的熔渣层,并与炉衬很好地粘结附着, 称为溅渣护炉技术。
4、二次燃烧:通过供氧,使熔池排出的CO部分燃烧补充炉内热量,称为二次燃烧。
5、活性石灰:通常把在1050~1150°C温度下,在回转窑或新型竖窑内焙烧的石灰,即具有高反应能力的体积密度小、气孔率高、比面积大、晶粒细小的优质石灰称为活性石灰。
6、挡渣球法:利用挡渣球密度介于钢水与炉渣之间,在出钢将结束时堵住出钢口阻断渣流入钢包内。
7、回磷:磷自炉渣返回钢液的现象。
8、扩散脱氧:通过不断减低炉渣中(FeO)含量来相应降低钢液中氧含量的方法称为扩散脱氧。
9、沉淀脱氧:直接向钢液中加入脱氧剂,以夺取溶解在钢液中的氧,并生成不溶于钢液的氧化物或复合氧化物而排至炉渣中。
10、单渣法:在冶炼过程中只造一遍渣,吹炼过程中不倒渣,不扒渣,一直到吹炼出钢的操作。
11、装入制度:确定转炉合适的装入量,合适的铁水废钢比。
12、造渣制度:是根据冶炼各项要求确定造渣方法,渣料的加入数量和时间,以及如何快速成渣。
13、脱氧合金化:为保证顺利浇铸和轧成合格钢材,在冶炼终点或出钢过程中,向钢水内加入一定量的脱氧剂进行脱氧,同时根据钢种规格要求加入适量合金调整化学成分。
14、炉龄:转炉从开新炉到停炉,整个炉役期间炼钢的总炉数。
15、增碳法:对冶炼含碳量NO. 08%的钢种,统统采取吹到熔池含碳量为0.05〜0. 06%时停吹。
然后根据钢种规格要求在钢包中增碳。
16、耐火度:是使耐火材料软化到一定程度的温度。
17、抗渣性:耐火材料在高温下抵抗炉渣侵蚀的能力。
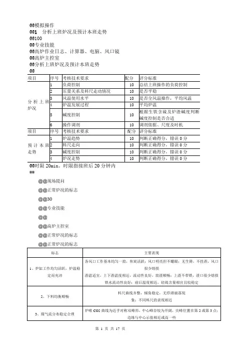
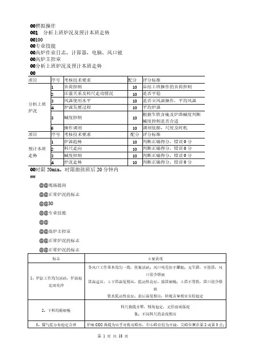
@@模拟操作@@1分析上班炉况及预计本班走势@@100@@专业技能@@高炉作业日志、计算器、电脑、风口镜@@高炉主控室@@分析上班炉况及预计本班走势##@@现场提问@@正常炉况的标志@@30@@专业技能@@@@高炉主控室@@正常炉况的标志评分标准:缺一项扣10分,错一点扣1分,全错不得分。
@@5分钟##@@模拟操作@@2模拟操作和调剂@@100@@专业技能@@高炉作业日志、计算器、电脑、风口镜@@高炉主控室@@模拟本班操作和调剂##@@现场提问@@3预计后期炉况走势@@100@@专业技能@@高炉作业日志、计算器、电脑、风口镜@@炉前出铁场@@预计后期炉况走势@@根据调剂情况,观察风口原料变化等情况后,综合预计后期走势主要是分析炉况向凉向热情况,并建议煤氧量、负荷、风温、风量、碱度控制等操作,趋势正确10分,幅度不正确5分,每项20分。
@@时限10min。
时限指观察风口、原燃料变化情况后,并给出走势及建议。
##@@专业技能@@4看铁样和渣样@@100@@专业技能@@样模,取样勺@@炉前出铁场@@判定铁样[Si]、[S]和渣样R2@@根据主支沟铁水流动、火花及铁样凝固情况,判定判定铁样[Si]、[S],结合渣沟流动情况、取渣样拉丝状况及渣样判定渣样R2。
共看两个铁样,一个渣样。
每次每个成份20分。
[Si]每超出化验值0.01%,扣2分;[S]每超出化验值0.001%,扣2.5分;R2每超出化验值0.01,扣1.5分。
@@时限5min。
时限指在看完渣铁样5分内预计出成份。
##@@综合操作@@5处理连续崩、滑料@@100@@操作技能@@电话、操作台、电脑@@高炉主控室@@处理连续崩、滑料@@##@@现场提问@@连续崩、滑料的征兆@@10@@专业技能@@@@高炉主控室@@连续崩、滑料的征兆@@连续崩、滑料的征兆1、下料不畅,出现停滞、陷落2、风量、风压或透气性指数波动加剧,呈锯齿状3、炉顶压力频繁出现尖峰4、CO2曲线紊乱5、风口工作不均,时常见风口内有较多生料下降。
转炉炼钢工中级工试卷一、判断题(正确的请在括号内打“√”,错误的请在括号内打“×”每题2分,共256分)1.>转炉公称容量是指该炉子设计平均每炉出钢量。
( )答案:√2.>对铁合金的要求是其块度和化学成份。
( )答案:×3.>高碱度、大渣量、高温和高氧化铁有利于去硫。
( )答案:×4.>转炉炼钢脱磷和脱硫主要是通过造渣来完成的。
( )答案:√5.>转炉吹炼终点时钢水的氧含量多少称为钢水的氧化性。
( )答案:√6.>钢中铝元素能细化晶粒,改善韧性。
( )答案:√7.>碳的氧化反应是贯穿于炼钢过程始终的一个重要反应,其反应产物主要是CO气体。
( ) 答案:√8.>转炉底吹气体供气砖浸蚀速度与供气量有关,因为供气量大气体对供气砖的冲击加剧。
( )答案:×9.>铁水中的锰是有害元素,越低越好。
( )答案:×10.>终点渣的湿润角越大,就易夹渣。
( )答案:×11.>氧气转炉炼钢中,吹损主要是化学损失。
( )答案:√12.>转炉炼钢供氧强度是指单位时间内每吨金属装入量消耗的氧气量。
( )答案:√13.>Si02、P205是碱性氧化物。
( )答案:×14.>影响转炉煤气回收不安全因素是煤气泄漏和煤气中含氧。
( )答案:√15.>氧气顶吹转炉氧枪枪位是指氧枪喷头端部至熔池渣面间的距离。
( )答案:×16.>在转炉冶炼过程中硅和锰的氧化都是完全的。
( )答案:×17.>炉渣返干使炉渣粘度升高,因而不易喷溅。
( )答案:×18.>镁砂的耐火度应在2000℃以上,但抗水性能没有白云石好。
( )答案:×19.>镇静钢在钢包中回磷比沸腾钢严重。
( )答案:√20.>炼钢炉渣的化学成份是十分复杂的,而且在炼钢过程中还会不断发生变化,但主要的成份是由氧化物组成。
冶炼检验工考试试题一、不定项选择题(共25小题,每小题2分,共50分)1、炼焦过程中高温干馏的温度区间为:()。
正确答案:CA、700℃-800℃B、800℃-900℃C、900℃-1000℃D、1000℃-1100℃2、牌号为Q345B的钢中“345”的含义表示屈服强度值不小于()。
正确答案:AA、345MPaB、400MPaC、335MPa3、炼钢用生铁中L08铁的含硅量是()。
正确答案:BA、≤45%B、>45-85%C、>95-25%4、脱S反应是()反应。
正确答案:BA、放热B、吸热5、如有两车原煤,A车30t,测定水分0%,B车60t,测定水分0%,算术平均水分为()。
正确答案:BA、0%B、5%C、0%6、现有一批烧结矿,其筛分指数测定结果为5%,如以筛分指数进行判断,该批烧结矿为()。
正确答案:BA、一级品B、二级品C、出格品7、耐磨强度的符号为()。
正确答案:CA、CSRB、M40C、M10D、CRI8、牌号为HRB400的钢含碳量不超过()。
正确答案:AA、25%B、40%C、30%9、浇注前钢液进行充分脱氧,浇注和凝固过程中钢液平静无沸腾的钢叫()。
正确答案:AA、镇静钢B、半镇静钢C、沸腾钢10、现有一批烧结矿,其碱度R计算结果为78,已知R标准值为82,如以R进行判断,该批烧结矿为()。
正确答案:AA、一级品B、二级品C、出格品11、耐火材料种类繁多,通常高级耐火材料的耐火度为()。
正确答案:CA、1580℃以下B、1580~1770℃C、1770~2000℃D、2000℃以上12、硅锰合金可用于炼钢过程脱氧,也可用它调整锰的成分,所以我们通常称之为()。
正确答案:AA、复合脱氧剂B、脱硫剂C、变性剂D、合金添加剂13、铁矿石水分测定试验规定恒重标准为:最后两次称量之差≤()。
正确答案:AA、5g;B、0gC、5g;D、0g14、焦炭水分测定试验规定恒重标准为:最后两次称量之差≤()。
冶炼检验工考试试题一、不定项选择题(共25小题,每小题2分,共50分)1、炼钢生铁一级品率是指生铁中的[S]()的铁占总合格铁量的百分率。
正确答案:BA、≤02%B、≤03%C、≤04%2、现有一批球团矿,其抗压强度测定结果为1400N,如以抗压强度进行判断,该批球团矿为()。
正确答案:CA、一级品B、二级品C、出格品3、把块状脱氧剂加入钢中的脱氧方法称为()。
正确答案:AA、沉淀脱氧B、扩散脱氧C、真空脱氧4、国家标准的代号是()。
正确答案:BA、YBB、GBC、ISOD、JIS5、现有一批生石灰,其CaO分析结果为00%,MgO分析结果为50%,根据生石灰技术条件进行判断,该批生石灰为()。
正确答案:AA、合格品B、不合格品6、冶炼每吨生铁消耗的干焦的千克数称之为()。
正确答案:AA、焦比B、煤比C、焦炭氏负荷D、综合比7、烧结矿鼓后振动筛的筛孔为()。
正确答案:BA、10×10mmB、3×3mmC、5×5mm8、高炉内型是指高炉冶炼的空间轮廓由炉缸炉腹炉腰和()五部分组成。
正确答案:DA、炉身及炉顶B、炉基及炉顶C、炉身及炉基D、炉身及炉喉9、无烟煤水分测定试验规定恒温时间为()。
正确答案:CA、1小时B、2小时C、3小时D、4小时10、下列有害杂质中,对冶炼进程起妨碍作用的是()。
正确答案:BA、PB、碱金属K和NaC、SD、As11、现代高炉内型自下而上由()、炉身、炉喉五段式组成。
正确答案:AA、炉缸、炉腹、炉腰B、炉腰、炉缸、炉腹C、炉腹、炉缸、炉腰D、炉缸、炉腰、炉腹12、矿石脉石中()高对高炉冶炼不利。
正确答案:DA、MgOB、Al2O3C、CaOD、SiO213、高炉煤气可燃烧成份中含量最多的是()。
正确答案:DA、CnHmB、CH4C、H2D、CO14、铁矿石水分测定试验规定恒定温度为()。
正确答案:AA、>105-110℃B、120-150℃C、150-170℃D、170-180℃15、为使不合格产品符合要求而对其所采取的措施称为()。
中级转炉炼钢工合并卷一、判断题(每题1分,共200分)1、“返干“现象出现在冶炼中脱碳反应激烈,而渣中FeO较低的中期。
()答案:√2、FeO、Fe2O3有穿透硅酸二钙的能力。
()答案:√3、碱度是炉渣去除硫磷能力大小的主要标志。
()答案:√4、在转炉炼钢过程中,吹炼前期氧气只与Si、Mn、P等元素反应,中期只与C反应,末期只与S反应。
()答案:×5、夹杂物的半径越小,在钢水中上浮速度越快。
()答案:×6、钢中P往往是以[Fe2P]或[Fe3P]的形式存在。
()答案:√7、钢中S往往是以[FeS]和[CaS]的形式存在。
()答案:×8、氮高是钢产生白点的主要原因。
()答案:×9、FeO溶解是放热反应。
()答案:×10、高温有利于脱硫,主要是因为FeS与CaO反应是吸热反应。
()答案:√11、转炉炼钢产生回磷现象主要是因为向钢包中加脱氧剂使渣中的氧化性降低和炉渣碱度降低。
()答案:√12、泡沫渣往往是在炉渣FeO较高和熔池温度较低时产生。
()答案:√13、“硬吹”以间接传氧方式为主,“软吹”以直接传氧方式为主。
()答案:×14、我厂现使用氧枪外径为152mm。
()答案:√15、LF炉的功能是均匀温度和成分。
()答案:×16、纯金属是基本上由一种金属元素组成的材料或物质。
()答案:√17、混铁炉的作用是对铁水存储、保温、均匀成份。
()答案:√18、碳素结构钢Q235-AF的符号中,“Q”为屈服强度大写字母,“F”代表沸腾钢()答案:√19、留渣量过大。
将会增加石灰消耗,增加成本和延长溅渣时间。
()答案:×20、微合金化元素对钢的强化机制主要是细化晶粒和沉淀硬化。
()答案:√21、45#碳素结构钢,其平均碳含量为万分之四十五。
()答案:√21、钢水成份偏析会影响钢的力学性能。
()答案:√22、钢中碳含量增加会增加钢的强度,提高钢的塑性。
一、问答题
1、简述感应炉坩埚打结的注意事项。
2、简述启动机械泵后,真空室炉盖不能正常关闭的原因?
3、简述真空感应炉洗炉操作要点。
4、冶炼铁基合金时,对坩埚的材质有何特殊要求?
5、在真空感应炉运行前,对感应线圈需进行哪些事项的检查?
6、在熔炼过程中,如遇漏钢,如何处理?
7、简述熔炼过程中突然跳闸的原因及应急处理措施。
8、简述真空感应炉冶炼30CrNiMoV合金装料及进料顺序。
9、在真空感应炉熔炼某些特殊合金时,如何进行惰性气体保护操作?
10、在电器设备及冷却水无故障的情况下,简述熔炼过程中,功率送不上去的主要原因。
11、冶炼镍基合金时,对坩埚的材质有何特殊要求?
12、在真空感应炉运行前,对晶闸管变频装置主要应检查哪些事项?
13、在熔炼过程中,如遇漏水,如何处理?
14、简述真空感应炉冶炼30CrMnSi合金时,其装料及进料顺序如何?
15、简述机械泵启动困难的原因及处理措施
专业班级: 姓 名: 学 号:
第3页。
单位内部认证电炉炼钢工中级考试(试卷编号161)1.[单选题]一般单重超过( )t废钢铁不能确认化学成分,要取样化验。
A)1B)1.5C)2答案:B解析:2.[单选题]炉渣粘度与脱磷反应速度之间关系为_______。
A)炉渣粘度越小,反应速度越快B)炉渣粘度越大,反应速度越快C)炉渣粘度越小,反应速度越慢答案:A解析:3.[单选题]一般生铁的化学分析样,粒度要求( )mm。
A)≤0.088B)≤0.125C)≤0.177答案:C解析:4.[单选题]电炉终点控制主要包括终点温度和_______控制。
A)终点成分B)终点氧含量C)终点锰含量答案:A解析:5.[单选题]为使耐火材料浸蚀速度减慢和避免事故,碱性炉渣应选择( )耐火材料。
A)酸性B)碱性C)中性答案:B解析:6.[单选题]不常用的铁合金,必须坚持( ),避免出现意外事故。
A)用多少发多少7.[单选题]在选择耐火材料时,首先要了解( )。
A)化学成分B)耐火度C)抗渣性答案:A解析:8.[单选题]确定氧枪高度时应考虑_______和冲击深度。
A)冲击面积B)终点温度C)终点磷含量答案:A解析:9.[单选题]炉外精炼是指将炼钢炉中初炼的钢水移到______或其它专用容器中进行精炼,也称为二次精炼。
A)钢包B)铁水包C)中间包答案:A解析:10.[单选题]加入到熔池中,既可做为助熔剂又可做为冷却剂的是( )。
A)萤石B)铝矾土C)氧化铁皮答案:C解析:11.[单选题]增碳剂颗粒小,溶解速度快,损耗速度( )。
A)小B)大C)不变答案:B解析:12.[单选题]埋弧操作使电能效率得到大幅度的改善,也意味着电弧对炉衬( )大幅度减少。
解析:13.[单选题]钼和镍与氧的亲和力( )。
A)非常大B)相等C)无亲和力D)非常小答案:D解析:14.[单选题]炼钢生产中,锰铁主要用于( )。
A)沉淀脱氧,合金化B)扩散脱氧,合金化C)不脱氧,合金化D)真空脱氧、合金化答案:A解析:15.[单选题]不利于脱磷反应的条件有( )。
单位内部认证电炉炼钢工中级考试(试卷编号141)1.[单选题]脱氧剂的加入顺序为_______有利于夹杂物的去除。
A)先强后弱B)先弱后强C)两者都可以答案:B解析:2.[单选题]在电炉炼钢生产实践中,一般炉渣的氧化性是指渣中_______。
A)(CaO)、(MgO)、(FeO)、(Fe2O3)、(MnO)、(P2O5)等氧化物中氧含量的总和B)(CaO)、(MgO)浓度的总和C)(FeO)、(Fe2O3)浓度的总和答案:C解析:3.[单选题]冬季应使用( )的润滑油。
A)粘度高B)粘度低C)粘度不限答案:B解析:4.[单选题]按安全规程规定,使用煤气应该是( )。
A)先点火后开气B)先开气后点火C)边开气边点火答案:A解析:5.[单选题]每吨金属料形成炉渣量小于_______kg称为少渣操作A)30B)40C)50答案:A解析:6.[单选题]氧气是氧气转炉炼钢的主要氧化剂,通常要求( )。
A)氧气纯度不小于99%,使用压力在0.8~1.5Mp答案:C解析:7.[单选题]钢包壁渣线部位用( )砌筑。
A)镁碳砖B)铝镁碳砖C)硅砖答案:A解析:8.[单选题]方坯铸机控制结晶器进水温度( )之间。
A)20-25B)25-35C)40以上答案:B解析:9.[单选题]一般氧枪的形式为_______。
A)多孔拉瓦尔型氧枪B)多孔氧枪C)单孔拉瓦尔氧枪答案:A解析:10.[单选题]活度( )时的状态称为标准态。
A)X<1B)X>1C)X=1答案:C解析:11.[单选题]产生氧枪喷头端部被侵蚀的主要原因是_______。
A)枪位正常但炉内温度高B)氧枪在炉内泡沫渣中吹炼时间长C)喷头端部粘钢,降低喷头熔点答案:C解析:12.[单选题]通常电弧炉热补炉的顺序是( )。
A)先补三号电极处D)先补炉们两侧和出钢口处答案:D解析:13.[单选题]在碱性炼钢法中,炉渣中最稳定的氧化物是( ) 。
A)SiO<sub>2</sub>B)FeOC)MnOD)P<sub>2</sub>O<sub>5</sub>答案:A解析:14.[单选题]警告标志的含义是( )。
电炉炼钢工中级考试(试卷编号261)1.[单选题]35、[FeO]+[C]=[Fe]+{CO}是_______反应。
A)吸热B)放热C)不吸热也不放热答案:A解析:2.[单选题]渣中Fe2O3是_______氧化物。
A)碱性B)酸性C)中性答案:C解析:3.[单选题]下面哪个不是电炉炼钢温度制度_______。
A)过程温度控制B)终点温度控制C)铁水温度控制答案:C解析:4.[单选题]增碳剂颗粒小,溶解速度快,损耗速度( )。
A)小B)大C)不变答案:B解析:5.[单选题]在电炉炼钢生产实践中,一般炉渣的氧化性是指渣中_______。
A)(CaO)、(MgO)、(FeO)、(Fe2O3)、(MnO)、(P2O5)等氧化物中氧含量的总和B)(CaO)、(MgO)浓度的总和C)(FeO)、(Fe2O3)浓度的总和答案:C解析:6.[单选题]活度( )时的状态称为标准态。
A)X<17.[单选题]大包保护浇注的主要目的是为了避免_______。
A)不自开B)二次氧化C)开浇钢水喷溅答案:B解析:8.[单选题]周转罐整备透气砖应首先( )。
A)检查硬管软管是否漏气B)烧氧清理透气砖表面残钢残渣C)观察流量是否达到使用规定答案:A解析:9.[单选题]下列脱氧剂中脱氧能力最强的是_______。
A)Fe-SiB)Fe-MnC)Al答案:C解析:10.[单选题]关于碳氧反应速度描述正确的是_______。
A)冶炼前期铁水碳含量高,碳氧反应速度最快B)冶炼中期反应速度最快C)选项冶炼后期温度高,碳氧反应速度最快答案:B解析:11.[单选题]出钢过程中在钢包内合金化时,影响合金收得率的主要因素是_______。
A)出钢时间长短B)钢水温度高低C)下渣量及渣中氧化铁含量多少答案:C解析:12.[单选题]下列密封圈中密封效果最好的是( )。
A)V形密封圈13.[单选题]钨铁的显著特点:比重大,熔点( )。
A)高B)较高C)低答案:A解析:14.[单选题]防止热膨胀引起砌体崩裂应采用( )的耐火材料。
单位内部认证电炉炼钢工中级考试(试卷编号121)1.[单选题]下列几类密封圈中密封效果最好的是( )。
A)V形密封圈B)Y形密封圈C)O形密封圈答案:A解析:2.[单选题]废钢的加工方法有( )。
A)切割、打包压块、剪切、清洗、破碎B)切割、破碎、爆破、光谱分析、剪切C)切割、打包压块、剪切、破碎、爆破答案:C解析:3.[单选题]渣中Fe2O3是_______氧化物。
A)碱性B)酸性C)中性答案:C解析:4.[单选题]低钒铁表面正常颜色是( ),断口组织是银白色有彩色光泽。
A)银灰色B)灰黑色C)金黄色答案:B解析:5.[单选题]一般普碳镇静钢常用的脱氧材料为( )。
A)小块硅锰、硅铁、铝块(锭)B)加工锰铁、硅铁C)锰铁、铝块答案:A解析:6.[单选题]封闭容器和_______等,严禁和废钢混入炉内。
A)易燃物答案:C解析:7.[单选题]钢中内生夹杂的主要来源是_______。
A)炉衬及盛钢桶耐火材料侵蚀B)冶炼过程元素被氧化及脱氧形成氧化物C)炉料内在夹杂答案:B解析:8.[单选题]新牌号的铁合金装炉前一定要核准( ),并做好铁合金烘烤原始记录。
A)牌号、化学成份B)牌号、化学成份、数量C)化学成份、数量答案:B解析:9.[单选题]脱磷的热力学条件是高碱度、_______和适当低温。
A)高粘度B)高氧化铁C)小渣量答案:B解析:10.[单选题]H在钢液中溶解度随温度的升高而_______。
A)增加B)减少C)不变答案:A解析:11.[单选题]当小方坯横截面上两个对角线长度严重不相等时称为( )A)鼓肚B)搭桥C)脱方答案:C解析:12.[单选题]修改后的《刑法》第134条规定:在生产作业中违反有关安全管理的规定,因而发生重大伤亡事故或者造成其他严重后果的,处( )年以下有期徒刑或者拘役。
C)4D)5答案:B解析:13.[单选题]除渣时向液面抛撒焦粉的目的是( )。
A)脱氧B)脱磷C)脱硫D)扒净氧化渣答案:D解析:14.[单选题]镁碳砖主要用于钢包( )部位。
单位内部认证电炉炼钢工中级考试(试卷编号181)1.[单选题]铝块的含铝量要求大于或等于( )。
A)99.50%B)99.60%C)99.70%答案:C解析:2.[单选题]在一般情况下,随着温度的升高,纯铁液的密度( )。
A)升高B)降低C)不变答案:B解析:3.[单选题]铁水中影响转炉热量来源的最重要元素是( )。
A)硅B)碳C)磷答案:B解析:4.[单选题]钢水中加入适量的铝除了脱氧的作用外,还有_______的作用。
A)细化晶粒B)升温C)促进夹杂物上浮答案:A解析:5.[单选题]下列( )是造成铁水预处理喷溅的可能原因。
A)粉剂总速率高B)钝化镁粒度太细C)粉气比大答案:B解析:6.[单选题]向镇静钢中加Al是为了保证_______和细化晶粒。
A)防止沸腾答案:B解析:7.[单选题]硅元素对钢性能的影响是_______。
A)提高钢的焊接性、加工性B)提高钢的冲击性,延伸率增加C)增加钢的强度、弹性答案:C解析:8.[单选题]Mn、Al、Si三元素的脱氧能力由强到弱的次序为( )。
A)Al、Mn、SiB)Mn、Si、AlC)Al、Si、Mn答案:C解析:9.[单选题]硅锰合金、硅钙合金、硅铬合金等均属( )。
A)铁基合金B)铁合金C)复合合金答案:C解析:10.[单选题]泡沫渣形成的主要原因是_______。
A)炉渣温度高B)炉渣温度低C)大量的CO气体弥散在炉渣中答案:C解析:11.[单选题]合金应加在_______,以利于熔化和搅拌均匀。
A)平静部位B)钢流冲击部位C)钢包水口部位答案:B解析:12.[单选题]炼钢的基本任务可归纳为'四脱;二去;二调整',具体是( )。
A)四脱(碳、氧、硫、磷),二去(去气、去杂),二调整(成份、温度)D)四脱(氢、氮、氧、碳)二去(去硫、去夹杂),二调整(成份、温度)答案:A解析:13.[单选题]( )是泡沫渣形成的基本条件。
A)渣的粘度高B)气体C)渣的流动性好D)温度高答案:B解析:14.[单选题]熔池中一切物理化学反应的主要条件是( )。
技能认证电炉炼钢工中级考试(习题卷2)第1部分:单项选择题,共97题,每题只有一个正确答案,多选或少选均不得分。
1.[单选题]炼钢中常用的平衡原理有( )。
A)热平衡、动平衡B)热平衡、物料平衡C)动平衡、物料平衡答案:B解析:2.[单选题]下列( )是造成铁水预处理喷溅的可能原因。
A)粉剂总速率高B)钝化镁粒度太细C)粉气比大答案:B解析:3.[单选题]下列钢种中,熔点最低的是_______。
A)Q235B)Q195C)HRB335答案:B解析:4.[单选题]周转罐整备透气砖应首先( )。
A)检查硬管软管是否漏气B)烧氧清理透气砖表面残钢残渣C)观察流量是否达到使用规定答案:A解析:5.[单选题]炼钢对铁水成份的要求,一般是指对( )含量的要求。
A)碳、硅、锰B)磷、硫、锰C)硅、硫、磷答案:C解析:6.[单选题]去硫、磷反应共同需要的条件是_______。
A)高温、高氧化铁B)低温、低氧化铁C)高碱度、大渣量答案:C解析:7.[单选题]中间包烘烤,点火操作程序正确的是( )。
B)先开煤气再点火C)边开煤气边点火答案:A解析:8.[单选题]产生氧枪喷头端部被侵蚀的主要原因是_______。
A)枪位正常但炉内温度高B)氧枪在炉内泡沫渣中吹炼时间长C)喷头端部粘钢,降低喷头熔点答案:C解析:9.[单选题]竖式烘烤炉的外形特点是( )。
A)长小于高B)长等于高C)长大于高答案:A解析:10.[单选题]有意加入到钢中,使其达到规定的范围,保证钢的机械性能和使用性能的元素是( )。
A)合金元素B)杂质元素C)残余元素 D微量元素答案:A解析:11.[单选题]常用的硅铁其含硅量分别为( )。
A)75%左右,45%左右B)75%左右,65%左右C)95%左右,75%左右答案:A解析:12.[单选题]35、[FeO]+[C]=[Fe]+{CO}是_______反应。
A)吸热B)放热C)不吸热也不放热答案:A解析:13.[单选题]元素氧化能力从强到弱正确的是_______。
电炉炼钢工中级考试(试卷编号121)1.[单选题]中间包烘烤,点火操作程序正确的是( )。
A)先点火再开煤气B)先开煤气再点火C)边开煤气边点火答案:A解析:2.[单选题]铝块的含铝量要求大于或等于( )。
A)99.50%B)99.60%C)99.70%答案:C解析:3.[单选题]测温用纸管和测温偶头必须_______。
A)保持干燥B)清洁C)垂直答案:A解析:4.[单选题]马赫数(Ma)是氧枪喷头的一个重要参数,它决定了氧气流股对熔池的冲击能力的大小,一般Ma都在_______。
A)1.0左右B)2.0左右C)3.0左右答案:B解析:5.[单选题]不常用的铁合金,必须坚持( ),避免出现意外事故。
A)用多少发多少B)领多少发多少C)发多少用多少答案:A解析:6.[单选题]设备操作人员必须做到三好,即管好、( )、维护好。
7.[单选题]通常钢中合金元素越多,钢的导热能力就( )。
A)越低B)不变C)越大答案:A解析:8.[单选题]电炉终点控制主要包括终点温度和_______控制。
A)终点成分B)终点氧含量C)终点锰含量答案:A解析:9.[单选题]在一般情况下,随着温度的升高,纯铁液的密度( )。
A)升高B)降低C)不变答案:B解析:10.[单选题]在电炉炼钢生产实践中,一般炉渣的氧化性是指渣中_______。
A)(CaO)、(MgO)、(FeO)、(Fe2O3)、(MnO)、(P2O5)等氧化物中氧含量的总和B)(CaO)、(MgO)浓度的总和C)(FeO)、(Fe2O3)浓度的总和答案:C解析:11.[单选题]某钢厂年产合格钢300万吨,铁水消耗量为300万吨/年,废钢加入量是铁水加入量的10%,该厂的钢铁料消耗是____(kg/t)。
A)1090kg/t钢B)1095kg/t钢C)1100kg/t钢答案:C解析:D)绿色答案:A解析:13.[单选题]电炉的脱磷反应式是( )。
A)2[P]+5(FeO)+4(CaO)=(4CaO·P<sub>2</sub>O<sub>5</sub>)+5[Fe]放热B)2[P]+5(FeO)+4(CaO)=(4CaO·P<sub>2</sub>O<sub>5</sub>)+5[Fe]吸热C)2(P)+5(FeO)+(CaO)=(CaO·P<sub>2</sub>O<sub>5</sub>)+5(Fe)放热D)2(P)+5(FeO)+(CaO)=(CaO·P<sub>2</sub>O<sub>5</sub>)+5(Fe)吸热答案:A解析:14.[单选题]高碳铬铁的化学成份中( )。
单位内部认证电炉炼钢工中级考试(试卷编号2111)1.[单选题]泡沫渣形成的主要原因是_______。
A)炉渣温度高B)炉渣温度低C)大量的CO气体弥散在炉渣中答案:C解析:2.[单选题]在电炉炼钢生产实践中,一般炉渣的氧化性是指渣中_______。
A)(CaO)、(MgO)、(FeO)、(Fe2O3)、(MnO)、(P2O5)等氧化物中氧含量的总和B)(CaO)、(MgO)浓度的总和C)(FeO)、(Fe2O3)浓度的总和答案:C解析:3.[单选题]以下( )情况可以增加废钢化。
A)铁水温度低B)铁水硅含量高C)采用三孔直筒氧枪答案:B解析:4.[单选题]还原期用生铁增碳,碳元素比较稳定,可达到( )回收。
A)90%B)95%C)100%答案:C解析:5.[单选题]炼钢炉渣中三氧化二铝(Al2O3)属于_______性氧化物。
A)酸性B)弱酸C)两性答案:C解析:6.[单选题]炉渣氧化性用渣中_______代表。
A)R7.[单选题]炼钢生铁里的碳主要以( )的形态存在。
A)碳化铁B)片状石墨C)单质碳答案:A解析:8.[单选题]电焊机的外壳必须采用保护接零或者( )的防护措施。
A)保护接零B)接中线C)保护接地答案:C解析:9.[单选题]硫在钢中存在可以改善钢的_______性能。
A)抗拉强度B)塑性C)切削答案:C解析:10.[单选题]一般生铁存查样的重量要求( )。
?A)≥80gB)≥100gC)≥150g?答案:C解析:11.[单选题]操作台上使用的照明电压不得超过( )。
A)220VB)380VC)36V答案:C解析:12.[单选题]不是终点控制的主要内容有_______。
A)钢中含碳量达到规格范围13.[单选题]封闭容器和_______等,严禁和废钢混入炉内。
A)易燃物B)垃圾C)爆炸物答案:C解析:14.[单选题]窒息性气体应采用室外放散方式,其放散管应高出附近操作面( )米以上。