GBT23439-2017混凝土膨胀剂 PPT课件
- 格式:ppt
- 大小:1.49 MB
- 文档页数:13
混凝土膨胀剂规格及使用方法一、引言混凝土膨胀剂是一种常用的混凝土添加剂,可有效地改善混凝土的性能和使用寿命。
本文旨在介绍混凝土膨胀剂的规格及使用方法,以供相关从业人员参考。
二、混凝土膨胀剂的规格1. 外观和颜色混凝土膨胀剂外观应为白色或灰白色粉末。
颜色应均匀,无明显杂质。
2. 技术指标(1)化学成分:混凝土膨胀剂的化学成分应符合国家相关标准。
(2)含水率:混凝土膨胀剂的含水率应在5%以下。
(3)膨胀率:混凝土膨胀剂的膨胀率应符合国家相关标准。
(4)细度:混凝土膨胀剂的细度应符合国家相关标准。
(5)PH值:混凝土膨胀剂的PH值应在6.5-9.5之间。
(6)杂质含量:混凝土膨胀剂的杂质含量应符合国家相关标准。
3. 包装混凝土膨胀剂应以塑料袋或纸袋包装,每袋重量一般为25kg或50kg。
包装袋应清晰标注产品名称、生产厂家、生产日期、批号、净重等信息,并应符合国家相关标准。
4. 储存混凝土膨胀剂应存放在干燥、通风、避光、防潮的仓库内,远离火源和易燃品,避免与酸、碱等有害物质接触。
储存期一般不超过一年。
三、混凝土膨胀剂的使用方法1. 用量混凝土膨胀剂的用量应根据混凝土的材料、强度等参数确定,一般为混凝土总质量的2%-8%。
2. 混合混凝土膨胀剂应与混凝土原材料一起充分混合,一般采用干拌或湿拌的方式。
在混合过程中,应注意混合时间、混合均匀度和混合顺序等因素。
3. 浇筑混凝土膨胀剂混合完毕后,应及时进行浇筑,避免混凝土干燥或凝固。
4. 养护混凝土膨胀剂浇筑完成后,应及时进行养护,保持混凝土表面湿润,避免混凝土裂缝。
5. 注意事项(1)混凝土膨胀剂应与其他混凝土添加剂分开储存,避免相互污染。
(2)混凝土膨胀剂应根据使用要求选择合适的型号和规格,避免使用错误。
(3)混凝土膨胀剂应在使用前进行试验,确保符合使用要求。
(4)混凝土膨胀剂应在生产、运输、储存、使用过程中注意安全,避免事故发生。
四、总结混凝土膨胀剂是一种常用的混凝土添加剂,其规格要求严格,使用方法也需要注意细节,以确保混凝土的性能和使用寿命。
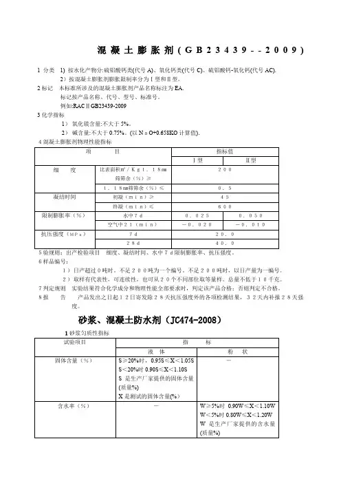
混凝土膨胀剂(G B23439--2009)1 分类1) 按水化产物分:硫铝酸钙类(代号A)、氧化钙类(代号C)、硫铝酸钙-氧化钙(代号AC).2)按混凝土膨胀剂膨胀限制率分为Ⅰ型和Ⅱ型。
2标记本标准所涉及的混凝土膨胀剂产品名称标注为EA.标记按产品名称、代号、型号、标准号。
例如:RACⅡGB23439-20093化学指标1)氧化镁含量:不大于5%。
2)碱含量:不大于0.75%。
(以NaO+0.658KO计算值).4混凝土膨胀剂物理性能指标5验规则:出产检验项目细度、凝结时间、水中7d限制膨胀率、抗压强度。
6样品编号:1)日产超过0吨时。
不足200吨为一个编号。
不足200吨时,以日产量为一编号。
2)取样有代表性,可连续性,也可从20个不同部位取等量样。
总量不低于10千克。
7判定规则实验结果符合化学成分和物理性能全部要求时,判定该产品合格;否则判定不合格。
8报告产品发出之日起12日寄发除28天抗压强度外的各项检测结果,32天内补报28天强度。
砂浆、混凝土防水剂(JC474-2008)1砂浆匀质性指标注1)安定性是受检净浆试验结果,凝结时间为受检混凝土与基准混凝土的差值,其他数据为受检混凝土与基准混凝土的比值。
2)“-"号表示提前。
3检验规则各项符合防水剂减水剂匀质性指标。
4品次与抽样1)年产不低于500吨的以50吨,年产500吨以下的每30吨,不足50吨或30吨的,也按一个品次计。
2)抽样每次抽样量不少于0.2吨水泥所需用的外加剂量。
3)封存时间180天。
5检验型式检验在有效期内,检验结果符合防水剂匀质性各项指标。
6检验判定所检验匀质性和受检混凝土的性能指标要求,可判定为响应等级的产品,如不符合上述要求则不合格。
混凝土外加剂匀质性比对试验允许值(GB/T8077-2000)水泥比对试验允许偏差值混凝土泵送剂(JC 473--2001)注:含硫酸钠的泵送剂按GB//Y8077进行硫酸钠的检定。
3 出厂泵送剂检验项目4检验内容型式检验和复检均以泵送剂匀质性和受检混凝土的性能指标进行检验。
混凝土膨胀剂(G B23439--2009) 1 分类 1) 按水化产物分:硫铝酸钙类(代号A)、氧化钙类(代号C)、硫铝酸钙-氧化钙(代号AC).2)按混凝土膨胀剂膨胀限制率分为Ⅰ型和Ⅱ型。
2标记本标准所涉及的混凝土膨胀剂产品名称标注为EA.标记按产品名称、代号、型号、标准号。
例如:RACⅡGB23439-20093化学指标1)氧化镁含量:不大于5%。
2)碱含量:不大于0.75%。
(以NaO+0.658KO计算值).4混凝土膨胀剂物理性能指标5验规则:出产检验项目细度、凝结时间、水中7d限制膨胀率、抗压强度。
6样品编号:1)日产超过0吨时。
不足200吨为一个编号。
不足200吨时,以日产量为一编号。
2)取样有代表性,可连续性,也可从20个不同部位取等量样。
总量不低于10千克。
7判定规则实验结果符合化学成分和物理性能全部要求时,判定该产品合格;否则判定不合格。
8报告产品发出之日起12日寄发除28天抗压强度外的各项检测结果,32天内补报28天强度。
砂浆、混凝土防水剂(JC474-2008)1砂浆匀质性指标2受检混凝土的性能指标注1)安定性是受检净浆试验结果,凝结时间为受检混凝土与基准混凝土的差值,其他数据为受检混凝土与基准混凝土的比值。
2)“-"号表示提前。
3检验规则各项符合防水剂减水剂匀质性指标。
4品次与抽样1)年产不低于500吨的以50吨,年产500吨以下的每30吨,不足50吨或30吨的,也按一个品次计。
2)抽样每次抽样量不少于0.2吨水泥所需用的外加剂量。
3)封存时间180天。
5检验型式检验在有效期内,检验结果符合防水剂匀质性各项指标。
6检验判定所检验匀质性和受检混凝土的性能指标要求,可判定为响应等级的产品,如不符合上述要求则不合格。
混凝土外加剂匀质性比对试验允许值(GB/T8077-2000)水泥比对试验允许偏差值混凝土泵送剂(JC 473--2001)1泵送剂匀质性2受检混凝土的性能指标注:含硫酸钠的泵送剂按GB//Y8077进行硫酸钠的检定。
如何正确使用混凝土膨胀剂中国建筑材料科学研究院一、前言经十多年来的开发应用,我国混凝土膨胀剂得到较广泛的应用,累计总量约200万吨,以膨胀剂平均掺量40kg/m3计,折合补偿收缩混凝土近5000万M3。
其中UEA膨胀剂约占总量的80%左右。
在各种抗裂防渗工程应用中总的效果是良好的。
但随着用量的增大,有些设计、科研和高校的专家学者反映,补偿收缩混凝土工程裂渗事故有随用量激增而增多之势,值得我们深思和总结经验教训,只有这样才能把我国膨胀剂的开发应用沿着健康的方向发展。
我们根据我国膨胀剂生产质量现况和工程中应用存在的问题,结合产品标准和应用技术规范的修订,提出如何正确使用混凝土膨胀剂,可供设计、施工和混凝土搅拌站的技术人员参考。
二、怎样选用膨胀剂膨胀剂主要功能是补偿混凝土硬化过程中的干缩和冷缩。
为减免收缩开裂,它可以应用于各种抗裂防渗混凝土,尤其适用于与防水有关的地下、水工、海工、地铁、隧道和水电等钢筋混凝土结构工程。
选用膨胀剂时,首先检验它是否达到《混凝土膨胀剂》建材行业JC476-2001标准。
主要看三项:一是碱含量≤0.75%,二是水中7d限制膨胀剂≥0.025%,三是掺量≤12%(北京市建委规定掺量≤8%才能入市)。
现在许多省市已取消产品许可证,更要加强质检。
对于重大工程,应到膨胀剂生产厂家考察其生产工艺线和化验仪器设备是否先进、齐全。
在库房随机取样抽验,防止假冒伪劣膨胀剂流入市场。
现在膨胀剂牌号近30个,同一品牌如UEA,全国有25个厂生产,不管哪家的膨胀剂,都应通过用户自检或委托有咨询单位复检,合格者才能使用,不合格者则拒用。
甚至追究厂家的经济责任。
我国膨胀剂有三种类型:硫铝酸钙类(如UEA、AEA、PNC、FS、PPT等)氧化钙-硫铝酸钙类(如CEA)和氧化钙类。
由于钙矾石(C3A·3CaSO4·32H2O)的化学稳定性和耐水性优良,国内外绝大多数生产硫铝酸钙类膨胀剂。