钎探记录表格(内容自动填写)
- 格式:xls
- 大小:32.50 KB
- 文档页数:5
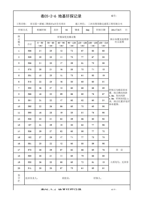
表C5-2-6 地基钎探记录编号:探点编号探点布置及处理部位示意图钎探点为梅花状布置,探点横向间距1.5m,竖向间距1.5m,钎探深度2.1米,探点位置详见钎探布置图。
土质均匀,无异常7276签字栏技术负责人:质检员:钎探人:7868822036122264965511939824224777结 论183901724567576736949173802125577065667679791634717215477745570726215397252148667914383222858719113369152248786358855153123831925418661607067961132929224766611041526245478729375272558836556616695837922254688705679568073851523477465638916255677615324222441715458547559436321254388557071746933802725498164237521205367180~210(cm)134728235060607749钎探日期2014年6月 日钎探深度及锤击数合计0~30(cm)30~60(cm)60~90(cm)90~120(cm)120~150(cm)150~180(cm)工程名称:首尔园·甜城三期南区1区住宅项目施工单位:三河市燕郊隆达建筑工程有限公司钎探方式机械钎探直径32锤重8kg探点编号探点布置及处理部位示意图钎探点为梅花状布置,探点横向间距1.5m,竖向间距1.5m,钎探深度2.1米,探点位置详见钎探布置图。
土质均匀,无异常表C5-2-6 地基钎探记录编号:5192签字栏技术负责人:质检员:钎探人:6157734036225255065543937229245474结 论38359182147737154755237407192554877957865244363592823597450737262703535521275583733436620245464923336427265663587361655932399232949627173767452313512128536263303612324526048293292823466668514758822833915214184597154667627370152451647626389212959849925385212150766068895387244072026556974645052782335715224876562234818225474180~210(cm)2133619244963637840钎探日期2014年6月 日钎探深度及锤击数合计0~30(cm)30~60(cm)60~90(cm)90~120(cm)120~150(cm)150~180(cm)工程名称:首尔园·甜城三期南区1区住宅项目施工单位:三河市燕郊隆达建筑工程有限公司钎探方式机械钎探直径32锤重8kg探点编号探点布置及处理部位示意图钎探点为梅花状布置,探点横向间距1.5m,竖向间距1.5m,钎探深度2.1米,探点位置详见钎探布置图。
//钎探记录表表1.2.21 GB50300—2001工程名称漯河市淞江小区峻峰华亭工程施工单位北京城建建设工程有限公司(章)钎探部位基槽轴线1-1~52 槽底标高—10.67(m) 锤重10(Kg) 锤击高度0.5(m) 钎杆直径Φ40(mm) 每步打入深度30 (cm) 钎探日期2008.9.30顺序号钎探步数备注第一步第二步第三步第四步第五步1504 5 10 7 13 111503 5 6 6 12 111502 4 7 8 9 121501 6 10 8 8 81500 7 8 8 6 71499 5 8 7 10 111498 6 9 10 7 51497 5 10 9 8 71496 6 7 9 8 61495 6 7 11 10 61494 6 8 10 9 51493 5 12 16 14 121492 7 9 10 12 81491 6 10 11 10 91490 6 7 7 9 121489 6 10 9 13 121488 7 10 6 15 141487 5 7 12 12 121486 8 9 10 14 121485 7 9 11 13 131484 8 9 7 10 111483 6 11 10 16 141482 7 10 10 12 141481 6 11 9 8 71480 7 11 9 9 9钎探人方仕德记录人陈美善施工单位项目经理监理工程师(建设单位项目负责人)报出日期:2008年10月5日钎探记录表表1.2.21 GB50300—2001工程名称漯河市淞江小区峻峰华亭工程施工单位北京城建建设工程有限公司(章)钎探部位基槽轴线1-1~52 槽底标高—10.67(m) 锤重10(Kg) 锤击高度0.5(m) 钎杆直径Φ40(mm) 每步打入深度30 (cm) 钎探日期2008.9.30顺序号钎探步数备注第一步第二步第三步第四步第五步1479 8 7 10 12 81478 4 6 7 8 101477 5 6 7 7 61476 5 6 6 7 91475 4 7 8 9 41474 5 7 6 7 71473 5 7 8 9 51472 4 5 5 7 51471 6 4 6 6 41470 7 7 6 5 71469 6 9 8 7 91468 4 7 9 13 91467 6 7 11 11 51466 7 7 7 7 111465 6 8 7 11 91464 7 6 6 6 81463 6 5 5 7 91462 6 7 7 10 81461 7 6 8 8 61460 6 6 9 9 81459 6 7 9 15 101458 7 8 9 7 51457 7 5 12 8 71456 6 6 8 10 101455 6 5 8 8 9钎探人方仕德记录人陈美善施工单位项目经理监理工程师(建设单位项目负责人)报出日期:2008年10月5日钎探记录表表1.2.21 GB50300—2001工程名称漯河市淞江小区峻峰华亭工程施工单位北京城建建设工程有限公司(章) 钎探部位基槽轴线1-1~52 槽底标高—10.67(m) 锤重10(Kg) 锤击高度0.5(m) 钎杆直径Φ40(mm) 每步打入深度30 (cm) 钎探日期2008.9.30顺序号钎探步数备注第一步第二步第三步第四步第五步1454 8 6 9 9 91453 7 6 8 8 91452 6 5 8 8 51451 7 5 6 6 51450 8 4 7 7 51449 7 5 8 6 71448 8 6 9 11 71447 7 5 8 8 51446 6 5 7 10 41445 5 7 7 9 51444 7 5 7 8 91443 7 7 7 6 81442 8 6 7 6 61441 7 7 8 7 61440 7 7 8 8 91439 7 8 8 5 81438 7 6 7 7 91437 7 5 10 9 81436 7 5 8 7 61435 6 8 4 7 101434 5 7 5 6 91433 6 6 5 4 71432 6 8 5 8 81431 6 8 7 6 151430 6 7 8 5 9钎探人方仕德记录人陈美善施工单位项目经理监理工程师(建设单位项目负责人)报出日期:2008年10月5日钎探记录表表1.2.21 GB50300—2001工程名称漯河市淞江小区峻峰华亭工程施工单位北京城建建设工程有限公司(章)钎探部位基槽轴线1-1~52 槽底标高—10.67(m) 锤重10(Kg) 锤击高度0.5(m) 钎直径Φ40(mm) 每步打入深度30 (cm) 钎探日期2008.9.30顺序号钎探步数备注第一步第二步第三步第四步第五步1429 7 10 10 7 121428 6 8 9 7 91427 7 7 7 8 81426 6 5 5 7 61425 7 6 6 5 81424 8 7 7 8 81423 6 6 7 5 81422 8 8 5 6 61421 8 8 8 5 51420 9 5 7 4 61419 7 6 7 7 51418 6 6 6 6 71417 7 6 6 8 81416 7 7 7 6 51415 5 6 6 6 81414 5 4 6 5 71413 6 4 5 4 71412 5 5 5 8 91411 4 10 9 9 91410 6 8 5 9 81409 5 8 7 9 101408 6 10 8 8 71407 6 8 6 7 61406 5 7 6 7 51405 6 4 4 6 6钎探人方仕德记录人陈美善施工单位项目经理监理工程师(建设单位项目负责人)报出日期:2008年10月5日钎探记录表表1.2.21 GB50300—2001工程名称漯河市淞江小区峻峰华亭工程施工单位北京城建建设工程有限公司(章)钎探部位基槽轴线1-1~52 槽底标高—10.67(m) 锤重10(Kg) 锤击高度0.5(m) 钎直径Φ40(mm)每步打入深度30 (cm) 钎探日期2008.10.1顺序号钎探步数备注第一步第二步第三步第四步第五步1404 5 5 4 10 51403 4 4 4 5 51402 4 4 4 8 71401 4 5 5 12 61400 4 4 3 7 71399 3 5 3 8 51398 4 4 5 7 71397 4 4 6 8 91396 4 6 7 11 71395 5 7 9 7 71394 4 6 6 6 71393 4 6 9 11 61392 4 7 8 7 121391 5 5 7 6 81390 6 5 5 6 51389 7 7 6 7 81388 6 5 6 7 81387 4 4 5 7 71386 5 6 6 7 61385 5 5 5 8 91384 6 7 9 8 101383 5 9 8 7 81382 5 5 7 7 81381 8 5 8 10 61380 5 4 5 9 6钎探人方仕德记录人陈美善项目经理(建设单位项目负责人)报出日期:2008年10月5日钎探记录表表1.2.21 GB50300—2001工程名称漯河市淞江小区峻峰华亭工程施工单位北京城建建设工程有限公司(章)钎探部位基槽轴线1-1~52 槽底标高—10.67(m) 锤重10(Kg) 锤击高度0.5(m) 钎直径Φ40(mm)每步打入深度30 (cm) 钎探日期2008.10.1顺序号钎探步数备注第一步第二步第三步第四步第五步1379 6 4 8 7 71378 7 4 7 4 61377 6 5 8 8 81376 5 6 6 8 61375 5 5 5 8 51374 5 4 6 7 51373 5 5 8 6 41372 5 6 6 6 61371 7 5 7 9 61370 6 5 5 7 71369 5 7 8 7 71368 7 11 13 11 61367 6 6 6 5 61366 5 7 7 5 61365 4 6 4 5 61364 4 5 6 6 71363 4 5 8 6 61362 6 4 7 5 71361 6 8 9 6 61360 5 9 8 8 91359 5 8 7 7 71358 7 7 6 7 111357 5 4 4 6 71356 6 4 7 7 71355 5 6 5 4 5钎探人方仕德记录人陈美善项目经理(建设单位项目负责人)报出日期:2008年10月5日钎探记录表表1.2.21 GB50300—2001工程名称漯河市淞江小区峻峰华亭工程施工单位北京城建建设工程有限公司(章)钎探部位基槽轴线1-1~52 槽底标高—10.67(m) 锤重10(Kg) 锤击高度0.5(m) 钎直径Φ40(mm)每步打入深度30 (cm) 钎探日期2008.10.1顺序号钎探步数备注第一步第二步第三步第四步第五步1354 4 6 8 5 81353 5 5 6 6 91352 5 6 6 5 81351 6 4 4 7 71350 7 5 4 5 71349 5 4 4 5 51348 4 4 6 4 81347 5 3 5 3 71346 4 4 4 6 91345 3 4 5 7 91344 5 6 5 7 71343 4 6 7 11 111342 5 6 6 7 81341 5 5 5 9 71340 6 7 7 8 61339 6 8 7 7 81338 6 6 8 6 71337 6 7 7 8 61336 5 7 8 6 51335 6 8 6 7 51334 6 7 7 6 61333 6 7 6 7 91332 5 6 5 7 81331 5 6 7 7 81330 6 5 6 8 9钎探人方仕德记录人陈美善项目经理(建设单位项目负责人)报出日期:2008年10月5日钎探记录表表1.2.21 GB50300—2001工程名称漯河市淞江小区峻峰华亭工程施工单位北京城建建设工程有限公司(章)钎探部位基槽轴线1-1~52 槽底标高—10.67(m) 锤重10(Kg) 锤击高度0.5(m) 钎直径Φ40(mm)每步打入深度30 (cm) 钎探日期2008.10.1顺序号钎探步数备注第一步第二步第三步第四步第五步1329 5 5 6 6 81328 5 7 7 8 91327 5 6 6 7 81326 5 6 7 9 101325 6 5 6 8 81324 5 4 7 7 71323 5 6 8 9 101322 6 7 7 8 91321 5 6 8 9 101320 6 6 7 8 81319 5 6 7 7 81318 5 7 7 8 91317 4 5 6 8 91316 5 6 7 7 71315 6 5 7 6 61314 6 6 5 8 91313 4 6 8 6 51312 4 7 9 9 121311 5 7 8 9 121310 5 10 7 11 101309 5 6 9 11 101308 6 8 8 8 121307 5 5 9 6 81306 4 6 7 8 111305 5 6 8 4 5钎探人方仕德记录人陈美善项目经理(建设单位项目负责人)报出日期:2008年10月5日钎探记录表表1.2.21 GB50300—2001工程名称漯河市淞江小区峻峰华亭工程施工单位北京城建建设工程有限公司(章)钎探部位基槽轴线1-1~52 槽底标高—10.67(m) 锤重10(Kg) 锤击高度0.5(m) 钎直径Φ40(mm)每步打入深度30 (cm) 钎探日期2008.10.1顺序号钎探步数备注第一步第二步第三步第四步第五步1304 4 7 7 6 51303 4 6 7 8 101302 4 5 6 7 71301 5 6 8 9 111300 4 7 7 9 61299 4 10 6 10 91298 4 7 5 9 91297 5 9 6 9 41296 5 8 10 8 41295 7 9 10 7 51294 4 9 9 11 51293 5 5 5 9 81292 4 6 6 11 51291 4 8 5 7 111290 5 8 5 4 101289 5 7 5 9 141288 5 7 9 4 101287 5 9 13 8 71286 5 9 10 6 81285 4 15 9 10 81284 4 11 5 6 51283 4 10 7 6 9128212811280钎探人方仕德记录人陈美善项目经理(建设单位项目负责人)报出日期:2008年10月5日钎探记录表表1.2.21 GB50300—2001工程名称漯河市淞江小区峻峰华亭工程施工单位北京城建建设工程有限公司(章)钎探部位基槽轴线1-1~52 槽底标高—10.67(m) 锤重10(Kg) 锤击高度0.5(m) 钎直径Φ40(mm)每步打入深度30 (cm) 钎探日期2008.10.1顺序号钎探步数备注第一步第二步第三步第四步第五步1279127812771276 4 10 7 6 101275 4 11 5 6 61274 5 14 8 7 71273 5 9 10 8 71272 4 9 12 7 61271 5 7 8 4 101270 5 8 7 5 91269 4 7 8 5 71268 5 4 4 4 31267 5 4 4 3 41266 5 4 4 3 31265 4 5 6 7 141264 5 6 7 8 91263 5 9 7 8 141262 5 9 8 7 121261 4 8 7 5 61260 5 11 10 9 151259 5 8 7 11 71258 4 8 6 5 91257 5 7 9 6 51256 4 10 10 8 71255 4 11 12 9 11施工单位项目经理监理工程师(建设单位项目负责人)报出日期:2008年10月5日钎探记录表表1.2.21 GB50300—2001工程名称漯河市淞江小区峻峰华亭工程施工单位北京城建建设工程有限公司(章)钎探部位基槽轴线1-1~52 槽底标高—10.67(m) 锤重10(Kg) 锤击高度0.5(m) 钎直径Φ40(mm)每步打入深度30 (cm) 钎探日期2008.10.1顺序号钎探步数备注第一步第二步第三步第四步第五步1254 4 12 12 11 81253 4 11 10 12 131252 5 10 9 11 121251 4 10 18 9 61250 5 8 14 9 51249 4 9 15 8 61248 5 8 14 13 61247 4 5 6 9 151246 4 10 14 8 81245 5 9 10 9 71244 5 10 9 9 61243 5 6 7 8 71242 4 5 8 12 81241 4 6 8 13 61240 5 7 10 7 61239 5 7 12 9 91238 5 10 8 5 61237 4 9 9 6 51236 4 10 15 9 61235 5 8 7 9 91234 5 13 17 10 121233 4 13 11 9 61232 4 6 9 10 81231 4 6 8 10 71230 4 7 10 10 7施工单位项目经理监理工程师(建设单位项目负责人)报出日期:2008年10月5日钎探记录表表1.2.21 GB50300—2001工程名称漯河市淞江小区峻峰华亭工程施工单位北京城建建设工程有限公司(章)钎探部位基槽轴线1-1~52 槽底标高—10.67(m) 锤重10(Kg) 锤击高度0.5(m) 钎直径Φ40(mm)每步打入深度30 (cm) 钎探日期2008.10.1顺序号钎探步数备注第一步第二步第三步第四步第五步1229 5 6 9 9 61228 4 7 8 8 71227122612251224122312221221122012191218121712161215 5 6 7 8 61214 5 7 8 9 101213 6 6 9 10 131212 6 7 10 10 151211 4 9 8 10 81210 4 7 9 8 91209 5 6 10 10 71208 4 7 12 9 71207 6 7 8 9 61206 5 6 9 10 9钎探人方仕德记录人陈美善施工单位项目经理监理工程师(建设单位项目负责人)报出日期:2008年10月5日钎探记录表表1.2.21 GB50300—2001工程名称漯河市淞江小区峻峰华亭工程施工单位北京城建建设工程有限公司(章)钎探部位基槽轴线1-1~52 槽底标高—10.67(m) 锤重10(Kg) 锤击高度0.5(m) 钎直径Φ40(mm)每步打入深度30 (cm) 钎探日期2008.10.1顺序号钎探步数备注第一步第二步第三步第四步第五步1204 5 7 11 7 51203 6 8 7 8 41202 5 9 12 5 51201 5 9 11 12 81200 4 10 10 9 111199 4 12 8 7 71198 5 10 7 7 81197 5 5 6 9 81196 6 6 7 10 51195 6 7 8 9 61194 5 6 7 6 51193 5 5 8 5 41192 4 11 7 6 5119111901189118811871186 5 11 5 8 81185 5 11 9 7 91184 4 10 7 11 121183 5 8 8 8 51182 4 10 6 9 61181 5 8 8 9 6钎探人方仕德记录人陈美善施工单位项目经理监理工程师(建设单位项目负责人)报出日期:2008年10月5日钎探记录表表1.2.21 GB50300—2001工程名称漯河市淞江小区峻峰华亭工程施工单位北京城建建设工程有限公司(章)钎探部位基槽轴线1-1~52 槽底标高—10.67(m) 锤重10(Kg) 锤击高度0.5(m) 钎直径Φ40(mm)每步打入深度30 (cm) 钎探日期2008.10.1顺序号钎探步数备注第一步第二步第三步第四步第五步1179 4 12 10 11 131178 4 8 13 7 91177 6 10 9 11 101176 5 10 12 12 81175 4 11 12 8 51174 4 6 14 10 91173 4 5 6 5 51172 5 6 10 9 61171 5 12 9 7 101170 4 10 11 6 81169 5 9 11 10 61168 5 9 10 9 71167 5 8 9 10 61166 5 8 10 9 51165 5 7 11 12 71164 5 9 10 9 51163 4 10 9 8 61162 4 9 10 7 51161 4 10 12 8 61160 4 9 11 7 51159 5 8 9 7 61158 5 10 10 8 51157 5 9 12 10 61155 5 9 10 7 5 钎探人方仕德记录人陈美善施工单位项目经理监理工程师(建设单位项目负责人)报出日期:2008年10月5日钎探记录表表1.2.21 GB50300—2001工程名称漯河市淞江小区峻峰华亭工程施工单位北京城建建设工程有限公司(章)钎探部位基槽轴线1-1~52 槽底标高—10.67(m) 锤重10(Kg) 锤击高度0.5(m) 钎直径Φ40(mm)每步打入深度30 (cm) 钎探日期2008.10.1顺序号钎探步数备注第一步第二步第三步第四步第五步1154 4 10 8 7 51153 5 12 10 8 61152 5 11 9 10 51151 5 8 7 8 51150 4 9 7 8 51149 4 10 8 8 61148 5 9 7 9 51147 5 8 9 8 71146 5 9 8 7 51145 5 10 8 8 61144 4 9 7 7 51143 4 9 7 7 51142 5 10 8 8 61141 5 8 9 8 41140 5 7 9 9 71139 5 11 9 12 91138 4 9 16 9 61137 4 9 14 9 61136 4 8 13 8 51135 4 9 12 8 51134 4 8 11 7 51133 5 9 10 8 61132 5 10 9 5 61130 4 10 7 6 7 钎探人方仕德记录人陈美善施工单位项目经理监理工程师(建设单位项目负责人)报出日期:2008年10月5日钎探记录表表1.2.21 GB50300—2001工程名称漯河市淞江小区峻峰华亭工程施工单位北京城建建设工程有限公司(章)钎探部位基槽轴线1-1~52 槽底标高—10.67(m) 锤重10(Kg) 锤击高度0.5(m) 钎直径Φ40(mm)每步打入深度30 (cm) 钎探日期2008.10.1顺序号钎探步数备注第一步第二步第三步第四步第五步1129 5 11 9 9 91128 5 12 11 6 81127 4 12 8 8 51126 5 13 14 7 71125 4 15 20 10 121124 5 12 14 7 81123 4 11 10 6 71122 4 6 7 9 81121 4 9 8 7 81120 5 9 9 6 71119 5 9 6 8 41118 5 10 9 7 61117 4 7 9 9 61116 4 10 9 9 51115 4 9 9 6 51114 5 10 16 12 61113 5 9 15 14 61112 5 9 10 8 51111 5 8 10 7 51110 5 9 16 13 51109 5 10 15 11 71108 4 10 14 12 81106 4 9 10 9 51105 4 10 11 9 6 钎探人方仕德记录人陈美善施工单位项目经理监理工程师(建设单位项目负责人)报出日期:2008年10月5日钎探记录表表1.2.21 GB50300—2001工程名称漯河市淞江小区峻峰华亭工程施工单位北京城建建设工程有限公司(章)钎探部位基槽轴线1-1~52 槽底标高—10.67(m) 锤重10(Kg) 锤击高度0.5(m) 钎直径Φ40(mm)每步打入深度30 (cm) 钎探日期2008.10.2顺序号钎探步数备注第一步第二步第三步第四步第五步1104 4 9 10 8 61103 5 7 10 14 51102 5 9 13 10 71101 5 8 12 10 51100 5 9 11 8 101099 5 9 10 4 111098 5 10 15 7 121097 4 10 13 5 71096 4 9 14 9 81095 4 8 10 6 81094 4 8 10 7 71093 4 9 12 8 61092 4 6 7 9 111091 5 7 8 8 101090 6 9 10 6 61089 5 9 14 9 101088 5 9 13 8 111087 5 10 15 14 101086 5 13 14 9 91085 5 9 14 11 61084 5 8 15 9 61083 5 10 18 12 91081 4 10 12 6 101080 5 11 11 3 7 钎探人方仕德记录人陈美善施工单位项目经理监理工程师(建设单位项目负责人)报出日期:2008年10月5日钎探记录表表1.2.21 GB50300—2001工程名称漯河市淞江小区峻峰华亭工程施工单位北京城建建设工程有限公司(章)钎探部位基槽轴线1-1~52 槽底标高—10.67(m) 锤重10(Kg) 锤击高度0.5(m) 钎直径Φ40(mm)每步打入深度30 (cm) 钎探日期2008.10.2顺序号钎探步数备注第一步第二步第三步第四步第五步1079 4 10 11 6 51078 4 10 8 10 81077 4 9 10 5 81076 4 12 16 8 71075 4 9 20 8 81074 5 9 15 14 61073 4 7 14 5 51072 5 7 13 5 51071 4 7 13 5 51070 4 9 14 7 51069 4 9 14 10 51068 5 7 9 10 61067 4 10 11 9 101066 7 12 13 9 91065 4 12 16 9 111064 5 11 19 15 81063 5 13 12 13 81062 5 11 19 11 51061 5 13 16 15 71060 5 14 12 11 71059 5 11 17 10 71057 4 10 12 12 101056 4 9 12 12 51055 5 10 16 7 10 钎探人方仕德记录人陈美善施工单位项目经理监理工程师(建设单位项目负责人)报出日期:2008年10月5日钎探记录表表1.2.21 GB50300—2001工程名称漯河市淞江小区峻峰华亭工程施工单位北京城建建设工程有限公司(章)钎探部位基槽轴线1-1~52 槽底标高—10.67(m) 锤重10(Kg) 锤击高度0.5(m) 钎直径Φ40(mm)每步打入深度30 (cm) 钎探日期2008.10.2顺序号钎探步数备注第一步第二步第三步第四步第五步1054 4 8 13 7 71053 4 9 14 13 101052 4 10 11 12 171051 4 8 13 17 121050 5 7 6 10 131049 5 6 7 6 101048 5 6 9 10 71047 5 8 9 10 111046 5 9 10 8 61045 5 7 8 8 121044 4 9 8 7 61043 4 9 9 8 101042 5 9 10 12 81041 5 8 15 11 101040 5 8 15 14 71039 5 9 14 14 131038 4 8 11 12 101037 4 8 12 10 121036 4 9 15 9 121035 5 8 12 7 101033 4 9 16 11 61032 5 11 13 13 61031 5 12 13 10 101030 4 10 15 7 6 钎探人方仕德记录人陈美善施工单位项目经理监理工程师(建设单位项目负责人)报出日期:2008年10月5日钎探记录表表1.2.21 GB50300—2001工程名称漯河市淞江小区峻峰华亭工程施工单位北京城建建设工程有限公司(章)钎探部位基槽轴线1-1~52 槽底标高—10.67(m) 锤重10(Kg) 锤击高度0.5(m) 钎直径Φ40(mm)每步打入深度30 (cm) 钎探日期2008.10.2顺序号钎探步数备注第一步第二步第三步第四步第五步1029 4 12 16 11 91028 4 11 12 10 91027 4 11 11 9 81026 4 12 11 8 61025 4 13 12 9 71024 5 9 11 9 61023 4 5 11 9 81022 5 13 15 6 101021 5 12 12 10 91020 5 13 12 8 91019 5 12 11 9 101018 5 10 13 9 51017 5 9 16 6 91016 4 10 14 3 71015 5 8 13 8 101014 5 10 21 9 101013 5 10 14 6 121012 5 8 16 11 121011 5 8 14 12 101010 4 7 16 12 101009 5 10 14 9 61008 5 9 13 9 81007 5 10 10 7 61006 4 9 12 12 91005 4 10 9 12 6 钎探人方仕德记录人陈美善施工单位项目经理监理工程师(建设单位项目负责人)报出日期:2008年10月5日钎探记录表表1.2.21 GB50300—2001工程名称漯河市淞江小区峻峰华亭工程施工单位北京城建建设工程有限公司(章)钎探部位基槽轴线1-1~52 槽底标高—10.67(m) 锤重10(Kg) 锤击高度0.5(m) 钎直径Φ40(mm)每步打入深度30 (cm) 钎探日期2008.10.2顺序号钎探步数备注第一步第二步第三步第四步第五步1004 4 10 8 8 51003 5 10 10 12 121002 5 10 10 11 81001 5 10 8 12 101000 5 9 7 6 5999 4 10 9 10 7998 4 11 9 10 8997 7 12 8 13 9996 4 9 9 4 16995 5 12 12 12 11994 5 11 10 11 8993 5 10 11 16 11992 4 10 8 16 14991 4 9 10 10 6990 5 10 13 12 7989 5 10 10 12 6988 5 9 13 11 7987986985984983982981980钎探人方仕德记录人陈美善施工单位项目经理监理工程师(建设单位项目负责人)报出日期:2008年10月5日钎探记录表表1.2.21 GB50300—2001工程名称漯河市淞江小区峻峰华亭工程施工单位北京城建建设工程有限公司(章)钎探部位基槽轴线1-1~52 槽底标高—10.67(m) 锤重10(Kg) 锤击高度0.5(m) 钎直径Φ40(mm)每步打入深度30 (cm) 钎探日期2008.10.2顺序号钎探步数备注第一步第二步第三步第四步第五步979978977976975974973972971970969968967966965964963962961960959 5 9 10 12 12958 4 8 8 11 11957 4 7 9 10 9956 4 9 9 10 9955 5 9 10 10 8 钎探人方仕德记录人陈美善施工单位项目经理监理工程师(建设单位项目负责人)报出日期:2008年10月5日钎探记录表表1.2.21 GB50300—2001工程名称漯河市淞江小区峻峰华亭工程施工单位北京城建建设工程有限公司(章)钎探部位基槽轴线1-1~52 槽底标高—10.67(m) 锤重10(Kg) 锤击高度0.5(m) 钎直径Φ40(mm)每步打入深度30 (cm) 钎探日期2008.10.2顺序号钎探步数备注第一步第二步第三步第四步第五步954 5 10 9 12 9953 8 9 10 9 11952 4 10 10 12 13951 4 8 9 10 14950 5 7 9 7 11949 4 7 10 8 8948 5 9 12 7 9947 4 8 7 11 11946 4 9 11 10 11945 5 9 10 16 10944 5 10 10 15 9943 5 8 15 8 8942 5 10 6 10 9941 4 9 11 13 9940 5 8 8 10 7939 5 8 10 12 9938 4 9 8 13 12937 5 10 19 10 7936 10 8 10 11 10935934933932931930钎探人方仕德记录人陈美善施工单位项目经理监理工程师(建设单位项目负责人)报出日期:2008年10月5日钎探记录表表1.2.21 GB50300—2001工程名称漯河市淞江小区峻峰华亭工程施工单位北京城建建设工程有限公司(章)钎探部位基槽轴线1-1~52 槽底标高—10.67(m) 锤重10(Kg) 锤击高度0.5(m) 钎直径Φ40(mm)每步打入深度30 (cm) 钎探日期2008.10.2顺序号钎探步数备注第一步第二步第三步第四步第五步929928927926925924923922 4921920919918917916915914913912911910909 4 9 12 10 9908 4 15 17 12 8907 4 12 10 12 7906 4 12 8 11 8905 5 10 8 6 11 钎探人方仕德记录人陈美善施工单位项目经理监理工程师(建设单位项目负责人)报出日期:2008年10月5日钎探记录表表1.2.21 GB50300—2001工程名称漯河市淞江小区峻峰华亭工程施工单位北京城建建设工程有限公司(章)钎探部位基槽轴线1-1~52 槽底标高—10.67(m) 锤重10(Kg) 锤击高度0.5(m) 钎直径Φ40(mm)每步打入深度30 (cm) 钎探日期2008.10.2顺序号钎探步数备注第一步第二步第三步第四步第五步904 4 10 9 10 6903 4 15 11 10 8902 4 8 6 12 7901 5 10 10 9 9900 5 8 9 10 5899 5 8 13 9 8898 4 8 7 6 5897 4 8 8 6 5896 5 10 9 9 9895 4 13 12 10 11894 4 11 8 9 9893 4 11 8 7 10892 4 11 9 9 11891 5 12 14 9 7890 5 14 10 10 7889 6 13 10 9 7888 5 14 12 10 11887 5 14 13 8 9886 4 25 21 14 8885 5 19 17 10 9884 5 20 18 9 8883882881880钎探人方仕德记录人陈美善施工单位项目经理监理工程师(建设单位项目负责人)报出日期:2008年10月5日钎探记录表表1.2.21 GB50300—2001工程名称漯河市淞江小区峻峰华亭工程施工单位北京城建建设工程有限公司(章)钎探部位基槽轴线1-1~52 槽底标高—10.67(m) 锤重10(Kg) 锤击高度0.5(m) 钎直径Φ40(mm)每步打入深度30 (cm) 钎探日期2008.10.3顺序号钎探步数备注第一步第二步第三步第四步第五步879878877876875874873872871870869868867866865864863862861860859858 5 25 26 17 10857 4 22 30 23 11856 4 18 27 20 12855 4 4 12 12 10 钎探人方仕德记录人陈美善施工单位项目经理监理工程师(建设单位项目负责人)报出日期:2008年10月5日钎探记录表表1.2.21 GB50300—2001工程名称漯河市淞江小区峻峰华亭工程施工单位北京城建建设工程有限公司(章)钎探部位基槽轴线1-1~52 槽底标高—10.67(m) 锤重10(Kg) 锤击高度0.5(m) 钎直径Φ40(mm)每步打入深度30 (cm) 钎探日期2008.10.3顺序号钎探步数备注第一步第二步第三步第四步第五步854 4 6 7 6 7853 5 13 9 6 6852 4 13 11 7 9851 4 12 13 6 8850 5 11 12 6 5849 5 10 10 7 6848 4 9 9 8 6847 4 10 10 9 7846 4 9 8 7 6845 4 9 8 7 6844 4 10 10 9 7843 4 9 9 8 6842 5 11 12 6 5841 5 10 10 7 6840 4 12 13 7 6839 4 13 11 7 9838 4 13 9 6 6837 4 6 7 6 7836 4 4 12 12 10835 4 18 27 20 12834 4 22 30 23 11833 5 25 25 17 9832831830钎探人方仕德记录人陈美善施工单位项目经理监理工程师(建设单位项目负责人)报出日期:2008年10月5日钎探记录表表1.2.21 GB50300—2001工程名称漯河市淞江小区峻峰华亭工程施工单位北京城建建设工程有限公司(章)钎探部位基槽轴线1-1~52 槽底标高—10.67(m) 锤重10(Kg) 锤击高度0.5(m) 钎直径Φ40(mm)每步打入深度30 (cm) 钎探日期2008.10.3顺序号钎探步数备注第一步第二步第三步第四步第五步829828827826825824823822821820819818817816815814813812811810809808 5 24 25 16 9807 4 23 30 23 10806 4 18 27 21 11805 5 4 13 7 6 钎探人方仕德记录人陈美善施工单位项目经理监理工程师(建设单位项目负责人)报出日期:2008年10月5日钎探记录表表1.2.21 GB50300—2001工程名称漯河市淞江小区峻峰华亭工程施工单位北京城建建设工程有限公司(章)钎探部位基槽轴线1-1~52 槽底标高—10.67(m) 锤重10(Kg) 锤击高度0.5(m) 钎直径Φ40(mm)每步打入深度30 (cm) 钎探日期2008.10.3顺序号钎探步数备注第一步第二步第三步第四步第五步804 4 13 11 7 10803 4 13 11 7 9802 5 12 13 6 7801 5 11 12 7 6800 4 10 10 8 7799 4 9 8 9 5798 4 10 9 10 6797 4 9 8 7 5796 4 10 10 9 6795 4 11 12 6 5794 5 12 12 7 7793 5 13 11 7 9792 5 13 7 6 7791 5 6 8 7 6790 4 5 12 12 10789 5 17 26 21 23788 4 22 31 24 12787 5 26 24 18 10786 4 10 10 7 6785 4 11 12 6 6784 5 10 10 9 5783 4 10 11 10 6782 4 9 9 6 5781780钎探人方仕德记录人陈美善施工单位项目经理监理工程师(建设单位项目负责人)报出日期:2008年10月5日钎探记录表表1.2.21 GB50300—2001工程名称漯河市淞江小区峻峰华亭工程施工单位北京城建建设工程有限公司(章)钎探部位基槽轴线1-1~52 槽底标高—10.67(m) 锤重10(Kg) 锤击高度0.5(m) 钎直径Φ40(mm)每步打入深度30 (cm) 钎探日期2008.10.3顺序号钎探步数备注第一步第二步第三步第四步第五步779778777776775774773772771770769768767766765764763762761760759758757 5 25 24 16 10756 4 25 29 24 11755 4 17 28 20 11 钎探人方仕德记录人陈美善施工单位项目经理监理工程师(建设单位项目负责人)报出日期:2008年10月5日钎探记录表表1.2.21 GB50300—2001工程名称漯河市淞江小区峻峰华亭工程施工单位北京城建建设工程有限公司(章)钎探部位基槽轴线1-1~52 槽底标高—10.67(m) 锤重10(Kg) 锤击高度0.5(m) 钎直径Φ40(mm)每步打入深度30 (cm) 钎探日期2008.10.3顺序号钎探步数备注第一步第二步第三步第四步第五步754 5 6 14 8 5753 5 13 12 8 6752 4 13 11 7 5751 5 12 13 6 9750 4 13 11 7 9749 4 13 11 7 8748 4 12 13 6 5747 5 11 12 7 7746 4 10 10 8 6745 4 9 8 9 5744 4 10 9 10 6742 5 6 7 8 8741 5 7 8 9 10740 5 7 9 10 9739 5 7 10 9 8738 4 4 6 7 6737 4 4 6 7 6736 4 5 6 6 6735 5 7 8 12 11734 5 6 6 10 9733 6 6 6 9 12732 5 6 7 8 11731 6 8 7 6 10730 6 8 6 10 14 钎探人方仕德记录人陈美善施工单位项目经理监理工程师(建设单位项目负责人)报出日期:2008年10月5日钎探记录表表1.2.21 GB50300—2001工程名称漯河市淞江小区峻峰华亭工程施工单位北京城建建设工程有限公司(章)钎探部位基槽轴线1-1~52 槽底标高—10.67(m) 锤重10(Kg) 锤击高度0.5(m) 钎直径Φ40(mm)每步打入深度30 (cm) 钎探日期2008.10.3顺序号钎探步数备注第一步第二步第三步第四步第五步729 6 10 6 7 11728 5 7 5 6 9727 5 5 6 7 11726 5 7 10 7 8725 6 6 9 8 6724 6 6 13 7 6723 6 5 5 9 8722 4 5 6 13 11721 4 5 6 12 11720 6 7 12 14 13718 7 5 11 12 13717 5 7 6 9 13716 7 7 8 4 5715 5 7 12 7 8714 6 6 8 6 6713 7 7 8 9 6712 5 6 9 8 6711 6 10 7 8 7710 6 10 7 12 7709 6 9 10 11 9708 7 6 9 11 8707 6 7 10 10 8706 6 6 6 10 11705 7 7 7 13 12 钎探人方仕德记录人陈美善施工单位项目经理监理工程师(建设单位项目负责人)报出日期:2008年10月5日钎探记录表表1.2.21 GB50300—2001工程名称漯河市淞江小区峻峰华亭工程施工单位北京城建建设工程有限公司(章)钎探部位基槽轴线1-1~52 槽底标高—10.67(m) 锤重10(Kg) 锤击高度0.5(m) 钎直径Φ40(mm)每步打入深度30 (cm) 钎探日期2008.10.3顺序号钎探步数备注第一步第二步第三步第四步第五步704 6 8 8 11 14703 5 6 9 9 7702 6 9 10 9 8701 7 11 11 11 7700 7 10 10 12 8699 7 8 7 10 6698 7 7 8 9 7697 7 6 7 8 6696 6 6 7 8 6695 5 10 10 7 7693 8 10 12 13 10692 7 12 9 15 13691 8 10 11 12 13690 8 8 9 9 11689 7 7 9 11 10688 7 10 10 8 12687 7 10 8 17 12686 7 9 9 9 8685 8 10 7 13 11684 6 8 8 9 9683 7 10 9 8 7682 6 11 11 13 10681 7 9 11 7 5680 6 6 8 8 7 钎探人方仕德记录人陈美善施工单位项目经理监理工程师(建设单位项目负责人)报出日期:2008年10月5日钎探记录表表1.2.21 GB50300—2001工程名称漯河市淞江小区峻峰华亭工程施工单位北京城建建设工程有限公司(章)钎探部位基槽轴线1-1~52 槽底标高—10.67(m) 锤重10(Kg) 锤击高度0.5(m) 钎直径Φ40(mm)每步打入深度30 (cm) 钎探日期2008.10.3顺序号钎探步数备注第一步第二步第三步第四步第五步679 6 7 9 5 9678 5 8 8 5 11677 6 8 8 8 10676 6 8 7 11 6675 6 7 6 10 6674 6 5 5 5 10673 6 5 6 10 10672 7 9 6 9 12671 6 9 9 13 10669 5 5 9 17 11668 5 5 10 18 13667 5 6 13 21 15666 6 7 17 25 18665 6 6 15 23 20664 6 5 10 17 11663 7 6 18 13 12662 8 9 11 14 13661 7 6 10 15 14660 7 6 9 13 10659 7 6 12 15 13658 6 10 11 12 13657 5 7 9 11 10656 7 10 8 17 12655 6 9 9 9 8 钎探人方仕德记录人陈美善施工单位项目经理监理工程师(建设单位项目负责人)报出日期:2008年10月5日钎探记录表表1.2.21 GB50300—2001工程名称漯河市淞江小区峻峰华亭工程施工单位北京城建建设工程有限公司(章)钎探部位基槽轴线1-1~52 槽底标高—10.67(m) 锤重10(Kg) 锤击高度0.5(m) 钎直径Φ40(mm)每步打入深度30 (cm) 钎探日期2008.10.3顺序号钎探步数备注第一步第二步第三步第四步第五步654 5 10 7 13 11653 5 6 6 12 11652 4 7 8 9 12651 6 10 8 8 8650 7 8 8 6 7649 5 8 7 10 11648 6 9 10 7 5647 5 10 9 8 7645 6 7 11 10 6644 6 8 10 9 5643 5 12 16 14 12642 7 9 10 12 8641 6 10 11 10 9640 6 7 7 9 12639 6 10 9 13 12638 7 10 6 15 14637 5 7 12 12 12636 8 9 10 14 12635 7 9 11 13 13634 8 9 7 10 11633 6 11 10 16 14632 7 10 10 12 14631 6 11 9 8 7630 7 11 9 9 9 钎探人方仕德记录人陈美善施工单位项目经理监理工程师(建设单位项目负责人)报出日期:2008年10月5日钎探记录表表1.2.21 GB50300—2001工程名称漯河市淞江小区峻峰华亭工程施工单位北京城建建设工程有限公司(章)钎探部位基槽轴线1-1~52 槽底标高—10.67(m) 锤重10(Kg) 锤击高度0.5(m) 钎直径Φ40(mm)每步打入深度30 (cm) 钎探日期2008.10.3顺序号钎探步数备注第一步第二步第三步第四步第五步629 6 8 5 8 12628 5 7 7 8 10627 6 8 8 9 13626 6 6 5 6 12625 6 8 10 8 8624 7 10 9 9 7623 6 9 7 10 13621 6 9 9 10 9620 5 8 10 10 11619 6 6 8 12 13618 6 7 10 10 14617 6 9 9 12 10616 6 8 9 10 10615 6 10 9 9 8614 6 7 8 9 10613 8 9 12 16 6612 6 9 8 13 6611 6 9 13 12 9610 5 9 11 13 11609 5 8 9 10 7608 5 7 9 7 9607 6 10 11 12 7606 7 9 10 11 7605 6 10 8 7 9 钎探人方仕德记录人陈美善施工单位项目经理监理工程师(建设单位项目负责人)报出日期:2008年10月5日钎探记录表表1.2.21 GB50300—2001工程名称漯河市淞江小区峻峰华亭工程施工单位北京城建建设工程有限公司(章)钎探部位基槽轴线1-1~52 槽底标高—10.67(m) 锤重10(Kg) 锤击高度0.5(m) 钎直径Φ40(mm)每步打入深度30 (cm) 钎探日期2008.10.3顺序号钎探步数备注第一步第二步第三步第四步第五步604 6 9 7 9 11603 5 7 6 8 9602 7 9 7 11 10601 6 9 9 8 9600 5 13 11 7 7599 6 16 13 12 8598 8 16 14 14 9596 6 14 15 13 10595 7 15 14 12 9594 7 15 15 13 10593 7 14 15 13 9592 7 16 15 14 10591 8 15 16 13 9590 7 15 14 13 10589 6 14 14 13 9588 7 10 12 11 12587 7 9 11 10 10586 8 9 10 11 9585 6 10 9 10 8584 6 13 12 13 10583 7 14 12 12 9582 7 15 13 12 11581 6 15 13 10 10580 6 16 14 11 10 钎探人方仕德记录人陈美善施工单位项目经理监理工程师(建设单位项目负责人)报出日期:2008年10月5日钎探记录表表1.2.21 GB50300—2001工程名称漯河市淞江小区峻峰华亭工程施工单位北京城建建设工程有限公司(章)钎探部位基槽轴线1-1~52 槽底标高—10.67(m) 锤重10(Kg) 锤击高度0.5(m) 钎直径Φ40(mm)每步打入深度30 (cm) 钎探日期2008.10.3顺序号钎探步数备注第一步第二步第三步第四步第五步579 6 17 15 12 12578 6 10 12 10 7577 5 9 11 9 6576 6 9 10 8 6575 5 11 10 11 8574 5 11 13 11 11572 6 11 11 12 12571 5 7 9 10 8570 7 10 9 9 10569 6 10 10 11 12568 5 9 13 8 8567 6 7 12 12 10566 7 10 11 13 10565 5 6 12 17 15564 5 5 10 15 13563 5 7 10 8 13562 5 8 10 7 11561 7 15 14 12 9560 6 14 15 13 10559 7 15 15 13 10558 7 15 15 14 10557 8 16 14 13 9556 7 14 15 13 10555 8 15 16 13 9 钎探人方仕德记录人陈美善施工单位项目经理监理工程师(建设单位项目负责人)报出日期:2008年10月5日钎探记录表表1.2.21 GB50300—2001工程名称漯河市淞江小区峻峰华亭工程施工单位北京城建建设工程有限公司(章)钎探部位基槽轴线1-1~52 槽底标高—10.67(m) 锤重10(Kg) 锤击高度0.5(m) 钎直径Φ40(mm)每步打入深度30 (cm) 钎探日期2008.10.3顺序号钎探步数备注第一步第二步第三步第四步第五步554 7 15 14 13 10553 6 14 14 13 9552 7 12 12 11 10551 7 9 11 10 10550 8 9 10 11 9549 7 9 10 10 9547 6 14 14 13 9546 7 15 14 13 10545 7 9 11 10 10544 7 12 12 11 10543 7 15 14 13 10542 8 15 16 13 9541 7 14 15 13 10540 8 16 14 14 9539 7 15 15 13 10538 7 15 15 13 10537 6 14 15 13 10536 7 15 14 12 9535 5 8 10 12 10534 5 8 10 11 9533 5 7 15 14 10532 5 7 15 14 11531 5 8 9 10 8530 6 8 9 14 12 钎探人方仕德记录人陈美善施工单位项目经理监理工程师(建设单位项目负责人)报出日期:2008年10月5日钎探记录表表1.2.21 GB50300—2001工程名称漯河市淞江小区峻峰华亭工程施工单位北京城建建设工程有限公司(章)钎探部位基槽轴线1-1~52 槽底标高—10.67(m) 锤重10(Kg) 锤击高度0.5(m) 钎直径Φ40(mm)每步打入深度30 (cm) 钎探日期2008.10.3顺序号钎探步数备注第一步第二步第三步第四步第五步529 6 7 10 11 9528 5 8 7 10 8527 5 6 13 14 11526 6 11 11 8 7525 5 8 101011 10523 5 14 10 8 14522 5 15 12 8 12521 6 16 12 10 15520 6 14 15 11 10519 6 18 12 12 12518 5 11 12 10 11517 6 12 9 9 14516 6 10 13 10 11515 5 11 12 9 10514 5 13 8 8 14513 5 8 6 6 8512 5 8 7 5 10511 5 10 7 13 11510 6 11 9 8 7509 7 10 10 12 14508 6 11 10 18 14507 5 9 7 10 11506 7 9 11 10 11505 8 9 11 13 13 钎探人方仕德记录人陈美善施工单位项目经理监理工程师(建设单位项目负责人)报出日期:2008年10月5日钎探记录表表1.2.21 GB50300—2001工程名称漯河市淞江小区峻峰华亭工程施工单位北京城建建设工程有限公司(章)钎探部位基槽轴线1-1~52 槽底标高—10.67(m) 锤重10(Kg) 锤击高度0.5(m) 钎直径Φ40(mm)每步打入深度30 (cm) 钎探日期2008.10.3顺序号钎探步数备注第一步第二步第三步第四步第五步504 6 7 11 10 6503 6 8 10 9 5502 5 12 16 14 12501 7 9 10 12 8500 6 7 7 9 12498 6 10 7 9 12497 7 10 6 15 14496 5 7 12 12 12495 8 9 10 14 13494 7 9 11 13 13493 6 7 11 10 6492 6 8 10 9 5491 5 12 16 14 12490 7 9 10 10 8489 6 10 11 10 9488 6 7 7 9 12487 7 10 6 15 14486 5 7 12 12 12485 8 9 10 14 12484 7 9 11 13 13483 5 9 7 10 11482 5 9 11 13 13481 6 11 10 18 14480 7 10 10 12 14 钎探人方仕德记录人陈美善施工单位项目经理裴新民监理工程师(建设单位项目负责人)报出日期:2008年10月5日钎探记录表表1.2.21 GB50300—2001工程名称漯河市淞江小区峻峰华亭工程施工单位北京城建建设工程有限公司(章)钎探部位基槽轴线1-1~52 槽底标高—10.67(m) 锤重10(Kg) 锤击高度0.5(m) 钎直径Φ40(mm)每步打入深度30 (cm) 钎探日期2008.10.3顺序号钎探步数备注第一步第二步第三步第四步第五步479 6 11 9 8 7478 7 11 9 9 9477 7 10 8 11 10476 6 8 5 8 12。