三乙醇胺理化性质和危险特性
- 格式:doc
- 大小:170.50 KB
- 文档页数:8
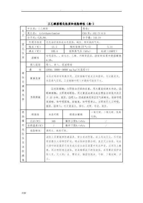
危险化学品安全技术特性(三乙醇胺)第一部分化学品及企业标识中文名:三乙醇胺英文名:Triethanolamine分子式:C6H15NO3分子量:149.19CAS号:102-71-6危险性类别:化学类别:第二部分主要组成与性状主要成分:外观与性状:无色油状液体或白色固体,稍有氨的气味。
主要用途:用作增塑剂、中和剂、润滑剂的添加剂或防腐蚀剂以及纺织品、化妆品的增湿剂和染料、树脂等的分散剂。
第三部分健康危害侵入途径:吸入食入健康危害:本品对局部有刺激作用。
皮肤接触可致皮炎和湿疹,可能与过敏有关。
本品蒸气压低,工业接触中吸入中毒的可能性不大。
第四部分急救措施皮肤接触:脱去污染的衣着,用大量流动清水彻底冲洗。
眼睛接触:立即翻开上下眼睑,用流动清水或生理盐水冲洗。
就医。
吸入:脱离现场至空气新鲜处。
就医。
食入:误服者漱口,饮牛奶或蛋清,就医。
第五部分燃爆特性与消防燃烧性:可燃建规火险分级:丙闪点(℃):185自燃温度(℃):无资料爆炸下限(V%):无资料爆炸上限(V%):无资料危险特性:遇高热、明火或与氧化剂接触,有引起燃烧的危险。
灭火方法:泡沫、二氧化碳、干粉、砂土。
第六部分泄漏应急处理切断火源。
戴好防毒面具,穿化学防护服。
在确保安全情况下堵漏。
用大量水冲洗,经稀释的洗液放入废水系统。
如大量泄漏,利用围堤收容,然后收集、转移、回收或无害处理后废弃。
第七部分储运注意事项储存于阴凉、通风仓间内。
远离火种、热源。
防止阳光直射。
保持容器密封。
应与氧化剂、酸类分开存放。
搬运时要轻装轻卸,防止包装及容器损坏。
第八部分防护措施接触限值:中国MAC:未制订标准前苏联MAC:未制订标准美国TLV-TWA:未制订标准美国TLV-STEL:未制订标准工程控制:密闭操作,注意通风。
呼吸系统防护:空气中浓度较高时,佩带防毒面具。
眼睛防护:戴化学安全防护眼镜。
防护服:穿工作服。
手防护:必要时戴橡皮手套。
其他:工作现场禁止吸烟、进食和饮水。
三乙醇胺msds安全技术说明书第一部分:化学品名称化学品中文名称:三乙醇胺化学品英文名称:triethanolamine技术说明书编码:1596CAS No.:102-71-6分子式:C6H15NO3分子量:149.19第二部分:成分/组成信息有害物成分 CAS No.三乙醇胺 102-71-6第三部分:危险性概述危险性类别:健康危害:本品对局部有刺激作用。
皮肤接触可致皮炎和湿疹,与过敏有关。
本品蒸气压低,工业接触中吸入中毒的可能性不大。
燃爆危险:本品可燃,具刺激性,具致敏性。
第四部分:急救措施皮肤接触:脱去污染的衣着,用大量流动清水冲洗。
眼睛接触:提起眼睑,用流动清水或生理盐水冲洗。
就医。
吸入:脱离现场至空气新鲜处。
就医。
食入:饮足量温水,催吐。
就医。
第五部分:消防措施危险特性:遇明火、高热可燃。
有害燃烧产物:一氧化碳、二氧化碳、氮氧化物。
灭火方法:消防人员须佩戴防毒面具、穿全身消防服,在上风向灭火。
尽可能将容器从火场移至空旷处。
喷水保持火场容器冷却,直至灭火结束。
处在火场中的容器若已变色或从安全泄压装置中产生声音,必须马上撤离。
用水喷射逸出液体,使其稀释成不燃性混合物,并用雾状水保护消防人员。
灭火剂:水、雾状水、抗溶性泡沫、干粉、二氧化碳、砂土。
第六部分:泄漏应急处理应急处理:迅速撤离泄漏污染区人员至安全区,并进行隔离,严格限制出入。
切断火源。
建议应急处理人员戴自给正压式呼吸器,穿防毒服。
尽可能切断泄漏源。
若是液体,防止流入下水道、排洪沟等限制性空间。
小量泄漏:用砂土、蛭石或其它惰性材料吸收。
也可以用大量水冲洗,洗水稀释后放入废水系统。
大量泄漏:构筑围堤或挖坑收容。
用泵转移至槽车或专用收集器内,回收或运至废物处理场所处置。
若是固体,用洁净的铲子收集于干燥、洁净、有盖的容器中。
若大量泄漏,收集回收或运至废物处理场所处置。
第七部分:操作处置与储存操作注意事项:密闭操作,注意通风。
操作人员必须经过专门培训,严格遵守操作规程。
三乙醇胺安全周知卡危险性类别可燃刺激品名、英文名及分子式、CC码及CAS号三乙醇胺TriethanolamineC6H15NO3CAS号:102-71-6危险性理化数据熔点(℃):20 闪点:185沸点(℃):335相对密度(水=1):1.12饱和蒸气压(kPa):0.67(190℃)危险特性本品为无色油状液体或白色固体,稍有氨的气味。
遇高热、明火或与氧化剂接触,有引起燃烧的危险。
接触后表现健康危害:本品对局部有刺激作用。
皮肤接触可致皮炎和湿疹,可能与过敏有关。
本品蒸气压低,工业接触中吸入中毒的可能性不大。
现场急救措施皮肤接触:脱去污染的衣着,用大量流动清水彻底冲洗。
眼睛接触:立即翻开上下眼睑,用流动清水或生理盐水冲洗。
就医。
吸入:脱离现场至空气新鲜处。
就医。
食入:误服者漱口,饮牛奶或蛋清,就医。
身体防护措施泄漏处理及防火防爆措施切断火源。
戴好防毒面具,穿化学防护服。
在确保安全情况下堵漏。
用大量水冲洗,经稀释的洗液放入废水系统。
如大量泄漏,利用围堤收容,然后收集、转移、回收或无害处理后废弃。
泡沫、二氧化碳、干粉、砂土。
浓度MAC(mg/m3):未制订标准当地应急救援单位名称市消防队:119市人民医院:120当地应急救援单位电话消防队:119人民医院:120危险性标志三乙醇胺职业病危害告知卡作业场所存在三乙醇胺,对人体有损害,请注意防护三乙醇胺Triethanolamine健康危害理化特性本品对局部有刺激作用。
皮肤接触可致皮炎和湿疹,可能与过敏有关。
本品蒸气压低,工业接触中吸入中毒的可能性不大。
易溶于水。
遇高热、明火或与氧化剂接触,有引起燃烧的危险。
应急处理皮肤接触:脱去污染的衣着,用大量流动清水彻底冲洗。
眼睛接触:立即翻开上下眼睑,用流动清水或生理盐水冲洗。
就医。
吸入:脱离现场至空气新鲜处。
就医。
食入:误服者漱口,饮牛奶或蛋清,就医。
灭火方法:泡沫、二氧化碳、干粉、砂土。
注意防护急救电话:120 消防电话:119。
文档格式要求要有标题,三级标题,文档要求一定的行文规范
三乙醇胺(Triethanolamine,简称TEA)是一种有机胺类化合物,
以白色蜡状固体形式存在,是三羟乙胺(2,2',2''-三乙醇胺)和对羟基
苯甲醛(2,2',2''-三乙氧乙胺)的混合物,也可以在溶于水的碱性溶液
中找到。
它按照美国化学词汇(Annotations to the U.S. Chemical Substances Lists)的定义,被称为“二羟基乙胺”,也称为“三乙氧乙胺”。
一、三乙醇胺的理化性质
1、结构:三乙醇胺是一种有机胺类化合物,是2,2',2''-三乙醇胺
和2,2',2''-三乙氧乙胺的混合物,可以分子量为121.147 g/mol,摩尔
构型为C6H15NO3
2、外观与熔点:三乙醇胺为无色至淡黄色,呈现蜡状固体,具有明
显的甜味。
它的熔点为42℃。
3、溶解性:三乙醇胺很容易溶于水,但是它很难溶于有机溶剂,在
常温下,一升水可以溶解50克三乙醇胺。
4、沸点和相对密度:三乙醇胺的沸点为249℃,它的相对密度为
1.132 g/cm3
二、三乙醇胺的危险特性
1、燃烧性:三乙醇胺很容易被氧化,燃烧产物为二氧化碳和水甲烷,但它的爆炸性质很弱。
2、腐蚀性:三乙醇胺对大多数金属很弱,但会腐蚀铜和铝合金,因
此应注意材料的选择。
三乙醇胺是危险化学品三乙醇胺(Triethanolamine,简称TEA)是一种常见的危险化学品。
它具有广泛的应用领域,但同时也存在着一些潜在的风险和危害。
本文将介绍三乙醇胺的化学性质、主要用途以及与之相关的危害和安全措施。
三乙醇胺是一种有机醇胺化合物,化学式为C6H15NO3。
它是无色到淡黄色的液体,具有强烈的胺性气味。
三乙醇胺具有良好的溶解性,在水中完全溶解,并可与许多有机溶剂相溶。
它是一种碱性化合物,可中和酸性物质。
三乙醇胺在许多工业领域都有广泛的应用。
它常被用作中和剂、乳化剂、阻燃剂、润滑剂、表面活性剂等。
在化妆品和个人护理产品中,三乙醇胺可以用作调节pH值、稳定乳液和增加产品稠度。
在农业领域,它可以用作杀虫剂和除草剂的成分。
此外,三乙醇胺还可用于金属腐蚀抑制剂、染料和颜料的制造。
尽管三乙醇胺在许多行业中具有重要的应用,但它也存在着一些危害和风险。
首先,三乙醇胺可能对人体健康造成影响。
接触高浓度的三乙醇胺可引起眼睛、皮肤和呼吸道的刺激。
长期接触可能导致皮肤干燥、龟裂和炎症。
此外,三乙醇胺还可能对生殖和发育系统产生不良影响,并与某些癌症的发生有关。
其次,三乙醇胺与其他化学物质的反应也可能导致危险情况的发生。
对于强氧化剂和酸性物质的接触,三乙醇胺可能产生可燃的化合物,并引发火灾或爆炸。
因此,在使用三乙醇胺时需要特别注意避免与上述物质接触。
为了确保安全使用三乙醇胺,应采取一系列的安全措施。
首先,必须佩戴适当的个人防护装备,包括手套、护目镜和防护服。
当有气体或蒸气释放时,应使用适当的防护口罩。
其次,使用三乙醇胺时应注意避免皮肤接触,若不慎接触到皮肤,应立即用水冲洗。
同时,应避免吸入其气体或蒸气,需在通风良好的地方操作。
在储存和处理三乙醇胺时,也要注意安全措施。
它应储存在密闭容器中,存放在阴凉、干燥、通风良好的地方,远离火源和酸性物质。
在处理废弃物时,要遵守当地的法规,采取合适的方法进行处理和处置。
三乙醇胺msds安全技术说明书三乙醇胺 MSDS 安全技术说明书一、化学品及企业标识化学品中文名称:三乙醇胺化学品英文名称:Triethanolamine企业名称:_____地址:_____邮编:_____联系电话:_____传真:_____电子邮件地址:_____应急咨询电话:_____产品推荐及限制用途:用作乳化剂、表面活性剂、pH 调节剂、金属清洗剂、水泥增强剂等。
二、危险性概述1、物理危险外观与性状:无色至淡黄色粘性液体,稍有氨的气味。
熔点(℃):212沸点(℃):3354相对密度(水=1):112相对蒸气密度(空气=1):514饱和蒸气压(kPa):067(190℃)燃烧热(kJ/mol):-6695临界温度(℃):5143临界压力(MPa):245辛醇/水分配系数:-148闪点(℃):185引燃温度(℃):420爆炸上限%(V/V):无资料爆炸下限%(V/V):无资料2、健康危害侵入途径:吸入、食入、经皮吸收。
健康危害:本品对眼睛、皮肤和呼吸道有刺激作用。
吸入本品蒸气或雾,可能引起呼吸道刺激和炎症;皮肤接触可能引起皮炎和湿疹;眼睛接触可能引起眼睛刺激和损伤。
3、环境危害对环境有危害,对水体可造成污染。
三、成分/组成信息纯品:√ 混合物:□主要成分:三乙醇胺含量:_____CAS 号:102-71-6四、急救措施1、皮肤接触:脱去污染的衣着,用大量流动清水冲洗至少 15 分钟。
就医。
2、眼睛接触:立即提起眼睑,用大量流动清水或生理盐水彻底冲洗至少 15 分钟。
就医。
3、吸入:迅速脱离现场至空气新鲜处。
保持呼吸道通畅。
如呼吸困难,给输氧。
如呼吸停止,立即进行人工呼吸。
就医。
4、食入:用水漱口,给饮牛奶或蛋清。
就医。
五、消防措施1、危险特性:遇明火、高热可燃。
与强氧化剂可发生反应。
受热分解放出有毒的氧化氮烟气。
2、有害燃烧产物:一氧化碳、二氧化碳、氮氧化物。
3、灭火方法:消防人员须佩戴防毒面具、穿全身消防服,在上风向灭火。