生产运作管理习题
- 格式:ppt
- 大小:242.50 KB
- 文档页数:27
第一章一、单选题1.社会组织输入的是:A.原材料B.能源C.信息D.以上都是E.以上都不是2.哪项不属于转换过程?A.装配B.教学C.人员配备D.种地E.咨询3.以下哪些活动属于生产活动?A.医生看病B.律师辩护C.投递快件D.以上都是E.以上都不是4.在大多数企业中存在的三项基本职能是:A.制造、生产运作和营销B.生产运作、营销和理财C.生产运作、会计和营销D.生产运作、人力资源和理财E.以上都不是5.以下哪项不是订货型生产(MTO)的特点?A.订单驱动B.有成品积压风险C.按照用户要求生产产品D.交货期较长E.需多技能工人6.以下哪项不是服务的特点?A.无形性B.同步性C.异质性D.耐用性E.易逝性7.下列哪项不属于大量生产运作?A.飞机制造B.汽车制造C.快餐D.中小学教育E.学生入学体检8.社会组织受到的环境约束包括:A.经济的B.政治的C.社会的D.法律的E.市场的F.以上都是9.相对于流程式生产,加工装配式生产的特点是:A.品种数较多B.资本密集C.有较多标准产品D.设备柔性较低E.只能停产检修10.按照生产要素密集程度和与顾客接触程度划分,医院是A.大量资本密集服务B.大量劳动密集服务C.专业资本密集服务D.专业劳动密集服务E.以上都不是二、判断题1.如果没有服务业,就不会有现代社会。
A.正确B.错误2.教师讲课不创造实体产品,他们从事的不是生产活动。
A.正确B.错误3.运输只是将产品从产地移动到销地,产品没有增值,因此运输不能算作生产活动。
A.正确B.错误4.社会组织的所有输出都是对社会所做的贡献。
A.正确B.错误5.大型船舶可以实行备货型生产。
A.正确B.错误6.订货型生产可能消除成品库存。
A.正确B.错误7.顾客参与只会降低工作效率,应尽可能避免。
A.正确B.错误8.凡是不能存储的产品,都是服务。
A.正确B.错误9.顾客参与影响工作效率,应尽可能减少。
A.正确B.错误10.运作管理包括运作系统设计、系统运作和系统改进三大部分。
综合练习题一一.单项选择题(每小题2分,10题共20分)1.任何企业都具有三项基本职能,即()A、人力资源、生产运作、财务B、研发、生产运作、营销C、采购、销售、生产D、生产运作、营销、财务2、生产运作战略是企业的( )A、公司层战略B、经营层战略C.职能层战略D、竞争战略3、对象专业化的优点之一是()A、缩短运输路线,降低运输成本B、便于工艺经管,有利于工人技术水平的提高C、对产品品种变换有较强的适应性D、便于充分利用设备和生产面积,提高负荷系数4、新产品开发的首要步骤是()A、寻求新产品的设想B、确定新产品开发的目标C、拟订发掘新设想的方法与评价新设想的程序D、正确分配资源5、在工作设计中,首先要讨论的问题是()A、劳动者的体能与运作效应B、分工与劳动生产率C、人机工程D、劳动者的工作心理及兴趣6、企业在计划期内出产的可供销售的产品价值,称为()A、总产值B、销售产值C、商品产值D、净产值7、采购物流经管的主要任务是()A、包装运输、绩效评估、物料入库B、包装运输、暂存检验、物料入库C、计划与预算、暂存检验、物料入库D、策略规划、暂存检验、物料入库8、物料需求计划技术是对______进行控制的一套计划与控制原理与方法。
()A、独立需求B、相关需求C、生产库存D、生产能力需求9、工程经管中一般要考虑三个目标,即()A、效益、时间、环保B、质量、时间、环保C、质量、效率时间D、质量、效率、经济10、设备“三级保养制”是我国许多企业现行的设备维护与保养修理制度,其中,_____是以维修工人为主,操作工人参加,对设备进行部分解体和检查修理。
()A、例行保养B、一级保养C、二级保养D、三级保养二.名词解释(第小题4分,5题共20分)1、生产2、价值工程3、生产提前期4、供应链经管5、精益生产方式三.简答题(回答要点,扼要解释,每小题10分,3题共30分)1.试简述企业生产运作战略的概念与特点。
2.简述影响生产能力的主要因素。
精心整理生产与运作管理习题集第一章绪论一、判断题1.有形产品的变换过程通常称为生产过程。
()2.?生产运作管理的基本目标主要包括质量管理、成本管理及进度管理。
()3.生产与运作管理的目标是在需要的时候,以适宜的价格,向顾客提供具有适当质量的产品和服务。
()4.“”是5.6.7.8.9.10.11.1.AC.投入2.A.3.A.品种4.A.5.企业生产与运作系统的立足点是()。
A.市场导向B.市场需求C.企业需求D.竞争需求6.从广义的生产运作管理理解,生产运作管理是对系统()。
A.设置和运行的管理B.设置的管理C.运行的管理D.机制的管理7.组织创造价值的主要环节是()。
A.营销环节B.生产运作环节C.财务环节D.组织环节8.能构成生产运作系统主体框架的要素是()。
A.生产计划B.生产库存C.生产技术D.质量管理9.自20世纪70年代以来,在世界制造企业的五大职能中日益成为企业竞争优势的重心和支撑点是()。
A.生产职能B.人事职能C.财务职能D.研发职能10.下列不属于生产与运作管理基本职能的是()。
A.组织B.计划C.战略D.控制11.生产与运作系统正常运行的基本保证是()。
A.人员组织要素B.质量管理要素C.生产与运作计划要素D.库存控制要素12.实现市场营销战略的基础是()。
A.生产与运作计划B.生产与运作系统C.生产与运作控制D.生产与运作战略13.生产与运作系统的首要基本功能是()。
A.满足社会需要、市场需要B.满足企业目标需要C.14.A.信息15.A.质量16.A.B.C.D.17.A.C.18.A.19.A.资源20.A.C.21.A22.下列不属于生产与运作系统结构化的要素是()。
A.生产技术B.生产与运作计划C.生产与运作系统的集成D.生产能力23.多品种生产是组织生产与运作过程()的体现。
A.柔性B.连续性C.比例性D.目标性24.在一定程度上制约着成本和质量的是()。
A.生产手段B.生产对象C.生产资金D.生产信息25.现代企业生产与运作系统运行的基础和保证是()。
生产与运作管理习题集第一章绪论一、判断题1. 有形产品的变换过程通常称为生产过程。
()2. 生产运作管理的基本目标主要包括质量管理、成本管理及进度管理。
()3. 生产与运作管理的目标是在需要的时候,以适宜的价格,向顾客提供具有适当质量的产品和服务。
()4. “发现与发掘顾客的需求,让顾客了解公司的产品和服务,并将这些产品和服务送到顾客手中”是社会组织基本职能之一。
()5. 生产运营管理是对生产运作系统的设计、运作活动进行计划、组织与控制。
()运行、维护与改善过程的管理,它包括对生产6. 生产运作是使一定的原材料转化为一定的有形产品。
()7. 运输公司属于顾客参与的服务生产。
()8. 生产是指一切有形产品的生产()9. 生产运作管理的目标永远是质量、成本、交货期。
()10. 企业的三项基本职能是市场营销、生产与运作和人力资源。
()11. 生产运作是社会组织的唯一职能。
二、单项选择题1. 生产与运营活动是()。
A .投入资源要素C.投入一变换一产出过程B .产出最终产品D .信息反馈与管理提升过程2.输入生产要素中最活跃、最重要的因素是(A. 生产对象B. 生产信息C. 劳动力3.用户购买产品和要求提供服务的第一需要是(A. 品种B. 交货期C. 价格4. 在现代企业生产与运作系统中,与企业相互依赖,A. 零售商B. 供应商C. 生产对象5. 企业生产与运作系统的立足点是( ) 。
A. 市场导向B. 市场需求C. 企业需求6. 从广义的生产运作管理理解,生产运作管理是对系统)。
D. 生产资金)。
D. 质量已被看作为重要组成部分的是()。
D. 用户D. 竞争需求()。
A •设置和运行的管理B •设置的管理 C.运行的管理 D •机制的管理7. 组织创造价值的主要环节是()。
A.营销环节B. 生产运作环节C.财务环节 D .组织环节8. 能构成生产运作系统主体框架的要素是 ( )。
A .生产计划 B .生产库存C .生产技术D .质量管理9. 自 20世纪 70 年代以来,在世界制造企业的五大职能中日益成为企业竞争优势的重心和 支撑点是 () 。
第5章1、名词解释:(1)生产能力(2)代表产品2、填空:(1)企业计划生产A、B、C三种产品,各产品计划年产量与单位台时定额分别为:A:50/20,B:100/30,C:125/40;代表产品为;(2)企业生产能力的种类有、、;(3)企业生产能力的影响因素主要有、、等。
3、单选:(1)企业生产能力的影响因素中,()是最易变化,且变化幅度较大。
A、设备数量B、设备工作时间C、生产面积数量D、设备生产率定额(2)某车间计划生产a、b、c、d四种产品,各产品计划年产量与单位台时定额分别为:a:125/40;b:120/30,c:80/60;d:50/20,代表产品为();A、aB、bC、cD、d(3)某企业生产A、B、C、D四种结构、工艺不相似的产品,各种产品的计划期产量分别为300、800、500、400,则一个假定产品中含()个C产品;A、1/2B、1/3C、1/4D、1/5(4)生产能力一般以()作为计量单位。
A、产值B、劳动率定额C、销售额D、实物指标(5)新建企业应该达到的最大年产量称之为();A、设计能力B、查定能力C、计划能力D、现实能力4、多选:(1)计算生产能力时,()的设备不应计算在内;A、正在修理B、备用C、不配套D、封存待调(2)生产率定额受()等因素的影响;A、产品结构B、质量要求C、工人业务技能D、工作时间(3)生产面积的数量,对于()车间的生产能力具有重要的意义。
A、铸造B、铆焊C、机加工D、装配5、判断改错:(1)为提高员工工作的挑战性,一般生产计划应制订得略高于生产能力。
(2)企业的生产能力,只与参与生产的固定资产的质与量有关,与其技术组织条件无关。
(3)设计能力并不总能真实反映企业现阶段的实际生产能力。
6、简答:(1)企业生产能力的影响因素有哪些?(2)简述生产能力的查定方法。
(3)简述企业确定生产能力的意义。
7、计算:(1)某流水生产线上固定生产A产品,流水生产线计划期有效工作时间为4500小时,A产品在流水生产线的工时消耗定额为12分钟,试计算流水生产线的生产能力。
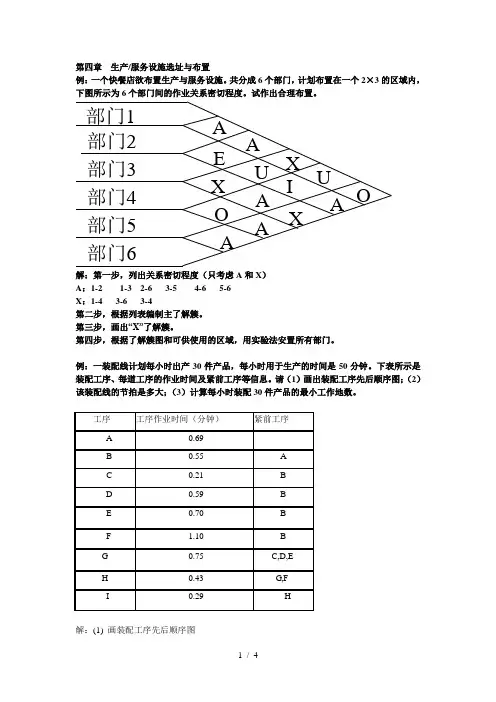
第四章 生产/服务设施选址与布置 例:一个快餐店欲布置生产与服务设施。
共分成6个部门,计划布置在一个2×3的区域内,下图所示为6个部门间的作业关系密切程度。
试作出合理布置。
解:第一步,列出关系密切程度(只考虑A 和X ) A :1-2 1-3 2-6 3-5 4-6 5-6 X :1-4 3-6 3-4第二步,根据列表编制主了解簇。
第三步,画出“X”了解簇。
第四步,根据了解簇图和可供使用的区域,用实验法安置所有部门。
例:一装配线计划每小时出产30件产品,每小时用于生产的时间是50分钟。
下表所示是装配工序、每道工序的作业时间及紧前工序等信息。
请(1)画出装配工序先后顺序图;(2)该装配线的节拍是多大;(3)计算每小时装配30件产品的最小工作地数。
解:(1) 画装配工序先后顺序图部门1 部门2 部门3 部门4 部门5 部门6AA X U O E U I A X A X O A A(2)节拍r=50/30=1.67(分/件)(3)最小工作地数Smin=[5.31/1.67]=4(个)ABC DE F GHI第8章库存管理1.戴安公司是生产氧气瓶的专业厂。
其年工作日为220天,市场对氧气瓶的需求率为50瓶/天。
氧气瓶的生产率为200瓶/天,生产提前期为4天。
年库存成本为1元/瓶,设备调整费用为35元/次。
求:①经济生产批量(EPQ)。
②每年生产次数。
③最大库存水平。
④生产订货点。
解:已知:C=35元/次,p=200瓶/天,r=50瓶/天,H=1元/瓶,年需求量D=50×220=11000瓶。
(1)经济生产批量(EPQ )(2)每年生产次数(3)最大库存水平(4)生产订货点RL=r*LT=50*4=200瓶例:某企业每年需要购买8000套儿童服装,每套儿童服装的价格100元,其年储存成本是3元/件,每次订购成本为30元。
若一次定购量小于600件时,每件价格是100元,若一次定购大于或等于600件,每件价格是80元。
生产运作管理第三版机械工业出版社陈荣秋等着只包含判断题和选择题(红色体为不做要求第一章绪论判断题:1.制造业的本质是从自然界直接提取所需的物品。
错2.服务业不仅制造产品,而且往往还要消耗产品,因此服务业不创造价值。
错3.服务业的兴起是社会生产力发展的必然结果。
对4.有什么样的原材料就制造什么样的产品,是输入决定了输出。
错5.生产运作、营销和财务三大职能在大多数的组织中都互不相干地运作。
错6.运作管理包括系统设计、系统运作和系统改进三大部分。
对7.生产运作管理包括对生产运作活动进行计划、组织和控制。
对8.运作经理不对运作系统设计负责。
错9.加工装配式生产是离散性生产。
对10.订货型生产可能消除成品库存。
对11.纯服务业不能通过库存调节。
对12.准时性是组织生产过程的基本要求。
对13.企业的产出物是产品,不包括废物。
错选择题:1.大多数企业中存在的三项主要职能是:BA)制造、生产和运作B)运作、营销和财务C)运作、人事和营销D)运作、制造和财务E)以上都不是2.下列哪项不属于大量生产运作AA)飞机制造B)汽车制造C)快餐D)中小学教育E)学生入学体检3.下列哪项不是生产运作管理的目标EA)高效B)灵活C)准时D)清洁E)以上都不是4.相对于流程式生产,加工装配式生产的特点是:AA)品种数较多B)资本密集C)有较多标准产品D)设备柔性较低E)只能停产检修5.按照生产要素密集程度和与顾客接触程度划分,医院是:CA)大量资本密集服务B)大量劳动密集服务C)专业资本密集服务D)专业劳动密集服务E)以上都不是6.以下哪项不是服务运作的特点CA)生产率难以确定B)质量标准难以建立C)服务过程可以与消费过程分离D)纯服务不能通过库存调节E)与顾客接触7.当供不应求时,会出现下述情况:DA)供方之间竞争激化B)价格下跌C)出现回扣现象D)质量和服务水平下降E)产量减少第二章企业战略和运作策略判断题:1.当价格是影响需求的主要因素时,就出现了基于成本的竞争。
综合练习题(一)一、名词解释(5×4=20分)JIT,并行工程,“浴盆”曲线,非独立性需求,生产系统二、分析计算题(40分)1、某企业决定在武汉设立一生产基地,数据如下表。
利用重心法确定该基地的最佳位置。
2、Piddling公司组装监视器,每年以65美元的价格购买3600个单色阴极管,订货成本为13美元,单个年持有成本为价格的20%。
计算最优订货批量及在最优订货条件下的定购及库存成本之和并说明经济订货批量的原理。
(5分)3、某生产线计划每天产量为240单位,日工作时间为8小时,各作业的时间及作业的先后顺序如左表,试对生产线进行平衡。
要求:(1)绘制流程图;(2)所需最少的工作站数量的理论值?(3)使用最长作业时间原则以最少的工作地数量来平衡装配线,(10分)4、某产品包括两个构件,A和B。
每制造一件产品需要2个A和4个B。
第6周开始时必须发送100单位该产品。
目前持有量为50个A和100个B。
另外还有两份应接收的B,每份为100单位,其中第一份在第4周初,第二份在第5周初收到。
该产品的生产提前期为2周,A、B各为1周。
用直接批量法为该产品作MRP。
(10分)5.某项工程的作业及有关数据如左表。
已知间接成本为每天1000元。
请确定工期缩短3周的方案。
(10)四、简答题(20分)1.服务系统有何特点?2.生产过程的组织有哪几种基本形式?3.有哪些针对需求变动变动的生产计划方法?4.质量管理经历了哪几个发展阶段?五、论述题(20分)请利用运作管理的相关知识谈谈如何提高企业的运作管理水平。
综合练习题(一)参考答案一、名词解释(5×4=20分)JIT:Just In Time的缩写,译为准时化生产。
JIT是由日本丰田公司首创的一种全新的管理体制,其目的是在原材料、在制品及产成品保持最小库存的情况下实现大批量生产,零件准时到达下道工序,并被下道工序迅速加工和转移。
基本思想是:只在需要的时候,按需要的量生产所需的产品;核心:追求库存或库存达到最小的生产系统,最终彻底消除无效劳动和浪费。
《生产与运作管理》习题一一、选择题1、长期生产计划的主要任务是进行产品决策、生产能力决策以及确立何种竞争优势的决策,是属于( C )。
a.战术层计划 b.运作层计划 c.战略层计划 d.作业层计划2、.工序能力是指工序处于( C )a.异常状态下的实际加工能力b.波动状态下的实际加工能力c.稳定状态下的实际加工能力d.运动状态下的实际加工能力3、生产运作活动的主体是( D)a.各种生产设施 b.各种社会组织c企业法人d企业的员工4、生产运作系统的核心要素是( B )。
a.投入 b. 生产运作过程 c.产出 d.服务过程5、大量生产一般( D )a. 重复性小 b.柔性高 c.设备利用率高 d. 产品品种少6、任何一个组织都具有( C )功能。
A、自我强化 B、营销C、生产运作 D、外派劳务7、生产与运作管理是企业( C )的主要环节。
A、产业链 B生产链C价值链D、工业链8、无形产品主要是指( B )。
A、生产B、服务 C、产成品 D、半成品9、在生产系统生命周期内,企业在科研方面投资,进行技术贮备,都是为了( C )系统的生命周期。
A、缩短 B、建立C、延长 D、消灭10、( A )战略是具体实施战略,具有指导性。
A、职能层 B、经营层 C总体 D、分步11、生产运作战略属于( A )战略。
A、职能层 B、经营层 C、总体 D、分步12、在企业基本生产过程中,( C )是基本单元。
A、程序 B、次序C、工序 D、流程13、在生产过程中的适应性,也称( C ),就是加工制作的灵活性、可变性和可调节性。
A、硬性B、刚性C、柔性D、可调性14、基本生产部门是()对产品进行加工的部门。
A、间接 B、偶尔C、直接 D、辅助15在生产计划体系中,短期计划时间一般为()。
答案:BA、3个月以下B、6个月以下C、9个月以下D、1年以下16、“5S”管理源于()。
A、美国 B、日本 C、英国 D、中国17、“5S”的终极目标是()。
《生产与运作管理》习题一一、选择题1、长期生产计划的主要任务是进行产品决策、生产能力决策以及确立何种竞争优势的决策,是属于( )。
答案:Ca.战术层计划b.运作层计划c.战略层计划d.作业层计划2、.工序能力是指工序处于( ) 答案:Ca.异常状态下的实际加工能力b.波动状态下的实际加工能力c.稳定状态下的实际加工能力d.运动状态下的实际加工能力3、生产运作活动的主体是()答案:Da. 各种生产设施b. 各种社会组织c. 企业法人d.企业的员工4、生产运作系统的核心要素是()。
答案:Ba.投入b. 生产运作过程c.产出d.服务过程5、大量生产一般()答案:Da. 重复性小b.柔性高c.设备利用率高d. 产品品种少6、任何一个组织都具有()功能。
答案:CA、自我强化B、营销C、生产运作D、外派劳务7、生产与运作管理是企业()的主要环节。
答案:CA、产业链B、生产链C、价值链D、工业链8、无形产品主要是指()。
答案:BA、生产B、服务C、产成品D、半成品9、在生产系统生命周期内,企业在科研方面投资,进行技术贮备,都是为了()系统的生命周期。
答案:CA、缩短B、建立C、延长D、消灭10、()战略是具体实施战略,具有指导性。
答案:AA、职能层B、经营层C、总体D、分步11、生产运作战略属于()战略。
答案:AA、职能层B、经营层C、总体D、分步12、在企业基本生产过程中,()是基本单元。
答案:CA、程序B、次序C、工序D、流程13、在生产过程中的适应性,也称(),就是加工制作的灵活性、可变性和可调节性。
答案:CA、硬性B、刚性C、柔性D、可调性14、基本生产部门是()对产品进行加工的部门。
答案:CA、间接B、偶尔C、直接D、辅助15在生产计划体系中,短期计划时间一般为()。
答案:BA、3个月以下B、6个月以下C、9个月以下D、1年以下16、“5S”管理源于()。
答案:BA、美国B、日本C、英国D、中国17、“5S”的终极目标是()。
生产运作管理习题集、填空题生产运营系统是由( )和()构成的。
能将一定输入转化为特定输出的有机整体。
10 .生产计划的主要指标包括()、()、()和产值指标。
11 . MRP 经历了三个发展阶段,即 MRP 、闭环 MRP 和MRP n,其中()相当于需求计算器,()为计划与控制系统,()为资源协调系统。
12 . MRP 的三项基本输入是主生产计划、 ()和(多种多样。
理的水平。
21 .设备综合管理是现代意义上的设备管理理论和管理方法。
它是在英国的(生产运营是一切社会组织将对它的()转化为()的过程。
从生产管理角度,可以将生产分成两大类: ()生产和()生产。
按工艺过程的特点,可以把制造性生产分成()生产和()生产两种。
按企业组织生产的特点,可以把加工装配式生产分成( )生产与()生产两种。
大量生产品种单一、产量( )、生产的重复程度( 单件生产品种繁多、数量( )、生产的重复程度(组织生产过程的分工原则有二:()专业化与()专业化。
组织生产过程的基本要求是:连续性、比例性、)性、()性与准时性。
13 •工程项目管理通常涉及三个主要目标: )和进度。
14 •网络图由圆圈和箭线组成,对箭线式网络图, 圆圈代表(),箭线表示(15 .一个完整的网络图,应该而且只有一个()节点和一个()节点。
16 .凡是超出增加产品()所必需的( )的物料、机器和人力资源的部分,按JIT思想,都是浪费。
17 .综观历史,质量管理的发展大体经历了质量检验、 ( )三个阶段。
18 .全面质量管理的特点可概括为“三全一多样”,即()、全面性和方法19 .一切按PDCA 办事。
即按()、检查、处理的循环进行,不断提升质量管20 .常见的直方图形状有锯齿形、双峰形、()、平顶形、偏向形和孤岛形。
这六种直方图的形状中,只有()是正常的。
)、日7.生产运营战略的核心是( )。
)的管理思想和管理实践基础上形成的。
在我国,通常称为全员设备管理。
综合练习题(一)一、单项选择题(每题1分,共15分,画横线的为正确答案)1.生产与运作管理研究对象是()a. 产品或服务的生产b.顾客的需求c.生产运作过程和生产与运作系统d.生产与运作系统2.生产运作活动的主体是()a. 各种生产设施b. 各种社会组织c. 企业法人d.企业的员工3.运作过程是一“投入-转换-产出”的过程,其实质是投入一定的()在转换过程中发生增值。
a. 原材料和零部件b. 信息、设备、资金c.劳动力d.资源4.生产运作系统的核心要素是()。
a.投入b. 生产运作过程c.产出d.服务过程5.生产运作战略属于()战略。
a.职能b.功能c.责能d.业务单位6.大量生产一般()a. 重复性小b.柔性高c.设备利用率高d. 产品品种少7.关键路线是()。
a.活动(作业)最多的路线b. 活动时间持续最长的路线c.存在时差的作业构成的路线d.成本高的作业构成的路线8.某流水线一天的有效工作时间为420分钟,要求的产量为210件,则节拍为()。
件/ 分钟 b. 2分钟/件 c. 0.5件/ 分钟 d. 分钟/件9.实现JIT生产的重要工具是()。
a.自动化机器b. 看板c.时间测定d.工作分析10. 2000版ISO9000质量标准强调()。
a.持续改进b.刺激需求c.产品d.对人的管理11.敏捷制造在人力资源上的基本思想是,在动态竞争环境中,最关键的因素是()。
a.柔性设备b.以顾客为本c.远程办公系统d.人员的核心是追求()a.零库存生产方式b.柔性生产方式c.大量产出方式方式13. 敏捷制造的目的可概括为:将()生产技术,有技术、有知识的劳动力与灵活的管理集成起来,以便快速响应市场需求。
a. 大量b. 柔性c.负荷距离法d.批量14.大量生产方式与精益生产方式的最大区别之一,可以说在于对()的开发和使用上。
a.人力资源b.设备c.库存d.物料15. ABC控制的要点是()。
a. 尽可能减少A类物资的库存b. A、B、C三类物资中,应重点管理Bc. 尽可能增加C类物资库存d. A、B、C三类物资中,应重点管理C二、多项选择题(每题2分,共20分。
生产运作管理练习题库1、_____是指可供销售的产品和工业性劳务价值,它表明了企业在计划期内预期的销售收入,应按现行价格计算。
()A. 总产值B. 净产值C. 商品产值D. 工业增加值正确:【C】2、企业在计划期内出产的可供销售的产品价值,称为( )A. 总产值B. 销售产值C. 商品产值D. 净产值正确:【C】3、工作丰富化的核心是()A. 提高员工工作效率B. 减少员工工作强度C. 体现激励因素的作用D. 提高员工工作兴趣正确:【C】4、价值工程的核心是()A. 价值B. 质量C. 功能分析D. 成本正确:【C】5、网络图中的关键线路是指()A. 网络图中持续时间最短的线路。
B. 网络图中持续时间最长的线路。
C. 网络图中资源消耗最多的活动构成的线路。
D. 网络图中活动数目最多的线路。
正确:【B】6、开展价值工程活动的关键环节是()A. 确定VE对象B. 功能定义C. 收集情报资料D. 产品功能分析正确:【D】7、制造企业中,面向生产需要的半成品与外购件库存的需求,属于()A. 独立需求B. 相关需求C. 连续需求D. 最终需求正确:【B】8、依据决策作用时间及决策内容,可将生产运作过程中的决策分为三个层次,即:()A. 生产运作战略、产品设计、生产计划B. 生产运作战略、生产计划、生产控制C. 生产运作战略、生产能力决策;生产计划D. 产品设计、生产计划、生产控制正确:【B】9、__的劳动分工理论为生产运作管理的形成奠定了重要的理论基础。
A. 弗雷德里克·泰勒B. 亚当·斯密C. 亨利·甘特D. 亨利·福特正确:【B】10、-----是指可供销售的产品和工业性劳务价值,它表明了企业在计划期内预期的销售收入,应按现行价格计算。
A. 总产值B. 净产值C. 商品产值D. 工业增加值正确:【C】11、生产周期法适用于___条件下车间之间作业计划的编制。
()A. 连续生产B. 大量生产C. 成批生产D. 单件生产正确:【D】12、项目管理的矩阵制组织形式,其优点之一是()A. 项目经理对项目拥有充足的权力B. 加强了不同职能部门间的联系C. 有利于防止本位主义D. 有利于实行统一指挥原则正确:【B】13、当企业产品品种较多,各产品的结构、工艺和劳动量构成差别较大的情况下,查定生产能力的计量单位宜采取()A. 代表产品B. 具体产品C. 假定产品D. 标准产品正确:【C】14、生产提前期是指 ( )A. 相邻两批同种制品在某车间投入或出产的时间间隔。