消防电气检测收费标准
- 格式:doc
- 大小:29.50 KB
- 文档页数:1
消防检测收费报价
消防检测收费报价表
(竣工验收)
币种:人民币
1、凡本表中所列建筑物之外的建筑,参照近似建筑物单价计算。
2、小面积项目计价为:
(1)<3000m2,价格为4000元;
(2)<1500m2,价格为2500元;
(3)<500m2,价格为1500元。
(4)上述项目面积》3000 m2时,不足4000元的,按4000元计价。
3、气体、雨淋、水幕、细水雾等特殊灭火系统按每个系统5000元计价,2个及2个以上保护区时,每增加1个,加收2000元。
4、室外装置、设施等设有消防设备时,按消防设施投资总额的3%计价。
5、钢结构防火涂料按防火涂料涂刷面积每平方米1.20元计,但每项目不低于1500元。
6、复测费按检测合同的20%/次计价。
消防检测收费报价表
(年度检测)
币种:人民币
1、凡本表中所列建筑物之外的建筑,参照其近似建筑物单价计算。
2、建筑面积小于5000平方米的建筑按每个系统800元计价,但最低不小于1500元;建筑面积小于1000平方米建筑按1500元计价。
3、气体、雨淋、水幕、细水雾等特殊灭火系统按每个系统3000元计价,2个及2个以上保护区时,每增加1个,加收1200元。
4、室外装置、设施等设有消防设备时,按消防设施投资总额的1.8%。
5、复测费按检测合同的20%/次计价。
6、面积超过10万平方米的项目,增加部分按85%计。
物价局消防电气防火检测
收费标准
Final approval draft on November 22, 2020
根据1998年4月29日第九届全国人民代表大会常务委员会第二次会议通过, 2008年10月28日第十一届全国人民代表大会常务委员会第五次会议修订, 自2009年5月1日起施行的新消防法第十六条(三)规定如下:
第十六条机关、团体、企业、事业等单位应当履行下列消防安全职责:
(一)落实消防安全责任制,制定本单位的消防安全制度、消防安全操作规程,制定灭火和应急疏散预案;(二)按照国家标准、行业标准配置消防设施、器材,设置消防安全标志,并定期组织检验、维修,确保完好有效;
(三)对建筑消防设施每年至少进行一次全面检测,确保完好有效,检测记录应当完整准确,存档备查;
(四)保障疏散通道、安全出口、消防车通道畅通,保证防火防烟分区、防火间距符合消防技术标准;
(五)组织防火检查,及时消除火灾隐患;
(六)组织进行有针对性的消防演练;
(七)法律、法规规定的其他消防安全职责。
单位的主要负责人是本单位的消防安全责任人。
消防及电气防火检测收费标准。
消防检测收费标准省消防协会:你协会《关于核准自动消防设施检测收费标准的建议》收悉。
根据《中华人民共和国价格法》、《中华人民共和国消防法》、《贵州省价格条例》和《贵州省消防条例》等有关政策规定,为规范消防技术服务机构检测收费行为。
经研究,现将规范自动消防系统、电气设施检测服务收费的有关事项通知如下:一、自动消防系统检测、电气设施消防安全检测服务收费属重要经营服务性收费,实行政府指导价。
二、具有自动消防系统检测、电气设施消防安全检测相关资质的消防技术服务机构,按照国家消防安全规范提供检测服务的,应严格按本通知规定收取检测服务费。
开展自动消防系统检测、电气设施消防安全检测的消防技术服务机构,必须与委托方签订服务协议或合同,履行协议或合同约定的检测服务项目、服务内容和收费标准,严禁强制或变相强制服务并收费。
三、自动消防系统检测服务收费范围及标准(一)设有火灾自动报警系统、自动灭火系统、防烟排烟系统等自动消防系统的(新建、改建、扩建)建设工程检测服务最高收费标准为被检测自动消防系统工程造价的2%;对初检不符合国家有关标准的自动消防系统进行第一次复检,不收取费用;再次检测的,可再收取一次检测费(直accurate grasp five big development concept of rich connotation, advocate innovation, and focused on coordination, and advocate green, and thick plant open, and advance shared, put five big development concept implementation to "xxxx xxxx" construction of specific practice in the, effective improve led economicdevelopment new normal of capacity and level. Second, we must strive to improve capacity to implement policies至检测合格),其最高收费标准为不合格单项自动消防设施造价的1.5%。
吉林省物价局关于明确电气消防安全检测和建筑消防
设施检测收费标准的通知
文章属性
•【制定机关】吉林省物价局
•【公布日期】2003.03.12
•【字号】吉省价经字[2003]6号
•【施行日期】2003.03.12
•【效力等级】地方规范性文件
•【时效性】现行有效
•【主题分类】城乡建设综合规定
正文
吉林省物价局关于明确电气消防安全检测和建筑消防
设施检测收费标准的通知
(吉省价经字[2003]6号2003年3月12日)
各市、州物价局、省内各电气消防安全检测企业、建筑消防设施检测企业:根据国家有关规定并经有关部门批准,省内一些企业陆续开展了电气消防安全检测和建筑消防设施检测业务。
为建立公平公开、竞争有序的市场环境,经研究,现将有关收费问题明确如下:
一、经批准合法经营的有关企业在开展业务时要坚持平等自愿的原则,签订有关服务协议,受用户委托提供有偿服务。
二、有关企业开展业务时暂按本文件规定的收费标准执行。
该收费标准为最高收费标准,实际执行中双方可协商下浮执行。
三、有关企业在收费前应根据属地管理的原则,到当地物价部门办理《经营性收费许可证》后方可收费。
同时要搞好明码标价,严格按检测规范服务,保证服务质量。
附件:一、电气消防安全检测收费标准
二、电气消防安全检测服务内容
三、建筑消防设施检测收费标准说明:上述三附件(略)。
省物价局关于建筑固定消防设施电气消防设施安全检测收费标准的通知各市、州、县(区)物价局:为规范建筑固定消防设施、电气消防设施安全检测服务收费行为,促进消防事业的发展,保障国家和人民生命财产安全,根据《中华人民共和国消防法》、《湖北省经营性服务收费价格管理办法》(省政府第108号令)有关规定,现制定建筑固定消防设施、电气消防设施安全检测服务收费标准,并就有关事项通知如下:一、电气消防设施安全检测服务收费标准电气消防设施安全检测是指对建筑物电气设施和对变(发)配电等设备进行检测。
(一)对建筑物电气设施检测按建筑面积分类收费,收费标准为:1、歌舞剧院、夜总会、游戏厅及类似娱乐场所和易燃易爆化学物品场所,按建筑面积每平方米2元收取;2、宾馆、饭店、商场、写字楼、集贸市场、及类似场所按建筑面积每平方米1.5元收取;3、其它场所按建筑面积每平方米1元收取(私人住宅减半收取)。
除私人住宅按实际建筑面积计算外,其它被检项目建筑面积不足300平方米的按300平方米计收。
(二)对变(发)配电等设备,按检测内容分项目收费,其检测项目和收费标准见附表(附表未列项目的收费由委托双方协商确定)。
(三)静电接地装置(不含避雷针)测试费的,按每支次60元收取。
(四)对变(发)配电等设备进行检测时,同一检测项目收取了测试费的,不得收取检测费。
(五)各种电气消防系统的全项检测按80%收取。
二、建筑固定消防设施安全检测服务收费标准建筑固定消防设施安全检测是指对按照国家有关规定设有的建筑固定消防设施进行检测,检测的主要内容为消防给水和自动灭火系统;防烟、排烟和通气、空调系统的防火设计;消防电源及其配电;灭火应急照明、应急广播和疏散指示标志;灭火自动报警系统和消防控制室等。
建筑固定消防设施安全检测服务费按照建筑消防设施投资总造价,采取差额定率累进法分档计取,收费标准见下表:建筑消防设施投资总造价(万元)分档费率(%)100(含100)以下部分 1.5100-200(含200)部分 1.2200-400(含400)部分 1.1400-600(含600)部分 1.0600以上部分 0.8三、消防安全检测一次不合格的,重新检测时不得收费。
山西省物价局关于电气消防安全检测服务收费标准及有关问题的通知晋价房字〔2001〕202号省公安厅消防局、各市(地)物价局:根据《中介服务收费管理办法》(晋价费字[2000]第63号)和《山西省消防管理条例》有关规定,现将修订后的电气消防安全检测服务正式收费标准及有关问题通知如下:一、电气消防安全检测机构必须具有独立的法人资格,实行独立核算,依法承担法律责任,并配备高素质的专业技术人员和相应的检测设备,同时要取得山西省公安厅消防局核发的《山西省电气消防安全检测许可证》。
二、电气消防安全检测服务收费属中介服务收费,必须坚持自愿委托,有偿服务的原则,不委托的不得强制检测收费。
承托双方要预先签订委托协议或合同,约定服务内容、收费标准、付费方式等有关事项。
三、电气消防安全技术检测范围,是指本省境内消防安全有要求的变配电装置、低压配电线路、电气照明装置、电气开关、电气动力设施、电缆及接地防雷装置等设施。
四、电气消防安全技术检测按以下标准收费:1、歌舞厅、影剧院、卡拉OK厅、夜总会、营业性保龄球馆等娱乐场所按每建筑平方米1.80元计收。
2、宾馆、饭店、商场、集贸市场、营业性办公楼(写字楼)等类似场所和电厂按每建筑平方米1.50元计收。
3、党政机关办公楼及国家兴办的学校、幼儿园、医院、养老院、民政福利等单位的办公设施按每建筑平方米0.50元计收,营业性设施执行相应收费标准。
4、加油站每台次按400元计收,石油库每罐次按450元计收。
5、其它场所按每建筑平方米1.00元计收。
五、因检测机构的责任,需要复检的,或因出具的检测报告有误需要更正的,不得再次收费。
六、本通知规定的服务收费标准为最高限价,在执行中承托双方可根据检测项目的多少、技术难易程度等情况协商议定具体收费标准。
七、承担电气消防安全技术检测的机构,应完善检测手段和检测规程,严格按照有关法律法规和消防技术规范进行技术检测,并按规定提交检测报告。
检测机构对其出具的检测报告的真实性承担法律责任。
消防检测收费标准
一、基本收费项目。
1. 消防设施初次检测收费标准:
(1)建筑面积在1000平方米以下的单位,收费标准为每平方米0.5元;
(2)建筑面积在1000平方米以上的单位,收费标准为每平方米0.3元。
2. 消防设施定期检测收费标准:
(1)建筑面积在1000平方米以下的单位,收费标准为每平方米0.3元;
(2)建筑面积在1000平方米以上的单位,收费标准为每平方米0.2元。
3. 消防设施临时检测收费标准:
(1)建筑面积在1000平方米以下的单位,收费标准为每次500元;
(2)建筑面积在1000平方米以上的单位,收费标准为每次800元。
二、附加收费项目。
1. 特殊设备检测收费:
对于特殊设备的检测,按照设备种类和规模进行收费,具体收费标准另行制定。
2. 特殊服务加收费:
对于需要提供特殊服务的单位,如夜间检测、紧急检测等,按照服务内容和时段进行额外收费,具体收费标准另行协商。
三、收费说明。
1. 收费标准中所涉及的面积指建筑物实际使用面积,不包括公共区域和未使用
区域。
2. 收费标准中所述的特殊设备指的是非常规消防设备,如高空救援设备、特种
灭火器等。
3. 收费标准中所述的特殊服务包括但不限于夜间检测、紧急检测、特殊设备检
测等。
4. 收费标准中的收费项目和金额均为参考标准,具体收费标准可根据实际情况
进行调整。
综上所述,我司对消防检测收费标准进行了明确规定,以确保检测服务的公平
公正,同时也希望各单位能够配合并遵守相关规定,共同维护良好的消防安全环境。
消电检收费说明
一、厂区设备多,设备承载物料不同,装置大小不一,甲类防
火区域多,区域面积计算复杂,同时有办公设施、设备、附属场地,高位设施区域收费计算方法与一般危险区域计算方法不能统一,经协商按基本核定装置标准计算比较合理。
二、装置单个附属罐不另行计算收费。
三、厂区内罐区,由于容积和物料不同均采用罐容积综合计算
收费。
四、收费项目表:
北京电气消防安全检测收费规定
根据北京市消防局1996年消办字(1996)135号文件中的规定,对本市电力用户及消防监督部门认定需要进行电气安全检测的单位进行电气安全技术检测,其收费标准如下:
1、对新建、改建、扩建及新装修工程验收
1)住宅、医院、学校 1.5元/m²
2)宾馆、写字楼、商场 2.5元/m²
3)餐饮、娱乐场所、合资企业 3.5元/ m²
4)工矿企业用于生产性质建筑 5.5元/m²
5)工矿企业生产装置 7.5元/m²
2、对经过验收且已运行超过一年以上单位年检按以上收费标准的70%加收检测费用。
物价局消防电气防火检
测收费标准
Company Document number:WUUT-WUUY-WBBGB-BWYTT-1982GT
根据1998年4月29日第九届全国人民代表大会常务委员会第二次会议通过, 2008年10月28日第十一届全国人民代表大会常务委员会第五次会议修订, 自2009年5月1日起施行的新消防法第十六条(三)规定如下:
第十六条机关、团体、企业、事业等单位应当履行下列消防安全职责:
(一)落实消防安全责任制,制定本单位的消防安全制度、消防安全操作规程,制定灭火和应急疏散预案;
(二)按照国家标准、行业标准配置消防设施、器材,设置消防安全标志,并定期组织检验、维修,确保完好有效;
(三)对建筑消防设施每年至少进行一次全面检测,确保完好有效,检测记录应当完整准确,存档备查;
(四)保障疏散通道、安全出口、消防车通道畅通,保证防火防烟分区、防火间距符合消防技术标准;
(五)组织防火检查,及时消除火灾隐患;
(六)组织进行有针对性的消防演练;
(七)法律、法规规定的其他消防安全职责。
单位的主要负责人是本单位的消防安全责任人。
消防及电气防火检测收费标准。
电气消防安全检测收费标准电气消防安全检测收费配套项目与标准
I单项检测报价
1、电气消防安全检测:2。
2元/米2;
2、建筑消防设施检测:2 元/米2;
3、防雷设施安全检测:1。
5元/米2;
II综合检测报价
1、电气消防安全检测建筑消防设施检测:3。
5元/米2;
2、电气消防安全检测防雷设施检测:3元/米2;
3、建筑消防设施检测防雷设施检测:3元/米2;
4、电气消防检测消防设施检测防雷设施检测:5元/米2
III工业生产线安全检测报价:130元/小时。
IV防暴风防暴雨设施、抗洪能力及地下管道的检测:130/小时. V 防灾安全检测项目部分检测报价:130/小时。
附:电气消防检测分类收费价目表。
湖北省物价局文件鄂价房服[2010]76号省物价局关于建筑固定消防设施电气消防设施安全检测收费标准的通知各市、州、县(区)物价局:为规范建筑固定消防设施、电气消防设施安全检测服务收费行为,促进消防事业的发展,保障国家和人民生命财产安全,根据《中华人民共和国消防法》、《湖北省经营性服务收费价格管理办法》(省政府第108号令)有关规定,现制定建筑固定消防设施、电气消防设施安全检测服务收费标准,并就有关事项通知如下:一、电气消防设施安全检测服务收费标准电气消防设施安全检测是指对建筑物电气设施和对变(发)配电等设备进行检测。
(一)对建筑物电气设施检测按建筑面积分类收费,收费标准为:1、歌舞剧院、夜总会、游戏厅及类似娱乐场所和易燃易爆化学物品场所,按建筑面积每平方2元收取;2、宾馆、饭店、商场、写字楼、集贸市场、及类似场所按建筑面积每平方米1.5元收取;3、其它场所按建筑面积每平方米1元收取(私人住宅减半收取)。
除私人住宅按实际建筑面积计算外,其它被检项目建筑面积不足300平方米的按300平方米计收。
(二)对变(发)配电等设备,按检测内容分项目收费,其检测项目和收费标准见附表(附表未列项目的收费由委托双方协商确定)。
(三)静电接地装置(不含避雷针)测试费的,按每支次60元收取。
(四)对变(发)配电等设备进行检测时,同一检测项目收取了测试费的,不得收取检测费。
(五)各种电气消防系统的全项检测按80%收取。
二、建筑固定消防设施安全检测服务收费标准建筑固定消防设施安全检测是指对按照国家有关规定设有的建筑固定消防设施进行检测,检测的主要内容为消防给水和自动灭火系统;防烟、排烟和通气、空调系统的防火设计;消防电源及其配电;灭火应急照明、应急广播和疏散指示标志;灭火自动报警系统和消防控制室等。
建筑固定消防设施安全检测服务费按照建筑消防设施投资总造价,采取差额定率累进法分档计取,收费标准见下表:建筑消防设施投资总造价(万元)分档费率(%)100(含100)以下部分 1.5100 - 200(含200)部分 1.2200 - 400(含400)部分 1.1400 - 600(含600)部分 1.0600 以上部分 0.8三、消防安全检测一次不合格的,重新检测时不得收费四、实施消防安全检测收费行为中的相关规定事项1、消防安全检测服务机构必须具有独立法人资格,配备相应的专业技术人员和检测设备,并取得湖北省技术监督局核发的《资质认定计量认证证书》,国家有关部分有新规定后,按新规定执行。
对于如今的建筑来说,消防安全问题除了对设施进行检测,电气部分的检测也很重要,法规对建筑固定消防设施、电气消防设施安全检测服务收费制定相关标准,从而促进消防事业的发展,保障国家和人民生命财产安全。
电气消防设施安全检测服务收费标准:电气消防设施安全检测是指对建筑物电气设施和对变(发)配电等设备进行检测。
(一)对建筑物电气设施检测按建筑面积分类收费,收费标准为:1、歌舞剧院、夜总会、游戏厅及类似娱乐场所和易燃易爆化学物品场所,按建筑面积每平方米2元收取;2、宾馆、饭店、商场、写字楼、集贸市场、及类似场所按建筑面积每平方米1.5元收取;3、其它场所按建筑面积每平方米1元收取(私人住宅减半收取)。
除私人住宅按实际建筑面积计算外,其它被检项目建筑面积不足300平方米的按300平方米计收。
(二)对变(发)配电等设备,按检测内容分项目收费,未列项目的收费由委托双方协商确定。
(三)静电接地装置(不含避雷针)测试费的,按每支次60元收取。
(四)对变(发)配电等设备进行检测时,同一检测项目收取了测试费的,不得收取检测费。
(五)各种电气消防系统的全项检测按80%收取。
二、建筑固定消防设施安全检测服务收费标准建筑固定消防设施安全检测是指对按照国家有关规定设有的建筑固定消防设施进行检测,检测的主要内容为消防给水和自动灭火系统;防烟、排烟和通气、空调系统的防火设计;消防电源及其配电;灭火应急照明、应急广播和疏散指示标志;灭火自动报警系统和消防控制室等。
建筑固定消防设施安全检测服务费按照建筑消防设施投资总造价,采取差额定率累进法分档计取,收费标准如下:建筑消防设施投资总造价(万元)分档费率(%)100(含100)以下部分1.5 100-200(含200)部分1.2 200-400(含400)部分1.1 400-600(含600)部分1.0 600以上部分0.8三、消防安全检测一次不合格的,重新检测时不得收费。
四、实施消防安全检测收费行为中的相关规定事项1、消防安全检测服务机构必须具有独立法人资格,配备相应的专业技术人员和检测设备,并取得省技术监督局核发的《资质认定计量认证证书》,国家有关部门有新规定后,按新规定执行。
湖北省物价局关于建筑固定消防设施电气消防设施安全检测收费标准的通知【发布部门】湖北省物价局【发布日期】2010-03-29【时效性】有效【效力级别】地方其他规范性文件(2010年3月29日湖北省物价局公布)各市、州、县(区)物价局:为规范建筑固定消防设施、电气消防设施安全检测服务收费行为,促进消防事业的发展,保障国家和人民生命财产安全,根据《中华人民共和国消防法》、《湖北省经营性服务收费价格管理办法》(省政府第108号令)有关规定,现制定建筑固定消防设施、电气消防设施安全检测服务收费标准,并就有关事项通知如下:一、电气消防设施安全检测服务收费标准电气消防设施安全检测是指对建筑物电气设施和对变(发)配电等设备进行检测。
(一)对建筑物电气设施检测按建筑面积分类收费,收费标准为:1、歌舞剧院、夜总会、游戏厅及类似娱乐场所和易燃易爆化学物品场所,按建筑面积每平方米2元收取;2、宾馆、饭店、商场、写字楼、集贸市场、及类似场所按建筑面积每平方米1.5元收取;3、其它场所按建筑面积每平方米1元收取(私人住宅减半收取)。
除私人住宅按实际建筑面积计算外,其它被检项目建筑面积不足300平方米的按300平方米计收。
(二)对变(发)配电等设备,按检测内容分项目收费,其检测项目和收费标准见附表(附表未列项目的收费由委托双方协商确定)。
(三)静电接地装置(不含避雷针)测试费的,按每支次60元收取。
(四)对变(发)配电等设备进行检测时,同一检测项目收取了测试费的,不得收取检测费。
(五)各种电气消防系统的全项检测按80%收取。
二、建筑固定消防设施安全检测服务收费标准建筑固定消防设施安全检测是指对按照国家有关规定设有的建筑固定消防设施进行检测,检测的主要内容为消防给水和自动灭火系统;防烟、排烟和通气、空调系统的防火设计;消防电源及其配电;灭火应急照明、应急广播和疏散指示标志;灭火自动报警系统和消防控制室等。
建筑固定消防设施安全检测服务费按照建筑消防设施投资总造价,采取差额定率累进法分档计取,收费标准见下表:建筑消防设施投资总造价(万元)分档费率(%)100(含100)以下部分 1.5100-200(含200)部分 1.2200-400(含400)部分 1.1400-600(含600)部分 1.0600以上部分0.8三、消防安全检测一次不合格的,重新检测时不得收费。
消电检报价(总1页) -CAL-FENGHAI.-(YICAI)-Company One1
-CAL-本页仅作为文档封面,使用请直接删除
消防设施检测报价单
参照北京市消防局文件消办字(1996)135号令《北京市开展电气消防安全技术检测管理的实施办法》,及北京市物价局文件京(收)字[2001]419号《关于电气防火检测收费标准转正式收费标准的函》的单项消防设施检测收费标准为:1.50元每平米。
1、我公司检测人员都是经北京市消防协会专业培训,检测队长具有10年检测经验,保证能细致全面的检测出现场火灾隐患。
2、我公司出具的检测报告是北京市消防协会认可的,并且是作为北京消防局针对现场检查的重要依据。
北京中消长城消防安全技术有限公司
2015年06月29日
2。
消防设施检测收费标准电气设施消防安全检测服务收费标准根据实际检测场所的建筑面积而定。
具体收费标准如下:1.网吧(包括咖啡厅、棋社等休闲场所)、歌舞厅、卡拉OK厅、夜总会、茶馆、桑那浴等高档洗浴场所,收费标准为1.8元/平方米;2.宾馆、饭店、商场、影剧院、健身房、保龄球馆、高层综合楼、写字楼、通信枢纽、广播电视楼、铁路、港航调度中心等场所,收费标准为15元/平方米;3.幼儿园、老年公寓、福利院等场所,收费标准为10元/平方米;4.其他场所,固定收费1200元;5.检测收费金额低于200元时,按200元收取;6.对于一个月内整改并复检合格的,不收取复检费用;三个月内整改并复检合格的,复检收费标准为上述标准的30%,仅限一次。
建筑自动消防设施检测收费标准如下:1.火灾自动报警和消防联动控制系统的外观检查收费标准为2.4元/只;2.火灾自动报警和消防联动控制系统的系统布线检查收费标准为2.4元/台;3.其他检查项目的收费标准详见表格;4.对于一个月内整改并复检合格的,不收取复检费用;三个月内整改并复检合格的,复检收费标准为上述标准的30%,仅限一次。
The following is a list of quality ___:1.n of ___ n lines。
conduit n。
and fire water tank water level indicators2.n of ___3.n of ___4.n of ___ alarm valve systems5.n of ___6.n of ___ quality of water flow indicators7.n of ___ alarm valve control nozzles8.n of ___9.n of ___10.n of ___11.n of the n quality of pipeline supports and hangers12.___13.n of the size of spray ___ to the building structure14.___15.n of ___16.n of ___ quality of automatic control indoor fire hydrants17.n of ___18.n of the n quality。
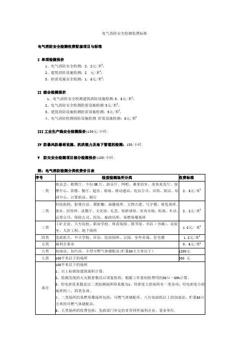
电气消防安全检测收费配套项目与标准
I单项检测报价
1 、电气消防安全检测:22元/米2;
2 、建筑消防设施检测:2元/米2;
3 、防雷设施安全检测:1.5元/米2;
II综合检测报价
1 、电气消防安全检测建筑消防设施检测: 3.5元/米2;
2 、电气消防安全检测防雷设施检测:3元/米2;
3 、建筑消防设施检测防雷设施检测:3元/米2;
4 、电气消防检测消防设施检测防雷设施检测:5元/米2
III工业生产线安全检测报价:130元/小时。
IV防暴风防暴雨设施、抗洪能力及地下管道的检测:130/小时V防灾安全检测项目部分检测报价:130/小时。
附:电气消防检测分类收费价目表。