习题及答案7
- 格式:doc
- 大小:21.00 KB
- 文档页数:5
口腔修复学习题及答案(A1型题7)一、A1型题:每一道考试题下面有A、B、C、D、E五个备选答案。
请从中选择一个最佳答案,并在答题卡上将相应题号的相应字母所属的方框涂黑。
1.桩冠根管预备时,一般要求根尖部保留的根管充填材料长度是A.0.5~1mmB.1~2mmC.2~3mmD.3~5mmE.无具体要求正确答案:D2.关于3/4冠邻面预备叙述不正确的是A.预备出足够间隙,消除倒凹B.要求两邻面在切龈方向平行或稍聚合2~5度C.预备的间隙一般不少于0.5mmD.龈边缘位置尽可能位于龈下E.唇侧边界止于自洁区正确答案:D3.健康成人牙槽嵴顶端位置A.位于釉牙骨质交界根尖方向1.5mm左右B.位于釉牙骨质交界根尖方向2.0~3.0mmC.位于釉牙骨质交界冠方向1.5mm左右D.位于牙颈部E.位于釉牙骨质交界处正确答案:A4.桩冠修复时理想的冠桩直径应为根径的A.1/4B.1/3C.1/2D.2/3E.3/4正确答案:B5.与普通桩冠相比,下列哪项是核冠型烤瓷桩冠的优点之一A.美观www.EB.强度好C.制作简便D.作固定桥固位体时易形成共同就位道E.固位好正确答案:D6.下列哪项不是嵌体基牙预备的基本要求A.洞深应在2mm以上B.各轴壁应彼此平行或向牙合面外展2°~5°C.轴壁与窝洞底部之间有倒凹固位D.邻合嵌体应做鸠尾固位形E.洞缘要做斜面预备正确答案:C7.全冠永久黏固后脱落,其主要原因除了A.基牙合龈距过短B.咬合侧向力过大C.修复体不密合D.基牙有牙周病E.黏固操作不当正确答案:D8.固定修复体设计龈上边缘的主要优点是A.牙周刺激小B.美观C.边缘密合D.不易菌斑附着E.以上都不是正确答案:A9.下列固定修复体龈边缘形态中密合度最差的是A.刃状B.90°肩台C.90°肩台加斜面D.凹面E.135°肩台加斜面正确答案:B10.嵌体不宜用作固定桥的固位体,主要原因是A.外形线较长,易龋坏B.磨除牙体组织多C.容易穿髓D.固位力差E.基牙牙尖易折裂正确答案:D11.关于黏结固定桥,下列叙述哪项是错误的A.牙体组织磨切量少B.牙髓损伤小C.直接利用黏结剂黏固于基牙上D.固位主要依靠摩擦力E.试戴时操作比较麻烦正确答案:D12.桥体龈面与黏膜关系中,除哪一项外都是重要的A.尽可能减少接触面积B.桥体龈端高度抛光C.桥体有足够的机械强度D.与黏膜良好接触,不过紧压迫黏膜E.颈缘线与邻牙一致正确答案:C13.双端固定桥的一端基牙受到垂直向外力时,固定桥将会产生旋转移动,其旋转中心位于A.基牙根上1/3和中1/3交界处B.基牙根中1/3和尖1/3交界处C.基牙根上1/3D.基牙根尖1/3E.两基牙间的缺牙区牙槽骨内正确答案:E14.单根牙的牙周膜附着面积最大的部位是A.根颈1/3B.根颈1/3与根中1/3之间C.根中1/3D.根中1/3与根尖1/3之间E.根尖1/3正确答案:A15.影响固定桥受力时近远中方向移位的因素A.固位体固位力大小B.桥体的长度C.受力是否平衡D.基牙是否稳固E.以上均是正确答案:E16.瓷全冠肩台厚度A.0.5mmB.0.75mmC.1.0mmD.1.25mmE.1.5mm正确答案:C17.当余留牙倾斜超过30°时不宜选作固定桥的基牙,主要因为A.受力后基牙的倾斜度加大B.桥体易弯曲变形C.不能承担合力D.合力不能通过基牙的长轴传导E.磨去牙体组织太多正确答案:D18.悬空式桥体龈面与黏膜之间留有至少3mm以上的间隙,主要是因为A.便于食物易通过,有自洁作用B.不刺激和压迫牙龈组织C.制作简单D.患者感觉舒适E.便于食物对牙龈按摩正确答案:A19.通常前牙金属烤瓷冠舌面龈边缘的最佳选择是A.龈上凹形边缘B.龈下凹形边缘C.龈上肩台边缘D.龈下肩台边缘E.平龈边缘正确答案:A来源:考试大网20.哪种方法不能减轻桥体所承受的合力A.减小桥体颊舌径宽度B.牙合面的舌侧边缘嵴处添加副沟、加深颊舌沟C.加厚桥体金属层D.扩大桥体与固位体之间舌外展隙E.降低非功能尖斜度正确答案:C21.多根牙的牙周膜附着面积最大的部位是A.根颈1/3B.根分叉处C.根中1/3D.根尖1/3E.以上均是正确答案:B22.双端固定桥一端基牙受到颊向力时A.牙冠向颊侧移动B.形成一类杠杆作用C.固定桥整体旋转运动D.另端基牙向舌侧移位E.以上均是正确答案:E23.以下哪项不是天然牙冠表面的自洁区A.合面B.颊面C.舌面D.外展隙E.邻接区正确答案:E24.固定义齿修复的适宜年龄是A.20岁以前B.20~30岁C.20~40岁D.20~50岁E.20~60岁正确答案:E25.瓷全冠肩台预备要求A.基牙唇、邻、舌面磨成90°肩台B.基牙唇、邻、舌面磨成135°肩台C.基牙唇、邻、舌面磨成带斜面的凹形肩台D.基牙唇、邻、舌面磨成羽边E.基牙唇面备成90°肩台,邻、舌面磨成羽边正确答案:A26.固定义齿黏固不久,患者感到胀痛不适其主要原因是A.咬合早接触B.基牙负担过重C.桥体龈端接触过紧D.邻接过紧E.黏固粉未去尽正确答案:D27.下列哪项不是固定义齿的缺点A.合力由桥基牙分担承受B.患者不能摘下义齿予以清洁C.对桥基牙的牙体组织切割量大D.修理不便E.适用范围较小正确答案:A28.临床设计半固定桥目的主要是为了A.减轻弱端基牙合力B.解决基牙倾斜度大C.获得共同就位道D.咬合过紧E.以上均是正确答案:C29.下列哪项不是减小桥体挠曲变形的措施A.选用机械强度高的桥体材料B.加厚桥体金属层C.延长桥体长度D.桥体结构形态“工”形“T”形“▽”形E.减轻桥体所受合力正确答案:C30.关于桥体轴面下列哪项是错误的A.恢复唇颊的外形凸度B.恢复邻间隙形态C.减少唇颊侧龈端接触面积D.唇颊侧颈缘线的位置与邻牙协调E.恢复舌腭侧的外形凸度正确答案:C31.关于人造冠调合的叙述,不正确的是A.可适当磨改对颌牙B.原则上在人造冠进行C.侧合和前伸时无早接触,实现组牙功能和尖牙保护D.与全口义齿调合无差别E.采用咬合检查和患者主诉相结合的方法正确答案:D32.下列哪项不是固定义齿的特点A.合力由桥基牙承担B.咀嚼效率高C.异物感小D.适应症广考试大(www.Examda。
第7章习题及参考答案7.1 命名下列化合物。
OH OHOHO CH 3CH 3PhCHCH 2CH 2CH 3OHC 2H 5OCH 2CH 2O C 2H 5(7)(8)(9)(10)CH 3OHNO 2OCH 2OHCH 3OCH 2CH 3CH 3CH 3H O HO CH 3(11)(12)(13)(14)解:(1) 4-丙基-4-庚醇 (2) 2-甲基-3-戊炔-2-醇(3) 3-氯-2-溴-1-丁醇 (4) (E )-2,3-二甲基-4-溴-2-戊烯-1-醇 (5) (2R ,3R )-3-甲基-4-戊烯-2-醇 (6) (E )-2-丁烯-1,4-二醇 (7) 4-环戊烯-1,3-二醇 (8) 3-甲基-5-甲氧基苯酚 (9) 1-苯基-1-丁醇 (10) 乙二醇二乙醚 (11) 2-硝基-1-萘酚 (12) 4-甲氧基环己基甲醇 (13) 1,2-环氧丁烷 (14) (2S ,3R )-2,3-二甲氧基丁烷7.2 写出下列化合物的结构式。
(1) 3,3-二甲基环戊醇 (2) 肉桂醇(3) 环戊基叔丁基醚 (4) 3-环己烯基异丙基醚 (5) 顺-1,2-环己二醇 (6) 2,3-二巯基-1-丙醇 (7) 4-丁基-1,3-苯二酚 (8) 二苯并-18-冠-6 解:CH CHCH 2OHOHC H 3CH 3(1)(2)OOC(CH 3)3CH(CH 3)2(3)(4)SHSHOH OHCH 2CH CHOH(5)(6)OHOHC(CH 3)3O OOOO O (7)(8)7.3 将下列化合物按沸点降低的顺序排列成序。
(1)丙三醇,乙二醇二甲醚,乙二醇,乙二醇单甲醚 (2)3-己醇,正己醇,正辛醇,2-甲基-2-戊醇解:(1)丙三醇>乙二醇>乙二醇单甲醚>乙二醇二甲醚 (2)正辛醇>正己醇>3-己醇>2-甲基-2-戊醇7.4 将下列各组化合物按与卢卡斯试剂作用的速率快慢排列成序。
第七章1.北京甲公司与河北乙公司签订一份专利转让合同,合同约定:“因本合同发生的争议交石家庄仲裁委员会进行仲裁。
”合同履行过程中发生争议,甲公司向石家庄仲裁委员会申请仲裁,乙公司则向甲公司所在地的北京市海淀区人民法院提起诉讼。
该法院立案受理后,甲公司对该院的受理提出异议。
这种情况下,该法院应如何处理?()A.裁定驳回起诉B.裁定不予受理C.裁定本院具有管辖权D.裁定异议成立,移送有管辖权的仲裁机关受理2.上题中,对乙公司的起诉,甲公司没有向受诉法院提出异议。
开庭审理后,甲公司败诉几成定局,于是甲公司向法院提交了双方达成的仲裁协议。
法院审查后认为该仲裁协议本身有效,此时应如何处理?()A.继续审理B.判决该仲裁协议无效C.裁定驳回起诉D.依仲裁协议将案件移交有关仲裁委员会审理3.1996年3月,家住B市海河区的郑某向陈某居住所在地的B市丹阳区人民法院起诉,要求返还借款1万元。
丹阳区人民法院受理了此案。
1996年4月,经政府正式批准,陈某住所所属的街道划归B市正义区。
而在1996年5月,陈某的居所又迁至B市夏浦区,并在该区落入户口。
在此情况下,郑某诉陈某还款一案应由哪一法院审理?()A.由B市丹阳区法院将案件移送到B市正义区法院B.由B市丹阳区法院继续审理C.由B市丹阳区法院将案件移送到B市夏浦区法院D.由B市丹阳区法院将案件报送B市中级人民法院指定管辖4.李平(女)与王坚(男)二人于1993年在A市甲区某街道办事处登记结婚,婚后二人一直居住在B市乙区。
1997年李平与王坚因在C市从事假烟生产被公安机关查获,C市丙区人民法院于同年12月以生产假冒产品罪判处李平与王坚有期徒刑5年。
判决生效后李平与王坚被关押在位于C市丁区的监狱。
2000年5月,李平拟向法院起诉离婚,请问下列哪个法院对本案有管辖权?()A.A市甲区法院B.B市乙区法院C.C市丙区法院D.C市丁区法院5.张某和薛某均为甲市人,双方在乙市登记结婚,后薛某在丙市被判处有期徒刑3年,薛某服刑1年后张某将户口迁至丁市,欲起诉尚在服刑的薛某离婚,对此案哪地法院有管辖权?()A.甲市B.乙市C.丙市D.丁市6.根据我国《民事诉讼法》的规定,下列哪一法院对因共同海损而提起的诉讼无管辖权?()百度文库木瓜空间------ 百度用户名CHALINGHUANXIA.船舶最先到达地的人民法院B.被告所在地的人民法院C.共同海损理算地的人民法院D.航程终止地人民法院7.海淀区苏某与朝阳区赵某订立的借款合同,约定赵某应于2002年4月还款1万元,但是赵某借口没钱逾期不还。
客户关系管理第七章习题及答案第七章练习题⼀、选择题:1.在数据仓库中,所有数据都是围绕⼀定的进⾏组织的A 主题B 主键C 外键D 视图2.对于DSS,是⾮常重要的A 最新数据B 历史数据C 分析数据D 多媒体数据3. 是从外部数据中收据数据,它是数据仓库中数据综合的⼀种类型A 数据提取B 数据清洗C 数据抽取D 数据切割4. 是关于数据的数据A 外部数据B 内部数据C 元数据D 纯数据5.数据粒度有两种形式,其中⼀种形式的数据粒度是⾯向的A OLTPB CRMC OLAPD ERP6. 数据集市的数据直接来源于中央数据仓库A 独⽴的B 依赖的C 内部的D 中央的7.数据仓库的是具有层次性的A 主键8.由各维度的取值和变量值构成A 维成员B 维C 事实D 索引9. 技术的核⼼是多维分析A OLAPB CRMC OLTPD ERP10.三种多维数据模型中,最为流⾏A 星型模型B 雪花型模型C 星座模型D ⽹型模型11.由于的应⽤,数据需要定期的从数据仓库中导⼊多维数据库中A OLAPB OLTPC CRMD ERP12.由类和类之间的关系构成的模型称为A 关系模型B 类模型C ER模型D 对象模型13. 的设计是数据仓库模型设计的第⼀步A 部门模型B 类模型C 企业模型D 对象模型14. 的选取是模型设计中极为重要的⼀部分A 主题15.⽆论数据仓库以怎样的数据模型组织数据,最终还是以各种来完成的A 表空间B 类C 变量D 表16.在中,只有⼀个事实表,每个维表都与事实表直接连接A 星型模型B 雪花型模型C 星座模型D ⽹型模型17. 中的数据是最丰富的、最详细的A 事实数据库B 关系数据库C ⾼级数据库D 数据仓库18.数据挖掘的基础是A OLAPB OLTPC ⼈⼯智能D 数据仓库19.对⼀组数据的集合分组成为有类似的对象组成的多个类的过程称为A 分类B 汇集C 类分析D 聚类20. 也常常作为数据挖掘的第⼀部,对数据进⾏预处理A 分类分析B 关联分析C 聚类分析D 孤⽴点分析⼆、填空1.数据仓库(data warehouse)是⼀个⾯向主题的(subject oriented)、集成的(integrated)、⾮易失的(non-volatile)、随时间变化的(time variant)数据集合,⽤于。
习题7-11.选择题(1)设总体X 的均值口与方差 /都存在但未知,而X 1,X 2,L ,X n 为来自X 的样本,则均值 口与方差 (T 2的矩估计量分别是 ().(A) X 和(B)1 nX 和—(Xn i 1i )2.(C)口和 2(T・1 (D) X 和一 nn(X ii 1 x)2.解 选(D).(2) 设X : U[0,],其中 e >0为未知参数,又X ,,X 2,L ,X n 为来自总体X 的样本 ,则e 的矩估计量是().(A) X . (B)2X . (C)max{X i }.(D)mi^X i}.解选(B).2.设总体X 其中0v B v 为未知参数,X1, X 2,…,X.为来自总体X 的样本,试求e 的矩 估计量.解 因为 E (X )=(- 2)x3 e +1x (1 -4 e )+5x e =1-5 e ,令 1 5 X 得到的矩估计量为3.设总体X 的概率密度为f(x ;)(1)x ,0 x 1,0,其它•其中 0> -1是未知参数,X ,冷… ,X n 是来自 X 的容量为n 的简单随机样本求:(1) 的矩估计量;⑵ 0的极大似然估计量•解 总体X 的数学期望为-19 2X 1令E(X) X ,即一1 X,得参数B 的矩估计量为?•21 X设X 1, X 2,…,x n 是相应于样本X 1, X 2,…,X n 的一组观测值,则似然函 数为n(1)n X i , 0x i 1,i 10,其它.In xi 1In X ii 14.设总体X 服从参数为的指数分布,即X 的概率密度为E(X)1xf(x)dx o (1)x dx当 0<X i <1(i =1,2,3,…,n )时,L >0 且 In L nln(1)In X i ,i 1dln LnIn x =0,得0的极大似然估计值为而0的极大似然估计量为f(X,xe , x 0,其中0为未知参数,X, X2,)0, x< 0,…,X n为来自总体X的样本,试求未知参数的矩估计量与极大似然估计量解因为E(X)= 1= X , 所以的矩估计量为设X1, X2,…,x n是相应于样本X i, X2,…,X 的一组观测值,则似然函数取对数Xii 1然估计量为In L 0,得5.设总体X的概率密度为f (x,) 其中(0< <1)是未知参数.X, N为样本值x1, X2,L ,x n中小于极大似然估计量•解⑴ X E(X) xnInnXn e 11X).的极大似然估计值为1,的极大似X0,X2,0x1,, 1< x< 2,其它,…,X n为来自总体的简单随机样本,记1的个数.dx 2x(1求:(1)e的矩估计量;(2)e的3 3 —)dx ,所以矩一X .2 21⑵ 设样本X ,X 2 ,L X n 按照从小到大为序(即顺序统计量的观测值)有如下关系:X (1) w X (2)X ( Ni <1 W X ( N +1) W X (N+2)X (n ).似然函数为N n NL()(1 ),X (1) w X (2) w L w X ( N ) 1W X (N1) W X (N2) w L w X n ,0,其它.考虑似然函数非零部分,得到In L ( 0 ) = N ln 0 + ( n -N ) ln(1 - 0 ),令d |nL ( )」o ,解得0的极大似然估计值为? N .d1n习题7-2的无偏估计量•1.选择题:设总体X 的均值与方差 2都存在但未知,X i ,X 2,L ,X n 为X 的样本,则无论总体 X 服从什么分布,()1X i和丄 (XiX)2.(B)n i 1 n i1 n(C)X i 和n 1 i 1解 选(D).2.若X 1 ,X 2lx1 1X 2kX 334解 要求E( 7X 1-X j 和丄 1 i 1 n 1n(X ii 1X)2.(X i1)2 • (D)X i 和丄(X i)2.X 3为来 自总体X : N(,2)的样本,且的无偏估计量,问k 等于多少1 11 「2 kX 3)3 4k解之,k=g(A)13.设总体X的均值为0,方差2存在但未知,又X「X2为来自总体X1 2 2的样本,试证:—(X i X2)为的无偏估计21 2 1 2 2证因为E[—(X i X2) ] —E[(X i 2X^2 X2 )]2 2-[E(X i2) 2E(X i X2)E(X22)]-2 2所以-(X i X2)2为2的无偏估计•2习题7-31.选择题(1)总体未知参数的置信水平为的置信区间的意义是指()(A)区间平均含总体95%的值.(B)区间平均含样本95%的值.(C) 未知参数有95%的可靠程度落入此区间.(D) 区间有95%的可靠程度含参数的真值•解选(D).(2)对于置信水平1- a (0< a <1),关于置信区间的可靠程度与精确程度F列说法不正确的是().(A)若可靠程度越咼,则置信区间包含未知参数真值的可能性越大(B)如果a越小,则可靠程度越高,精确程度越低•(C)如杲1 - a越小,则可靠程度越高,精确程度越低•(D)若精确程度越高,则可靠程度越低,而1- a越小.解选(C)习题7-41. 某灯泡厂从当天生产的灯泡中随机抽取9只进行寿命测试,取得数据如下(单位:小时): 1050, 1100, 1080 , 1120, 1250, 1040, 1130, 1300, 1200设灯泡寿命服从正态分布 N 口 , 902),取置信度为,试求当天生产的全部灯泡的平均寿命的置信区间所求置信区间为(x - z /2 , X - z /2 ) \l n J n 90 90 (1141.11 = 1.96,1141.11 r 1.96)V 9V 9(1082.31,1199.91).2.为调查某地旅游者的平均消费水平,随机访问了40名旅游者,算得平均消费额为 X 105元,样本标准差s 28元•设消费额服从正态分布 取置信水平为,求该地旅游者的平均消费额的置信区间解计算可得X 105, s 2 =282.对于a =,查表可得t_(n 1) t o.025(39)2.0227.2所求口的置信区间为3. 假设某种香烟的尼古丁含量服从正态分布 .现随机抽取此种香烟 8支解计算得到X1141.11, CT 2 =902.对于a =,查表可得Z /2Z).Q25匸96*(Xt (n 1), x ■■- n 2s —t (n ■■- n 21)) (1052.0227, 1052.0227)2828为一组样本,测得其尼古丁平均含量为毫克,样本标准差s=毫克.试求此种香烟尼古丁含量的总体方差的置信水平为的置信区间.a =,查表可得 2(n 1) 爲5(7) 20.278,并说明该置信区间的实际意义1 2的置信水平为的置信区间是,”的实际意义是:在两总体第一个正态总体的均值1比第二个正态总体均值 2大〜,此结 论的可靠性达到95%.5.某商场为了了解居民对某种商品的需求 ,调查了 100户,得出每户月2解已知n =8, s2 2 (n 1)0.995(7) 1 - 20.989,所以方差d 2的置信区间为((n 1)S 2(2_ (n 1)22 22(8 1) 2.4 (8 1) 2.4 _2 —)(, )=,.2(n 廿丿 20.2780.9891 -(n 1)S 4.某厂利用两条自动化流水线灌装番茄酱 ,分别从两条流水线上抽取样本:X ,X 2,…,X 12 及 Y ,Y 2,…,丫17,算出 x 10.6g, y2 29.5g, s 1 2.4, s 2 4.7 .假设这两条流水线上装的番茄酱的重量都服从正态分布 ,且相互独立,其均值分别为2又设两总体方差1:.求2置信水平为的置信区间解由题设2 2x 10.6,y 9.5,s 12.4, s 2 4.7,n12,n 2 17,m 1)s 2 仏 1)s :(12 1) 2.4(171) 471.94212 17 2t_gn 22q n 2 22) t °.°25(27)2.05181,所求置信区间为((X y)11) ((10.6 9.5) 2.05181 1.94结论“方差相等时, [(a n 22)s w2)平均需求量为10公斤,方差为9 .如果这种商品供应10000户,取置信水平为•(1) 取置信度为,试对居民对此种商品的平均月需求量进行区间估计(2) 问最少要准备多少这种商品才能以99%的概率满足需要解(1) 每户居民的需求量的置信区间为_ s(xt(n* n_ s1), xt (nV n1)) (xs卅,%s川)(10,9J492.575,10 2.575)(9.2275,10.7725). 100J10010000户居民对此种商品月需求量的置信度为的置信区间为(92275,107725);(2)最少要准备92275公斤商品才能以99%的概率满足需要。
第7章树和森林树形结构是一类重要的非线性结构。
树形结构的特点是结点之间具有层次关系。
本章介绍树的定义、存储结构、树的遍历方法、树和森林与二叉树之间的转换以及树的应用等内容。
重点提示:●树的存储结构●树的遍历●树和森林与二叉树之间的转换7-1 重点难点指导7-1-1 相关术语1.树的定义:树是n(n>=0)个结点的有限集T,T为空时称为空树,否则它满足如下两个条件:①有且仅有一个特定的称为根的结点;②其余的结点可分为m(m>=0)个互不相交的子集T1,T2,…,T m,其中每个子集本身又是一棵树,并称为根的子树。
要点:树是一种递归的数据结构。
2.结点的度:一个结点拥有的子树数称为该结点的度。
3.树的度:一棵树的度指该树中结点的最大度数。
如图7-1所示的树为3度树。
4.分支结点:度大于0的结点为分支结点或非终端结点。
如结点a、b、c、d。
5.叶子结点:度为0的结点为叶子结点或终端结点。
如e、f、g、h、i。
6.结点的层数:树是一种层次结构,根结点为第一层,根结点的孩子结点为第二层,…依次类推,可得到每一结点的层次。
7.兄弟结点:具有同一父亲的结点为兄弟结点。
如b、c、d;e、f;h、i。
8.树的深度:树中结点的最大层数称为树的深度或高度。
9.有序树:若将树中每个结点的子树看成从左到右有次序的(即不能互换),则称该树为有序树,否则称为无序树。
10.森林:是m棵互不相交的树的集合。
7-1-2 树的存储结构1.双亲链表表示法以图7-1所示的树为例。
(1)存储思想:因为树中每个元素的双亲是惟一的,因此对每个元素,将其值和一个指向双亲的指针parent构成一个元素的结点,再将这些结点存储在向量中。
(2)存储示意图:-1 data:parent:(3)注意: Parrent域存储其双亲结点的存储下标,而不是存放结点值。
下面的存储是不正确的:-1 data:parent:2.孩子链表表示法(1)存储思想:将每个数据元素的孩子拉成一个链表,链表的头指针与该元素的值存储为一个结点,树中各结点顺序存储起来,一般根结点的存储号为0。
管理会计练习题参考答案第7章全面预算第一局部:客观题一、单项选择题〔25小题〕1.以下各项中能揭示全面预算本质的说法是:全面预算是关于未来期间内( C ) 。
A. 企业的本钱方案B. 事业单位的收支方案C. 企业总体方案的数量说明D. 企业总体较好的文字说明2.在管理会计中,用于概括与企业日常业务直接相关、具有实质性的根本活动的一系列预算的概念是( B )。
A. 专门决策预算B. 业务预算C. 财务预算D. 销售预算3.现金预算属于以下工程中( C )。
A. 业务预算B. 生产预算C. 财务预算D. 专门决策预算4.预计期初存货50件,期末存货40件,本期销售250件,那么本期生产量为〔 B 〕5.某产品销售款的回收情况是:销售当月收款60%,次月收款40%,201X年1-3月的销售额估计为7 000元、9 000元、6 000元。
由此可预测201X年2月的现金收入为( C )A.7 200元B.7 800元C.8 200元D.9 000元6.编制生产预算以( B ) 为根底。
A. 采购预算B. 销售预算C. 财务预算D. 管理费预算7.以下预算中,不属于业务预算的是〔 A 〕A.预计利润表B.销售与管理费用预算C.制造费用预算D.销售预算8.以下预算中,属于专门决策预算的是〔 C 〕A.财务费用预算B.直接人工预算C.资本支出预算D.产品本钱预算9.在本钱性态分析根底上,分别按一系列可能到达的预计业务量水平而编制的能适应多种情况的预算,称为〔 C 〕A.滚动预算B.零基预算C.弹性预算D.连续预算10.全面预算的起点是〔 C 〕A. 现金预算B.生产预算C. 销售预算D. 管理费预算11.以下预算中,不涉及现金收支内容的工程有〔 A 〕A.生产预算B.直接材料采购预算C.制造费用预算D.销售预算12.企业的全面预算体系的终结为〔 C 〕A.现金预算B.销售预算C.预计财务报表D.资本支出预算13.变动性制造费用预算的编制根底是〔 A 〕A.生产预算B.现金预算C.制造费用预算D.销售预算14.直接材料预算编制根底是〔 D 〕A.销售预算B.直接人工预算C.财务预算D.生产预算15.预算编制方法中,与弹性预算相对应的是〔 A 〕A.固定预算B.增量预算C.滚动预算D零基预算16.某企业2021年度月产量最高为20 000件,其总本钱为74 000元;月产量最低为12 000件,其总本钱为50 000元。
第七章习题及答案7-1试述生产过程、工序、工步、走刀、安装、工位的概念。
答:制造机械产品时,将原材料转变为成品的全过程称为生产过程。
工序是指一个(或一组)工人在一个工作地点或一台机床,对同一个或同时对几个工件进行加工所连续完成的那一部分工艺过程。
工步是指在一个工序中,当加工表面不变、加工工具不变的情况下所连续完成的那部分工艺过程。
在一个工步内,如果被加工表面需切去的金属层很厚,一次切削无法完成,则应分几次切削,每进行一次切削就是一次走刀。
安装是指工件在加工之前,在机床或夹具上占据正确的位置(即为定位),然后加以夹紧的过程称为装夹。
工件经过一次装夹完成的工序称为安装。
工件在机床上所占据的每一个待加工位置称为工位。
7-2什么是机械加工工艺过程?什么是机械加工工艺规程?答:机械加工工艺规程(简称工艺规程)是将机械加工工艺过程的各项内容写成文件,用来指导生产、组织和管理生产的技术文件。
工艺过程是生产过程中的主要部分,是指在生产过程中直接改变毛坯的形状、尺寸、相对位置和材料性能,使其成为半成品或成品的过程。
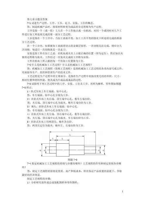
7-3试指明下列工艺过程中的工序、安装、工位及工步。
坯料为棒料,零件图如图题7-3所示。
1)卧式车床上车左端面,钻中心孔。
答:车左端面、钻中心孔分别为工步。
2)在卧式车床上夹右端,顶左端中心孔,粗车左端台阶。
答:夹右端,顶左端中心孔为装夹,粗车左端台阶为工步。
3)调头,在卧式车床上车右端面,钻中心孔。
答:车右端面、钻中心孔分别为工序。
4)在卧式车床上夹左端,顶右端中心孔,粗车右端台阶。
答:夹左端,顶右端中心孔为装夹。
车右端台阶为工步。
5)在卧式车床上用两顶尖,精车各台阶。
答:两顶尖定位为装夹,精车左、右端台阶为工步。
图题7-37-4拟定机械加工工艺规程的原则与步骤有哪些?工艺规程的作用和制定原则各有哪些?答:制定工艺规程的原则是优质、高产和低成本,即在保证产品质量的前提下,争取最好的经济效益。
制定工艺规程的步骤:1)分析研究部件或总成装配图样和零件图样;2)选择毛坯;3)拟定工艺路线;4)确定各工序的加工余量,计算工序尺寸及公差;5)确定各工序所采用的设备及工艺装备;6)确定各工序的切削用量和时间定额;7)确定各主要工序的技术要求及检验方法;8)填写工艺文件。
《遗传学》课程模拟试卷《七》[关闭窗口]姓名:专业:学号:考试时间: 120 分钟一、名词解释(15分):1.性状:2.基因型:3.符合系数:4.数量性状:5.等位基因:6.突变的平行性:7.超倍体:8.粘性末端:9.同形异位现象:10. 遗传漂移:二、填充题(20分):1.豌豆的花色、种子的形状和子叶的颜色是三个不同的_______。
2.分离规律可以用______________方法进行验证。
3.连锁遗传规律主要是由_______提出的。
4._______是遗传方差在总方差中所占的比率,可以作为杂交后代进行选择的一个指标。
5.杂交一代优于双亲的现象叫做______________。
6.增加的染色体组来自同一物种的多倍体为___________,而增加的染色体组来自不同一物种的多倍体为__________。
7.测定噬菌体基因间重组率,通常用______________细菌的方法。
8.分子遗传学把基因看作为___________子,____________子和____________子;70年代对基因结构的深入研究,还发现了____________基因、____________基因和____________基因。
9.达尔文理论的原则为____________、____________和______________。
10. 一个群体在平衡状态时,其基因频率(p、q)和基因型频率(D、H、R)的关系是:________,_______及________。
三、是非题(10分,在括号内写上√ 或×):1.分离规律仅适用于质量性状遗传-----------------------------------()2.基因定位时,三点测验比两点测验准确但较繁琐---------------------()3.表现型方差总是大于或等于基因型方差-----------------------------()4.许多植物的芽变是体细胞突变的结果-------------------------------()5.缺失可以造成染色体的融合---------------------------------------()6.一个色盲女儿可能有色觉正常的母亲-------------------------------()7.AAGCTT是Hind Ⅲ限制性内切酶所能识别的6个核苷酸顺序----------------------------------------------()8.细胞质遗传的特点之一是正交和反交的遗传表现不相同-----------------------------------------------()9.孢子体不育的Rr基因型植株产生的花粉全部可育------------------------------------------------------()10. 达尔文的生物适合度是度量生物体对于环境的适应性,生活力强的个体对于环境较适应,因此其适合度高---()四、选择题(10分):1.通过着丝粒连接的染色单体叫()。
第七章 玻耳兹曼统计7.1试根据公式Va P Lll∂∂-=∑ε证明,对于非相对论粒子 ()222222212z y x n n n L m m P ++⎪⎭⎫ ⎝⎛== πε,( ,2,1,0,,±±=z y x n n n )有V U P 32= 上述结论对于玻尔兹曼分布,玻色分布和费米分布都成立。
证明:处在边长为L 的立方体中,非相对论粒子的能量本征值为()22222,,2212z y x n n nn n n L m m P zy x ++⎪⎭⎫ ⎝⎛== πε ( ,2,1,0,,±±=z y x n n n )-------(1) 为书写简便,我们将上式简记为32-=aVε-----------------------(2)其中V=L 3是系统的体积,常量()22222)2(z y x n n n ma ++= π,并以单一指标l 代表n x ,n y ,n z 三个量子数。
由(2)式可得VaV V l L εε323235-=-=∂∂----------------------(3) 代入压强公式,有VUa VV a P l ll L ll3232==∂∂-=∑∑εε----------------------(4) 式中 lll a U ε∑=是系统的内能。
上述证明未涉及分布的具体表达式,因此上述结论对于玻尔兹曼分布,玻色分布和费米分布都成立。
注:(4)式只适用于粒子仅有平移运动的情形。
如果粒子还有其他的自由度,式(4)中的U 仅指平动内能。
7.2根据公式Va P Lll∂∂-=∑ε证明,对于极端相对论粒子 ()212222z y x n n n Lc cp ++== πε, ,2,1,0,,±±=z y x n n n 有VUP 31=上述结论对于玻尔兹曼分布,玻色分布和费米分布都成立。
证明:处在边长为L 的立方体中,极端相对论粒子的能量本征值为()21222,,2z y x n n nn n n Lczy x ++= πε, ,2,1,0,,±±=z y x n n n -------(1)为书写简便,我们将上式简记为31-=aVε-----------------------(2)其中V=L 3是系统的体积,常量()212222z y x n n n c a ++= π,并以单一指标l 代表n x ,n y ,n z 三个量子数。
第七章 相关与回归分析一、单项选题题1、当自变量X 减少时,因变量Y 随之增加,则X 和Y 之间存在着( ) A 、线性相关关系 B 、非线性相关关系 C 、正相关关系 D 、负相关关系2、下列属于函数关系的有( )A 、身高与体重之间B 、广告费用支出与商品销售额之间C 、圆面积与半径之间D 、施肥量与粮食产量之间 3、下列相关程度最高的是( )A 、r=0.89B 、r=-0.93C 、r=0.928D 、r=0.8 4、两变量x 与y 的相关系数为0.8,则其回归直线的判定系数为( ) A 、0.80 B 、0.90 C 、0.64 D 、0.50 5、在线性回归模型中,随机误差项被假定服从( )A 、二项分布B 、t 分布C 、指数分布D 、正态分布6、物价上涨,销售量下降,则物价与销售量之间的相关属于( ) A 、无相关 B 、负相关 C 、正相关 D 、无法判断7、相关分析中所涉及的两个变量( )A 、必须确定哪个是自变量、哪个是因变量B 、都不能为随机变量C 、都可以是随机变量D 、不是对等关系 8、单位产品成本y (元)对产量x (千件)的回归方程为:t t x y 2.0100-=∧,其中“—0.2”的含义是( )A 、产量每增加1件,单位成本下降0.2元B 、产量每增加1件,单位成本下降20%C 、产量每增加1000件,单位成本下降20%D 、产量每增加1000件,单位成本平均下降0.2元E 、产量每增加1000件,单位成本平均下降20% 二、多项选择题1、下列说法正确的有( )A 、相关分析和回归分析是研究现象之间相关关系的两种基本方法B 、相关分析不能指出变量间相互关系的具体形式,也无法从一个变量的变化来推测另一个变量的变化情况 C、回归分析可以不必确定变量中哪个是自变量,哪个是因变量 D、相关分析必须事先研究确定具有相关关系的变量中哪个为自变量,哪个为因变量 E、相关分析中所涉及的变量可以都是随机变量,而回归分析中因变量是随机的,自变量是非随机的2、判定现象之间有无相关关系的方法有()A、计算回归系数B、编制相关表C、绘制相关图D、计算相关系数E、计算中位数3、相关关系按相关的形式可分为()A、正相关B、负相关C、线性相关D、非线性相关E、复相关4、在直线回归方程∧yt=∧β1+∧β2Xt中,回归系数∧β2的数值()A、表明两变量之间的平衡关系B、其正、负号表明两变量之间的相关方向C、表明两变量之间的密切程度D、表明两变量之间的变动比例E、在数学上称为斜率5、下列那些项目属于现象完全相关()A、r=0B、r= —1C、r= +1D、y的数量变化完全由X的数量变化所确定E、r=0.986、在回归分析中,要求所涉及的两个变量x和y()A、必须确定哪个是自变量、哪个是因变量B、不是对等关系C、是对等关系D、一般来说因变量是随机的,自变量是非随机变量E、y对x的回归方程与x对y的回归方程是一回事7、下列有相关关系的是()A、居民家庭的收入与支出B、广告费用与商品销售额C、产量与单位产品成本D、学生学习的时间与学习成绩E、学生的身高与学习成绩8、可决系数2r=86.49%时,意味着()A 、自变量与因变量之间的相关关系密切B 、因变量的总变差中,有80%可通过回归直线来解释 C 、因变量的总变差中,有20%可由回归直线来解释 D 、相关系数绝对值一定是0.93 E 、相关系数绝对值一定是0.8649 三、填空题1、相关系数r 的取值范围为 。
第七章 干 燥湿空气的性质【7-1】湿空气的总压为.1013kP a ,(1)试计算空气为40℃、相对湿度为%60ϕ=时的湿度与焓;(2)已知湿空气中水蒸气分压为9.3kPa ,求该空气在50℃时的相对湿度ϕ与湿度H 。
解 湿空气总压.1013p k P a =(1).06ϕ=,40℃时水蒸气的饱和蒸气压.7375s p k P a = 湿度..../ (0673750622)0622002841013067375ssp H kg kgp p ϕϕ⨯==⨯=--⨯.水干气焓 ()..1011882492I H t H =++ (...)../= 10118800284402492002841133k J k g +⨯⨯+⨯= (2) 湿空气中水汽分压.93V p kPa = 50℃时水的饱和蒸气压.1234s p k P a = 相对湿度 ..9307541234V s p p ϕ===.湿度. (93)0622=062200629101393V Vp H kg kgp p =⨯=--.水/干气【7-2】空气的总压为101.33kPa ,干球温度为303K ,相对湿度%70ϕ=,试用计算式求空气的下列各参数:(1)湿度H ;(2)饱和湿度s H ;(3)露点d t ;(4)焓I ;(5)空气中的水汽分压V p 。
解 总压.,.101333033007p k P a t K ϕ====℃, (1) 30℃时,水的饱和蒸气压.4241s p k P a = 湿度... (0742410622)06220018810133074241ssp H kg kgp p ϕϕ⨯==⨯=--⨯..水/干气 (2) 饱和湿度 (4241)0622062200272101334241s s sp H kg kgp p ==⨯=--.水/干气(3)露点d t 时的饱和湿度.00188s H kg kg =水/干气.0622s s sp H p p =- (10133001882970622062200188)s s spH p kPaH ⨯===++从水的饱和蒸气压为 2.97kPa 查得水的饱和温度为23.3℃,故空气的露点.233℃d t =(4) .3000188t H kg kg ==℃,水/干气时,空气的焓为()..1011882492H H t H=++(...)../= 1011880018830249200188782kJ kg +⨯⨯+⨯=干气 (5) t=30℃时的.4241s p k P a =水汽分压 ...074241297V s p p kPa ϕ==⨯=【7-3】在总压为101.3kPa 下测得湿空气的干球温度为50℃,湿球温度为30℃,试计算湿空气的湿度与水汽分压。
7 就英法联军远征中国给巴特勒上尉的信一、文学常识本文的作者是(国别)作家。
他的代表作有《》《》《》等。
二、根据字音写汉字:1. (zāngwù)3. (yǎn huāliáo luàn)4. (jīnghài)5. (xiāng qiè)6. ( zhìcái)7. (dàng rán wúcún) 8. (qiǎn zé)9. ( piējiàn) 10. (bùkěmíng zhuàng)三、这封书信的主体分为两个部分:第一部分为第2、3段,第二部分为4——10段。
这两部分之间有怎样的关系?(横线长短与答案的字数相符)二、根据字音写汉字:1.赃物(zāngwù)3. 眼花缭乱(yǎn huāliáo luàn)4. 惊骇 (jīnghài)5. 箱箧 (xiāng qiè)6. 制裁 ( zhìcái)7. 荡然无存 (dàng rán wúcún) 8. 谴责 (qiǎn zé)9. 瞥见 ( piējiàn) 10. 不可名状 (bùkěmíng zhuàng)三、这封书信的主体分为两个部分:第一部分为第2、3段,第二部分为4——10段。
这两部分之间有怎样的关系?(横线长短与答案的字数相符)第一部分,作者对圆明园的建筑艺术和价值进行了高度的赞赏;第二部分,先用“这个奇迹已经消失了”一转,过渡到对侵略者暴行的直言痛斥。
第一部分为第二部分做了情感上的蓄势铺垫。
习题提示与答案 第七章 气体的流动7-1 设输气管内甲烷气流的压力为4.5 MPa 、温度为15 ℃、流速为30 m/s ,管道的内径为0.5 m ,试求每小时输送的甲烷为多少m 3。
提示:管内的甲烷可看做理想气体。
答案:V 0=893 220 m 3/h 。
7-2 一股空气流的流速为380 m/s 、温度为20 ℃,另一股空气流的流速为550 m/s 、温度为750 ℃。
已知750 ℃时κ=1.335,20 ℃时κ=1.400,试求这两股气流各属于亚声速还是超声速,其马赫数各为多少?提示:音速T R c g κ=,马赫数cc Ma f =。
答案:Ma 1=1.107,Ma 2=0.878。
7-3 在压缩空气输气管上接有一渐缩形喷管,喷管前空气的压力可通过阀门调节,而空气的温度为27 ℃,喷管出口的背压为0.1 MPa 。
试求喷管进口的压力为0.15 MPa 及0.25 MPa 时,喷管出口截面的流速和压力。
提示:视喷管入口处速度近似为零,临界压力()1-1cr κκ⎪⎭⎫ ⎝⎛-κ=12p p ;渐缩形喷管,p cr <p B 时,出口截面压力p 2等于背压p B ,出口流速小于当地声速;p cr >p B 时,出口截面压力p 2等于临界压力p cr ,出口截面流速等于当地声速。
答案:(1)p 2=0.1 MPa ,c f2错误!未找到引用源。
=256.8 m/s ;(2)p 2=0.132 MPa ,c f 2=317 m/s 。
7-4 按上题条件,求两种情况下出口截面气流的马赫数。
提示:等熵流动过程, 音速T R c g κ=,马赫数cc Ma f =。
答案:(1) Ma =0.783 6;(2) Ma =1。
7-5 设进入喷管的氦气的压力为0.4 MPa 、温度为227 ℃,而出口背压为0.15 MPa ,试选用喷管形状并计算出口截面气体的压力、速度及马赫数。
提示:视喷管入口处速度近似为零,临界压力()1-1cr 1-2κκ⎪⎭⎫ ⎝⎛κ=p p ,若p cr <p B ,则选用渐缩形喷管,若p cr >p B ,则选用缩放形喷管。
Windows 7练习题及参考答案一、单项选择题1.计算机系统中必不可少的软件是 A 。
A) 操作系统B) 语言处理程序C) 工具软件D) 数据库管理系统2.下列说法中正确的是 B 。
A) 操作系统是用户和控制对象的接口B) 操作系统是用户和计算机的接口C) 操作系统是计算机和控制对象的接口D) 操作系统是控制对象、计算机和用户的接口3.操作系统管理的计算机系统资源包括 A 。
A) 中央处理器、主存储器、输入/输出设备B) CPU、输入/输出C) 主机、数据、程序D) 中央处理器、主存储器、外部设备、程序、数据4.操作系统的主要功能包括 B 。
A) 运算器管理、存储管理、设备管理、处理器管理B) 文件管理、处理器管理、设备管理、存储管理C) 文件管理、设备管理、系统管理、存储管理D) 处理管理、设备管理、程序管理、存储管理5.在计算机中,文件是存储在 A 。
A) 磁盘上的一组相关信息的集合B) 内存中的信息集合C) 存储介质上一组相关信息的集合D) 打印纸上的一组相关数据6.win7目前有几个版本 C 。
A) 3 B) 4 C) 5 D) 67.在Windows 7的各个版本中,支持的功能最少的是 A 。
A) 家庭普通版B) 家庭高级版C) 专业版D) 旗舰版8.Windows 7是一种。
A) 数据库软件B) 应用软件C) 系统软件D) 中文字处理软件9.在Windows 7操作系统中,将打开窗口拖动到屏幕顶端,窗口会 C 。
A) 关闭B) 消失C) 最大化D) 最小化10.在Windows 7操作系统中,显示桌面的快捷键是 B 。
A) “Win”+“D”B) “Win”+“P”C) “Win”+“Tab”D) “Alt”+“Tab”11.在Windows 7操作系统中,显示3D桌面效果的快捷键是 C 。
A) “Win”+“D”B)“Win”+“P”C) “Win”+“Tab”D) “Alt”+“Tab”12.安装Windows 7操作系统时,系统磁盘分区必须为 D 格式才能安装。
习题7-1下面的微分方程代表了线性定常系统,请写出它们对应的状态空间表达(a ))(5)()(4)(22t r t c dtt dc dt t c d =++(b ))()()()(4)(5)(02233t r d c t c dtt dc dt t c d dt t c d t =++++⎰ττ (c )dtt dr t r t c dt t c d dt t c d )(4)()()(2)(2233+=++ 7-2 已知线性定常系统的状态方程为:Ax x =.,其中(1)⎥⎦⎤⎢⎣⎡-=2010A (2) ⎥⎦⎤⎢⎣⎡-=0110A (3)⎥⎥⎥⎦⎤⎢⎢⎢⎣⎡=010100010A 试求系统统的状态转移矩阵At e答案:(1)⎥⎦⎤⎢⎣⎡-=--tt Ate e e2205.05.01 (2)⎥⎦⎤⎢⎣⎡-=t t t t e Atcos sin sin cos (3)⎥⎥⎥⎦⎤⎢⎢⎢⎣⎡+--+-+-=------)(5.0)(5.00)(5.0)(5.001)(5.0)(5.01t t t t t t t t t t t t Ate e e e e e e e e e e e e 7-3 已知系统的状态方程为:u x x ⎥⎦⎤⎢⎣⎡+⎥⎦⎤⎢⎣⎡--=103210.,初始条件为⎥⎦⎤⎢⎣⎡=10)0(x ,试求单位阶跃收入时系统的时间响应x(t)答案:(1)求状态转移矩阵 先求出预解矩阵⎥⎥⎥⎥⎦⎤⎢⎢⎢⎢⎣⎡+++-+++-+-+++-++=⎥⎥⎥⎥⎦⎤⎢⎢⎢⎢⎣⎡++++-+++++=⎥⎦⎤⎢⎣⎡+-=---)2(2)1(1)2(2)1(2)2(1)1(1)2(1)1(2)2)(1()2)(1(2)2)(1(1)2)(1()3(321)(11s s s s s s s s s s s s s s s s s s s s A sI对上式进行拉式反变换,即可定出:⎥⎦⎤⎢⎣⎡+-+---=--------t t t t t t t t At2222e 2e e 2e 2e e e e 2e(2)求系统的时间响应()0022()2()()2()22()2()()2()022()e e ()d 002e e e e 2e e e e d 112e 2e e 2e 2e 2e e 2e 0.50.5tAt A t t t t t t t t t t t t t t t t t t t tx t x Bu e e ττττττττττττ---------------------------=+⎡⎤⎡⎤----⎡⎤⎡⎤=+⎢⎥⎢⎥⎢⎥⎢⎥-+-+-+-+⎣⎦⎣⎦⎣⎦⎣⎦⎡⎤-=⎢⎥⎣⎦⎰⎰7-4 已知矩阵:(1)⎥⎥⎥⎦⎤⎢⎢⎢⎣⎡-=t t t t t sin cos 0cos sin 0001)(ϕ (2)⎥⎦⎤⎢⎣⎡--+=-t t t t t t t e e e e e e e t 222222)(ϕ 试问:它们可能是某个系统的状态转移矩阵吗?为什么?答案:I =)0(ϕ时才是状态转移矩阵,所以上述两个矩阵均不是某个系统的状态转移矩阵。
第七章遥感制图习题及参考答案
习题
一、判断题(对的打“√”,错的打“×”)
1.波谱分辨率是由传感器所使用的波段数目,也就是选择的通道数,以及波段的波长和宽度所决定。
2.TM1绿波段:对无病害植物叶绿素反射敏感。
3.TM4红波段:对叶绿素吸收敏感,用于区分植物种类。
4.TM5远红外波段:作温度图,植物热强度测量
5.只有具有较多种类的时间分辨率的遥感信息,才能比较容易的挑选出满足要求的理想时相,不会因为诸如气象等因素的影响而得不到所要求的时相信息。
6.把遥感数据提供给编制专题图之前,必须经过纠正处理,包括粗处理和精处理。
7.光学图像增强处理主要是为了减小不同地物影像的密度差。
8.数字图像增强处理的主要特点是借助计算机来加大图像的密度差,常用的方法有反差增强、边缘增强、空间滤波等。
9.计算机自动识别,又称模式识别,是将经过精处理的遥感图像数据,根据计算机研究获得的图像特征进行的处理。
10.监督分类是事先并不知道待分类点的特征,而是仅根据各待分点特征参数的统计特征,建立决策规则并进行分类的一种方法。
二、名词解释
1.遥感技术
2.时间分辨率
3.空间分辨率
4.卫星影像镶嵌图
5.卫星影像图
6.卫星影像地图
7.监督分类
8.非监督分类
三、问答题
1.遥感信息的主要特点表现在哪几个方面?
2.卫星影像图的产生和编制过程包括哪些?
3.遥感系列制图的基本要求有哪些?
四、填空题
1.遥感平台主要有飞机、()和()。
2.遥感按传感器的工作波段不同分为:()遥感、()遥感、()遥感。
3.按遥感仪器搭载的工作平台不同分为:()、航空遥感和()。
4.我国目前经常使用的信息源主要有美国的Landsat-TM、()和法国的()。
5.数字图像增强处理的主要特点是借助计算机来加大图像的密度差,常用的方法有反差增强、()、空间滤波等。
考答案一、判断题(对的打“√”,错的打“×”)
二、名词解释
1.遥感技术:是指从地面到高空对地球和天体进行观测的各种综合技术总称,由遥感平台、传感仪器、信息接收、处理、应用等部分组成。
2.时间分辨率:是指对同一地区遥感影像重复覆盖的频率。
3.空间分辨率:即地面分辨率,指遥感仪器所能分辨的最小目标的实地尺寸,也就是遥感图像上一个像元所对应地面范围的大
小。
4.卫星影像镶嵌图:不另外进行影像的几何纠正,将多幅影像依像幅边框显示的经纬度位置,镶辑拼贴而成的影像图。
5.卫星影像图:进行了影像平面位置的几何纠正和影像增强,图上绘制出较全面的地理要素的影像图。
6.卫星影像地图:在卫星影像上,能够依据数字地面模型(DEM),进行共线方程纠正,有详细的地理要素的影像图。
7.监督分类:是根据已知试验样本提出的特征参数建立判读函数,对各待分类点进行分类的方法。
8.非监督分类:是事先并不知道待分类点的特征,而是仅根据各待分点特征参数的统计特征,建立决策规则并进行分类的一种方法。
三、问答题
1.遥感信息的主要特点表现在哪几个方面?
答:(1)宏观性和综合性
(2)多波段性
(3)多时相性
2.卫星影像图的产生和编制过程包括哪些?
答:(1)卫星数据的几何纠正
(2)像元亮度的重采样
(3)影像镶嵌
(4)彩色合成
(5)多种信息复合
(6)矢量数据的符号化
(7)图像的输出产品
3.遥感系列制图的基本要求有哪些?
答:(1)统一信息源
(2)统一对制图区域地理特征的认识
(3)制定统一的设计原则
(4)按一定的规则顺序成图
四、填空题
1.遥感平台主要有飞机、(人造卫星)和(载人飞船)。
2.遥感按传感器的工作波段不同分为:(可见光与近红外)遥感、(热红外)遥感、(微波)遥感。
3.按遥感仪器搭载的工作平台不同分为:(航天遥感)、航空遥感和(近地面遥感)。
4.我国目前经常使用的信息源主要有美国的Landsat-TM、(NOAA-AVHRR)和法国的(SPOT-HRV)。
5.数字图像增强处理的主要特点是借助计算机来加大图像的密度差,常用的方法有反差增强、(边缘增强)、空间滤波等。