进入受限空间作业许可证样本
- 格式:doc
- 大小:51.50 KB
- 文档页数:2
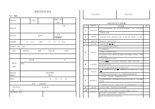
.受限空间作业证编号:0001申请单位申请人受限空间名称作业内容介质作业人员监护人作业负责人作业期限年月日时始年月日时止涉及相关(单位)部门时间分析项目标准分析结果分析人风险及措施执行第条补充:风险及措施编制人风险及措施审核人审批人年月日时作业完成反馈作业负责人签字车间意见:检查验收人意见:负责人签字:负责人签字:风险分析及安全措施序号风险分析安全措施确认人1 隔绝不可靠①与该设备连接的物料、蒸汽、氮气管线使用盲板隔断,并办理《抽堵盲板作业证》。
②拆除相关管线。
2 机械伤害办理设备停电手续,切断设备动力电源,挂“禁止合闸”警示牌,专人监护。
3 置换不合格置换完毕后,取样分析至合格。
4 氧气不足设备内氧含量达18~21%。
5 通风不良①打开设备通风孔进行自然通风。
②采用强制通风。
③佩戴空气呼吸器或长管面具。
④采用管道空气送风,通风前必须对管道内介质和风源进行分析确认,严禁通入氧气补氧。
⑤设备内温度需适宜人员作业。
6 未定时监测①作业前30min内,必须对设备内气体采样分析,合格后方可进入设备。
②采样点应有代表性。
③作业中应加强定时监测,情况异常立即停止作业。
7 触电危害①设备内照明电压应小于等于36V,在潮湿容器、狭小容器风作业应小于等于12V。
②使用超过安全电压的手持电动工具,必须按规定配备漏电保护器。
8 防护措施不当①在有缺氧、有毒环境中,佩戴隔离式防毒面具;②在易燃易爆环境中,使用防爆型低压灯具及不发生火花的工具,不准穿戴化纤织物;③在酸碱等腐蚀性环境中,穿戴好防腐蚀护具扒渣服耐酸靴耐酸手套护目镜。
9 通道不畅设备进出口通道,不得有阻碍人员进出的障碍物。
10 监护不当①进入设备前,监护人应会同作业人员检查安全措施统一联系信号;.②监护人随时与设备内取得联系,不得脱离岗位;③监护人用安全绳拴住作业人员进行作业。
11 应急设施不足或措施不当①设备外备有空气呼吸器、消防器材和清水等相应的急救用品;②设备内事故抢救时,救护人员必须做好自身防护方能进入设备内实施抢救。
受限空间作业许可证
作业人员:
员工
承包商: 操作人员姓名:
日期:窒息空间名称:
预防措施表
☐气相仪器检测正常(氧气,氨,硫化氢)测试结果记录:进入前
进入中
☐双重封堵(切断关闭泵)
☐排空/冲洗
☐进入前通风
☐进入后连续通风
☐连续监控和监护
☐焊接作业许可
☐惰性气体置换
作业需要的设备:
☐救生索
☐安全带
☐护栏
☐救护设备
☐联络工具
☐呼吸器:类型 3M 6006滤毒罐
我证实对上述地点,是根据预防措施检查表的条款进行窒息检查,并已取得应有授权。
签名(安全代表):签名(监护人):
许可证有效期至:日期时间
注:作业完成后,将完成表格交还安全代表。
进入受限空间作业安全许可证作业证编号:第联装置∕单元名称、原有介质设备名称主要危险因素监护人作业单位工作内容作业人员作业时间年月日时分至年月日时分采样分析数据采样时间:可燃气体含量:分析工签字:含氧量:有毒气体含量序号主要安全措施确认人签名1 所有受限空间有联系的阀管线加符合规定要求的盲板隔离。
列出盲板清单,并落实拆装盲板责任人。
2 设备经过置换、吹扫、蒸煮。
3 设备打开通气孔自然通风,温度适宜作业,必要时强制通风或戴呼吸器,缺氧时严禁采取直接通氧方法补氧。
4 相关设备进行处理,带搅拌的应切断电源,挂“禁止合闸”警示标志,专人监护。
5 盛装有毒液体、气体的受限空间,应分析毒害气体含量。
6 检查设备内部是否具备作业条件,作业期间严禁同时进行设备有关试车,同一空间严禁交叉作业,必要时,必须采取安全防范措施。
7 作业人员应清楚空间内其它危害因素。
8 检查受限空间的进出口通道,不得有障碍物。
9 电气设备必须安装漏电保护器,漏电起跳电流小于30mA,做到“一机一闸一保护”。
10 金属容器、潮湿、狭窄受限场所照明电压不超过12V,严禁将接线箱带入容器内使用,在潮湿容器中,作业人员应站在绝缘板上,同时保证金属容器有可靠接地。
11 原成装过可燃液体、气体,有挥发性的应使用防爆电筒或12V直流安全行灯,使用防爆工具。
12 作业监护措施:消防器材()救生绳()气防设备()三脚架()。
13 发生中毒、窒息紧急情况,抢救人员必须佩戴隔离室防毒面具进入设备抢救,最少一人负责监护和外部联系。
其它补充安全措施:签名危害识别确认人签字施工单位意见签名:车间意见签名:安全生产科意见签名:长林到审批意见签名:完工验收时间年月日作业单位:年月日。
进入受限空间作业许可证范本(锅炉房)绵阳市建诚化工有限公司Q/JCAGB77--03--2014进入受限空间作业许可证(锅炉房)№:施工单位填写人施工名称主要危险因素施工地点原有介质作业内容现场指挥作业人员监护人采样分析数据分析项目氧含量可燃气分析人分析结果采样时间开工时间年月日时分序号主要安全措施措施确认人签名1作业前对进入水膜除尘器内的危险性进行分析。
2在预热器出口和水膜除尘器出口二处加盲板隔离。
3作业前应检查登高用具、工器具、防护用品等应完好。
4作业时先打开烟道旁通阀,再打开水膜除尘器设备底部出渣孔,最后打开水膜除尘器侧烟道上盖,然后用水冲洗炉灰,并降温。
5进入设备内清渣前,应检查、确认设备内烟味很小、温度较低(≤70℃),且人员能够安全进入时,方可进入设备内作业。
6进入设备内的作业人员应佩戴防尘毒呼吸器、安全帽、护目镜等劳动防护用品作业。
7作业时打开设备通风孔进行自然通风,必要时采用强制通风,设备内缺氧时,严禁用通氧气的方法补充。
8检查受限空间内部、顶部和进出口通道等作业环境,不得有阻碍人员作业安全的障碍物。
9作业人员应清楚水膜除尘器内存在的危险、有害因素(如:顶部落物、尘渣、有毒气体等),增强安全生产防范意识。
10作业时监护人员必须在场,作业人员必须服从监护人的监护管理。
11危险、有害因素识别:现场作业负责人意见年月日车间、部门负责人意见年月日安全环保部意见年月日完工验收年月日时分签名进入受限空间作业安全管理制度1.目的为了加强受限空间内作业安全管理,确保进入受限空间人员的人身安全和健康,防止发生中毒、窒息、着火和爆炸事故,特制定本制度。
2适用范围本制度适用于进人化工生产区域内的各类塔、球、釜、槽、罐、炉膛、锅筒、管道、容器以及阴井、地坑、下水道或其他封闭场所内进行的作业。
3.职责3.1安全环保科负责办理《进入受限空间作业许可证》,并对执行情况进行监督检查。
3.2进入受限空间单位负责在动火前对作业证上的安全措施进行落实,确保动火安全。
进入受限空间作业许可证
安全生产十项注意事项:
一、工作前穿戴好规定的劳动防护品,检查设备及作业场地,做到安全可靠。
二、不违章作业,并监督制止他人违章作业。
三、不准擅自开动别人操作的机械,电器开关设备。
登高作业应戴好安全带、安全帽、并有专人监护、防止坠落,严禁向下乱抛工具和设备零件。
四、不准随便拆除各种安全防护装置、信号标志、仪表及专指示器等。
保持设备齐全有效灵敏可靠。
五、不准随意启动设备。
机器设备停机检查或修理时,应切断电源并悬挂警示牌,取牌人应是挂牌人。
开机时发出信号,听到回音确定安全后才能开机。
六、不准吊装物及下行人。
多人操作起重搬运要统一指挥,密切配合。
不准超负荷使用机器。
七、不在易燃物品附近吸烟动火,不乱扔垃圾。
八、不在厂内无证驾驶机动车辆,机动车进出车间转弯必须鸣号减速。
车辆行驶中严禁爬上跳下。
九、工作时精力集中,不准打闹、赤脚、赤膊、穿拖鞋和高跟鞋。
十、上班时间不准怠工、滋事、脱岗或擅离职守。
有事请假经领导批准后方可离开岗位。
进入人员培训确认:1.我已经参加了监督人组织的受限空间培训。
2.我已知晓在进入过程中所面临的危险或潜在的危险和任何与暴露有关的症状和后果。
3.我已经掌握进入所需个人防护装备的使用技巧。
4.有任何异常情况,我会立即向看护人报告。
5.一旦发出撤离警报或命令,或察觉到受限空间内的危险情况,立即从密闭空间内退出。
进入人员签字,日期:看护人培训确认:1.总的要求1)我明白我决不进入受限空间。
在紧急情况下,我首先的任务是请求帮助并针对紧急情况指导救援人员。
2)我明白我决不能从事其他可能让我从看护在受限空间内的进入者工作上分心的任何其它工作。
3)我知道下列内容的位置及最近的路径:a.安全洗眼器。
b. 灭火器和消火栓c. 急救站d. 救援设备小车e. 其他需要的应急设施。
4)我明白所有进入受限空间的工人必须穿戴安全带和救生索。
在有危险气氛或吞没存在的情况下,必须始终佩戴救生索。
我已经被告知并明白如何使用救生索。
5)我知道所有工作在受限空间内的工人必须留在我的视线范围内或一直通话(双向对讲机)。
如果不在我视线范围内,我知道必须使用个人警报安全系统(PASS)。
6)有效的受限空间进入许可证应张贴在受限空间的人口处。
7)我明白我被授权进行下列操作:a.阻止未经许可的人进入受限空间。
b.任何人将未经许可的设备带入受限空间。
c.阻止任何没有穿戴合适衣服和PPE的人员进入受限空间。
II.应急响应1)我已被告知在紧急情况下所采取的措施,包括寻求谁的帮助和任何联系帮助(双向无线对讲,电话,或手机)。
2)我知道最近的无线对讲机,电话或手机的位置和路径。
我知道如果需要我离开受限空间入口的岗位去召唤救援协助时,另一个看护人必须在受限空间的人口处。
III.设备操作1) 我已经被告知并理解下列在受限空间内使用的设备:a.通风设备b. 供给空气的呼吸器c. 连续监测设备2) 我已经被告知并知道如何关闭或保护用在受限空间的燃烧和焊接设备,电器设备,气动设备。
XXX 有限公司进入受限空间安全作业许可证1.受限空间指化工生产区域内的各类塔、球、釜、槽、罐、炉膛、锅筒、管道、容器以及地下室、阴井、地坑、下水道或其它封闭场所。
2.受限空间(设备内)作业指进入受限空间(设备内)及其它封闭场所内进行的作业。
3.进入设备内作业安全要求:(1)设备上与外界连接的电源应有效切断,电源有效切断可采用取下电源保险熔丝或将电源开关拉下后上锁等措施,并加挂警示牌。
(2)管道安全隔绝可采用插入盲板或拆除一段管道进行隔绝,不能用水封或阀门等代替盲板或拆除管道。
(3)进入设备内作业前,必须对设备内进行清洗和置换,并达到要求,有毒气体浓度、可燃气体浓度符合许可规定。
(4)要采取措施,保持设备内空气良好流通,打开所有人孔、手孔、料孔、风门、烟门进行自然通风。
必要时,可采取机械通风。
(5)采用管道空气送风时,通风前必须对管道内介质和风源进行分析确认。
禁止向设备内充氧气或富氧空气。
4.其它选项见《进入受限空间风险分析和安全措施》(附后)。
5.本证作业内容变更、扩大作业范围或转移作业部位时,应重新办理。
对作业审批手续不全、安全措施不落实、作业环境不符合安全要求的,作业人员有权拒绝作业。
6.本证一式二份,一份交作业单位,一份由管理部门留存。
编号第一联:存 根进入受限空间风险分析和安全措施XXX 有限公司进入受限空间安全作业许可证1.受限空间指化工生产区域内的各类塔、球、釜、槽、罐、炉膛、锅筒、管道、容器以及地下室、阴井、地坑、下水道或其它封闭场所。
2.受限空间(设备内)作业指进入受限空间(设备内)及其它封闭场所内进行的作业。
3.进入设备内作业安全要求:(1)设备上与外界连接的电源应有效切断,电源有效切断可采用取下电源保险熔丝或将电源开关拉下后上锁等措施,并加挂警示牌。
(2)管道安全隔绝可采用插入盲板或拆除一段管道进行隔绝,不能用水封或阀门等代替盲板或拆除管道。
(3)进入设备内作业前,必须对设备内进行清洗和置换,并达到要求,有毒气体浓度、可燃气体浓度符合许可规定。
进入受限空间作业许可管理流程
属地应对每个装置或
作业区域进行辨识,确定
受限空间数量、位置,建
立受限空间清单并根据
作业环境、工艺设备变更
等情况不断更新。
针对辨
识出的每个受限空间预
先制定安全工作方案,每
年应对所有安全工作方
案进行评审。
1欢迎下载。
2欢迎下载
备注:
各级进入受限空间作业许可证批准人要求
1、一级进入受限空间作业许可证,由二级单位业务主管部门(副科级以上领导)审查并将《安全工作方案》报公司业务主管部门审批,二级单位专业主管领导(副总师以上领导)现场检查后批准,公司安全监督中心现场监督。
2、二级进入受限空间作业许可证由作业单位向所在属地管理单位提出申请,由单位业务管部门(负责人)审查,专业主管领导(副科级以上领导)批准。
3、三级进入受限空间作业许可证由作业单位向所在属地单位提出申请,由其负责人或授权人批准。
4、谁批票谁关闭。
3欢迎下载
欢迎您的下载,
资料仅供参考!
致力为企业和个人提供合同协议,策划案计划书,学习资料等等
打造全网一站式需求。
4欢迎下载。
受限空间作业证编号:0001申请单位申请人受限空间名称作业内容介质作业人员监护人作业负责人作业期限年月日时始年月日时止涉及相关(单位)部门时间分析项目标准分析结果分析人风险及措施执行第条补充:风险及措施编制人风险及措施审核人审批人年月日时作业完成反馈作业负责人签字车间意见:检查验收人意见:负责人签字:负责人签字:风险分析及安全措施序号风险分析安全措施确认人1 隔绝不可靠①与该设备连接的物料、蒸汽、氮气管线使用盲板隔断,并办理《抽堵盲板作业证》。
②拆除相关管线。
2 机械伤害办理设备停电手续,切断设备动力电源,挂“禁止合闸”警示牌,专人监护。
3 置换不合格置换完毕后,取样分析至合格。
4 氧气不足设备内氧含量达18~21%。
5 通风不良①打开设备通风孔进行自然通风。
②采用强制通风。
③佩戴空气呼吸器或长管面具。
④采用管道空气送风,通风前必须对管道内介质和风源进行分析确认,严禁通入氧气补氧。
⑤设备内温度需适宜人员作业。
6 未定时监测①作业前30min内,必须对设备内气体采样分析,合格后方可进入设备。
②采样点应有代表性。
③作业中应加强定时监测,情况异常立即停止作业。
7 触电危害①设备内照明电压应小于等于36V,在潮湿容器、狭小容器风作业应小于等于12V。
②使用超过安全电压的手持电动工具,必须按规定配备漏电保护器。
8 防护措施不当①在有缺氧、有毒环境中,佩戴隔离式防毒面具;②在易燃易爆环境中,使用防爆型低压灯具及不发生火花的工具,不准穿戴化纤织物;③在酸碱等腐蚀性环境中,穿戴好防腐蚀护具扒渣服耐酸靴耐酸手套护目镜。
9 通道不畅设备进出口通道,不得有阻碍人员进出的障碍物。
10 监护不当①进入设备前,监护人应会同作业人员检查安全措施统一联系信号;②监护人随时与设备内取得联系,不得脱离岗位;③监护人用安全绳拴住作业人员进行作业。
11 应急设施不足或措施不当①设备外备有空气呼吸器、消防器材和清水等相应的急救用品;②设备内事故抢救时,救护人员必须做好自身防护方能进入设备内实施抢救。
编号:0001受限空间作业证受限空检查验收人意见:负责人签字:负责人签字:申请单位申请人作业内容间名称介质风险分析及安全措施序号风险分析安全措施确认人①与该设备连接的物料、蒸汽、氮气管线使用盲板隔断,并办理《抽堵盲板作业作业人员监护人负责人作业期限年月日时始年月日时止1 隔绝不可靠2 机械伤害作业证》。
②拆除相关管线。
办理设备停电手续,切断设备动力电源,挂“禁止合闸”警示牌,专人监护。
涉及相关(单位)部门时间分析项目标准分析结果分析人3 置换不合格置换完毕后,取样分析至合格。
4 氧气不足设备内氧含量达18~21%。
①打开设备通风孔进行自然通风。
②采用强制通风。
风险及措施风险及措施编制人补充:执行第条风险及措施审核人5 通风不良6 未定时监测7 触电危害③佩戴空气呼吸器或长管面具。
④采用管道空气送风,通风前必须对管道内介质和风源进行分析确认,严禁通入氧气补氧。
⑤设备内温度需适宜人员作业。
①作业前30min 内,必须对设备内气体采样分析,合格后方可进入设备。
②采样点应有代表性。
③作业中应加强定时监测,情况异常立即停止作业。
①设备内照明电压应小于等于36V,在潮湿容器、狭小容器风作业应小于等于12V。
审批人年月日时作业完成反馈②使用超过安全电压的手持电动工具,必须按规定配备漏电保护器。
①在有缺氧、有毒环境中,佩戴隔离式防毒面具;②在易燃易爆环境中,使用防爆型低压灯具及不发生火花的工具,不准作业负责人签字车间意见:8 防护措施不当穿戴化纤织物;③在酸碱等腐蚀性环境中,穿戴好防腐蚀护具扒渣服耐酸靴耐酸手套护目镜。
9 通道不畅设备进出口通道,不得有阻碍人员进出的障碍物。
精品文档,欢迎下载10 监护不当应急设施不足11 或措施不当①进入设备前,监护人应会同作业人员检查安全措施统一联系信号;②监护人随时与设备内取得联系,不得脱离岗位;③监护人用安全绳拴住作业人员进行作业。
①设备外备有空气呼吸器、消防器材和清水等相应的急救用品;②设备内事故抢救时, 救护人员必须做好自身防护方能进入设备内实施抢救。