管道补偿器安装检查记录
- 格式:docx
- 大小:12.88 KB
- 文档页数:2
补偿器安装记录工程名称XX工程分部(子分部)工程名称室内采暖系统施工单位中国建筑第五工程局第三建筑安装公司设计压力(MPa)0.8补偿器安装部位主立管补偿器规格型号0.17NY1000*2J 补偿器材质不锈钢固定支架间距(m)30 管内介质温度(℃)95℃水安装时环境温度(℃)25计算预拉伸值或预收缩值(mm)20 实际预拉伸或预压缩值(mm)20补偿器安装记录及说明:补偿器的安装及预拉伸值或预收缩值示意图和说明均由厂家完成。
结论:补偿器的安装符合设计及《给排水与采暖工程施工工艺标准》(ZJQ00-SG-010-2003)规定,合格。
施工单位监理(建设)单位施工单位复查结果:补偿器的安装及预拉伸值符合要求施工单位项目专业技术负责人:XXX X年X月X日监理(建设)单位核查结论:合格项目专业监理工程师(建监理(建设)项目部(章)设单位项目技术负责人):XXX X年X月X日规范规定:一、《建筑给水排水及采暖工程施工质量验收规范》GB50242-200211.2.3补偿器的位置必须符合设计要求,并应按设计要求或产品说明书进行预拉伸。
管道固定支架的位置和构造必须符合设计要求。
检验方法:对照图纸,并查验预拉伸记录。
二、《通风与空调工程施工质量验收规范》GB50243-20029.2.5 补偿器的补偿量和安装位置必须符合设计及产品技术文件的要求,并应根据设计计算的补偿量进行预拉伸或预压缩。
设有补偿器(膨胀节)的管道应设置固定支架,其结构形式和固定位置应符合设计要求,并应在补偿器的预拉伸(或预压缩)前固定;导向支架的设置应符合所安装产品技术文件的要求。
检查数量:抽查20%,且不得少于1个。
检查方法:观察检查,旁站或查阅补偿器的预拉伸或预压缩记录。
工艺标准规定:《给排水与采暖工程施工工艺标准》(ZJQ00-SG-010-2003)8.3.3.10(一)、方型补偿器设计无要求时,按下面要求拉伸。
1、方型补偿器预拉伸值按设计要求拉伸,无要求时为其伸长量的一半。
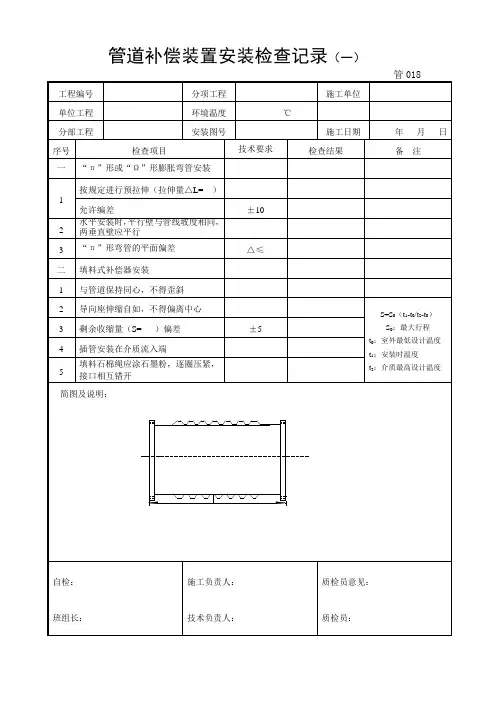
管道补偿器安装检查记录一、安装前检查:1.检查补偿器型号、规格、数量是否与设计图纸相符。
2.检查补偿器是否与其他设备、管道连接方式一致。
3.检查补偿器的表面外观是否完好,有无明显的损伤、划痕等。
4.检查补偿器的密封件和连接件是否完整,有无缺损或变形。
5.检查补偿器的压力等级是否符合设计要求。
6.检查补偿器的各个部件是否紧固,无松动现象。
二、安装中检查:1.检查补偿器是否按照设计图纸标高要求安装,是否水平。
2.检查补偿器与管道之间的连接是否紧密,无漏水、漏气现象。
3.检查补偿器的各个连接点是否采用合适的密封材料,无渗漏。
4.检查补偿器的支架是否牢固,符合设计要求。
5.检查补偿器的排放口是否正确设置,是否远离设备和建筑物。
三、安装后检查:1.检查补偿器的各个部件是否安装正确,位置是否准确。
2.检查补偿器是否按照设计要求进行了调整和固定。
3.检查补偿器的工作压力和温度是否与设计一致。
4.检查补偿器是否能够正常工作,无锈蚀、磨损等现象。
5.检查补偿器的操作是否灵活,无卡滞、漏气等问题。
6.检查补偿器的排放口是否存在漏水、漏气情况。
四、冲洗、试验和验收:1.按照规定程序进行冲洗工作,确保补偿器内部无杂物、杂质。
2.进行补偿器的空气密性试验,检查是否漏气、漏水。
3.进行补偿器的水压试验,检查是否有渗漏现象。
4.检查补偿器的操作是否正常,无异常声音或震动。
5.按照规定进行补偿器的防腐处理,确保其在运行中不受腐蚀。
6.进行补偿器的整体性能测试,确保达到设计要求。
7.进行补偿器的防静电处理,确保安全运行。
8.进行补偿器的验收,确认安装工作符合规范要求。
市政工程补偿器安装记录日期:2024年9月1日地点:XX市政工程项目办公室参与人员:项目经理、技术人员、工程管理人员、安装人员设备:市政工程补偿器1台、电源插座、电缆线材、安装工具1.安装准备1.1确保安装位置的电源插座可用并具备稳定的电力供应。
1.2确认市政工程补偿器的安装方案,包括安装位置和布线方式。
1.3准备所需的电缆线材和安装工具。
2.安装步骤2.1将市政工程补偿器放置在指定位置,并与电源插座连接。
2.2使用电缆线材将市政工程补偿器与市政工程项目管理系统连接。
2.3连接完成后,对连接进行检查,确保连接牢固、无松动。
3.软件配置3.1打开市政工程补偿器的软件配置界面。
3.2根据市政工程项目的要求,进行相应的软件配置,包括项目进度、费用和警报设置等。
3.3配置完成后,保存设置并进行测试,确保配置生效。
4.培训和测试4.1对项目经理和相关技术人员进行市政工程补偿器的使用培训,包括软件操作和故障排除等。
4.2进行测试,验证市政工程补偿器的功能和性能是否正常,确保其可以准确记录市政工程项目的进度和费用。
5.安装记录5.1在市政工程补偿器安装位置附近的墙壁上设置安装记录板。
5.2将市政工程补偿器的安装日期、位置、参与人员和安装步骤等信息记录在安装记录板上。
5.3安装记录板需要具备防水、防尘和防损的功能,以保证安装记录的完整和可读性。
以上是市政工程补偿器安装记录的主要内容。
通过安装记录,可以清楚地记录市政工程补偿器的安装过程,以及相关人员的参与情况和安装步骤。
这些记录对于后续的维护和管理工作非常重要,可以提供便利和参考。