水泥负压筛标定
- 格式:doc
- 大小:36.00 KB
- 文档页数:1
水泥负压筛的修正系数
是用于校正筛分结果的一个重要参数。
在水泥行业中,负压筛主要用于检测和控制水泥颗粒的粒度分布,以保证水泥的品质。
修正系数的大小会影响到筛分结果的准确性。
根据参考资料,水泥负压筛的修正系数取值规范规定为 0.80。
这个系数的确定主要有以下几种方法:
1. 标准筛法:使用标准筛进行校准。
先称取标准粉 20g 放入要标定的负压筛中,按照标准操作,然后称取筛余物质,质量乘以 5 得出标准粉的细度。
用标准粉的真实细度除以得出的细度就是此筛的修正系数。
2. 标准粉法:使用标准粉进行校准。
将标准粉放入负压筛中,按照标准操作进行筛分,然后根据筛分结果计算出修正系数。
在实际应用中,修正系数记录表可以帮助工程师更好地监控和调整负压筛的工作状态,确保筛分结果的准确性。
通过定期校准和调整修正系数,可以提高水泥负压筛的筛分效果,从而提高水泥的品质。
修正系数并非越小越好。
过小的修正系数可能导致筛分结果偏低,从而影响水泥的性能。
因此,在调整修正系数时,需要综合考虑筛分设备的性能、水泥原料的粒度分布等因素,以达到合适的筛分效果。
水泥细度检验细则(负压筛法)一.依据标准:《水泥细度检验方法(筛析法)》(GB1345-2006)二.仪器设备:1.试验筛——45μm方孔筛或80μm方孔筛。
筛网符合GB/T6005R20/3 80μm,GB/T6005R20/3 45μm的要求。
负压筛应附有透明筛盖,筛盖与筛上应有良好的密封性。
2.负压筛析仪——负压可调范围为4000~6000Pa。
3.天平——最大称量值为100g,分度值不大于0.01g。
三.准备工作:将水泥样品充分拌匀,通过0.09mm方孔筛,记录筛余物情况,要防止过筛时间混进其他水泥。
四.方法步骤:1.筛析前,应把负压筛放座上,盖上筛盖,接通电源,检查控制系统,调节负压至4000~6000Pa范围内。
2.80μm筛析试验称取试样25g、45μm筛析试验取试样10g(W),精确至0.01g,置于洁净的负压筛中,盖上筛盖,放在筛座上,开动筛析仪连续筛析2min,在此期间如有试样附着在筛盖上,可用毛刷柄轻轻敲击,使试样落下。
筛毕,用天平称量全部筛余物(Ks)。
3.当工作负压小于4000Pa,应清理吸尘器内水泥,使负压正常。
五、计算:水泥试样的细度按下式计算:F (%)=100Wg Ks g )水泥试样质量()水泥筛余物质量( 计算结果精确到0.1%。
水泥安定性检验细则(标准法)一. 依据标准:《水泥标准稠度用水量、凝结时间、安定性检验方法》(GB/T1346-2001)。
二. 仪器设备:1. 水泥净浆搅拌机——符合JC/T729的要求。
2. 雷氏夹——由铜质材料制成,当一根指针的根部先悬挂在一根金属丝或尼龙丝上,另一根指针的根部再挂上300g 质量的砝码时,两根指针尖的距离增加应在17.5mm ±2.5mm 范围内,即2x=17.5mm ±2.5mm ,当去掉砝码后的针尖的距离能恢复至挂砝码前的状态。
3. 沸煮箱——有效容积约为410mm ×240 mm ×310 mm ,篦板的结构应不影响试验结果,篦板与加热器之间的距离大于50mm 。
简述水泥细度负压筛析法实验的步骤
一、实验目的
适用于测定水泥的细度,采用负压筛分分析方法,确定水泥的细度分布,为控制水泥的质量提供参考依据。
二、实验样品
水泥样品500g
三、实验准备
1、负压筛分仪:将气体(如空气)从滤芯上通过螺旋筛,通过调节压力以不同尺寸设定的面罩获得指定粒径质粒。
2、实验容器:桶、棒、镊子等容器。
3、实验仪器:网布、水度计、细砂筛等仪器。
4、质量标准对照:将采集的不同粒级混合土样进行实验。
四、实验步骤
1、样品处理:将水泥样品分解成比较细的颗粒,沉淀去掉沉淀物,筛除大颗粒,使沉淀物、大颗粒和细颗粒分离,然后用水将沉淀物清洗掉。
2、负压筛分:将细颗粒放入负压筛分仪容器内,调节压力,横向摆动碎石,由负压筛分仪仪表读取指定粒径下的质粒积累量,逐粒径进行筛分,直到实验样品完全筛分完毕。
3、实验结果计算:将筛分完毕的不同粒级混合土样,通过比质量法,根据Szegedi-Millner和标准梁梁曲线,计算出细度百分比和细度指数。
水泥细度负压筛校准规程
TYJCC-2007—8
一、概述
1。
1本方法适用于新得与使用过程得水泥负压标准筛修正系数自校、
1、2水泥就是用于负压测定水泥得细度,在标准筛孔检定周期内,使用一定得时间,由于水泥颗粒堵塞筛孔影响水泥筛余量,根据GB1346—2005水泥细度试验标准规定进行标准粉修正要求,特制定本规程。
二、技术要求
2。
1经计量单位检定合格得水泥负压筛析仪,数显时间控制器2min±5s;负压可调至4000Pa ~6000Pa。
2.2水泥细度筛无破洞现象,其修正系数应在0。
80~1、20范围内。
三、检测用标准器具
3、1天平:称量100g,分度值0.01g。
3、2细度标准粉、
四、校验方法
4、1目测检查橡胶密封圈就是否老化或损坏,确定筛析仪密封程度、
4、2打开电源开关,旋转调压风门,使仪器空运转就是否能达到负压4000Pa~6000Pa。
若达不到说明抽气效率不够,应检查吸尘器,清除水泥粉等工作至达到要求为止。
4。
3按水泥细度检验规程进行筛析校验。
五、结果处理
5。
1修正系数按下列计算:
C =Fn/ Fi
式中C—试验筛修正系数;
F n—标准粉给定得筛余百分数%;
F i—标准粉在试验筛上得筛余百分数%;
修正系数计算至0。
01。
六、附录
6。
1校验周期100次须修正一次、
6、2校验结果记录、
水泥细度试验筛修正系数校验记录表仪器编号:
批准: 审核: 检定:。
水泥标准筛检验方法
本规程适用于新的和使用中的水泥标准筛校验
(一)概述
水泥标准筛是用于按GB/T1345规定负压筛法测定水泥细度的专用筛,按JC/T728规定制造。
(二)技术要求
1、应有铭牌(内容包括名称、制造厂、型号规格、出厂编号、出厂日期)、合格证和说明书。
2、负压筛结构应符合GB/T1345规定,筛布应绷紧,不允许有皱褶、松弛、断丝、方孔成菱形等缺陷。
3、新筛外观不得有伤痕、脱焊或筛布堵塞等现象。
4、筛框有效直径:负压筛(150±1)mm;
高度:负压筛(25±1)mm。
5、新筛的修正系数应在(0.85~1.05)范围内,使用中的筛子修正系数在(0.85~1.15)范围内。
(三)校验用标准器具
1、游标卡尺:量程300mm,分度值0.5mm;
2、电子天平:量程1100g,精度0.01g;
3、细度标准粉(二级)。
(四)校验方法
1、技术要求第1~4条用目测和钢直尺测量。
2、技术要求第5条用标准粉按GB/T1345重复测定二次筛余来检验标准筛,当两次测定筛余差值大于0.2%时,应测定第三次,取二次筛余在0.2%以内的平均值和修正系数。
(五)校验结果评定
1、新筛必须全部符合技术要求。
2、使用中筛子符合技术要求第5条即认为合格。
(六)检定周期;测150个样品后。
水泥标准筛检验记录表。
水泥细度负压筛校准规程
TYJC C—2007—8
一、概述
1.1本方法适用于新的和使用过程的水泥负压标准筛修正系数自校。
1.2水泥是用于负压测定水泥的细度,在标准筛孔检定周期内,使用一定的时间,由于水泥颗粒堵塞筛孔影响水泥筛余量,根据GB1346—2005水泥细度试验标准规定进行标准粉修正要求,特制定本规程。
二、技术要求
2.1经计量单位检定合格的水泥负压筛析仪,数显时间控制器2min±5s;负压可调至4000 Pa ~6000Pa。
2.2水泥细度筛无破洞现象,其修正系数应在0.80~1.20范围内。
三、检测用标准器具
3.1天平:称量100g,分度值0.01g。
3.2细度标准粉。
四、校验方法
4.1目测检查橡胶密封圈是否老化或损坏,确定筛析仪密封程度。
4.2打开电源开关,旋转调压风门,使仪器空运转是否能达到负压4000Pa ~6000Pa。
若达不到说明抽气效率不够,应检查吸尘器,清除水泥粉等工作至达到要求为止。
4.3按水泥细度检验规程进行筛析校验。
五、结果处理
5.1修正系数按下列计算:
C = F n / F i
式中C—试验筛修正系数;
F n—标准粉给定的筛余百分数%;
F i—标准粉在试验筛上的筛余百分数%;修正系数计算至0.01。
六、附录
6.1校验周期100次须修正一次。
6.2校验结果记录。
水泥细度试验筛修正系数校验记录表仪器编号:
批准:审核:检定:。
水泥细度负压筛校准规程
TYJC C—2007—8
一、概述
1、1本方法适用于新的与使用过程的水泥负压标准筛修正系数自校。
1、2水泥就是用于负压测定水泥的细度,在标准筛孔检定周期内,使用一定的时间,由于水泥颗粒堵塞筛孔影响水泥筛余量,根据GB1346—2005水泥细度试验标准规定进行标准粉修正要求,特制定本规程。
二、技术要求
2、1经计量单位检定合格的水泥负压筛析仪,数显时间控制器2min±5s;负压可调至4000 Pa ~6000Pa。
2、2水泥细度筛无破洞现象,其修正系数应在0、80~1、20范围内。
三、检测用标准器具
3、1天平:称量100g,分度值0.01g。
3、2细度标准粉。
四、校验方法
4、1目测检查橡胶密封圈就是否老化或损坏,确定筛析仪密封程度。
4、2打开电源开关,旋转调压风门,使仪器空运转就是否能达到负压4000Pa ~6000Pa。
若达不到说明抽气效率不够,应检查吸尘器,清除水泥粉等工作至达到要求为止。
4、3按水泥细度检验规程进行筛析校验。
五、结果处理
5、1修正系数按下列计算:
C = F n / F i
式中C—试验筛修正系数;
F n—标准粉给定的筛余百分数%;
F i—标准粉在试验筛上的筛余百分数%; 修正系数计算至0、01。
六、附录
6、1校验周期100次须修正一次。
6、2校验结果记录。
水泥细度试验筛修正系数校验记录表仪器编号:
批准: 审核: 检定:。
水泥负压筛标定方法
嘿,大家知道水泥负压筛标定方法吗?这可是个超级重要的事儿呢!
首先来说说具体的步骤和要注意的地方。
先把水泥负压筛析仪安放在水平的地面上,检查各连接部分是不是牢固可靠,可不能有松动啊!然后呢,把负压筛放在筛座上,盖上筛盖,接通电源,调节负压到 4000~6000Pa 范围内。
接着称取一定量的标准样品,均匀地撒在筛网上,启动仪器,让它工作一段时间。
在这个过程中,要注意观察负压是不是稳定,筛网有没有堵塞等等。
这就好比是一场精细的手术,每个环节都得小心翼翼,不能有丝毫马虎呀!
再来说说过程中的安全性和稳定性。
这就像是走钢丝,必须得稳稳当当的。
在操作过程中,一定要严格按照操作规程来,确保仪器的正常运行和人员的安全。
要是有个小失误,那可不得了,就像是千里之堤毁于蚁穴一样,后果不堪设想啊!
水泥负压筛标定方法的应用场景那可多了去了。
在水泥厂、建筑工程等领域都有着广泛的应用。
它的优势也很明显呀,能够快速、准确地对水泥进行筛分,为工程质量提供可靠的保障。
这不就像是一把锋利的宝剑,能在关键时刻发挥巨大的作用嘛!
我给大家讲个实际案例吧。
有一次在一个大型建筑工地上,施工人员就是因为没有正确地进行水泥负压筛标定,导致水泥的质量出现了问题,最后不得不重新施工,浪费了大量的时间和金钱。
这就好比是一场比赛,因为一个小失误而输掉了全局,多可惜呀!
所以呀,水泥负压筛标定方法真的是太重要啦!大家可一定要重视起来,严格按照要求去做,这样才能保证工程的质量和安全呀!。
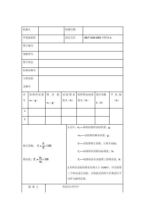
GB/T 1345-2005附录A(规范性附录)水泥实验筛的标定方式范围本附录所规定的方式适用于水泥实验筛的标定。
原理用标准样品在实验筛上的测定值,与标准样品的标准值的比值来反映实验筛筛孔的准确度。
实验条件A. 水泥细度标准样晶符合GSB 14-1511 要求,或相同品级的标准样品。
有争议时以GSB 14-1511 标准样品为准。
仪器设备符合本标准第5 章要求的相应设备。
被标定实验筛被标定实验筛应事前通过清洗,去污,干燥〈水筛除外)并和标定实验室温度一致。
标定A. 标定操作将标准样装入干燥干净的密闭广口瓶中,盖上盖子摇动2 分钟,排除结块。
静置2 分钟后,用一根干燥干净的搅拌棒搅句样品。
依照7. 1 称量标准样品精准至g ,将标准样品倒进被标定实验筛,中途不得有任何损失。
接着按或7. 3 或进行筛析实验操作。
每一个实验筛的标定应称取二个标准样品持续进行,中间不得插做其他样品实验。
标定结果二个样品结果的算术平均值为最终值,但当二个样品筛余结果相差大于%时应称第三个样品进行实验,并取接近的两个结果进行平均作为最终结果。
修正系数计算修正系数按下式计算:c= FJF,式中zC一一实验筛修正系数自F.一一标准样品的筛余标准值,单位为质量百分数c%) ;F, --标准样品在实验筛上的筛余值,单位为质量百分数c%) 。
计算至。
合格判定A. 当C 值在. 20 范围内时,实验筛可继续利用,C 可作为结果修正系数。
当C 值超出. 20 范围时,实验筛应予淘汰。
水泥细度检验细则负压筛法
一、依据标准:《水泥细度检验方法筛析法》GB/T 1345—2005。
二、仪器设备:
1、试验筛由圆形筛框和筛网组成,筛网符合GB/T 6005 R20/3 80µm, GB/T 6005 R20/3 45µm。
负压筛应附有透明筛盖,筛盖与筛上口应有良好的密封性。
2、负压筛析仪负压可调范围为4000~6000Pa。
3、天平最大称量为100g,最小分度值不大于0.01g。
三、准备工作:
将水泥样品充分拌匀,通过0.9 mm方孔筛,记录筛余物情况,要防止过筛时混进其他水泥。
四、方法步骤:1、筛析试验前,应把负压筛放在筛座上,盖上筛盖,接通电源,检查控制系统,调节负压至4000~6000Pa范围内。
2、称取试样25g,置于洁净的负压筛中,盖上筛盖,放在筛座上,开动筛析仪连续筛析2min,在此期间如有水泥试样附着在筛盖上,可用毛刷柄轻轻敲击,使试
样落下。
筛毕,用天平称量筛余物。
3、当工作负压小于4000Pa ,应清理吸尘器内水泥,使负压正常。
五、计算:水泥试样的细度按下式计算:
F (%)= ×100
计算结果精确到0.1%。
水泥筛余物质量(g )R t
水泥试样质量(g )W。
一. 目的检测细度,指导检测员按规程正确操作,保证检测结果科学、准确。
二.检测参数及执行标准细度。
执行标准:GB/T 1345—2005《水泥细度检验方法-筛析法》;GB 50204—2002《混凝土结构工程施工质量验收规范》中7.2.1条。
三. 适用范围矿渣硅酸盐水泥、火山灰质硅酸盐水泥、粉煤灰硅酸盐水泥、复合硅酸盐水泥、砌筑水泥、白色硅酸盐水泥、粉煤灰、建筑石灰、膨胀剂的细度检测。
四.职责检测员必须执行国家标准,按照作业指导书操作,边做试验边做好记录,编制检测报告,并对数据负责。
五.样本大小及抽样方法取样方法按GB12573进行。
可连续取,亦可从20个以上不同部位取等量样品,总量至少12kg。
六.仪器设备负压筛析仪:型号:SFY-03X型,编号:JC521。
电子天平:编号:JC601,精度0.01g。
试验筛:0.08mm、0.045mm、0.900mm、0.125mm的方孔筛。
毛刷、小勺、称量用小托盘、广口瓶、搅拌棒、小锤。
七.环境条件操作室:20±2℃,相对湿度:不低于50%。
八. 检测步骤及数据处理1.水泥、膨胀剂1)试验前所用试验筛应保持清洁,负压筛应保持干燥。
试验时,0.08mm筛析试验称取试样W=25g,0.045mm筛析试验称取试样10g。
2)筛析试验前应把负压筛放在筛座上,盖上筛盖,接通电源,检查控制系统,调节负压至4000Pa~6000Pa范围内。
称取试样精确至0.01g,置于洁净的负压筛中,放在筛座上,盖上筛盖,接通电源,开动筛析仪连续筛析2min,在此期间如有试样附着在筛盖上,可用小锤轻轻地敲击筛盖使试样落下。
筛毕,用天平称量全部筛余物(R S)。
2.粉煤灰(1)称取试样W=10g,精确至0.01g。
倒入0.045mm方孔筛筛网上,将筛子放置于筛座上,盖上筛盖。
(2)接通电源,将定时开关开到3min,开始筛析。
(3)开始工作后,观察负压表,使负压稳定在4000Pa-6000Pa。
.
精选范本
水泥试验筛的标定方法
一 技术要求
用标准样品在试验筛上的测定值,与标准样品的标准值的比值来反映试验筛孔的准确度。
水泥细度标准样品应符合GSB 14-1511要求,或相同等级的标准样品。
有争议时以GSB 14-1511标准样品为准。
按本规范JTG E30-2005(T0502-2005)第4条试验步骤测定标准样在试验筛上的筛余百分数。
每个试验筛的标定应称取两个标准样品连续进行,中间不得插做其它样品试验。
二 标定结果:
两个样品结果的算术平均值为最终值,但当两个样品筛余结果相差大于0.3%时,应称取第三个样品进行试验,并取接近的两个结果进行平均作为最终结果。
三 试验筛修正系数按以下公式计算:
C = F n / F t
式中: C — 试验筛修正系数;
F n — 标准样品的筛余标准值(%);
F t — 标准样品在试验筛上的筛余值(%)。
修正系数计算精确至0.01。
注:修正系数C 在0.80~1.20范围内时,试验筛可继续使用,C 可作为结果修正系数;当C 值超出0.80~1.20范围时,试验筛应予以淘汰。
四 水泥试样筛余百分数结果修正按以下公式计算:
F c = C ·F
式中: F c — 水泥试样修正后的筛余百分数(%);
C — 试验筛修正系数;
F — 水泥试样修正前的筛余百分数(%)。