顶管施工计算书
- 格式:docx
- 大小:117.34 KB
- 文档页数:10
目录顶管顶力、工作井及接收井计算书第一章 顶管顶力计算书一、结构计算依据.国家现行的建筑结构设计规范、规程行业标准以及广东省及肇庆市建筑行业强制性标准规范、规程(给水排水管道工程施工及验收规范 GB50268-2008)。
.工程性质为管线构筑物,兴建地点肇庆市端州区城西,管道埋深~米。
钢筋及砼强度等级取值: (1) 钢筋HPB300级钢筋强度设计值fy=fy ′=270N/ mm 2 HRB400级钢筋强度设计值fy=fy ′=360N/ mm 2 (2) 三级混凝土管fc= mm 2 本工程地下水埋深为~。
二、1000直径管涵顶力计算 .推力计算 管径D 1= 综合摩擦阻力根据取 f k =6 kPa管外周长 S==×=顶入管总长度L=70m 管壁厚t= 土的重度3s m /kN 18=γ 管道覆土层厚度Hs=顶管机迎面阻力65.1kN 2.3182.1414.342s s 2g =⨯⨯⨯==H D N F γπ管线总顶力计算:F k 10f N L D F +=π=××70×6+=钢筋混凝土管顶管传力面允许最大顶力计算:NA f F p c Qd dk k 2.31203120215.6N )10001200(414.31.2379.03.185.005.19.05.05.0225321==-⨯⨯⨯⨯⨯⨯⨯==φλφφφkN 2.3120F 2141.958kN 3.11647.663.1dk 0==⨯=⨯<F满足要求三、1200直径管涵顶力计算(参数取值采用1000直径管涵顶力计算) .推力计算 管径D 1=综合摩擦阻力 f k =6 kPa 管外周长 S==×=顶入管总长度L=85m 管壁厚t= 土的重度3s m /kN 18=γ 管道覆土层厚度Hs= 顶管机迎面阻力217.58kN 426.71844.1414.342s s 2g =⨯⨯⨯==H D N F γπ管线总顶力计算:F k 10f N L D F +=π=××85×6+= 钢筋混凝土管顶管传力面允许最大顶力计算:NA f F p c Qd dk k 11.44934493110.5N )12001440(414.31.2379.03.185.005.19.05.05.0225321==-⨯⨯⨯⨯⨯⨯⨯==φλφφφ kN 11.4493F 3280.68kN 3.1596.25233.1dk 0==⨯=⨯<F满足要求第二章 工作井及接收井计算一、设计条件 工程概况本计算书为肇庆市端州区蓝带公司污水管网建设工程顶管工作井、接收井结构设计,工作井、接收井施工方法采用逆作法,即先进行四周外侧及井底的水泥搅拌桩施工,桩身达到设计强度后,再开挖基坑施工护壁成井。
目录顶管顶力、工作井及接收井计算书 (1)第一章顶管顶力计算书 (1)一、结构计算依据 (1)二、1000直径管涵顶力计算 (1)三、1200直径管涵顶力计算(参数取值采用1000直径管涵顶力计算) (4)第二章工作井及接收井计算 (4)一、设计条件 (4)二、井壁水平框架的内力计算及结构配筋计算 (6)三、抗浮验算 (11)四、地基承载力验算 (12)顶管顶力、工作井及接收井计算书第一章顶管顶力计算书一、结构计算依据1.1.国家现行的建筑结构设计规范、规程行业标准以及广东省及肇庆市建筑行业强制性标准规范、规程(给水排水管道工程施工及验收规范GB50268-2008)。
1.2.工程性质为管线构筑物,兴建地点肇庆市端州区城西,管道埋深3.028~7.426米。
1.3钢筋及砼强度等级取值:(1)钢筋HPB300级钢筋强度设计值fy=fy′=270N/ mm2HRB400级钢筋强度设计值fy=fy′=360N/ mm2(2)三级混凝土管fc=23.1N/ mm21.4本工程地下水埋深为0.3~4.5m。
二、1000直径管涵顶力计算2.1.推力计算管径D1=1.0m综合摩擦阻力根据取 f k =6 kPa管外周长 S=3.14d=3.14×1.2= 3.768m 顶入管总长度L=70m 管壁厚t=0.1m 土的重度3s m /kN 18=γ 管道覆土层厚度Hs=3.2m 顶管机迎面阻力65.1kN 2.3182.1414.342s s 2g =⨯⨯⨯==H D N F γπ管线总顶力计算:F k 10f N L D F +=π=3.14×1.2×70×6+65.1=1647.66kN钢筋混凝土管顶管传力面允许最大顶力计算:NA f F pc Qd dk k 2.31203120215.6N )10001200(414.31.2379.03.185.005.19.05.05.0225321==-⨯⨯⨯⨯⨯⨯⨯==φλφφφkN 2.3120F 2141.958kN 3.11647.663.1dk 0==⨯=⨯<F满足要求三、1200直径管涵顶力计算(参数取值采用1000直径管涵顶力计算) 3.1.推力计算 管径D 1=1.2m 综合摩擦阻力 f k =6 kPa管外周长 S=3.14D=3.14×1.44= 4.5216m 顶入管总长度L=85m 管壁厚t=0.12m 土的重度3s m /kN 18=γ 管道覆土层厚度Hs=7.426m 顶管机迎面阻力217.58kN 426.71844.1414.342s s 2g =⨯⨯⨯==H D N F γπ管线总顶力计算:F k 10f N L D F +=π=3.14×1.44×85×6+217.58= 2523.596kN 钢筋混凝土管顶管传力面允许最大顶力计算:NA f F p c Qd dk k 11.44934493110.5N )12001440(414.31.2379.03.185.005.19.05.05.0225321==-⨯⨯⨯⨯⨯⨯⨯==φλφφφ kN 11.4493F 3280.68kN 3.1596.25233.1dk 0==⨯=⨯<F满足要求第二章 工作井及接收井计算一、设计条件1.1工程概况本计算书为肇庆市端州区蓝带公司污水管网建设工程顶管工作井、接收井结构设计,工作井、接收井施工方法采用逆作法,即先进行四周外侧及井底的水泥搅拌桩施工,桩身达到设计强度后,再开挖基坑施工护壁成井。
顶管计算书一、顶管顶力计算根据《给水排水管道工程施工及验收规范》GB50268中采用公式Fp=πD0Lfk+NF式中Fp---计算的总顶进阻力(KN)D0管道外径(m)L顶进长度(m)fk管道外壁与土的单位面积平均阻力(KN/m2)NF 顶管机的迎面阻力NF=лDg2HS/4:土的容重(KN/m3)取19.5 KN/m3HS 覆盖土层厚度(m)Dg顶管机外径(m)将顶进222m,管道外径2.2m,顶管机外径2.2m,fk 取5KN/m2,带入上述公式计算Fp=3.1415*2.2*222*5+3.1415*2.2*19.5*14.1/4=8146.6KN 因此总推力大于9000KN,即大于900t可满足顶管施工。
二、顶管后背墙稳定性计算1、后背墙要求:4.5m×4.5m×0.6m(采用钢筋混凝土);2、后背铁要求:4.5m×3.5m×0.2m(采用箱式结构)。
工作井后背的受力分析分析见图工作井后背受力分析图反力R应为总推力P的1.2~1.6倍,确保安全R=B(γH2KP/2+2cH KP1/2+γhH KP)式中:R:总推力之反力(KN)α:系数(取1.5~2.5之间)取1.5B:后座墙的宽度取4.5米γ:土的容重(KN/m3)取20.5 KN/m3H:后座墙的高度(米)取5米KP:被动土压系数为 tg2(45︒+φ/2) φ取26︒c:土的内聚力(KPa)取24 KPah:地面到后座墙顶部土体的高度(m)取4.5米代入得:R =αB(γH2KP/2+2cH KP1/2+γhH KP)=1.5⨯5⨯[20.5⨯4.52tg2(45︒+26︒/2)/2+2⨯24⨯4.5⨯tg(45︒+26︒/2)+20.5⨯4.5⨯5⨯tg2 (45︒+26︒/2) ]=7.5⨯(532+345+1063)=14550KN4口250T油缸总顶力10000 KNR/P=14550/10000=1.455可确保安全工作井后背以钢筋混凝土浇筑墙体为后背墙,底板施工中应预留钢筋,后背墙钢筋与预留钢筋连接,与底板形成整体。
目录目录 0顶管顶力、工作井及接收井计算书 (1)第一章顶管顶力计算书 (1)一、结构计算依据 (1)二、1000直径管涵顶力计算 (1)三、1200直径管涵顶力计算(参数取值采用1000直径管涵顶力计算) (3)第二章工作井及接收井计算 (4)一、设计条件 (4)二、井壁水平框架的内力计算及结构配筋计算 (5)三、抗浮验算 (10)四、地基承载力验算 (11)顶管顶力、工作井及接收井计算书第一章顶管顶力计算书一、结构计算依据1.1.国家现行的建筑结构设计规范、规程行业标准以及广东省及肇庆市建筑行业强制性标准规范、规程(给水排水管道工程施工及验收规范GB50268-2008)。
1.2.工程性质为管线构筑物,兴建地点肇庆市端州区城西,管道埋深3.028~7.426米。
1.3钢筋及砼强度等级取值:(1)钢筋HPB300级钢筋强度设计值fy=fy′=270N/ mm2HRB400级钢筋强度设计值fy=fy′=360N/ mm2(2)三级混凝土管fc=23.1N/ mm21.4本工程地下水埋深为0.3~4.5m。
二、1000直径管涵顶力计算2.1.推力计算管径D1=1.0m综合摩擦阻力根据取f k=6 kPa管外周长S=3.14d=3.14×1.2=3.768m顶入管总长度L=70m 管壁厚t=0.1m土的重度3s m /kN 18=γ 管道覆土层厚度Hs=3.2m 顶管机迎面阻力65.1kN 2.3182.1414.342s s 2g =⨯⨯⨯==H D N F γπ管线总顶力计算:F k 10f N L D F +=π=3.14×1.2×70×6+65.1=1647.66kN钢筋混凝土管顶管传力面允许最大顶力计算:NA f F p c Qd dk k 2.31203120215.6N )10001200(414.31.2379.03.185.005.19.05.05.0225321==-⨯⨯⨯⨯⨯⨯⨯==φλφφφkN 2.3120F 2141.958kN 3.11647.663.1dk 0==⨯=⨯<F满足要求三、1200直径管涵顶力计算(参数取值采用1000直径管涵顶力计算) 3.1.推力计算 管径D 1=1.2m 综合摩擦阻力 f k =6 kPa管外周长 S=3.14D=3.14×1.44= 4.5216m 顶入管总长度L=85m 管壁厚t=0.12m 土的重度3s m /kN 18=γ 管道覆土层厚度Hs=7.426m 顶管机迎面阻力217.58kN 426.71844.1414.342s s 2g =⨯⨯⨯==H D N F γπ管线总顶力计算:F k 10f N L D F +=π=3.14×1.44×85×6+217.58= 2523.596kN 钢筋混凝土管顶管传力面允许最大顶力计算:NA f F p c Qd dk k 11.44934493110.5N )12001440(414.31.2379.03.185.005.19.05.05.0225321==-⨯⨯⨯⨯⨯⨯⨯==φλφφφ kN 11.4493F 3280.68kN 3.1596.25233.1dk 0==⨯=⨯<F满足要求第二章 工作井及接收井计算一、设计条件1.1工程概况本计算书为肇庆市端州区蓝带公司污水管网建设工程顶管工作井、接收井结构设计,工作井、接收井施工方法采用逆作法,即先进行四周外侧及井底的水泥搅拌桩施工,桩身达到设计强度后,再开挖基坑施工护壁成井。
顶管计算书(混凝土管)一、设计条件计算为不开槽顶管施工为检查井W152至W155段管,基本参数如下:内径D0=1.00m管壁厚度t=0.10m选用等级:Ⅲ级γ1=1.20γ2=1.27支撑角2a=120°覆土深度H S=3.60m 管内水重力密度γw=10kN/m3K aμ=0.11 参照CECS 246:2008的6.2.1取钢筋混凝土管重力密度γc=26kN/m3K0=0.50管底土层内摩擦角ψ=30°覆土平均重力密度γs=18kN/m3C=0.0kPa二、荷载计算1、永久作用1.1管自重:管自重标准值:G0k=γcπ(D0+t)t=9.0kN/m设计值:G0=γ1G0k=10.8kN/m1.2管内水重:管内水重标准值:G wk=γwπ(D0/2)2=7.9kN/m设计值:G w=γ2G wk=10.0kN/m1.3管顶土压力:H S/D1=H S/(D0+2t)=3.00c je=0.73竖向土压力标准值:F SV,k=C jeγs H s D1=56.8kN/m设计值:F sv=γ2F sv,k=72.1kN/m1.3管侧土压力:标准值:F ep,k=K0(F sv,k/D1+γs+D1/2)=33.0kN/mp ep,k=F rp,k D1=39.5kN/m2、可变作用2.1地面堆积荷载:q mk=10kN/m2q mk D1=12kN/m设计傎q m D1=16.8kN/m三、圆管内力分析管底弯矩最大时,地基土支撑角取2a=120°-30°=90°查表得:k m0=0.123k mw=0.123k mv=0.178k mp=-0.1253.1满水时:M A=∑k mi p iγc=(D0+t)[k mo G0+k mw G w+k mv(F sv+q m D1)+k mp p ep,k]/2==14.8kN/mM A,k=∑k mi p iγc=(D0+t)[k mo G0k+k mw G wk+k mv(F sv,k+q mk D1)+k mp p ep,k]/2==11.2kN/m3.2空水时:M A=∑k mi p iγc=(D0+t)[k mo G0+k mv(F sv+q m D1)+k mp p ep,k]/2==13.4kN/mM A,k=∑k mi p iγc=(D0+t)[k mo G0k+k mv(F sv,k+q mk D1)+k mp p ep,k]/2==10.1kN/m3.3计算取值:M A=14.8kN/m M A,k=11.2kN/m四、核定圆管的荷载查表知,预制钢筋混凝土管的破坏荷载为:179kN/mp=2M A/0.318(D0+t)=84kN/m<197kN/m,满足要求。
目录顶管顶力、工作井及接收井计算书 (1)第一章顶管顶力计算书 (1)一、结构计算依据 (1)二、1000直径管涵顶力计算 (1)三、1200直径管涵顶力计算(参数取值采用1000直径管涵顶力计算) (3)第二章工作井及接收井计算 (4)一、设计条件 (4)二、井壁水平框架的内力计算及结构配筋计算 (5)三、抗浮验算 (10)四、地基承载力验算 (11)顶管顶力、工作井及接收井计算书第一章 顶管顶力计算书一、结构计算依据1.1.国家现行的建筑结构设计规范、规程行业标准以及广东省及肇庆市建筑行业强制性标准规范、规程(给水排水管道工程施工及验收规范 GB50268-2008)。
1.2。
工程性质为管线构筑物,兴建地点肇庆市端州区城西,管道埋深3。
028~7。
426米。
1。
3钢筋及砼强度等级取值: (1) 钢筋HPB300级钢筋强度设计值fy=fy ′=270N/ mm 2 HRB400级钢筋强度设计值fy=fy ′=360N/ mm 2 (2) 三级混凝土管fc=23.1N/ mm 2 1.4本工程地下水埋深为0。
3~4。
5m 。
二、1000直径管涵顶力计算 2。
1。
推力计算 管径D 1=1。
0m 综合摩擦阻力根据取 f k =6 kPa管外周长 S=3。
14d=3.14×1。
2= 3.768m 顶入管总长度L=70m 管壁厚t=0。
1m 土的重度3s m /kN 18=γ管道覆土层厚度Hs=3.2m 顶管机迎面阻力65.1kN 2.3182.1414.342s s 2g =⨯⨯⨯==H D N F γπ管线总顶力计算:F k 10f N L D F +=π=3.14×1.2×70×6+65。
1=1647.66kN钢筋混凝土管顶管传力面允许最大顶力计算:NA f F p c Qd dk k 2.31203120215.6N )10001200(414.31.2379.03.185.005.19.05.05.0225321==-⨯⨯⨯⨯⨯⨯⨯==φλφφφkN 2.3120F 2141.958kN 3.11647.663.1dk 0==⨯=⨯<F满足要求三、1200直径管涵顶力计算(参数取值采用1000直径管涵顶力计算) 3。
目录顶管顶力、工作井及接收井计算书 (1)第一章顶管顶力计算书 (1)一、结构计算依据 (1)二、 1000 直径管涵顶力计算 (1)三、1200 直径管涵顶力计算 ( 参数取值采用1000 直径管涵顶力计算) (3)第二章工作井及接收井计算 (4)一、设计条件 (4)二、井壁水平框架的内力计算及结构配筋计算 (5)三、抗浮验算 (10)四、地基承载力验算 (11)顶管顶力、工作井及接收井计算书第一章顶管顶力计算书一、结构计算依据1.1. 国家现行的建筑结构设计规范、规程行业标准以及广东省及肇庆市建筑行业强制性标准规范、规程(给水排水管道工程施工及验收规范GB50268-2008)。
1.2. 工程性质为管线构筑物,兴建地点肇庆市端州区城西,管道埋深 3.028 ~7.426 米。
1.3 钢筋及砼强度等级取值:(1)钢筋HPB300级钢筋强度设计值2 fy=fy ′=270N/ mmHRB400级钢筋强度设计值2 fy=fy ′=360N/ mm2(2)三级混凝土管 fc=23.1N/ mm1.4 本工程地下水埋深为0.3 ~4.5m。
二、 1000 直径管涵顶力计算2.1. 推力计算管径 D1=1.0m综合摩擦阻力根据取 f k=6 kPa管外周长S=3.14d=3.14 ×1.2= 3.768m 顶入管总长度 L=70m管壁厚t=0.1m 土的重度s18kN / m 3管道覆土层厚度 Hs=3.2m顶管机迎面阻力 N F D g2 s Hs3.141.22 18 3.2 65.1kN4 4管线总顶力计算 : F0 π D1Lf k N F=3.14×1.2×70×6+65.1=1647.66kN钢筋混凝土管顶管传力面允许最大顶力计算:F dk 0.5 1 2 3 f c A p 0.5 0.9 1.05 0.85 23.1 3.14 (12002 10002 )Qd 51.3 0.79 43120215.6N 3120.2kNF0 1.3 1647.66 1.3 2141.958kN < F dk3120.2kN满足要求三、 1200 直径管涵顶力计算 ( 参数取值采用 1000 直径管涵顶力计算 )3.1. 推力计算管径 D1=1.2m综合摩擦阻力 f k=6 kPa管外周长S=3.14D=3.14 ×1.44= 4.5216m顶入管总长度 L=85m 管壁厚 t=0.12m土的重度s 18kN / m 3管道覆土层厚度 Hs=7.426m顶管机迎面阻力 N F D g2 s Hs3.141.442 18 7.426 217.58kN4 4管线总顶力计算 : F0 π D1 Lf k N F=3.14×1.44×85×6+217.58= 2523.596kN 钢筋混凝土管顶管传力面允许最大顶力计算:Fdk 0.5123 f c A p 0.5 0.9 1.05 0.85 23.1 3.14(14402 12002 )Qd 51.3 0.79 4 4493110.5N 4493.11kNF0 1.3 2523.596 1.3 3280.68kN < F dk 4493.11kN 满足要求第二章工作井及接收井计算一、设计条件1.1 工程概况本计算书为肇庆市端州区蓝带公司污水管网建设工程顶管工作井、接收井结构设计,工作井、接收井施工方法采用逆作法,即先进行四周外侧及井底的水泥搅拌桩施工 , 桩身达到设计强度后 , 再开挖基坑施工护壁成井。
一、结构计算依据1、国家现行的建筑结构设计规范、规程行业标准以及广东省及东莞市建筑行业强制性标准规范、规程;2、由深圳地质建设工程公司提供的补充勘察报告;3、工程性质为管线构筑物,兴建地点东莞市长安镇,管道埋深~米;4、本工程设计合理使用年限为五十年,抗震设防烈度为七度;5、管顶地面荷载取值为:汽-20;6、钢筋及砼强度等级取值:(1)钢筋Ф—HPB235级钢筋强度设计值fy=fy′=210N/ mm2Ф—HRB335级钢筋强度设计值fy=fy′=300N/ mm2(2)砼:采用C20、C25;7、本工程地下水埋深为~;8、本计算未采用专业计算软件;二、800直径管涵顶力计算1、推力计算管径D=1综合摩擦阻力 R=5 kPa顶入管总长度L=150m 管壁厚t=顶入管每米重量W={/4}X22=m管涵与土之间摩擦系数f=每米管子与土层之间的综合摩擦阻力 f 011kN/m初始推力 F0=Pe+Pw+△P4B 2c=150++20= kN 总推力 F= F 0+ f 0L=+=2、壁板后土抗力计算:顶管力至刃脚底的距离:h f =3m 沉井中心半径 r c =q Amax =4 Pt/3 r c h f 7kpaq A =/9= kpaM A ==3 后背土体的稳定计算:主动土压力标准值Fep,k= tg 245°-235.+ tg 245°-235︒x10= kN/m 2 被动土压力标准值Fp,k= tg 245°+235︒.+ tg 245°+235︒x10=250 kN/m 2 h p =H/3=3= m§= hf -︳hf- hp︳/ hf=Ptk=≤§二、1000直径管涵顶力计算1、推力计算管径D1=综合摩擦阻力 R=5 kPa顶入管总长度L=150m 管壁厚t=顶入管每米重量W={/4}X22=m管涵与土之间摩擦系数f=每米管子与土层之间的综合摩擦阻力 fkN/m 初始推力 F0=Pe+Pw+△P4B2c=150++20= kN总推力 F= F0+ fL=+= kN2、壁板后土抗力计算:顶管力至刃脚底的距离:hf = 沉井中心半径 rc=qAmax =4 Pt/3 rchf0kpaq A = kpaM A ==3 后背土体的稳定计算:主动土压力标准值Fep,k= tg 245°-235.+ tg 245°-235︒x10= kN/m 2被动土压力标准值Fp,k= tg 245°+235︒.+ tg 245°+235︒x10= kN/m 2 h p =H/3=3= m§= h f -︳h f - h p ︳/ h f =Ptk=≤ §三、1200直径管涵顶力计算1、推力计算管径D 1=综合摩擦阻力 R=5 kPa顶入管总长度L=150m 管壁厚t=顶入管每米重量W={/4}X22=m管涵与土之间摩擦系数f=每米管子与土层之间的综合摩擦阻力 f 0 kN/m初始推力 F0=Pe+Pw+△P4B 2c=150++20= kN总推力 F= F 0+ f 0L=+= kN2、壁板后土抗力计算:顶管力至刃脚底的距离:h f = 沉井中心半径 r c =q Amax =4 Pt/3 r c h f 14=q A =M A ==3 后背土体的稳定计算:主动土压力标准值Fep,k= tg 245°-235.+ tg 245°-235︒x10= kN/m 2被动土压力标准值Fp,k= tg 245°+235︒.+ tg 245°+235︒x10= kN/m 2 h p =H/3=3=§= h f -︳h f - h p ︳/ h f =Ptk=≤ §四、1400直径管涵顶力计算1、推力计算管径D 1=综合摩擦阻力 R=5 kPa顶入管总长度L=150m 管壁厚t=顶入管每米重量W={/4}X22=m管涵与土之间摩擦系数f=每米管子与土层之间的综合摩擦阻力 f 0kN/m初始推力 F0=Pe+Pw+△P4B 2c=150++20= kN总推力 F= F 0+ f 0L=+=2、壁板后土抗力计算:顶管力至刃脚底的距离:h f = 沉井中心半径 r c =q Amax =4 Pt/3 r c h f =q A =M A == 后背土体的稳定计算:主动土压力标准值Fep,k= tg 245°-235.+ tg 245°-235 x10= kN/m 2被动土压力标准值Fp,k= tg 245°+235︒.+ tg 245°+235︒x10= kN/m 2 h p =H/3=3=§= h f -︳h f - h p ︳/ h f =Ptk=≤ §五、1500直径管涵顶力计算1、推力计算管径D 1=综合摩擦阻力 R=5 kPa顶入管总长度L=150m 管壁厚t=顶入管每米重量W={/4}X22=m管涵与土之间摩擦系数f=每米管子与土层之间的综合摩擦阻力 f 0=RS+Wf=kN/m初始推力 F0=Pe+Pw+△P4B 2c=150++20=总推力 F= F 0+ f 0L=+= kN2、壁板后土抗力计算:顶管力至刃脚底的距离:h f = 沉井中心半径 r c =q Amax =4 Pt/3 r c h f =4xq A =M A ==3 后背土体的稳定计算:主动土压力标准值Fep,k= tg 245°-235.+ tg 245°-235︒x10= kN/m 2被动土压力标准值Fp,k= tg 245°+235︒.+ tg 245°+235︒x10=m 2h p =H/3=3=§= h f -︳h f - h p ︳/ h f =Ptk=≤§六、1600直径管涵顶力计算1、推力计算管径D 1=综合摩擦阻力 R=5 kPa顶入管总长度L=150m 管壁厚t=顶入管每米重量W={/4}X22=m管涵与土之间摩擦系数f=每米管子与土层之间的综合摩擦阻力 f 0 kN/m初始推力 F0=Pe+Pw+△P4B 2c=150++20=总推力 F= F 0+ f 0L=+=2、壁板后土抗力计算:顶管力至刃脚底的距离:h f = 沉井中心半径 r c =q Amax =4 Pt/3 r c h fq A =M A == 后背土体的稳定计算:主动土压力标准值Fep,k= tg 245°-235.+ tg 245°-235︒x10= kN/m 2被动土压力标准值Fp,k= tg 245°+235︒.+ tg 245°+235︒x10=m 2h p =H/3=3=§= h f -︳h f - h p ︳/ h f =Ptk=≤§七、2000直径管涵顶力计算1、推力计算管径D1=综合摩擦阻力 R=5 kPa顶入管总长度L=150m 管壁厚t=顶入管每米重量W={/4}X22=m管涵与土之间摩擦系数f=每米管子与土层之间的综合摩擦阻力 fkN/m 初始推力 F0=Pe+Pw+△P4B2c=150++20=总推力 F= F0+ fL=+=沉井下沉及结构计算一、Φ7000直径沉井本井为工作井,地下水位按地面以下计施工期间由于地质条件较差,在沉井范围内均为淤泥层,沉井考虑分两段施工 ;1 基础资料:单位摩阻力fk=10Kpa,地基承载力特征值考虑到地基在沉井处采用了搅拌桩处理,取为150Kpa;采用C25砼,钢筋为HPB235,HRB335;土天然容重取为m,内摩擦角Φ=°.2. 下沉计算:下沉过程中水的浮托力标准值:Ffw,k= kN井壁总摩阻力标准值:沉井自重标准值X25= kN下沉系数:Kst=G1k-Ffw,k/ Fsk=/=>满足规范要求3. 下沉稳定计算:由于下沉系数较小,沉井壁周围和刃脚下布有搅拌桩,因此下沉稳满足要求;4. 抗浮稳定计算:a.施工阶段沉井自重标准值G K =+4π×72××25= 基底的水浮力标准值:Ff b w,k =2=抗浮系数:K fw =k f b w F G K ==>满足要求 b. 使用阶段由于使用阶段井顶板有覆土,可满足要求;5. 刃脚计算:tg θ=3.02.1=4 θ=°d 1=θg t 22.1-θtg 0.25120.160.1+⨯+⨯3×+2×=-= Rj =××25=mP1=θtg 25.020.10.14.67⨯+⨯tg θ-β0= 其中 β0=20 M1=×-30.1+×= ××25=F ep1××tg 245°-20.5︒+×10=m 2F ˊepe ××tg 245°-20.5︒+×10=m 2 M 1=61×2×+×=mN θ=P1r c =×2= kN6. 沉井下沉考虑采用垫木支承支承时井壁内力计算:M 0=×πg ×r c 2=×π××=m/mMs =-πg r c 2=m/mTmax =πg r c 2=m/mVmax =πg r c =7. 井壁水平内力计算:ωˊ=A B ρρ-1 ρB =10tg 245°-20.5︒+×45°-20.5︒=m 2 ρA =10tg 245°-212︒+×45°-212︒=m 2 ωˊ=5.1024.130-1= N A =××1+×=mN B =××1+×=mM A =×××=m/mM B =-×××=m/m8. 水下封底计算:P k =20.744.3998⨯π=m 2 M=××=m/mh =1.11000103.29372.56⨯⨯⨯+300=1234mm 取h =1800mm9. 底板受力计算:按周边铰支圆板计算P k =20.744.3998⨯π=m 2 径向弯矩 M rK =K r P k r 2环向弯矩 M tk =K t P k r 2P k r 2=×2=中间 M rk =M tk =×=m/m 底板上部受拉10.配筋计算:刃脚 竖向钢筋As =3009.111.1⨯×1000×550×1-2655010009.111.1106.14027.121⨯⨯⨯⨯⨯⨯-=1105mm 2 按最小配筋率计算: As =%×1000×550=825mm 2 设计配筋满足环向配筋:As =3001.1107.13027.13⨯⨯⨯=609mm 2 设计配筋满足 11. 井壁在施工阶段的计算:拉断计算;由于本工程地质情况较差,大部分位于较弱土层,因竖向筋布置较多,因此,拉断计算可不做;12. 井壁及底板强度计算和正常使用极限状态计算,查手册,配筋详结构图;13. 本工程由于沉井施工的井高段地质情况地下水位均较复杂,但由于本工程沉井计算典型井中结构主要时由抗浮来控制,结构配筋主要是构造配筋;因此,沉井结构是安全的;如局部地段地下水位过高,施工中可采取临时降水等措施解决;。
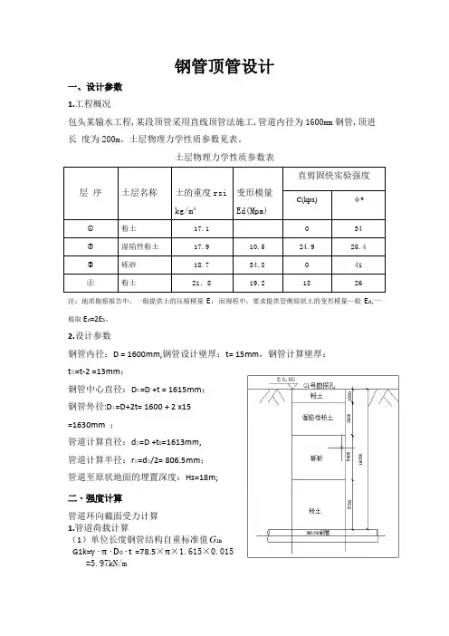
钢管顶管设计一、设计参数1.工程概况包头某输水工程,某段顶管采用直线顶管法施工,管道内径为1600mm钢管,顶进长度为200m。
土层物理力学性质参数见表。
土层物理力学性质参数表层序土层名称土的重度rsikg/m³变形模量Ed(Mpa)直剪固快实验强度C(kpa) φᵒ①粉土17.1 0 34②湿陷性粉土17.9 10.5 24.9 25.4③砾砂18.7 34.8 0 41④粉土21.8 19.2 18 26 注:地质勘察报告中,一般提供土的压缩模量E,而规程中,要求提供管侧原状土的变形模量—般E d,一般取E d=2E S。
2.设计参数钢管内径:D = 1600mm,钢管设计壁厚:t= 15mm,钢管计算壁厚:t0=t-2 =13mm;钢管中心直径:D0=D +t = 1615mm;钢管外径:D1=D+2t= 1600 + 2 x15=1630mm ;管道计算直径:d0=D +t0=1613mm,管道计算半径:r0=d0/2= 806.5mm;管道至原状地面的埋置深度:Hs=18m;二、强度计算管道环向截面受力计算1.管道荷载计算(1)单位长度钢管结构自重标准值k1GG1k=γ∙π∙D0 ∙t=78.5×π×1.615×0.015=5.97kN/m(2)管道竖向土压力计算标准值F sv∙k 管顶土的加权内摩擦角:1ϕ=34×1.2+25.4×4+41×6.3+26×6.518=31.65°;管顶土的加权内聚力:c =0×1.2+24.9×4+0×6.3+18×6.518=12.03kPa ;为方便计算,以下以加权重度进行计算,管顶土的加权重度:γs =17.1×1.2+17.9×4+18.7×6.3+21.8×6.518=19.54KN/m 3;管顶土的自重应力:1σ=γs1∙H s =19.54⨯18=351.72kPa;顶管土的折算内摩擦角(采用朗肯土压力理论按抗剪强度相等的原则进行换算):φ=2×{45°−αtan [tan (45°−φ12)−2cσ1]}=2×{45°−αtan [tan (45°−31.65°2)−2×12.03351.72]} =37.64° 管顶影响宽度:B t =D 1∙[1+tan (45°−φ2⁄)]=1.630×[1+tan (45°−37.64°2⁄)]=2.43m ;管道穿越土层为④层粉土,查《给水排水工程顶管技术规程》(CECS246: 2008, 以下简称规程)按一般黏性土取值:Kα∙μ=0.13; 顶管竖向土压力系数:∁j =1−℮−2Κα∙μ∙ΗsB t 2∙Κα∙μ=1−℮−2×0.13×182.432×0.13=3.29;竖向土荷载:F sv∙k2=γs1∙0.215∙D 12=21.8×0.215×1.6302=3.82kN/m²;F sv⋅k3=∁j ⋅[γs1∙B t −2c ]=3.29×[19.54×2.43−2×12.03]=77.06kN/m²;F sv∙k=F sv∙k2+F sv⋅k3=3.82+77.06=80.88kN/m²;(3)管内满水重标准值G wk:G wk=γw∙14∙π∙D2=10×14×π×1.62=20.11kN/m;(4)管道内水压力标准值:管道工作压力标准值:F wk=0.45MPa;管道设计水压力标准值:F wd,k=F wk+0.50=0.95MPa;(5)管道外水压力标准值(按最低地下水位计算):F ww,k=0;(6)地面荷载Q ik:由于管道埋深较深,不考虑管顶地面荷载(车辆荷载和地面堆积荷载)。
顶管施工计算书顶管施工计算书计算依据:1、《顶管施工技术及验收规范》2、《给水排水工程顶管技术规程》CECS246-20083、《混凝土结构设计规范》GB50010-20105、《给水排水管道工程施工及验收规范》GB50268-2008一、基本参数管道顶力计算依据《给水排水管道工程施工及验收规范》GB50268-2008顶管机选型挤压式(敞开式)管道截面形式圆形圆形顶管机外径Ds(mm) 1600 管道的计算顶进长度L(m) 170 地面至管道底部外缘的深度h1(mm) 10000 管道外缘底部至导轨底面的高度h2(mm)140 基础及其垫层的厚度h3(mm) 300 顶管机进入接收坑后支撑垫板厚度h4(mm)100 顶进坑地面至坑底的深度H1(mm) 10440 接收坑地面至坑底的深度H2(mm) 10550 后座墙支撑作用考虑后座墙的尺寸(mm):【宽BX高H】3000X3000 土抗力安全系数η 1.5后座墙顶至地面高度h5(mm) 5000 顶管机喇叭口开口率β0.3基坑支护基础底至后座墙底高度h6(mm)1000工作坑后座墙示意图土的重度γ(kN/m3) 19 土的内聚力c(kPa) 40土的内摩擦角φ(°)30 被动土压力系数K p 3 F=K pγH1B(h5+2H+h6)/(2η)=3×19×10.44×3×(5+2×3+1)/(2×1.5)=7140.96 kN三、管道参数管材类型混凝土管道管道尺寸(mm):【外径DX壁厚t】1000X250 管道最小有效传力面积A(m2) 1.8 顶力分项系数γd 1.3管材受压强度折减系数φ10.9 偏心受压强度提高系数φ2 1.05管材脆性系数φ30.85 混凝土强度标准调整系数φ50.79管材受压强度设计值fc(N/mm2) 14.3管道管道许用顶力:[Fr]=0.5φ1φ2φ3f c A/(φ5γd)=0.5×0.9×1.05×0.85×14.3×1800/(0.79×1.3)=10066.044KN四、主顶工作井f总顶力:P=πDLf k+N f=3.14×1×170×5+562.688=3231.688KN主顶工作井的千斤顶顶推能力:Tz=ηh n z P z=0.7×4×2000=5600KNJ1i k f=3.14×1×20×5+562.688=876.688 kN千斤顶顶推能力:T=ηh nP i=0.8×10×800=6400 kNP J1=876.688 kN ≤T=6400 kNP J1=876.688 kN ≤[Fr]=10066.044 kN满足要求!中继间安全阀的最大压力:maxP1= P J1/(nηh A i)=876.688/(10×0.8×0.05)=2191.72 kPa千斤顶布设间距:l=C/n=4200/10=420 mm第2个中继间顶推力:P J2=πDL i f k=3.14×1×30×5=471 kN千斤顶顶推能力:T=ηh nP i=0.8×10×850=6800 kNP J2=471 kN ≤T=6800 kNP J2=471 kN ≤[Fr]=10066.044 kN满足要求!中继间安全阀的最大压力:maxP1= P J2/(nηh A i)=471/(10×0.8×0.05)=1177.5 kPa 千斤顶布设间距:l=C/n=4200/10=420 mm第3个中继间顶推力:P J3=πDL i f k=3.14×1×40×5=628 kN千斤顶顶推能力:T=ηh nP i=0.8×10×900=7200 kNP J3=628 kN ≤T=7200 kNP J3=628 kN ≤[Fr]=10066.044 kN满足要求!中继间安全阀的最大压力:maxP1= P J3/(nηh A i)=628/(10×0.8×0.05)=1570 kPa 千斤顶布设间距:l=C/n=4200/10=420 mm第4个中继间顶推力:P J4=πDL i f k=3.14×1×50×5=785 kN千斤顶顶推能力:T=ηh nP i=0.8×10×950=7600 kNP J4=785 kN ≤T=7600 kNP J4=785 kN ≤[Fr]=10066.044 kN满足要求!中继间安全阀的最大压力:maxP1= P J4/(nηh A i)=785/(10×0.8×0.05)=1962.5 kPa 千斤顶布设间距:l=C/n=4200/10=420 mm主顶工作井顶推力:P=max{ P J1,P J2,P J3,P J4,πD*(L-S N)f k }=max{ 876.688,471,628,785,3.14×1×30×5 }=876.688 kNP =876.688 kN≤T z =5600 kNP =876.688 kN≤[F r] =10066.044 kN满足要求!六、注浆压力计算30°/2))/(2×tan30°)=1.366 mPA=γw H z1+γh0=10×0.005+19×1.366=26.004 kPa七、导轨间距112mm。
目录顶管顶力、工作井及接收井计算书 (1)第一章顶管顶力计算书 (1)一、结构计算依据 (1)二、1000直径管涵顶力计算 (1)三、1200直径管涵顶力计算(参数取值采用1000直径管涵顶力计算) (3)第二章工作井及接收井计算 (4)一、设计条件 (4)二、井壁水平框架的内力计算及结构配筋计算 (5)三、抗浮验算 (10)四、地基承载力验算 (11)顶管顶力、工作井及接收井计算书第一章 顶管顶力计算书一、结构计算依据1.1.国家现行的建筑结构设计规范、规程行业标准以及广东省及肇庆市建筑行业强制性标准规范、规程(给水排水管道工程施工及验收规范 GB50268-2008)。
1.2.工程性质为管线构筑物,兴建地点肇庆市端州区城西,管道埋深3.028~7.426米。
1.3钢筋及砼强度等级取值: (1) 钢筋HPB300级钢筋强度设计值fy=fy ′=270N/ mm 2 HRB400级钢筋强度设计值fy=fy ′=360N/ mm 2 (2) 三级混凝土管fc=23.1N/ mm 2 1.4本工程地下水埋深为0.3~4.5m 。
二、1000直径管涵顶力计算 2.1.推力计算 管径D 1=1.0m 综合摩擦阻力根据取 f k =6 kPa管外周长 S=3.14d=3.14×1.2= 3.768m 顶入管总长度L=70m 管壁厚t=0.1m 土的重度3s m /kN 18=γ管道覆土层厚度Hs=3.2m 顶管机迎面阻力65.1kN 2.3182.1414.342s s 2g =⨯⨯⨯==H D N F γπ管线总顶力计算:F k 10f N L D F +=π=3.14×1.2×70×6+65.1=1647.66kN钢筋混凝土管顶管传力面允许最大顶力计算:NA f F p c Qd dk k 2.31203120215.6N )10001200(414.31.2379.03.185.005.19.05.05.0225321==-⨯⨯⨯⨯⨯⨯⨯==φλφφφkN 2.3120F 2141.958kN 3.11647.663.1dk 0==⨯=⨯<F满足要求三、1200直径管涵顶力计算(参数取值采用1000直径管涵顶力计算) 3.1.推力计算 管径D 1=1.2m 综合摩擦阻力 f k =6 kPa管外周长 S=3.14D=3.14×1.44= 4.5216m 顶入管总长度L=85m 管壁厚t=0.12m 土的重度3s m /kN 18=γ 管道覆土层厚度Hs=7.426m 顶管机迎面阻力217.58kN 426.71844.1414.342s s 2g =⨯⨯⨯==H D N F γπ管线总顶力计算:F k 10f N L D F +=π=3.14×1.44×85×6+217.58= 2523.596kN 钢筋混凝土管顶管传力面允许最大顶力计算:NA f F p c Qd dk k 11.44934493110.5N )12001440(414.31.2379.03.185.005.19.05.05.0225321==-⨯⨯⨯⨯⨯⨯⨯==φλφφφ kN 11.4493F 3280.68kN 3.1596.25233.1dk 0==⨯=⨯<F满足要求第二章 工作井及接收井计算一、设计条件 1.1工程概况本计算书为肇庆市端州区蓝带公司污水管网建设工程顶管工作井、接收井结构设计,工作井、接收井施工方法采用逆作法,即先进行四周外侧及井底的水泥搅拌桩施工,桩身达到设计强度后,再开挖基坑施工护壁成井。
顶管计算书(混凝土管)一、设计条件计算为不开槽顶管施工为检查井W152至W155段管,基本参数如下:内径D0=1.00m管壁厚度t=0.10m选用等级:Ⅲ级γ1=1.20γ2=1.27支撑角2a=120°覆土深度H S=3.60m 管内水重力密度γw=10kN/m3K aμ=0.11 参照CECS 246:2008的6.2.1取钢筋混凝土管重力密度γc=26kN/m3K0=0.50管底土层内摩擦角ψ=30°覆土平均重力密度γs=18kN/m3C=0.0kPa二、荷载计算1、永久作用1.1管自重:管自重标准值:G0k=γcπ(D0+t)t=9.0kN/m设计值:G0=γ1G0k=10.8kN/m1.2管内水重:管内水重标准值:G wk=γwπ(D0/2)2=7.9kN/m设计值:G w=γ2G wk=10.0kN/m1.3管顶土压力:H S/D1=H S/(D0+2t)=3.00c je=0.73竖向土压力标准值:F SV,k=C jeγs H s D1=56.8kN/m设计值:F sv=γ2F sv,k=72.1kN/m1.3管侧土压力:标准值:F ep,k=K0(F sv,k/D1+γs+D1/2)=33.0kN/mp ep,k=F rp,k D1=39.5kN/m2、可变作用2.1地面堆积荷载:q mk=10kN/m2q mk D1=12kN/m设计傎q m D1=16.8kN/m三、圆管内力分析管底弯矩最大时,地基土支撑角取2a=120°-30°=90°查表得:k m0=0.123k mw=0.123k mv=0.178k mp=-0.1253.1满水时:M A=∑k mi p iγc=(D0+t)[k mo G0+k mw G w+k mv(F sv+q m D1)+k mp p ep,k]/2==14.8kN/mM A,k=∑k mi p iγc=(D0+t)[k mo G0k+k mw G wk+k mv(F sv,k+q mk D1)+k mp p ep,k]/2==11.2kN/m3.2空水时:M A=∑k mi p iγc=(D0+t)[k mo G0+k mv(F sv+q m D1)+k mp p ep,k]/2==13.4kN/mM A,k=∑k mi p iγc=(D0+t)[k mo G0k+k mv(F sv,k+q mk D1)+k mp p ep,k]/2==10.1kN/m3.3计算取值:M A=14.8kN/m M A,k=11.2kN/m四、核定圆管的荷载查表知,预制钢筋混凝土管的破坏荷载为:179kN/mp=2M A/0.318(D0+t)=84kN/m<197kN/m,满足要求。
【最新整理,下载后即可编辑】目录顶管顶力、工作井及接收井计算书 (1)第一章顶管顶力计算书 (1)一、结构计算依据 (1)二、1000直径管涵顶力计算 (1)三、1200直径管涵顶力计算(参数取值采用1000直径管涵顶力计算) (4)第二章工作井及接收井计算 (5)一、设计条件 (5)二、井壁水平框架的内力计算及结构配筋计算 (7)三、抗浮验算 (12)四、地基承载力验算 (13)顶管顶力、工作井及接收井计算书第一章顶管顶力计算书一、结构计算依据1.1.国家现行的建筑结构设计规范、规程行业标准以及广东省及肇庆市建筑行业强制性标准规范、规程(给水排水管道工程施工及验收规范GB50268-2008)。
1.2.工程性质为管线构筑物,兴建地点肇庆市端州区城西,管道埋深3.028~7.426米。
1.3钢筋及砼强度等级取值:(1)钢筋HPB300级钢筋强度设计值fy=fy′=270N/ mm2HRB400级钢筋强度设计值fy=fy′=360N/ mm2(2)三级混凝土管fc=23.1N/ mm21.4本工程地下水埋深为0.3~4.5m。
二、1000直径管涵顶力计算2.1.推力计算管径D=1.0m1综合摩擦阻力根据取 f k =6 kPa管外周长 S=3.14d=3.14×1.2= 3.768m 顶入管总长度L=70m 管壁厚t=0.1m 土的重度3sm /kN 18=γ管道覆土层厚度Hs=3.2m 顶管机迎面阻力65.1kN 2.3182.1414.342s s 2g =⨯⨯⨯==H D N F γπ管线总顶力计算:F k 10f N L D F +=π=3.14×1.2×70×6+65.1=1647.66kN钢筋混凝土管顶管传力面允许最大顶力计算:NA f F p c Qd dk k 2.31203120215.6N )10001200(414.31.2379.03.185.005.19.05.05.0225321==-⨯⨯⨯⨯⨯⨯⨯==φλφφφkN 2.3120F 2141.958kN 3.11647.663.1dk 0==⨯=⨯<F满足要求三、1200直径管涵顶力计算(参数取值采用1000直径管涵顶力计算)3.1.推力计算 管径D 1=1.2m 综合摩擦阻力 f k =6 kPa管外周长 S=3.14D=3.14×1.44= 4.5216m 顶入管总长度L=85m 管壁厚t=0.12m 土的重度3sm /kN 18=γ管道覆土层厚度Hs=7.426m 顶管机迎面阻力217.58kN 426.71844.1414.342s s 2g =⨯⨯⨯==H D N F γπ管线总顶力计算:F k 10f N L D F +=π=3.14×1.44×85×6+217.58=2523.596kN钢筋混凝土管顶管传力面允许最大顶力计算:NA f F p c Qd dk k 11.44934493110.5N )12001440(414.31.2379.03.185.005.19.05.05.0225321==-⨯⨯⨯⨯⨯⨯⨯==φλφφφ kN 11.4493F 3280.68kN 3.1596.25233.1dk 0==⨯=⨯<F满足要求第二章 工作井及接收井计算一、设计条件 1.1工程概况本计算书为肇庆市端州区蓝带公司污水管网建设工程顶管工作井、接收井结构设计,工作井、接收井施工方法采用逆作法,即先进行四周外侧及井底的水泥搅拌桩施工,桩身达到设计强度后,再开挖基坑施工护壁成井。
目录顶管顶力、工作井及接收井计算书 (1)第一章顶管顶力计算书 (1)一、结构计算依据 (1)二、1000直径管涵顶力计算 (1)三、1200直径管涵顶力计算(参数取值采用1000直径管涵顶力计算) (3)第二章工作井及接收井计算 (4)一、设计条件 (4)二、井壁水平框架的内力计算及结构配筋计算 (5)三、抗浮验算 (10)四、地基承载力验算 (11)顶管顶力、工作井及接收井计算书第一章 顶管顶力计算书一、结构计算依据1.1.国家现行的建筑结构设计规范、规程行业标准以及广东省及肇庆市建筑行业强制性标准规范、规程(给水排水管道工程施工及验收规范 GB50268-2008)。
1.2.工程性质为管线构筑物,兴建地点肇庆市端州区城西,管道埋深3.028~7.426米。
1.3钢筋及砼强度等级取值: (1) 钢筋HPB300级钢筋强度设计值fy=fy ′=270N/ mm 2 HRB400级钢筋强度设计值fy=fy ′=360N/ mm 2 (2) 三级混凝土管fc=23.1N/ mm 2 1.4本工程地下水埋深为0.3~4.5m 。
二、1000直径管涵顶力计算 2.1.推力计算 管径D 1=1.0m 综合摩擦阻力根据取 f k =6 kPa管外周长 S=3.14d=3.14×1.2= 3.768m 顶入管总长度L=70m 管壁厚t=0.1m 土的重度3s m /kN 18=γ管道覆土层厚度Hs=3.2m 顶管机迎面阻力65.1kN 2.3182.1414.342s s 2g =⨯⨯⨯==H D N F γπ管线总顶力计算:F k 10f N L D F +=π=3.14×1.2×70×6+65.1=1647.66kN钢筋混凝土管顶管传力面允许最大顶力计算:NA f F p c Qd dk k 2.31203120215.6N )10001200(414.31.2379.03.185.005.19.05.05.0225321==-⨯⨯⨯⨯⨯⨯⨯==φλφφφkN 2.3120F 2141.958kN 3.11647.663.1dk 0==⨯=⨯<F满足要求三、1200直径管涵顶力计算(参数取值采用1000直径管涵顶力计算) 3.1.推力计算 管径D 1=1.2m 综合摩擦阻力 f k =6 kPa管外周长 S=3.14D=3.14×1.44= 4.5216m 顶入管总长度L=85m 管壁厚t=0.12m 土的重度3s m /kN 18=γ 管道覆土层厚度Hs=7.426m 顶管机迎面阻力217.58kN 426.71844.1414.342s s 2g =⨯⨯⨯==H D N F γπ管线总顶力计算:F k 10f N L D F +=π=3.14×1.44×85×6+217.58= 2523.596kN 钢筋混凝土管顶管传力面允许最大顶力计算:NA f F p c Qd dk k 11.44934493110.5N )12001440(414.31.2379.03.185.005.19.05.05.0225321==-⨯⨯⨯⨯⨯⨯⨯==φλφφφ kN 11.4493F 3280.68kN 3.1596.25233.1dk 0==⨯=⨯<F满足要求第二章 工作井及接收井计算一、设计条件 1.1工程概况本计算书为肇庆市端州区蓝带公司污水管网建设工程顶管工作井、接收井结构设计,工作井、接收井施工方法采用逆作法,即先进行四周外侧及井底的水泥搅拌桩施工,桩身达到设计强度后,再开挖基坑施工护壁成井。
******工程顶管施工计算书一、编制依据1、**********工程施工图2、《路桥施工计算手册》3、《建筑结构荷载规范》(GB50009-2001)4、《给水排水工程结构设计手册》5、《室外排水设计规范》(GB 50014-2006)(2011年版)6、《混凝土结构设计规范》GB 50010—2002二、工程概况工程名称:******工程工程地点:******本工程为******,位于*****,西起物流基地*****K1+875,沿拟建*****两侧辅助车道设置(路面设计高程90。
926~103.627m),接******沿平乐大道东侧终止于玉洞大道.管道总长7938m,管径0.4m~1.0m。
其中顶管部分管道长2887m,管径1。
0m,管底标高为86。
000~80。
335;共有工作井26座,接收井34座,工作井几接收井内径¢6000mm、壁厚50~60cm,钢筋砼结构,砼等级C30。
分布区域为:*******北侧K1+385~K3+521段、平乐大道K3+521~K4+730段。
三、地质根据勘察资料,道路沿线勘探深度范围内管线沿线分布的地层主要有:新近堆积人工堆填(Q4ml)素填土、植物沉积层(Q4pd)耕土,第四系晚更新统河流冲积(Q3al+pl)粉质黏土、含砾粉质黏土,第四系晚更新统残坡积(Q3el+dl)黏土和含砾黏土,下伏基岩为石炭系大塘阶(C1d)硅质岩等,现自上而下描述为:1、素填土(Q4ml)①:暗红色、灰黄色、黄褐色,松散,稍湿~湿,主要由黏性土组成,局部含少量砾石、植物根系等,土质不均,为新近堆积填土,未经压实,未完成自重固结。
该层分布于场地大部分地段,层厚0.50~5。
60m,平均厚度1。
79m.具高压缩性。
2、素填土(Q4ml)①:灰黄色、黄褐色,中密,稍湿~湿,主要由碎石土组成,经碾压处理,为路基填土.该层分布于场地道路或在建道路上,层厚0.50~5。
80m,平均厚度1.79m。
******工程顶管施工计算书一、编制依据1、**********工程施工图2、《路桥施工计算手册》3、《建筑结构荷载规范》(GB50009-2001)4、《给水排水工程结构设计手册》5、《室外排水设计规范》(GB50014-2006)(2011年版)6、《混凝土结构设计规范》GB50010-2002二、工程概况工程名称:******工程工程地点:******本工程为******,位于*****,西起物流基地*****K1+875,沿拟建*****两侧辅助车道设置(路面设计高程90.926~103.627m),接******沿平乐大道东侧终止于玉洞大道。
管道总长7938m,管径0.4m~1.0m。
其中顶管部分管道长2887m,管径1.0m,管底标高为86.000~80.335;共有工作井26座,接收井34座,工作井几接收井内径¢6000mm、壁厚50~60cm,钢筋砼结构,砼等级C30。
分布区域为:*******北侧K1+385~K3+521段、平乐大道K3+521~K4+730段。
三、地质根据勘察资料,道路沿线勘探深度范围内管线沿线分布的地层主要有:新近堆积人工堆填(Q4ml)素填土、植物沉积层(Q4pd)耕土,第四系晚更新统河流冲积(Q3al+pl)粉质黏土、含砾粉质黏土,第四系晚更新统残坡积(Q3el+dl)黏土和含砾黏土,下伏基岩为石炭系大塘阶(C1d)硅质岩等,现自上而下描述为:1、素填土(Q4ml)①:暗红色、灰黄色、黄褐色,松散,稍湿~湿,主要由黏性土组成,局部含少量砾石、植物根系等,土质不均,为新近堆积填土,未经压实,未完成自重固结。
该层分布于场地大部分地段,层厚0.50~5.60m,平均厚度1.79m。
具高压缩性。
2、素填土(Q4ml)①:灰黄色、黄褐色,中密,稍湿~湿,主要由碎石土组成,经碾压处理,为路基填土。
该层分布于场地道路或在建道路上,层厚0.50~5.80m,平均厚度1.79m。
具中压缩性。
3、耕土(Q4pd)②:灰色、灰褐色、黄褐色,松散,稍湿~湿,主要由黏性土组成,含少量有机质和植物根系,其中分布于水田部分受水浸泡呈松软状。
该层分布于管道沿线大部分地段,层厚0.20~1.80m,平均厚度0.61m。
具高压缩性。
4、粉质黏土(Q3al+pl)③:灰黄、红黄、浅黄等色,湿~饱和,可塑状为主,局部软塑状,黏性中等,韧性一般,干强度中等,湿水具砂感,含少量铁锰质结核及其氧化物,局部夹薄层粉细砂及含少量粉土,土质不均。
该层分布于管道沿线大部分地段,层顶埋深0.00~4.10m,层顶高程87.19~106.79m,层底埋深0.90~16.80m,层底高程83.54~104.31m,层厚0.10~3.50m,平均层厚度2.31m。
液性指数平均值L=0.38,压缩系数平均值1-2=0.20MPa-1。
该层现场做标准贯入试验24段次,实测锤击数5~10击,平均锤击数=7.4击;经杆长校正后锤击数4.0~9.7击,修正后锤击数标准值k=6.7击。
具中压缩性。
5、含砾粉质黏土(Q3al+pl)④:棕黄、灰黄、黄褐等色,硬塑状为主,局部少量可塑,黏性中等,韧性中等,干强度中等。
砾石成分主要为强风化硅质岩、砂岩、石英等,砾石含量15~45%不等,粒径以2~35mm为主,大者达100mm,亚圆形~次棱角状,局部呈含黏性土碎石状,土质不均。
该层分布于管道沿线局部地段,层顶埋深0.00~3.30m,层顶高程86.06~94.64m,层底埋深1.00~8.20m,层底高程83.46~91.94m,层厚1.00~7.50m,平均层厚2.95m。
液性指数平均值L=0.11,压缩系数平均值1-2=0.16MPa-1。
该层现场做标准贯入试验12段次,实测锤击数11~13击,平均锤击数=12.5击;经杆长校正后锤击数10.5~13.0击,修正后锤击数标准值k=11.8击。
现场做重型圆锥动力触探试验4.0m,经杆长校正后锤击数6.6~15.3击,修正后平均锤击数63.5=9.3击,修正后锤击数标准值63.5k=8.9击。
具中压缩性。
6、黏土(Q3el+dl)⑤:暗红色、黄褐色,黑褐色,稍湿~湿,硬塑状为主,局部少量可塑状。
黏性好,韧性强,干强度高,湿水手感滑腻,无摇振反应,含少量铁锰质结核及其氧化物,局部地段夹薄层粉质黏土。
该层在管道沿线均有分布,层顶埋深0.00~18.70m,层顶高程70.29~104.31m,层底埋深0.70~27.50m,层底高程67.31~96.79m,层厚0.40~25.40m,平均层厚12.04m。
液性指数平均值L=0.14,压缩系数平均1-2=0.17MPa-1。
该层现场做标准贯入试验159段次,实测锤击数9~17击,平均锤击数=12.3击;经杆长校正后锤击数7~14.50击,修正后锤击数标准值k=10.2击。
具中压缩性。
7、含砾黏土(Q3el+dl)⑥:灰黄色,黄褐色,黑褐色,褐红色,硬塑状,黏性较好,韧性较强,干强度较高。
砾石含量不均,疏密不等,大多为散状,局部相对较集中呈窝状,孔壁不易坍塌。
砾石含量5~45%不等,粒径以2~25mm为主,大者达40mm,棱角状。
该层分布于管道沿线大部分地段,层顶埋深0.50~22.10m,层顶高程68.47~96.79m,层底埋深2.30~26.90m,层底高程63.67~92.97m,层厚0.40~16.20m,平均层厚5.96m。
液性指数平均值L=0.10,压缩系数平均1-2=0.14MPa-1。
该层现场做标准贯入试验15段次,实测锤击数12~18击,平均锤击数=14.3击;经杆长校正后锤击数10.2~13.9击,修正后锤击数标准值k=11.9击。
现场做重型圆锥动力触探试验4.20m,经杆长校正后锤击数5.6~13.5击,修正后平均锤击数63.5=12.8击,修正后锤击数标准值63.5k=9.4击。
具中压缩性。
8、强风化硅质岩(C1d)⑦:灰色、灰黄色,坚硬状,岩体风化程度较深,原岩结构模糊,多已风化呈含黏土角砾或碎石夹土状,冲击可缓慢钻进。
岩芯易散,难取原状土芯。
该层仅在ZK37、ZK42、ZK47、ZK48、ZK50附近地段有分布,本次勘察深度范围内未揭穿,揭露层顶埋深15.40~18.40m,层顶高程78.64~82.85m,揭露层底埋深17.50~19.80m,层底高程77.54~81.15m,揭露层厚1.10~2.80m,揭露平均厚度1.90m。
岩石按坚硬程度划分属“极软岩”,岩体主要结构面结合很差,散体状结构,完整程度为“极破碎”,岩体基本质量等级Ⅴ级。
主要岩土参数建议值一览表四、水文1、地表水本次勘察范围内管道沿线地表水主要为水田、水塘、水沟中的水体,勘察期间水深约0.20~1.50m,主要接受大气降水补给,水量大小受季节性影响较明显,水量较小,易于疏干。
2、地下水根据钻探揭露,勘察期间管道沿线勘探深度范围内揭露两层地下水,分别为上层滞水、孔隙水。
上层滞水赋存于素填土①、耕土②中,孔隙水赋存于粉质黏土③及含砾粉质黏土④中,因两者间无相对隔水层,形成混合水。
混合水主要接受大气降水、地表水的补给,其水位、水量、水质随补给来源、季节变化而变化,水位变化较大,水量中等。
因沿线跨度较大,含水层分布不均,水位埋深变化较大,局部地段因含水层缺失而未形成统一水位。
根据勘察期间实测水位资料,其稳定水位埋深0.20~4.20m不等,相应高程为86.56~96.19。
根据区域水文地质资料,年水位变化幅度1.00~3.00m。
五、与顶管施工相关联的水文地质情况:本次顶管工作井、接收井垂直穿越素填土①、耕土②、粉质黏土③、含砾粉质黏土④、黏土(Q3el+dl)⑤及含砾黏土⑥等土层;顶管主要穿越含砾粉质黏土④、黏土(Q3el+dl)⑤及含砾黏土⑥等土层。
六、顶管作业验算:1、顶管前工作井侧壁受力验算:(因工作井与接收井结构及尺寸一致,只对工作井验算)1.1验算说明:1.1.1工作井尺寸:净尺寸长*宽=6.0m*4.5m,壁厚d=0.5-0.6m,取值0.5m1.1.2工作井配筋情况:水平向为双层Ф20II级钢筋,间距10cm,垂直向为双层Ф20II 级钢筋,间距20cm1.1.3为便于计算且偏于安全,工作井四周荷载按1.5m堆土计算,自由水水位按1.0m高计算,井深按最大深度H=11m。
取最底部1m井壁作为结构计算单元,计算模型简化为跨度L=6m、厚度h=0.5m、宽1m两端刚接的梁结构。
1.1.4工作井壁受力示意图Hh 1h 1Hq=ρ土*h2*Ka -2Ck* Ka水位线工作井壁受水压力示意图q=ρ水*h1单位:cm水位线q=ρ土*(H+h2)*Ka -2Ck* Ka工作井壁受主动土压力示意图 单位:cm1.2 计算单元荷载计算 1.2.1 自由水压力荷载q 1=1/2*ρ 水* ((h1-1)+ h1)) =0.5*10*((1-1)+1)=5.0KN/m 1.2.2 主动土压力荷载q 2=1/2*ρ 土* ((H+1.5-1)+(H+1.5)) *Ka - 2*C K *√Ka =0.5*20*((11+1.5-1)+(11+1.5))tg 2(45°-16.6°/2)- 2*36.8* tg (45°-16.6°/2) = 78.5KN/m1.2.2 计算单元总荷载q=q 1+q 2=5.0+78.5=83.5 KN/m 其中:q 1------------ 计算单元侧自由水压力荷载q 2------------ 计算单元侧主动土压力荷载 q------------ 计算单元侧压力荷载ρ 土=20KN/m 3-- 土的天然密度,参照地勘资料《主要岩土参数建议值一览表》 H=11m-------- 工作井深度,取最大值h 1=1m-------- 自由水水位h 2=1.5m------ 井周地表荷载按堆土 1.5m 计算 Ka=tg 2(45°-φk /2)----主动土压力系数xφk =16.6°---土的内摩擦角,参照地勘资料《主要岩土参数建议值一览表》,取较小值 16.6°C k =36.8KPa---------土的内聚力,取较小值,参照地勘资料《主要岩土参数建议值一览表》1.3 计算模型:q=83.5KN/mL= 650侧壁受力计算模型单位:cm1.4 弯矩验算Mmax=1/12*qL^2=294.0KN*m计算单元矩简图1.4.1 最大弯矩:Mmax=1/12*q*L 2=0.125*40.9*62=294.0KN*mMmax-------计算单元弯矩最大值 q----------计算单元侧压力荷载 L=6m-------计算单元跨度1.3.2 井壁计算单元容许弯矩值:(顶管前 C30 砼强度按 70%计算,取 C20 标准)中和轴10Ф20间距10cm1m 高侧壁计算单元配筋图 单位:mm1.3.2.1计算说明假设计算单元受拉区由钢筋承受拉力,受压区由砼的承受压力,根据计算单元受力平衡条件计算中轴位置x值。