【园林工程】园林绿化工序质量报验单
- 格式:doc
- 大小:1.42 MB
- 文档页数:45
园林绿化工程全套工序报验资料园林绿化全景园路(市政)一、路基1、隐蔽工程质量验收记录2、土方路基检验批质量验收记录3、回填施工记录二、6%水泥石粉基层1、隐蔽工程质量验收记录2、水泥稳定土类基层及底基层检验批质量验收记录三、C15混凝土基层1、隐蔽工程质量验收记录2、普通混凝土浇注记录四、水泥砖面层1、隐蔽工程质量验收记录2、铺砌式预制混凝土砌块面层检验批质量验收记录小型活动场地活动场地一、二、四、五、主入口广场一、土基1、隐蔽工程质量验收记录2、土方路基检验批质量验收记录3、回填施工记录二、6%水泥石粉基层1、隐蔽工程质量验收记录2、水泥稳定土类基层及底基层检验批质量验收记录三、C15混凝土基层1、隐蔽工程质量验收记录2、普通混凝土浇注记录四、石材面层1、隐蔽工程质量验收记录2、广场与停车场料石面层检验批质量验收记录活动场地三一、土基1、隐蔽工程质量验收记录2、土方路基检验批质量验收记录二、6%水泥石粉基层2、水泥稳定土类基层及底基层检验批质量验收记录三、C15混凝土基层1、隐蔽工程质量验收记录2、普通混凝土浇注记录四、水泥砖面层1、隐蔽工程质量验收记录2、铺砌式预制混凝土砌块面层检验批质量验收记录停车位一、土基1、隐蔽工程质量验收记录2、土方路基检验批质量验收记录二、10%水泥石粉基层1、隐蔽工程质量验收记录2、水泥稳定土类基层及底基层检验批质量验收记录三、植草砖面层2、植草砖面层检验批质量验收记录植草砖汀步一、土基1、隐蔽工程质量验收记录2、土方路基检验批质量验收记录二、10%水泥石粉基层1、隐蔽工程质量验收记录2、水泥稳定土类基层及底基层检验批质量验收记录三、花岗岩面层1、隐蔽工程质量验收记录2、铺砌式料石面层检验批质量验收记录汀步景观亭景观亭(土建)一、基坑开挖二、C15混凝土垫层1、混凝土隐蔽工程质量验收记录2、混凝土坍落度检测记录表3、水泥混凝土垫层检验批质量验收记录表三、C20混凝土基础10、实体混凝土养护情况记录表四、C25圈梁1、混凝土隐蔽工程质量验收记录2、混凝土坍落度检测记录表3、混凝土施工工程检验批质量验收记录表4、钢筋隐蔽工程质量验收记录7、现浇结构模板安装工程检验批质量验收记录表8、模板拆除工程检验批质量验收记录表9、现浇混凝土结构观感质量及尺寸偏差检验批验收记录表10、实体混凝土养护情况记录表五、基坑回填1、地基基坑(槽)回填施工检查记录表2、土方回填隐蔽工程质量验收记录3、土方回填工程检验批质量验收记录表花架六、立柱工程基线复核表1、混凝土隐蔽工程质量验收记录2、混凝土坍落度检测记录表3、混凝土施工工程检验批质量验收记录表4、钢筋隐蔽工程质量验收记录5、钢筋加工工程检验批质量验收记录表6、钢筋安装工程检验批质量验收记录表7、现浇结构模板安装工程检验批质量验收记录表8、模板拆除工程检验批质量验收记录表9、现浇混凝土结构观感质量及尺寸偏差检验批验收记录表10、实体混凝土养护情况记录表七、屋面梁板1、混凝土隐蔽工程质量验收记录2、混凝土坍落度检测记录表3、混凝土施工工程检验批质量验收记录表4、钢筋隐蔽工程质量验收记录5、钢筋加工工程检验批质量验收记录表6、钢筋安装工程检验批质量验收记录表7、现浇结构模板安装工程检验批质量验收记录表8、模板拆除工程检验批质量验收记录表9、现浇混凝土结构观感质量及尺寸偏差检验批验收记录表10、实体混凝土养护情况记录表八、涂料1、溶剂型涂料涂饰工程检验批质量验收记录表九、瓦屋面1、油毡瓦屋面检验批质量验收记录表10%水泥石粉基层1、隐蔽2、石粉垫层检验批质量验收记录表二、C20混凝土垫层1、混凝土隐蔽工程质量验收记录2、混凝土坍落度检测记录表3、水泥混凝土垫层检验批质量验收记录表十二、青石板面层1、料石面层工程检验批质量验收记录表2、隐蔽工程质量验收记录表水泥砂浆抹灰1、隐蔽工程质量验收记录表2、一般抹灰工程检验批质量验收记录表石桌凳石桌凳一、基坑开挖1、土方开挖工程检验批质量验收记录表二、C15混凝土基础-1、混凝土隐蔽工程质量验收记录2、混凝土坍落度检测记录表三、基坑回填1、土方回填隐蔽工程质量验收记录2、土方回填工程检验批质量验收记录表石制条凳砖砌体1、砖砌体工程检验批质量验收记录表2、砌体隐蔽工程质量验收记录饰面砖1、饰面板(砖)隐蔽工程质量验收记录2、饰面砖粘贴工程检验批质量验收记录表树池砖砌体1、砖砌体工程检验批质量验收记录表2、砌体隐蔽工程质量验收记录饰面砖1、饰面板(砖)隐蔽工程质量验收记录2、饰面砖粘贴工程检验批质量验收记录表平立道牙1、普通混凝土浇注记录2、隐蔽工程质量验收记录3、路缘石安砌检验批质量检验记录台阶台阶一、土基1、隐蔽工程质量验收记录2、土方路基检验批质量验收记录3、回填施工记录二、10%水泥石粉基层1、隐蔽工程质量验收记录2、水泥稳定土类基层及底基层检验批质量验收记录三、C15混凝土基层1、隐蔽工程质量验收记录2、普通混凝土浇注记录四、石材面层1、隐蔽工程质量验收记录2、铺砌式料石面层检验批质量验收记录乔木绿化种植一、乔木、灌木种植1、H.1.1土方分项工程检验批质量验收记录表2、H.1.2种植土回填工程检验批质量验收记录表3、H.1.4种植穴、槽的挖掘工程检验批质量验收记录表4、H.1.5植物种植工程检验批质量验收记录表5、H.1.9养护分项工程检验批质量验收记录表灌木一、地被植物种植1、H.1.1土方分项工程检验批质量验收记录表2、H.1.3绿地地形整理工程检验批质量验收记录表3、H.1.5植物种植工程检验批质量验收记录表4、H.1.9养护分项工程检验批质量验收记录表。
园林绿化工程检验批表格栽植土检验批质量验收记录单位:(单位名称)工程名称:(工程名称)施工单位:(施工单位名称)施工执行标准名称及编号:《园林绿化工程施工及验收规范》(CJJ82-2012)分包单位/分项:(如有分包单位或分项,请注明)质量验收规范的规定:主项:1.栽植土土壤PH值2.土壤全盐含量3.土壤容量控制项:1.土壤有机质含量2.栽植土般层厚度3.栽植设施顶面绿化土壤块径目标:乔木胸径≥20cm乔木胸径<20cm、大、中灌木、大藤本、小灌木、宿根花卉、大藤本、棕榈类、竹类大径、中、小径5.6~8.00.1%~0.3%1.0g/cm³~1.35g/cm³1.5%5cm180cm150cm(深根)/≥100cm(浅根)90cm40cm90cm80cm50cm30cm80cm45cm15cm负责人:(负责人姓名)项目专业工长:(专业工长姓名)栽植土验收部位:(验收部位名称)项目:(项目名称)分包负责人/施工班组长:(分包负责人或施工班组长姓名)施工单位检查评定结果:灌木、草坪、草花、地被乔木监理(建设)单位验收记录:工程名称:(工程名称)施工单位:(施工单位名称)施工执行标准名称及编号:《园林绿化工程施工及验收规范》(CJJ82-2012)分包单位/分项:(如有分包单位或分项,请注明)质量验收规范的规定:栽植前场地清理检验批质量验收记录单位:(单位名称)工程名称:(工程名称)施工单位:(施工单位名称)施工执行标准名称及编号:《园林绿化工程施工及验收规范》(CJJ82-2012)分包单位/分项:(如有分包单位或分项,请注明)负责人:(负责人姓名)项目专业工长:(专业工长姓名)栽植前场地清理验收部位:(验收部位名称)项目:(项目名称)分包负责人/施工班组长:(分包负责人或施工班组长姓名)监理(建设)单位验收记录:质量验收规范的规定:有各种管线的区域、建(构)筑物周边的4.1.4条整理绿化用地应完工第1款验收合格后进行。
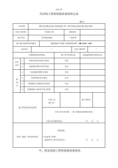
竹结构工程检验批质量验收记录
编号:
中、简瓦屋面工程检验批质量验收
嵌草地坪检验批质量验收记录
碎拼大理石工程检验批质量验收记录
卵石铺装检验批质量验收记录
定型石块铺装检验批质量验收记录
定型大理石、广场砖、花岗岩铺装检验批质量验收记录
栽植土基层处理检验批质量验收记录
栽植土进场检验批质量验收记录
栽植土地形整理检验批质量验收记录
编号:
植物材料工程检验批质量验收记录㈠
植物材料工程检验批质量验收记录㈡
园林植物运输和假植工程检验批质量验收记录
苗木种植穴﹑槽检验批质量验收记录
树木栽植工程检验批质量验收记录
草坪、花坛地被栽植工程检验批质量验收记录
花卉种植检验批质量验收记录
大树移植工程检验批质量验收记录
移植苗木修剪工程检验批质量验收记录
苗木养护工程检验批质量验收记录
草坪养护工程检验批质量验收记录
斜面护坡绿化工程检验批质量验收记录
屋顶绿化〔包括地下设施覆土绿化〕工程检验批质量验收记录
假山、叠石检验批质量验收记录
绿化种植分项工程质量验收记录
防水混凝土分项工程质量验收记录
模板分项工程质量验收记录
钢筋分项工程质量验收记录
混凝土分项工程质量验收记录
绿化种植分部〔子分部〕工程质量验收记录
单位〔子单位〕工程质量竣工验收记录
场地基层检验批质量验收记录。
表A.7
苗木种植分项工程施工报验表
现我方已完成苗木种植
部位的工程,经我方检验符合设计、规范要求,请予以验收。
附件:名称页数编号
1□质量控制资料汇总表(适用于分部工程) 页
2□隐蔽工程检查记录表页
3□预检工程检查记录表页
4□施工记录页
5□施工试验记录页
6□分项工程质量检验评定记录 1 页
7□分部工程质量检验评定记录页
8□检验批质量验收记录表 5 页
承包单位名称:北京XXX园林绿化有限责任公司
质量检查员(签字):技术负责人(签字):
本表由承包单位填报,建设、监理、承包单位各存一份。
如原属不合格的,分项、分部工程报验应填写《不合格项处置记录》表B.4,分部工程应由总监理工程师签字。
园林绿化工程工序报验资料(一)园路(市政)一、路基1、隐蔽工程质量验收记录2、土方路基检验批质量验收记录3、回填施工记录二、6%水泥石粉基层1、隐蔽工程质量验收记录2、水泥稳定土类基层及底基层检验批质量验收记录三、C15混凝土基层1、隐蔽工程质量验收记录2、普通混凝土浇注记录四、水泥砖面层1、隐蔽工程质量验收记录2、铺砌式预制混凝土砌块面层检验批质量验收记录一、土基1、隐蔽工程质量验收记录2、土方路基检验批质量验收记录3、回填施工记录二、6%水泥石粉基层1、隐蔽工程质量验收记录2、水泥稳定土类基层及底基层检验批质量验收记录三、C15混凝土基层1、隐蔽工程质量验收记录2、普通混凝土浇注记录四、石材面层1、隐蔽工程质量验收记录2、广场与停车场料石面层检验批质量验收记录一、土基三、C15混凝土基层1、隐蔽工程质量验收记录2、普通混凝土浇注记录四、水泥砖面层1、隐蔽工程质量验收记录2、铺砌式预制混凝土砌块面层检验批质量验收记录停车位一、土基1、隐蔽工程质量验收记录2、土方路基检验批质量验收记录二、10%水泥石粉基层1、隐蔽工程质量验收记录2、水泥稳定土类基层及底基层检验批质量验收记录三、植草砖面层1、隐蔽工程质量验收记录2、植草砖面层检验批质量验收记录一、土基二、10%水泥石粉基层1、隐蔽工程质量验收记录2、水泥稳定土类基层及底基层检验批质量验收记录三、花岗岩面层1、隐蔽工程质量验收记录2、铺砌式料石面层检验批质量验收记录。
竹结构工程检验批质量验收记录
中、简瓦屋面工程检验批质量验收
嵌草地坪检验批质量验收记录
碎拼大理石工程检验批质量验收记录
卵石铺装检验批质量验收记录
定型石块铺装检验批质量验收记录
定型大理石、广场砖、花岗岩铺装检验批质量验收记录
水泥花砖铺装检验批质量验收记录
混凝土板块铺装检验批质量验收记录
运动型草坪工程检验批质量验收记录
栽植土基层处理检验批质量验收记录
栽植土进场检验批质量验收记录
栽植土地形整理检验批质量验收记录
植物材料工程检验批质量验收记录㈠
植物材料工程检验批质量验收记录㈡
园林植物运输和假植工程检验批质量验收记录
苗木种植穴﹑槽检验批质量验收记录
树木栽植工程检验批质量验收记录
草坪、花坛地被栽植工程检验批质量验收记录
编号:
花卉种植检验批质量验收记录
大树移植工程检验批质量验收记录
移植苗木修剪工程检验批质量验收记录
苗木养护工程检验批质量验收记录
草坪养护工程检验批质量验收记录
斜面护坡绿化工程检验批质量验收记录
屋顶绿化(包括地下设施覆土绿化)工程检验批质量验收记录
假山、叠石检验批质量验收记录
绿化种植分项工程质量验收记录
防水混凝土分项工程质量验收记录
模板分项工程质量验收记录
钢筋分项工程质量验收记录
编号:
混凝土分项工程质量验收记录
绿化种植分部(子分部)工程质量验收记录
单位(子单位)工程质量竣工验收记录
场地基层检验批质量验收记录。
表B.0.1 园林绿化工程分部工程、分项工程及检验批划分表B.0.2 水池喷泉人工湖工程分部工程、分项工程及检验批划分表B.0.3 园路广场工程分部工程、分项工程及检验批划分表B.0.4 园林喷灌及给排水工程分部工程、分项工程及检验批划分表B.0.5 园林供电照明工程分部工程、分项工程及检验批划分表B.0.6 园林假山置石工程分部工程、分项工程及检验批划分表B.0.7 雕刻、雕塑小品和标志小品工程分部工程、分项工程及检验批划分表62-4-1 绿化场地清理检验批质量验收记录表62-4-2 地形主体构筑检验批质量验收记录表62-4-3 地形表层整地检验批质量验收记录表62-4-4排盐沟(盲沟)、排盐管(渗水管)开槽检验批质量验收记录表62-4-5 排盐管(渗水管)敷设检验批质量验收记录表62-4-6 渗水盲沟(排盐沟)砌筑检验批质量验收记录表62-4-7 隔淋层及排盐沟(管)回填检验批质量验收记录表62-5-4 草坪坪床修整检验批质量验收记录表62-5-5 水生植物种植土/栽培基质/种植池检验批质量验收记录表62-5-6 落叶乔木选备检验批质量验收记录表62-5-7 常绿乔木/常绿大灌木选备检验批质量验收记录表62-5-8 花灌木选备检验批质量验收记录表62-5-9绿篱/组团色块/小灌木/木本地被植物选备检验批质量验收记录表62-5-13 铺植草坪材料选备检验批质量验收记录表62-5-14 草坪/草花/草本地被种子及植生带材料选备检验批质量验收记录表62-5-15 水生植物材料选备检验批质量验收记录表62-5-16 乔灌木/藤本植物种植检验批质量验收记录表62-5-17 绿篱/组团色块/花坛花镜/木本地被植物种植检验批质量验收记录表62-5-18 竹类植物种植检验批质量验收记录表62-5-19草坪、草本地被籽播/植生带建植检验批质量验收记录表62-5-20 草坪满铺/散铺检验批质量验收记录表62-5-21 草坪分栽检验批质量验收记录表62-5-22 水生植物种植检验批质量验收记录表62-5-25 水生植物新植养护检验批质量验收记录表62-5-26后期养护——灌溉及排水检验批质量验收记录表62-5-29 后期养护——乔灌木修剪检验批质量验收记录表62-5-30 后期养护—绿篱/组团色块/常绿造型植物整形修剪检验批质量验收记录表62-5-31 后期养护—竹类植物/藤本植物/宿根花卉整形修剪检验批质量验收记录表62-5-32 后期养护—草坪及草本地被植物修剪检验批质量验收记录表62-5-33 后期养护—病虫害防治检验批质量验收记录表62-5-34 防寒保护检验批质量验收记录表62-6-1 基土检验批质量验收记录表62-6-2 灰土垫层检验批质量验收记录。
检验批质量验收记录组织项目专业质量(技术)负责人等进行验收。
种植地基层处理检验批质量验收记录(DB**/T****—2009)表8.1编号:种植土材料检验批质量验收记录(DB**/T****—2009)表8.2 编号:种植土地形整理检验批质量验收记录(DB**/T****—2009)表8.3 编号:植物材料(乔木)工程检验批质量验收记录(DB33/1068—2010)表8.4 编号:植物材料(棕榈类植物)工程检验批质量验收记录(DB**/T****—2009)表8.5编号:物材料(灌木、藤本、竹类)工程检验批质量验收记录(DB**/T****—2009)表8.6编号:植物材料(草坪、草花、地被)工程检验批质量验收记录(DB**/T****—2009)表8.7 编号:植物修剪检验批质量验收记录(DB33 /1068—2010)表8.9 编号:乔灌木种植工程检验批质量验收记录(DB33 /1068—2010)表8.9编号:草坪种植工程检验批质量验收记录(DB**/T****—2009)表8.10编号:运动型草坪种植工程检验批质量验收记录(DB**/T****—2009)表8.11 编号:草花、地被种植工程检验批质量验收记录(DB**/T****—2009)表8.12编号:行道树种植工程检验批质量验收记录(DB**/T****—2009)表8.13 编号:大树移植工程检验批质量验收记录(DB**/T****—2009)表8.14 编号:地下设施覆土绿化基层处理检验批质量验收记录(DB**/T****—2009)表8.15 编号:010104屋顶绿化基层处理检验批质量验收记录(DB**/T****—2009)表8.16 编号:02水生植物基本项目检验批质量验收记录(DB**/T****—2009)表8.17 编号:03垂直绿化植物栽植检验批质量验收记录(DB**/T****—2009)表8.18 编号:04边坡绿化基本项目检验批质量验收记录(DB**/T****—2009)表8.19 编号:05块石基层检验批质量验收记录(DB**/T****—2009)表8.20 编号:-02碎拼花岗岩工程检验批质量验收记录(DB**/T****—2009)表8.21 编号:03012-02卵石面层检验批质量验收记录(DB**/T****—2009)表8.22 编号:0301-02嵌草地坪检验批质量验收记录(DB**/T****—2009)表8.23 编号:-02水泥花砖面层检验批质量验收记录(DB**/T****—2009)表8.24 编号:-02混凝土板块面层检验批质量验收记录(DB**/T****—2009)表8.25 编号:-02侧石检验批质量验收记录(DB**/T****—2009)表8.26 编号:-02冰梅面层检验批质量验收记录(DB**/T*** *—2009)表8.27 编号:-02花街铺地面层检验批质量验收记录(DB**/T****—2009)表8.28 编号:-02大方砖面层检验批质量验收记录(DB**/T****—2009)表8.29 编号:-02压模面层检验批质量验收记录(DB**/T****—2009)表8.30 编号:-02透水砖面层检验批质量验收记录(DB**/T****—2009)表8.31 编号:-02小青砖(黄道砖)面层检验批质量验收记录(DB**/T****—2009)表8.32 编号:-02自然块石面层检验批质量验收记录(DB**/T****—2009)表8.33 编号:-02水洗石面层检验批质量验收记录(DB**/T****—2009)表8.34 编号:-02竹结构工程检验批质量验收记录(DB**/T****—2009)表8.35 编号:-假山、叠石、塑石检验批质量验收记录(DB**/T****—2009)表8.36 编号:-护栏工程检验批质量验收记录(DB**/T****—2009)表8.37 编号:园林喷灌设备安装检验批质量验收记录(DB**/T****—2009)表8.38 编号:-05‘园林水景工程检验批质量验收记录(DB**/T****—2009)表8.39 编号:-04。
园林绿化工序质量报验单
江苏省建设厅建设监理处监制
注1:本表由施工单位填写,施工单位、监理单位各保存一份。
园林绿化工序质量报验单
江苏省建设厅建设监理处监制
植物材料分项工程质量检验评定表
园林绿化工序质量报验单
江苏省建设厅建设监理处监制
植物材料分项工程质量检验评定表
园林绿化工序质量报验单
江苏省建设厅建设监理处监制
江苏省建设厅建设监理处监制
江苏省建设厅建设监理处监制
江苏省建设厅建设监理处监制
江苏省建设厅建设监理处监制
江苏省建设厅建设监理处监制
江苏省建设厅建设监理处监制
江苏省建设厅建设监理处监制
江苏省建设厅建设监理处监制
江苏省建设厅建设监理处监制
江苏省建设厅建设监理处监制
江苏省建设厅建设监理处监制
江苏省建设厅建设监理处监制
江苏省建设厅建设监理处监制
江苏省建设厅建设监理处监制
江苏省建设厅建设监理处监制
江苏省建设厅建设监理处监制
江苏省建设厅建设监理处监制。