压铸铝合金的化学成分和力学性能表
- 格式:doc
- 大小:146.00 KB
- 文档页数:3
合金的化学成分应符合GB/T15115的规定.3.2力学性能3.2.1当采用压铸试样检验时,其力学性能应符合GB/T15115的规定3.2.2当采用压铸件本体试验时,其指定部位切取度样的力学性能不得低于单铸试样的75%,若有特3.3压铸件尺寸3.3.1压铸件的几何形状和尺寸应符合铸件图样的规定3.3.2压铸件尺寸公差应按GB6414的规定执行,有特殊规定和要求时,须在图样上注明.3.3.3压铸件有形位公差要求时,其标注方法按GB1182的规定.3.3.4压铸件的尺寸公差不包括铸造斜度,其不加工表面:包容面以小端为基准,有特殊规定和要求3.4压铸件需要机械加工时,其加工余量按GB/T11350的规定执行.若有特殊规定和要求时,其加工3.5表面质量3.5.1铸件表面粗糙度应符合GB6060.1的规定3.5.2铸件不允许有裂纹,欠铸,疏松,气泡和任何穿透性缺陷.3.5.3铸件不允许有擦伤,凹陷,缺肉和网状毛刺等腰三角形缺陷,但其缺陷的程度和数量应该与供3.5.4铸件的浇口,飞边,溢流口,隔皮,顶杆痕迹等腰三角形应清理干净,但允许留有痕迹.3.5.5若图样无特别规定,有关压铸工艺部分的设置,如顶杆位置,分型线的位置,浇口和溢流口的3.5.6压铸件需要特殊加工的表面,如抛光,喷丸,镀铬,涂覆,阳极氧化,化学氧化等须在图样上注3.6内部质量3.6.1压铸件若能满足其使用要求,则压铸件本质缺陷不作为报废的依据.3.6.2对压铸件的气压密封性,液压密封性,热处理,高温涂覆,内部缺陷(气孔,疏孔,冷隔,夹杂)及3.6.3在不影响压铸件使用的条件下,当征得需方同意,供方可以对压铸件进行浸渗和修补(如焊补4质量保证4.1当供需双方合同或协议中有规定时,供方对合同中规定的所有试验或检验负责.合同或协议中有权对标准中的任何试验和检验项目进行检验,其质量保证标准应根据供需双方之间的协议而定.4.2根据压铸生产特点,规定一个检验批量是指每台压铸设备在正常操作情况下一个班次的生产量供方对每批压铸件都要随机或统计地抽样检验,确定是否符合全部技术要求和合同或铸件图样的5试验方法及检验规则5.1化学成分5.1.1合金化学成分的检验方法,检验规则和复检应符合GB/T15115的规定.5.1.2化学成分的试样也可取自压铸件,但必须符合GB/T15115的规定5.2力学性能5.2.1力学性能的检验方法,检验频率和检验规则就符合GB/T15115的规定.5.2.2采用压铸件本体为试样时,切取部位尺寸,测试形式由供需双方商定.5.3压铸件几何尺寸的检验可按检验批量抽验或按GB2828,GB2829的规定进行,抽检结果必须符合5.4压铸件表面质量就逐检查,检查结果应符合本标准3.5的规定.5.5压铸件表面粗糙度按GB6060.1的规定执行.5.6压铸件需抛光加工的表面按GB6060.4的规定执行,5.7压铸件需喷丸,喷砂加工的表面按GB6060.5的规定执行.5.8压铸件内部质量的试验方法检验规则由供需双方商定,可以包括:X射线照片,无损探伤,耐压试5.9经浸渗和修补处理后的压铸件应做相应的质量检验.6压铸件的交付,包装,运输与储存6.1当在合同或协议中有要求时,供方应提供需方一份检验证明,用来说明每批压铸件的取样,试验6.2合格压铸件交付时,必须有附有检验合格证,其上应写明下列内容:产品名称,产品号,合金牌号格证上注明检验的条件和结果.6.3压铸件的包装,运输与储存,由供需双方商定.(待续)份若有特殊要求,可由供需双方商定.和要求时,须在图样上注明.其加工作量须在图样上注明.该与供需双方同意的标准相一致.流口的位置等由生产厂自行规定;否则图样上应注明或由供需双方商定.样上注明或由供需双方商定.夹杂)及本标准未列项目有要求时,可由供需双方商定.如焊补,变形校整等)处理.协议中无规定时,经需方同意,供方可以用自已适宜的手段执行本标准所规定的试验和要求,需方间的协议而定.生产量,设备,化学成分,铸型和操作连续性的任何重大变化都应被认为是新是一个批量开始.图样的规定要求,检验结果应予以记录.须符合标准3.3的规定.耐压试验,金相图片和压铸件剖面等,其检难结果应符合3.6的规定.样,试验和检验符合标准的规定.金牌号,数量,交付状态,制造厂名,检验合格印记和交付时间.有特殊检验项目者,应在检验员合。
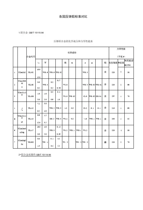
各国压铸铝标准对比1.铝合金GB/T 15115-94压铸铝合金的化学成分和力学性能表2•铝合金床铸件GB/T 15114-941•主题内容与适用范围本标准规定了铝介金压铸件的技术耍求,质彊保证,试於方法及检验规则和交货条件等.本标准适用「•铝介金斥铸件.2. 引用标准GB1182形状和位置公差代兮及其标准GB2828逐批检查计数抽样程序及抽样表(适用J:连续的检查)GB2829周期检査计数抽样程序及抽样表(适用丁•生产过程稳定性的检査)GB6060. 1表面粗糙度比较样块铸造表面GB6060. 4表面粗糙度比较样块抛光加工表面GB6060. 5衣面粗糙度比较样块抛(喷)丸,喷砂加工表面GB6114铸件尺寸公差GB/T11350铸件机械加工余龟GB/T15U5压铸铝合金3. 技术要求3. 1化学成分合金的化学成分应符合GB/T15U5的规定.3. 2力学性能3. 2. 1当采用压铸试样检验时,其力学性能应符合GB/T15115的规定3. 2.2当采用压铸件本体试验时,Jt指定部位切取度样的力学性能不得低单铸试样的75%,若冇特殊耍求,可山供丽双方商定.3. 3压铸件尺寸3. 3.1压铸件的儿何形状和尺寸应符合铸件图样的规定3. 3. 2压铸件尺寸公差应按GB6414的规定执行,仃特殊规定和耍求时,须在图样上注明.3. 3. 3压铸件有形位公差耍求时,Jt标注方法按GB1182的规定.3. 3.4斥铸件的尺寸公差不包括铸造斜度,其不加匸表面:包容面以小端为基准,有特殊规定和要求时,须在图样上注明.3. 4压铸件需要机械加工时,其加工余量按GB/TU350的规定执行•若有特殊规定和要求时,其加工作最须在图样上注明.3. 5表面质最3. 5. 1铸件表而粗糙度应符合GB6060. 1的规定3. 5. 2铸件不允许有裂纹,欠铸,疏松,气泡和任何穿透性缺陷.3. 5. 3铸件不允许有擦伤,凹陷,缺肉和网状毛刺等腰三角形缺陷,但其缺陷的程度和数斎应该与供需双方同意的标准相一致.3. 5.4铸件的浇I 1,飞边,溢流I I,隔皮,顶杆痕迹等腰三角形应清理干净,但允许昭仃痕迹.3. 5. 5若图样无特别规定,勺关压铸工艺部分的设置,如顶杆位置,分型线的位買,浇I I和溢流I I的位置等由生产厂自行规定;否则图样上应注明或由供需双方商定.3. 5. 6压铸件石耍特殊加工的表面,如抛光,喷丸,镀洛,涂覆,阳极氧化,化学氧化等须在图样上注明或由供需双方商定.3.6内部质量3. 6. 1压铸件若能满足苴使用要求,则压铸件木质缺陷不作为报废的依据.3. 6. 2对斥铸件的气斥密封性,液斥密封性,热处理,高温涂覆,内部缺陷(气孔,筑扎冷隔,夹杂)及本标准未列项目有耍求时,可由供需双方商定.3. 6. 3在不彫响床铸件使用的条件卜•,当征得需方同意,供方可以対斥铸件进行浸渗和修补(如焊补, 变形校整等)处理.4. 质量保证4. 1当供需双方介同或协议中仃规定时,供方对介同屮规定的所仃试验或检验负贵.合同或协议中无规定时,经需方同意,供方可以用自己适宜的手段执行本标准所规定的试验利耍求,碍方有权对标准中的任何试验和检验项冃进行检验,其质杲保证标准应根据供需双方Z间的协议而定.4.2根据压铸生产特点,规定一个检验批晟是指毎台压铸设备在正常操作情况卜一个班次的生产磺, 设备,化学成分,铸型和操作连续性的任何車人变化都应被认为是新是一个批最开始.供方对每批压铸件都耍随机或统计地抽样检验,确定是否符介全部技术要求和合同或铸件图样的规定耍求,检验结果应予以记录.5. 试验方法及检验规则5. 1化学成分5. 1. 1合金化学成分的检验方法,检验规则和复检W符合GB/T15115的规定.5. 1.2化学成分的试样也可取自压铸件,但必须符介GB/T15U5的规定5.2力学性能5. 2. 1力学性能的检验方法,检验频率和检验观则就符合GB/T15U5的规定.5. 2. 2采用压铸件本体为试样时,切取部位尺寸,测试形式由供需双方商定.5. 3压铸件儿何尺寸的检验可按检验批届抽验或按GB2828, GB2829的规定进『抽检结来必须符介标准3. 3的规定.5.4压铸件表而质量就逐检査,检査结果应符介本标准3. 5的规定.5. 5压铸件表而粗糙度按GB6060. 1的规定执行.5. 6压铸件需抛光加工的表面按GB6060. 4的规定执行,5. 7压铸件需喷丸,喷砂加工的表而按GB6060. 5的规定执行.5. 8压铸件内部质彊的试验方法检验规则由供需双方商定,可以包括:X射线照片,无损探伤,耐压试验,金相图片和压铸件剖面等,其检难结果应符合3. 6的规定.5. 9经浸渗和修补处理后的压铸件应做相应的质竜检验.6. 压铸件的交付,包装,运输与储存6. 1当在合同或协议屮勺耍求时,供方应提供‘需方一份检验证明,用來说明毎批斥铸件的取样,试验和检验符合标准的规定.6. 2合格压铸件交付时,必须有附有检验合格证,其上应写明卜列内容:产品名称,产品号,合金牌号, 数量,交付状态,制造厂名,检验合格印记和交付时间•有特殊检验项目者,应在检验员合格证上注明检验的条件和结果.6. 3压铸件的包装,运输与储存,由供需双方商定.(待续)二.日本工业标准JIS H5302:2000H本爪铸钳合金化学成分农H本斥铸铝介金机械性能表三•美国标准ASTM B85-96 矣国压铸铝介金化学成分表四・欧盟标准ENL706: 1998欧盟爪铸铝介金化学成分和力学性能农国内外主耍压铸AI合金化学成分表I合金系列I国别I合金牌号I %/%标准规范。
铝合金压铸的化学成分和力学性能表1.引言铝合金压铸是一种常用的金属加工方式,广泛应用于汽车、电子产品、航空航天等领域。
本文将介绍铝合金压铸的化学成分和力学性能表,以帮助读者更好地了解铝合金压铸的性能。
2.化学成分表合金牌号 | 铝 (Al) | 硅 (Si) | 镁 (Mg) | 铜 (Cu) | 锌 (Zn) | 镉 (Cd) | 锰 (Mn) | 铝合金牌号适用范围 |ADC1 | 91.5% | 7.0% | 0.5% | -- | -- | -- | -- | 适用于按压铸造的零件 |ADC3 | 86.3% | 12.0% | 0.4% | 1.3% | -- | -- | -- | 适用于一般机械零件 |ADC6 | 91.0% | 7.5% | 0.4% | 1.0% | -- | -- | -- | 适用于强度和硬度要求较高的零件 |ADC10 | 85.0% | 12.0% | 0.4% | 1.6% | -- | -- | -- | 适用于要求较高强度和耐腐蚀性的零件 |ADC12 | 88.3% | 9.5% | 0.5% | 1.5% | -- | -- | -- | 适用于良好的流动性和耐蚀性要求的零件 |3.力学性能表以下数据是铝合金压铸件在室温下的典型力学性能,仅供参考。
合金牌号 | 屈服强度 (MPa) | 抗拉强度 (MPa) | 延伸率 (%) | 硬度(HB) |ADC1 | 80 | 130 | 4 | 40 |ADC3 | 120 | 180 | 3 | 60 |ADC6 | 125 | 190 | 2 | 70 |ADC10 | 135 | 200 | 1.5 | 80 |ADC12 | 140 | 210 | 1 | 90 |需要注意的是,上述数据是基于一般工艺条件和合金配方的典型结果,实际应用中可能会有差异。
具体的力学性能还受到材料处理和产品设计等多个因素的影响。
铝合金压铸标准-铝合金压铸标准一.中华人民1. 铝合金 GB/T 15115-942. 铝合金压铸件 GB/T 15114-941.主题内容与适用范围本标准规定了铝合金压铸件的技术要求,质量保证,试验方法及检验规则和交货条件等.本标准适用于铝合金压铸件.2.引用标准GB1182 形状和位置公差代号及其标准GB2828 逐批检查计数抽样程序及抽样表(适用于连续的检查)GB2829 周期检查计数抽样程序及抽样表(适用于生产过程稳定性的检查)GB6060.1 表面粗糙度比较样块 铸造表面GB6060.4 表面粗糙度比较样块 抛光加工表面GB6060.5 表面粗糙度比较样块 抛(喷)丸,喷砂加工表面GB6414 铸件尺寸公差GB/T11350 铸件机械加工余量GB/T15115 压铸铝合金3.技术要求3.1化学成分合金的化学成分应符合GB/T15115的规定.3.2力学性能3.2.1当采用压铸试样检验时,其力学性能应符合GB/T15115的规定3.2.2当采用压铸件本体试验时,其指定部位切取度样的力学性能不得低于单铸试样的75%,若有特3.3压铸件尺寸3.3.1压铸件的几何形状和尺寸应符合铸件图样的规定3.3.2压铸件尺寸公差应按GB6414的规定执行,有特殊规定和要求时,须在图样上注明.3.3.3压铸件有形位公差要求时,其标注方法按GB1182的规定.3.3.4压铸件的尺寸公差不包括铸造斜度,其不加工表面:包容面以小端为基准,有特殊规定和要求3.4压铸件需要机械加工时,其加工余量按GB/T11350的规定执行.若有特殊规定和要求时,其加工3.5表面质量3.5.1铸件表面粗糙度应符合GB6060.1的规定3.5.2铸件不允许有裂纹,欠铸,疏松,气泡和任何穿透性缺陷.3.5.3铸件不允许有擦伤,凹陷,缺肉和网状毛刺等腰三角形缺陷,但其缺陷的程度和数量应该与供3.5.4铸件的浇口,飞边,溢流口,隔皮,顶杆痕迹等腰三角形应清理干净,但允许留有痕迹.3.5.5若图样无特别规定,有关压铸工艺部分的设置,如顶杆位置,分型线的位置,浇口和溢流口的3.5.6压铸件需要特殊加工的表面,如抛光,喷丸,镀铬,涂覆,阳极氧化,化学氧化等须在图样上注3.6内部质量3.6.1压铸件若能满足其使用要求,则压铸件本质缺陷不作为报废的依据.3.6.2对压铸件的气压密封性,液压密封性,热处理,高温涂覆,内部缺陷(气孔,疏孔,冷隔,夹杂)及3.6.3在不影响压铸件使用的条件下,当征得需方同意,供方可以对压铸件进行浸渗和修补(如焊补4质量保证4.1当供需双方合同或协议中有规定时,供方对合同中规定的所有试验或检验负责.合同或协议中有权对标准中的任何试验和检验项目进行检验,其质量保证标准应根据供需双方之间的协议而定.4.2根据压铸生产特点,规定一个检验批量是指每台压铸设备在正常操作情况下一个班次的生产量供方对每批压铸件都要随机或统计地抽样检验,确定是否符合全部技术要求和合同或铸件图样的5试验方法及检验规则5.1化学成分5.1.1合金化学成分的检验方法,检验规则和复检应符合GB/T15115的规定.5.1.2化学成分的试样也可取自压铸件,但必须符合GB/T15115的规定5.2力学性能5.2.1力学性能的检验方法,检验频率和检验规则就符合GB/T15115的规定.5.2.2采用压铸件本体为试样时,切取部位尺寸,测试形式由供需双方商定.5.3压铸件几何尺寸的检验可按检验批量抽验或按GB2828,GB2829的规定进行,抽检结果必须符合5.4压铸件表面质量就逐检查,检查结果应符合本标准3.5的规定.5.5压铸件表面粗糙度按GB6060.1的规定执行.5.6压铸件需抛光加工的表面按GB6060.4的规定执行,5.7压铸件需喷丸,喷砂加工的表面按GB6060.5的规定执行.5.8压铸件内部质量的试验方法检验规则由供需双方商定,可以包括:X射线照片,无损探伤,耐压试5.9经浸渗和修补处理后的压铸件应做相应的质量检验.6压铸件的交付,包装,运输与储存6.1当在合同或协议中有要求时,供方应提供需方一份检验证明,用来说明每批压铸件的取样,试验6.2合格压铸件交付时,必须有附有检验合格证,其上应写明下列内容:产品名称,产品号,合金牌号格证上注明检验的条件和结果.6.3压铸件的包装,运输与储存,由供需双方商定.份标准---中国标准华人民共和国国家标准若有特殊要求,可由供需双方商定.和要求时,须在图样上注明.其加工作量须在图样上注明.该与供需双方同意的标准相一致.流口的位置等由生产厂自行规定;否则图样上应注明或由供需双方商定.样上注明或由供需双方商定.夹杂)及本标准未列项目有要求时,可由供需双方商定.如焊补,变形校整等)处理.协议中无规定时,经需方同意,供方可以用自已适宜的手段执行本标准所规定的试验和要求,需方间的协议而定.生产量,设备,化学成分,铸型和操作连续性的任何重大变化都应被认为是新是一个批量开始.图样的规定要求,检验结果应予以记录.须符合标准3.3的规定.耐压试验,金相图片和压铸件剖面等,其检难结果应符合3.6的规定.样,试验和检验符合标准的规定.金牌号,数量,交付状态,制造厂名,检验合格印记和交付时间.有特殊检验项目者,应在检验员合。
WORD 格式可编辑世界各国压铸铝合金成分牌号对照表1. 铝合金 GB/T 15115-94压铸铝合金的化学成分和力学性能表力学性能化学成份序号合金牌号合金代号(不低于)布氏硬度硅铜锰镁铁镍钛锌铅锡铝抗拉强度伸长度HB5/25010.01YZA1Sil2YL102≤0.6≤0.6≤0.05≤ 1.2≤0.3余22023013.0YZA1Si10M8.00.20.172YL104≤0.3≤ 1.0≤0.3≤ 0.05≤0.01余220260 g0.50.50.30YZA1Si12C1.0 1.00.30.43YL108≤ 1.0≤0.05≤1.0≤ 0.05≤0.01余240170 u23.0 2.00.9 1.0YZA1Si9Cu7.5 3.04YL112≤0.5≤0.3≤ 1.2≤0.5≤1.2≤ 0.1≤0.1余240190 49.5 4.0YZA1Si11C9.6 1.55YL113≤0.5≤0.3≤ 1.2≤0.5≤1.0≤ 0.1≤0.1余230185 u312.0 3.5YZA1Si17C16.0 4.00.456YL117≤0.5≤ 1.2≤0.1≤ 0.1≤1.2余220<180 u5Mg8.0 5.00.65YZA1Mg50.80.1 4.57YL302≤0.1≤ 1.2≤ 0.2≤ 0.2余220270 Sil1.30.4 5.5二. 日本工业标准 JIS H5302:2000日本压铸铝合金化学成分表JIS 牌Cu Si Mg Zn Fe Mn Ni Sn Pb Ti Al ISO 牌号号ADC1<1.011.0-13.0<0.3<0.5<1.3<0.3<0.5<0.1余量ADC2A1-Si12Fe<0.1011.0-13.5<0.1<0.1<1.3<0.5<0.1<0.05<0.1<0.2余量ADC3<0.69.0-10.00.4-0.6<0.5<1.3<0.3<0.5<0.1余量ADC5<0.2<0.3 4.0-8.5<0.1<1.8<0.3<0.1<0.1余量ADC6<0.1<1.0 2.5-4.0<0.4<0.80.4-0.6<0.1<0.1余量ADC7A1-Si5Fe<0.10 4.5-6.0<0.1<0.1<1.3<0.5<0.1<0.1<0.1<0.2余量ADC8A1-Si6Cu4Fe 3.0-5.0 5.0-7.0<0.3<2.0<1.30.2-0.6<0.3<0.1<0.2<0.2余量ADC10 2.0-4.07.5-9.5<0.3<1.0<1.3<0.5<0.5<0.2余量ADC10Z 2.0-4.07.5-9.5<0.3<3.0<1.3<0.5<0.5<0.2余量ADC11A1-Si8Cu3Fe 2.5-4.07.5-9.5<0.3<1.2<1.3<0.6<0.5<0.2<0.3<0.2余量ADC12 1.5-3.59.6-12.0<0.3<1.0<1.3<0.5<0.5<0.2余量ADC12Z 1.5-3.59.6-12.0<0.3<3.0<1.3<0.5<0.5<0.2余量日本压铸铝合金机械性能表抗拉试验硬度试验抗拉强度 MPa耐力 MPa延伸率 %HB HRB 牌号平均平均平均σASTMσASTMσASTM平均值σASTM平均值σ值值值ADC12504629017222130 1.70.6 3.571.2 3.57236.2 5.5 ADC32794832017935170 2.71 3.571.4 1.87636.7 2.2 ADC5(213)65310(145)261905(66.4) 2.474(30.1) 3.7 ADC6266612801722364 3.21064.7 2.36727.3 3.9 ADC102413432015718160 1.50.5 3.573.6 2.48339.43 ADC122284131015414150 1.40.8 3.574.1 1.58640 1.8 ADC1419328320188312500.50.1<176.8 1.710843.1 2.1三. 美国标准 ASTM B85-96美国压铸铝合金化学成分表合金牌号成分除铝以外ANSI ASTM UNS Si Fe Cu Mn Mg Ni Zn Sn Ti的其他成铝 AI分(总量)360.0SG100B A036009.0-10.0 2.00.60.350.40-0.600.500.500.150.25余量A360.0SG100A A136009.0-10.0 1.30.60.350.40-0.600.500.500.150.25余量380.0SC84B A03800 7.5-9.5 2.0 3.0-4.00.500.100.50 3.00.350.50余量A380.0E SC84A A13800 7.5-9.5 1.3 3.0-4.00.500.100.50 3.00.350.50余量383.0E SC102A A038309.5-11.5 1.3 2.0-3.00.500.100.30 3.00.150.50余量384.0E SC114A A03840 10.5-12.0 1.3 3.0-4.50.500.100.50 3.00.350.50余量390.0SC174A A03900 16.0-18.0 1.3 4.0-5.00.100.45-0.650.100.200.20余量B390.0SC174B A23900 16.0-18.0 1.3 4.0-5.00.500.45-0.650.10 1.50.100.20余量413.0S12B A0413011.0-13.0 2.0 1.00.350.100.500.500.150.25余量A413.0S12A A1413011.0-13.0 1.3 1.00.350.100.500.500.150.25余量C433.0S5C A34430 4.5-6.0 2.00.60.350.100.500.500.150.25余量518.0G8A A051800.35 1.80.250.357.5-8.50.150.150.250.25余量四.欧盟标准EN1706: 1998欧盟压铸铝合金化学成分和力学性能表合金牌号化学成分布氏抗拉强屈服强伸长度Mpa度硬度Si Fe Cu Mn Mg Ni Zn Pb Sn Mpa率 %最代号Ti最小小HB 最最小小9.00.450.20ENAC-434000.080.550.150.150.150.050.152********11.00.90.5010.50.45ENAC-443000.080.550.150.152********13.50.98.0ENAC-444000.550.080.500.100.050.150.050.050.152********11.08.00.6 2.00.15ENAC-460000.550.55 1.20.350.250.224014018011.0 1.1 4.00.5510.00.45 1.5ENAC-461000.550.300.45 1.70.250.250.224014018012.0 1.0 2.57.5 2.00.150.15ENAC-462000.80.35 1.20.250.150.22401401809.5 3.50.650.558.00.6 2.00.15ENAC-465000.550.55 3.00.350.250.20240140<1011.0 1.2 4.00.5510.50.60.7ENAC-471000.550.350.300.550.200.100.152401401013.5 1.1 1.20.458.0ENAC-51200 2.50.100.550.100.250.100.100.15200130100.910.5国内外主要压铸AI 合金化学成分表W/%WORD 格式可编辑中国YL10210.0-13.0<0.6<0.05<1.2GB/T15115-94日本ADC111.0-13.0<1.0<0.30<1.2JISH5302-82 AI-Si 系美国41311.0-13.0<1.0<0.35<2.0余量ASTMB85-82俄罗斯AJ1210.0-13.0<0.6<0.10<1.5TOCT2685-82德国AlSil211.0-13.5<0.10<0.05<1.0DIN1725中国YL1048.0-10.5<0.300.17-0.30<1.0GB/T15115-94日本ADC39.0-10.0<0.600.40-0.60<1.3JISH5302-82 AI-Si-Mg系美国3609.0-10.0<0.600.40-0.60<2.0余量ASTMB85-82俄罗斯AJl48.0-10.5<0.100.17-0.30<1.0TOCT2685-82德国AlSil0Mg9.0-11.0<0.100.20-0.50<1.0DIN1725中国YL1127.5-9.5 3.0-4.0<0.30<1.2GB/T15115-94 YL1139.6-12.0 1.5-3.5<0.30<1.2日本ADC107.5-9.5 2.0-4.0<0.30<1.3JISH5302-82 ADC129.6-12.0 1.5-3.5<0.30<1.3AI-Si-Cu系余量3807.5-9.5 3.0-4.0<0.10<1.3美国ASTMB85-823839.5-11.5 2.0-3.0<0.10<1.3俄罗斯AJl6 4.5-6.0 2.0-3.0<0.10<1.5TOCT2685-82德国AlSi8Cu37.5-9.5 2.0-3.5<0.30<1.3DIN1725中国YL3020.80-1.30<0.10 4.5-5.5<1.2GB/T15115-94AI-Mg 系日本ADC5<0.30<0.20 4.0-8.5<1.8余量JISH5302-82美国518<0.35<0.257.5-8.5<1.8ASTMB85-82德国AlMg9<0.50<0.057.0-10.0<1.0DIN1725WORD 格式可编辑变形铝及铝合金化学成分及新旧序牌号化学成分(质量分数号(新)Si Fe Cu Mn Mg Cr Ni 11A990.0030.0030.005--------21A970.0150.0150.005--------31A950.0300.0300.010--------41A930.0400.0400.010--------51A900.0600.0600.010--------61A850.080.100.01--------710800.150.150.030.020.02----81080A0.150.150.030.020.02----910700.200.250.040.030.03----101070A0.200.250.030.030.03----1113700.100.250.020.010.020.01--1210600.250.350.050.030.03----1310500.250.400.050.050.05----141050A0.250.400.050.050.05----151A500.300.300.010.050.05----1613500.100.400.050.01--0.01--171145Si + Fe:0.550.050.050.05----1810350.350.60.100.050.05----191A300.10-0.25 0.15-0.300.050.010.01--0.0 201100Si+Fe:0.950.05-0.200.05------211200Si+Fe:1.000.050.05------221235Si+Fe:0.650.050.050.05----232A010.500.50 2.2-3.00.200.20-0.50----242A020.300.30 2.6-3.20.45-0.7 2.0-2.4----252A040.300.30 3.2-3.70.50-0.8 2.1-2.6----262A060.500.50 3.8-4.30.50-1.0 1.7-2.3----272A100.250.20 3.9-4.50.30-0.500.15-0.30----282A110.70.7 3.8-4.80.40-0.80.40-0.8--0.1 292B110.500.50 3.8-4.50.40-0.80.40-0.8----302A120.500.50 3.8-4.90.30-0.9 1.2-1.8--0.1 312B120.500.50 3.8-4.50.30-0.7 1.2-1.6----322A130.70.6 4.0-5.0--0.30-0.50----332A140.6-1.20.7 3.9-4.80.40-1.00.40-0.8--0.1 342A160.300.30 6.0-7.00.40-0.80.05----352B160.250.30 5.8-6.80.20-0.400.05----362A170.300.30 6.0-7.00.40-0.80.25-0.45----372A200.200.30 5.8-6.8--0.02----382A210.200.20-0.6 3.0-4.00.050.8-1.2-- 1.8-2 392A250.060.06 3.6-4.20.50-0.7 1.0-1.5--0.0 402A490.250.8-1.2 3.2-3.80.30-0.6 1.8-2.2--0.8-1 412A500.7-1.20.7 1.8-2.60.40-0.80.40-0.8--0.1 422B500.7-1.20.7 1.8-2.60.40-0.80.40-0.80.01-0.200.1 432A700.350.9-1.5 1.9-2.50.20 1.4-1.8--0.9-1442B700.250.9-1.4 1.8-2.70.20 1.2-1.8--0.8-1452A800.50-1.2 1.0-1.6 1.9-2.50.20 1.4-1.8--0.9-1 462A900.50-1.00.5-1.0 3.5-4.50.200.4-0.8-- 1.8-2 4720040.200.20 5.5-6.50.100.50----4820110.400.7 5.0-6.0--------4920140.50-1.20.7 3.9-5.00.40-1.20.20-0.80.10--502014A0.50-0.90.50 3.9-5.00.40-1.20.20-0.80.100.1 5122140.50-1.20.3 3.9-5.00.40-1.20.20-0.80.10--5220170.20-0.80.7 3.5-4.50.40-1.00.40-0.80.10--532017A0.20-0.80.7 3.5-4.50.40-1.00.40-1.00.10--5421170.80.7 2.2-3.00.200.20-0.500.10--5522180.9 1.0 3.5-4.50.20 1.2-1.80.10 1.7-2 5626180.10-0.250.9-1.3 1.9-2.7-- 1.3-1.8--0.9-1 5722190.200.30 5.8-6.80.20-0.400.02----5820240.500.50 3.8-4.90.30-0.9 1.2-1.80.10--5921240.200.30 3.8-4.90.30-0.9 1.2-1.80.10--603A210.60.70.20 1.0-1.60.05----6130030.60.70.05-0.20 1.0-1.5------6231030.500.70.100.9-1.50.300.10--6330040.300.700.25 1.0-1.50.8-1.3----6430050.60.70.30 1.0-1.50.20-0.60.10--6531050.60.70.300.30-0.80.20-0.80.20--664A01 4.5-6.00.60.20--------674A1111.5-13.5 1.00.50-1.30.200.8-1.30.100.50-684A13 6.8-8.20.50Cu+Zn:0.150.500.05----694A1711.0-12.50.50Cu+Zn:0.150.500.05----7040049.0-10.50.80.250.10 1.0-2.0----71403211.0-13.5 1.00.50-1.3--0.8-1.30.100.50-724043 4.5-6.00.80.300.050.05----734043A 4.5-6.00.60.300.150.20----74404711.0-13.00.80.300.150.10----754047A11.0-13.00.60.300.150.10----765A01Si+Fe:0.400.100.30-0.7 6.0-7.00.10-0.20--或775A020.400.400.10Cr:0.15 2.0-2.8-----0.40785A030.50-0.80.500.100.30-0.6 3.2-3.8----795A050.500.500.100.30-0.6 4.8-5.5----805B050.400.400.200.20-0.6 4.7-5.7----815A060.400.400.100.50-0.8 5.8-6.8----825B060.400.400.100.50-0.8 5.8-6.8----835A120.300.300.050.40-0.88.3-9.6--0.1845A130.300.300.050.40-0.89.2-10.5--0.1 855A30Si+Fe:0.400.100.50-1.0 4.7-5.50.05-0.20--865A330.350.350.100.10 6.0-7.5----875A410.400.400.100.30-0.6 6.0-7.0----885A430.400.400.100.15-0.400.6-1.4----895A660.0050.010.005-- 1.5-2.0----9050050.300.70.200.200.50-1.10.10--9150190.400.500.100.10-0.6 4.5-5.60.20--9250500.400.70.200.10 1.1-1.80.10--9352510.400.500.150.10-0.50 1.7-2.40.15--9450520.250.400.100.10 2.2-2.80.15-0.35--9551540.250.400.100.10 3.1-3.90.15-0.35--965154A0.500.500.100.50 3.1-3.90.25--9754540.250.400.100.50-1.0 2.4-3.00.05-0.20--9855540.250.400.100.50-1.0 2.4-3.00.05-0.20--9957540.400.400.100.50 2.6-3.60.30--10050560.300.400.100.05-0.20 4.5-5.60.05-0.20--10153560.250.400.100.05-0.20 4.5-5.50.05-0.20--10254560.250.400.100.50-1.0 4.7-5.50.05-0.20--10350820.200.350.150.15 4.0-5.00.15--10451820.200.350.150.20-0.50 4.0-5.00.10--10550830.400.400.100.40-1.0 4.0-4.90.05-0.25--10750860.400.500.100.20-0.7 3.5-4.50.05-0.25--或1086A020.50-1.20.500.20-0.6Cr:0.150.45-0.9-----0.351096B020.7-1.10.400.10-0.400.10-0.300.40-0.8----1106A510.50-0.70.500.15-0.35--0.45-0.6----11161010.30-0.70.500.100.030.35-0.80.03--1126101A0.30-0.70.400.05--0.40-0.9----11360050.6-0.90.350.100.100.40-0.60.10--1146005A0.50-0.90.350.300.500.40-0.70.30--11563510.7-1.30.500.100.40-0.80.40-0.8----11660600.30-0.60.10-0.300.100.100.35-0.60.05--11760610.40-0.80.70.15-0.400.150.8-1.20.04-0.35--11860630.20-0.60.350.100.100.45-0.90.10--1196063A0.30-0.60.15-0.350.100.150.6-0.90.05--1206070 1.0-1.70.500.15-0.400.40-1.00.50-1.20.10--12161810.8-1.20.450.100.150.6-1.00.10--12260820.7-1.30.500.100.40-1.00.6-1.20.25--1237A010.300.300.10--------1247A030.200.20 1.8-2.40.10 1.2-1.60.05--专业知识整理分享1267A050.250.250.200.15-0.40 1.1-1.70.05-0.15--1277A090.500.50 1.2-2.00.15 2.0-3.00.16-0.30--1287A100.300.300.5-1.00.20-0.35 3.0-4.00.10-0.20--1297A150.500.500.5-1.00.10-0.40 2.4-3.00.10-0.30--1307A190.300.400.08-0.300.30-0.50 1.3-1.90.10-0.20--1317A310.300.600.10-0.400.20-0.40 2.5-3.30.10-0.20--1327A330.250.300.25-0.550.05 2.2-2.70.10-0.20--1337A520.250.300.05-0.200.20-0.50 2.0-2.80.15-0.25--13470030.300.350.200.300.50-1.00.20--13570050.350.400.100.20-0.7 1.0-1.80.06-0.20--13670200.350.400.200.05-0.50 1.0-1.40.10-0.35--13770220.500.500.50-1.00.10-0.40 2.6-3.70.10-0.30--13870500.120.15 2.0-2.60.10 1.9-2.60.04--13970750.400.50 1.2-2.00.30 2.1-2.90.18-0.28--14074750.100.12 1.2-1.90.06 1.9-2.60.18-0.25--1418A060.550.500.100.100.10----14280110.50-0.90.6-1.00.100.200.050.05--14380900.200.30 1.0-1.60.100.6-1.30.10--专业知识整理分享。
压铸铝合金的化学成分和力学性能表
二.日本工业标准JIS H5302:2000日本压铸铝合金化学成分表
日本压铸铝合金机械性能表
三.美国标准ASTM B85-96美国压铸铝合金化学成分表
四.欧盟标准EN1706:1998欧盟压铸铝合金化学成分和力学性能表
国内外主要压铸AI合金化学成分表
找最合适的压铸铝合金光谱标样只要你提供要求,我们就全心全意为您提供优质
服务!
因为我们专注光谱标样十年,成就上千家用户单位的信赖;
专业提供全球优质知名厂家标准样品:
专业提供全球优质标准样品:、英国BAS、美国BS、法国CITF、德国BAM、、美国IARM、等!适用于:,热电ARL直读光谱仪,德国OBLF直读光谱仪,德国布鲁克直读光谱仪,岛津直读光谱仪,牛津直读光谱仪等各大品牌直读光谱分析仪!
仪德科仪耗材部
谭经理
全国统一热线:400-099-6508。