材料力学竞赛试题答案
- 格式:doc
- 大小:335.50 KB
- 文档页数:8
一、判断题(正确记为√,错误记为×。
1×10=10分)1.某拉伸试件的断口形状如图1-1,此试件是脆性材料。
A2.挤压强度计算中,挤压面积就是挤压中的接触面积。
B3.轴向拉压杆件中的工作应力与材料的弹性模量E成正比。
B4.圆轴扭转时,横截面上的剪应力垂直于半径。
A (图1-1)5.面积不为零的平面图形对任意一轴的惯性矩(Iz)恒大于零。
A6.若梁的某截面上剪力为零,则该截面的弯矩图形一定是抛物线的顶点。
B7.梁上两截面之间没有集中力偶作用,则两截面弯矩之差等于两截面之间的剪力图面积。
A8.若梁某截面的上表面弯曲正应力为-120MPa,则该截面的下表面弯曲正应力为+120MPa。
B9.梁变形时,挠度最大处转角也最大。
B10.用16Mn合金钢替代低碳钢,不能减小梁的变形程度。
A二、单项选择题(2.5×10=25分)1.虎克定律使用的条件是:A.σ<σp B.σ>σp C.σ<σs D.σ>σs2.实心圆截面杆直径为D,受拉伸时的绝对变形为mm=∆。
仅当直径变为2D时,绝对变形l∆为:l1A.1mm B.1/2mm C.2mm D.1/4mm3.图2-1为一联接件,销钉直径为d,两块板厚均为t。
销钉的受剪切面积是:A.d×2t B.π×d×t C.π×d2/4 D.d×t(图2-1)4.圆轴受扭转时,传递功率不变,仅当转速增大一倍时,最大剪应力:A.增加一倍 B.增加两倍 C.减小两倍 D.减小一倍5.如下有关塑性材料许用应力的说法中,正确的是:A.许用应力等于比例极限除以安全系数B.许用应力等于屈服极限除以安全系数C .许用应力等于强度极限除以安全系数D .许用应力等于比例极限6.纯弯曲变形的矩形截面梁,仅当梁高度由h 增大到2h 时,最大正应力是原最大正应力的:A .1/2B .1/4C .1/8D .1/167.横力弯曲时,矩形截面梁的横截面上:A .中性轴上剪应力最小、上下表面正应力最小。
材料力学试题及答案一、选择题(每题2分,共20分)1. 材料力学中,下列哪一项不是材料的基本力学性质?A. 弹性B. 塑性C. 韧性D. 导电性答案:D2. 根据胡克定律,当材料受到正应力时,其应变与应力成正比,比例系数称为:A. 杨氏模量B. 剪切模量C. 泊松比D. 屈服强度答案:A3. 在材料力学中,材料的屈服强度是指:A. 材料开始发生塑性变形的应力B. 材料发生断裂的应力C. 材料发生弹性变形的应力D. 材料发生脆性断裂的应力答案:A4. 材料的疲劳寿命与下列哪一项无关?A. 材料的疲劳极限B. 应力循环次数C. 材料的弹性模量D. 应力循环的幅度答案:C5. 在材料力学中,下列哪一项不是材料的力学性能指标?A. 硬度B. 韧性C. 密度D. 冲击韧性答案:C二、简答题(每题5分,共10分)6. 简述材料力学中弹性模量和剪切模量的区别。
答:弹性模量,也称为杨氏模量,是描述材料在受到正应力作用时,材料的纵向应变与应力成正比的比例系数。
剪切模量,也称为刚度模量,是描述材料在受到剪切应力作用时,材料的剪切应变与剪切应力成正比的比例系数。
7. 什么是材料的疲劳寿命,它与哪些因素有关?答:材料的疲劳寿命是指材料在反复加载和卸载过程中,从开始加载到发生疲劳断裂所需的循环次数。
它与材料的疲劳极限、应力循环的幅度、材料的微观结构和环境因素等有关。
三、计算题(每题15分,共30分)8. 一根直径为20mm的圆杆,材料的杨氏模量为200GPa,当受到100N的拉力时,求圆杆的伸长量。
答:首先计算圆杆的截面积A = π * (d/2)^2 = π * (0.02/2)^2m^2 = 3.14 * 0.01 m^2。
然后根据胡克定律ΔL = F * L / (A * E),其中 L 为杆长,假设 L = 1m,代入数值得ΔL = 100 * 1 / (3.14* 0.01 * 200 * 10^9) m = 7.96 * 10^-6 m。
材料力学试题1及答案[精选五篇]第一篇:材料力学试题1及答案材料力学卷1一、结构构件应该具有足够的、和。
(本题3分)二、低碳钢拉伸破坏经历了四个典型阶段:阶段、阶段、阶段和阶段。
衡量材料强度的指标是、。
(本题6分)三、在其他条件不变的前提下,压杆的柔度越大,则临界应力越、临界力越;材料的临界柔度只与有关。
(本题3分)四、两圆截面杆直径关系为:D2=3D1,I则Z2分)=IZ1;WZ2=WZ1I; P2=IP1;WP2=WP1;(本题8五、已知构件上危险点的应力状态,计算第一强度理论相当应力;第二强度理论相当应力;第三强度理论相当应力;第四强度理论相当应力。
泊松比μ=0.3。
(本题15分)六、等截面直杆受力如图,已知杆的横截面积为A=400mm,P=20kN。
试作直杆的轴力图;计算杆内的最大正应力;材料的弹性模量E=200Gpa,计算杆的轴向总变形。
(本题15分)2七、矩形截面梁,截面高宽比h=2b,l=4米,均布载荷q=30kN/m 许用应力的剪力图、弯矩图2、设计梁的截面(本题20分)。
[σ]=100MPa,1、画梁八、一圆木柱高l=6米,直径D=200mm,两端铰支,承受轴向载荷F=50kN,校核柱子的稳定性。
已知木材的许用应力[σ]=10MPa,折减系数与柔度的关系为:ϕ=3000λ2。
(本题15分)九、用能量法计算结构B点的转角和竖向位移,EI已知。
(本题15分)答案:一、结构构件应该具有足够的强度、刚度和稳定性。
(本题3分)二、低碳钢拉伸破坏经历了四个典型阶段:弹性阶段、屈服阶段、强化阶段和颈缩阶段。
衡量材料强度的指标是屈服极限、强度极限。
(本题6分)三、在其他条件不变的前提下,压杆的柔度越大,则临界应力越小、临界力越小;材料的临界柔度只与材料有关。
(本题3分)四、两圆截面杆直径关系为:D2=3D1,; I则Z2=81IZ1WZ2=27WZ1;IP2=81IP1;WP2=27WP1;(本题8分)五、解:三、(15分)解:主应力第一强度理论相当应力第二强度理论相当应力第三强度理论相当应力σ1=52.4MPaσ2=7.64MPaσ3=0MPaσr1=σ1=52.4MPaσr2=σ1-μ(σ2+σ3)=50.2MPa σr3=σ1-σ3=52.4MPa1(σ1-σ2)2+(σ2-σ3)2+(σ3-σ1)2=49MPa2 第四强度理论相当应力六、解:轴力图如图所示(三段共6分,每一段2分)σr4=[]σ=由:NANmax2P2⨯20⨯1000===100MPaAA400(3分)得:(6分)Nl10000⨯1000∆l=∑=+0=0.125mm(伸长)EA200⨯1000⨯400(5分)σmax=七、解:画梁的受力图(2分)∑M=0⇒Y⨯4-q⨯2⨯5=0 ⇒Y=0⇒Y+Y-q⨯2=0⇒Y由∑由ABABYB=75kN(2分)A=-15kN(2分)梁的剪力图、弯矩图如图所示(4分)最大剪力为:Fs=60kN 最大弯矩为:M=60kNm(2分)Mσ=WZbh22b3WZ==63(2分)(2分)σmax=M3M33⨯60000000<[σ]⇒b≥3==96.55mmWZ2[σ]2⨯100(2分)=96.55mmh=193.1mm!(2分)所以梁截面尺寸为:b八、解:圆截面的惯性半径和柔度为:i=μl1⨯6000Dλ===120=50mmi504(5分)(5分)30003000ϕ=2==0.2082λ120由公式(5分)P50⨯103σ===1.59MPa2<[σst]=ϕ[σ]=0.208⨯10=2.08MPa(5分)A3.14⨯100柱子满足稳定性要求。
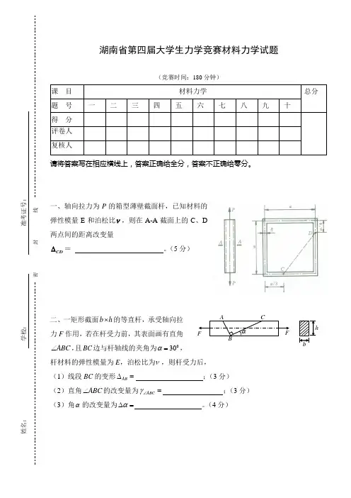
湖南省第四届大学生力学竞赛材料力学试题(竞赛时间:180分钟)课 目 材料力学 总分题 号 一二三四五六七八九十得 分评卷人 复核人请将答案写在相应横线上,答案正确给全分,答案不正确给零分。
一、轴向拉力为P 的箱型薄壁截面杆,已知材料的弹性模量E 和泊松比ν,则在A-A 截面上的C 、D 两点间的距离改变量CD ∆= 。
(5分)二、一矩形截面b h ⨯的等直杆,承受轴向拉力F 作用,若在杆受力前,其表面画有直角ABC ∠,且BC 边与杆轴线的夹角为030α=,杆材料的弹性模量为E ,泊松比为ν,则杆受力后, (1)线段BC 的变形AB ∆= ;(3分) (2)直角ABC ∠的改变量为ABC γ∠= ;(3分) (3)角α的改变量为α∆= 。
(4分)姓名: 学校: 准考证号:bhFABFCα密 封 线三、图示杆(不考虑自重)下端与固定端约束距离为∆。
在中点受到静力F 作用,在线弹性范围内,力的作用点的最终位移为δ。
那么,在以下三种情况下,计算杆所储存的应变能V ε。
(结果请用c 、δ和∆表示,其中c=EA/l ,EA 为杆的拉压刚度)。
(1)∆=0时,V ε = ;(4分) (2)∆≠0且δ<∆时, V ε = ;(3分) (3)∆≠0且δ>∆时,V ε = 。
(5分)四、已知四分之一的圆截面对形心c z 轴的惯性矩()25624-=πd I zc ,则截面对形心c y 轴的惯性矩ycI = 。
(5分)五、图示三根圆钢具有相同的长度l 与直径d ,材料的弹性模量与切变模量为E 与G ,一端固定于刚性固定平面N 1之上,呈等边三角形,各边长为a ,另一端固联于与N 1平行的刚性平面N 2上,如在平面内作用一力偶M k ,则(1)当直径d 较大而长度l 较小时,略去弯曲效应的影响,平面N 2的转角θ = ;(5分)(2)当直径d<<l 时,平面N 2的转角θ = 。
(6分)六、图示梁AB左端固定,右端自由,在其中点D连接一长度为a的拉杆CD,自由端下方竖直放置刚度系数为k的弹簧,弹簧顶端与梁自由端有一微小间隙 。
材料力学考试题及答案一、选择题(每题2分,共10分)1. 材料力学中,下列哪项不是应力的分类?A. 正应力B. 剪应力C. 拉应力D. 扭应力答案:C2. 材料力学中,下列哪项不是材料的基本力学性质?A. 弹性B. 塑性C. 韧性D. 硬度答案:D3. 在拉伸试验中,下列哪项是正确的?A. 弹性模量是应力与应变的比值B. 屈服强度是材料开始发生塑性变形的应力C. 抗拉强度是材料在拉伸过程中的最大应力D. 所有选项都是正确的答案:D4. 根据胡克定律,下列哪项描述是错误的?A. 弹性范围内,应力与应变成正比B. 弹性模量是比例极限C. 应力是单位面积上的力D. 应变是单位长度的变形量答案:B5. 材料力学中,下列哪项不是材料的失效形式?A. 屈服B. 断裂C. 疲劳D. 腐蚀答案:D二、填空题(每空1分,共10分)1. 材料在受到拉伸力作用时,其内部产生的应力称为________。
答案:正应力2. 材料在受到剪切力作用时,其内部产生的应力称为________。
答案:剪应力3. 材料力学中,材料在外力作用下发生形变,当外力去除后,材料能够恢复原状的性质称为________。
答案:弹性4. 材料力学中,材料在外力作用下发生形变,当外力去除后,材料不能恢复原状的性质称为________。
答案:塑性5. 材料力学中,材料在外力作用下发生形变,当外力去除后,材料部分恢复原状的性质称为________。
答案:韧性三、简答题(每题5分,共20分)1. 简述材料力学中应力和应变的关系。
答案:材料力学中,应力和应变的关系可以通过胡克定律来描述,即在弹性范围内,应力与应变成正比,比例系数即为弹性模量。
2. 描述材料力学中材料的屈服现象。
答案:材料力学中,屈服现象指的是材料在受到外力作用时,从弹性变形过渡到塑性变形的临界点,此时材料的应力不再随着应变的增加而增加。
3. 解释材料力学中的疲劳破坏。
答案:材料力学中的疲劳破坏是指材料在循环加载下,即使应力水平低于材料的静态强度极限,也会在经过一定循环次数后发生破坏的现象。
材料力学试题及答案一、选择题(每题2分,共20分)1. 材料力学中,下列哪一项不是基本力学性质?A. 弹性B. 塑性C. 硬度D. 韧性2. 材料在拉伸过程中,当应力达到屈服点后,材料将:A. 断裂B. 产生永久变形C. 恢复原状D. 保持不变3. 材料的弹性模量是指:A. 材料的密度B. 材料的硬度C. 材料的抗拉强度D. 材料在弹性范围内应力与应变的比值4. 根据材料力学的胡克定律,下列说法正确的是:A. 应力与应变成正比B. 应力与应变成反比C. 应力与应变无关D. 应力与应变成线性关系5. 材料的疲劳寿命是指:A. 材料的总寿命B. 材料在循环加载下达到破坏的周期数C. 材料的断裂寿命D. 材料的磨损寿命6. 材料的屈服强度是指:A. 材料在弹性范围内的最大应力B. 材料在塑性变形开始时的应力C. 材料的抗拉强度D. 材料的极限强度7. 材料的断裂韧性是指:A. 材料的硬度B. 材料的抗拉强度C. 材料抵抗裂纹扩展的能力D. 材料的屈服强度8. 材料力学中的泊松比是指:A. 材料的弹性模量B. 材料的屈服强度C. 材料在拉伸时横向应变与纵向应变的比值D. 材料的断裂韧性9. 在材料力学中,下列哪一项是衡量材料脆性程度的指标?A. 弹性模量B. 屈服强度C. 断裂韧性D. 泊松比10. 材料在受力过程中,当应力超过其极限强度时,将:A. 发生弹性变形B. 发生塑性变形C. 发生断裂D. 恢复原状答案1. C2. B3. D4. A5. B6. B7. C8. C9. C10. C试题二、简答题(每题10分,共30分)1. 简述材料力学中材料的三种基本力学性质。
2. 解释什么是材料的疲劳现象,并简述其对工程结构的影响。
3. 描述材料在拉伸过程中的四个主要阶段。
答案1. 材料的三种基本力学性质包括弹性、塑性和韧性。
弹性指的是材料在受到外力作用时发生变形,当外力移除后能够恢复原状的性质。
塑性是指材料在达到一定应力水平后,即使外力移除也无法完全恢复原状的性质。
1992年第二届全国青年力学竞赛材料力学试题考区 学校 姓名一、图1表示一等截面直梁,其左端固支,而右端铰支并在跨度中点承受集中载荷P ,力P 作用于梁的对称面内,材料服从胡克定律,且弹性模量E ,许用应力[]σ、梁的跨长L 、截面惯矩I 与抗弯模量W 均为已知。
试1.确定铰支端反力B R 。
(2分)2.确定梁危险截面的弯矩 M 。
(3分)3.确定许用载荷[]P (3分)4.移动铰支座在铅垂方向的位置,使许用载荷[]P 为最大。
试求此时铰支座B 在铅垂方向的位移B ∆(4分)与最大许用载荷[]max P 。
(4分)二、图2表示一副双杠,它的每一根横梁系由两根立柱支撑,设两柱之间的跨长为l ;每一横梁具有两个外伸段,设每一外伸段长度均为a 。
假定运动员在双杠上做动作时,在每一根横梁上只有一个力的作用点,力的作用线垂直于横梁,而且力的大小与作用点的位置无关。
试决定在双杠设计中,l 与a 的最佳比值,该比值使横梁重量为最轻,横梁与立柱的连接为铰接。
/l a 的最佳比值为多少?(8分)三、图3表示一等截面直梁的横截面,它是Z 字形的。
该梁受纯弯曲,材料服从胡克定律,且截面的惯性矩x I 与y I 以及惯性积xy I 均为已知。
假定中性轴垂直于截面的腹板,即与x 轴相重合,试确定弯矩矢量与x 轴之夹角θ。
(8分)四、图4表示一匀质、等厚矩形板,承受一对集中载荷P ,材料服从胡克定律,弹性模量E 与泊松系数v 均为已知。
设板具有单位厚度,试求板的面积A 的改变量A ∆。
(8分)五、为了在图5所示A 与B 两个固定点之间产生张力,人们常在这两点之间绷上两根绳子,然后从中点C 绞紧。
现设绳子的横截面为圆形,其半径为r ,绳子材料的弹性模量E 。
假定在绞紧过程中A 与B 两点间的距离2l 保持不变,绳子的横截面形状与大小保持不变, 同时在绞紧前,绳子的初始张力为零。
试求为了使A 与B 之间的张力达到P 所必需的绞紧围数n 。
材料力学的试题及答案一、选择题1. 材料力学中,下列哪个选项不是材料的基本力学性质?A. 弹性B. 塑性C. 韧性D. 硬度答案:D2. 根据材料力学的理论,下列哪个选项是正确的?A. 材料在弹性范围内,应力与应变成正比B. 材料在塑性变形后可以完全恢复原状C. 材料的屈服强度总是高于其抗拉强度D. 材料的硬度与弹性模量无关答案:A二、填空题1. 材料力学中,应力是指_______与_______的比值。
答案:单位面积上的压力;受力面积2. 在材料力学中,材料的弹性模量E与_______成正比,与_______成反比。
答案:杨氏模量;泊松比三、简答题1. 简述材料力学中材料的三种基本变形类型。
答案:材料力学中材料的三种基本变形类型包括拉伸、压缩和剪切。
2. 描述材料的弹性模量和屈服强度的区别。
答案:弹性模量是指材料在弹性范围内应力与应变的比值,反映了材料的刚性;屈服强度是指材料开始发生永久变形时的应力值,反映了材料的韧性。
四、计算题1. 已知一材料的弹性模量E=200 GPa,杨氏模量E=210 GPa,泊松比ν=0.3,试计算该材料的剪切模量G。
答案:G = E / (2(1+ν)) = 200 / (2(1+0.3)) = 200 / 2.6 ≈ 76.92 GPa2. 某材料的抗拉强度为σt=300 MPa,若该材料承受的应力为σ=200 MPa,试判断材料是否发生永久变形。
答案:由于σ < σt,材料不会发生永久变形。
五、论述题1. 论述材料力学在工程设计中的重要性。
答案:材料力学是工程设计中的基础学科,它提供了对材料在力作用下行为的深入理解。
通过材料力学的分析,工程师可以预测材料在各种载荷下的响应,设计出既安全又经济的结构。
此外,材料力学还有助于新材料的开发和现有材料性能的优化。
2. 讨论材料的疲劳寿命与其力学性能之间的关系。
答案:材料的疲劳寿命与其力学性能密切相关。
材料的疲劳寿命是指在循环载荷作用下材料能够承受的循环次数。
材料力学试题及答案一、选择题(每题2分,共20分)1. 材料力学中,弹性模量E的单位是()。
A. N/mB. N·mC. PaD. m/N答案:C2. 材料力学中,材料的屈服强度通常用()表示。
A. σyB. σsC. σbD. E答案:A3. 根据胡克定律,当应力超过材料的弹性极限时,材料将()。
A. 保持弹性B. 发生塑性变形C. 发生断裂D. 无法预测答案:B4. 材料力学中,第一强度理论认为材料破坏的原因是()。
A. 最大正应力B. 最大剪应力C. 最大正应变D. 最大剪应变答案:A5. 下列哪种材料不属于脆性材料()。
A. 玻璃B. 铸铁C. 混凝土D. 铝答案:D6. 材料力学中,梁的弯曲应力公式为()。
A. σ = Mc/IB. σ = Mc/IbC. σ = Mc/ID. σ = Mc/Ib答案:C7. 在材料力学中,梁的剪应力公式为()。
A. τ = VQ/IB. τ = VQ/ItC. τ = VQ/ID. τ = VQ/It答案:B8. 材料力学中,梁的挠度公式为()。
A. δ = (5PL^3)/(384EI)B. δ = (5PL^3)/(384EI)C. δ = (PL^3)/(48EI)D. δ = (PL^3)/(48EI)答案:C9. 材料力学中,影响材料屈服强度的因素不包括()。
A. 材料的微观结构B. 加载速度C. 温度D. 材料的密度答案:D10. 材料力学中,影响材料疲劳强度的因素不包括()。
A. 应力集中B. 表面粗糙度C. 材料的硬度D. 材料的导热性答案:D二、填空题(每题2分,共20分)1. 材料力学中,材料在外力作用下,其形状和尺寸发生的变化称为______。
答案:变形2. 材料力学中,材料在外力作用下,其内部产生的相互作用力称为______。
答案:应力3. 材料力学中,材料在外力作用下,其内部产生的相对位移称为______。
答案:应变4. 材料力学中,材料在外力作用下,其内部产生的单位面积上的力称为______。
材料力学试题一、填空题(共15分)1、 (5分)一般钢材的弹性模量E = 210 GPa ;吕材的弹性模量E = 70 GPa2、 (10分)图示实心圆锥杆受扭转外力偶作用,材料的剪切弹性模量为G ,该杆的man τ1、(5(A )各向同性材料;(B )各向异性材料; (C 正确答案是 A 。
2、(5分)边长为d 杆(1)是等截面,杆(2荷系数d k 和杆内最大动荷应力d σ论:(A )()(,)()(1max 21d d d k k σ<<(B )()(,)()(1max 21d d d k k σ><(C )()(,)()(1max 21d d d k k σ<>(D )1max 21()(,)()(d d d k k σ>>正确答案是 A 。
三、计算题(共75分) 1、(25应力相等,求:(1)直径比21/d d ; (2)扭转角比AB φ解:AC 轴的内力图:(105);(10355M Nm M BC AB ⨯=⨯= 由最大剪应力相等:8434.05/3/16/1050016/10300321323313max==⨯=⨯==d d d d W M n n ππτ 由;594.0)(23232;41221242411=••=•=⇒∴⋅=d M M M d G d G a M GI l M n n n n BC AB P n ππφφφ(2)2、(3、(15分)有一厚度为6mm 的钢板在板面的两个垂直方向受拉,拉应力分别为150Mpa 和55Mpa ,材料的E=2.1×105Mpa ,υ =0.25。
求钢板厚度的减小值。
解:钢板厚度的减小值应为横向应变所产生,该板受力后的应力状态为二向应力状态,由广义胡克定律知,其Z 向应变为:0244.010)55150(101.225.0)(69-=⨯+⨯-=+-=y x z E σσνε则 mm t Z Z 146.0-=⨯=∆ε(本资料素材和资料部分来自网络,仅供参考。
材料力学试题及答案一、选择题(每题5分,共25分)1. 下列哪个选项是材料力学的基本假设之一?A. 材料是各向同性的B. 材料是各向异性的C. 材料是均匀的D. 材料是线弹性的答案:A2. 在材料力学中,下列哪个公式表示杆件的正应力?A. σ = F/AB. τ = F/AC. σ = F/LD. τ = F/L答案:A3. 当材料受到轴向拉伸时,下列哪个选项是正确的?A. 拉伸变形越大,材料的强度越高B. 拉伸变形越小,材料的强度越高C. 拉伸变形与材料的强度无关D. 拉伸变形与材料的强度成正比答案:B4. 下列哪种材料在拉伸过程中容易发生断裂?A. 钢材B. 铸铁C. 铝合金D. 塑料答案:B5. 下列哪个选项表示材料的泊松比?A. μ = E/GB. μ = G/EC. μ = σ/εD. μ = ε/σ答案:C二、填空题(每题10分,共30分)6. 材料力学研究的是材料在______作用下的力学性能。
答案:外力7. 材料的强度分为______强度和______强度。
答案:屈服强度、断裂强度8. 材料在受到轴向拉伸时,横截面上的正应力公式为______。
答案:σ = F/A三、计算题(每题25分,共50分)9. 一根直径为10mm的圆钢杆,受到轴向拉伸力F=20kN 的作用,求杆件横截面上的正应力。
解:已知:d = 10mm,F = 20kNA = π(d/2)^2 = π(10/2)^2 = 78.5mm^2σ = F/A = 20kN / 78.5mm^2 = 255.8N/mm^2答案:杆件横截面上的正应力为255.8N/mm^2。
10. 一根长度为1m的杆件,受到轴向拉伸力F=10kN的作用,已知材料的弹性模量E=200GPa,泊松比μ=0.3,求杆件的伸长量。
解:已知:L = 1m,F = 10kN,E = 200GPa,μ = 0.3ε = F/(EA) = 10kN / (200GPa × π(10mm)^2) =0.025δ = εL = 0.025 × 1000mm = 25mm答案:杆件的伸长量为25mm。
一、(10分)如图所示悬臂梁OA ,O 端固定,在其底部有一光滑曲面4cx w =,其中c 为已知常数。
已知梁的抗弯刚度为EI ,长为l ,问在梁上作用何种形式)(122x M EIcx w EI =-=''-)(24S x F EIcx w EI =-='''-)(24x q EIc w EI =-=''''-当x=l 时 EIcl F 24S -= 212EIcl M -=二.(10分)等截面多跨梁如图所示,C 处为中间铰,受均布荷载作用。
试画出该梁挠曲线的大体形状。
弯矩图挠曲线4cx Ax w 题一图w荷载图EIcl 2三、(10分)图示梁AB 弯曲刚度为EI ,抗弯截面系数为W ,B 端由拉压刚度为EA 的杆BD 连接,已知231Aa I =。
若重量为P 的重物以水平速度v 冲击在梁的中点C 处,求杆BD 和梁AB 内的最大冲击动应力。
EIPa EA aPEI a P 422148)2(33=⋅⋅+=∆st APA P 22st ==杆σWPaW aP 242st =⋅=梁σ 3224gPa EIv g v K =∆=std 杆杆st d d σσK = 梁梁st d d σσK =四.(10分)图示钢筋AD 长度为3a ,总重量为W ,对称地放置于宽为a 的刚性平台上。
试求钢筋与平台间的最大间隙δ。
设EI 为常量。
题三图EI Wa EI aa W EI a a W EI ql EI l M 115219384352166384521634442e =-⨯=-⨯=δ五.(10分)以绕带焊接而成的圆管如图所示,焊缝为螺旋线。
管的内径d =300mm ,壁厚t =1mm ,内压p =0.5MPa 。
求沿焊缝斜面上的正应力和切应力。
焊缝斜面上一点单元体MPa 5.37101410300105.04336=⨯⨯⨯⨯⨯==--t pd x σ MPa 752==tpdy σ,0=xy τ 沿焊缝斜面上的正应力和切应力MPa53)80cos(2755.372755.372sin 2cos 22=⎥⎦⎤⎢⎣⎡--++=--++=ατασσσσσαxy yx yx MPa 5.18)80sin(2755.372cos 2sin 2=⎥⎦⎤⎢⎣⎡--=--=ατασσταxy yxy σ 26a aW 26a aW W q =六.(10分)两根钢轨铆接成组合梁,其连接情况如图所示。
材料力学试题及答案一、选择题1. 材料力学中,下列哪个参数是用来描述材料在受力时抵抗变形的能力?A. 弹性模量B. 屈服强度C. 抗拉强度D. 断裂韧性答案:A2. 以下哪种材料在受力后能够完全恢复原状?A. 弹性体B. 塑性体C. 粘弹性体D. 脆性体答案:A3. 应力集中现象主要发生在哪种情况下?A. 材料表面存在缺陷B. 材料内部存在孔洞C. 材料受到均匀分布的载荷D. 材料受到单一集中载荷答案:D4. 根据胡克定律,当应力不超过比例极限时,应力与应变之间的关系是:A. 线性的B. 非线性的C. 指数的D. 对数的答案:A5. 材料的疲劳破坏是指在何种条件下发生的?A. 单次超负荷B. 长期重复载荷C. 瞬间高温D. 腐蚀环境答案:B二、填空题1. 在简单的拉伸和压缩实验中,应力(σ)是力(F)与横截面积(A)的比值,即σ=______。
答案:F/A2. 材料的韧性是指其在断裂前能够吸收的能量,通常通过______试验来测定。
答案:冲击3. 当材料在受力时发生塑性变形,且变形量随时间增加而增加,这种现象称为______。
答案:蠕变4. 剪切应力τ是剪切力(V)与剪切面积(A)的比值,即τ=______。
答案:V/A5. 材料的泊松比是指在单轴拉伸时,横向应变与纵向应变的比值,通常用希腊字母______表示。
答案:ν三、简答题1. 请简述材料弹性模量的定义及其物理意义。
答:弹性模量,又称杨氏模量,是指材料在弹性范围内抵抗形变的能力的量度。
它定义为应力与相应应变的比值。
物理意义上,弹性模量越大,表示材料在受力时越不易发生形变,即材料越硬。
2. 描述材料的屈服现象,并解释屈服强度的重要性。
答:屈服现象是指材料在受到外力作用时,由弹性状态过渡到塑性状态的过程。
在这个过程中,材料首先经历弹性变形,当应力达到某个特定值时,即使应力不再增加,材料也会继续发生显著的塑性变形。
屈服强度是衡量材料开始屈服的应力值,它对于工程设计和材料选择具有重要意义,因为它决定了结构在载荷作用下的安全性和可靠性。
材料力学考试试题及答案一、选择题(每题2分,共20分)1. 材料力学中,下列哪一项不是材料的基本力学性能?A. 弹性B. 塑性C. 韧性D. 硬度2. 材料在拉伸过程中,若应力超过屈服点后继续增加,材料将进入:A. 弹性阶段B. 塑性阶段C. 断裂阶段D. 疲劳阶段3. 材料的弹性模量E表示的是:A. 材料的硬度B. 材料的韧性C. 材料的弹性程度D. 材料的屈服强度4. 根据材料力学理论,下列哪一项不是材料的疲劳破坏特点?A. 疲劳破坏是局部的B. 疲劳破坏是突然的C. 疲劳破坏是可预测的D. 疲劳破坏是累积的5. 在材料力学中,下列哪一项不是材料的失效模式?A. 屈服B. 断裂C. 腐蚀D. 疲劳6. 材料的屈服强度和抗拉强度之间的关系是:A. 屈服强度总是大于抗拉强度B. 屈服强度总是小于抗拉强度C. 屈服强度等于抗拉强度D. 两者之间没有固定关系7. 材料的疲劳寿命与下列哪一项无关?A. 应力水平B. 材料的微观结构C. 环境温度D. 材料的密度8. 材料的冲击韧性通常用下列哪一项来表示?A. 抗拉强度B. 屈服强度C. 硬度D. 冲击吸收能量9. 材料的疲劳寿命与加载频率的关系是:A. 正相关B. 负相关C. 无关D. 先正相关后负相关10. 在材料力学中,下列哪一项不是材料的应力-应变曲线的特点?A. 弹性阶段B. 屈服阶段C. 塑性阶段D. 线性阶段二、简答题(每题10分,共20分)1. 请简述材料的弹性模量和屈服强度的区别和联系。
2. 材料的疲劳破坏与静载下的破坏有何不同?三、计算题(每题15分,共30分)1. 已知一材料的弹性模量E=200 GPa,泊松比ν=0.3。
若材料受到拉伸力F=10 kN,试计算材料的应变ε和应力σ。
2. 某材料的疲劳寿命S-N曲线已知,当应力水平为σ=200 MPa时,疲劳寿命N=1000次。
若应力水平降低到150 MPa,根据Basis Goodman关系,计算新的疲劳寿命。
材料力学试卷试题(附参考答案)材料力学试卷试题一、选择题(每题共10分,共5题,计50分)1. 下面哪项不属于材料力学的基本假设?A. 弹性材料的应力-应变关系符合胡克定律。
B. 材料的体积不随外力的作用发生改变。
C. 在材料的应力达到极限时将发生塑性变形。
D. 材料在外力作用下会发生应变。
2. 受力体系中,若要使物体保持静止,则下面哪个条件必须满足?A. 所有受力的合力为零。
B. 所有受力的合力的矩为零。
C. 所有受力的合力和合力矩皆为零。
D. 所有受力的大小均为零。
3. 弹簧常数为k,弹簧长度为l,当受到外力F时,弹簧发生形变Δl,弹性势能为U。
则下面哪个公式正确?A. U = F/ΔlB. U = F·ΔlC. U = 1/2k(Δl)^2D. U = k/2Δl4. 一根弹性绳子的上端系在固定点,下端挂着一个质量为m的小球,长度为l。
如果小球偏离平衡位置的距离为x,则绳子受力的大小为多少?A. mgx/lB. mg/lxC. mx/lgD. mg/l5. 压力是物体受到的外力作用面积单位所计算出的量。
压力的计算公式为?A. P = F/AB. P = F×AC. P = F-AD. P = A/F二、简答题(共10分,计20分)1. 什么是材料力学的研究对象?并介绍材料力学的主要内容。
(要求回答清晰明了,条理清晰)2. 说明静力平衡的条件,并举例说明其应用。
(要求回答准确,能说明条件的必要性,并给出具体应用例子)三、计算题(共15分,计30分)1. 一个质量为2kg的物体受到两个力的作用,分别为10N和20N。
这两个力的夹角为60°,求物体所受合力的大小和方向。
(要求列出计算步骤,有清晰的计算过程和结果)2. 一个弹簧的斜率为k,长度为l,质量为m的物体悬挂在该弹簧下方,当物体达到平衡时,弹簧的形变为Δl。
求物体所受重力的大小。
(要求列出计算步骤,有清晰的计算过程和结果)3. 一个桥梁的两个支座分别承受20kN和30kN的垂直压力,支座之间的距离为4m。
材料力学竞赛试题答案
————————————————————————————————作者:————————————————————————————————日期:
2012材料力学竞赛试题与答案
一.(10分)图示杆系中,杆6比设计长度略短,误差为δ,诸杆的刚度同为EA ,试求将杆6装配到A 、C 之间后该杆的内力。
解:
X 1作用下各杆内力:14N 3N 2N 1N 2
2
X F F F F -
====,16N 5N X F F == 单位载荷1作用下各杆内力:2
2
4N 3N 2N 1N -====F F F F ,16N 5N ==F F 为一次超静定问题,力法正则方程为: δδ=111X
()
EA a a a EA l F F EA i i i 212211222
22411N N 11+=⎪⎪⎭
⎫ ⎝⎛⨯⨯⨯+⨯⨯⨯==∑δ 代入正则方程得
()
δ=+EA
X a 1
212,
()
a EA a EA X δ
δ207.02
121=+=
二.(10分)如图所示,AB 和CD 为尺寸相同的圆截面杆,位于同一水平面内。
AB 为钢杆,CD 为铝杆,两种材料的切变模量之比为3:1。
若不计BE 和ED 两杆的变形,试问铅垂力F 将以怎样的比例分配于AB 和CD 两杆?
A
B
C D
δ
a a
1
2
3 4 5
6
题
A
B C D
a a
轴承
E F A
B C
D
1
2
3 4
5
6 X X A
B
C
D 1
2
3
4
5 6 1 1
解:
一次超静定问题
设作用在BE 、DE 杆上的力分别为B F 、D F
平衡方程: F F F D B =+ (1) 变形协调方程: DC BA ϕϕ= (2) 物理方程: P I G l a F AB B BA ⋅⋅=
ϕ,P
I G l
a F DC D DC ⋅⋅=ϕ (3) 因为 CD AB G G 3= (4) 把式(3)、(4)代入式(2)并与式(1)联立 解得 F F B 43=,F F D 4
1=
三.(10分)如图所示,刚架ABC 的EI =常量;拉杆BD 的横截面积为A ,弹性模量为E 。
试求C 点的铅垂位移。
(刚架内轴力、剪力对位移的影响不计)
解:
根据平衡方程可求出BD 杆的轴力F N qa 2
1=,1=N F
()↓+=
⎪⎭⎫ ⎝⎛⨯⨯⨯+⨯⨯⨯+⨯⨯=EI
qa EA qa a a qa a a qa EI EA a qa w C 24723221214321311214
222
四.(15分)图示钢制圆轴受拉、扭联合作用,已知圆轴直径mm 10=d ,材料的弹性模量GPa 200=E ,泊松比29.0=ν。
现采用应变花测得轴表面O 点的应变值,沿轴线方向6010300-⨯==εεa ,沿与轴线成
ο45方向64510140-⨯-==ο
εεb ,试求载荷F 和T 的大小。
q
A
B
D C a
a
a
题三
1
A
B
C
M 图
a a
q
A
B
C M 图
22
1qa qa 21 1
F
O ο
45 b a
F
T T σ
τO ο
45
σ O
解:
τσ
τσ
σ
σ-=
-+
=
2
90sin 90cos 2
2
45οοο
()()
τσ
τσ
σ
σ+=
---+
=
-2
90sin 90cos 2
2
45οοο
601030010200690=⨯⨯⨯==-εσE MPa
()⎥⎦
⎤⎢⎣⎡⎪⎭⎫ ⎝⎛+--=-=
-τσντσνσσε2211454545E E οοο
()
()2.3829
.0129.0110605.01014010200112
669450=+-⨯⨯⨯+⨯⨯⨯=+-+
-=
-ν
νσ
ετE MPa
71.44101010604
36
=⨯⨯⨯
⨯==-πσA F kN m kN 5.716
1010102.386
36
t ⋅=⨯⨯⨯
⨯==-πτW T
五.(10分)图示托架承受载荷F =40kN ,5个铆钉受单剪,直径d =20mm ,求铆钉中最大切应力。
解:
将集中力F 向铆钉群的中心简化为一个力F 和一个附加力偶M
m kN 205.040⋅=⨯=M
每个铆钉受到的竖向剪力85
S1==
F
F kN M
F
F S1 F S2
题五
F
5
6688
3 4 5
外围4个铆钉受到切向剪力F S2作用1.04S2⨯⨯=F M
501
.0420
S2=⨯=
F kN 最大切应力发生在右边的两个铆钉上,总剪力F S 竖向和水平分量分别为
3853
50853S2S1S =⨯+=⨯
+=F F F y kN 405
4
5054S2S =⨯=⨯=F F x kN
2.554038222
S 2S S1=+=
+=x y F F F kN 6.1751020102.5546
23
S max =⨯⨯⨯⨯==-πτA F MPa
六.(15分)如图所示水平刚性杆AB 用两根相同长度,相同材料(均为低碳钢)的AC ,BD 杆支承。
AC 杆两端铰支,截面为正方形,边长a =45mm ,BD 杆B 端铰支,D 端固定,截面为空心圆,外直径D =50mm ,内直径d =40mm ,100P =λ,600=λ,材料的弹性模量200=E GPa ,临界应力直线经验公式中304=a MPa ,12.1=b MPa ,规定的稳定安全因数n st =3,设载荷F 可在AB 杆上移动,试求当x 为何值时,结构的许可载荷最大,最大值[F ]max 为多少? 解:
AC 杆的柔度8.15310
453
2213
1
11=⨯⨯⨯=
=
-i l
μλ属于细长杆 ()()()
5.168211210451020024
3922112cr1=⨯⨯⨯⨯⨯==-πμπl EI F kN BD 杆的柔度5.8728
.110504
27.032
22=⨯⨯⨯⨯=
=
-i l
μλ属于中长杆
2
x 题六
A B
C
D
3m F
()()()()
kN
5.1454
8.011050105.8712.130422
3622cr2cr2=-⨯⨯
⨯⨯-=-==-πλσA b a A F
当两杆同时失稳时,许可载荷最大
F =F cr1+ F cr2=168.5+145.5=314kN
∑=0A
M
,031435.145=-⨯x
x =1.39m
[]7.1043
314max ==F kN
七.(10分)在直径为100mm 的轴上装有转动惯量J =0.52s m kN ⋅⋅的飞轮,轴的转速为300r/min 。
制动器开始作用后,在8秒钟内将飞轮刹停。
试求轴内最大切应力。
设在制动器作用前,轴已与驱动装置脱开,且轴承内的摩擦力可以不计。
解:
刹车前的角速度4.3160
300
26021=⨯==ππωn rad/s 制动时角加速度93.38
4
.3101
2-=-=
-=
t
ωωαs -2 惯性产生的扭矩m kN 96.193.35.0d ⋅=⨯=-=αJ T
最大切应力98.916
1.01096.133
t
d max =⨯⨯==
πτW T MPa
八.(20分)观看录像,从视频中可以发现哪些与材料力学有关的工程问题,并提出你的解决方案(给出解释或联想发挥)。
飞
制
题七。