BM元件资料库技术参数规范
- 格式:pptx
- 大小:2.51 MB
- 文档页数:3
BM系列电池监测模块V3.2 电力直流电源监控系统技术手册BM电池监测模块技术说明大连科利源电器有限公司大连科瑞信电子科技有限公司1.产品概述BM-19P、BM-24、BM-56电池监测模块是电力电源监控系统的组件之一。
适用于单节2V、6V、12V的电池组电压在线实时监测。
电池模块将采集的数据上送给监控器,由监控器同设定的告警门限比较,对电池电压异常情况进行告警。
采用AVR MEGA16单片机为CPU,高精度A/D,软件校准,模块化设计。
可以根据蓄电池、电池组类型和数量任意组配。
具有扩展灵活、功能实用、检测精度高等特点。
通过RS-485/232通讯端口,可与各种协议开放的监控单元或PC机进行数据交换,实现三遥功能,能够有效地提高电源的可靠性和自动化程度。
2.功能特点3.使用条件3.1.环境温度:-5~45℃3.2.相对湿度:≤ 90%3.3.使用环境:空气中无爆炸危险及导电介质,不含有腐蚀金属和破坏绝缘的有害气体。
1BM 电池监测模块技术说明大连科利源电器有限公司24.技术参数5.BM-19P 设置及应用5.1.BM-19P 外形尺寸及端口布置BM 电池监测模块技术说明大连科利源电器有限公司大连科瑞信电子科技有限公司35.2.BM-19P 端口定义5.3.BM-19P 参数设置通过机内的拨码开关和面板上S1、S2旋转开关,设置该模块与上位机的通讯协议、通讯地址和接入的单节电池数量。
第1位:选择该模块与上位机的通讯协议设置为“PBM1”通讯协议;1=ON 设置为Modbus 通讯协议。
第2位:设置该模块的测量节数。
2=OFF 测量范围1~9节,S1的1~9对应测量节数1~9节;2=ON 测量范围10~19节,S1的1~9对应测量节数10~19节。
(机内平拨开关)BM 电池监测模块技术说明大连科利源电器有限公司4…S1:设置实际接入的电池数量S2:设置该模块的通讯地址码S2=1表示设本机地址为:112(十进制)S2=9表示设本机地址为:120(十进制)6.BM-24设置及应用6.1.BM-24外形尺寸及端口布置6.2.BM-24端口定义 S SBM 电池监测模块技术说明大连科利源电器有限公司大连科瑞信电子科技有限公司5…6.3.BM-24参数设置第1位:空第2位:选择该模块与上位机的通讯协议2=OFF 设置为“PBM1”通讯协议;2=ON 设置为Modbus 通讯协议。
xx公司企业标准Q/HL202.13-2009受控号:版本号:D/0 代替Q/HL202.13-2008 物料清单(BOM)的编制规则与管理办法2009-07-23发布2009-07-25实施x x公司发布前言Q/HL202.13 《物料清单(BOM)的编制规则与管理办法》,现行有效版本为Q/HL202.13-2009 D/0版,本标准替代Q/HL202.13-2008 C/0版本,与上一个版本相比,主要变化如下:-----增加了4.7主要器件BOM的组成格式;-----完善了4.3 条BOM的组成及格式,并增加范例,附录4 “ DTSD545 NWgVIII(VA) 三相四线电子表基础BOM ”,规定了BOM各汇总表中的层级关系-----第5条:管理审核流程作了具体的补充确定.本标准为正式运行版。
本标准中附录为规范性附录。
本标准由xx公司提出本标准由技术中心负责起草和解释本标准主要起草人:夏志罡本标准现行修订人:胡云、应仙茶、郭枫本标准2001年首次发布,经过2006、2008年、2009年三次修订。
xx集团股份有限公司企业标准物料清单(BOM)的编制规则与管理办法受控号:版本号: D/01 范围本标准规定了本公司的电子式电能表及其系统产品(或单元产品)的物料清单(BOM)的编制规则与管理办法。
本标准适用于公司已制造的、新增功能的电子式电能表和具有顾客协议要求的定制电能表、电能管理系统的物料清单的建立、维护与管理。
2 规范性引用文件下列文件中的条款通过本标准的引用而成为本标准的条款。
凡是注日期的引用文件,其随后所有的修改单(不包括勘误的内容)或修订版均不适用于本标准,然而,鼓励根据本标准达成协议的各方研究是否可使用这些文件的最新版本。
凡是不注日期的引用文件,其最新版本适用于本部分。
Q/HL 202.01 企业管理信息编码总则Q/HL 202.02 产品编码规则与管理办法Q/HL 202.05 电能表物料编码规则和管理办法Q/HL202.15 电子元器件和模块编码规则管理办法Q/HL 202.10 工序编码规则与管理办法3 职责3.1 企管部负责产品物料清单编制规则与管理办法的组织制定、审批和归口管理。
BM 半导体产品选用指南( 中 文 版 ---- 技 术 篇 )引言: 作为电源管理的IC 设计公司, 我们瞄准LCD 市场和网络通讯市场的需求, 给客户提供完整的电源管理解决方案, 让客户安心, 省心的享受电子终端产品的设计和制造乐趣. 本文为技术简介, 献给工程师朋友, 最开始的合理的设计定型对整机的性能和整机的成本具有决定性影响, 设计完之后采购要大比例的杀价降成本有点迟了, 通常只有牺牲的是品质和性能了, 所以设计选型的时候是最重要的, 所以以此为出发点, 写此文供您参考!1. LDO2. DC/DC3. 其他4. 包装规范LDO由于在各种电子产品中,主控制或相关芯片需要各种各样的供电电压,各种电压转换芯片应运而生。
线性稳压器(由内部的调整电路来完成, 内部没有开关振荡电路)有如下四种:1. 78 系列(或317)。
绝大多数电源管理的芯片产厂家都有,他们的应用广泛,用量大, 价格便宜,缺点是静态电流大,10mA左右,输入输出压差高。
例如7805 需要+7.5V 输入才能稳定的输出5V,电流超过0.75A 时, 芯片需要很大的散热器。
TO252 的贴片7805 是我们的特色。
我们的型号是BM7805AS,是标准1A的,市面上CJ78M05都是0.5A还不到.但是价格敏感,所以特地为数字高频头的5V供电做了一颗0.7A的BM78D05,+18V耐压. 2. BIPOLAR LDO (双极型低压差稳压器)。
是为了降低78系列的输入输出压差而发展的。
一般的这种IC 的压差为1.1V~1.2V 左右,静态电流为8-9 mA左右。
按电流分有如下几种(BM 半导体的):A.BM1117 1A 的输出, 输出有可调的(ADJ),输出从1.25V 基准输出电压起调。
还有输出固定的5.0V , 3.3V , 2.5V , 1.8V 等。
不同于其他公司的产品,BM1117 的输入电压最高可以达+18V ,有些台湾和内地设计的1117 为了价格竞争, 输入电压最大只有+8V, 输出电流只有800mA,当遇到电压突波时,可能会烧毁,给最终的产品(如DVD 和DVB 等)埋下返修率高的隐患。
BM 半导体产品选用指南( 中 文 版 ---- 技 术 篇 )引言: 作为电源管理的IC 设计公司, 我们瞄准LCD 市场和网络通讯市场的需求, 给客户提供完整的电源管理解决方案, 让客户安心, 省心的享受电子终端产品的设计和制造乐趣. 本文为技术简介, 献给工程师朋友, 最开始的合理的设计定型对整机的性能和整机的成本具有决定性影响, 设计完之后采购要大比例的杀价降成本有点迟了, 通常只有牺牲的是品质和性能了, 所以设计选型的时候是最重要的, 所以以此为出发点, 写此文供您参考!1. LDO2. DC/DC3. 其他4. 包装规范LDO由于在各种电子产品中,主控制或相关芯片需要各种各样的供电电压,各种电压转换芯片应运而生。
线性稳压器(由内部的调整电路来完成, 内部没有开关振荡电路)有如下四种:1. 78 系列(或317)。
绝大多数电源管理的芯片产厂家都有,他们的应用广泛,用量大, 价格便宜,缺点是静态电流大,10mA左右,输入输出压差高。
例如7805 需要+7.5V 输入才能稳定的输出5V,电流超过0.75A 时, 芯片需要很大的散热器。
TO252 的贴片7805 是我们的特色。
我们的型号是BM7805AS,是标准1A的,市面上CJ78M05都是0.5A还不到.但是价格敏感,所以特地为数字高频头的5V供电做了一颗0.7A的BM78D05,+18V耐压. 2. BIPOLAR LDO (双极型低压差稳压器)。
是为了降低78系列的输入输出压差而发展的。
一般的这种IC 的压差为1.1V~1.2V 左右,静态电流为8-9 mA左右。
按电流分有如下几种(BM 半导体的):A.BM1117 1A 的输出, 输出有可调的(ADJ),输出从1.25V 基准输出电压起调。
还有输出固定的5.0V , 3.3V , 2.5V , 1.8V 等。
不同于其他公司的产品,BM1117 的输入电压最高可以达+18V ,有些台湾和内地设计的1117 为了价格竞争, 输入电压最大只有+8V, 输出电流只有800mA,当遇到电压突波时,可能会烧毁,给最终的产品(如DVD 和DVB 等)埋下返修率高的隐患。
IBM?System?Storage DS3950?易捷版借助可扩展的高性能存储管理增长、复杂性和风险要点新一代 8?Gbps FC?接口支持基础架构简化混合主机接口支持(FC/iSCSI)可实现 SAN 分层平衡的性能非常适合于虚拟化/整合降低整合成本自加密驱动器可在驱动器的整个生命周期内保护数据安全支持混用 FC/FDE/SATA 驱动器可实现经济高效的分层存储值得信赖的存储保护并随需提供您的数据满足广泛的存储需求的灵活性功能丰富的管理软件可以最大化利用率和最小化存储 TCO可支持未来的产品增强关键应用程序认证确保信心使用 IBM?System?Storage DS? Storage Manager 集中管理 DS 系列连接 6?个 EXP395?扩展单元后,最多可支持 112?个磁盘驱动器模块使用 IBM?System?Storage DS3950?易捷版来更高效地管理数据优化的数据管理需要具有高数据可用性、强大存储管理能力和超凡性能的存储解决方案。
IBM?推出了IBM?System?Storage? DS3950?易捷版?,旨在提供较低的总拥有成本、高性能、强大的功能和无与伦比的易用性。
作为 IBM?DS 系列的成员,DS3950?易捷版提供了下列特性:支持 8?Gbps 的高性能光纤通道连接。
可选的 1?Gbps iSCSI 接口。
使用 112?个 1?TB SATA 磁盘驱动器最高可达 112?TB 物理存储容量。
强大的系统管理、数据管理和数据保护功能。
实现更低的总拥有成本面对无情的数据增长和不断紧缩的预算,各个公司都在继续寻求各种方式,以通过提高效率来降低成本。
8?Gb/s FC?允许公司减少每台服务器的 HBA 数量以及 FC?SAN 基础架构中的总端口数量,而不会牺牲性能,从而节省购置和运营成本。
此外,DS3950?的自动协调 8?Gb/s 光纤通道接口允许其无缝地集成到现有的 2?Gb/s 或 4?Gb/s 基础架构,并且当 SAN 不可避免地进入 8?Gb/s 时代后,为买家提供面向未来的投资保护。
文档编号2.057.020.1.e 05/2023电源质量分析仪UMG 103-CBM(固件版本2.0以上)用户手册和技术数据w w w .j a n i t z a .c omJanitza electronics GmbH Vor dem Polstück 635633 Lahnau | Germany Support +49 6441 9642-22****************|UMG 103-CBM 2UMG 103-CBM电源质量分析仪用于采集能量被测变量的测量设备文档编号: 2.057.020.1.e版本:05/2023德文版为本文档的原始版本 UMG 103-CBM保留技术变更的权利我们秉承极其谨慎的原则对本文档的内容进行汇编并且符合我们当前的信息水平。
然而,我们仍然需要提醒注意的是,文档无法始终在产品技术发展的同时进行更新。
信息和技术参数可能会随时更改。
请通过了解有关最新版本的信息。
3UMG 103-CBM 4目录1. 关于本设备和用户手册的注意事项 81. 1 免责声明 81. 2 版权声明 81. 3 技术变更 81. 4 关于本用户手册 81. 5 损坏设备/废弃处理 92. 安全 102. 1 警告和安全注意事项的图示 102. 2 危险等级 102. 3 产品安全 112. 4 使用本设备时的危险 112. 5 具备电气技术资质的工作人员 122. 6 发生损坏时的担保 122. 7 使用电流互感器的安全注意事项 123. 产品说明 143. 1 设备说明 143. 2 输入端检查 143. 3 按规定使用 153. 4 性能特征 163. 5 EU一致性声明 163. 6 FCC一致性声明 163. 7 供货范围 173. 8 可供配件 173. 9 测量方法 183. 10 测量用互感器 183. 11 操作方案 183. 12 电源分析软件GridVis®184. 设备构造 204. 1 设备正面和操作元件 204. 2 LED - 显示器 214. 3 设备标识(型号铭牌) 225. 安装 245. 1 安装场所 245. 2 安装位置 246. 网络系统 25 UMG 103-CBM7. 安装 267. 1 额定电压 267. 1. 1 带有接地零线的三相四线制系统 267. 2 断路开关 277. 3 电源电压 277. 4 电压测量 287. 4. 1 过电压 297. 4. 2 频率 297. 4. 3 电压测量连接类型 297. 5 电流测量 307. 5. 1 电流测量连接类型 317. 5. 2 安培计 327. 5. 3 电流方向 327. 5. 4 总电流测量 328. 连接和PC连接 348. 1 连接方式 348. 2 RS485接口 358. 3 屏蔽 358. 4 总线结构 368. 5 终端电阻 369. 配置 389. 1 电流和电压互感器 389. 2 设备地址 399. 3 RS485 3910. 开始运行 4010. 1 测量/电源电压 4010. 2 测量电流 4110. 3 旋转场 4210. 3. 1 向量图基础 4210. 3. 2 借助向量图检查电压和电流输入端 4310. 4 检查功率测量 4410. 5 检查测量 4410. 6 检查单个功率 4410. 7 检查总功率 4410. 8 电表 - 删除最小和最大值 4510. 9 超出测量范围 455UMG 103-CBM 610. 10 “追针”功能 4610. 11 内部同步 4610. 12 外部同步 4710. 13 测量值记录 4910. 14 比较器 5011. 维修和维护 5111. 1 维修和校准 5111. 2 面板薄膜 5111. 3 维修 5111. 4 电池 5111. 5 设备调校 5111. 6 固件更新 5212. 出错时的步骤 5313. 技术数据 5413. 1 技术数据 5413. 2 测量精度 5713. 3 常用测量值的Modbus地址 5813. 3. 1 数字格式 5913. 3. 2 测量值和配置数据的注意事项 5913. 4 尺寸图 6013. 5 连接示例 61 UMG 103-CBM7UMG 103-CBM 81. 关于本设备和用户手册的注意事项1.1 免责声明遵守设备的相关信息是安全操作以及达到规定的功率特征和产品属性的前提。
T8图书管理系统V1.0需求规格说明书修订记录表目录1引言 (3)1.1编写目的 (3)1.2背景 (3)1.3定义 (3)1.4参考资料 (3)2需求规定 (3)2.1系统的功能性需求 (3)2.2系统的非功能性需求 (4)2.3系统界面设计标准与规范 (4)2.4 软件编码设计标准与规范 (5)2.5数据管理能力要求 (6)3开发、运行环境 (7)3.1 开发环境要求 (7)4 功能性需求 (7)4.1系统登陆 (7)4.2 管理员管理 (8)4.2.1 管理员维护 (8)4.2.2增加管理员 (8)4.3 读者管理 (9)4.3.1 增加读者信息 (9)4.3.2 读者信息维护 (10)4.3.3查看借阅历史 (11)4.4书籍管理 (12)4.4.1新增书籍管理 (12)4.4.2书籍信息维护 (13)4.4.3书籍借阅管理 (14)4.5 查询管理 (15)4.5.1书籍信息查询 (15)4.5.2读者信息查询 (16)4.6 帮助 (17)1引言1.1编写目的本系统主要是面向大中院校进行进行对书籍、读者进全面管理的系统,便于从事图书管理人员更好的实现图书管理信息化。
本系统包括的功能模块有管理员管理、读者管理、书籍管理、查询管理等。
系统界面力求简洁、易用,在标准化的基础上考虑界面的美观和新颖。
1.2背景本系统采用统一由图书管理员进行管理,避免了传统的图书管理方式中出现丢书、久借不还等问题,并且也提高了图书管理员的工作效率。
系统功能包括:管理员管理、读者管理、书籍管理、查询管理等。
1.3定义无1.4参考资料无2需求规定2.1系统的功能性需求2.2系统的非功能性需求1)用户界面需求简洁、易用、易懂,美观、大方、标准,具备一定的兼容性。
2)软硬件环境需求软件环境:兼容当前主流操作系统Windows 95/98/NT/Me/2000/XP 等。
硬件环境:386以上计算机,打印机、扫描仪等。
3)软件质量需求易用、健壮、兼容性好、运行稳定。
手机显示屏技术规范1.目的:规范本公司手机显示屏设计及检测。
2.适用范围:适用于研发设计开发、样品认证测试及品质来料检验。
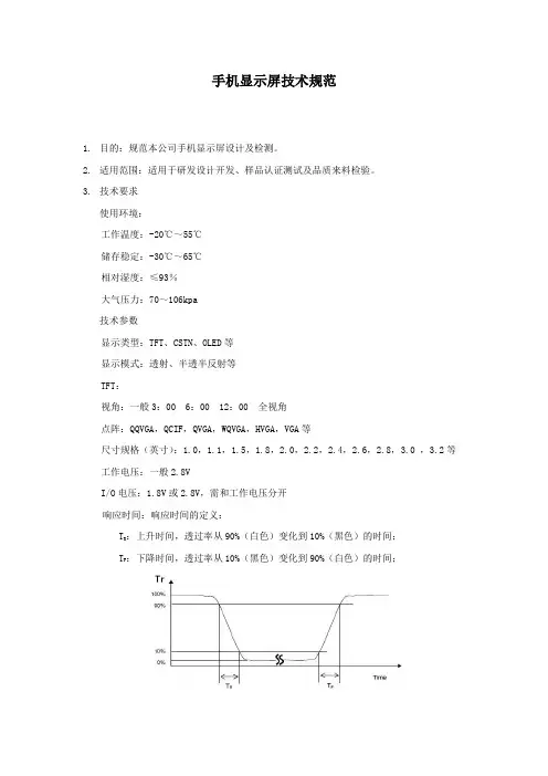
3.技术要求使用环境:工作温度:-20℃~55℃储存稳定:-30℃~65℃相对湿度:≤93%大气压力:70~106kpa技术参数显示类型:TFT、CSTN、OLED等显示模式:透射、半透半反射等TFT:视角:一般3:00 6:00 12:00 全视角点阵:QQVGA,QCIF,QVGA,WQVGA,HVGA,VGA等尺寸规格(英寸):1.0,1.1,1.5,1.8,2.0,2.2,2.4,2.6,2.8,3.0 ,3.2等工作电压:一般2.8VI/O电压:1.8V或2.8V,需和工作电压分开响应时间:响应时间的定义:T R:上升时间,透过率从90%(白色)变化到10%(黑色)的时间;T F:下降时间,透过率从10%(黑色)变化到90%(白色)的时间;STN 响应时间一般在300-400ms;(低温下的相应时间及显示效果,需给出一个标准)CSTN响应时间一般在200-300ms;(低温下的相应时间及显示效果,需给出一个标准)手机小尺寸TFT 响应时间一般在30-50ms.主要影响因素是三者由上到下盒厚递减,液晶分子扭转力递减;且液晶电压递增,加电电场递增。
数据接口:CPU或RGB显示效果判断目测颜色较鲜艳1、GAMMA测试测试方法:(测试设备)⑴将64阶灰度图片拷入手机,并显示图片、使用仪器测试结果、记录数据。
GAMMA曲线比较平滑,且DIFF-GAMMA曲线的差异在0-20灰阶小于5,在20—63灰阶小于13;⑵在20-50灰阶之间不可以有交点;⑶ CSTN暂不做要求。
判定标准:DIFF-GAMMA曲线的量化,用测的曲线减去2.2标准曲线的差值绘成曲线图,将GAMMA 曲线改为:0为黑色,63为白色。
2、RGB GAMMA测试测试方法:⑴ RGB GAMMA曲线变化平缓且蓝色曲线在曲定书线上方,RGB差异曲线的差异小于20;⑵ CSTN暂不做要求。
bm本专题涉及bm的标准有88条。
国际标准分类中,bm涉及到环境试验、紧固件、金属材料试验、道路车辆装置、建筑物的防护、电工器件、电子管、电工和电子试验、桥梁建筑。
在中国标准分类中,bm涉及到基础标准和通用方法、基础标准与通用方法、紧固件、金属力学性能试验方法、通信网技术体制、紧固件、建筑物理、环境条件与通用试验方法、微波管、紧固件、电真空器件综合。
国家质检总局,关于bm的标准•GB/T 2423.26-2008电工电子产品环境试验.第2部分:试验方法.试验Z/BM:高温/低气压综合试验•GB/T 2423.26-1992电工电子产品基本环境试验规程试验Z/BM:高温/低气压综合试验•GB/T 899-1988双头螺柱bm=1.5d•GB/T 898-1988双头螺柱bm=1.25d•GB/T 897-1988双头螺柱bm=1d•GB/T 900-1988双头螺柱bm=2d•GB 900-1988双头螺柱bm=2d {新定价}•GB 899-1988双头螺柱bm=1.5d {新定价}•GB 897-1988双头螺柱bm=1d•GB 898-1988双头螺柱bm=1.25d {新定价},关于bm的标准•SIS SEN 24 10 01安装管,内置平板分离管B,连接壳BM,尾壳BMR德国标准化学会,关于bm的标准•DIN 50103-3-2017金属材料检验.洛氏硬度试验.第3部分:薄钢板用改良洛氏刻度盘Bm 和Fm•DIN EN 60068-2-41-2000环境试验.第2部分:试验.试验Z/BM:干热/低气压组合试验•DIN 50103-3-1995金属材料检验.洛氏硬度试验.第3部分:薄钢板用改良洛氏刻度盘Bm 和Fm国际卡车和发动机联合会(US-INTERN改名为US-NAVISTAR),关于bm的标准•NAVISTAR ESP BM-1.121-PP-2015•NAVISTAR ESP BM-11.101-GS-2015•NAVISTAR ESP BM-3.101-GS-2015•NAVISTAR ESP BM-0.0-2015•NAVISTAR ESP BM-4.101-GS-2015•NAVISTAR ESP BM-1.221-NPP-2015•NAVISTAR ESP BM-11.001-GI-2015•NAVISTAR ESP BM-4.121-PP-2015•NAVISTAR ESP BM-32.101-GS-2015•NAVISTAR ESP BM-30.102-PP-2015•NAVISTAR ESP BM-11.107-PP-2015•NAVISTAR ESP BM-5.101-GS-2015•NAVISTAR ESP BM-40.101-GS-2015•NAVISTAR ESP BM-32.102-PP-2015•NAVISTAR ESP BM-30.101-GS-2015•NAVISTAR ESP BM-30.201-NPP-2015•NAVISTAR ESP BM-3.001-GI-2015•NAVISTAR ESP BM-3.121-PP-2015•NAVISTAR ESP BM-1.001-GI-2015•NAVISTAR ESP BM-3.221-NPP-2015•NAVISTAR ESP BM-40.001-GI-2015•NAVISTAR ESP BM-1.101-GS-2015美国电气电子工程师学会,关于bm的标准•IEEE 802.3BM-2015以太网修改件3: 在40 Gb/s和100 Gb/s光缆上操作用物理层规范和管理参数(IEEE计算机协会)国家军用标准-总装备部,关于bm的标准•GJB 3312/4-2013BM-2021型脉冲行波管详细规范•GJB 3312/5-2013BM-2043型脉冲行波管详细规范•GJB 3312/7-2013BM-2076型脉冲行波管详细规范•GJB 3312/3-2013BM-2001型脉冲行波管详细规范•GJB 3312/6-2013BM-2066型脉冲行波管详细规范行业标准-汽车,关于bm的标准•QC/T 870-2011双头螺柱.bm=1.25d•QC/T 871-2011双头螺柱.bm=2d美国国家标准学会,关于bm的标准•ANSI/ASHRAE/IESNA 90.1bm-2010低层住宅建筑除外的建筑物能量标准国际卡车和发动机公司,关于bm的标准•INTERN ESP BM-3.221-NPP-2009重型六角头法兰面螺栓.公制系列.一般规范(名词代码0810)•INTERN ESP BM-4.121-PP-2009预置扭矩式六角头螺栓.公制系列.首选配件(名词代码0810)•INTERN ESP BM-1.121-PP-2008六角头螺栓.公制系列.首选零件(名词代码0810)•INTERN ESP BM-1.101-GS-2008六角头螺栓.公制系列.一般规范(名词代码0810)•INTERN ESP BM-1.221-NPP-2008六角头螺栓.非首选配件•INTERN ESP BM-3.101-GS-2008重型六角头法兰面螺栓.公制系列.一般规范(名词代码0810)•INTERN ESP BM-3.221-NPP-2008•INTERN BM-32.102-PP-2008•INTERN ESP BM-4.121-PP-2007预置扭矩式六角头螺栓.公制系列.首选配件(名词代码0810)美国国防后勤局,关于bm的标准•DLA DSCC-DWG-08011-2008半导体装置,无线射频混频器硅二极管,型号1N53B,1N53BR,1N53BM,1N53BMR美国公路与运输员工协会,关于bm的标准•AASHTO MM-2007道路和桥梁维护手册.修改件4[替代:AASHTO BM,AASHTO GBM]澳大利亚标准协会,关于bm的标准•AS 60068.2.41-2003环境试验.试验.Z/BM试验:组合干热/低气压试验英国标准学会,关于bm的标准•BS EN 60068-2-41-2000环境试验.试验方法.试验Z/BM.干热/低气压结合试验法国标准化协会,关于bm的标准•NF C20-741-2000环境试验.第2部分:试验.Z/BM 试验:干热/低气压混合试验行业标准-电子,关于bm的标准•SJ 20023.7-1999BM-1029型脉冲行波管详细规范•SJ 20023.6-1998BM-1921型脉冲行波管详细规范•SJ 20023.3-1997BM-1948型行波管详细规范•SJ 20023.1-1996BM-1031型脉冲行波管详细规范•SJ 20273-1993电子管BM-1038型行波管详细规范欧洲电工标准化委员会,关于bm的标准•EN 60068-2-41-1999环境试验.第2部分:试验.试验Z/BM:干热/低气压综合试验.替代HD 323.2.41 S1-1988;IEC 60068-2-41-1976+A1-1983•HD 323.2.41 S1-1988环境试验基本规程:第2部分:试验.试验Z/BM:干热/低气压混合试验日本工业标准调查会,关于bm的标准•JIS C0031-1995环境试验.第2部分:试验.试验Z/BM:干热/低气压组合试验•JIS C60068-2-41-1995环境试验.第2部分:试验、试验Z/BM:干热/低气压组合试验行业标准-航天,关于bm的标准•QJ 2742-1995MJ螺纹1100MPa/235℃双头螺柱(bm=2d)•QJ 2741-1995MJ螺纹1100MPa/235℃双头螺柱(bm=1.5d)•QJ 2740-1995MJ螺纹1100MPa/235℃双头螺柱(bm=1d)印度尼西亚标准,关于bm的标准•SNI 03-1747-1989T型桥梁建设跨度25米(荷载BM 70)丹麦标准化协会,关于bm的标准•DS/IEC 68-2-41-1985基本环境试验规程.第2部分:Z/BM 试验:干热/低气压组合试验(第1次修订(1983))国际电工委员会,关于bm的标准•IEC 60068-2-41:1976/AMD1:1983修改件1.基本环境试验程序.第2-41部分:试验.试验Z/BM:干热/低气压组合试验•IEC 60068-2-41-1976/AMD1-1983修改件1.基本环境试验程序.第2-41部分:试验.试验Z/BM:干热/低气压组合试验•IEC 60068-2-41 AMD 1-1983基本环境试验规程第2-41部分:试验试验Z/BM:干热/低气压组合试验修改1•IEC 60068-2-41:1976基本环境测试程序-第2-41部分:测试-测试Z/BM:组合干热/低气压测试•IEC 60068-2-41-1976基本环境试验规程第2-41部分:试验试验Z/BM:干热/低气压组合试验。
丝印bm二极管参数代换丝印BM二极管参数代换导言:丝印BM二极管是一种常用的电子元件,具有多种参数。
本文将以丝印BM二极管参数代换为主题,对其不同参数进行详细介绍和解释。
一、正向电流(IF)参数丝印BM二极管的正向电流参数是指在正向偏置情况下,流过二极管的电流大小。
这个参数决定了二极管的工作状态和性能。
正常情况下,丝印BM二极管的正向电流应处于设定的范围内,以保证其正常工作。
二、反向电压(VR)参数丝印BM二极管的反向电压参数是指在反向偏置情况下,二极管能够承受的最大电压。
超过这个电压,二极管可能会击穿,导致烧毁或损坏。
因此,在使用丝印BM二极管时,需要确保反向电压不超过其额定值。
三、最大反向电流(IR)参数丝印BM二极管的最大反向电流参数是指在反向偏置情况下,二极管能够承受的最大电流。
超过这个电流,二极管可能会过载,导致性能下降或烧毁。
因此,在设计电路时,需要根据丝印BM二极管的最大反向电流参数来选择合适的电流限制器。
四、正向压降(VF)参数丝印BM二极管的正向压降参数是指在正向偏置情况下,二极管两端的电压降。
正向压降决定了二极管的导通特性和正向电流的大小。
一般情况下,丝印BM二极管的正向压降应处于合理的范围内,以确保电路正常工作。
五、反向漏电流(ID)参数丝印BM二极管的反向漏电流参数是指在反向偏置情况下,二极管两端的漏电流大小。
反向漏电流会导致能量损耗和电路的不稳定性。
因此,在选择丝印BM二极管时,需要注意其反向漏电流参数,并确保其在可接受范围内。
六、功率(P)参数丝印BM二极管的功率参数是指二极管能够承受的最大功率。
超过这个功率,二极管可能会过热,导致烧毁或损坏。
因此,在设计电路时,需要根据丝印BM二极管的功率参数来选择合适的功率限制器。
七、频率(f)参数丝印BM二极管的频率参数是指二极管能够正常工作的最高频率。
超过这个频率,二极管可能会失去响应能力,导致信号失真或丢失。
因此,在设计电路时,需要根据丝印BM二极管的频率参数来选择合适的工作频率范围。
艾特网能数据中心机房BM解决方案深圳市艾特网能技术有限公司2017年3月目录1BM系统简介 (4)2需求分析及方案配置 (5)2.1需求分析 (5)2.2方案配置 (6)2.3机房工艺布置 (6)3艾特网能BM系统介绍 (10)3.1制冷系统 (10)3.1.1热负荷计算与空调选型 (10)3.1.2CoolRow系列列间机房专用空调 (11)3.1.3CoolRow机房空调特点 (11)3.2供配电系统 (16)3.2.1艾特昆仑UM中小容量系列产品介绍 (17)3.2.2艾特昆仑UM系列设计理念 (17)3.2.3多重可靠性设计,确保UPS稳定可靠 (18)3.2.4电气参数 (25)3.2.5艾特网能智能精密配电柜 (27)3.2.5.1主要特点 (28)3.2.5.2技术指标 (28)3.2.6PDU (29)3.3服务器机柜 (30)3.3.1突出特点 (30)3.3.2服务器机柜配置 (32)3.4封闭冷池系统 (32)3.4.1玻璃天窗组件 (32)3.4.2玻璃隔离门组件 (34)3.4.3钢制假墙组件(根据项目情况选配) (34)3.4.4消防联动系统组件 (35)3.5监控系统 (36)监控对象 (38)3.5.1UPS监控 (38)3.5.2空调监控 (38)3.5.3视频监控系统 (39)3.5.4机房环境监控 (39)3.5.4.1环境监控单元组件——温湿度传感器 (39)3.5.4.2环境监控单元组件——联网型烟雾探测器 (41)3.5.4.3环境监控单元组件——声光报警器 (42)3.5.4.4门禁系统 (43)3.5.4.5视频监控 (45)4部分成功案例 (46)4.1武汉楚天云 (47)4.2中国联通贵安云基地 (48)5公司介绍 (49)1BM系统简介模块化数据中心方案,是当今行业中主流及领先的应用方案,在各行业的大中小型机房中广泛应用,并受到行业专家及用户高度认可。
bm安规电容BM安规电容,是一种符合BM(Business Machine)安规标准的电容器,主要用于商业机器设备中,具有较高的可靠性和安全性。
本文将从BM安规电容的定义、特点、应用领域和市场前景等方面进行介绍,以及其在商业机器中的重要作用和优势。
BM安规电容是按照BM安规标准生产的电容器,其主要特点是在保持高性能的同时,注重电容器的安全和可靠性。
安规标准一般包括产地标准、产品认证、材料认证等一系列规定和要求,其目的是确保产品在使用过程中不会对设备和用户造成损害。
BM安规电容的特点有以下几个方面。
首先,其设计和制造过程遵循严格的质量管理体系,确保产品的质量稳定。
其次,BM安规电容使用高品质的材料和组件,具有较高的耐压、耐温和耐老化能力,能在各种恶劣环境下正常工作。
此外,BM安规电容具有较长的使用寿命和较低的故障率,能够满足商业机器长时间工作的需求。
BM安规电容广泛应用于商业机器领域,包括打印机、复印机、扫描仪、传真机、货币计数机、自动售货机等。
在这些设备中,电容器起到存储和释放电荷的作用,用于稳定电路的工作电压、滤波和平衡电流等。
因此,BM安规电容在商业机器中起到了至关重要的作用,能够确保设备正常运行以及提高其性能和稳定性。
相比普通电容器,BM安规电容具有许多优势。
首先,其材料和设计满足严格的安规标准,能够充分确保产品的安全性和可靠性。
其次,BM安规电容的性能稳定,能够在长时间使用中不容易出现故障。
再次,BM安规电容使用优质材料和组件制造,具有较长的使用寿命,降低了更换和维修的成本。
此外,BM安规电容还具有较低的功耗和较高的效率,能够节省能源和提高设备的性能。
随着商业机器市场的不断发展和智能化进程的推进,BM安规电容市场前景十分广阔。
商业机器设备的需求不断增长,对电容器的要求也越来越高。
BM安规电容作为一种高品质的产品,能够满足商业机器设备对稳定性、可靠性和安全性的需求,具有较大的市场潜力。
综上所述,BM安规电容是商业机器设备中一种符合BM安规标准的电容器,具有较高的可靠性和安全性。