步进电机实验
- 格式:ppt
- 大小:475.00 KB
- 文档页数:2
第1篇一、实验目的1. 熟悉步进电机的工作原理和特性。
2. 掌握步进电机的驱动方式及其控制方法。
3. 学会使用常用实验设备进行步进电机的调试和测试。
4. 了解步进电机在不同应用场景下的性能表现。
二、实验设备1. 步进电机:选型为双极性四线步进电机,型号为NEMA 17。
2. 驱动器:选型为A4988步进电机驱动器。
3. 控制器:选型为Arduino Uno开发板。
4. 电源:选型为12V 5A直流电源。
5. 连接线、连接器、电阻等实验配件。
三、实验原理步进电机是一种将电脉冲信号转换为角位移或线位移的电机。
它具有以下特点:1. 转动精度高,步距角可调。
2. 响应速度快,控制精度高。
3. 结构简单,易于安装和维护。
4. 工作可靠,寿命长。
步进电机的工作原理是:通过控制驱动器输出脉冲信号,使步进电机内部的线圈依次通电,从而产生步进运动。
四、实验步骤1. 搭建实验电路(1)将步进电机连接到驱动器上,确保电机线序正确。
(2)将驱动器连接到Arduino Uno开发板上,使用连接线连接相应的引脚。
(3)连接电源,确保电源电压与驱动器要求的电压一致。
2. 编写控制程序(1)使用Arduino IDE编写程序,实现步进电机的正转、反转、调速等功能。
(2)通过串口监视器观察程序运行情况,调试程序。
3. 调试步进电机(1)测试步进电机的正转、反转功能,确保电机转动方向正确。
(2)调整步进电机的转速,观察电机运行状态,确保转速可调。
(3)测试步进电机的步距角,确保步进精度。
4. 实验数据分析(1)记录步进电机的正转、反转、调速等性能参数。
(2)分析步进电机的运行状态,评估其性能。
五、实验结果与分析1. 正转、反转测试步进电机正转、反转功能正常,转动方向正确。
2. 调速测试步进电机转速可调,调节范围在1-1000步/秒之间。
3. 步距角测试步进电机的步距角为1.8度,与理论值相符。
4. 实验数据分析步进电机的性能指标符合预期,可满足实验要求。
一、实验目的1. 了解步进电动机的工作原理和驱动方式。
2. 掌握步进电动机的驱动电路设计方法。
3. 熟悉步进电动机的控制程序编写和调试方法。
4. 掌握步进电动机的速度和方向控制方法。
二、实验器材1. 步进电动机一台2. 步进驱动器一台3. 单片机实验板一块4. 电源模块一块5. 连接线若干6. 示波器一台7. 电脑一台三、实验原理步进电动机是一种将电脉冲信号转换为角位移或线位移的电机,其特点是输出角位移与输入脉冲数成正比,转速与脉冲频率成正比。
步进电动机的驱动电路主要由驱动器和控制电路组成。
驱动器负责将单片机输出的脉冲信号转换为步进电动机所需的驱动信号,而控制电路则负责生成步进电动机所需的脉冲信号。
四、实验步骤1. 步进电动机驱动电路设计(1)根据步进电动机的型号和规格,选择合适的驱动器。
(2)设计驱动电路原理图,包括驱动器、单片机、电源模块等。
(3)焊接驱动电路,并检查无误。
2. 步进电动机控制程序编写(1)编写步进电动机控制程序,包括初始化、脉冲生成、速度和方向控制等模块。
(2)通过示波器观察脉冲信号的波形,确保脉冲信号符合步进电动机的要求。
(3)调试程序,确保步进电动机能够按照预期运行。
3. 步进电动机速度和方向控制(1)通过调整脉冲频率控制步进电动机的转速。
(2)通过改变脉冲信号的顺序控制步进电动机的转动方向。
(3)观察步进电动机在不同速度和方向下的运行情况,分析控制效果。
五、实验结果与分析1. 步进电动机驱动电路设计成功,步进电动机能够按照预期运行。
2. 步进电动机控制程序编写成功,能够实现速度和方向控制。
3. 通过调整脉冲频率,步进电动机的转速在0-300转/分钟范围内可调。
4. 通过改变脉冲信号的顺序,步进电动机的转动方向可在正转和反转之间切换。
5. 实验结果表明,步进电动机的速度和方向控制方法可行,控制效果良好。
六、实验总结本次实验成功地实现了步进电动机的驱动电路设计、控制程序编写和速度、方向控制。
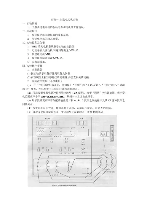
实验一步进电动机实验一.实验目的1.了解步进电动机的驱动电源和电机的工作情况。
二. 实验项目1.步进电动机驱动电源的波形观察。
2.步进电动机的动态观察。
三.实验设备及仪器1.MEL系列电机系统教学实验台主控屏。
2.电机导轨及测功机,转速转矩测量MEL-13。
3.步进电动机M10。
4.步进电机驱动电源MEL-10。
5.双踪示波器。
四.实验操作步骤1.实验准备(1).按实验要求准备好各类设备及仪表.(2).在控制屏上按次序悬挂所需组件,并检查相关的连接,2.驱动波形观察(不接电机)(1) 合上控制电源船形开关,分别按下“连续”和“正转/反转”,“三拍/六拍”,”启动/停止”开关,使电机处于三拍正转连续运行状态。
(2). 用示波器观察电脉冲信号输出波形(CP波形),改变“调频”电位器旋钮,频率变化范围应不小于5Hz~1KHz(800 KHz),从频率计上读出此频率。
(3) 用示波器观察环形分配器输出的三相A,B,C波形之间的相序及其CP脉冲波形之间的关系。
(4)改变电机运行方式,使电机处于正转,六拍运行状态,重复C的实验。
(5)再次改变电机运行方式,使电机处于反转状态,重复C的实验3.步进电机的动态观察:(按图正确接线, 频率40 KHz)(1)单步运行状态:A: 接通电源,按下“单步”琴键开关,“复位”按钮,“清零”按钮。
B: 不断按下“单步”按钮,观察运行状态;改变电机转向,重复操作。
(2).角位移和脉冲数的关系:A:按下“置数”琴键开关,拨动开关预置步数,分别按下“复位”,“清零”按钮,记录电机所出位置。
B:按下“启动/停止”开关,电机运转,观察并记录电机偏转角度。
(20Hz左右)C:重新预置步数,重复观察并记录电机偏转角度。
(3) 空载突跳频率的测定控制系统置连续运行状态,按执行键,电机连续运转后,调节速度调节旋钮使频率提高至某频率(自动指示当前频率)。
按设置键让步进电机停转,再重新启动电机(按执行键),观察电机能否运行正常,如正常,则继续提高频率,直至电机不失步启动的最高频率,则该频率为步进电机的空载突跳频率。
步进电机实验步进电机实验注意事项:1、系统通电后,身体的任何部位不要进入系统运动可达范围之内;2、实验中,请严格按照实验步骤进行操作,以防发生意外;3、实验完成后按下“停止”按钮,使电机停止运行,关闭电源;4、实验中注意用电安全,如遇紧急情况立即拨动电源开关,切断电源。
一、步进电机调速实验1、实验目的1.1熟悉步进电机的工作原理;1.2了解步进电机调速的方法;1.3 了解目标频率和转速之间的关系;1.4 掌握步进调速平台的操作方法。
2、实验设备1、步进电机测试平台一套3、实验原理(1)步进的工作原理步进电机是一种作为控制用的特种电机,它的旋转是以固定的角度(称为“步距角”)一步一步运行的,广泛应用于开环控制。
通过控制步进电机的脉冲频率,可以对电机进行精确调速;控制步进电机的脉冲个数,可以对电机精确定位。
步进电机分三种:永磁式(PM),反应式(VR)和混合式(HB)。
永磁式步进电机一般为两相,转距和体积较小, 步距角一般为7.5°或15°;反应式步进一般为三相,可实现大转矩输出,步距角一般为1.5°,但噪声和振动都很大。
混合式步进电机是混合了永磁式和反应式的优点,可分为两相和五相。
两相混合式步进电机步距角一般为1.8°,而五相混合式步进电机步距角一般为0.72°。
混合式步进电机的应用最为广泛,本测试平台使用的步进电机即为步距角为1.8°的两相混合式步进电机。
( 2 ) 步进驱动器的参数及设置驱动器的细分步进电机通过细分驱动器的驱动,其步距角变小了,如驱动器工作在10细分状态时,其步距角只为电机固有步距角的十分之一,也就是说,当驱动器工作在不细分的整步状态时,控制系统每发一个步进脉冲,电机转动1.8°;而用细分驱动器工作在10细分状态时,电机只转动了0.18°,这就是细分的基本原理。
细分功能究全是由驱动器靠精确控制电机的相电流所产生, 与电机无关。
一、实验目的1、了解步进电机工作原理。
2、掌握步进电机转动控制方式和调速方法。
3、学会protel99使用。
二、实验设备及器件IBMPC机一台单片机仿真器、编程器、实验仪三合一综合开发平台一台三、实验内容1、编写程序,通过单片机的P1口控制步进电机的控制端,使其按一走的控制方式进行转动。
2、分别采用双四拍(AB->BC->CD->DA->AB)方式、单四拍(A->B->C->D->A)方式和单双八拍(A->AB->B->BC->C->CD->D->DA->A)方式编程,控制步进电机的转动方向和转速。
3、观察不同的控制方式下,步进电机转动时的振动情况和步进角的大小,比较这几种控制方式的优缺点。
四、实验要求学会步进电机的工作原理和控制方法,掌握一些简单的控制电路和基本的电机基础知识。
五、实验步骤1)安装C10区JP6接口上的短路帽,将C10区J41接口与A2区J61接口的P10~P13对应相连。
2)打开TKStudy仿真器,仿真调试编写好的软件程序,观察步进电机的转动情况。
3)修改步进电机的控制程序,再次进行程序,比较它们的不同控制效果。
六、实验原理6.1单片机选用51单片机优异的性价比以及独特的系统结构、不断增加的片内设备以及强大的指令系统使得它依然是单片机中的主流。
本次设计以CPU选用89C51作为步进电机的控制芯片。
AT89C51是一种带4K字节闪烁可编程可擦除只读存储器的低电压,高性能CMOS8位微处理器,俗称单片机。
该器件采用ATMEL高密度非易失存储器制造技术制造,与工业标准的MCS-51指令集和输出管脚相兼容。
由于多功能8位CPU 和闪烁存储器,单个芯片中,ATMEL的AT89C51是一种高效微控制器,为很多嵌入式控制系统提供了一种灵活性高且价廉的方案。
6.2 步进电机的工作原理步进电机是将电脉冲信号转变为角位移或线位移的开环控制元件。
一、实验名称:
步进电机正反转训练
二、控制要求
要求实现电机的正转三圈, 反转三圈, 电机正转和反转的频率可不相同, 然后这样循环3次, 3次后电机停止转动。
三、PLC I/O地址分配表
PLC的I/O地址连接的外部设备
Y0 电机转向输出点控制转速点CP
Y1 电机的转速输出点控制转向点CW
四、程序梯形图
五、程序分析:
M11.M12、M13的波形图M21.M22.M23的波形图
电机正转的频率是20赫兹, 通过MOV指令送到D5中, 在电机正传三圈后, 电机反转, 反转的频率是40赫兹, 通过MOV指令送到D5中。
电机正转3次, 反转2次, 再通过M23得电进入正转, 重复上面的循环, 即电机正转后再反转, M23才得电一次, 所以可以加一个M23控制一个计数器计数, 当计数器计数到3时, 再通过计数器的常闭开关把M10线圈断电, 从而实现电机停止。
步进电机实验7-7 步进电动机步进电动机⼜称脉冲电机,是数字控制系统中的⼀种重要的执⾏元件,它是将电脉冲信号变换成转⾓或转速的执⾏电动机,其⾓位移量与输⼊电脉冲数成正⽐;其转速与电脉冲的频率成正⽐。
在负载能⼒范围内,这些关系将不受电源电压、负载、环境、温度等因素的影响,还可在很宽的范围内实现调速,快速启动、制动和反转。
随着数字技术和电⼦计算机的发展,使步进电机的控制更加简便、灵活和智能化。
现已⼴泛⽤于各种数控机床、绘图机、⾃动化仪表、计算机外设,数、模变换等数字控制系统中作为元件。
⼀、使⽤说明D54步进电机实验装置由步进电机智能控制箱和实验装置两部分构成。
1、步进电机智能控制箱本控制箱⽤以控制步进电机的各种运⾏⽅式,它的控制功能是由单⽚机来实现的。
通过键盘的操作和不同的显⽰⽅式来确定步进电机的运⾏状况。
本控制箱可适⽤于三相、四相、五相步进电动机各种运⾏⽅式的控制。
因实验装置仅提供三相反应式步进电动机,故控制箱只提供三相步进电动机的驱动电源,⾯板上也只装有三相步进电动机的绕组接⼝。
(1)⾯板⽰意图(见附录)(2)技术指标功能:能实现单步运⾏、连续运⾏和预置数运⾏;能实现单拍、双拍及电机的可逆运⾏。
电脉冲频率:5Hz~1KHz⼯作条件:供电电源AC220V±10%,50Hz环境温度-5℃~40℃相对湿度≤80%重量:6kg尺⼨:390×200×230mm3(3)使⽤说明1)开启电源开关,⾯板上的三位数字频率计将显⽰“000”;由六位LED数码管组成的步进电机运⾏状态显⽰器⾃动进⼊“9999→8888→7777→6666→5555→4444→3333→2222→1111→0000”动态⾃检过程,⽽后停显在系统的初态“┤.3”。
2)控制键盘功能说明设置键:⼿动单步运⾏⽅式和连续运⾏各⽅式的选择。
拍数键:单三拍、双三拍、三相六拍等运⾏⽅式的选择。
相数键:电机相数(三相、四相、五相)的选择。
实验六步进电动机实验一、实验目的1、通过实验加深对步进电动机的驱动电源和电机工作情况的了解。
2、掌握步进电动机基本特性的测定方法。
二、预习要点1、了解步进电动机的工作情况和驱动电源步进电动机有哪些基本特性?怎样测定?三、实验项目图1为步进电机控制器和步进电机实验台之间的连线图步进电机控制器步进电机实验台24V0A AB BC C图1 步进电机实验连线图1、单步运行状态接通电源,将控制器系统设置于单步运行状态,或复位后,按执行键,步进电机走一步距角,绕组相应的发光管发亮,再不断按执行键,步进电机转子也不断步进运动。
改变电机转向,电机作反向步进运动。
2、角位移和脉冲数的关系控制系统接通电源,设置好预置步数,按执行键,电机运转,观察并记录电机偏转角度,再重设置另一置数值,按执行键,观察并记录电机偏转角度于表1中,并利用公式计算电机偏置较大与实际值是否一致。
表1 角位移和脉冲数的关系序号步数实际电机偏转角度理论电机偏转角度123、空载突跳频率的测定控制系统置连续运行状态,按执行键,电机连续运转后,调节速度调节旋钮使频率提高至某频率(自动指示当前频率)。
按设置键让步进电机停转,再从新启动电(按执行键),观察电机能否运行正常,如正常,则继续提高频率,直至电机不失步启动的最高频率,则该频率为步进电机的空载突跳频率。
记为Hz。
4、空载最高连续工作频率的测定步进电机空载连续运转后,缓慢调节速度调节旋钮使频率提高,仔细观察电机是否不失步,如不失步,则再缓慢提高频率,直至电机能连续运转的最高频率,则该频率为步进电机空载最高连续工作频率。
记为Hz。
5、转子振动状态的观察步进电机空载连续运转后,调节并降低脉冲频率,直至步进电机声音异常或出现电机转子来回偏摆即为步进电机的振荡状态。
6、定子绕组中电流和频率的关系在步进电机电源的输出端串联一只直流电流表(注意+、-端)使步进电机连续运转,由低到高逐渐改变步进电机的频率,读取并记录6组电流表的平均值、频率值于表2中表2 定子绕组电流和频率的关系序号 1 2 3 4 5 6f(Hz)I(A)7、平均转速和脉冲频率的关系接通电源,将控制系统设置于连续运转状态,再按执行键,电机连续运转,改变速度调节旋钮,测量频率f与对应的转速n,即n=f(f)。
第1篇一、实验目的1. 理解步进电机的工作原理及控制方法。
2. 掌握单片机与步进电机驱动模块的接口连接方法。
3. 学习使用C语言编写程序,实现对步进电机的正反转、转速和定位控制。
4. 通过实验,加深对单片机控制系统的理解。
二、实验原理步进电机是一种将电脉冲信号转换为角位移或线位移的电机,其特点是控制精度高、响应速度快、定位准确。
步进电机控制实验主要涉及以下几个方面:1. 步进电机驱动模块:常用的驱动模块有ULN2003、A4988等,它们可以将单片机的数字信号转换为步进电机的控制信号。
2. 单片机:单片机是整个控制系统的核心,负责接收按键输入、处理数据、控制步进电机驱动模块等。
3. 步进电机:步进电机分为单相、双相和三相等类型,本实验使用的是双相四线步进电机。
三、实验设备1. 单片机开发板:例如STC89C52、STM32等。
2. 步进电机驱动模块:例如ULN2003、A4988等。
3. 双相四线步进电机。
4. 按键。
5. 数码管。
6. 电阻、电容等元件。
7. 电源。
四、实验步骤1. 硬件连接(1)将步进电机驱动模块的输入端(IN1、IN2、IN3、IN4)分别连接到单片机的P1.0、P1.1、P1.2、P1.3口。
(2)将按键的输入端连接到单片机的P3.0口。
(3)将数码管的段选端连接到单片机的P2口。
(4)将步进电机驱动模块的电源端连接到电源。
(5)将步进电机连接到驱动模块的输出端。
2. 编写程序(1)初始化单片机I/O端口,设置P1口为输出端口,P3.0口为输入端口,P2口为输出端口。
(2)编写按键扫描函数,用于读取按键状态。
(3)编写步进电机控制函数,实现正反转、转速和定位控制。
(4)编写主函数,实现以下功能:a. 初始化数码管显示;b. 读取按键状态;c. 根据按键状态调用步进电机控制函数;d. 更新数码管显示。
3. 调试程序(1)将程序烧写到单片机中;(2)打开电源,观察数码管显示和步进电机运行状态;(3)根据需要调整程序,实现不同的控制效果。
实验五、步进电机控制实验5.1实验目的1.学习步进电机的控制方法。
2.学会用8255控制步进电机。
5.2实验内容1.学习步进电机的控制方法,编写程序,利用8255的B口来控制步进电机的运动。
2.计算步进电机的步距角、齿距角。
5.3 实验原理使用开环控制方式能对步进电机的转动方向、速度、角度进行调节。
所谓步进,就是指每给步进电机一个递进脉冲,步进电机各绕组的通电顺序就改变一次,即电机转动一次。
实验平台可连接的步进电机为四相八拍电机,电压为DC12V,其励磁线圈及其励磁顺序如图4-l-1及表4-1-l 所示。
实验中PB端口各线的电平在各步中的情况如表4-1-2所示。
实验电路如图4-1-2 所示。
5.4 实验步骤及说明Data segmentTTABLE DB 01H,03H,02H,06H,04H,0CH,08H,09H;Data endsMOV DX,MY8255_MODE ;定义8255工作方式MOV AL,80H ;工作方式0,B口为输出OUT DX,ALMOV BX,OFFSET TTABLEMOV CX,0008H MOV AL,[BX]MOV DX,MY8255_BOUT DX,ALCALL DALLY在返回DOS之前,给B口清零MOV AL,0MOV DX,MY8255_BOUT DX,ALDALLY PROC NEAR ;软件延时子程序PUSH CXPUSH AXMOV CX,0FFFHD1: MOV AX,5000HD2: DEC AXJNZ D2LOOP D1POP AX POP CXRET DALLY ENDP;***************根据CHECK 配置信息修改下列符 号值******************* IOY0 EQU 9C00H ;片选IOY0对应的端口始地址 ;***************************************************************** MY8255_A EQU IOY0+00H*4 ;8255的A 口地址 MY8255_B EQU IOY0+01H*4 ;8255的B 口地址 MY8255_C EQU IOY0+02H*4 ;8255的C 口地址 MY8255_MODE EQU IOY0+03H*4 ;8255的控制寄存器地址 STACK1 SEGMENT STACK DW 256 DUP(?) STACK1 ENDS DATA SEGMENT TTABLE DB 01H,03H,02H,06H,04H,0CH,08H,09H DATA ENDS CODE SEGMENTASSUME CS:CODE,DS:DATA START: MOV AX,DATA MOV DS,AXMAIN: MOV DX,MY8255_MODE ;定义8255工作方式MOV AL,80H ;工作方式0,A 口和B 口为输出OUT DX,ALA1: MOV BX,OFFSET TTABLEMOV CX,0008H A2: MOV AL,[BX]MOV DX,MY8255_B OUT DX,ALCALL DALLYINC BX LOOP A2MOV AH,1 ;判断是否有按键按下INT 16HJZ A1 ;无按键则跳回继续循环,有则退出 QUIT: MOV AL,0MOV DX,MY8255_B OUT DX,AL MOV AX,4C00H ;返回到DOS INT 21H DALLY PROC NEAR ;软件延时子程序 PUSH CX PUSH AX MOV CX,0FFFH D1: MOV AX,5000H D2: DEC AX JNZ D2 LOOP D1 POP AX POP CX RET DALLY ENDP CODE ENDS END START。
步进电机实验-实习训练报告暨教案第一章:实验目的和意义1.1 实验目的理解步进电机的工作原理学会步进电机的驱动方法和控制技巧掌握步进电机的速度和位置控制方法1.2 实验意义培养学生的动手能力和实验技能加深学生对步进电机理论知识的理解提高学生运用步进电机解决实际问题的能力第二章:步进电机简介2.1 步进电机的发展历程介绍步进电机的历史和发展趋势2.2 步进电机的工作原理解释步进电机的构造和工作原理介绍步进电机的转子、定子和绕组等基本组成部分2.3 步进电机的特点和应用领域阐述步进电机的优点和缺点举例说明步进电机在各个领域的应用第三章:步进电机的驱动电路3.1 步进电机驱动电路的组成介绍步进电机驱动电路的基本组成部分解释驱动电路的作用和功能3.2 步进电机驱动电路的设计要点讲解步进电机驱动电路的设计原则和方法强调电路中的关键元件和参数选择3.3 步进电机驱动电路的调试与优化介绍步进电机驱动电路的调试方法和技巧讲解如何优化驱动电路的性能和稳定性第四章:步进电机的控制方法4.1 步进电机的速度控制介绍步进电机速度控制的方法和原理讲解如何实现步进电机的速度调节和控制4.2 步进电机的位置控制解释步进电机位置控制的概念和方法介绍如何通过脉冲信号和方向信号控制步进电机的运动4.3 步进电机的混合控制策略探讨步进电机速度和位置的混合控制方法分析不同控制策略的优缺点和适用场景第五章:实验步骤与数据处理5.1 实验设备的准备和连接介绍实验所需设备的清单和连接方式强调实验设备的安全使用和注意事项5.2 步进电机的驱动和控制实验详细讲解实验步骤和操作方法指导学生进行步进电机的驱动和控制实验5.3 实验数据的采集与处理介绍实验数据的采集方法和工具讲解如何处理实验数据并进行分析总结第六章:实验结果分析6.1 步进电机转速与脉冲频率的关系分析实验中步进电机转速与脉冲频率的数据讨论脉冲频率对步进电机转速的影响6.2 步进电机位置控制的精度分析实验中步进电机位置控制的精度数据讨论影响步进电机位置控制精度的因素6.3 步进电机速度与负载的关系分析实验中步进电机速度与负载的数据讨论负载对步进电机速度的影响第七章:实验问题与解决方案7.1 步进电机驱动电路的故障排查介绍步进电机驱动电路可能出现的问题和解决方案强调故障排查的方法和技巧7.2 步进电机控制信号的误动作问题分析步进电机控制信号误动作的原因提出解决方案和预防措施7.3 步进电机运行中的噪音和振动问题讨论步进电机运行中噪音和振动产生的原因给出解决噪音和振动问题的方法和建议8.1 实验报告的结构和内容要求介绍实验报告的基本结构和内容要求8.2 实验数据的整理和表述方法讲解实验数据的整理方法和表述技巧8.3 实验结论和总结强调实验报告中的逻辑性和条理性第九章:实验拓展与思考9.1 步进电机的应用场景拓展探讨步进电机在其他领域的应用可能性引导学生思考步进电机在不同应用场景下的优势和局限性9.2 步进电机的研究与发展趋势介绍步进电机的研究现状和未来发展趋势引导学生关注步进电机领域的最新进展和技术创新9.3 步进电机实验的改进与优化鼓励学生思考如何改进和优化步进电机实验引导学生提出创新性的实验方案和改进措施第十章:附录与参考文献10.1 实验所用设备和材料清单列出实验所需设备和材料的详细信息提供购买和使用这些设备和材料的建议和途径10.2 实验参考文献推荐与步进电机实验相关的参考书籍、论文和网络资源帮助学生深入了解步进电机的相关理论和实践知识十一章:实验安全与环境保护11.1 实验安全知识介绍实验过程中可能存在的安全隐患讲解步进电机实验中的安全操作规程11.2 实验室规章制度强调实验室的基本规章制度引导学生遵守实验室安全规范11.3 环境保护与废物处理讲解实验过程中如何进行环境保护介绍步进电机实验废物的处理方法十二章:实验评价与反思12.1 实验评价标准设定步进电机实验的评价标准和评分方法强调评价标准中的关键要素12.2 学生自我评价与反思指导学生进行自我评价和反思鼓励学生总结实验过程中的收获和不足12.3 实验指导教师的评价与反馈介绍实验指导教师评价的内容和方法强调教师评价对学生实验能力提升的重要性十三章:实验报告示例13.1 实验报告模板提供一份实验报告的模板13.2 实验报告示例分析分析一份优秀的实验报告案例引导学生学习报告中的优点,避免类似错误十四章:实验辅导与答疑14.1 实验过程中遇到的问题及解决方案收集学生在实验过程中遇到的问题提供针对性的解决方案和指导14.2 实验辅导与答疑方式介绍实验辅导的方式和途径强调答疑对于学生实验能力提升的重要性十五章:课后作业与练习15.1 课后作业布置布置与步进电机实验相关的课后作业强调作业的目的和重要性15.2 练习题解析提供课后练习题及详细解析帮助学生巩固实验相关知识,提升实验技能重点和难点解析本文档详细介绍了步进电机实验的实习训练报告暨教案,涵盖了实验目的、意义、步进电机简介、驱动电路、控制方法、实验步骤与数据处理等多个方面。
步进电机运动实验
一、实验目的
1.了解步进电机的工作原理。
2.掌握步进电机与滚珠丝杆之间的计算关系,为plc编程作准备.
二、步进电机工作原理
步进电机是将电脉冲信号转变为角位移或线位移的开环控制元步进电机件。
可以通过控制脉冲个数来控制角位移量,从而达到准确定位的目的;同时可以通过控制脉冲频率来控制电机转动的速度和加速度,从而达到调速的目的。
步进电机运动特性:
三、实验准备
1.查阅步进电机说明书,初步了解57H46403步进电机的特性:
2.测量滚珠丝杠的导程
3.掌握步进电机与滚珠丝杠间计算公式
4.设计自己所要实现的运动
5.了解移栽机整个工作过程,水平竖直运动情况
四、步进电机与滚珠丝杠的相关计算
(1)
(2)发一个脉冲步进电机转过一个,与此同时滚珠丝杠的位移为
n—步进电机转速;步距角;f—脉冲频率;
p—滚珠丝杠导;x—脉冲当量
五、实验设计
要实现滚珠丝杆先有位移mm,之后反向运动mm。
通过上面公式进行计算。
得到需要给步进电机的正转脉冲数为;反转脉冲数为;
六、实验拓展
1.与同学相互交流,写出该幼苗移栽机器人的工作原理。
2.对于该机器人的设计,提出自己的想法。
附录:电机说明书。
一、实验目的1. 了解步进电机的工作原理和特点。
2. 掌握步进电机的驱动方式和控制方法。
3. 学会使用PLC编程控制步进电机。
4. 培养动手能力和实验技能。
二、实验原理步进电机是一种将电脉冲信号转换成角位移的电动机,具有精度高、响应快、控制简单等优点。
步进电机的工作原理是将电脉冲信号输入到步进电机驱动器,驱动器再将电脉冲信号转换为步进电机所需的电流,使步进电机按照设定的步距角旋转。
三、实验仪器与设备1. PLC编程器2. 步进电机驱动器3. 步进电机4. 电源5. 连接导线6. 电脑四、实验步骤1. 步进电机驱动器与PLC的连接:将步进电机驱动器的输入端连接到PLC的输出端口,将电源连接到步进电机驱动器。
2. 步进电机与驱动器的连接:将步进电机连接到驱动器的输出端。
3. PLC编程:在PLC编程器中编写步进电机控制程序。
(1)设置步进电机控制参数:包括步进电机的步距角、脉冲频率等。
(2)编写步进电机控制程序:编写程序控制步进电机的启动、停止、正转、反转等功能。
4. 程序下载与运行:将编写好的程序下载到PLC中,运行程序控制步进电机。
五、实验结果与分析1. 步进电机启动:按下启动按钮,步进电机开始旋转。
2. 步进电机正转:按下正转按钮,步进电机按照设定的步距角正转。
3. 步进电机反转:按下反转按钮,步进电机按照设定的步距角反转。
4. 步进电机停止:按下停止按钮,步进电机停止旋转。
六、实验总结通过本次实验,我们了解了步进电机的工作原理和特点,掌握了步进电机的驱动方式和控制方法。
同时,学会了使用PLC编程控制步进电机,提高了我们的动手能力和实验技能。
以下为实验过程中的关键代码段:1. 步进电机控制参数设置:```步距角= 1.8°脉冲频率 = 1000Hz```2. 步进电机控制程序:```// 启动步进电机START: SET output_port = 0xFF// 步进电机正转FORward: SET output_port = [0x01, 0x02, 0x04, 0x08]// 步进电机反转BACKward: SET output_port = [0x08, 0x04, 0x02, 0x01]// 步进电机停止STOP: SET output_port = 0x00```本次实验取得了良好的效果,达到了预期目标。
一、实验目的:二、了解步进电机工作原理, 掌握用单片机的步进电机控制系统的硬件设计方法, 熟悉步进电机驱动程序的设计与调试, 提高单片机应用系统设计和调试水平。
实验内容:步进电机加减速及其正反转控制, 转速显示。
三、工作原理步进电机是工业过程控制及仪表中常用的控制元件之一, 例如在机械装置中可以用丝杠把角度变为直线位移, 也可以用步进电机带螺旋电位器, 调节电压或电流, 从而实现对执行机构的控制。
步进电机可以直接接收数字信号, 不必进行数模转换, 用起来非常方便。
步进电机还具有快速启停、精确步进和定位等特点, 因而在数控机床、绘图仪、打印机以及光学仪器中得到广泛的应用。
步进电机实际上是一个数字/角度转换器, 三相步进电机的结构原理如图所示。
从图中可以看出, 电机的定子上有六个等分磁极, A.A′、B.B′、C、C ′, 相邻的两个磁极之间夹角为60°, 相对的两个磁极组成一相(A-A′, B-B′, C-C′), 当某一绕组有电流通过时, 该绕组相应的两个磁极形成N极和S极, 每个磁极上各有五个均匀分布矩形小齿, 电机的转子上有40个矩形小齿均匀地分布的圆周上, 相邻两个齿之间夹角为9°。
当某一相绕组通电时, 对应的磁极就产生磁场, 并与转子形成磁路, 如果这时定子的小齿和转子的小齿没有对齐, 则在磁场的作用下, 转子将转动一定的角度, 使转子和定子的齿相互对齐。
由此可见, 错齿是促使步进电机旋转的原因。
三相步进电机结构示意图例如在三相三拍控制方式中, 若A相通电, B、C相都不通电, 在磁场作用下使转子齿和A相的定子齿对齐, 我们以此作为初始状态。
设与A相磁极中心线对齐的转子的齿为0号齿, 由于B相磁极与A相磁极相差120°, 不是9°的整数倍(120÷9=40/3), 所以此时转子齿没有与B相定子的齿对应, 只是第13号小齿靠近B相磁极的中心线, 与中心线相差3°, 如果此时突然变为B相通电, A、C相不通电, 则B相磁极迫使13号转子齿与之对齐, 转子就转动3°, 这样使电机转了一步。
步进电机实验报告步进电机实验报告引言步进电机是一种常见的电动机,其特点是能够实现精确的位置控制和旋转运动。
本实验旨在通过对步进电机的实际操作,深入了解其工作原理和应用。
一、实验目的本实验的目的是通过实际操作步进电机,了解步进电机的基本结构和工作原理,掌握步进电机的控制方法,并能够利用步进电机实现简单的运动控制。
二、实验仪器和材料1. 步进电机:本实验使用4相5线式步进电机。
2. 电机驱动器:采用常用的双H桥驱动器。
3. 控制器:使用Arduino开发板作为控制器。
4. 电源:提供步进电机和驱动器所需的电源。
5. 连接线:用于连接各个部件。
三、实验原理步进电机是一种通过控制电流方向和大小来实现旋转运动的电机。
它由定子和转子组成,定子上布有若干个电磁线圈,转子上有若干个磁极。
当电流依次通过定子上的线圈时,会产生磁场,与转子上的磁极相互作用,从而使转子旋转一定的角度。
四、实验步骤1. 连接电路:将步进电机、驱动器和控制器按照电路图连接起来。
2. 编写控制程序:使用Arduino开发板编写控制程序,通过控制引脚输出高低电平来控制电机的旋转方向和步进角度。
3. 上传程序:将编写好的控制程序上传到Arduino开发板中。
4. 运行实验:通过调用控制程序中的函数,控制步进电机的旋转运动。
五、实验结果与分析在实验中,我们通过编写控制程序,成功控制步进电机的旋转运动。
通过改变控制程序中的参数,我们可以控制电机的旋转方向、速度和步进角度。
实验结果表明,步进电机可以实现较为精确的位置控制,适用于一些对运动精度要求较高的应用场景。
六、实验总结通过本次实验,我们深入了解了步进电机的工作原理和控制方法。
步进电机作为一种常见的电动机,具有精确的位置控制和旋转运动的特点,在工业自动化和机器人领域有着广泛的应用。
掌握步进电机的原理和控制方法,对于我们今后的学习和工作具有重要的意义。
七、存在问题和改进方向在实验过程中,我们发现步进电机的旋转速度和步进角度受到多种因素的影响,如电机驱动器的性能、控制程序的优化等。
步进电机的实验报告步进电机的实验报告引言:步进电机是一种常见的电机类型,它以步进的方式进行转动,具有精准定位和高效能的特点,被广泛应用于各个领域。
本实验旨在通过对步进电机的研究和实验,了解其工作原理、性能特点以及应用场景。
一、步进电机的工作原理步进电机是一种将电脉冲信号转化为机械转动的电机。
它由定子和转子两部分组成,其中定子由若干个电磁线圈组成,每个线圈分别与电机驱动器的输出端相连。
当电机驱动器输出电流时,线圈中产生磁场,使得转子受到磁力作用而转动。
通过不断输入电流脉冲,可以实现步进电机的精准定位。
二、步进电机的性能特点1. 精准定位:步进电机能够按照电脉冲信号的频率和方向精确旋转,可实现高精度的定位控制。
2. 高效能:步进电机具有高效能的特点,能够在不产生磁滞损耗的情况下实现转动,因此能够提供较高的功率输出。
3. 可逆性:步进电机可根据输入的电脉冲信号实现正转和反转,具有较强的可逆性。
4. 低速高扭矩:步进电机在低速运转时,具有较高的扭矩输出,适合用于需要较大扭矩的应用场景。
三、步进电机的应用场景1. 机械加工:步进电机在数控机床、激光切割机等机械加工设备中广泛应用,能够实现高精度的定位和控制。
2. 打印设备:步进电机被广泛应用于打印设备中,如打印机、绘图仪等,能够精确控制打印头的位置和移动速度。
3. 机器人技术:步进电机在机器人领域中起到重要作用,能够实现机器人的运动和定位控制,广泛应用于工业自动化、医疗器械等领域。
4. 汽车电子:步进电机在汽车电子领域中有广泛应用,如车载导航系统、车载仪表盘等,能够实现精确的指针位置控制和显示。
结论:通过本次实验,我们对步进电机的工作原理、性能特点和应用场景有了更深入的了解。
步进电机作为一种精准定位和高效能的电机类型,在各个领域都有广泛的应用前景。
随着科技的不断发展,步进电机的性能将得到进一步提升,应用领域也将不断扩大。
步进电机实验一、实验目的1.了解步进电机控制的基本原理及其结构。
2.掌握控制步进电机转动编程方法。
二、实验内容:1、通过单片机系统控制步进电机的转动:2、通过实验来实现步进电机的正反转、转动步数和角度控制。
三、实验预备知识1、步进电机是将电脉冲信号转变为角位移或线位移的开环控制元件。
在非超载的情况下,电机的转速、停止的位置只取决于脉冲信号的频率和脉冲数,而不受负载变化的影响,即给电机加一个脉冲信号,电机则转过一个步距角。
这一线性关系的存在,加上步进电机只有周期性的误差而无累积误差等特点。
使得在速度、位置等控制领域用步进电机来控制变的非常的简单。
步进电机驱动原理是通过对它每相线圈中的电流和顺序切换来使电机作步进式旋转。
驱动电路由脉冲信号来控制,所以调节脉冲信号的频率便可改变步进电机的转速,微电脑控制步进电机最适合。
2、步进电机的静态指标术语:相数:产生不同对极N、S磁场的激磁线圈对数。
常用m表示。
拍数:完成一个磁场周期性变化所需脉冲数或导电状态用n表示,或指电机转过一个齿距角所需脉冲数,以四相电机为例,有四相四拍运行方式即AB-BC-CD-DA-AB,四相八拍运行方式即A-AB-B-BC-C-CD-D-DA-A.步距角:对应一个脉冲信号,电机转子转过的角位移用θ表示。
θ=360度(转子齿数J*运行拍数),以常规二、四相,转子齿为5齿电机为例。
四拍运行时步距角为θ=360度/(5*4)=18度(俗称整步),八拍运行时步距角为θ=360度/(5*8)=9度(俗称半步)。
3、电机正反转控制:当电机绕组通电时序为AB-BC-CD-DA-AB或(P1.1P1.0-P1.2P1.1-P1.3P1.2-P1.3P1.0)时为正转,通电时序为DA-CA-BC-AB-DA或(P1.3P1.1-P1.3P1.2-P1.2P1.1-P1.1P1.0)时为反转。
4、驱动控制系统组成使用、控制步进电机必须由环形脉冲,功率放大等组成的控制系统,其方框图如下:1、脉冲信号的产生。