钻孔管理牌板
- 格式:xls
- 大小:10.50 KB
- 文档页数:9
初中七年级地理上册期末考试题(及答案)(时间:60分钟分数:100分)班级:姓名:分数:一、选择题(共25个小题,每题2分,共50分)1、下列大洲中,被赤道、北回归线、南回归线同时穿过的大洲是()A.非洲B.亚洲C.北美洲D.南美洲2、在沙特阿拉伯,男子的传统打扮是穿长袍、戴头巾。
长袍多为白色,十分宽大。
这些习俗与下列哪一因素有关()A.美观休闲能保暖B.地形崎岖宜行走C.炎热干燥多风沙D.狩猎探险真方便3、既有“热带大陆”和“高原大陆”的称号,又有“富饶大陆”美誉的大洲是()A.北美洲B.亚洲C.非洲D.南美洲4、小明从赤道出发,先向正北,再向正西、正南、正东各走200千米,最后到达的地点位于A.起点 B.起点的正西 C.起点的正东D.不能确定5、乳品加工厂选址时,一般选靠近奶牛养殖场,主要是考虑靠近()A.原料产地B.能源基地C.水源地D.市场6、下列关于地球形状和大小的叙述正确的是()A.地球的形状是规则的正圆球体B.地球表面积为5.1亿平方千米C.地球赤道周长约8万千米D.地球的形状是两极略鼓、赤道稍扁的球体7、亚洲地势的特点是()A.西部高、东部低B.东部高、西部低C.中部高、四周低D.中部低、四周高8、苏联宇航员加加林说:地球看上去更像个水球,这是因为()A.海洋是蓝的B.天是蓝的C.海洋占陆地面积的90% D.地球表面71%是海洋9、撒哈拉以南的非洲存在着严重的人口、粮食与环境方面的问题。
下列措施中对解决上述三种问题都能起到显著作用的是()A.保护森林和草场,严禁乱伐和滥牧 B.控制人口增长,提高人口素质C.发展农业科技,提高粮食产量 D.大量垦荒,增加耕地面积10、下列对澳大利亚的说法,不正确的是()A.是属于南半球的国家B.是一个人口稠密的国家C.是世界活化石博物馆D.是一个坐在矿车上的国家11、解决水资源空间分布不均的有效措施是()A.跨流域调水B.防治水污染C.兴修水库D.节约用水12、世界“雨极”乞拉朋齐,位于下列哪个国家()A.智利 B.英国 C.印度 D.澳大利亚13、下面四幅图中, 地球自转方向正确的是()A.B.C.D.14、台湾是我国的神圣领土,是祖国不可分割的部分。
康城煤矿井下色彩与牌板管理规定色彩管理是我矿安全质量标准化和安全监管精细化的一项重要内容,合理的使用色彩,能使企业的生产现场安全管理更加直观,更能表达一个企业良好的现场安全管理水平;良好的色彩运用,对职工调节工作心情,改善劳动条件,防止过失,美化工作环境、提高生产效率有着良好的促进作用。
为进一步规X色彩运用,做到规X化、标准化,促进我矿安全质量标准化再上新台阶,特制定以下规定。
一、色彩管理1、井下主要运输大巷、付井、2-2坡与各机电硐室以腰线为界,腰线以下刷绿色墙裙,上部喷白,腰线为红色,腰线高度为1040mm 〔腰线下沿〕,腰线宽60mm。
具体规定如下:①副井与2-2坡坡头、坡底20米X围内,腰线以上刷白,腰线以下刷绿色墙裙,坡中段全部刷白。
②二水平大巷、三水平大巷与各机电硐室腰线以上刷白,腰线以下刷绿色墙裙。
2、井下各种管路分类刷漆编号管理①清水管路刷绿色,两端距接头300mm处刷白色,在接头右侧白色区域内喷“QS+编号〞字样,字号150号,黑体。
②压风管路刷黄色,两端距接头300mm处刷白色,在接头右侧白色区域内喷“YF+编号〞字样,字号150号,黑体。
③排水管路刷黑色,两端距接头300mm处刷白色,在接头右侧白色区域内喷“PS+编号〞字样,字号150号,黑体。
④综采工作面乳化液进液管路刷蓝色,两端距接头300mm处刷白色,在接头右侧白色区域内喷“JY+编号〞字样,字号150号,黑体。
⑤综采工作面乳化液回液管路刷灰色,两端距接头300mm处刷白色,在接头右侧白色区域内喷“HY+编号〞字样,字号150号,黑体。
3、运输设施刷漆管理规定①井下电机车、斜井与大巷人车外皮刷黄色,马可尼与人车内刷白色。
②各种道岔手扳闸中砣刷红色,手把刷黑色。
③吊挡、地档刷红白相间漆,间距150mm。
4、各种机电设备刷漆管理规定①井下各种开关统一刷黄色。
②电机统一刷绿色。
③减速器统一刷天蓝色。
④皮带输送机支架刷天蓝色。
探放水作业现场图、牌板管理制度第一章总则第一条为加强探放水作业现场管理,预防和控制水害事故,确保矿井安全生产,根据《矿山安全规程》、《煤矿安全规定》等相关法律法规,制定本制度。
第二条本制度适用于矿井探放水作业现场的管理工作,包括探放水设计、施工、监控等各个环节。
第三条探放水作业现场管理应遵循科学、严谨、安全、高效的原则,确保探放水作业的安全和有效性。
第二章探放水作业现场图管理第四条探放水作业现场图应包括矿井水文地质条件、掘进工作面布置、探放水钻孔布置、水文地质观测点等内容。
第五条探放水作业现场图的编制应由地测部门负责,根据矿井实际水文地质条件及时更新,并发放至相关作业单位。
第六条探放水作业现场图应悬挂在作业现场醒目位置,作业人员应熟悉图中所示内容,确保作业过程中遵循图中所示要求。
第七条探放水作业现场图应保持整洁、清晰,如有损坏或模糊不清,应及时更换。
第三章牌板管理制度第八条矿井应设立探放水牌板,内容包括探放水设计、施工、监控等各个环节的管理规定和要求。
第九条牌板应悬挂在矿井入口、作业现场等醒目位置,便于作业人员查阅和遵守。
第十条牌板内容应根据相关法律法规和矿井实际情况及时更新,确保信息的准确性和时效性。
第十一条牌板应保持整洁、完好,如有损坏或脱落,应及时修复或更换。
第四章探放水作业管理第十二条探放水作业应严格按照探放水设计进行,作业前应进行安全和技术交底,确保作业人员了解作业要求和流程。
第十三条探放水作业过程中,应做好钻孔记录、水文地质观测等各项工作,及时掌握作业情况。
第十四条作业过程中发现异常情况,应立即停止作业,报告地面相关部门,并根据实际情况采取相应措施。
第十五条探放水作业结束后,应做好工作总结,对作业过程中出现的问题进行分析和改进。
第五章监督检查第十六条矿井应加强对探放水作业现场图和牌板的监督检查,确保管理制度得到有效执行。
第十七条矿井安全监察部门应定期对探放水作业现场图和牌板进行检查,发现问题及时整改。
山西介休煤业有限公司矿井下牌板悬挂标准(试行)一、牌板悬挂原则牌板悬挂原则上要结合井下巷道断面尺寸及现场实际情况,然后确定牌板悬挂具体位臵,确保牌板上沿或下沿在一条水平线上,美观实用,不影响其他工作,并要抬头就见、便于观看。
二、井下大巷牌板悬挂标准井下运输大巷顶部悬挂的宣传标语在不影响通风的情况下,要采用两根小细铁链将牌板悬挂在巷道中间,牌板高度要保持在2.0m以上,悬挂要牢固,不得出现摇摆晃动现象;警示宣传图片等影响通风的较大牌板要采用膨胀螺丝或钢钉钉挂在巷道帮上,牌板大小不一致时下平面对齐,悬挂的牌板不得影响运输行人、设备运行等。
煤巷内牌板要悬挂行人侧,用两条平行钢丝绳拉直拉展后固定在帮部,再将牌板用铅丝做的“S”钩固定在钢丝上;岩巷内牌板原则上采用膨胀螺丝或钢钉钉挂在巷道帮上,上平面对齐。
对于需要经常移动的材料牌板用两条平行钢丝绳拉直拉展悬挂在上面。
水灾、火及瓦斯灾害避灾路线牌:主要在巷道交叉点处,固定在巷道内行人侧帮便于观看位置,指明避灾方向。
行人斜井、皮带、轨道下山等主要大巷内避灾路线牌板每100m悬挂一个,牌板内容要标明距副井口距离。
牌板下平面高度统一保持在距底板1--1.5m处,牌板上下边与巷道底板平行。
运输大巷牌板悬挂安装、日常管理由运输区和机运队负责。
井下路标指示牌板:固定在巷道的交叉口处的巷帮上,距巷道底板1.5m便于观看位臵,由作业队组负责安装、日常管理。
三、采掘工作面及上下两巷牌板悬挂标准采煤三图一表技术牌板悬挂在距工作面100m范围内,随着工作面的推进而移动。
牌板内容为:工作面简介、采煤机进刀方式(炮采面爆破图表)、工作面端头支护图、劳动组织图、循环作业图、经济技术指标图、避灾路线图等。
牌板下平面高度统一保持在距底板1m 处。
支架管理牌板:根据工作面支架数量为标准,每架一块编号牌板。
采用两条小链将编号牌固定在支架掩护梁上。
巷道通尺牌板:从巷道口开始,每50m设置一块通尺牌,根据巷道长度计算牌板数量,利用两条小链将牌板固定在巷道人行道的顶板上或巷帮上,同一条巷道内高度要一致,要便于观看,不得影响行人运输。
钻孔验收管理制度抽放钻孔管理办法抽放钻孔封孔管理办法为加强瓦斯抽放管理,提高封孔质量和抽放效果,特定制抽放钻孔封孔管理办法,防突队要认真执行。
1、所有本煤层抽放钻孔封孔材料全部采用玛丽散,封孔深度____米。
如遇特殊情况适当加长封孔深度。
封孔长度达不到要求,每孔罚____元。
2、封孔前,要掏净孔内的煤粉和渣石,否则,没有掏净就进行封孔造成钻孔漏气,对施工人员每孔进行处罚____元。
3、封前时,要控制好每孔的用药量和时间,使玛丽散充分膨胀,达到最好的封孔效果,聚氨酯距孔口不少于____米。
不能因封孔用药量大造成堵孔或因用药量少造成封孔不严。
4、钻孔封好后,要对封好的钻孔进行气密性检查,发现钻孔有漏气现象,必须重新进行封堵,直至达到要求为止。
5、安监科联合抽查封孔情况,每月二次,发现一个钻孔不符合要求,罚款____元。
6、每个钻场打钻结束后,需要立即封孔连接抽放,每推迟一天罚防突队____元{特殊情况无抽放管路地区由矿总工程师具体规定带孔抽放时间}。
钻孔连接时,____寸胶管用14#铅丝捆绑。
连钻场的放水器安设在最低点,防止管路积水。
7、加强封孔工作的干部现场跟班,安排不到位造成无人跟班,罚队长____元,干部跟班不到位一次罚干部____元。
8、对已有的抽放地区的钻孔重新进行简漏,对抽放浓度低、漏气严重的钻孔要采取措施重新封孔或及时拆除,提高已抽区的瓦斯抽放浓度。
煤矿钻孔验收管理制度为加强对超前探钻、抽放钻场钻孔的管理,适应矿业公司生产的需要,更好的为建井生产服务,从根本上杜绝水与瓦斯突出对矿井安全的威胁,做到防患于未然,保证矿井的长治久安,更好的顺利的开展探放工作,特作如下管理规定:1、遵守公司的各项规章制度及纪律要求。
如果违反相关制度,按相关制度要求处罚。
2、为了顺利的开展钻孔验收工作,将提如下要求:(1)成立钻孔验收小组:组长:副组长:成员:(2)验收程序:探放队探钻工作结束以后→防突队员汇报组长→汇报验收组长→____验收小组→验收。
施工钻孔处使用标识牌制度掘进巷道中的每组打钻地点都必须设“施工钻孔标识牌”,并从外至里进行排序编号,除靠近工作面最近的标识牌允许悬挂外,其余必须一律固定。
施工钻孔内设立标识物制度靠近掘进工作面的一组钻孔内必须设立标识物,巷道前方钻孔内用20米长的锚索标识,锚索前端采用圆角处理,后端与工作面持平,要求锚索随工作面推进能够进行前移,到锚索不能推进时,重新施工超前钻孔,工作面前端始终保证不少于20米的安全距离;帮孔、顶、底板孔内与施工钻孔同等深度的钢丝绳或钢角线等标识物,待前方的帮孔施工后标识物进行前移。
钻孔施工二级验收制度各煤矿企业要成立钻孔施工验收组,落实专人、驻矿员和分局包井人与煤矿带班领导负责钻孔施工验收工作。
打钻负责人将预计退钻时间提前通知带班领导及驻矿员,退钻杆前,煤矿带班领导、驻矿员和包井人同时进行验收,现场核对统计退杆数量及米数,按照煤矿超前钻施工验收单内容做好验收写实记录,并出具验收工票。
钻孔施工负责人、煤矿及县(市)区验收人三方在验收单上签字,实行“谁验收、谁签字、谁负责”,并承担法律责任。
验收工票和验收单装订成册,放在煤矿做到有案可查。
超前钻孔施工完工后,煤矿要派专人每天统计,核实掘进巷道的进度,并巷道进度填写到探放水钻孔写实记录中,达到允许掘进距离后,停止前进重新施工超前钻孔。
掘进工作面施工时,如出现透水征兆,必须立即停止井下作业,撤出井下所有人员,立即上报,研究确定水患可疑区域,按照《煤矿安全规程》和《煤矿防治水规定》探放水相关要求,排除水患,经确认无水害威胁后方可进入井下作业。
建立“逢掘必探”执行情况层级检查制度煤监分局要认真履行对煤矿水害防治工作的日常监管职责,要把辖区受水威胁严重矿井和资源整合矿井作为监管重点,采取特殊措施,科学监管,切实加大对辖区内的监督检查力度。
各级煤炭监管部门要将煤矿“逢掘必探”执行情况和管理与《煤矿安全层级管理考核评价办法》结合起来。
日常检查或跟踪检查时,要对煤矿“逢掘必探”建立标识牌、标识物用煤矿、县(市)区验收制度执行落实情况进行监督检查,并在现场检查笔录中进行描述清楚。
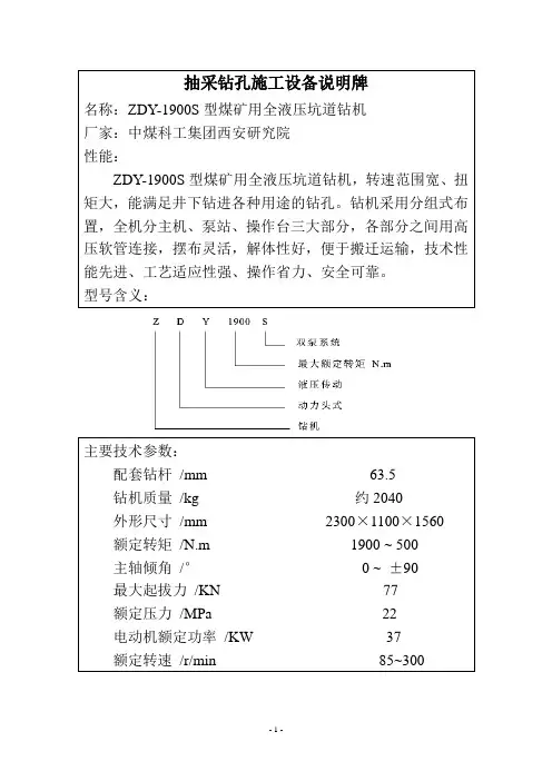
抽采钻孔施工设备说明牌
名称:ZDY-1900S型煤矿用全液压坑道钻机
厂家:中煤科工集团西安研究院
性能:
ZDY-1900S型煤矿用全液压坑道钻机,转速范围宽、扭矩大,能满足井下钻进各种用途的钻孔。
钻机采用分组式布置,全机分主机、泵站、操作台三大部分,各部分之间用高压软管连接,摆布灵活,解体性好,便于搬迁运输,技术性能先进、工艺适应性强、操作省力、安全可靠。
型号含义:
主要技术参数:
配套钻杆/mm 63.5
钻机质量/kg 约2040
外形尺寸/mm 2300×1100×1560
额定转矩/N.m 1900 ~ 500
主轴倾角/°0 ~ ±90
最大起拔力/KN 77
额定压力/MPa 22
电动机额定功率/KW 37
额定转速/r/min 85~300
- 1 -。
钻孔验收管理制度____年____月____高河能源公司抽采钻孔验收管理制度一、安全管理1、各施工队组必须建立健全安全管理制度及钻孔施工记录台帐,并且施工记录台帐及验收台帐能准确反应各钻机的钻孔施工情况。
2、各施工队组的钻机要进行编号管理,且建立各自的施工记录台帐备查。
3、各施工单位施工的瓦斯钻孔,必须做到孔孔验收,验收有原始记录,并定期做好钻孔施工验收竣工报告,及时报验。
4、在有胶带输送机巷道作业,要安置牢固可靠的行人过桥,保证人员通行。
二、抽采钻孔管理1、瓦斯抽采工程施工,必须严格按照设计、制定专项的规程措施并严格按照规程措施中规定的进行。
2、钻孔施工过程中,见岩后可继续钻进____m,若还不见煤则停止施工,并及时向抽采队和抽采部汇报,并做好记录。
3、边掘边抽钻孔、掘前预抽钻孔要实现施工一个并网一个。
本煤层预抽钻孔可在钻孔施工完毕后使用黄泥等物料暂时堵上(瓦斯异常区除外),待累积____个后及时通知抽采队安排厂家进行封孔、并网;钻孔封孔后不能及时并网的钻孔要采取措施进行包裹,防止瓦斯涌出。
4、钻孔施工必须将钻孔内煤(岩)粉冲洗干净。
5、必须采取可靠措施将打钻场地的积水必须及时排空、淤煤风干后及时清走,没有皮带或煤溜等运输设备时,必须将淤煤整齐堆放在巷帮,待淤煤风干后及时联络胶轮车清走。
6、钻孔施工过程中,钻机、钻杆等施工器具必须摆放、固定整齐,人员站位要符合要求。
7、打钻作业时,必须配备便携式瓦检仪吊挂在钻机位置下风侧____m处。
8、打钻作业时,磁力起动器须位于钻机上风侧____m外。
9、每个钻孔施工完毕后,要立即挂设钻孔说明牌进行挂牌管理,钻孔说明牌包括钻孔倾角、钻孔深度、钻孔方位角、负责人、成孔时间等。
10、钻孔验收,由公司抽采队派专人对钻孔进行验收,验收为现场数钻杆和现场抽查,钻孔进尺确认后,由抽采队钻孔验收人员签字确认,否则,钻孔不予认可,验收深度低于设计深度____%的钻孔不计进尺。
钻孔封孔及接抽管理制度模版为增加风巷穿层钻孔瓦斯抽放率,规范和改进穿层钻孔封孔工芝,提高封孔质量,提高抽放浓度和抽放量,特制定如下管理办法。
一、技术要求1、钻孔达到预定深度后,钻机空转____分钟,排净孔内岩、煤粉后方可封孔。
2、封孔乙烯管长度为____米,直径为50mm,筛管段长度为____米,封孔深度为____米。
3、直径为15mm,筛孔间距为500mm,封孔管末端用纱网进行包裹,防止岩、煤块进入堵塞管路。
4、防止筛孔和封孔管末端被煤粉堵塞影响透气性,封孔后,要用____寸胶管接入压风吹孔____分钟以上。
5、外口用水泥进行封堵,封堵长度在1m以上。
通防部____年____月第四篇:瓦斯抽采钻孔封孔测孔补充规定(1)瓦斯抽采钻孔封孔、测孔补充管理规定第一条为提高封孔、测孔质量,保证瓦斯抽采钻孔抽采效果,特下发本补充管理规定。
第二条生产科提供的岩巷卸压带为0.75m,但为提高穿层钻孔抽采效果,要求穿层钻孔封孔深度不得小于15m,若钻孔见煤点小于15m,则封孔至煤岩交界处。
未按照要求进行封孔作业的,对责任人罚款____元/次,对分管队长罚款____元/次。
第三条所有钻孔注浆结束后两天内必须进行实名制现场挂牌管理,钻孔现场牌板上的必须包含成孔日期、孔深、封孔时间、封孔负责人等信息;未按照要求钻孔现场挂牌管理的,对责任人、分管技术员和分管队长各罚款____元/处。
第四条责任区队必须完善钻孔施工台账封孔部分,台账内容包括钻孔成孔日期、孔深、见煤岩情况、封孔时间、封孔责任人、注浆量等信息。
未完善台账封孔部分的,对分管技术员罚款____元/次,台账数据不完善的,对分管技术员罚款____元/处。
第五条瓦斯抽采钻孔封孔方式只有两种,永久封孔方式为“两堵一注法”,临时封孔方式为使用抽注一体式封孔器封孔,未按照要求执行的,对责任人罚款____元/次。
第六条钻孔封孔出现异常(人为原因造成注浆管吸气、煤壁漏气、钻孔注浆堵塞引起的流量小等),对责任人按照不规范进行考核。
瓦斯抽放打钻工操作规程一、上岗条件1、钻工经过培训、考试合格,取得操作资格证书后,方可持证上岗。
2、钻工必须掌握各种钻机的操作要领和维护保养及排除故障的知识。
3、钻工应掌握瓦斯抽放钻孔的封孔和施工方式。
二、安全规定1、下井前根据工作安排,准备、检查、带足本班所需的工具、材料等2、装运钻机时应注意以下问题:1)装运钻机前要进行检查、钻机各部件要齐全,电机必须防爆,电压应与电源相符,电缆无漏电现象,钻杆、钻具等应无损坏现象。
2)钻机装车后,要捆绑牢固。
平巷运输时,两车之间要拉开一定距离,拐弯时要发出信号;斜巷运输时,听从上、下车场信号把钩工人员的指挥。
3)装运不允许进赃物的部件时,要封堵好。
3、安装钻机前的准备工作如下:1)进入安装地点前,应先检查巷道支护及通风等情况,发现问题及时处理。
整修、加固钻场时,应清理干净杂物,挖好清水池,疏通好水沟。
2)水压、机件、电源开关等均应良好,符合要求。
4、安装钻机时应注意以下问题:1)钻场面积必须大于钻机座,周围要有足够的安全间隙;在运输巷道安设钻机时,要保证不影响运输。
2)安装钻机地点应无浮煤,底板平整;钻机安装必须牢固可靠。
3)机身安放平稳后,应上紧底固螺丝,各机械转动部分要安装防护栏、保护罩。
三、操作准备1、钻机安装应牢固,变速箱及油箱的油位应合适,安全防护罩及防尘盖必须齐全。
2、各部分操作手把应处在正确位置。
3、调试钻机时,要求各转动部分运转应正常,开关启动应灵活可靠;钻机空载运行1分钟;确认无问题后,方可接上钻杆、钻头,接通水源,由司机开始操作。
四、正常操作(一)钻机操作1、油马达回转操作手把向前推,回转器正转;手把向后拉,回转器反转;中间位停止。
2、卡盘、夹持器的操作手把向前推,夹持器松开(卡盘卡紧);手把向后拉,卡盘松开(夹持器卡紧);手把在中间位置时,卡盘、夹持器均卡紧。
3、给进、起拔操作手把向前推,回转器前进,即给进;手把向后拉,回转器后退,即起拔;手把在中间位置时,回转器浮动,此时可装卸钻杆。
煤矿钻孔设计施工及验收管理规定一、钻孔设计(一)钻孔设计必须依据《煤矿安全规程》和集团公司有关规定编制,确保瓦斯抽采(排放)效果和防突措施效果。
(二)钻孔包括:防突钻孔、瓦斯抽采钻孔、地质孔、测压孔、防火注浆孔及井下其他瓦斯地质钻孔。
(三)钻孔设计根据钻孔类别由通风科、地测科、通风一队或抽采队编制,经总工程师批准后执行。
必须明确钻场编号、钻孔类别、设计孔数及每个钻孔的参数(孔径、开空位臵、方位角、倾角、孔深、终孔位臵),且必须附有钻孔施工的平面图、剖面图、断面图。
(四)钻孔施工过程中遇见地质异常,由总工程师确定是否改变钻孔数量和参数,钻孔变更设计报总工程师批准后施工单位必须严格执行。
二、钻孔施工(一)通风科根据矿生产计划和生产需要,及时制定各类“一通三防”钻孔的施工计划,安排施工任务,抽采队负责落实钻孔施工单位并监督钻孔施工质量。
(二)通风科负责防(消)突钻孔设计,通风一队负责防火注浆孔设计,抽采队负责瓦斯抽采钻孔设计。
设计时,必须根据抽采钻孔或其它钻孔实际考察结果,充分考虑抽采钻孔抽采(排放)半径、开孔间距、终孔间距、离煤层顶、底板的垂距、钻孔个数的合理性。
(三)钻孔施工单位必须指定专人负责,施工人员必须持证上岗。
钻孔施工单位对钻孔的施工质量、效果、安全负责。
(四)施工单位根据钻孔设计编制专门的《钻孔施工安全技术措施》,并由副总工程师组织有关单位人员进行会审。
施工单位技术人员必须贯彻措施并要有记录。
(五)钻孔施工地点必须由施工单位悬挂图牌板。
牌板分为钻孔设计参数牌板和钻孔施工记录牌板。
内容为钻孔类别、孔号、方位角、倾角、孔深,图板的内容为钻孔布臵的平面图、剖面图、断面图。
(五)施工单位施工时,钻孔倾角、方位角、孔深要符合设计参数要求。
孔位允许误差±50mm,倾角和方位角允许误差±1度。
无异常情况,钻孔深度必须施工到位。
(六)施工单位每小班必须配齐钻机及其配套钻具和皮尺、坡度规、线绳等量具,配齐人员。
左权盘城岭煤业有限公公司矿井下牌板悬挂标准(试行)一、牌板悬挂原则牌板悬挂原则上要结合井下巷道断面尺寸及现场实际情况,然后确定牌板悬挂具体位臵,确保牌板上沿或下沿在一条水平线上,美观实用,不影响其他工作,并要抬头就见、便于观看。
二、井下大巷牌板悬挂标准井下运输大巷顶部悬挂的宣传标语在不影响通风的情况下,要采用两根小细铁链将牌板悬挂在巷道中间,牌板高度要保持在2.0m以上,悬挂要牢固,不得出现摇摆晃动现象;警示宣传图片等影响通风的较大牌板要采用膨胀螺丝或钢钉钉挂在巷道帮上,牌板大小不一致时下平面对齐,悬挂的牌板不得影响运输行人、设备运行等。
煤巷内牌板要悬挂行人侧,用两条平行钢丝绳拉直拉展后固定在帮部,再将牌板用铅丝做的“S”钩固定在钢丝上;岩巷内牌板原则上采用膨胀螺丝或钢钉钉挂在巷道帮上,上平面对齐。
对于需要经常移动的材料牌板用两条平行钢丝绳拉直拉展悬挂在上面。
水灾、火及瓦斯灾害避灾路线牌:主要在巷道交叉点处,固定在巷道内行人侧帮便于观看位置,指明避灾方向。
行人斜井、皮带、轨道下山等主要大巷内避灾路线牌板每100m悬挂一个,牌板内容要标明距副井口距离。
牌板下平面高度统一保持在距底板1--1.5m处,牌板上下边与巷道底板平行。
运输大巷牌板悬挂安装、日常管理由运输区和机运队负责。
井下路标指示牌板:固定在巷道的交叉口处的巷帮上,距巷道底板1.5m便于观看位臵,由作业队组负责安装、日常管理。
三、采掘工作面及上下两巷牌板悬挂标准采煤三图一表技术牌板悬挂在距工作面100m范围内,随着工作面的推进而移动。
牌板内容为:工作面简介、采煤机进刀方式(炮采面爆破图表)、工作面端头支护图、劳动组织图、循环作业图、经济技术指标图、避灾路线图等。
牌板下平面高度统一保持在距底板1m 处。
支架管理牌板:根据工作面支架数量为标准,每架一块编号牌板。
采用两条小链将编号牌固定在支架掩护梁上。
巷道通尺牌板:从巷道口开始,每50m设置一块通尺牌,根据巷道长度计算牌板数量,利用两条小链将牌板固定在巷道人行道的顶板上或巷帮上,同一条巷道内高度要一致,要便于观看,不得影响行人运输。
钻孔验收管理制度西山煤电集团公司杜儿坪矿杜矿函…____‟____号杜儿坪矿瓦斯抽采钻孔验收管理办法为了进一步强化我矿钻孔施工验收管理,有效提升矿井瓦斯抽采率,满足瓦斯抽放的需求,同时达到瓦斯治理的效果,结合我矿当前瓦斯钻孔施工实际,特制定本办法。
一、验收领导小组组长:生产矿长总工程师副组长:通风副总安监副处长生产科科长地质科科长劳资科科长计划科科长企管科科长通风区长抽采区长成员。
通风区、抽采区、生产科、劳资科、企管科、计划科的分管验收人员。
验收小组办公室设在生产科,办公室主任由生产科科长兼任。
部门职责:1、生产科负责____验收人员进行抽查验收、考核并出具验收报告;2、抽采区负责钻孔进尺的施工并将每日施工小票报予通风区;3、通风区负责日常钻孔的验收,验孔率要求达到____%;4、安监处负责对钻场的质量标准化进行检查考核;5、地质科负责钻孔施工遇构造期间的技术指导和上图管理;6、劳资科、企管科、计划科负责验收过程的监督。
二、验收办法瓦斯抽采钻孔采用“三级验收”办法,一级验收由抽采区当班负责人在小票上填写本班施工进度情况;二级验收由通风区验收组人员分退钻杆和探杆验收;三级验收由生产科____劳资、企管、计划科人员进行不定期联合抽查验收。
小票验收。
抽采区当班施工钻孔后形成施工小票管理,施工小票内容必须体现钻孔施工进度,孔号,施工钻杆根数,施工日期、由当班工长和队负责人签字认可后,将施工小票在次日____点15之前告知通风区。
退钻杆验收办法。
打钻队将前一日完成钻孔的施工小票以及甲班施工钻孔进度告知通风区验收组,对乙班拔钻杆的钻孔,通风区验收组派人进行退钻杆验收,验收后由打钻队当班跟班队长或工长和通风区验收组人员在验收小票上共同签字认可。
探杆验收办法。
对已经拔完钻杆的钻孔,由通风区验收组带上打钻队给的施工小票,并提前通知打钻队,打钻队安排跟班队干或工长连同通风区验收组共同验收,验收完以后由打钻队跟班队干和通风区验收组的人员在验收小票上共同签字认可。
钻场、钻孔质量标准化要求的规定钻场、钻孔质量标准化要求的规定为加快我矿瓦斯治理工程的步伐,根据瓦斯治理工程的需要,严格标准,精心施工,上标准岗,干标准活,结合质量标准化的相关要求,进一步规范井下钻场、钻孔的施工,特制定有关规定如下:(一)钻场按生产技术部联系单要求施工,施工后由生产单位申请验收,由安全生产信息中心牵头,生产技术部、安监处、施工单位联合验收。
(二)为保证安全,不影响生产,钻机的操作台和电机部分应放置在钻场左帮较高处,便于钻机工的操作,同时避免排出的水淹没钻机,烧坏电机。
因摆放不当,造成影响施工的,未及时处理的、不汇报的,罚防突区当班跟班人员和钻机工每人50元。
(三)施工单位对每一个钻场均应编号,编号位置应放在钻场左帮腰线一米处,钻场的牌板均应挂在编号附近,便于查看数据和避免被水淋湿,悬挂整齐成线,钻场未编号和排版悬挂不符合规范的,每发现一次,罚施工单位50元。
每个钻孔施工结束后,施工单位要及时把孔口牌吊挂在上面,并把参数填写清楚,以便查看。
不及时挂孔口牌的,一个孔罚施工单位10元。
(四)为便于施工,不影响钻机的左右移动,集气箱应放置在钻场的右帮,钻杆上架放置在钻场的左帮,并堆放整齐,便于拿放和提高钻场空间的利用率。
钻杆不上架的,钻场环境差的,发现一次罚施工单位50元。
(五)钻场内的照明应悬挂在钻场的右后方,增加亮度,风筒吊挂在钻场的左帮,瓦斯探头悬挂在钻场的右帮,同时线路要悬挂整齐,避免施工影响。
不按规定操作的,造成瓦斯超限和探头误报的,罚施工单位100元。
(六)施工过程中应及时清理钻场内煤粉,防止堆积的煤粉使钻场地基不平,造成施工的钻孔的不正确,不能达到设计的抽排放效果。
煤粉堆积厚度超过0.3米,每发现一处,罚施工单位30元。
(七)施工完毕的钻孔要及时封孔合茬抽放,钻孔要密封严实,避免漏气,影响抽放效果;施工过程中要经常查看封孔质量,观察有无漏气,如发现问题应及时处理。
施工完的钻孔不合茬抽放的,每一个孔(除个别孔特殊要求外)罚责任单位50元。