6000L直筒型多功能提取使用,维护和检修标准操作规程
- 格式:doc
- 大小:40.00 KB
- 文档页数:3
目的:规范TQ-6000型多功能提取罐的标准操作方法,确保设备使用的安全并延长其使用寿命。
范围:TQ-6000型多功能提取罐的操作。
职责:岗位操作人员、车间主任、生产技术人员、设备管理人员。
依据:《药品生产质量管理规范》(2010年修订)内容:1、准备工作:1.1、检查TQ-6000型中药提取罐操作室是否已清洁干净,罐内外是否有上批次残留物,清场合格证是否在有效期内,如过有效期则重新清场,经QA确认合格方可投入工作。
1.2、检查温度表,压力表是否在检定有效期内,安全阀是否灵活可靠。
1.3、启动压缩机,操作检查出渣门气缸是否灵活,卡锁关闭是否可靠,辅助设备的管路是否畅通,各部件阀门关、开是否灵活。
1.4、安装管道过滤器的滤布并加盖密封,使之处于工作状态。
2、操作过程:2.1、将压缩机启动,将“卡锁开关”拨至“开”位置,使卡锁打开;然后将“出渣门开关”拨至“开”,使出渣门打开。
2.2、开启清洗球进水阀,清洗罐内壁至干净。
2.3、关闭出渣门开关,使出渣门复合到位后,关闭卡锁开关使卡锁扣紧出渣门。
2.4、加一定量自来水,检查有无漏水,无漏水后,再进行投料。
2.5、投料结束后,加自来水至工艺规定量,浸泡至工艺规定的时间。
2.6、加热:首先开启药水循环泵;其次打开手动疏水阀,开启夹层蒸气阀门;待夹层水排完后,关闭手动疏水阀,之后夹层压力维持在≤0.15 Mpa(尽量在0.10 Mpa~0.15 Mpa),开始计算加热时间。
2.7、药液温度提升至90℃后,调节蒸汽压力,避免蒸汽压力过大药液爆沸;当提取罐内水沸腾后,调节夹层蒸汽阀进汽量,使罐内药液保持沸腾状态(药液温度100℃)直至到工艺规定时间。
2.8、停机:关闭药水循环泵,关闭进入提取罐夹套的蒸汽阀门即可。
2.9、药液排放:开启药液输送管阀,使药液经管道过滤器滤过流进浓缩间储罐内,直至全部药液排完为止。
2.10、排药渣:检查出渣区域确认无人后,先将加料盖打开,再将“出渣门卡锁”拨向“开”位置使卡锁松开,之后再将“出渣门开关”拨向“开”位置使药渣排出。
多功能提取罐回收安全操作及保养规程多功能提取罐(以下简称“提取罐”)是一种被广泛应用于石化、化工等行业的特殊设备。
在使用提取罐的过程中,应注意安全操作和保养,以确保设备正常运行和延长设备寿命。
本文将重点介绍提取罐的安全操作和保养规程。
一、安全操作1.1 环境准备在设备安装前,应确保场地平整、干燥,且符合施工条件,避免设备晃动或出现倾斜。
同时,还需要注意场地上是否有杂物、危险品等,如有,应及时清除。
1.2 操作流程操作提取罐前,需要先了解操作流程,且必须按照规程操作。
要求操作人员必须经过培训,并持有相关的证书。
具体操作流程如下:1.安装提取罐支架和管道,并检查是否有泄漏情况。
2.打开提取罐进料阀门,进料到指定高度。
3.从提取罐的底部排出沉淀物和水,如有阻塞请及时处理。
4.关闭进料阀门,低速搅拌10分钟,放置10-20分钟,高速搅拌20分钟。
5.打开提取罐底部排污阀门和倾倒板排出提取罐中的颗粒物。
6.冲洗提取罐内壁和进料管道,并清洗相关附件和支架。
7.关闭排污阀门,清洗完毕。
PS:在操作过程中,如遇到突发状况,应及时停机检查,并按照流程处理。
1.3 注意事项1.保证设备电源正常,传感器与仪表正常,自控系统无故障,管道无泄漏现象。
2.资料记录完整,操作合规,进出口压力与流量稳定,现场的人员安全有保障。
3.操作过程中需穿戴安全装备,并保持清醒的头脑,不得醉酒或疲劳驾驶。
二、保养规程2.1 日常保养1.定期检查提取罐内部,避免形成积存物,以保证工业应用进料的完整性和环保要求的达成。
2.定期检查提取罐的关键部位,如管道、阀门等,发现问题及时处理。
3.定期对设备外观进行清洗,保持整洁。
2.2 季节保养1.每个雨季前要对设备进行严格的检查和润滑,特别是机械设备。
2.对提取罐密封胶条进行检查和保养,尽量避免机器生锈或者生霉。
2.3 年度保养1.每年对提取罐进行检修和润滑,确保设备完好无损。
2.每年完成提取罐内的全面翻新,装置内部即时机械粘附排泄。
多功能提取罐选型安全操作及保养规程多功能提取罐是一种广泛用于工业、化工、医药等领域的设备,主要用于储存、搬运和提取危险化学品、液体、气体等物质。
在使用多功能提取罐时,必须严格遵循安全操作规程和保养维护规程,确保设备的正常运行和使用安全。
本文将详细介绍多功能提取罐选型、安全操作和保养规程。
多功能提取罐选型多功能提取罐的选型应根据使用场合、储存物质的性质、储存容量、使用要求等多方面因素来综合考虑。
选型时需要确定以下内容:型号和规格多功能提取罐的型号和规格应根据使用需求确定。
需要考虑的主要因素有:使用场合、储存物质的性质、储存容量、使用要求等。
材质多功能提取罐的材质应根据储存物质的性质,采用耐腐蚀、耐高温、抗压等特性的材质。
多功能提取罐常用的材质有:不锈钢、玻璃钢、碳钢、铝合金、钛合金等。
结构和功能多功能提取罐的结构和功能应设计合理,以便储存物质的搬运和提取。
需要考虑的主要因素有:安全性、操作方便性、储存效率等。
安全防护措施多功能提取罐的安全防护措施应根据使用需求确定,常见的安全防护措施有:压力安全阀、液位报警器、爆破膜等。
多功能提取罐安全操作规程多功能提取罐的安全操作规程包括设备使用前的安全检查、设备使用中的安全操作和设备使用后的安全保护等方面。
设备使用前的安全检查设备使用前必须进行安全检查,以确保设备的正常操作。
1.检查多功能提取罐是否完好,有无破裂、损坏等情况。
2.检查多功能提取罐的附件是否齐全,如压力安全阀、液位报警器、防护网、保温层等。
3.检查多功能提取罐所连接的管道是否安装正确、密封良好。
4.检查多功能提取罐周围是否堆放有易燃、易爆等危险品物品。
5.检查操作人员是否具备使用设备的资格和技能。
设备使用中的安全操作设备使用中应严格遵循安全操作规程,确保设备运行正常,操作人员和周围环境的安全。
1.按照规定操作程序使用设备,不得超过设备的标称使用条件。
2.遵守设备的使用范围和工作压力,不能超过其承载能力。
实训一多功能提取浓缩机组的使用与维护一、设备介绍1.1【机器用途】本机组为提取和浓缩的联合应用,可用于高等院校、科研机构、医院等作为新药提取、新工艺技术参数的确定、中间试验、新品种研制、贵重药材提取、挥发油回收和药液浓缩之用。
1.2【功能特点】本机组功能完备,可获得全系统真空,可满足提取挥发油、水提、醇提、动物内脏提取、分次提取、热(温)回流提取;提取液可浓缩、可收膏,有机溶媒可回收;本设备在浓缩系统上采用了特殊结构,使产品最终比重达到1.4,且排料通畅;具有较高的自动化控制程度,数据采集准确可靠;采用PLC控制系统、触摸屏人机友好界面。
编有各程序操作参数,在线监控整台机组的运行状态,对设备进行自动控制,操作参数可根据实际情况进行修改、储存、打印。
1.3【设备组成】出渣门的锁紧和打开:关门锁紧:按一下SB3按钮,电磁阀QG1得电,气缸QGA动作使门上合,等到关电开关SQ1发出信号;按一下SB4按钮,电磁阀QG3得电,气缸QGB动作上锁,限位开关SQ2动作,合门上锁成功;延时一段时间,电磁阀QG1、QG3失电。
关上电磁阀并用于千销锁紧。
包括多功能提取罐、单效浓缩器、药液储罐(一罐多用:可兼用于乙醇调配罐、醇沉罐)、防爆离心泵、防暴水循环式真空泵及蒸汽发生器等主要部分。
1.4【主要规格技术参数及尺寸】型号:NS-0.1提取罐容积:100L罐内操作压力(MPa):常压夹层操作压力(MPa):0.3加料口直径(mm):150加热面积(m2):0.9冷凝冷却面积(m2):2.0排渣门直径(mm):400外形尺寸(长×宽×高):2300×650×2400二、操作规程2.1【机组安装调试】2.1.1 本设备一体化提取浓缩系统,安装时要严格按照系统工艺进行安装,不可随意更改。
2.1.2 所有外接管口必须与设备管口吻合,以防出现死角影响系统循环。
2.1.3 安装蒸汽管路在设备2m内应具备三级有效减压并在入口处安装压力表、安全阀起跳压力范围为0.315MPa。
多功能提取浓缩机组安全操作及保养规程前言多功能提取浓缩机组是一种用于药物、食品、化工等领域的设备,它可以提取、分离、浓缩、干燥等多种操作。
由于其中涉及到的物质种类和性质非常复杂,因此安全操作和规范保养显得极其重要。
本文将为您介绍多功能提取浓缩机组的安全操作及保养规程。
一、设备安全操作1. 技术人员操作多功能提取浓缩机组的操作必须由专业技术人员进行。
在进行操作前,必须对该设备的性能和操作要求进行了解和掌握,必要时要翻看设备的使用手册或规范性文件。
2. 基本要求在正式操作前,必须进行必要的设备检查,包括电源开关、真空泵和减压阀门等设备状态。
3. 操作步骤在进行操作时,必须严格按照以下步骤:•打开总电源;•按下冷却水泵的启动按键;•打开真空泵的电源开关,然后连续按两次【启动】键;•调节真空泵运行状态,使其逐渐达到设定的转速;•开启电磁阀,并将气体引入设备内进行操作。
4. 操作要点在操作时,需要注意以下要点:•操作人员必须具备相关技术知识和操作技能;•要时刻检查设备与仪器的工作状态是否正常;•操作时必须注意对设备中各种物质的性质和安全性的了解,避免不必要的事故发生;•操作完成后,必须确认设备和仪器的关闭状态,同时做好设备的保护工作。
二、设备保养规程1. 质量保证多功能提取浓缩机组在使用前要进行出厂质量检测,保证设备的各项技术指标符合要求。
2. 定期检查多功能提取浓缩机组需要进行定期检查,以确保其正常使用。
具体做法包括:•每周对设备进行清洁,清除灰尘,维护通风系统;•定期检查电缆和接线柜的连接状态,确保电源稳定;•对设备内的过滤器和刺激器进行清洗和更换。
3. 日常维护在使用多功能提取浓缩机组时需要注意一些日常维护工作,包括:•预防机器老化,注意机器发热和散热;•定期检查机器的螺纹刀、密封垫等易损件,及时更换;•注意更换滤网、过滤棉等部件,保持设备的通风;4. 定期保养为了保证设备的长期使用寿命,需要进行定期保养。
多功能提取罐使用、维护保养SOP1适用范围本标准适用于多功能提取罐的使用、维护保养。
2职责操作工:严格按本程序操作设备,并进行日常维护保养工作。
维修人员:及时排除设备故障,并做好定期维护保养工作。
3内容3.1开车前检查3.1.1检查所有安全附件应齐备,安全阀、压力表、温度表正常。
3.1.2检查各润滑部位应润滑良好。
3.1.3检查各阀门应关闭,管线连接无泄漏。
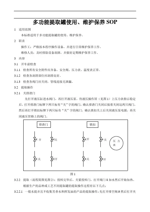
3.2提取操作3.2.1关排渣门先打开液压缸进水阀门,再打开液压泵。
待液压操作屏(见图1)上压力表指示稳定后,打开排渣门标牌下两只标有“关”字的阀门,确认排渣门关闭后接着关闭这两只阀门,然后再打开锁扣标牌下两只标有“关”字的阀门,确认锁扣关上后关闭液压泵电源,再关闭液压管路上的阀门。
图13.2.2提取(流程简图见图2):投料完毕后,关紧投料门,打开阀门8加水然后开始加热。
根据生产的品种或工艺不同提取罐的提取操作过程有以下几点:3.2.2.1一般水提并且不收集芳香水和挥发油的产品的提取操作:先打开排空阀9然后打开夹套蒸汽阀门6、7(单段加热只打开阀门6)和阀门13、14,排放完蒸汽管道中的冷凝水后关闭阀门14,待温度上升至规定温度后,调整夹套蒸汽大小保持药液温度稳定。
如果提取罐内药液需要循环,则关闭所有蒸汽阀门,打开阀门2、3、4、5,然后打开药液泵。
3.2.2.2醇提或需要收集芳香水和挥发油的产品的提取操作:先关闭排空阀9打开阀门10,然后打开夹套蒸汽阀门6、7(单段加热只打开阀门6)和阀门13、14,待放完蒸汽管道中的冷凝水后关闭阀门14,接着打开冷却水阀门15,待温度上升至规定温度后,调整夹套蒸汽大小保持药液温度稳定。
待油水分离器中的液面达到一定高度后打开阀门11收集产品。
如果需要挥发液回流则打开阀门12。
3.2.3出料关闭夹套蒸汽阀门6、7(单段加热只关闭阀门6),打开阀门1、阀门3、阀门4和阀门5,然后再打开药液泵向药液贮罐输送药液。
ZDY6000L型煤矿用履带式全液压坑道钻机使用说明书(安装、使用本产品时请详细阅读说明书)长春银基重工装备有限公司感谢您选购本产品!为了保证安全并获得最佳效能,安装、使用产品前,请详细阅读本使用说明书并妥善保管,以备今后参考。
随着技术的进步和产品的不断更新,如果本《使用说明书》中未涵盖的内容,请与我厂联系。
执行标准:MT/T 790Q/YJ65-2012版本号:v1.0出版日期:2012.05安全警示:1)所有操作人员必须经培训合格,并持有上岗证,方可进行操作;2)钻机安装时,钻场周围的岩层应安全可靠,且有足够的空间,通风良好;3)钻机必须安装牢固,不得有松动现象;4)钻机在试车时,在场人员应站在钻机侧面,并保持一定距离;5)严禁在运行中拆卸气动元件;6)气动系统不得在有泄漏状态下运转,当有压气泄漏时,应及时处理;7)非专业人员不得随意拆卸和维修钻机,气动元件损坏或需更换时,须向原厂家购买更换,严禁用户随意配制更换。
前言ZDY6000L型煤矿用履带式全液压坑道钻机是一种低转速、大扭矩、能够钻进大口径孔的全液压坑道钻机。
该钻机为煤矿井下钻进大口径瓦斯抽放孔及其它工程孔提供了必要的钻探设备。
该机具有结构合理,技术性能先进、工艺适应性强、操作省力、安全可靠、解体性好、运输方便等优点。
采用全液压传动,对于使用和维修提出了更高的要求,为了使机器的优点得到充分发挥,本说明书对钻机的结构,传动原理、使用与维修方法均作了较详细的介绍,希望用户在使用钻机以前认真阅读并严格按有关规定执行。
并对使用过程中出现的问题及建议及时反馈给我们,以便改进我们的工作,更好的为用户服务。
本产品执行Q/YJ65-2012标准。
说明:本产品在煤矿井下使用时,必须选用YBK2-280S-4矿用隔爆型三相异步电动机;隔爆型三相异步电动机、液压支架胶管总成应有安全标志。
钻机出厂之前,系统工作压力已调定。
用户在使用过程中,系统压力不得超调。
多功能提取罐维护保养规程一、目的:建立多功能提取罐维护保养规程,以确保多功能提取罐的安全使用。
二、范围:本规程适用于多功能提取罐的维护保养。
三、职责:设备操作人员、维修人员和质量监督员对本规程实施及监督负责。
四、内容:1.检修周期1.1日常保养:每班一次1.2一级保养:每月一次1.3二级保养:每年一次2.日常保养2.1压缩空气管路应经常除水、调压后才能使用,以保证控制阀和气缸的正常工作。
2.2各气缸的进出口应按有足够长的耐压软管,保证气缸动作灵活。
2.3全面检查电汽线路、控制系统是否正确,控制箱中针型阀开度必须合适,应使出渣门缓慢平衡打开,为避免由于排渣门开启时自有利重而产生的冲力使气缸活塞杆受损。
2.4检查投料门,排渣门工作是否正常,是否顺利到位。
2.5全面检查设备其它各机件、仪表是否完整无损,动作灵敏,各汽路是否畅通。
2.6检查各汽路及汽路安全装置,要保证设备工作压力不得超压。
2.7检查投料门与排渣门的密封性能可通过调整橡胶密封圈及调节螺钉来达到。
2.8当本设备带压操作时或设备内残余压力尚未泄放完之前,严禁开启投料门及排渣门。
2.9随时检查疏水器是否畅通,及时清除污垢,在安装疏水器时要加管道视镜和旁通。
2.10检查管路上的阀门、输水阀、放液阀、排污阀是否完好。
2.11清洁灯镜、视镜,并保持干净。
2.12检查打液泵是否运行正常,有没有不安全的因素。
2.13每班使用后,应清扫各部位附着的药物及杂质,设备保持清洁。
3.一级保养3.1进行日常保养的内容。
3.2清洗擦拭设备外表面及死角,表面光洁。
2.3检查阀门、输水阀、放液阀、排污阀是否完好。
检修疏水器,及时清除污垢2.4检查各管路、焊缝、密封面的连接件部位。
3.5检查打液泵密封情况,检查电线,接头要牢靠。
4.二级保养4.1进行一级保养的全部内容。
4.2每年对安全阀、每半年对压力表安全附件装置进行检验,确保设备安全运行。
4.2对冷却冷凝器换热管无水垢清理,可以保持冷却效果,应定期(每年)用6%盐酸缓冲液清洗水垢一次。
目的:建立多功能提取罐操作、维护及保养规程规程。
范围:适用于提取车间浓缩岗位浓缩机组的操作、维护及保养。
职责:工段长、浓缩岗位操作人员、工艺员、维修人员、QA。
正文:1、开机前准备:1.1地面、设备表面应无积尘、无积水、无药渣。
1.2各工器具均应洁净、无异物,浓缩罐内洁净,无上次浸膏残留。
1.3真空泵应运转正常,管道无漏气。
1.4真空表、温度表、蒸汽压力表均应完好,表针应指在零位。
1.5组阀门应全部处于关闭位置,无跑、冒、滴、漏现象,并开启灵活。
1.6批清场合格证,本批次开工许可证。
2、投料:2.1按“生产指令单”称配处方规定净药材或饮片。
2.2投料前有第二人单独核对各净饮片品名、数量、规格、批号与工艺要求一致。
2.3打开密封垫充气阀门,确认压缩空气压力0.2MPa。
旋转转盘,打开投料门,逐味投料。
2.4打开注液阀,按规定量向贮罐内加规定的溶媒。
3、运行与控制:3.1待浸泡至规定时间后,缓缓打开夹套进气阀门和直通蒸汽阀,控制夹套蒸汽压力在0.20-0.30Mpa之内,绝对不能超过0.30Mpa。
3.2从视镜中观察,当药液开始沸腾时,记录时间,关闭直通蒸汽阀,并调整夹套蒸汽压力,以维持药液轻微沸腾为度,控制罐内温度在97℃-99℃之间。
3.3煎煮过程中.,压缩空气压力应保持在0.65-0.7Mpa,不得低于0.6Mpa。
3.4煎煮到时后,先关蒸汽阀门,再打开出液口阀门,然后打开循环泵开关抽药液,待罐内药液抽完,先关循环泵开关,再关出液口阀门。
3.5一次煎煮完毕,根据煎煮次数与加媒量,按工艺要求重复2.3-2.4操作。
3.6操作过程中按“生产记录填写规程”及相关文件要求记录生产过程。
3.7 若需进行醇提时。
先打开冷却水系统,让高温下是醇蒸汽进入冷凝器成为冷凝液体,在回流到罐内,进行回流提起。
4、排渣与停车:4.1煎煮完毕,拔除排渣门插销,打开压缩空气降杆阀,关闭压缩空气提杆阀;使排渣门缓缓开启排渣。
多功能提取罐安全操作及保养规程多功能提取罐是一种常用的容器,用于多种气体、液体和粉末等物质的贮存和运输。
为了确保使用安全和罐体寿命的延长,需要对提取罐的安全操作和保养进行规范和指导。
本文将介绍多功能提取罐的安全操作和保养规程。
安全操作1. 操作前准备在使用提取罐之前,必须进行一些准备工作。
首先,检查提取罐的密封性,确保没有泄漏。
然后,检查提取罐的壁厚,避免罐体松动或者变形。
最后,检查提取罐容器组配件是否齐全,确认所有阀门、密封件、压力表和安全阀等器具的完好。
2. 操作时注意事项在操作过程中需要注意以下事项:1.禁止在提取罐附近抽烟或者明火操作,以免引起气体爆炸、火灾或其它危险事件。
2.禁止使用锤子或其它硬物来敲击提取罐,以免影响其密封性和机械完整性。
3.提取罐与输送和接收容器必须按规定配对,避免不当的容量匹配和连接方式,发生爆炸和泄漏等安全事故。
4.在充装和放空过程中,必须严格按照罐体安全负荷和容量限制操作,避免过度充装和分装过程中的泄漏。
5.在使用过程中需要对各个加压开关、阀门,以及压力表的参数,进行严格的调整,确保其安全运行。
6.对于可能存在松动或腐蚀风险的焊接点,应该检查并定期进行维护。
7.使用过程中,严格禁止对多功能提取罐进行碰撞、敲击、刮擦,以及直接暴晒于阳光下等操作。
必要时可以采取隔离或者覆盖操作。
3. 开罐操作在进行开罐操作之前,需要先切断提取罐与输送管路之间的连接。
开罐时需要在罐体上设置多个插销、钩子或者螺栓,确保它完全处于关闭状态。
在确认关闭之后,需要把所有的罐盖插销顺序打开,以降低罐内压力。
最后,轻轻地卸下罐体上的罐盖,让罐内物质进入输送管路。
4. 出罐操作在进行出罐操作之前,需要先切断提取罐与运输车辆的连接。
出罐时也需要确保罐体处于关闭状态,卸下密封盖然后将罐内物质卸除。
在将所有的物质卸除后,需要进行清洗和消毒,然后封装好罐体和所有的组件,进行下一步操作前的储存和运输。
保养规程多功能提取罐长期使用需要注意以下保养事项:1. 定期检查压力表压力表是多功能提取罐关键部件之一,一旦损坏或不准确,可能引发严重的安全事故。
多功能提取罐使用说明安全操作及保养规程1. 简介多功能提取罐是一种用于提取、贮存和运输液体和气体的装置。
它具有多种功能,可以广泛应用于化工、食品加工、制药等行业。
本文将介绍多功能提取罐的安全操作规程及保养要点,以确保其正常使用和延长使用寿命。
2. 安全操作规程2.1 安装在安装多功能提取罐之前,需要确认以下事项:•确保工作环境符合安全要求,空气清新、通风良好。
•确定提取罐的安装位置,确保它稳固、平整,并且便于操作和维护。
•检查安装所需的管路和阀门是否齐全,并确保其符合相关标准和规定。
2.2 操作正确操作多功能提取罐是确保安全的关键,以下是一些操作指南:•操作前,应先检查提取罐的密封性能,确保罐体无明显漏气或漏液现象。
•在操作提取罐前,应详细阅读使用说明书,并按照说明书上的要求进行操作。
•在打开或关闭提取罐上的阀门时,应轻柔操作,避免造成突然的气体或液体喷射。
•在提取罐内有高温或高压气体时,应佩戴合适的防护装备,避免烫伤或其他伤害。
2.3 应急处理在遇到紧急情况时,应采取适当的应急处理措施,以减轻事故的影响:•当发生泄漏时,应立即关闭提取罐上的阀门,并迅速将事故报告给相关人员。
•当涉及火灾时,应采取适当的灭火措施,并疏散人员到安全区域。
•请记住,不要用水直接冲洗提取罐,因为某些液体可能与水发生激烈反应。
3. 保养规程3.1 清洁和维护为了确保多功能提取罐的正常运行和延长使用寿命,以下是一些建议的保养措施:•定期清洁提取罐的内部和外部,以去除污垢和杂质,并确保罐体表面无腐蚀和损坏。
•对提取罐上的阀门和管道进行定期检查,确保其流畅和完好。
•定期检查压力表和温度计的准确性,并根据需要进行校正或更换。
•检查并更换老化或损坏的密封件,以确保罐体密封性能良好。
3.2 储存和运输如果需要长时间储存或运输多功能提取罐,请遵循以下建议:•在罐体储存或运输前,确保其内部完全清洁,并排空液体或气体。
•在存放或运输过程中,避免重物压在提取罐上,以免造成损坏。
设备使用、维护保养、检维修制度一、目的为了规范设备的使用、维护保养和检维修工作,确保设备安全、高效、稳定运行,提高设备的使用寿命和生产效率,特制定本制度。
二、适用范围本制度适用于公司所有设备的使用、维护保养和检维修工作。
三、设备使用1. 设备使用前,操作人员必须进行设备操作培训,了解设备的结构、性能、操作规程和注意事项,并经考核合格后方可上岗操作。
2. 操作人员应严格按照设备操作规程进行操作,不得擅自更改操作程序。
3. 操作人员应定期进行设备巡检,及时发现并处理设备故障,确保设备安全运行。
4. 操作人员应做好设备的日常维护保养工作,如清洁、润滑、紧固、调整等,确保设备性能良好。
四、设备维护保养1. 设备维护保养工作应由专业的维护保养人员进行,操作人员应积极配合。
2. 维护保养人员应按照设备维护保养计划进行工作,确保设备维护保养工作的有序进行。
3. 设备维护保养工作应包括定期检查、清洁、润滑、调整、更换易损件等,确保设备性能良好。
4. 维护保养人员应做好维护保养记录,记录设备维护保养的时间、内容、结果等信息。
五、设备检维修1. 设备检维修工作应由专业的检维修人员进行,操作人员应积极配合。
2. 检维修人员应按照设备检维修计划进行工作,确保设备检维修工作的有序进行。
3. 设备检维修工作应包括设备检查、故障诊断、维修、更换易损件等,确保设备性能良好。
4. 检维修人员应做好检维修记录,记录设备检维修的时间、内容、结果等信息。
六、设备使用、维护保养、检维修的考核1. 公司应建立设备使用、维护保养、检维修的考核制度,对操作人员、维护保养人员和检维修人员的工作进行考核。
2. 考核内容包括设备使用、维护保养、检维修的工作质量、工作效率、工作态度等方面。
3. 考核结果将作为员工绩效考核的依据,对表现优秀的员工给予奖励,对表现不佳的员工给予批评和培训。
七、设备使用、维护保养、检维修的持续改进1. 公司应不断收集设备使用、维护保养、检维修的信息,分析存在的问题,提出改进措施。
检修多功能机组安全操作规程一、总则1. 本规程适用于多功能机组的检修操作,旨在确保检修工作安全进行,预防事故发生。
2. 所有参与多功能机组检修工作的人员,必须严格遵守本规程,做到安全第一,严禁违章操作,确保人员和设备的安全。
3. 检修人员必须经过专业培训和考核合格后,方可进行多功能机组的检修工作。
二、安全操作流程1. 检修前准备1.1 检查并确保检修所需的工具、仪表和设备齐全完好。
1.2 了解多功能机组的工作原理、设备结构和相关操作要求。
1.3 检查多功能机组的工作环境,清除障碍物和危险物,确保安全开展检修工作。
2. 断电操作2.1 提前通知相关人员并切断多功能机组的电源,确保不会误操作或触电事故发生。
2.2 检查并确保所切断的电源线不会误碰到其他电源或设备,避免电器短路和火灾等事故发生。
3. 拆卸与更换3.1 使用适当的工具进行拆卸,严禁使用过大或过小的力量施加在机组上。
3.2 拆卸或更换部件时,严禁使用生锈或损坏的工具,以免影响拆卸效果或造成伤害。
3.3 在拆卸部件时,确保周围没有任何电源或能源供应,避免触电事故发生。
3.4 更换部件时,必须选择合适的替代品并正确安装,避免因不当更换导致机组故障或事故发生。
4. 清洁与维护4.1 在清洁和维护机组时,必须先切断电源,避免触电事故发生。
4.2 使用专用工具进行清洁和维护,严禁使用身体的任何部位直接接触机组,以免伤到自己或损坏机组。
4.3 清洁和维护过程中,必须注意机组的稳定,避免倾倒或滑落导致意外伤害。
4.4 清洁和维护完毕后,必须将工具整理归位,确保工作区域整洁有序,避免其他人员被工具绊倒或受伤。
5. 检修结束5.1 在检修完毕后,必须对机组和工作区域进行全面的清理,确保机组周围没有残留物,避免日后工作时受影响。
5.2 确认机组已正确恢复到正常工作状态,并进行必要的测试,排除机组故障和隐患。
5.3 检修工作结束后,必须提交检修报告,并做好档案记录,以便今后的参考和跟踪。
升浓缩提取机组安全操作及保养规程前言升浓缩提取机组是目前常见的化工行业设施之一,在生产中具有重要的作用。
然而,由于机器的特殊性质和操作者的操作失误,很容易出现危险情况,所以在使用时应当严格遵守操作规程,确保操作的安全性。
一、设备要求1.升浓缩提取机组应满足必要的安全要求。
2.在机组内应设置必要的安全设备和控制装置,以便及时掌握机组的运转状态。
3.操作者应根据机器规格进行培训,熟练操作后方可开始工作。
二、安全操作规程1.严格遵守机器的制造商安全提示,加强顶部安全直系的固定和检查,以防意外事故发生。
2.在开机前检查各个部件并做好润滑保养工作。
如发现问题应立即停机处理,确保机器在工作状态下不会出现异常情况。
3.制造商所指定的操作者必须熟练掌握机器的使用和操作程序,并在操作之前必须翻阅操作手册或获取操作员证书的认证。
4.装填操作应按照所规定的比例并应酌量处理有关溶剂的安全性。
5.在机器运转期间,严禁机器进行零件维修,如非必要情况下,建议在停机后再维修。
6.安全操作时,严禁不规范的行为,例如在机器旁放置易燃物品等。
三、保养规范1.定期检查机器的各个连接件是否松动,如存在一定问题应及时处理。
2.定期进行机器的润滑检查,以保证机器的正常工作状态。
3.定期进行机器的清洗保养工作,以避免杂质产生影响。
4.定期检查机器的运作情况,如发现异常情况应及时排查问题。
5.定期更换机器的配件,如滤网、橡胶管等。
四、操作常见问题及处理方法1.操作者在操作时注意力不集中导致误操作,或因操作者疏忽造成机器故障问题。
解决方法:在操作前认真检查机器并保持注意力集中,了解机器的具体操作方式,并具备必要的维护保养知识。
2.机器的功率不足造成机器过热或溶剂过滤无法需要时间等问题。
解决方法:更换适当的电气设备,或调整机器的运转模式。
3.机器运转时噪声大或不稳定。
解决方法:检查机器上的各个零件并进行相关调整,保证机器的正常运行状态。
通过严格执行安全操作程序以及正确的保养操作,升浓缩提取机组的使用寿命可以得到大大的延长,并且确保了操作者的安全。
检修多功能机组安全操作规程一、前言多功能机组是一种高效、多功能的设备,广泛用于不同行业的生产过程中。
为了保证工作安全,保护人员的人身安全和设备的正常运行,制定本安全操作规程。
二、操作人员资格要求1. 操作人员必须具备相关设备操作培训的证书或资质。
2. 操作人员必须熟悉设备的结构、性能和操作原理,并能熟练操作设备。
三、设备检修前的准备工作1. 检查设备周围的工作环境是否安全,无明火、易燃物等危险物品。
2. 停电并确认设备总电源已切断,使用万能表测量电压是否为零。
3. 设备必须进行安全隔离,如设备上有锁具或专用隔离装置,必须将其锁上或断开。
4. 将设备各部分进行标识,以便于后续的检修和维护。
四、设备检修操作1. 设备检修必须由专人负责,其他人员必须在检修台的安全区域内,禁止随意靠近或触摸设备。
2. 在进行内部检修之前,必须确认整个设备的电源已切断。
对于涉及高压部分的检修,必须使用绝缘手套和护目镜等个人防护装备。
3. 检修时必须使用专用工具,禁止使用非标准工具或金属工具接触设备内部,防止触电或损坏设备。
4. 对于电气部分的检修,必须使用绝缘工具,并按照电路线路图的要求进行操作,禁止在电气设备上随意擅自修改或接线。
5. 对于机械部分的检修,必须使用防护手套、安全眼镜等个人防护装备,并按照设备说明书的要求进行操作,禁止在机械设备中四处放置手指或其他物体。
五、设备检修后的恢复工作1. 检修完毕后,必须检查设备的外部和内部是否完好无损,并排除所有可能引起危险的隐患。
2. 根据设备检修前的标识,将设备各部分还原至初始状态。
3. 将设备的隔离锁具或断开的专用隔离装置恢复到正常位置,并确认电源已经接通。
4. 进行设备的功能测试和调试工作,确保设备能够正常运行。
5. 将设备周围的工作环境恢复整洁,清理工作台和工作区域中的杂物和工具。
六、设备定期检修和维护1. 针对设备的不同部分,制定相应的检修和维护计划,包括定期更换易损件、清洁设备、润滑设备等。
全自动索式抽提器安全操作及保养规程全自动索式抽提器是一种常用于分离化学品的设备,使用时需要仔细遵守操作规程以保障使用者的安全。
本文将提供全自动索式抽提器的安全操作及保养规程,旨在帮助用户正确操作设备,避免潜在的危险。
安全操作规程1. 操作前准备在使用索式抽提器前,需要进行如下准备:1.检查设备的电源线,确认无断线、插头松动等现象,确保设备能正常运行。
2.预热设备,设备需要在十分钟左右的时间里预热才能正常工作。
3.准备好相应的试剂,维持试管中的液位,确保样品能被充分处理。
2. 操作流程使用全自动索式抽提器时,需要按照以下步骤进行操作:1.调整设备,将粉碎好的试样加载到索塔中,并按照所需流程将各个试剂依次加入,并在每次加剂后稍微摇动一下。
2.稳定等待并收集数据。
使用程序化收集数据可以确保数据准确性以及重复性。
3.设备操作完成后,仔细清洗设备和试样,并将数据移动到本地电脑。
3. 风险与注意事项使用索式抽提器时,需要注意以下风险和注意事项:1.禁止使用过期或过时的试剂或杂质。
如使用过期试剂会降低样品的准确性,并可能带来其他的安全隐患。
2.操作过程中,应该进行密闭操作以避免环境空气污染,并确保安全。
3.避免在设备未停止运行前,私自开启设备门。
避免发生设备失控等意外事件。
4.操作者应该佩戴相应的防护装置以避免因接触有害化学品导致伤害。
5.确认设备完全校准,避免实验中出现误差。
6.注意设备维护保养,保持设备干净整洁,减少使用过程中的故障和错误。
设备保养规程为了保证全自动索式抽提器的长期稳定运行,需要对设备进行保养和维护。
具体保养规程如下:1.每次使用之后,需要检查索式抽提器的清洁程度,及时清理器件上的试剂残余物。
2.根据使用频率和错误位置进行基本维护和维修。
在日常使用过程中发现问题时,应及时维修,以避免日后出现更大的故障。
3.定期进行设备校准。
并检查设备的运行状况和温度,以确保设备达到最佳性能。
4.在设备需要长期存放的时候,需要对设备进行适当的封存,并避免设备受潮和湿。
制药有限公司
设备页码:1文件编码:
拷贝号:
题目:TQ-Z-6000L直筒型多功能提取使用、维护和检修标准操作规程
制定人:审核人:批准人:颁发部门:质量管理部
制定日期:审核日期:批准日期:生效日期:
分发部门:设备动力部、前提取车间、质量管理部
文件编写/修订历史:本文件为首次制定
制定日期:2016.10.01
1.目的:通过制定本操作规程,实现设备操作的规范化及合理化;规范员工正确对设备使用、维修、检修,确保设备正常运转及人员操作安全,有效降低其故障发生率,提高生产效率。
2.责任:操作人员:严格按本操作规程操作设备,并进行日常维护、保养工作。
维修人员:及时排除设备故障,并做好定期维护、检修工作。
3.范围:本标准适用于TQ-Z-6000L直筒型多功能提取罐使用、维护和检修。
4.内容
4.1 结构特点
本设备主要由直筒型提取罐、捕沫器、箱式气动控制柜、冷凝器、冷却器、油水分离器、双联过滤器组成。
直筒型提取罐主体部分由罐体、排渣门、加料口、投料伸缩管等组成。
4.2 工作原理
4.2.1 原理:物料投入提取罐内,加入规定的溶媒,开启蒸汽阀,开始向夹套内和提取罐底部排渣门内加热盘管分别供给蒸汽,调节夹套蒸汽压力,保持罐内的沸腾,在加热过程中同时打开冷凝器循环水系统使蒸汽冷凝后回流到提取罐内,以保持循环。
4.3 使用前检查
4.3.1 检查提取罐体、罐底是否清洁,生产操作现场是否清洁,有无物料残留,有“设备完好”、“已清洁”状态标识牌。
4.3.2 检查所有安全附件应齐备,安全阀、蒸汽压力表、压缩空气压力表、温度表应正常,且在校验合格期内。
4.3.3 检查蒸汽供给是否正常,检查冷却循环水系统供给是否正常,检查各阀门开关是否正确。
4.3.4 检查各阀门是否处于正确的启闭位置,复查无误后方可操作使用。
题目:TQ-Z-6000L直筒型多功能提取使用、维护和检修标准操作规程
4.4 使用
4.4.1 开机
4.4.1.1 打开提取罐出渣门压缩空气总阀门,当气动柜压力达到0.8MPa时,将对应提取罐的出渣门控制阀手柄调整到“关”的位置,此时出渣门关闭;将出渣门锁控制阀手柄调整到“关”的位置,此时门锁紧;再将出渣门密封控制阀手柄调整到“开”的位置,进气,此时密封圈密封。
在罐内加入约300L水,试验提取罐出渣门的密封性,如不漏水,排出水后,则进行下步操作。
如漏水,则将罐内饮用水排尽,检查密封圈位置是否正确,正常后方可投料生产。
4.4.1.2 开启冷凝器与冷却器的冷却水,将提取罐顶部相连接的直排放空管道关闭。
4.4.1.3 按工艺要求投入物料(净原料、饮片、净药材),记录水表起始读数,打开水阀,向罐内加水至工艺规定数量,根据工艺要求进行提取操作。
4.4.1.4 开启夹套蒸汽阀进蒸汽,将溶液加热至微沸,调节夹套蒸汽阀,控制蒸汽压力大小,保持罐内微沸。
4.4.1.5 提取至工艺规定时间,关闭蒸汽阀门。
开启罐底出料阀并打开出料泵,将罐内提取液经过滤装置用泵通过双联过滤器送至提取液贮罐内。
罐内药材按相应工艺要求加入规定溶媒进行提取。
提取液按要求泵入相应的提取液贮罐内,再转下工序。
4.4.1.6 物料按工艺要求提取完后,启动挤渣车对准需出渣的提取罐底部,将对应提取罐的出渣门密封,控制阀手柄调整到“关”的位置,此时出渣门密封排气,再将出渣门锁控制阀手柄调整到“开”的位置,此时门锁打开。
最后将出渣门控制阀手柄调整到“开”的位置,此时出渣门缓慢打开,排出药渣后,用少量水冲洗罐内,将药渣除尽,必要时,可使用高压水管冲洗筛网除去残留药渣,并取出双联过滤器的滤网进行洗净。
4.4.2 停机
4.4.2.1 确认蒸汽阀门已关闭,停止供给蒸汽。
4.4.2.2 关闭压缩空气。
4.4.2.3 打开排水阀,将冷凝水排掉。
4.5 工作结束应按要求对设备进行清洁,并填写相应的记录。
题目:TQ-Z-6000L直筒型多功能提取使用、维护和检修标准操作规程
4.6 维修、检修
4.6.1设备上所有运动件、活动轴、气缸杆、活塞及调整螺栓等应保持清洁、润滑,至少每个季度进行一次清洁润滑。
4.6.2不工作时候主罐加料口、排渣门应放松以防止密封圈失去弹性影响密封作用。
4.6.3主罐加料口、排渣门处发现漏气现象时可用调节螺栓调整使其密封,如无效则应更换密封圈。
4.6.4气缸漏气,应更换密封圈。
4.7 工作完后应及时作好设备使用、维护、检修记录。
4.8.相关文件
《设备管理规程》 SMP-5001
《设备润滑管理规程》 SMP-5011。