盖梁支架计算书
- 格式:docx
- 大小:331.91 KB
- 文档页数:31
盖梁结构受力计算书项目:盖梁支架系统受力计算计算内容:一、对截面尺寸1.8m*1.8m盖梁的支架验算1、纵向贝雷片基本计算参数:盖梁砼重量g1:47.2m3x2.5t/m3=118t 侧模板重g2:5t 施工荷载(1KN/m2)g3=1*15.4*1.8/9.8=2.83t 振动冲击系数r取1.3qC A E B DL 1=3.3m L2=8.8m L1=3.3mL=15.4m纵向贝雷片受力总重G=(g1+g2+g3)*r=(118+5+2.83)*1.3=163.58t均布荷载q=(G/2)/L=(163.58t/2)/15.4m=5.3t/mME=q*(L1+L2/2)2/2-q*L/2*L2/2=5.3t/m*(3.3m+8.8m/2)2/2-5.3t/ m*15.4m/2*8.8m/2=-22.44t.mMA=MB=qL12/2=5.3t*3.32m2/2=28.86t.m因为MA=MB>ME,所以弯距最大处在A和B处,Mmax=28.86t.m=282.8KN.m贝雷片:Mmax=788KN.m, Qmax=245KN;单侧选用单排贝雷片(共两排)Mmax=788*2>288.6 KN.m满足要求验算剪应力тQE=ql/2=5.3*8.8/2=23.32t*9.8=228.54KNQA=QB=ql/2=5.3*15.4/2*9.8=399.94KN贝雷片容许剪力Q=245*2=490KN>399.94 满足要求挠度计算fmax=5ql4/384EI=5*5.3*8.84/384*250500*2.1*105=11.5mm[f]=L2/400=8800/400=22mm >fmax=11.5mm 挠度满足要求2、计算抱箍①荷载计算支座反力为QA=QB=399.94KN抱箍所需要产生的摩擦力为:399.94*2=798.88KN②螺栓数目的计算抱箍体所需承受的竖向压力N′=798.88KN,由M24高强螺栓抗剪力产生.M24螺栓允许承载力:[N L]=Pµn/KP┈┈高强螺栓预拉力,取225KNµ┈┈摩擦系数,取0.3n┈┈传力接触面数目,取1K┈┈安全系数,取1.7[N L]=225*0.3*1/1.7=39.7KN螺栓数目m的计算m= N′/[N L]=798.88/39.7=20.1≤24个(本项目采用的抱箍螺栓数为24个) 满足要求每条螺栓的抗剪力: P’= N′/24=798.88/24=33.28≤[N L]=39.7KN 满足要求③螺栓轴向受拉计算抱箍产生的压力:P b= N′/µ=798.88KN/0.3=2662.9KN抱箍由24条M24螺栓收紧,每条螺栓拉力:N1= P b/24=2662.9KN/24=110.95KN<[S]=225KNб=N″/A=N1(1-0.4m1/m)/AN″┈┈轴心力m1┈┈抱箍上所有的螺栓数目,本项目为24个m┈┈计算截面上的螺栓数目A┈┈螺栓面积,4.52cm2б=2662.9(1-0.4*24/20)/(24*4.52*10-4)=127.6Mpa<[б]=140Mpa 故螺栓满足强度要求④螺栓需要的力矩M由螺帽产生的反力矩M1=µ1* N1*l1µ1┈┈钢与钢的摩擦系数,取0.15l1┈┈螺帽中心到边角点的距离,0.012mM1=0.15*0.012*110.95=0.1997KN.mM2为螺栓爬升角产生的反力矩θ=10˚M2=µ1* N1*Cos10˚* l1+ N1*Sin10˚* l1=0.15*110.95* Cos10˚*0.012+110.95* Sin10˚*0.012=0.428 KN.m M= M1+ M2=0.1997+0.428=0.625 KN.m要求螺栓扭紧力矩M≥0.625 KN.m⑤抱箍体的应力计算抱箍壁由受拉产生的拉应力P=10* N1=1110KN抱箍壁采用δ12mm钢板,高度为80cm纵向截面积S=0.012*0.80=0.0096m2б=P/S=1110/0.0096=115.63Mpa< [б]=140 Mpa 满足要求抱箍体剪力计算τ=1/2* P b/(2*S)=0.5*2662.9/(2*0.0096)=69.35Mpa< [τ]=85 Mpa 满足要求3、横向小槽钢计算基本计算参数:采用10号槽钢和枋木10cm*10cm间隔着铺设,间距为15cm;只计算墩柱与墩柱之间长度8.8m-1.6=7.2m,该段砼重量按71.28t计横向槽钢(枋木10cm*10cm)布置道数=7.2m/0.15+1=49道每道槽钢(枋木10cm*10cm)受力=71.28t/49=1.45t每道槽钢(枋木10cm*10cm)受力按均布荷载考虑,q=1.45t/1.8m=0.81t/m每道槽钢(枋木10cm*10cm)跨中最大弯距=0.81*1.8^2/8=0.328t.m=3.82KN.m10号槽钢的截面抵抗矩W=39.4cm3W=3.82/(145*103)*106=26.34cm3满足要求QMAX=ql/2=0.81*1.8/2=0.729tτmax= Q Sx /Ixδ=0.648*9.8*103*23.5/(48*198.3*10-6)=17.63Mpa<85Mpa满足要求4、采用插销施工的,对插销棒的计算钢棒承受剪力为:118.355/4*9.8=289.97KN选A3钢Φ12cm的钢棒,Q=0.062*∏*85=960.84KN>289.97KN 满足要求二、对截面尺寸1.8m*1.8m盖梁(11#-13#墩)的支架验算1、纵向贝雷片基本计算参数:盖梁砼重量g1:58.7m3x2.5t/m3=146.8t 侧模板重g2:2t 施工荷载(1KN/m2)g3=1*19.9*1.6/9.8=3.2t 振动冲击系数r取1.3qC A E F B DL 2=6.4m L2=6.4m L1=3.51mL=3.51m1L=19.9m纵向贝雷片受力总重G=(g1+g2+g3)*r=(146.8+2+3.2)*1.3=221t均布荷载q=(G/2)/L=(221t/2)/19.9m=5.55t/mME=MF=q*(L1+L2/2)2*/2-q*L/2*L2/2=5.55t/m*(3.51m+6.4m/2)2/ 2-5.55t/m*19.9m/2*6.4m/2=17.264t.mMA=MB=qL12/2=5.55t/m*3.512m2/2=68.38t.m因为MA=MB>ME,所以弯距最大处在跨中,Mmax=68.38t.m=670.12KN.m贝雷片:Mmax=788KN.m, Qmax=245KN;单侧选用双排贝雷片(共四排)Mmax=788*2>670.12KN.m满足要求验算剪应力тQE=ql/2=5.55*6.4/2=17.6t*9.8=174.05KNQA=QB=QC=ql/3=5.55*19.9/3*9.8=360.79KN[б]=85Mpa,容许剪力为Q=108.29KN贝雷片容许剪力Q=245*2=490KN>360.79 满足要求2、采用插销施工,对插销棒的计算贝雷片总重G2=0.27*24=6.48t支反力F=(G+G2)/4=(221+6.48)/4=56.87t钢棒承受剪力为:Q =56.87*9.8=557.33KN选A3钢Φ12cm的钢棒,Q=0.062*∏*85=960.84KN>557.33KN 满足要求。
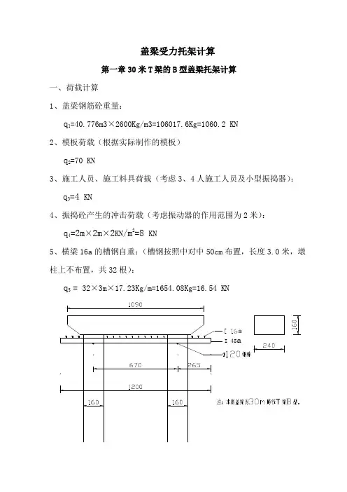
盖梁受力托架计算第一章30米T梁的B型盖梁托架计算一、荷载计算1、盖梁钢筋砼重量:q1=40.776m3×2600Kg/m3=106017.6Kg=1060.2 KN2、模板荷载(根据实际制作的模板)q2=70 KN3、施工人员、施工料具荷载(考虑3、4人施工人员及小型振捣器): q3=4 KN4、振捣砼产生的冲击荷载(考虑振动器的作用范围为2米):q4=2m×2m×2KN/m2=8 KN5、横梁16a的槽钢自重:(槽钢按照中对中50cm布置,长度3.0米,墩柱上不布置,共32根):q5 = 32×3m×17.23Kg/m=1654.08Kg=16.54 KN6、纵梁45a工字钢自重:(工字钢2根,每根长度12米)q6=2×12m×80.38Kg/m=1929.12Kg=19.29 KN二、横梁内力计算:横梁槽钢的受力验算如图:qL1、横梁[16a槽钢所受荷载:Q1=q1+q2+q3+q4+q5=1060.2+70+4+8+16.54=1158.74 KN横梁共16根,每根长3.0米,有效受力长按2.4米计,将所受力按照均布荷载分解q=1158.74/16/2.4=30.18 KN/m(均布荷载按盖梁投影面积分解:1158.74/10.9/2.4*0.5=22.15 KN/m)2、横梁弯曲应力:按外伸臂梁计算横梁弯矩,根据《路桥施工计算手册》静力计算用表知:①OA段最大弯矩M=1/2qx2=1/2×30.18KN/m×0.325m×0.325m=1.59 KN·m②AB段最大弯矩(跨中x=a+L/2=0.325+1.75/2=1.2m)M=qLx/2×[(1-a/x)(1+2a/L)-x/L]=30.18×1.75×1.2/2×[(1-0.325/1.2)(1+2×0.325/1.75)-1.2/1.75]=9.96 KN·m③横梁采用[16a槽钢,查表得,W=108.3cm3弯曲应力:σ=M max/W=9.96×1000/108.3=91.97 Mpa<[σ]=145 Mpa 满足要求。
四、支架、模板计算书支架立杆纵、横向间距90×90cm,碗扣件Φ48,壁厚3.5mm。
一、何载计算1.模板自重竹胶板9kN/m3×0.012cm(厚度)=108N/m2=0.108kN/m25cm厚大板6kN/m3×0.05cm(厚度)=0.3kN/m22.支撑方木12×15cm自重6kN/m3×0.12m×0.15m=0.108kN/m23.碗扣支架自重每根立杆3.841kg/m×4.5m=0.173kN4.新浇钢筋混凝土自重①.中支点横梁部分:25kN/m3×1.5m=37.5kN/m2②.正常段部分:平均梁高0.92m25kN/m3×0.93m=23.25kN/m25.施工人员、机具何载 1.0kPa=1.0kN/m26.振捣何载 2.0kPa=2.0kN/m2说明:5、6项何载取值依据JTJ041-89《公路桥涵施工技术规范》附录8-1。
二、木模板验算验算公式依据《建筑施工工程师手册》按多跨等跨连续梁计算,跨度取0.9米验算木板厚度5+1.2=6.2cm宽度bcm.何载组合:1+4①+5+6q=0.108kN/m2+0.3kN/m2+37.5kN/m2+1kN/m2+2kN/m2=40.908kN/m21.抗弯:M max=0.08ql2=0.08×40.908kN/m2×bcm×0.92m2=2.65kN.cmW n=1/6bh2=1/6×6.22×b=6.41bcm3σm=M max/W n=2.65kN.cm/(6.41bcm3)=0.415kN/cm2=4.15N/mm2<f m=13N/mm22.抗剪:Q=k v×ql=0.6ql=0.6×40.908kN/m2×bcm×0.9m=0.221bkN对于矩形断面τ=1.5Q/(bh)=1.5×0.221bkN/(bcm×6.2cm)=0.0536kN/cm2 =0.536N/mm2<f v=1.5N/mm23.稳定性在均布何载作用下W=k w ql4/(100EI)k w=0.677q=40.908kN/m2l=0.9m E=10000N/mm2I=bh3/12=bcm×6.23cm3/12=19.9bcm4则W=0.677×40.908kN/m2×0.93m3/(100×10000N/mm2×19.9bcm4)=1.01mm<L/400=2.25mm即扰度在允许范围之内,5cm大板满足强度、刚度、稳定性要求。
重庆高家花园嘉陵江大桥复线桥引桥及立交施工盖梁支架设计计算书编制:校核:审核:重庆城建控股(集团)有限责任公司高家花园嘉陵江大桥复线桥及立交工程项目经理部二O一四年十月目录一、结构形式 (2)二、计算依据 (2)三、主要荷载及参数 (2)四、计算假设及参数 (3)五、计算工况 (3)六、荷载及边界条件添加方式: (3)(一)荷载添加方式 (3)(二)边界条件添加方式 (3)七、计算模型 (3)八、计算结果 (4)九、主要结论 (10)一、结构形式为满足高家花园大桥引桥盖梁施工的需要,在高家花园大桥引桥盖梁处设置支架。
盖梁支架自下而上依次采用A110钢棒、卸荷块、2HN700*300分配梁、工25b分配梁,5*10cm木枋,15mm竹胶板。
盖梁支架布置形式详见施工设计图。
二、计算依据(1)《港口工程荷载规范》(JTJ 215-98)(2)《港口工程桩基规范》(JTJ254-98)(3)《建筑桩基技术规范》(JGJ 94-2008)(4)《钢结构设计规范》(GB50017-2003)(5)《路桥施工计算手册》(6)《公路桥梁抗风设计规范》(JTGT D60-01-2004)(7)《公路桥涵设计通用规范》(JTGT D60-01-2004)(8)《公路桥涵钢结构及木结构设计规范》(JTJ025-86)三、主要荷载及参数1、恒载重量按实际结构自重计算乘以1.1倍系数。
2、砼荷载根据《公路桥涵设计通用规范》(JTG D60-2004),砼荷载取26KN/m3,扣除墩身承受砼荷载部分,实际砼重量乘以1.05放大系数为支架设计计算砼荷载。
3、施工荷载施工荷载按每平方米100kg计算;乘以1.0倍系数。
4、模板荷载模板荷载按每平方米80kg计算;乘以1.0倍系数。
5、倾倒荷载倾倒荷载按每平方米200kg计算;乘以1.2倍系数。
6、振捣荷载振捣荷载按每平方米200kg计算;乘以1.4倍系数。
四、计算假设及参数1、计算假设分配梁按一般梁单元进行计。
盖梁(系梁)支架计算书本工程下系梁、盖梁分A、B两种型号,分别为φ1.8m柱盖梁、φ1.5m 柱盖梁,施工时均采用抱箍和工字钢配合作支承架。
定型钢底模下设I16工字钢背销(横桥向铺设),间距为50cm;I16工字钢背销下设两根I50C 工字钢支承(纵桥向);I50C工字钢置于柱上钢抱箍上(每个墩柱上设一个钢抱箍)。
支架计算时按φ1.8m柱顶盖梁(最大盖梁)支承计算。
1、I40C工字钢受力计算:1.1、按板梁底板处的荷载计算偏安全;相关数据查《路桥施工计算手册》。
1.1.1、荷载计算①、第一次荷载:单位长度混凝土荷载:φ1.8m:N1=V·γ砼=(2.30×1.7(梁高)×25≈97.75KN/M②、单位长度施工荷载:N2=2kpa×2.3=4.6KN/M③、单位长度振捣砼时产生的荷载:N3=2.0KPa×1.698=3.396KN/M、钢筋自重:N4=437.8㎏/m=4.38KN/m、单位长度I40c工字钢自重:N4=80.158Kg/m=0.80KN/m、单位长度模板自重:1KN/m(模板厂提供)则q=N1+N2+N3+N4+N5+N6=97.75+4.6+3.4+4.38+0.8+1=111.93KN/ m用两根工字钢承重所以取荷载值:q=111.93/2=55.965KN/m作为工字钢荷载。
1.1.2计算简图:R A=R B=q×7/2=55.965×7/2=195.87KN1.1.4、最大弯矩:M max=ql2/8=55.965×72/8=342.78KN·m1.1.5、弯矩正应力:查表:I40c Ix=23850cm4Wx=1190cm3Sx=711.2cm3G=80.1kg/mσ=M max/W x=(342.78×106)/(1.19×106)=288.05MPa<[σ]×1.25=175Mpa(不满足要求)1.1.6支座处总剪力值:Q x=0.625×55.965×7=244.84KNτmax=Q x·S x/(I x·δ)=244.84×103×0.7112×106/(2.385×108×10)=73.01MPa<[σ]×1.25=106Mpa(满足要求)1.1.7跨中挠度验算?=0.521qL4/100EI x=0.521×55.965×70004/(100×2.1×105×2.385×108)=13.98㎜≤L/400=7000/400=17.5㎜(满足要求)2、I8工字钢背销受力计算:2.1、按板梁底板处的荷载计算偏安全;相关数据查《路桥施工计算手册》。
计算书1.布置参数:面板:平面模板(0.8kn/m2)次梁:18工字钢间距0.4m,长度为4.8m(有效受力长度2.6m)。
主梁:双拼40工字钢,长度为19m。
立柱:中部钢筒立柱30cm×1cm,端部钢筒立柱20cm×1cm立柱基础:C20混凝土,3×1.5×0.5m。
2.次梁计算次梁长度4.8m(计算时取有效受力长度2.6m)、间距为0.4m布置,次梁以上为平面模板作为盖梁底模。
单跨次梁间距0.4m×2.6m为计算单元,则荷载计算如下:恒载:钢筋砼自重:26kn/m3×2.6×0.4×3=81.12kn;平面模板底膜自重:2.6×0.4×0.8=0.832kn;侧模板自重:(0.4×2)×3×0.8=1.92kn;活载:施工人员及设备荷载:3kn/m2×(2.6×0.4)=3.12kn;转换为均布荷载:q1=(1.2×(81.12+0.832+1.92)+1.4×3.12)/2.6=/2.6=40.4kN/m总体信息1、自动计算梁自重,梁自重放大系数1.202、材性:Q235弹性模量E = 206000 MPa剪变模量G = 79000 MPa质量密度ρ= 7850 kg/m3线膨胀系数α= 12x10-6 / °c泊松比ν= 0.30屈服强度f y = 235 MPa抗拉、压、弯强度设计值f = 215 MPa抗剪强度设计值f v = 125 MPa3、截面参数:普工18截面上下对称截面面积A = 3070 mm2自重W = 0.236 kN/m面积矩S = 105579 mm3抗弯惯性矩I = 16700000 mm4抗弯模量W = 185556 mm3塑性发展系数γ= 1.05荷载信息1、恒荷载(1)、均布荷载,40.40kN/m,荷载分布:满布组合信息1、内力组合、工况(1)、恒载工况2、挠度组合、工况(1)、恒载工况内力、挠度计算1、弯矩图(kN.m)(1)、恒载工况2、剪力图(kN)(1)、恒载工况3、挠度(1)、恒载工况4、支座反力(kN)(1)、恒载工况单元验算图中数值自上而下分别表示:最大剪应力与设计强度比值最大正应力与设计强度比值最大稳定应力与设计比值若有局稳字样,表示局部稳定不满足(1)、内力范围、最大挠度(a)、内力范围:弯矩设计值-34.38~0.00 kN.m剪力设计值-52.89~52.89 kN(b)、最大挠度:最大挠度7.04mm,最大挠跨比1/369(挠度允许值见《钢结构设计规范》(GB 50017-2003)附录A.1)(2)、强度应力最大剪应力τ= V max * S / I / t w= 52.89 * 105579 / 16700000 / 6.5 * 1000= 51.4 MPa ≤f v = 125 MPa 满足!最大正应力σ= M max / γ/ W= 34.38 / 1.05 / 185556 * 1e6= 176.4 MPa ≤f = 215 MPa 满足!(3)、稳定应力受压翼缘自由长度l1 = 1500 mm面外回转半径i = 20.0 mm面外长细比λ= 1500 / 20.0 = 74.9按GB 50017--2003 第127页公式(B.5-1) 计算:整体稳定系数φb = 1.07 - λ2/44000 * 235/fy= 1.07 - 74.92 /44000 * 235 / 235= 0.94最大压应力σ= M max / φb / W= 34.38 / 0.94 / 185556 * 1e6= 196.6 MPa ≤f = 215 MPa 满足!(4)、验算结论:满足!3.主梁计算根据次梁计算最大支座反力为52.9kn,则主梁承受来自次梁的集中力52.9kn,间距0.4m 布置,转换均布荷载则为132.25kn/m。
盖梁托架计算书一、荷载标准值钢筋砼容重取26kN/m 3。
(1)盖梁每延米砼为:9.25m 3/m ,宽度3.7m 。
盖梁自重标准值:()=⨯=33219.25/26//3.765/k g m m kN m m kN m(2)模板结构自重标准值:220.5/k g kN m =(3)计算模板时均布活荷载:21 2.5/k q kN m =;计算模板纵横梁时均布活荷载21 1.5/k q kN m =;计算支架立柱时均布活荷载21 1.0/k q kN m =;(4)水平面模板:22 2.0/k q kN m = 垂直面模板22 4.0/k q kN m =(5)23 2.0/k q kN m =荷载计算简图二、次梁、主梁检算盖梁模板采用大块钢模,因此不进行模板的强度、刚度检算。
2.1、次梁计算次梁横向支撑采用25a 工字钢,计算跨度为3.7m ,间距40cm 。
经查,25a 工字钢截面特性如下:==435020,402,I cm W cm =⨯5v 2.0610,f =205Mpa ,f =120Mpa 。
E MPa①强度计算模板上的均布荷载设计值为:k1k2123[1.2() 1.4()]*0.4/k k k q g g q q q KN m =++++[1.2(650.5) 1.4(1.522)]0.4/34.52/x x x kN m kN m =++++=最大弯矩:22max =0.1=0.1x34.52x3.7=47.3M ql kN m kN m ••3M /W=47.3/402c =117.56MPa 205MPa?kN m m σ=•<[满足要求]②挠度计算刚度验算采用标准荷载,同时不考虑振动荷载作用。
()()=+⨯=+⨯=k1k20.4650.50.4/2// 6.2q g g KN m kN m kN m最大挠度为:--⨯⨯⨯=⨯⨯⨯⨯⨯4433max 1155ql 526.2 3.710f ==6.1810384384 2.0610 5.0210EI <δ-33.7===9.25x10400400lm[满足要求]③抗剪强度计算最大剪力:==⨯⨯=max 0.60.634.52 3.776.63V ql kN kN 最大剪应力:τ⨯⨯===<=⨯3max 3376.6310pa 23.71202248.5v V MPa f MPa A[满足要求]2.2主梁验算2.1、主梁计算主梁拟采用双排单层贝雷梁;计算跨度为7.0m 。
盖梁支撑(盘扣式)计算书计算依据:1、《建筑施工承插型盘扣式钢管支架安全技术规程》JGJ231-20102、《混凝土结构设计规范》GB 50010-20103、《建筑结构荷载规范》GB 50009-20124、《钢结构设计标准》GB 50017-20175、《建筑结构可靠性设计统一标准》GB50068-2018一、工程属性平面图横向立面图纵向立面图单位长度钢板截面惯性矩:I=bt3/12=1000×6×6×6/12=18000mm3钢面板所受均布线荷载:q1=γ0×[1.3(G1k+(G2k+G3k)×h)+1.5×γL×Q1k]×b=1.1×[1.3×(0.3+(24+1.5)×1.8)+1.5×0.9×3]×1=70.521kN/m由于钢面板纵横向楞间距比值300/300=1<3,钢面板按双向板(两边固支,两边铰支)计算依据《建筑施工手册》(第四版),单位长度钢板最大弯矩值:M xmax=0.0234×70.521×0.32=0.149kN·mM ymax=0.0234×70.521×0.32=0.149kN·m钢的泊桑比为μ=0.3,对弯矩进行修正:M x=M xmax+μM ymax=0.149+0.3×0.149=0.1931kN·mM y=M ymax+μM xmax=0.149+0.3×0.149=0.1931kN·mM=max(M x,M y)=max(0.1931,0.1931)=0.1931kN·m1、强度验算σ=M/W=0.1931×106/6000=32.179N/mm2≤[f]=205N/mm2钢板强度满足要求!2、挠度验算钢板刚度:Bc=Et3/(12(1-μ2))=206000×63/(12×(1-0.32))=4074725.275N·mm钢板最大挠度:f max=ωmax q1l4/Bc=0.00215×70.521×10-3×3004/4074725.275=0.301mm< min[L/150,10]=min[300/150,10]=2mm钢板挠度满足要求!!盖梁底部面板承受均布荷载设计值:Q=γ0×[1.3(G1k+(G2k+G3k)×h)+1.5×γL×Q1k]=1.1×[1.3×(0.75+(24+1.5)×1.8)+1.5×0.9×3]=71.165kN/m2梁底面板传递给左边小梁线荷载:q1左=Q×b/(n-1)/2=71.165×0.8/(6-1)/2=5.693kN/m梁底面板传递给中间小梁最大线荷载:q1中=Q×b/(n-1)=71.165×0.8/(6-1)=11.386kN/m梁底面板传递给右边小梁线荷载:q1右=Q×b/(n-1)/2=71.165×0.8/(6-1)/2=5.693kN/m小梁自重:q2=1.1×1.3×(0.5-0.3)×0.8/5 =0.046kN/m梁左侧模板传递给左边小梁荷载q3左=1.1×1.3×0.75×1.8=1.931kN/m梁右侧模板传递给右边小梁荷载q3右=1.1×1.3×0.75×1.8=1.931kN/m左侧小梁荷载q左=q1左+q2+q3左=5.693+0.046+1.931=7.669kN/m中间小梁荷载q中=q1中+q2=11.386+0.046=11.432kN/m右侧小梁荷载q右=q1右+q2+q3右=5.693+0.046+1.931=7.669kN/m小梁最大荷载q=Max[q左,q中,q右]=Max[7.669,11.432,7.669]=11.432kN/m正常使用极限状态:盖梁底部面板承受均布荷载标准值:Q k=(G1k+(G2k+G3k)×h)+Q1k=(0.75+(24+1.5)×1.8)+3=49.65kN/m2梁底面板传递给左边小梁线荷载:q1左'=Q k×b/(n-1)/2=49.65×0.8/(6-1)/2=3.972kN/m梁底面板传递给中间小梁最大线荷载:q1中'=Q k×b/(n-1)=49.65×0.8/(6-1)=7.944kN/m梁底面板传递给右边小梁线荷载:q1右'=Q k×b/(n-1)/2=49.65×0.8/(6-1)/2=3.972kN/m小梁自重:q2'=1×(0.5-0.3)×0.8/5 =0.032kN/m梁左侧模板传递给左边小梁荷载q3左'=1×0.75×1.8=1.35kN/m梁右侧模板传递给右边小梁荷载q3右'=1×0.75×1.8=1.35kN/m左侧小梁荷载q左'=q1左'+q2'+q3左'=3.972+0.032+1.35=5.354kN/m中间小梁荷载q中'= q1中'+ q2'=7.944+0.032=7.976kN/m右侧小梁荷载q右'=q1右'+q2'+q3右'=3.972+0.032+1.35=5.354kN/m小梁最大荷载q'=Max[q左',q中',q右']=Max[5.354,7.976,5.354]=7.976kN/m为简化计算,按三等跨连续梁计算,如下图:1、抗弯验算M max=max[0.1ql12,0.5ql22]=max[0.1×11.432×0.62,0.5×11.432×02]=0.412kN·m σ=M max/W=0.412×106/64000=6.431N/mm2≤[f]=15.444N/mm2满足要求!2、抗剪验算V max=max[0.6ql1,ql2]=max[0.6×11.432×0.6,11.432×0]=4.116kNτmax=3V max/(2bh0)=3×4.116×1000/(2×60×80)=1.286N/mm2≤[τ]=1.782N/mm2满足要求!3、挠度验算ν1=0.677q'l14/(100EI)=0.677×7.976×6004/(100×9350×256×104)=0.292mm≤[ν]=min[ l1/150,10]=min[600/150,10]=4mm满足要求!4、支座反力计算承载能力极限状态R max=max[1.1qL1,0.4qL1+qL2]=max[1.1×11.432×0.6,0.4×11.432×0.6+11.432×0]=7.545 kN同理可得:梁底支撑小梁所受最大支座反力依次为R1=5.062kN,R2=7.545kN,R3=7.545kN,R4=7.5 45kN,R5=7.545kN,R6=5.062kN正常使用极限状态R max'=max[1.1q'L1,0.4q'L1+q'L2]=max[1.1×7.976×0.6,0.4×7.976×0.6+7.976×0]=5.264k N同理可得:梁底支撑小梁所受最大支座反力依次为R1'=3.534kN,R2'=5.264kN,R3'=5.264kN,R4'=5. 264kN,R5'=5.264kN,R6'=3.534kN六、主梁验算主梁自重忽略不计,主梁2根合并,其主梁受力不均匀系数=0.6,则单根主梁所受集中力为Ks×Rn,Rn为各小梁所受最大支座反力1、抗弯验算主梁弯矩图(kN·m)σ=M max/W=0.635×106/25300=25.106N/mm2≤[f]=205N/mm2 满足要求!2、抗剪验算主梁剪力图(kN)V max=9.054kNτmax=V max/(8I zδ)[bh02-(b-δ)h2]=9.054×1000×[43×802-(43-5)×642]/(8×1013000×5)=26.7 13N/mm2≤[τ]=125N/mm2满足要求!3、挠度验算主梁变形图(mm)νmax=0.068mm≤[ν]=min[L/150,10]=min[600/150,10]=4mm满足要求!4、支座反力计算承载能力极限状态支座反力依次为R1=0.141kN,R2=0.834kN,R3=12.784kN,R4=12.784kN,R5=0.834 kN,R6=0.141kN立杆所受主梁支座反力依次为P1=0.141/0.6=0.236kN,P2=0.834/0.6=1.39kN,P3=12. 784/0.6=21.306kN,P4=12.784/0.6=21.306kN,P5=0.834/0.6=1.39kN,P6=0.141/0.6=0 .236kN七、可调托座验算123456满足要求!八、立杆验算h max=max(ηh,h'+2ka)=max(1.2×1500,1000+2×0.7×500)=1800mmλ=h max/i=1800/15.9=113.208≤[λ]=150长细比满足要求!查表得,φ=0.3862、风荷载计算M w=γ0×γL×φw1.5×ωk×l a×h2/10=1.1×0.9×0.9×1.5×0.156×0.6×1.52/10=0.028kN·m3、稳定性计算P1=0.236kN,P2=1.39kN,P3=21.306kN,P4=21.306kN,P5=1.39kN,P6=0.236 kN立杆最大受力N w=max[P1,P2,P3,P4,P5,P6]+1.1×1.3×0.15×(7-1.8)+M w/l=max[ 0.236,1.39,21.306,21.306,1.39,0.236]+1.115+0.028/0.6=22.469kNf=N/(φA)+M w/W=22468.71/(0.386×424)+0.028×106/4490=143.522N/mm2≤[f]=300N /mm2满足要求!九、高宽比验算根据《建筑施工承插型盘扣式钢管支架安全技术规范》JGJ231-2010 第6.1.4:对长条状的独立高支模架,架体总高度与架体的宽度之比不宜大于3 H/B=7/3=2.333≤3满足要求!十、架体抗倾覆验算混凝土浇筑前,倾覆力矩主要由风荷载产生,抗倾覆力矩主要由模板及支架自重产生M T=γL×φwγQ(ωk LHh2)=0.9×0.9×1.5×(0.156×12×7×7)=111.45kN·mM R=γG[G1k+0.15×H/(l a×l)]LB2/2=0.9×[0.75+0.15×7/(0.6×0.6)]×12×32/2=178.2kN·m M T=111.45kN·m≤M R=178.2kN·m满足要求!混凝土浇筑时,倾覆力矩主要由泵送、倾倒混凝土等因素产生的水平荷载产生,抗倾覆力矩主要由钢筋、混凝土、模板及支架自重产生M T=γL×φwγQ(Q2k LH2)=0.9×0.9×1.5×(0.933×12×72)=666.554kN·mM R=γG[G1k+(G2k+G3k)h0+0.15×H/(l a×l)]LB2/2=0.9×[0.75+(24+1.5)×1.8+0.15×7/(0.6×0.6)]×12×32/2=2408.94kN·mM T=666.554kN·m≤M R=2408.94kN·m满足要求!十一、立杆地基基础计算立杆底垫板的底面平均压力p=N/(m f A)=22.469/(0.9×0.15)=166.435kPa≤f ak=400kP a满足要求!。
满堂式支架1、说明:1)、简图以厘米为单位,本图只示出支架正面图。
侧面图间距与正面图相同。
参考规范?公路桥涵施工技术规范?、?建筑钢结构设计规范?。
1) 、模板重量:G1=( 7.7*3-2.8*2*2+1.65*3*2+1.5*3*2+2*10.3-1*1.3*0.1=5.01T ; 2) 、支架 重量:G2= (20*6*1.5*3.84+(12*6+3*20)*3.84+20*6*2*1.35)*60/1.5*1.2/1000=73.06T3)、混凝土重量:G3=( 10.3*2-2*1.3*1/2 ) *3*2.5=144.75T;4)、施工人员、材料、行走、机具荷载: G4 10.3*3*2.5/10=7.72T;5)、振动荷载:G5= 10.3*3*2/10=6.18T;3)、 设计指标参照?建筑钢结构设计规范?选取。
简图4)、I ■ I ■ ■2、荷载计算3、抗压强度及稳定性计算支架底部单根立柱压力N1=( G1+ G2+ G3+ G4+ G5 / n;n=20*6=120;N1=1.972tf; 安全系数取1.2; 立柱管采用?48*3.5 钢管:A=489mm2 i=15.8 mm ;立柱按两端铰接考虑取m= 1。
立柱抗压强度复核:s = 1.2*N1*104 /A=48.39 MPa <[s]=210MPa抗压强度满足要求.稳定性复核:1= mL/i=94.94; 查GBJ17-88得j=0.676s = 1.2*N1*104 /(jA) =71.59 MPa <[s]=210MPa;稳定性满足要求.4.扣件抗滑移计算支架顶部单根钢管压力N2=(G1+ G3+ G4+ G5 /n= 1.36tf;扣件的容许抗滑移力Rc=0.85tf.使用两个扣件2*Rc= 1.7 tf>1.36tf.扣件抗滑移满足设计要求.5、构造要求:立杆底脚均垫以底座或垫板,立杆接头采用对接方式,并在支架顶端用搭接方式调整标高。
盖梁模板及支架计算书一、编制依据⑴、《钢结构设计规范》(GB 50017-2003) (JTJ 0251-86) ⑵、《公路桥涵施工技术规范》(JTJ 041-2000) ⑶、《建筑施工手册》第四版 ⑷、《路桥施工计算手册》周水兴等著 ⑸、《建筑结构荷载规范》(GB 50009-2001) ⑹、《公路桥涵设计通用规范》(JTGD60-2004) 二、侧压力计算根据《混凝土结构工程施工及验收规范》中新浇筑混凝土作业在模板上的最大侧压力计算公式如下:1/210120.22P t k k γν= h P γ=2γ-砼的重力密度,取24KN/m 3; t 0-砼初凝时间,取6h ;k 1-外加剂影响修正系数,取1.2; k 2-砼坍落度影响修正系数,取1.15; V-砼浇注速度,取1m/h ;h-混凝土侧压力计算位置处至新浇混凝土顶面总高度,取2.2m ; 故砼侧压力:1/210120.22P t k k γν==0.22×24×6×1.2×1.15×11/2=43.72KN/m 2P 2 =24*2.2=52.8KN/m 2取两者较小值43.72KN/m 2,振捣混凝土产生的侧压力取4.0KN/m 2, 则总压力:P=1.2×43.72+1.4×4.0=58.06KN/m 2。
三、模板计算1、基本参数:模面板厚度为5mm 钢板,背楞采用[8,最大间距按300mm 计算,主龙骨2I18工字钢,每100cm 一道。
其中:Q235: [σ弯]=145Mpa ,[τ]=85Mpa ,E-弹性模量,钢材取2.1×105 Mpa 。
2、面板计算 ⑴、强度验算L x /l y =300/100=0.3。
根据《建筑施工计算手册》查表得:K f =0.00261, K mx =0.0416 K my =0.0017, K mx 0=-0.0843取1mm 板宽做为计算单元:q 1=58.06×103×0.001=58.06N/ma 、求支座弯矩:M x 0=K M 0ql 2=-0.0843×58.06×0.32=0.441N ·m面板截面系数:W=bh 2/6=1*52/6=4.2mm 3应力:max 487.881.31456M MPa MPaW σ===<0.441/(4.2×10-9)=105Mpa<145Mpa b 、求跨中弯矩:M x =KM x 0ql 2=0.0843*58.06*0.32=0.44 N ·m应力:max 2421359.5714525300M MPa MPaW σ===<0.44/(4.2×10-9)=105Mpa<145Mpa因此5mm 面板强度满足设计要求。
盖梁支架计算书一、满堂式支架1、说明:1)、简图以厘米为单位,本图只示出支架正面图。
侧面图间距与正面图相同。
2)、参考规范«公路桥涵施工技术规范»、«建筑钢结构设计规范»。
3)、设计指标参照«建筑钢结构设计规范»选取。
4)、简图2、荷载计算1)、模板重量:G1=4.8T;2)、支架重量:G2=(20×4×1.2×3.84+(12×4+2×20)×3.84+20×4×2×1.35) ×20/1.2×1.2=18.45T;3)、混凝土重量:G3=(11.46×1.75-10.96×0.35-2×1.43×0.6)×1.9×2.5=68.89T;4)、施工人员、材料、行走、机具荷载:G4=0.001×11.46×1.9×1025)、振动荷载:G5=0.001×11.46×1.9×102=2.18T;3、抗压强度及稳定性计算支架底部单根立柱压力N1=(G1+G2+G3+G4+G5)/n;n=20×4=80;N1=1.23tf;安全系数取1.2;立柱管采用ø48×3.5钢管: A=489mm2、i=15.8 mm;立柱按两端铰接考虑取μ=1。
στμ立柱抗压强度复核:σ=1.2×N1×104/A=25.15 MPa <[σ]=210MPa 抗压强度满足要求.稳定性复核:λ= μL/i=76;查GBJ17-88得ϕ=0.807σ=1.2×N1×104/(ϕA)=30.18 MPa <[σ]=210MPa;稳定性满足要求.4.扣件抗滑移计算支架顶部单根钢管压力N2=(G1+G3+G4+G5)/n=1tf;扣件的容许抗滑移力Rc=0.85tf.使用两个扣件2×Rc=1.7 tf>1tf.扣件抗滑移满足设计要求.5.在支架搭设时应在纵横向每隔4-5排设45度剪力撑。
盖梁模板及支架受力计算书一、计算参数荷载: ① 模板自重 40 KN(侧)+8.22KN(底.)=48.22KN36a 工钢 0. 6*12*2=14.4KN② 砼自重 22.83m 3 *25=570.75 KN③ 施工人员及机具荷载 1.5KN/m 2*4.4m*1.9m=12.54KN④ 新浇砼对模板产生荷载 0.22*24*1.5*1.51/2=9.7KN/m 2⑤ 振捣砼产生荷载 2 KN/m 2*4.4m*1.4m=12.32 KN (水平面) 4*4.4*1.5=26.4KN (垂直面)⑥ 倾倒砼产生荷载 4 KN/m 2*4.4m*1.9m=28.56 KN二、对工钢进行验算36a 工钢 I x =15796cm 4 W x =877.6cm 3 S x =508.8cm 3E=2.1*105MPa [δs ] =145MPa τmax =85MPa∑=48.22+14.4+570.75+12.54+12.32+28.56=686.79 KN故qc=34.3410*279.686 KN/m (1) 弯曲强度M max =25*1.6*34.34*[(1-1.95/5)(1+2*1.95/6.1)-5/6.1]=94.435KN.m δmax =3610*6.87710*435.94=103.6MPa<145MPa[δs ]计算简图:q c =34.34KN/m(2) 抗剪强度验算Qmax=21.6*34.34=104.737KNτmax =10*10*1579610*8.508*10*737.104433=33.74MPa<[τ]=85MPa(3)挠度验算ƒmax =3845*El ql 4=45410*15796*10*1.2*3846100*34.34*5=18<2506100=24.4mm三、支架方木验算(1)强度计算∑P=672.39KN ∑q c =9.1*1039.672=35.39KN/m 2q c =35.39*0.5=17.7KN/mM max =87.1*7.172=6.4KN.mΣ=26200*200*6110*4.6=4.8MPa<15Mpa(可)(2)挠度计算ƒmax =)12200*200(*10*10*3841700*7.17*5334=1.4mm<4.3mm计算简图:四、竹胶底模计算1.8CM 厚竹胶底模参数: W x =54mm 3 I x =486mmE=9.0*10 3 M pa δ=14.5Mpa σ=85Mpa(1) 强度验算∑P=632.39KN ∑q c =9.1*1039.632=33.3 KN/m 2M max =103.0*033.02=0.0003KN.mδ=5410*0003.06=5.5Mpa<14.5Mpa(可)ƒmax =486*10*9*384300*033.0*534=0.8 mm =400300=0.8mm计算简图:五、侧钢模背楞及面板验算10a 槽钢: W x =39.4cm 3 I x =198.3cm 4 S x =23.5cm 3E=2.1*105 δ=145Mpa γ=85Mpa q c =9.8KN/m(1)外背楞(间距0.9m 一道)P=4.59KN R A =R B =9.18KN经计算:M max =4.13KN.mδmax =3610*4.3910*13.4=104MPa<140Mpa 故可 ƒmax =45410*3.198*10*1.2*3841700*5.13*5=3.5mm =4001700=4.25mm(2 钢侧模面板及其内背楞由于内背楞及钢侧模面板材料强度及刚度大于底背楞及底模强度及刚度,且底部荷载大于侧面荷载,故模板力学性能无需再进行验算。
盖梁支架设计计算书一、盖梁支架施工工程概况1、工程简介本工程跨线桥盖梁共8个,分A1型和A2型两种,A1型盖梁与路线垂直长度11。
75m,跨度8.5m,断面尺寸1.8×1。
7m,悬臂最长1.025m;A2盖梁与路线垂直长度13.025m,跨度11.05m,断面尺寸1。
8×1.8m,悬臂最长2.025m.盖梁立柱直径均为1.2m。
本次验算1.8×1.8m盖梁支架系统设计.盖梁示意图如下:2、支架系统设计盖梁支架采用MF1219门式钢管支架,立杆φ42×2.5㎜,支架纵桥向间距均为60㎝,横桥向最大间距60cm。
门式支架布置两层,门架间以斜支撑、水平杆和剪刀撑连接构成整体框架。
盖梁底模、侧模均采用18mm优质胶合板,在侧模外侧采用间距0.8m的2[12。
6槽钢作竖带,竖带高2m,在竖带上下各设一条φ20㎜的螺杆作拉杆,在竖带外设φ48×3.5的钢管斜撑,支撑在横梁上。
在底模下部采用10×10cm方木作横梁及纵梁。
盖梁支架设计如下图所示:二、盖梁支架及模板施工受力验算1、荷载计算①钢筋砼自重荷载q1钢筋砼重力密度取26KN/m3,盖梁梁高为1。
8m,不考虑梁端部梁高减小,自重荷载为q1=26×1。
8=46。
8KN/㎡。
②模板、楞木等荷载q2胶合板荷载,胶合板容重17KN/m3:q1’=1。
8×1×0。
018×3×17/(1.8×1)=0。
92KN/㎡。
模板两侧背楞方木荷载,容重8 KN/m3:q2’=0。
1×0.1×1×10×8/(1.8×1)=0。
45KN/㎡.模板两侧背楞槽钢荷载,l=200㎝,间距80㎝,单位重0.124KN/m:q3’=2×0.124/(1.8×0。
8)=0.17KN/㎡.底横梁方木荷载,间距30㎝,容重8 KN/m3:q4’=0。
北引桥盖梁支架计算书一、工程简介新造珠江北引桥总长为826米,桥梁起点桩号为K5+427.4,终点桩号为K6+253.4;南引桥总长为396米,桥梁起点桩号为K7+011.4,终点桩号为K7+407.4。
桥墩中心线垂直桥梁中心线呈径向布置。
墩身基础采用钻孔灌注桩和分离式承台,分两幅桥分别设计。
北引桥桩基布置型式为:采用4根直径1.2m的钻孔灌注桩,桩间净距3.0m,承台为矩形,平面尺寸为5.2m×5.2m,承台厚2.5m。
北引桥墩身采用花瓶墩,墩底截面尺寸4.0m×2.0m,墩顶截面为6.5m×2.0m。
墩顶均设预应力盖梁。
盖梁横桥向布置图(单位:cm)二、参考资料1、设计院及相关部门提供的该项目相关技术资料2、《公路桥涵施工技术规范》(JTJ041-2000)—人民交通出版社3、《钢结构设计手册》(第二版)——中国建筑工业出版社4、《公路桥涵钢结构及木结构设计规范》(JTJ025-86)5、《结构力学》——人民交通出版社6、《路桥施工计算手册》——人民交通出版社7、《实用土木工程手册》——人民交通出版社8、《公路桥涵设计通用规范》——(JTG D60-2004)9、《公路施工手册-桥涵》——人民交通出版社三、计算参数Q235钢材的允许应力:【σ】=170MPaQ235钢材的允许剪应力:【τ】=120MPaQ235钢材的弹性模量:E=2.1×105Mpa45#钢:【τ】=250MPa四、计算软件盖梁支架结构采用MIDAS进行整体建模验算。
五、计算内容一)支架结构图(单位:cm)二)计算模型三)荷载计算1、混凝土自重荷载(P1):按照结构物高度进行计算,以压力荷载形式施加给支架悬臂段模板面板,由面板将荷载传递至悬臂段三角支撑架,进而传递至盖梁支架。
P1=h*γ其中:h—结构物对应计算点的高度;γ—混凝土容重,取25KN/m3;2、模板自重荷载(P2):根据实际设计模板重量,取P2=1Kpa。
目录盖梁模板、托架计算书 (1)一、工程概况 (1)1.盖梁类型 (1)2.支架搭设情况 (1)二、计算依据 (1)三、模板支架布置图 (2)四、计算原则 (2)五、高1.6m盖梁模板验算 (2)1.侧模布置 (2)2.模板所受侧压力 (3)3.面板验算 (4)4. 横肋验算 (5)5.竖向大肋验算 (7)六、支架验算 (7)七、销棒验算 (13)盖梁模板、托架计算书一、工程概况1.盖梁类型详见《圆柱墩墩身、系梁、盖梁施工方案》第二章工程概况2.支架搭设情况盖梁施工采用无落地支架施工技术:在墩柱中预埋两根PVC管,将υ70mm 钢棒穿入其中,作为墩柱两侧牛腿拉杆,牛腿上放置千斤顶,将两根45a型工字钢分别担在墩柱两侧的千斤顶上,并在两根工字钢上均匀铺设12.6工字钢作为分配梁,在超出盖梁的槽钢上铺设δ=5cm厚木板作为施工平台,分配梁两端每隔2米焊一节1.2m高Φ25钢筋作为护栏立柱,护栏横向通长布钢筋3道,护栏钢筋焊好后用安全网围护。
二、计算依据《路桥施工计算手册》人民交通出版社《结构力学》高等教育出版社《钢结构设计原理》高等教育出版社《公路桥涵施工技术规范》交通部部颁 JTJ041-2000三、模板支架布置图四、计算原则由于本项目盖梁尺寸繁多,模板均采用同种材料同一厂家加工,支架均采用同种材料搭设,故在进行模板验算与支架验算时,选取结构自重最大的盖梁进行验算,即选择尺寸为长×宽×高为11m×2.4m×1.6m的盖梁(过渡墩)进行验算,采用ansys有限元分析软件与SM-slove结构力学求解进行验算。
五、高1.6m盖梁模板验算1.侧模布置侧模采用钢模,面板厚度4mm,竖肋间距40cm,横肋间距30cm,竖向大肋间距1.05m。
42005251050105010505251501750932002002002002002002009315015015015015015015015015015015015015015015075150150150150150150150150150150150150751600材料用量表2.模板所受侧压力新浇混凝土对模板的侧压力(按墩身模式):12121222000.22T 150.2225203 1.2 1.152 71.5KN/m cf v γββ=+=⨯⨯÷⨯⨯⨯=() γc h=25×1.6=40KN/m 2,f >γc h 。
盖梁模板支架计算书以盖梁跨度最大和荷载最大的一横河中桥为例,盖梁长16m,宽1.7m,高1.5m,柱中间距9.4m。
混凝土体积为40.8m3,钢筋混凝土容重取25KN/m3,混凝土总重力为1020kN。
一.模板概述1.侧模与端模支撑侧模为厂家加工的整体钢模,面模钢板厚度5mm,横肋采用12#槽钢,间距30cm,竖肋采用双12#槽钢,间距60cm,竖肋高1.8m;在竖带上下各设一条φ16的栓杆作拉杆,上下拉杆间间距1.7m,在竖肋外设φ48 的钢管斜撑,支撑在底模横梁上。
2.底模支撑底模为整体钢模,面模钢板厚度为5mm,在底模下部顺肋为12#槽钢,间距30cm,横肋为10×10cm方木,间距20cm,单根按3m,跨度按1.4m计算。
3.纵梁抱箍两侧各搭一条单层单排贝雷梁作为纵梁,全长18m,墩柱中心间距9.4m。
纵梁之间采用φ16的栓杆焊接。
4.抱箍采用两块半圆弧型钢板(板厚t=12mm)制成,抱箍高50cm,采用20根M24高强螺栓连接。
抱箍紧箍在墩柱上产生摩擦力提供上部结构的支承反力,是主要的支承受力结构。
二.荷载组合①盖梁自重荷载:1020KN,即37.5KN/m2②人员荷载:2.5KPa③混凝土冲击荷载:2.0KPa④混凝土振捣荷载:2.0KPa⑤贝雷梁:单位重1kN/m,共18×2=36KN,连接件取0.2kN/m⑥3m长10×10方木:6KN/m3,单根0.18KN,共80根,共14.4KN⑦大模板荷载:全重按8000Kg,即80KN三.抱箍计算1.荷载组合抱箍上总荷载:q=37.5×1.7+(2.5+2+2)×1.7+14.4/16+1.2×2+80/16=83.1KN/m 2.计算简图q=83.1N/mm 3.3m9.4m3.3mR1R23.15×10Nmm53.15×10Nmm5R 1=R 2=KN l a ql 6654.93.32124.91.83)21(2=⨯+⨯=+)(,该竖向压力即为抱箍需产生的竖向摩擦力。
1盖梁施工1.1工艺概述本标段共有盖梁 (含桥台盖梁)50座,盖梁混凝土标号为C30。
桥墩盖梁采用抱箍法施工,桥台盖梁为桩接盖梁形式,采用就地现浇施工。
盖梁施工流程:在墩柱上安装抱箍(地基处理)→安装H70型钢(搭设辅助支架)→铺设工字钢→安装盖梁底模→盖梁钢筋绑扎→安装盖梁侧模→盖梁混凝土浇筑→盖梁混凝土养护、拆模。
1.2 桥墩盖梁支架施工(1)抱箍法施工本标段共有两种盖梁形式,一种是两柱式,一种三柱式,每个立柱均采用两块半圆弧型钢板(板厚t=10mm)制成。
考虑到受力要求及施工时的便易性,拟采取两种抱箍形式,一种为专门用于三柱式桥墩的中柱,高度为1.2m,一种为两柱式桥墩及三柱式桥墩的边柱,高度为1m。
采用M24高强螺栓连接。
抱箍紧箍在墩柱上产生摩擦力提供上部结构的支承反力,为提高墩柱与抱箍间的摩擦力,同时对墩柱混凝土面保护,在墩柱与抱箍之间设一层5mm厚的橡胶垫,纵梁与抱箍之间采用U型螺栓连接。
取最不利荷载为验算标准,经验算可保证盖梁的施工质量。
盖梁支架采用24m长H70型钢纵梁,每侧1根工字钢,横向12#工字钢铺设作横梁,横梁上设钢垫块以调整盖梁底的横向坡度与安装误差,在横梁上方纵向铺设1cm厚的竹胶板,侧模采用1cm厚12.23m长钢模板。
栏杆采用υ50的钢管搭设,在横梁上设两道1.2m高的钢管立柱,竖向间隔0.5m设一道钢管立柱,钢管之间采用扣件连接。
立柱与横梁的连接采用在横梁上设0.2m高的支座。
钢管与支座之间采用销连接,工作平台设在横梁悬出端,在横梁上铺设3cm厚的木板,木板与横梁之间采用铁丝绑扎牢靠;防护栏杆四周都用密目网围护,以防杂物从高空坠落造成安全事故。
(2)盖梁抱箍结构验算本工程盖梁长度、形式不一,取最不利荷载为验算标准,两柱式最不利荷载盖梁为9#和11#左幅盖梁,尺寸为:15.447m(长)×2m(宽)×(1.4~1.65m)(高),三立柱最不利荷载为11#右幅桥盖梁和19#左盖梁,其中11#盖梁尺寸为:22.096m (长)×1.9m(宽)×1.4m(高),尺寸分别为:21.331m(长) ×2m(宽)×(1.906~2.308m )(高)。
汕湛高速揭博项目T11 标盖梁支架计算书四川路桥建设股份有限公司2014年3月30日目录1、工程概况 (1)2、总体施工方案 (1)3、支承平台设置 (4)4、计算依据 (5)5、计算参数 (5)6、计算结果 (9)7、结论 (22)& 抱箍试验 (23)盖梁抱箍法施工方案工程概况本标段主线共设置大中桥7座(不含互通区和服务区),分别为白昌屋大桥(30米T梁),万年坑大桥(30米T梁),叶塘1号大桥(25米小箱梁),叶塘2号大桥(25米小箱梁),秋香江大桥(25米小箱梁),上赖水大桥(30米T梁),黎坑大桥(25米小箱梁);九和互通内共设置桥梁3座,其中主线桥2座,匝道1座,分别为三社坑大桥(25米小箱梁),围坪大桥(25米小箱梁),D匝道桥(20米现浇箱梁);紫金西互通内共设桥梁3座,其中主线桥2座,分别为玉竹坑中桥(25米小箱梁),围澳水大桥(25米小箱梁)和L线秋香江大桥(25米小箱梁);瓦溪服务区共设置主线桥1座,为四联大桥(30米T梁)。
下部结构采用桩基础、地系梁、承台、柱式桥墩、肋板、台帽、盖梁和耳背墙。
其中D匝道桥桥墩采用花瓶墩。
二、总体施工方案因本标段桥梁盖梁高度较高,采用满堂支架施工盖梁耗时长、占用大量钢管扣件等周转材料、不经济。
拟采用在墩柱上安设抱箍支承平台施工。
盖梁统计表考虑最不利情况(跨度及盖梁尺寸均最大),采用秋香江1.8m*2.4m*17.437m盖梁(两柱)、上濑水大桥2.1m*2.4m*15.3m盖梁(两柱)和四联大桥2.1m*2.4m*20.1m (三柱)盖梁作为计算模型。
盖梁简图分别如下:T面三、支承平台布置盖梁施工支承平台采用在两墩柱(或三墩柱)上各穿一组抱箍(高60cm或50cm),上面采用墩柱两侧各一组63a工字钢或单排单层不加强型贝雷片(做横向主梁),搭设施工平台的方式。
主梁上面安放一排每根3m 长的双拼[10 槽钢,间距为40cm 作为分布梁。
分布梁上铺设盖梁底模。
传力途径为:盖梁底模——纵向分布梁(双10 槽钢)——横向主梁(63a工字钢或贝雷片)一一抱箍。
如下图:四、计算依据本计算书采用的规范如下:1. 《公路桥涵施工技术规范》 (JTJF50-2011)2. 《钢结构设计规范》( GB 50017-2003)3. 《建筑结构荷载规范》 (GB50009-2012)4. 《建筑施工扣件式钢管支架安全技术规范》 ( JGJ130-2011)5. 其他现行相关规范、规程计算参数1. 主要材料1)[10 槽钢截面面积为:A=1270mm2截面抵抗矩:W=39.7x103mm3截面惯性矩:I=198x104mm4弹性模量E=2.1 xiO5Mpa钢材采用Q235钢,抗拉、抗压、抗弯强度设计值]“ =215Mpa。
2)63a工字钢横向主梁采用2根63a工字钢,横向间距为200cm。
截面面积为:A=15500mm2,X 轴惯性矩为:l x=93920x 104mm4,X轴抗弯截面模量为:W x=2981 x 103mm3,钢材采用Q235钢,抗拉、抗压、抗弯强度设计值]“ =215Mpa。
3)贝雷片长3m高1.5m,贝雷片每片重量270kg/片。
该结构形式为单排单层不加强型贝雷梁,其结构形式性能参数为:M容=788.2kN*m, Q容=245.2kN E=2.1*105Mpa IX = 250497.2cm42. 设计荷载1)砼自重秋香江大桥1.8m*2.4m*17.437m 盖梁(两柱):砼方量:V=56.38m3 钢筋9272kg砼按24KN/m3计算,砼自重:G=56.38X 24=1353KN总重=1353+9.272*10=1445 KN盖梁长17.437m,均布每延米荷载:q i=82.86kN/m上濑水大桥2.1m*2.4m*15.3m 盖梁(两柱):砼方量:V=57.71m3 钢筋9331kg砼按24KN/m3计算,砼自重:G=57.71X 24=1385KN总重=1385+9.331*10=1478 KN盖梁长15.3m,均布每延米荷载:q i=96.62kN/m四联大桥2.1m*2.4m*20.1m (三柱)盖梁:砼方量:V=76.2m3 钢筋12074kg砼按24KN/m3计算,砼自重:G=76.2X 24=1829KN总重=1829+12.074*10=1950 KN盖梁长20.1m,均布每延米荷载:q1=97kN/m2)组合钢模板及连接件0.95 kN/m2,侧模和底模每延米共计 5.2m2,q2=4.94kN/m3) 双[10 槽钢3m长双[10槽钢间距0.4m,每延米5根共计15米,合计:q3=15X 0.仁1.5 kN/m4)63a 工字钢共2根,单根长17.45米,共重:2X17.45X122kg=4258kgq4=42.58KN/17.45m=2.44KN/m5)贝雷片长3m,高1.5m,贝雷片每片重量270kg/片。
该结构形式为单排单层不加强型贝雷梁,其结构形式性能参数为:M容=788.2kN*m, Q容=245.2kN E=2.1*105Mpa IX = 250497.2cm4 6)施工荷载小型机具、堆放荷载:q5=2.5 KPa振捣混凝土产生的荷载:q6=2 KPa3. 荷载组合及施工阶段盖梁自重及支架自重均按恒载考虑组合系数 1.2,施工荷载按活载考虑组合系数1.4。
3、受力模型1)[10 槽钢分布梁计算模型:[10 槽钢分布梁直接承受底模以上的自重,[10 槽钢分布在圆柱两侧的63a 工字钢(或贝雷片)上,两工字钢(或贝雷片)主梁紧贴圆柱,间距按圆柱最大直径180cm故[10a槽钢分布梁计算跨径为180cm悬臂有利跨中受力,不计悬臂部分,按简支梁计算,实际偏安全,如下图12)工字钢主梁计算模型:工字钢(或贝雷片)主梁承受由每根槽钢分布梁传来的重力,按均布荷载考虑,两根工字钢(或贝雷片)各承受一半的力,工字钢(或贝雷片)搭在抱箍上,故工字钢计算跨径为圆柱中心的间距,按两端外伸悬臂计算。
如下图3)抱箍计算模型抱箍采用两块半圆弧型钢板(板厚t=12mm)制成,M27的高强螺栓连接,抱箍高60cm,采用16根(18根)高强螺栓连接。
抱箍紧箍在墩柱上产生摩擦力提供上部结构的支承反力,是主要的支承受力结构。
为了提高墩柱与抱箍间的摩擦力,同时对墩柱砼面保护,拟在墩柱与抱箍之间设一层无纺布,纵梁与抱箍之间采用U 型螺栓连接。
六、计算结果6.1 两柱盖梁:秋香江1.8m*2.4m*17.437m 盖梁1.[10 槽钢分布梁计算荷载q=1.2x (q1+q2+q3)+1.4 x (q5+q6)= 1.2 x (82.86+4.94+1.5)+1.4 x (2.5+2)=113.5KN/m双[10a槽钢分布梁布设间距0.4m,单根承受0.4 x 113.5/2=22.7KN , 盖梁底宽1.8m则单根槽钢均布荷载q=22.7/1.8=12.6KN/M计算跨径1.8m跨中弯矩:M=1/8ql2=0.125x 12.6x 1.8 2=5.1KN.M(T =M/W=5.1/39.7 X 03mm3=128MPav【215MPa】挠度:f=5ql4/384EI=5 x12.6 x1.84/(384 x2.1 x198)=0.0041m<[f]=l0/400=1.8/400=0.0045m (满足要求)2.63a 工字主横梁计算荷载:q=1.2x (q1+q2+q3+q4)+1.4 x (q5+q6)=1.2x (82.86+4.94+1.5+2.44)+1.4 x (2.5+2)=116.4KN/m63a工字钢设两根,单根承受q=0.5 x 116.4=58.2KN/M计算跨径10.277m跨中弯矩:M=1/2qlx[(1-a/x)(1+2a/l)-x/l]= 1/2 X 58.2 X 10.277 X 8.72 X [(1-3.58/8.75) X (1+2 X3.58/10.277)-8.75/10.277]=394KN.M(T 二M/W=3942981X103mm3=132MPav【215MPa】,满足要求。
跨中挠度:f=ql4(5-24a2/l2)/384EI=58.2X 10.2774X (5-24 X 3.582/10.2772)/(384X 2.1X 93920)= 0.017m=17mm<[f]=l/400=10.277/400=25.7mm,满足要求。
悬臂端点挠度:f=qal3(6a2/l2+3a3/l3-1)/24EI=58.2X 3.58 X 10.2773X (6 X 3.582/10.277 2+3X 3.583/10.277 3-1)/(24 X 2.1 X 93920)=-0.0069m<[f]=l/400=3.58/400=0.009mm,满足要求。
最大剪力Qmax =297KN最大剪应力。
=297KN/15500mm2=19.16Mpa< [J =215Mpa (容许),满足要求。
3 、抱箍计算1 )、荷载计算抱箍体所承受的压力N 为纵梁及其以上所有荷载产生的合力。
抱箍桶壁与墩柱之间产生的摩擦力f抵抗压力N,由f=卩N知,f由作用在抱箍桶上的垂直压力产生,采用抱箍桶之间的高强螺栓的拉力T 对抱箍桶施工压力。
盖梁恒载G1=1445kN钢模自重G2=4.94*17.437=86.14kN施工人员、机具等其他荷载G3=(2.5+2)*10=50kN横梁自重G4=1.5*17.437=26.15 kN纵梁自重G5=2.44*17.437=42.54 kN则两个抱箍承受的总荷载G= G1+ G2+ G3+ G4+ G5=1445+86.14+50+26.15=1607.3 kN一个抱箍体承受的竖向力 N=G/2=803.65 kN ,该值即为抱箍体需产生的摩 擦力。
2)、抱箍受力计算(1)螺栓数目计算 抱箍体需承受的竖向压力 N=803.65kN 抱箍所受的竖向压力由 M27 的高强螺栓的抗剪力产生,查《路桥施工计 算手册》, M27 螺栓的允许承载力:[NL]=P 卩 n/K式中: P---高强螺栓的预拉力,取 290kN;叶摩擦系数,取0.3;n---传力接触面数目,取 1;K---安全系数,取 1.7。
则:[NL]= 290 >0.3 X/1.7=51.18kN 螺栓数目 m 计m=N /[NL]= 803.65/51.18=15.7^6 个,取计算截面 的螺栓数目 m=16 个。
则每条高强螺栓提供的抗剪力:2)螺栓轴向受拉计算砼与钢之间设一层橡胶或土工布,按橡胶与钢之间的摩擦系数取卩=0.3 计算。
抱箍产生的压力 Pb= N/ u=03.65kN/0.3=2679kN 由高强螺栓承担。