水利施工组织设计-主塔支架验算下横梁书
- 格式:docx
- 大小:11.46 KB
- 文档页数:4
坝陵河大桥西索塔施工方案一、概述西索塔为门形结构,包括上、下塔柱和上、下横梁,采用C50混凝土。
塔顶高程为1157.316m ,塔座底高程为955.000m ,上塔柱高123.244m ,下塔柱高78.072m ,索塔总高202.316m ,上塔柱横桥向柱斜率27.962:1,下塔柱横桥向外侧斜率20.848:1,下塔柱内侧与地面垂直,上下塔柱顺桥向斜率106.165:1。
塔底中心距离为40.56m 。
塔柱为单箱单室的箱形截面,上塔柱截面尺寸由8.5×6.0m 变化至10.8×6.0m ,壁厚1.0m ,靠近上下横梁处塔柱壁厚加大至1.5m ,下塔柱截面尺寸由10.8×6.0m 变化至12.29×9.74m ,壁厚1.2m ,靠近下横梁处塔柱壁厚加大至1.5m ,塔底设置3.0m 实心段,实心段以上5.0m 范围,塔柱壁厚由1.2m 增加至2.2m 。
为增强景观效果,上塔柱顶部内侧设置高度为10m 宽度为6m 的楔型装饰块。
横梁为预应力混凝土结构,上横梁高度为10m ,宽度为7.5m ,壁厚0.9m ;下横梁高度为10m ,宽度为9m ,壁厚1.0m 。
横梁内与引桥桥墩对应位置设置横隔板,横隔板与塔的横向中心间距为6.25m ,板厚为1.0m 。
西塔柱基础按嵌岩桩设计,桩径为2.5m ,桩底高程为908.000m ,桩长41m 。
桩基采用4×4行列式布置,桩中距为5m ,承台平面尺寸为19×19m ,承台厚度7m ,两个承台之间设置系梁,系梁高度6m ,宽度10m 。
索塔桩基成孔完成后,进行桩底勘探,如果有溶洞存在,必须采用必要的压浆加固处理措施。
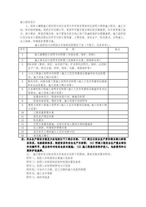
索塔结构参见图1-1。
25032012324.49624.4600100060060020231.611324.41000100600注:本图尺寸除高程以米计外,余均以厘米为单位。
850B -BA -A西塔侧面西塔立面A A胜境关镇宁B B 6006002800220020050050050020020050050050020020050050050020020050050050020020050050050020020050050050020010005003001006007.220551.64100100300500500100012005006004005507.220231.641002800220060060020551.641006904.512327.1320850IP 1160.5161106.165120.84827.96211000974.46807.210004100塔底908.000塔底955.000上横梁顶1157.316下横梁顶面1034.072图1-1 索塔结构示意图二、主要施工顺序主塔基坑施工→主塔桩基施工→承台与系梁施工→塔身施工→附属设施安装施工。
水利项目施工组织设计方案(DOC 80页)部门: xxx时间: xxx制作人:xxx整理范文,仅供参考,勿作商业用途目录第一章编制依据及工程概况第一节编制依据第二节编制说明第三节工程概述第二章施工组织机构人员配备第三章施工平面布置和临时设施布置第四章施工防汛预案第五章施工准备与测量第六章施工方案与技术措施第一节土(石)方工程第二节箱涵工程第三节挡墙工程第四节生态护坡工程第五节混凝土栏杆施工第六节浆砌卵石施工第七节围堰施工第八节钢筋混凝土管道施工第九节路面施工第十节 ******分水工程相关混凝土工程第十一节 ******分水工程相关钢筋工程第十二节 ******分水工程相关模板工程第十三节施工中注意事项第七章质量管理体系与措施第一节质量管理体系第二节施工质量控制措施第八章安全管理体系与措施第一节安全管理体系第二节安全生产防护措施第三节安全教育及培训计划第十章环境保护管理体系与措施第一节建立环境保护管理体系第二节环境保护措施第三节降低环境污染措施第九章文明施工措施第十章工程进度计划与措施第一节施工进度计划第二节施工进度的保证措施第十一章资源配备计划第一节劳动力安排计划第二节投入本工程的施工机械第三节投入本工程的检测设备第四节材料供应计划第十二章季节性施工措施第一节夏季施工第二节雨季施工第十三章民工工资保障措施第十四章地下管线及其他地上地下设施保护加固措施第十五章已完工程及设备保护第十六章安全事故应急救援预案附表一:拟投入本标段的主要施工设备表附表二:拟配备本标段的试验和检测仪器设备表附表三:劳动力计划表第一章编制依据及工程概况本施工组织设计将作为规划指导建筑施工全过程的文件依据。
编制过程中我公司对各分项工程的施工工期安排、质量目标、项目管理机构设置与劳动力组织、施工进度计划控制、施工机械及周转材料的准备、主要技术方案的措施、安全保证措施、文明施工措施及降低工程成本、推广新技术等诸多因素进行了充分考虑,重点突出了该施工组织设计方案的科学性、适用性和针对性。
(一)综合说明1.工程概况焦作市供水配套工程是河南省受水区供水配套工程的组成部分,市域共设置分水口门4座,向5个供水目标供水,分别为25号分水口门向温县规划水厂供水工程,26号分水口门向武陟县规划水厂供水工程,27号分水口门向焦作市府城规划水厂供水工程,28号分水口门向焦作市府城规划水厂、修武县改扩建水厂供水工程。
27号分水口门向焦作市府城规划水厂供水工程,27号输水线路起点为焦作市中站区府城分水口门后的进水池,终点至府城水厂,桩号0+000~1+840,途经翟家庄、河南理想园林环卫设施有限公司、焦作市公路机械工程处、中州农场、河南省军区农副业示范基地,全长1.84km,分配水量9600万m3。
输水管线选用PCCP管做输水管材,管径为DN1800,输水形式为有压重力流,管道设计流量3.4m3/s。
2.水文气象和工程地质2.1水文气象本区域位于河南省东北部,属温带大陆性季风气候,气候温和,四季分明。
夏秋两季受太平洋副热带高压控制,多东南风,炎热多雨;冬春两季受西伯利亚和蒙古高压控制,盛行西北风,干燥少雨。
年平均气温为l4.0℃,极端最高气温42℃,极端最低温度-l9.2℃;多年平均风速2.3m/s,一年中,以3、4月份风速最大,9月份风速最小,最大风速达18.3m/s;最早地面稳定冻结处同在12月中旬,最晚开始解冻日期在2月中旬,历年最大冻土深度28cm,全年无霜期294d。
2.2工程地质河南省南水北调受水区供水配套工程焦作市府城分水口门(27号口门)至焦作市府城规划水厂输水管线工程始于焦作市西南府城村东南总干渠右岸府城分水口门,向东南方向过焦作市公路机械工程处向东北方向进入规划蓄水池和规划水厂,规划蓄水池紧靠规划水厂,主要向焦作市新区供水。
根据设计资料,该输水管道设计管径l.8m,管线埋深一般3~5m,管道长l.84km。
府城分水口门位于总干渠桩号HZ30+615处,与总干渠交点坐标x=519028.009,y=3896184.454,设计引水流量为4m3/s。
⽔利⼯程施⼯组织设计⽬录⼀、⼯程概况⼆、施⼯平⾯总布置三、施⼯进度计划四、主要⼯程施⼯⽅案五、施⼯组织机构与管理六、施⼯⼈员、机械及材料计划七、质量保证措施⼋安全⽣产保证体系及措施九⽂明施⼯与环境保护措施⼗附图:施⼯进度横道图施⼯进度⽹络图施⼯进度平⾯图湖北省※※市※※河河道整治⽔利⼯程2标段施⼯组织设计⼀、⼯程概况※※河是湖北省※※地区排涝⼲流,源于※※,⾃西向东贯穿※※市,在※※⼊境,于※※出境,境内河道长109.9km。
本标段⼯程为湖北省※※市通顺河河道整治⽔利⾎防⼯程2005年度项⽬,主要是对※※河流域的涵闸、渠道进⾏整治。
本⼯程位于※※市※※镇。
1.主要建设内容本⼯程主要建设内容包括:整修1号闸、2号闸、※※泵站,五号闸、4号闸、6号闸,对通顺河51+000-52+000河道疏挖及护砌硬化。
主要⼯程量为:⼟⽅挖填8.13万m3,砼1.148万m3,钢筋4.1T.2.⼯程施⼯条件(1)⽔⽂⽓象与⼯程地质项⽬区涵闸位于第四系全新统冲积粘⼟层之上,允许承载⼒110KPa 以上,可满⾜各类闸室地基应⼒要求,闸室渗透性较⼩,局部闸基位于淤泥质⼟层上,对浅层软⼟可采⽤换填⼟法,进⾏夯实碾压,对深层软⼟,采⽤砂⽯桩法处理。
项⽬区属北亚热带季风性湿润⽓候,具有春夏秋冬四季分明,光照充⾜,⾬⽔充沛,多年平均⽓温16.3℃左右。
全年⽆霜期240天左右。
年平均⽇照时数为2021⼩时,区内降⽔主要受季风影响,⼀般由⼤⽓环流所控制,多年平均降⽔量为1200mm,年内降⽔分配不均,全年⾬量集中在7~8⽉份,占全年降⾬量的50%,具有明显的季节性。
(2)交通条件项⽬区交通较为便利,318国道穿境⽽过,乡镇公路、村级公路较为完善,⼯程所需机械设备、主要材料可直接运抵⼯区。
(3)建筑材料:⼯程场区⼟料丰富,⽯料主要来源于沙洋马良镇或武汉市蔡甸区采⽯⼚,砂料在当地码头采购,⽔泥从荆门⽔泥⼚购买供应,钢筋在城区建材市场采购。
坝陵河特大桥西主塔下横梁底模验算一、已知条件1.底模结构面板采用δ=6mmQ235钢板,横桥向即顺横梁轴线方向布置[6.3次肋。
下横梁腹板位置[6.3的间距@=16.5cm ,其余底板位置[6.3间距@=33.3cm 。
次肋[6.3计算跨度l=150cm ,面板参加共同受力工作,经计算组合断面Ix=433.5cm 4、Wx=82.1cm 3。
2.施工工况下横梁分两次浇筑,第一次浇筑高8.0m 即浇筑到内倒角100×100(cm )下部,第二次浇筑完。
二、[6.3应力、变形验算1.腹板位置[6.3@=16.5cm 验算(1) 荷载计算a 、砼 荷 载: q 砼=0.165×8×2.6=3.432t/m=34.32kg/cmb 、底模荷载: q 底=70×0.165=11.6kg/m=0.116kg/cmc 、施 工 载: q 施=225×0.165=37kg/m=0.37kg/cmq=∑qi=34.81kg/cm (2)应力、变形验算M=ql 2/8=34.81×1502/8=97903.13kg ·cmσ=M/Wx=97903.13/82.1=1192.5kg/cm 2<[σ]=1700kg/cm 2f=5ql 4/384EI=[5×(34.81-0.37)×1504]/(384×2.1×106×433.5)=0.25(cm )<[f]=l/400=150/400=0.375cm此应力与变形是按简支计算,实际[6.3受力为等跨连续结构,故实际应力变形还要小。
2.底板位置[6.3@=33.3cm 验算(1)荷载计算a 、砼 荷 载: q 砼=1.0×0.333×2.6=0.866t/m=8.66kg/cmb 、底 模 重: q 底模=0.333×70=23kg/m=0.23kg/cmc 、施 工 载: q 施=0.333×225=75kg/m=0.75kg/cmn 1q=∑qi=9.64kg/cm (2)应力变形验算M=ql 2/8=9.64×1502/8=27112.5kg ·cmσ=M/Wx=27112.5/82.1=330.24kg/cm 2<[σ]=1700kg/cm 2f=5ql 4/384EI=[5×(9.64-0.75)×1504]/(384×2.1×106×433.5)=0.06(cm )<[f]=l/400=150/400=0.375cm此应力与变形是按简支计算,实际[6.3受力为等跨连续结构,故实际应力变形还要小。
目录1 编制依据及原则1.1 编制依据1.2 编制原则1.3 编写范围、重难点工程2 工程概况2.1 工程位置2.2 工程基本情况2.3 对外交通及水电物资供应情况2.4 主要的工程量2.5 工程特点3 施工准备工作3.1 技术准备3.2 材料机具准备3.3 生产准备3.4 施工现场的准备4 施工总平面布置4.1 施工总平面布置原则4.2 施工总平面具体布置5 工程质量、进度、安全生产、文明施工目标5.1 工期目标5.2 质量目标5.3 安全目标5.4 文明施工目标5.5 环境保护目标6 施工组织机构设置及其职责6.1 项目组织机构设置6.2 施工队伍的组建6.3 项目部组成人员的职责7 主要工程施工方法及控制措施7.1 施工工作面及重点工程工序7.2 机井工程施工方案7.3 机井工程施工具体操作7.4 管道工程施工准备工作7.5 管道工程施工具体方法7.6 变压器安装工程7.7 砌砖工程施工方案7.8 砌石工程施工方案7.9 机电设备安装工程施工方案7.10 砼及钢筋砼工程施工方案8 雨天施工措施8.1 雨天施工注意的事项8.2 雨天施工采取的有效措施8.3 受雨影响工程工期的补偿措施9 施工进度计划及工期保证措施9.1 施工进度计划9.2 工程进度控制9.3 工期保证措施9.4 影响工期因素预防与补救措施10 工程质量保证体系及保证措施10.1 质量方针及质量目标10.2 保证工程质量的组织措施10.3 保证施工工艺质量的主要技术措施10.4 质量管理体系各自职责10.5 落实质量管理制度10.6 把好各种质量关10.7 正确处理矛盾冲突,确保工程建设质量10.8 质量记录及文件资料的控制措施11 安全生产保证体系及措施11.1 安全方针11.2 安全生产目标11.3 安全保证体系11.4 安全生产管理措施11.5 安全生产技术措施11.6 安全保证制度12 文明施工及环境保护措施12.1 文明施工12.2 环境保护措施附件:表1:拟为承包本合同工程设立的组织机构图表2:拟投入本合同工程的主要施工机械表表3:拟配置本合同工程主要的材料试验、测量、质检仪器设备表图1:施工进度划横道图图2:工程施工平面布置图1 编制依据及原则1.1 编制依据一、编制依据1、市农业综合开发土地治理项目水利工程招标文件以及答疑资料、补充通知。
目录1.课程设计目的与要求 (2)2.设计基本资料 (2)3.设计内容 (5)4.施工组织计划 (9)5.成果评价和问题展望 (11)6.参考文献 (11)一、课程设计的目的与要求1、课程设计安排在“水利工程施工”课程内容学习完成之后进行,课程设计作为综合性实践环节,是对平时作业的一个补充,课程设计包括土石坝设计的主要理论与计算问题,通过课程设计可以达到综合训练的目的。
2、课程设计的目的,是使学生融会贯通“水工建筑物”课程所学专业理论知识,完成一个较完整的设计计算过程,以加深对所学理论的理解与应用。
培养综合运用已学的基础理论知识和专业知识来解决基本工程设计问题的初步技能,全面分析考虑问题的思想方法、工作方法。
3.培养设计计算、绘图、编写设计文件、使用规范手册和应用计算机的能力。
4.提高查阅和应用参考文献和资料的能力。
二、设计基本资料(一).图纸资料1.枢纽地形图。
2.坝轴线地质剖面图。
3.工程总体布置图。
4.大坝、隧洞、房屋剖视图。
坝址流量水位关系表、库容水位关系表。
(二).工程基本概况本工程位于晋江西溪上,西溪集雨面积3101平方公里,河长120公里。
平均坡降5.6%,坝址处河床坡降为1/100,坝轴线处河床高程:176.7米。
由下板至白濑约8公里的河段上,落差大,并有建坝条件,目前左岸有简易公路、右岸拟建永久公路直通坝顶,并左岸的漳泉铁路正在计划建中、本坝通过坝址比较,采用洋上一级方案,在洋上建拦河坝,并开凿约4公里长的隧洞,引水至石头坑就爱你厂房发电,坝址地质为硅化流纹岩,可利用毛水头119米,全部工程一次建成,除大坝外,引水至隧洞是控制施工工期的关键工程。
本站坝址以上流域面积1035平方公里,利用水文系列年限24年,多年平均流量33.56m3/s,多年平均流水量10,262亿立米,正常蓄水位194米,相应库容234.7万立米,死水位192米,调节库容69.6万立米。
坝体型式:实体重力坝,坝顶高程198.5米,最大坝高24.5米,坝顶长度95米,拦河坝由泄洪闸和挡水坝组成。
施工组织设计1.投标人编制施工组织设计时应采用文字并结合图表形式说明工程的施工组织、施工方法、技术组织措施,同时应对关键工序、复杂环节重点提出相应技术措施等,如冬雨季施工技术、减少噪音、降低环境污染、地下管线及其它地上地下设施的保护加固措施等。
施工组织设计还应结合工程特点提出切实可行的工程质量、工程进度、安全生产、防汛度汛、文明施工、水土保持、环境保护管理方案。
注:安全生产保证方案至少应包括以下三部分内容:(1)建立以安全生产责任制为核心的保证体系,包括组织体系、制度体系和安全生产目标等;(2)明确工程安全生产重点部位和关键环节,提出有针对性安全技术措施;(3)施工现场实体防护投入,包括费用和主要防护设施等。
2.施工组织设计除采用文字表述外应附下列图表,图表及格式要求附后。
附件一:拟投入本标段的主要施工设备表附件二:拟投入本标段的试验和检测仪器设备表附件三:拟投入本标段的劳动力计划表附件四:计划开工日期、完工日期和施工进度网络图附件五:施工总平面图附件六:临时用地表目录第一章编制依据及原则 (1)第二章工程概况 (1)第三章工程特点、重点和难点 (2)第四章施工管理组织机构及职责 (2)第五章质量保证体系与保证措施 (6)第六章施工方案和技术措施 (9)第七章拟投入的主要施工机械、设备计划 (26)第八章安全管理体系及措施 (28)第九章确保各工期的技术组织措施及进度计划 (29)第十章水土保持及环境保护措施 (30)第十一章文明施工体系及措施 (32)第十二章施工导流、度汛安全保证措施 (34)第十三章冬雨季施工措施 (36)第一章编制依据及原则一、编制依据1、业主提供的《金安区2016年度21座小(2)型水库除险加固工程施工标》招标文件。
2、《金安区2016年度21座小(2)型水库除险加固工程施工标1标段》工程量清单。
3、国家现行有关工程施工和验收的标准、规范、规程、图集。
4、安徽省现行的施工和验收规范、规程、标准和关于工程施工管理等方面的技术文件、图集以及相关的法律法规。
目录第一章编制依据及说明第二章、工程概况及特征第一节、工程概况第三章、施工部署第一节、施工管理目标第二节、施工组织管理机构第三节、施工组织机构的运行第四节、主要施工方案选择第四章、工程进度计划与措施第一节、施工进度计划安排第二节、工期保证措施第五章、施工总平面布置第一节、施工总平面布置第二节、现场临时水、电设计第六章、施工准备及资源配备计划第一节、组织及技术准备第二节、材料配备计划第三节、劳动力计划第四节、施工设备第七章、施工方案与技术措施第一节、测量工程施工方案第二节、抗滑桩施工方案第三节、挡土墙施工方案第四节、截水沟施工方案第五节、管涵施工方案第八章其它施工方案与技术措施第一节、雨季施工技术措施第二节、防尘、降噪施工技术措施第三节、地下管线及其它地上地下设施的保护措施第九章、质量管理体系与措施第一节、质量保证体系第二节、质量控制措施第三节、试验、检测仪器设备第十章、安全管理体系与措施第十一章、环境保护管理体系与措施第十二章、文明施工技术措施第十三章、应急预案附表一拟投入本标段的主要施工设备表附表二拟配备本标段的试验和检测仪器设备表附表三劳动力计划表附表四计划开、竣工日期和施工进度网络图附表五施工总平面图附表六临时用地表第一章编制依据及说明一、编制依据1。
本工程施工图及所选用的标准图集,招标文件;2.现场踏勘的实际情况及现场地形地貌;3。
结合我公司的技术力量、机械设备情况及类似工程的施工经验。
国家现行的施工及验收规范、规程、质量检验评定标准,国家及省市有关安全法规,文明施工及城建法规;4。
地方标准、施工工艺操作规程及相关标准图集;5。
国家、行业主要规范、规程及标准。
二、投标文件的主要规定1.招标范围:施工图及工程量清单所示范围内的全部内容;2。
工期要求:根据招标文件要求,本工程计划工期:90日历天(具体开工日期以合同为准);3。
质量要求:合格三、编制说明1。
本施工组织设计编制的原则是“满足投标的要求,先进、合理、经济、安全、优质、文明”;2.本施工组织设计为指导整个工程施工的施工管理规划,施工时应根据工程实际情况再编制更为详尽的实施性施工组织设计及专项施工方案;3。
目录一、施工条件 (2)二、主体工程施工方法 (6)三、施工总布置、施工准备及临时工程 (14)四、施工进度计划 (16)五、质量保证措施 (26)六、施工现场人员和设备 (32)七、安全、环保及文明施工 (39)一、施工条件1、工程概况抚远三角洲又称黑瞎子岛,位于我省抚远县境内的黑龙江乌苏里江汇合处。
在主航道中国一侧,也是我国东北部极角,它北临黑龙江省(长约60km),东南部靠乌苏里江(长约40km),西、南面是连接黑、乌两江的通江子。
抚远三角洲在抚远县抚远镇以东11km至黑龙江省和乌苏里江汇合处,距我岸最近处约200m,距俄岸(黑龙江)最近处1500m,是由银龙岛、黑瞎子岛、明月岛共三个岛系93个岛屿和沙洲组成,最宽处13km,最窄处3km。
抚远三角洲地处祖国东极,是最早将太阳迎进祖国的地方。
抚远县东部和北部与俄罗期远东地区隔江相望,南与饶河县接壤,西与同江市为邻,全县面积6262.48km2,县辖5乡4镇,1个县属国营农场和1个县属国营渔场,69个行政村、102个自然屯,总人口12.6万人。
抚远县河流属两大水系,即黑龙江水系和乌苏里江水系,两江均属边境河流,在我国境内黑龙江长98km,乌苏里江长170km,两江共长268km。
抚远三角洲应急工程包括水河岛护岸、菊水岛护岸、银龙岛护岸、无名岛护岸、教堂上游段护岸、通江口护岸及乌苏镇下段护岸共7段工程,总长度26.063km。
本次设计小河岛护岸、菊水岛护岸和无名岛护岸等三处工程均采用雷诺护垫填石护坡、固脚以及耐特笼石笼护脚的结构形式;银龙岛护岸采用雷诺护垫填石护坡、雷诺护垫和格宾填石固脚以及耐特笼石笼护脚的结构形式;教堂上游段护岸、通江口段护岸和乌苏镇下游护岸三处工程采用预制砼板护坡、干砌石固脚、耐特笼石笼护脚的结构形式。
2、水文气象抚远三角洲地处中温带大陆性季风气候区。
多年平均气温1.5℃左右,多年平均降水量550mm-650mm左右,降水年内分配极不均匀,多集中在7、8、9三个月份,占全年降水量的50%以上。
1、概述坝陵河公路大桥西塔塔身采用门式空间框架结构,主要由上、下塔柱及上、下横梁组成。
其中,塔柱为普通钢筋砼结构,横梁为预应力钢筋砼空心箱型结构。
南塔底标高为+955.000m,顶标高为+1157.316 m。
其中,上塔柱高123.244m,下塔柱高78.072m,索塔总高202.316m,上塔柱斜率1:27.962,下塔柱外侧斜率1:20.848,下塔柱内侧与地面垂直,塔底中心距离为32.45m。
上塔柱截面尺寸由8.5×6.0m 变化至10.8×6.0m,壁厚1.0m,靠近上横梁处塔柱壁厚加大至1.5m,下塔柱截面尺寸由10.8×6.0m变化至12.29×9.74m,壁厚1.2m,靠近下横梁处塔柱壁厚加大至1.5m,塔底设置3m实心段,实心段以上5m范围,塔柱壁厚由1.2m增加至2.2m。
索塔具体结构图见图1.1-1。
图1.1-1 坝陵河西塔一般构造图西索塔主要工程量见表1.1-1:表1.1-1规格名称单位数量C50混凝土m3 **C50膨胀混凝土m3**C30混凝土m312797C20混凝土m3361C20喷射混凝土m3629C10混凝土m3105钢筋HRB335 t **钢筋HRB235 t **普通钢材t **劲性骨架t **钢筋网t **预应力钢绞线t **预应力锚索套56挖方m343057填方m387892、总体施工工艺**主要施工工艺塔柱起步段(塔座以上10m段高)采用搭支架翻模施工,其余各节段采用自动液压爬模施工。
**施工主要机械设备及布置施工主要机械设备包括塔吊、电梯、电缆、水管及砼泵管等。
⑴塔吊:在上、下游塔柱外侧各设置一台250t.m 的自升塔式起重机作为施工的主要垂直起重机械。
当承台施工完成、砼达到一定强度后即开始安装塔吊,塔吊基础位于承台上,其塔身附着于塔柱外侧壁上。
⑵电梯:在上下游塔柱外侧各布置一台电梯,供施工人员上、下使用。
当塔柱第4节段施工完成后安装电梯,电梯基础座于塔座和承台上,导轨附着于塔柱上,并随着爬架的爬升而接高。
目录第一章编制依据71.1 编制依据7第二章工程概况102.1 概况102.2 主要工程量表11第三章施工组织机构及管理机构143.1 项目经理部组成143.2 管理网络163.3 岗位责任制183.4 现场主要工程技术管理人员配置19第四章施工条件214.1 水文气象214.2 工程地质264.3 建筑材料30第五章施工总平面布置315.1 场内外交通315.2 风、水、电335.3 施工通讯345.4 料场345.5 砼拌和系统及砼预制场34 5.6 生活办公用房355.7 施工辅助企业厂(场)及仓库36 5.8 重要临时设施385.9 施工平面布置图38第六章施工总体方案406.1 总体施工方案406.2 主要施工方案选择426.3 施工分区分段436.4 施工总程序及总流程图44第七章施工测量477.1 测量工作的要点477.2 测量人员组成487.3 测量仪器配备487.4 平面控制网497.5 高程控制497.6 施测安全及仪器管理497.7 测量注意事项507.8 执行的技术标准和规范规程51第八章基础处理528.1 概况528.2 基础30KN/m裂膜丝机织布铺设52 8.3 基础排水碎(卵)石垫层588.4 塑料排水板插设63第九章石方填筑779.1 石方开采总体爆破方案779.2 石方填筑方案81第十章闭气土方施工8610.1 土料场规划及取土范围8610.2 高程0.28m以下施工工艺86 10.3 高程0.28m以上土方施工88 10.4 机械配置89第十一章护坡施工91第十二章堤顶结构及路面工程施工98 12.1 砼施工9812.2 钢筋砼反弧式防浪墙及护面10212.3 碎石稳定层施工10612.4 沥青砼路面10712.5 雨季施工措施11012.6 冬季施工措施111第十三章堵口施工方案11313.1 龙口形成11313.2 堵口条件11313.3 堵口时间选择11313.4 龙口段护底11413.5 龙口合龙11413.6 应急措施11613.7 闭气土方11713.8 加固加高117第十四章加荷控制11814.1 概况11814.2 加荷控制应遵循的原则118 14.3 加荷曲线11914.4 施工观测及指导加荷122第十五章防台、防潮及度汛12415.1 概况12415.2 工程度汛目标12415.3 度台汛技术措施12515.4 度汛组织12615.5 防台度汛制度12715.6 排水、防潮技术措施128第十六章施工总进度计划12916.1 施工总进度计划12916.2 主要节点工期安排12916.3 主要项目工序工期安排13016.4 关键节点和线路的保证措施130 16.5 进度保证措施133第十七章施工机械设备人力13717.1 施工机械设备配置13717.2 劳动力配置148第十八章质量保证措施15118.1 工程质量承诺及质量保证体系151 18.2 施工质量的控制15518.3 施工质量的检验手段16118.4 原材料、半成品、外购件的质量保证措施162第十九章保证安全生产的措施16619.1 安全管理制度16619.2安全技术措施17019.3安全组织措施177第二十章文明施工及环保措施18020.1 文明施工措施18020.2 标化工地及环保措施187第二十一章资金流量计划19321.1 资金流量估算表193第一章编制依据为了如期完成本工程的施工任务,实现我们制定的施工控制目标,特编制本实施性施工组织设计,以指导和约束施工,确保我方施工总体目标的实现。
坝陵河大桥西主塔承台模板计算书已知条件:混凝土浇注速度为V=0.8m/h,浇注温度为T=20。
C,模板选用δ=6mm钢板,水平横肋为[6.3,间距为32cm,竖肋采用2[14a,间距为90cm,在竖肋顶部位置、中间150cm位置及距模板底部30cm处各设置一个对拉螺栓。
验算模板受力及变形。
由于V/T=0.8/20=0.04>0.035所以P m‘=1.2×25×(1.53+3.8V/T)=50.46KN/m2=0.5046kg/cm2另加混凝土振捣时所产生的荷载P振=2.0KPa=0.02kg/cm2混凝土对模板所产生的最大荷载为P m= P m,+ P振=0.5046+0.02=0.5246 kg/cm2[6.3与δ=6mm的钢板组合断面的力学特性计算:δ=6钢板注:图中尺寸以为单位组合断面重心 e=(8.45×2.46+32×0.6×6.6)/(8.45+32×0.6)=5.33cm组合后[6.3的自身的 I1=I+(e-Ix)2A=51.2+(5.28-2.46)2×8.45=120.8cm4组合后δ6钢板自身的 I2=bh3/12+(6.6-2.46)2×32×0.6=32×0.63/12+(6.6-2.46)2×32×0.6=329.66cm4组合断面的I=I1+I2=120.8+329.66=450.46cm4W=I/e=450.46/5.33=84.5cm3(一)验算水平横肋[6.3[6.3所承受的均布荷载q=0.5246×32=16.7872kg/c m则M= ql2/8=16.7872×902/8=16997.04kg/cmσ= M/W=16997.04/84.5=201.15kg/cm2<[σ]=1700 kg/cm2f=5×ql4/(384EI)=[5×(16.7872-0.02×32)×904]/(384×2.1×106×450.46)=0.015cm<[f]=l/400=90/400=0.225cm(二)验算竖肋2[14a2[14a所承受的均布荷载q=0.5246×90=47.214kg/cm则M= ql2/8=47.214×1502/8=132789.375kg·cmσ= M/W=132789.375/(2×80.5)=824.78kg/cm2<[σ]=1700 kg/cm2f=5×ql4/(384EI)=[5×(47.214-0.02×90)×1504]/(384×2.1×106×2×563.7)=0.13cm<[f]=l/400=150/400=0375cm。
Value Engineering1工程概况香溪河大桥桥址位于香溪河口上游约2km 处,桥位东岸为归州镇刘家坝,西岸为归州镇吴家沟,与峡堡公路(S255)相接。
主跨采用470m 双塔组合混合梁斜拉桥方案,空间双索面,主塔采用倒Y 形混凝土结构,主桥采用半漂浮结构体系,跨度布置为48+48+78+470+78+48+48m ,设4#主塔和5#主塔两个主塔。
4#主塔高177.0m ,5#主塔高167.6m ,4#、5#主塔下横梁以上高123.6m 。
香溪河大桥立面图见图1。
下横梁位于主梁下,下、中塔柱的转折处,横梁断面为预应力混凝土箱形构造,内设两道横隔板,横梁高6.0m 。
下横梁与中塔柱交界处设置2.0×1.0m 的倒角,与下塔柱交界处设置3.0×3.0m 的倒角,下横梁顺桥向与索塔塔柱同宽。
下横梁与对应高度的塔柱同步进行施工。
2支架形式选择下横梁支架形式根据支承位置的不同主要分为三种:①悬空支架法;②落地支架法;③落地支架+牛腿支架。
单个下横梁混凝土1014.4m 3,总重约2688t 。
下塔柱为单箱单室矩形截面,坐落于塔墩横梁顶,在中塔柱转折处壁厚为1.0m (顺桥向)×1.0m (横桥向)。
塔墩为门式墩,立柱为空心薄壁截面,塔墩横梁中部为单箱单室矩形截面,顶、底板厚均为1.0m 。
下横梁混凝土方量大,下塔柱壁厚小,且向外倾斜,若采用悬空支架法施工,牛腿处支反力大,造成塔壁混凝土局部拉应力较大;牛腿支反力传递至下塔柱,产生向外水平推力,塔柱变形加剧;并且,牛腿体积大,塔柱竖向主筋受影响数量多,主筋连续性及垂直度得不到保证。
若采用落地支架法施工,支架底部支反力大,塔墩横梁顶板较薄,顶板可能出现受拉裂缝,影响塔墩承载能力。
为了避免削弱主体结构力学性能,结合以往类似项目设计经验,下横梁支架采用落地支架+牛腿支架相结合。
下横梁支架按对称原则布置,落地支架采用钢管立柱,钢管立柱支承于塔墩横梁顶空心段倒角处,牛腿布置在塔柱截面倒角处。
目录第一章编制依据及原则..............................................错误!未定义书签。
第二章工程概述 (3)第三章施工总布置 (5)第四章施工总体方案与进度计划 (7)第五章项目组织机构 (10)第六章主要施工方法简述 (14)第七章质量管理体系与措施 (47)第八章安全管理体系与措施 (60)第九章应急管理 (74)第十章环境保护管理体系与措施 (75)第十一章资源配备计划 (78)第一章编制依据及原则一、编制依据1、依据本工程《********************************工程施工图设计图册》与《********************************工程工程地质勘察报告》2、施工合同、工程量清单及施工图会审纪要。
3、现行有关施工规范、标准、规程。
4、本公司的技术力量及施工机械设备。
本工程在充分参考以上资料及相关信息的前提下,经专业技术人员精心安排、严谨构思后组织编写。
本施工组织设计未尽事项,今后在施工过程中可在此设计的基础上,根据实际情况进一步进行科学的完善和补充。
二、编制原则1、认真贯彻国家对工程建设的各项方针和政策,严格执行工程建设程序。
遵守招标文件的规定与投标书的承诺。
2、保证重点,统筹安排,遵循建筑施工工艺及其技术规律,坚持合理的施工程序和施工顺序。
3、采用流水施工方法、工程网络计划技术和其它现代管理方法,组织有节奏、均衡和连续地施工。
4、尽量利用先进施工技术,科学地确定施工方案。
5、严格控制工程质量,确保安全施工,努力缩短工期,不断降低工程成本。
6、充分利用现有施工机械和设备,扩大机械化施工范围,提高施工项目机械化程度,不断改善劳动条件,提高劳动生产率。
7、科学地安排冬期和雨季施工项目,保证全年施工的均衡性和连续性。
8、科学地规划施工平面图,减少施工用地,合理储存建设物资,减少物资运输量。
第二章工程概述一、工程概况工程建设地点:********************************。
主塔下横梁施工支架设计与结构验算一、支架设计庄河市建设大桥主塔上横梁均采取落地式满堂支架法施工。
主塔上横梁施工支架采用钢管立柱与大型工字钢组成排架进行支承,钢管立柱支承在下横梁顶面;钢管立柱间采用剪刀撑拉结,以减小钢管立柱的自由高度;同时,外侧钢管与主塔内侧塔壁间设槽钢附墙拉结,从而增强施工支架的整体稳定性。
二、支架构造下横梁腹板下采用φ500×14mm钢管立柱支承,底板下采用φ325×7mm钢管立柱支承;钢管立柱底部设置2I32a工字钢,以形成横向承重排架;纵向承重梁采用I40a工字钢,分配梁采用I25a工字钢;考虑到下横梁为渐变断面,因此在钢管支架上设置木支架,以支承整个模板体系。
主塔下横梁施工支架结构布置详见主塔下横梁施工支架布置图。
三、结构验算1、分配梁验算(1)横隔板下分配梁验算下横梁横隔板采用4I25a支承,腹板重量以集中力直接作用在承重纵梁上,因此分配梁仅需考虑跨中荷载作用。
a、荷载计算混凝土自重: 3.71×26=96.46KN/m工字钢自重:0.381 KN/m模板体系自重:0.7 KN/m2×1=0.7 KN/m施工荷载: 6 KN/m2×1=6 KN/m荷载标准值S K=S GK+S QK=103.54 KN/m荷载设计值S=1.2S GK+1.4S QK=125.45KN/mb、强度验算按在均布线荷载作用下的简支梁进行验算,计算跨度L0=1.25m。
分配梁跨中最大弯矩:M=1/8ql2=24.5 KN·mI25a工字钢截面模量:W=402cm3,I=5020 cm4梁弯曲正应力:σ=M/γx W=24.5×106/(402×103×1.05)=58N/mm2<f=215 N/mm2,即分配梁强度满足要求。
c、刚度验算以横隔板下1根工字钢为研究对象,按均布线荷载作用下的简支梁近似计算其跨中挠度:ν=5/384×ql4/EI=0.32mm<[v]=L/400=1250/400=3.13mm,即分配梁刚度满足要求。
目录一、质量和安全(一)工程质量保证体系(二)投入本工程的质量检测仪器和设备(三)总体(含关键部位)工程质量保证措施(四)工程施工安全措施二、施工组织设计和工期(一)施工总进度图和单位工程施工进度图(二)工期保证具体措施(三)施工总体布置和施工道路布置(四)施工导流、围堰及抽排水方案(五)主体(含关键部位)施工技术措施(六)施工机械、人员进场计划(七)材料进场计划(八)施工过程中和移交前工程保护措施(九)文明施工方案三、附表(一)主要施工机械进场计划表(二)劳动力进场计划表(三)材料进场计划表一、质量和安全(一)工程质量保证体系1、工程质量承诺我们对本工程质量的承诺:确保优良等级,单位工程质量合格率100%,不发生各类质量事故。
为了实现我们对工程质量的承诺,若我公司能中标承建本标段,我们将根据国家现行有关的质量政策、法规、标准,结合本标段的现场实际,建立一个完善的质量保证体系及质量保证组织机构,认真贯彻落实“坚持质量第一,珍惜企业信誉,恪守用户至上,奉献优质产品”的质量方针,实施对本工程施工全过程的质量检查控制,通过制定有效的质量保证措施,强化质量管理,最终保证工程质量达到优良。
2、质量管理组织机构和质量管理人员为了保证工程质量,确保本标段各项质量工作的正常开展和有效运行,我公司结合本工程特点设立质量管理组织机构,配备相应的质量管理人员,各岗人员担负起相应的质量职能,形成金字塔式的工程建设管理网络。
其人员配备情况如下表:人员配备情况表本工程质量管理组织机构分四个层次建立(见质量管理组织机构图)。
第一层为公司总部质量管理层。
包括公司管理者代表、总工、质检处。
这是公司的最高质量管理层,是质量管理的决策者。
这一层的工作是全面掌握本工程动态,发现质量隐患,提出切实可行的预防措施。
这一层既是本工程质量管理的监督者,也是质量管理领头雁,推动项目部向着质量优良这一个预定的目标前进。
第二层是本工程项目经理部。
包括项目经理、项目技术负责人、现场各职能部门的负责人、各作业队长及项目部质检科的专职质检员。
坝陵河大桥西主塔下横梁支架验算
己知条件
1.下横梁结构尺寸
下横梁为C50钢筋栓预应力箱形结构,梁高H=10m、宽B=9m,箱梁腹板
J9t=L0m,顶、底板厚均为1.0m,箱内四角均设100X100 (cm)倒角,横梁内
与引桥桥墩对应位置设置横隔板,横隔板与塔的横向中心线间距即对称桥轴线间距为6・25m、横隔板疗为1.0m。
下横梁顶面高程+ 1034.072m,塔底即承台、系
梁顶面高程为+955・OOOm,下横梁底面至序;台、系梁顶面高度为
h=1034.072-10-955=69.072mo
2.支架结构及布置
支架采用9根4)800. 6=12mm的钢管立柱,并对应钢管立柱在下塔柱内侧各设
置三个牛腿。
其布置:横桥向间距为6405+2X900+640.7 (cm).顺桥向间距系
对称于塔墩轴线各405cm,各钢管立柱顶的柱帽直径及各牛腿顶板顺桥向长
110cm,在柱帽及牛腿上设置卸落砂箱,在砂箱上设置贝雳架梁,腹板位置摆放
单层三排贝雷梁(排间距@=45cm),横梁轴线即塔墩轴线底板位置(中间立柱及牛腿位置)摆放单层双排贝雷梁(排间距@=90cm),在贝雷梁上每隔l・5m即贝雷梁节点位置搁置1253横梁,其上摆放底模,底模拟采用主塔承台、系梁现浇模板,其面板为5 =6mmQ235钢板横桥向次肋[6.3,在下横梁腹板位置[6.3的
间距@=33cm,应加密1根,使其间距@=16・5cm,其余位置仍为@=33cm。
外侧模亦拟采用承台现浇模板,内模均采用组合钢模。
在支架横梁I25a两悬臂段均搭设脚手管支架施工平台8m高。
3.施工工况
下横梁分两次浇筑,第一次浇筑横梁内上倒角底部即浇筑8m高,第二次浇筑完。
支架横梁I25a验算
最大计算跨度1= (900-90X3) 4-2=315cm
I.外荷计算
(1) ft 载:q ftt=L0X L5X2.6=3.9/m=39kg/cm
(2)
底模fi : q 底=70X L5=105kg/m=1.05kg/cm
(3) 施工载:q 施=225X l ・5=337・5kg/m=3・
375kg/cm q=^ qi=43.43kg/cm
2.强度及变形验算 M=q 卩/8 =4
3.43 x 315-/8=538667.7kg*cm 0 =M/Wx=538667.7/401.88=1340.4kg/cm-<[o ] f=5ql-*/384EI=(5X (43.43-3.375) X315^]/ (384X2.1X10^X5023.54) =049 (cm) <[f1=1/400=315/400=0.79 (cm) 系按简支结构计算的,实际为不等跨连续结构,故实际应力与变形还要比此 计算值小。
三、贝雷桁验算梁
1.腹板位置贝雷桁梁验算 主塔下横梁腹板位置贝雷桁梁为单层三排,计算跨度i=900cm
<1)荷载计算
a 、载: q 畅=l ・0X8・0X2・6=20・8t/m=208kg/cm
q 邓=3.15/2 X 1.0X2.6=4.095t/m=40,95kg/cm
b 、外侧模重:
q 外艳=90X &0=720kg/m=7・2kg/cm C 、内侧模重: d 、底模重: q 内桧=75 X7・0=525kg/m=5・25kg/cm q 毗=95 X 1 •0=95kg/m=0・95kg/cm e 、施工载: q 底=70X 3.15/2=110・3kg/m=l ・ 103kg/cm
q 沪225X (1+3.15/2) =579・4kg/m=5・794kg/cm
f 、支架横梁 I25a 重:q ^=[9/2+2- (3.15/2+0,45) ]X3&1 一 1.5 =113.7kg/m= 1 -137kg/cm
q=Z qi=27038kg/cm (2)强度变形验算
M= qP/8 =27038X900-/8=27375975kg*cm 0 =M/Wx =27375975/10735.6=2550kg/cm-<[ o ]=273MPa
f=5ql-*/384EI=(5X (27038-5594) X900'*]/ (384X2.1X10^X751491.6)
=1.4 (cm) <If|=l/400=900/400=2.25 (cm)
系按简支结构计算的应力与变形,实际为不等跨连续结构,故实际应力与变 形还要比此计算值
小。
2.下横梁底板位置即中间单层双排贝雷桁梁验算 荷载计算宽度l=450・90・90/2+90=405cm
(1)荷载计
算 a 、载: q G :=4・05X 1.0X2,6=10.53tZm=105.3kg/cm b 、底模a : q &=4.05 X 70=284kg/m=2.84kg/cm C 、施工载: q 迪=4.05 X 225=911 kg/m=9・ 11 kg/cm d 、支架横梁 I25a 重:q 妒4.05X3&1-1.5=103kg/m=LO3kg/cm q=吊 qi= 11 & 28kg/cm (2)应力变形验算 M= q|-/8 =11&28 X 900-/8=11975850kg^cm 0 =M/Wx =11975850/7157.l = 1673.3kg/cm-<[ O ]=273MPa f=5qP/384EI=(5X (11&28-9.11) X900'*]/ (384X2.1X10^X500994.4)
=0.89 (cm) <[f|=l/400=900Z400=2.25 (cm) 四、钢管立柱验算 1.下横梁腹板位置即外排中间立柱承力验算 从立柱布置看出外排中间立柱承荷最大,故以外排中间立柱验算 a 、载 Ww 板=l ・0X8X9X2・6=234t 分担一部分底板栓重: W w=l ・55Xl ・0X9X2・6=36・27t b 、外侧模重: W 外檢=90X8X9=6480kg=6・4& C 、内侧模重: W 械=75X7X9=4725kg=4・725t d 、分担底板底模重: W 嵐檢=95X9X155=1325kg=l ・325t 6 施工载: Wft=225X2.55X9=5164kg=5.164t f 、贝雷桁梁重: W 梁=(9一3) X300X3=2700kg=2・7t
g、外悬臂2m .I:作平台脚手管a:W r.=2X8X9X20=2880kg=2.8&
外排中间立柱所承受荷载]
N= $ Wi=293.544t=293544kg
(2)立柱中心受压强度验算
立柱截面面积:A=JrD6=3,14X <80-L2) X 1.2=296.92 (cm-)
0 =N/A=293544/296・92=98&63kg/cm2V[o ]
(3)立柱受压失稳验算
立柱最大受压长度ln=15m= 1500cm
立柱回转半径Y= (DS C P) 2/4二(802+77.62) °・5/4=27・59 (cm) 长细比X = in/y =1500/27.59=54.4 査表折减系数=0.836
0 wN/巾A=293544/ (0.836X296.92) =1182.6kg/cm'<[o ]。