钢构件预拼装工程检验批质量验收记录
- 格式:doc
- 大小:13.57 KB
- 文档页数:1
钢构件预拼装检验批质量验收记录序号:___________日期:___________工程名称:___________工程地点:___________检验内容:钢构件预拼装检验批质量验收检验方法:按照相关标准和要求进行检验检验人员:___________(主检)、___________、___________、___________一、检验材料和设备1. 钢构件图纸和设计文件的查阅和对照确认。
2. 钢构件预拼装加工设备的检查,包括搭接螺栓、连接件、涂漆材料等。
3. 钢构件的检查记录、材料验收记录等相关文件。
二、检验内容及要求1. 钢构件外观检查a. 检查钢构件表面是否有明显的锈蚀、裂纹、凹陷等缺陷。
b. 检查钢构件涂层的质量,如颜色是否均匀、无起泡、剥落等。
c. 检查钢构件的尺寸和形状是否符合设计要求,是否存在明显误差。
2. 钢构件连接件的检查a. 检查连接螺栓、螺母、垫圈等是否齐全、完好,并符合设计要求。
b. 检查连接螺栓的拧紧力是否符合要求,并进行拧紧力测试预紧力控制。
c. 检查连接件与钢构件之间的嵌合度,是否牢固。
3. 钢构件的耐久性检查a. 检查钢构件的防锈处理是否符合要求,如涂层厚度、质量等。
b. 检查钢构件的腐蚀情况,是否有明显的腐蚀迹象。
c. 检查钢构件的耐候性能,如抗紫外线、耐高温等。
4. 钢构件的标识和检验记录a. 检查钢构件是否有明确的标识,包括序号、日期、工程名称等。
b. 检查钢构件的检验记录是否完整、准确并齐全。
三、检验结果1. 钢构件预拼装质量验收结果:合格 / 不合格。
2. 若发现不合格项,应记录不合格项的具体情况,并提出处理意见。
四、处理意见1. 不合格项的处理方式:重新加工、更换材料、修补等。
2. 处理方式的责任人:___________。
五、备注1. 若有其他需要记录的事项,请在此备注栏添加。
2. 检验人员签字:___________以上为钢构件预拼装检验批质量验收记录,经过检验验收,确认记录完整无误。
钢构件预拼装检验批质量验收记录
注:本表内容的填写需依据《现场验收检验批检查原始记录》。
本检验批质量验收的规范依据见本页背面。
填写说明
一、填写依据
1 《钢结构工程施工质量验收规范》GB50205-2001。
2 《建筑工程施工质量验收统一标准》GB50300-2013。
二、检验批划分
钢构件预拼装工程可按钢结构制作工程检验批的划分原则划分为一个或若干个检验批。
单层钢结构安装工程可按变形缝或空间刚度单元等划分成一个或若干个检验批。
地下钢结构可按不同地下层划分检验批。
多层及高层钢结构安装工程可按楼层或施工段等划分为一个或若干个检验批。
地下钢结构可按不同地下层划分检验批。
钢网架结构安装工程可按变形缝、施工段或空间刚度单元划分成一个或若干检验批。
压型金属板的制作和安装工程可按变形缝、楼层、施工段或屋面、墙面、楼面等划分为一个或若干个检验批。
三、GB50205-2001规范摘要
主控项目
9.2.1 高强度螺栓和普通螺栓连接的多层板叠,应采用试孔器进行检查,并应符合下列规定:
1 当采用比孔公称直径小1.0mm的试孔器检查时,每组孔的通过率不应小于85%。
2 当采用比螺栓公称直径大0.3mm的试孔器检查时,通过率应为100%。
检查数量:按预拼装单元全数检查。
检验方法:采用试孔器检查。
一般项目
9.2.2 预拼装的允许偏差应符合附录D表D的规定。
检查数量:按预拼装单元全数检查。
检验方法:见附录D表D。
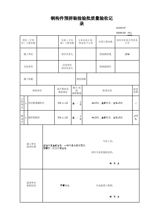
钢结构(预拼装)分项工程检验批质量验收记录
钢构造 ( 预拼装 ) 分项工程查验批质量查收记录
工程名称分项工程名称项目经理施工单位查验批部位
监理单位总监理工程师
施工依照专业工长标准(施工员 )
分包单位分包单位负责人施工班组长
质量查收规范的规定施工单位自检记录监理(建设)单位查收记录或结果
主
1 多层板叠螺栓孔。
(9.2.1 条 )控
项
目
一
预拼装精度。
1
般条 )
项
目
施工操作依照
质量检查记录(质量证明文件)
施工单位检查项目专业
质量检查员:项目专业
技术负责人:
结果评定年月日
监理(建设)
单位查收结论专业监理工程师:
(建设单位项目专业技术负责人)
年月日。
钢构件预拼装检验批质量验收记录一、工程名称:二、单位名称:三、拼装构件名称:四、生产单元/生产厂家名称:五、检验单位名称:六、检验日期:七、检验人员:八、质量验收记录:1.前期准备工作在进行钢构件预拼装之前,质量检验人员要先进行前期准备工作的检查记录。
包括确认预拼装所用的钢构件材料的质量证明书和检测报告的完整性和准确性,检查构件的型号、规格、批次和数量是否与合同要求一致,检查钢构件的表面是否有裂缝、变形、氧化和锈蚀等缺陷,以及检查焊接接头是否牢固、无明显的裂纹和缺陷等情况。
(1)钢构件的组装记录针对每个预拼装的钢构件,按照规范要求记录下每个构件的编号、批次、规格、尺寸等信息。
记录中应包括构件组装的顺序和方式,焊接接头的位置、样式和焊接工艺等信息。
同时还需要记录下组装使用的工具、设备和检测仪器的名称、型号和检定情况。
(2)结构尺寸的检测记录对预拼装的钢构件进行结构尺寸的检测。
检测过程中需要使用规定的测量工具和设备,记录下每一个测量点的尺寸和误差。
特别是对于关键连接处和焊接接头周围的尺寸,要进行精确的测量和记录。
(3)可靠性和刚度的测试记录对预拼装的钢构件进行可靠性和刚度的测试。
测试过程中要使用专业的测试仪器和设备,记录下每次测试的结果和数据。
测试结果应符合合同或规范要求,证明预拼装的钢构件具有足够的可靠性和刚度。
3.质量验收结论根据对预拼装钢构件的检测和测试结果,结合合同和规范要求,进行质量验收结论。
如果发现有明显的质量问题,如构件尺寸偏差超过规定范围、焊接接头存在缺陷等,应按照规定要求对问题进行处理,并记录下相应的处理措施和结果。
如果预拼装的钢构件达到了合同要求和规范要求,验收结论为合格,可以进行下一步的施工工序。
九、附件:1.预拼装图纸2.钢构件材质证明书和检测报告3.检测仪器和设备的检定证书4.结构尺寸的测量记录表5.可靠性和刚度的测试结果记录以上为钢构件预拼装检验批质量验收记录,共计1200字。