最新版火电工程施工质量验收及评定范围划分表通用部分
- 格式:doc
- 大小:1.83 MB
- 文档页数:37
4 工程质量验收范围4.0.1为规范火力发电厂土建工程质量验收划分,特制定质量验收划分表,主要包含四部分内容,即工程编号、质量检验项目的划分、各单位(部门)检验权限、各分项工程检验批质量验收标准的套用。
表4.0.1-1及表4.0.1-2为火力发电厂土建工程质量验收范围划分表的基本模式。
4.0.2 火力发电厂土建工程划分为热力、燃料供应、除灰渣、脱硫及脱硝、供水及水处理、电气、附属生产工程、厂前区公共福利及与厂址有关的单项工程8大系统工程。
4.0.3火力发电厂土建工程质量验收应划分为单位(子单位)工程、分部(子分部)工程、分项工程和检验批。
4.0.4 单位工程项目划分的原则基本按具有独立生产(使用)功能或独立施工条件的建筑物或构筑物进行划分。
建筑规模较大的单位工程可根据工程建设使用或交付安装的需要,将其具有独立使用功能或独立施工条件的部分分为一个子单位工程。
4.0.5 分部工程项目划分的原则基本按建筑物或构筑物工程的部位划分,同时兼顾专业性质;当分部工程较大或较复杂时,可按材料种类、施工特点、施工程序、专业系统及类别等划分为若干子分部工程。
4.0.6分项工程划分的原则,建筑物或构筑物工程基本按主要工种或材料、施工工艺、设备类别等工程划分;分项工程可由一个或若干检验批组成。
4.0.7检验批是按统一的生产条件或工艺、工序阶段或按规定的方式汇总起来供检验用的基本检验体,可根据施工及质量控制和专业验收需要,按楼层、施工区段、变形缝等进行划分。
4.0.8 项目划分表中的单位、分部、分项工程是依据DL/T 5210.1-2005和2007年版的《火力发电工程建设预算编制与计算标准》,结合目前火力发电厂设计内容进行的预控设置。
工程开工前,应由承建工程的施工单位按工程具体情况编制项目划分表,如工程设计增加新的内容或其他与本部分划分内容不符的,划分表内容可增加或删减。
划分表应报监理单位审核,建设单位批准。
同一系统内的单位工程编号可采用连续编号。
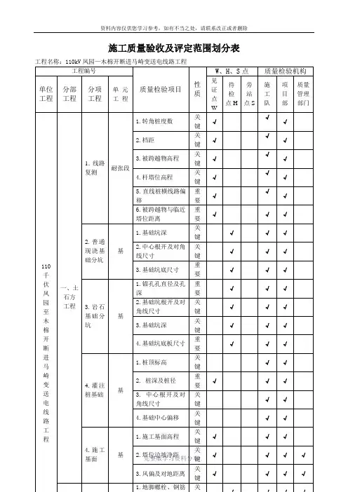
施工质量验收及评定项目划分表一、编制依据1、《110kV-500kV架空电力线路工程施工质量及评定规程》2、《110-500kV架空送电线路施工及验收规范》3、《输电线路工程达标投产考核评定标准》4、《混凝土质量控制标准》二、工程概况本工程需要新建赤水220千伏变电站至文华110千伏变电站Ⅱ回110千伏线路,该工程由赤水220千伏变电站出线一回,沿已建110千伏赤文线双回塔挂线(本期挂备用侧),至原N34双回塔分出单回路接入文华110千伏变。
最终形成赤水变至文华变双回110千伏线路。
a)、架空线路部分:新建线路起自220千伏赤水变,止于110千伏文华变,全线按单、双回设计,线路全长约10.568km,其中,沿原有110kV赤文线双回路塔挂线(本期挂备用侧)部分长度为10.253km,新建单回路部分长度为0.315km.全线导线采用JL/G1A-240/30型钢芯铝绞线。
b)、根据系统通信的要求及可研批复,本期文华变二期扩建工程继续沿用原有(赤水-文华)通信通道,本工程需对原有N34塔处的24芯OPGW光缆挂线点进行调整,线长不足部分可利用文华变构架余缆进行展放,改挂长度0.332km,其余部分的通信线路维持现状不变。
c)、原线概况:根据设计施工说明书了解,原110kV赤文线于2009年投运,全线按单、双回路混合架设,线路总长度10.59km。
其中,赤水边-N34号塔为双回路段,路径长度为10.26km,N34塔-文华变为单回路段,路劲长度为0.33千米。
全线导线采用LGJ-240/30型钢芯铝绞线,地线一根采用LBGJ-80-20AC型铝包钢绞线,另一个采用OPGW-24B1-80架空复合光纤。
全线杆塔共计36基,其中:双回路塔34基,包含10基直线塔(杆塔型式:)1L-SJB、1LSJ2B、1LSJ3B、1LSDJ4B),单回路耐张塔1基(杆塔型式:1XC-JC4G),另在文华变处利用110千伏陈文线双回路终端塔1基(杆塔型式:7738)进110kV构架。
4011质量验收及评定范围表4.0.1 质量验收及评定范围要紧包含四部分内容:工程编号;质量检验项目的划分;验收单位;各分项工程检验批质量验收标准的套用。
表4.0.1-1及表4.0.1-2为火力发电厂土建工程质量验收及评定范围的基本模式。
4.0.2 火力发电厂土建工程质量验收应划分为单位(子单位)工程、分部(子分部)工程、分项工程与检验批。
火力发电厂土建工程质量评定仅对单位工程进行。
4.0.3 单位工程项目划分的原则:基本按具有独立生产(使用)功能或者独立施工条件的建筑物或者构筑物进行划分。
建筑规模较大的单位工程,可根据工程建设使用或者交付安装的需要,将其具有独立使用功能或者独立施工条件的部分分为一个子单位工程。
4.0.4 分部工程项目划分的原则:基本按建筑物或者构筑物工程的部位划分,同时兼顾专业性质;当分部工程较大或者较复杂时,可按材料种类、施工特点、施工程序、专业系统及类别等划分为若干子分部工程。
附属工程或者非生产建筑单位工程参照表4.0.1-2的原则划分。
4.0.5 分项工程划分的原则:建筑物或者构筑物工程基本按要紧工种或者材料、施工工艺、设备类别等工程划分;建筑设备安装工程通常按用途、种类及设备组别等划分;分项工程可由一个或者若干检验批构成。
4.0.6 检验批的划分原则:按同一的生产条件或者工艺、工序阶段或者按规定的方式汇总,由一定数量样本构成的检验体,可根据施工及质量操纵与专业验收需要按楼层、施工区段、变形缝等进行划分。
4.0.7 木结构与智能建筑工程及水消防工程外的特殊消防工程,在工程实际使用时,应根据国家有关标准规定,按本部分质量验收及评定范围划分的原则增列。
4.0.8 各工程均应按照表4.0.1-1及表4.0.1-2的基本模式,结合工程具体情况,制定工程项目的质量验收及评定范围。
质量验收及评定范围表可由承建工程的施工单位编制,监理单位审查,建设单位确认。
质量验收及评定范围表表4.0.1-1质量验收及评定范围表表4.0.1-1 续30表4.0.1-1 续36质量验收及评定范围表质量验收及评定范围表质量验收及评定范围表。
4 工程质量验收范围4.0.1为规范火力发电厂土建工程质量验收划分,特制定质量验收划分表,主要包含四部分内容,即工程编号、质量检验项目的划分、各单位(部门)检验权限、各分项工程检验批质量验收标准的套用。
表4.0.1-1及表4.0.1-2为火力发电厂土建工程质量验收范围划分表的基本模式。
4.0.2 火力发电厂土建工程划分为热力、燃料供应、除灰渣、脱硫及脱硝、供水及水处理、电气、附属生产工程、厂前区公共福利及与厂址有关的单项工程8大系统工程。
4.0.3火力发电厂土建工程质量验收应划分为单位(子单位)工程、分部(子分部)工程、分项工程和检验批。
4.0.4 单位工程项目划分的原则基本按具有独立生产(使用)功能或独立施工条件的建筑物或构筑物进行划分。
建筑规模较大的单位工程可根据工程建设使用或交付安装的需要,将其具有独立使用功能或独立施工条件的部分分为一个子单位工程。
4.0.5 分部工程项目划分的原则基本按建筑物或构筑物工程的部位划分,同时兼顾专业性质;当分部工程较大或较复杂时,可按材料种类、施工特点、施工程序、专业系统及类别等划分为若干子分部工程。
4.0.6分项工程划分的原则,建筑物或构筑物工程基本按主要工种或材料、施工工艺、设备类别等工程划分;分项工程可由一个或若干检验批组成。
4.0.7检验批是按统一的生产条件或工艺、工序阶段或按规定的方式汇总起来供检验用的基本检验体,可根据施工及质量控制和专业验收需要,按楼层、施工区段、变形缝等进行划分。
4.0.8 项目划分表中的单位、分部、分项工程是依据DL/T 5210.1-2005和2007年版的《火力发电工程建设预算编制与计算标准》,结合目前火力发电厂设计内容进行的预控设置。
工程开工前,应由承建工程的施工单位按工程具体情况编制项目划分表,如工程设计增加新的内容或其他与本部分划分内容不符的,划分表内容可增加或删减。
划分表应报监理单位审核,建设单位批准。
同一系统内的单位工程编号可采用连续编号。
4 工程质量验收范围4.0.1为规范火力发电厂土建工程质量验收划分,特制定质量验收划分表,主要包含四部分内容,即工程编号、质量检验项目的划分、各单位(部门)检验权限、各分项工程检验批质量验收标准的套用。
表4.0.1-1及表4.0.1-2为火力发电厂土建工程质量验收范围划分表的基本模式。
4.0.2 火力发电厂土建工程划分为热力、燃料供应、除灰渣、脱硫及脱硝、供水及水处理、电气、附属生产工程、厂前区公共福利及与厂址有关的单项工程8大系统工程。
4.0.3火力发电厂土建工程质量验收应划分为单位(子单位)工程、分部(子分部)工程、分项工程和检验批。
4.0.4 单位工程项目划分的原则基本按具有独立生产(使用)功能或独立施工条件的建筑物或构筑物进行划分。
建筑规模较大的单位工程可根据工程建设使用或交付安装的需要,将其具有独立使用功能或独立施工条件的部分分为一个子单位工程。
4.0.5 分部工程项目划分的原则基本按建筑物或构筑物工程的部位划分,同时兼顾专业性质;当分部工程较大或较复杂时,可按材料种类、施工特点、施工程序、专业系统及类别等划分为若干子分部工程。
4.0.6分项工程划分的原则,建筑物或构筑物工程基本按主要工种或材料、施工工艺、设备类别等工程划分;分项工程可由一个或若干检验批组成。
4.0.7检验批是按统一的生产条件或工艺、工序阶段或按规定的方式汇总起来供检验用的基本检验体,可根据施工及质量控制和专业验收需要,按楼层、施工区段、变形缝等进行划分。
4.0.8 项目划分表中的单位、分部、分项工程是依据DL/T 5210.1-2005和2007年版的《火力发电工程建设预算编制与计算标准》,结合目前火力发电厂设计内容进行的预控设置。
工程开工前,应由承建工程的施工单位按工程具体情况编制项目划分表,如工程设计增加新的内容或其他与本部分划分内容不符的,划分表内容可增加或删减。
划分表应报监理单位审核,建设单位批准。
同一系统内的单位工程编号可采用连续编号。
电力工程质量验收及评定范围4.0.1 质量验收及评定范围主要包括四部分内容:工程编号;质量检验项目的划分;验收单位;各分项工程检验批质量验收标准的套用。
表4.0.1-1及表4.0.1-2为火力发电厂土建工程质量验收及评定范围的基本模式。
4.0.2 火力发电厂土建工程质量验收应划分为单位(子单位)工程、分部(子分部)工程、分项工程和检验批。
火力发电厂土建工程质量评定仅对单位工程进行。
4.0.3 单位工程项目划分的原则:基本按具有独立生产(使用)功能或独立施工条件的建筑物或构筑物进行划分。
建筑规模较大的单位工程,可根据工程建设使用或交付安装的需要,将其具有独立使用功能或独立施工条件的部分分为一个子单位工程。
4.0.4 分部工程项目划分的原则:基本按建筑物或构筑物工程的部位划分,同时兼顾专业性质;当分部工程较大或较复杂时,可按材料种类、施工特点、施工程序、专业系统及类别等划分为若干子分部工程。
附属工程或非生产建筑单位工程参照表4.0.1-2的原则划分。
4.0.5 分项工程划分的原则:建筑物或构筑物工程基本按主要工种或材料、施工工艺、设备类别等工程划分;建筑设备安装工程一般按用途、种类及设备组别等划分;分项工程可由一个或若干检验批组成。
4.0.6 检验批的划分原则:按同一的生产条件或工艺、工序阶段或按规定的方式汇总,由一定数量样本组成的检验体,可根据施工及质量控制和专业验收需要按楼层、施工区段、变形缝等进行划分。
4.0.7 木结构和智能建筑工程及水消防工程外的特殊消防工程,在工程实际使用时,应根据国家有关标准规定,按本部分质量验收及评定范围划分的原则增列。
4.0.8 各工程均应按照表4.0.1-1及表4.0.1-2的基本模式,结合工程具体情况,制定工程项目的质量验收及评定范围。
质量验收及评定范围表可由承建工程的施工单位编制,监理单位审查,建设单位确认。
表4.0.1-1质量验收及评定范围表表4.0.1-1 续9质量验收及评定范围表表4.0.1-1 续10表4.0.1-1 续11表4.0.1-1 续12表4.0.1-1 续13表2.0.1-1 续14表4.0.1-1 续15表4.0.1-1 续16表4.0.1-1 续17表4.0.1-1 续18质量验收及评定范围表表4.0.1-1 续19表4.0.1-1 续20表4.0.1-1 续21质量验收及评定范围表表4.0.1-1 续22质量验收及评定范围表表4.0.1-1 续23质量验收及评定范围表表4.0.1-1 续25质量验收及评定范围表表4.0.1-1 续26表4.0.1-1 续27表4.0.1-1 续28表4.0.1-1 续29表4.0.1-1 续31表4.0.1-1 续32表4.0.1-1 续33表4.0.1-1 续34表4.0.1-1 续35表4.0.1-1 续36表4.0.1-1 续37表4.0.1-1 续38表4.0.1-1 续39表4.0.1-1 续40表4.0.1-1 续41表4.0.1-1 续42质量验收及评定范围表表4.0.1-1 续43质量验收及评定范围表表4.0.1-1 续44表4.0.1-1 续45表4.0.1-1 续46质量验收及评定范围表表4.0.1-1 续47表4.0.1-1 续48。
最新版火电工程施工质量验收及评定范围划分表通用部分背景火电工程是指采用燃料热能转换为电能的电力工程。
火电工程的施工质量验收和评定是保证工程质量的重要环节。
为了规范火电工程的验收和评定工作,制定了最新版的火电工程施工质量验收及评定范围划分表。
目的该文档的目的是为了规范和统一火电工程施工质量验收和评定的范围划分表,使相关工作能够更加标准化、规范化。
适用范围该文档适用于所有火电工程的施工质量验收和评定,包括燃煤、燃气等各类火电工程。
施工质量验收范围以下为火电工程施工质量验收的范围划分表:施工项目验收内容地基与基础施工地基承载力测试、基础尺寸和位置检查、基础混凝土强度检验、基础沉降测量等模板支撑工程安全性验收、尺寸检查、材料成分检查、模板表面光洁度检查等钢结构工程尺寸检查、安装质量检查、焊接接头评定、表面质量检查等烟气净化设施工程设备安装质量、排放指标检测、设备防腐性能检测、设备可靠性测试等发电机组及其配套设备安装质量、电气设备性能检测、机械设备性能检测等安装工程电气安装工程安装质量、绝缘电阻检测、线缆敷设及埋深检查、接地电阻测试等以上是施工质量验收的总体范围,在实际使用过程中可以根据项目实际需求进行具体的调整。
施工质量评定范围以下为火电工程施工质量评定的范围划分表:施工项目评定内容地基与基础施工地基基础强度指标、沉降指标、地面平整度指标、地面水平度指标等模板支撑工程模板平整度指标、支撑结构稳定性指标、立柱强度指标、临时钢结构稳定性指标等钢结构工程结构强度指标、翼板平整度指标、柱弯曲度指标、焊接接头指标等烟气净化设施工程设备出口烟气指标、设备内压损指标、设备气密性指标、设备电器系统指标等发电机组及其配套设备安装工程发电量指标、电压水平指标、稳定性能评估、可靠性评估等电气安装工程电气设备接地电阻指标、绝缘电阻指标、接头连接电阻指标、线缆敷设及埋深评估指标等以上是施工质量评定的总体范围,在实际使用过程中可以根据项目实际需求进行具体的调整。
4 工程质量验收范围4.0.1 为规范火力发电厂土建工程质量验收划分,特制定质量验收划分表,主要包含四部分内容,即工程编号、质量检验项目的划分、各单位(部门)检验权限、各分项工程检验批质量验收标准的套用。
表 4.0.1-1 及表 4.0.1-2 为火力发电厂土建工程质量验收范围划分表的基本模式。
4.0.2 火力发电厂土建工程划分为热力、燃料供应、除灰渣、脱硫及脱硝、供水及水处理、电气、附属生产工程、厂前区公共福利及与厂址有关的单项工程 8 大系统工程。
4.0.3 火力发电厂土建工程质量验收应划分为单位(子单位)工程、分部(子分部)工程、分项工程和检验批。
4.0.4 单位工程项目划分的原则基本按具有独立生产(使用)功能或独立施工条件的建筑物或构筑物进行划分。
建筑规模较大的单位工程可根据工程建设使用或交付安装的需要,将其具有独立使用功能或独立施工条件的部分分为一个子单位工程。
4.0.5 分部工程项目划分的原则基本按建筑物或构筑物工程的部位划分,同时兼顾专业性质;当分部工程较大或较复杂时,可按材料种类、施工特点、施工程序、专业系统及类别等划分为若干子分部工程。
4.0.6 分项工程划分的原则,建筑物或构筑物工程基本按主要工种或材料、施工工艺、设备类别等工程划分;分项工程可由一个或若干检验批组成。
4.0.7 检验批是按统一的生产条件或工艺、工序阶段或按规定的方式汇总起来供检验用的基本检验体,可根据施工及质量控制和专业验收需要,按楼层、施工区段、变形缝等进行划分。
4.0.8 项目划分表中的单位、分部、分项工程是依据DL/T 5210.1-2005 和 2007 年版的《火力发电工程建设预算编制与计算标准》,结合目前火力发电厂设计内容进行的预控设置。
工程开工前,应由承建工程的施工单位按工程具体情况编制项目划分表,如工程设计增加新的内容或其他与本部分划分内容不符的,划分表内容可增加或删减。
划分表应报监理单位审核,建设单位批准。
目录一、工程概况 (1)二、编制依据 (2)三、工程质量方针和质量目标 (2)四、适用范围 (3)五、编制说明 (4)六、施工质量验收及评定范围划分表 (6)一、工程概况工程项目名称:火地~猴子岩35kV 线路T接入孔玉站工程工程概况:本工程位于康定县孔玉乡,属于康定东南方向,地形以山原为主,占总面积的89%,低山河谷占11%。
地势总体西高东低,最高海拔3931米,最低海拔1465米。
线路全长3.614公里,全线按单回路架设,共11基铁塔,其中双回路耐张塔1基,单回路转角塔10基。
本工程导线采用LGJ-120/25型钢芯铝绞线,地线采用GJ-50型镀锌钢绞线。
全线地形划分:山地50%;高山大岭50%,地质划分为:岩石60%、普通土20%、松沙石20%,汽车运距5km,平均人力运距0.4km。
火地~猴子岩35kV线路T接入孔玉站工程参建单位建设单位:国网四川省电力公司甘孜供电公司设计单位:成都华网电力工程咨询有限公司监理单位:四川电力工程建设监理有限责任公司施工单位:四川蜀源茂林电气安装工程有限公司运行单位:康定县供电公司二、编制依据《110~500kV 架空送电线路施工及验收规范》(GB 50233-2005)《110~500kV 架空送电线路工程施工质量检验及评定规程》(DL/T5168-2002)《中华人民共和国工程建设标准强制性条文 (电力工程部分) 》( 2011年版本) 《国家电网公司基建质量管理规定》国网(基建/2)112-2014《国家电网公司输变电工程标准工艺管理办法》国网(基建/3)186-2014《国家电网公司输变电工程安全文明施工标准化管理办法》国网(基建/3)187-2014 三、工程质量方针和质量目标(一)工程质量方针公司严格执行国家电网公司工程建设贯彻“百年大计,质量第一”方针,严格遵守国家工程质量相关法律法规。
(2)工程质量目标根据国网(基建/2)112-2014号文《国家电网公司基建质量管理规定》的要求,工程项目质量目标如下:(1)输变电工程“标准工艺”应用率≥95%。
施工质量验收范围划分表和电气安装工程施工质量验收记录表施工质量验收范围划分表是在施工过程中对各个专业工程进行验收的一个文件,用于规范施工质量的评估和验收工作。
下面是一份施工质量验收范围划分表的参考内容:1. 总体验收范围:(1) 建筑工程(2) 结构工程(3) 暖通工程(4) 电气工程(5) 给排水工程(6) 装饰装修工程2. 电气工程验收范围:(1) 电力系统及设备的装置和连接情况;(2) 电气线路的敷设和连接情况;(3) 照明和照明设备的安装情况;(4) 弱电系统的安装和连接情况,如监控系统、通信系统等;(5) 接地装置的设置和测量情况;(6) 电气设备的性能和使用情况。
3. 施工质量验收记录表是对施工过程中的各项质量验收内容进行记录的表格,用于记录施工质量的合格情况,下面是一份电气安装工程施工质量验收记录表的参考内容:3.1 项目基本信息:(1) 工程名称:(2) 工程地点:(3) 施工单位:(4) 施工日期:(5) 验收人员:3.2 验收内容:(1) 电气设备的安装情况:[ ] 符合设计要求;[ ] 进行了合适的接地处理;[ ] 设备间距符合规范;[ ] 设备连接正确;[ ] 设备的标识和标牌清晰可读。
(2) 电气线路敷设和连接情况:[ ] 线缆敷设符合要求;[ ] 线缆连接牢固;[ ] 线缆的标识和编号正确。
(3) 照明和照明设备的安装情况:[ ] 灯具安装位置合理;[ ] 照明布局合理;[ ] 照明设备的安装牢固;[ ] 照明设备的亮度和色温符合要求。
(4) 弱电系统的安装和连接情况:[ ] 弱电设备安装位置合理;[ ] 弱电设备连接正确;[ ] 弱电设备的性能符合要求。
3.3 验收结论:[ ] 合格;[ ] 不合格。
3.4 验收意见:(1) 合格的部分:(2) 不合格的部分:3.5 验收人员签名:以上是一份施工质量验收范围划分表和电气安装工程施工质量验收记录表的参考内容。
根据实际工程的特点和要求,可以根据这些参考内容进行修改和补充,以适应具体的工程验收工作。