最新碎石褥垫层工程检验批质量验收记录
- 格式:doc
- 大小:38.00 KB
- 文档页数:2
碎石垫层和碎砖垫层检验批质量验收记录二、工程项目地点:(填写具体地址)三、施工单位:四、监理单位:五、质量检验人员:六、施工项目及要求:根据设计要求和施工方案,施工单位需进行碎石垫层和碎砖垫层的铺设工作。
具体施工项目及要求如下:1.施工材料:碎石、碎砖2. 碎石垫层:层厚150mm,经机械碾压,材料规格符合设计要求。
3. 碎砖垫层:层厚100mm,经人工碾压,材料规格符合设计要求。
4. 钢筋网的敷设和固定:采用12mm钢筋网,具体规格和固定要求符合设计要求。
5.施工现场环境:保持施工现场整洁,无垃圾和杂物。
七、质量验收内容及结果:1.碎石垫层质量验收:(1)现场验收:检查施工现场是否整洁,是否有杂物堆积,是否做好了碎石垫层的铺设准备工作。
(2)材料验收:抽取代表性样本进行实验,检验碎石的粒径分布、石子含量和规格是否符合设计要求。
(3)工艺验收:检查碎石垫层的厚度是否符合设计要求,是否经过机械碾压,是否有明显的凹凸不平的情况。
(4)质量验收结果:经过现场验收、材料验收和工艺验收,碎石垫层的质量符合设计要求。
2.碎砖垫层质量验收:(1)现场验收:检查施工现场是否整洁,是否有杂物堆积,是否做好了碎砖垫层的铺设准备工作。
(2)材料验收:抽取代表性样本进行实验,检验碎砖的规格、强度和吸水率等是否符合设计要求。
(3)工艺验收:检查碎砖垫层的厚度是否符合设计要求,是否经过人工碾压,是否有明显的凹凸不平的情况。
(4)质量验收结果:经过现场验收、材料验收和工艺验收,碎砖垫层的质量符合设计要求。
八、质量验收结论:根据对碎石垫层和碎砖垫层的质量检验,质量验收结论如下:通过质量检验,碎石垫层和碎砖垫层的质量符合设计要求,验收合格。
九、质量问题及处理措施:在质量验收过程中,未发现存在质量问题。
十、监理单位意见:十一、施工单位意见:十二、质量监督部门意见:十三、总结:总结施工过程中发现的问题和改进经验,提出施工质量的进一步改进措施。
4《碎石垫层和碎砖垫层检验批质量验收记录》表格示例及填写说明《碎石垫层和碎砖垫层检验批质量验收记录》表格示例及填写说明【规范名称及编号】《建筑地面工程施工质量验收规范》(GB 50209-2010)【条文摘录】摘录一:3.0.21建筑地面工程施工质量的检验,应符合下列规定:1基层(各构造层)和各类面层的分项工程的施工质量验收应按每一层次或每层施工段(或变形缝)划分检验批,高层建筑的标准层可按每三层(不足三层按三层计)划分检验批;2每检验批应以各子分部工程的基层(各构造层)和各类面层所划分的分项工程按自然间(或标准间)检验,抽查数量应随机检验不应少于3间;不足3间,应全数检查;其中走廊(过道)应以10延长米为1间,工业厂房(按单跨计)、礼堂、门厅应以两个轴线为1间计算;3有防水要求的建筑地面子分部工程的分项工程施工质量每检验批抽查数量应按其房间总数随机检验不应少于4间,不足4间,应全数检查。
3.0.22建筑地面工程的分项工程施工质量检验的主控项目,应达到本规范规定的质量标准,认定为合格;一般项目80%以上的检查点(处)符合本规范规定的质量要求,其他检查点(处)不得有明显影响使用,且最大偏差值不超过允许偏差值的50%为合格。
凡达不到质量标准时,应按现行国家标准《建筑工程施工质量验收统一标准》GB50300的规定处理。
4.1.7基层的标高、坡度、厚度等应符合设计要求。
基层表面应平整,其允许偏差和检验方法应符合表4.1.7的规定。
摘录二:4.5碎石垫层和碎砖垫层4.5.1碎石垫层和碎砖垫层厚度不应小于100mm。
4.5.2垫层应分层压(夯)实,达到表面坚实、平整。
主控项目4.5.3碎石的强度应均匀,最大粒径不应大于垫层厚度的2/3;碎砖不应采用风化,酥松、夹有有机杂质的砖料,颗粒粒径不应大于60mm。
检验方法:观察检查和检查质量合格证明文件。
检查数量:按本规范第3.0.21条规定的检验批检查。
4.5.4碎石、碎砖垫层的密实度应符合设计要求。
碎石垫层和碎砖垫层工程检验批质量验收记录项目名称:碎石垫层和碎砖垫层工程项目位置:xx市xx区xx路项目经理:张三验收日期:xxxx年xx月xx日一、项目概况二、施工单位及责任人施工单位:xx施工有限公司责任人:李四三、工程质量验收内容及方法1.碎石垫层验收内容a.碎石垫层的厚度、平整度和密实度是否符合设计要求;b.碎石垫层是否存在松散、塌陷等问题;c.碎石垫层的材料规格和供货单位是否符合要求;验收方法:测量厚度、平整度和密实度,目测和手摸检查松散和塌陷情况,核对材料规格和供货单位。
2.碎砖垫层验收内容a.碎砖垫层的铺设是否平整、无虚浮现象;b.碎砖垫层的厚度和密实度是否符合设计要求;c.碎砖垫层的材料规格和供货单位是否符合要求;验收方法:目测和手摸检查铺设平整度和虚浮情况,测量厚度和密实度,核对材料规格和供货单位。
1.碎石垫层验收记录a.碎石垫层的厚度、平整度和密实度测量结果如下:厚度:平均xx cm(设计要求:xx cm)平整度:符合设计要求(误差范围在xx mm以内)密实度:符合设计要求(表观密实度达到xx%)b.碎石垫层存在松散、塌陷问题:未发现松散和塌陷问题。
c.碎石垫层的材料规格和供货单位核对结果如下:材料规格:xx号石料供货单位:xx石料厂d.其他问题及处理情况:无其他问题。
2.碎砖垫层验收记录a.碎砖垫层的铺设平整度和虚浮情况的目测和手摸检查结果如下:铺设平整度:符合设计要求(无明显虚浮现象)虚浮情况:未发现虚浮问题。
b.碎砖垫层的厚度和密实度测量结果如下:厚度:平均xx cm(设计要求:xx cm)密实度:符合设计要求(表观密实度达到xx%)c.碎砖垫层的材料规格和供货单位核对结果如下:材料规格:xx号碎砖供货单位:xx砖厂d.其他问题及处理情况:无其他问题。
五、质量验收结论经对碎石垫层和碎砖垫层工程进行检查和测试,工程质量符合设计要求和国家相关标准和技术要求,经责任人签字确认,验收合格。
碎石垫层和碎砖垫层检验批质量验收记录
03010104
单位(子单位)工程名称金山桥社区公共服
务场所一室外工程
分部(子分部)
工程名称
园林绿化分项工程名称地面铺装
施工单位湖南佳园建设工程
有限公司
项目负责人检验批容量8
分包单位/ 分包单位项目
负责人
/ 检验批部位
碎石垫层和碎砖垫层
检验批
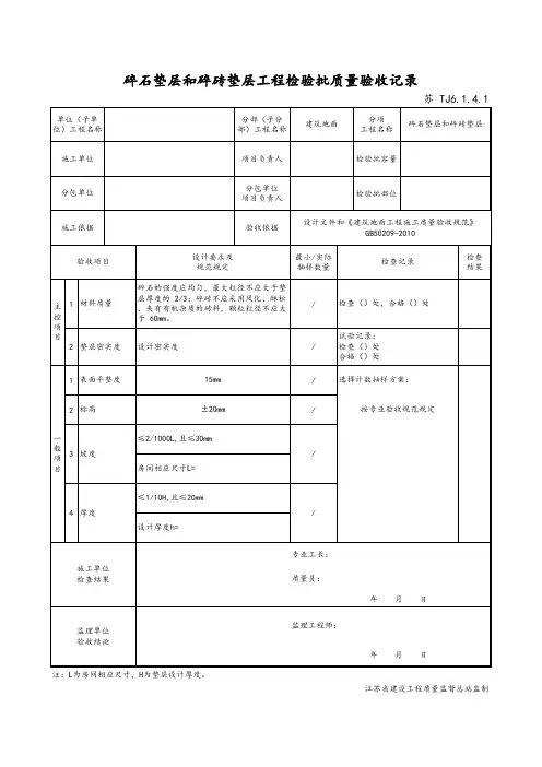
施工依据验收依据《建筑地面工程施工质量验收规范》
GB 50209-2010
主控项目
验收项目
设计要求及
规范规定
最小/实际
抽样数量
检查记录检查结果
1 材料质量第4.5.3条/ 材料质量、规格、数量符合要求
2 垫层密实度
设计要求
/ 符合要求
一
般项目1
表面平整度15mm 8 / 8
15、15、15、14、15、17、18、
10
标高±20mm 8 / 8
20、21、15、16、18、17、15、
15
坡度
≤2/1000L,
且≤30mm
8 / 8 15、20、16、25、2、8、10、5
厚度
≤1/10H,
且≤20mm
8 / 8
20、15、20、11、16、18、20、
14
施工单位
检查结果
专业工长(施工员):
项目专业质量检查员:
年月日
监理(建设)单位
验收结论
专业监理工程师
(建设单位项目专业负责人):
年月日
注:本表内容的填写需依据《现场验收检验批检查原始记录》。
本检验批质量验收的规范依据见本页背面。
碎石垫层和碎砖垫层检验批质量验收记录表
GB50209—2002
(Ⅳ)
030101□□单位(子单位)工程名称
分部(子分部)工程名称验收部位
施工单位项目经理
分包单位分包项目经理
施工执行标准名称及编号
施工质量验收规范的规定施工单位检查评定记录监理(建设)单位验收记录
主控项目1 材料质量第4.5.3条
2 垫层密实度设计要求
一般项目
1
允
许
偏
差
表面平整度15mm
2 标高±20mm
3 坡度
不大于各房间相
应尺寸的2/1000,
且不大于30mm
4 厚度H ≯1/10H
施工单位检查评定结果
专业工长(施工员)施工班组长
项目专业质量检查员:年月日
监理(建设)单位验收结论
专业监理工程师:
(建设单位项目专业技术负责人)年月日
说明
(Ⅳ)
030101
主控项目:
1、碎石的强度应均匀,最大粒径不应大于垫层厚度的2/3;碎砖不应采用风化、酥松、夹有有机杂质的砖料,颗粒粒径不应大于60mm。
观察检查和检查材质合格证明文件及检测报告。
2、碎石、碎砖垫层的密实度,符合设计要求。
观察检查和检查试验记录。
一般项目:
1、碎石、碎砖垫层的允许偏差,应按本规范表4.1.5中的检验方法检验,其中厚度偏差为±1/10设计厚度。
检验方法:观察检查和检抽试验记录。