第二篇第三章第一节防火分区
- 格式:doc
- 大小:20.50 KB
- 文档页数:5
消防工程师消防安全技术实务教材精讲班授课教师:黄明峰第二篇 建筑防火第二篇 建筑防火章节介绍第一章 概述第二章 生产和储存物品的火灾危险性分类第三章 建筑分类与耐火等级第四章 总平面布局和平面布置第五章 防火防烟分区与分隔第二篇 建筑防火章节介绍第六章 安全疏散第七章 建筑电气防火第八章 建筑防爆第九章 建筑设备防火防爆第十章 建筑装修、保温材料防火第十一章 灭火救援设施第一章概述第一章 概述 建筑防火是指在建筑设计和建设过程中采取防火措施,以防止火灾发生和减少火灾对生命财产的危害。
通常,建筑防火措施包括被动防火和主动防火两个方面。
建筑被动防火措施主要是指建筑防火间距、建筑耐火等级、建筑防火构造、建筑防火分区分隔、建筑安全疏散设施等;建筑主动防火措施主要是指火灾自动报警系统、自动灭火系统、防烟排烟系统等。
第一章 概述三、建筑防火的原理和技术方法(一)总平面布置(二)建筑结构防火(三)建筑材料防火(四)防火分区分隔第一章 概述(五)安全疏散是建筑防火最根本、最关键的技术,也是建筑消防安全的核心内容。
(六)防烟排烟(七)建筑防爆和电气防火第二篇2015(37分)2016(37分)2017(37分)第二章 生产和储存物品的火灾危险性分类2分2分4分第三章 建筑分类与耐火等级3分3分3分第四章 总平面布局和平面布置8分6分6分第五章 防火防烟分区与分隔4分4分4分第六章 安全疏散9分7分5分第七章 建筑电气防火1分2分2分第八章 建筑防爆2分2分2分第九章 建筑设备防火防爆1分3分3分第十章 建筑装修、保温材料防火4分4分4分第十一章 灭火救援设施3分4分4分第二章 生产和储存物品的火灾危险性分类物料状态评定指标火灾危险性大其余影响因素气体爆炸极限范围越大,下限越低比重和扩散性、化学性质活泼与否、带电性和受热膨胀性等自燃点越低液体闪点越低(蒸气压越高)爆炸温度极限、受热蒸发性、流动扩散性和带电性自燃点越低固体熔点越低反应危险性、燃烧危险性、毒害性、腐蚀性和放射性燃点越低评定粉状可燃固体是以爆炸浓度下限作为标志的,评定遇水燃烧固体是以与水反应速度快慢和放热量的大小为标志,评定自燃性固体物料是以其自燃点作为标志。
建筑物的防火分区、防烟分区及防火分隔物建筑物的防火分区、防烟分区及防火分隔物第一节防火分区一、防火分区的概念所谓防火分区是指采用防火分隔措施划分出的、能在一定时间内防止火灾向同一建筑的其余部分蔓延的局部区域(空间单元)。
在建筑物内采用划分防火分区这一措施,可以在建筑物一旦发生火灾时,有效地把火势控制在一定的范围内,减少火灾损失,同时可以为人员安全疏散、消防扑救提供有利条件。
防火分区,按照防止火灾向防火分区以外扩大蔓延的功能可分为两类:其一是竖向防火分区,用以防止多层或高层建筑物层与层之间竖向发生火灾蔓延;其二是水平防火分区,用以防止火灾在水平方向扩大蔓延。
竖向防火分区是指用耐火性能较好的楼板及窗间墙(含窗下墙),在建筑物的垂直方向对每个楼层进行的防火分隔。
水平防火分区是指用防火墙或防火门、防火卷帘等防火分隔物将各楼层在水平方向分隔出的防火区域。
它可以阻止火灾在楼层的水平方向蔓延。
防火分区应用防火墙分隔。
如确有困难时,可采用防火卷帘加冷却水幕或闭式喷水系统,或采用防火分隔水幕分隔。
二、防火分区的划分从防火的角度看,防火分区划分得越小,越有利于保证建筑物的防火安全。
但如果划分得过小,则势必会影响建筑物的使用功能,这样做显然是行不通的。
防火分区面积大小的确定应考虑建筑物的使用性质、重要性、火灾危险性、建筑物高度、消防扑救能力以及火灾蔓延的速度等因素。
我国现行的《建筑设计防火规范》、《人民防空工程设计防火规范》、《高层民用建筑设计防火规范》等均对建筑的防火分区面积作了规定,在设计、审核和检查时,必须结合工程实际,严格执行。
(一)单层、多层民用建筑防火分区的划分单层、多层民用建筑防火分区面积是以建筑面积计算的。
每个防火分区的最大允许建筑面积应符合表331.1的要求。
在进行防火分区划分时应注意以下几点:1.防火分区间应采用防火墙分隔,如有困难时,可采用以背火面温升作耐火极限判定条件的防火卷帘(耐火极限3小时以上)、不以背火面温升作耐火极限判定条件的防火卷帘加闭式自动喷水灭火系统和防火水幕带分隔。
第一篇消防基础知识第一章燃烧基础知识第一节燃烧条件1.燃烧的必要条件-点火三角形-可燃物、助燃物(氧化剂)、引火源(温度)。
2.燃烧的必要条件-点火四面体-可燃物、助燃物(氧化剂)、引火源(温度)、链式反应自由基。
3.直接引火源包括:明火、电弧、电火花、雷击,高温、自燃引火源不属于直接引火源。
第二节燃烧类型4.燃烧分为两种,着火和爆炸,点燃和自燃都属于着火。
5.闪点是判断液体火灾危险性大小对可燃性液体进行分类的主要依据。
闪点<28℃的为甲类,28℃≤闪点<60℃的为乙类,闪点≥60℃为丙类。
6.对于液体、气体可燃物,其自燃点受压力、氧浓度、催化、容器的材质和表面积及体积比等因素的影响。
而固体可燃物的自燃点,则受受热熔融、挥发物的数量、固体的颗粒度、受热时间等因素的影响。
第三节燃烧方式及其特点7.气体燃烧分为扩散燃烧及预混燃烧。
8.液体燃烧分为闪燃、沸溢、喷溅三个阶段。
9.固体燃烧分为蒸发燃烧、表面燃烧、分解燃烧、熏烟燃烧(阴燃)、动力燃烧(爆炸)。
第二章火灾基础知识第一节火灾的定义、分类及危害10.火灾的定义:是指在时间或空间上失去控制的燃烧所造成的灾害。
11.按照燃烧对象的性质火灾分为:A类火灾(固体物质火灾)、B类火灾(液体或可溶化固体物质火灾)、C类火灾(气体火灾)、D类火灾(金属火灾)、E类火灾(带电火灾)、F类火灾(烹饪器具内的火灾)。
12.按照火灾事故所造成的灾害损失程度火灾可以分为:死亡人数一般火灾 3 较大火灾10 重大火灾30 特别重大火灾重伤人数10 50 100损失财产1000万5000万1亿只上不下,取小于号时带等于号13.火灾的危害:危害生命安全、造成经济损失、破坏文明成果、影响社会稳定、破坏生态环境。
第二节火灾发生的常见原因14.火灾发生的常见原因:电气、吸烟、生活用火不慎、生产作业不慎、设备故障、玩火、放火、纵火。
第三节建筑火灾蔓延的机理及途径15.建筑火灾蔓延的传热基础为:热传导、热对流、热辐射。
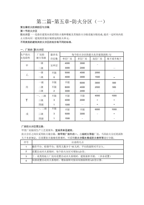
第二篇-第五章-防火分区(一)第五章防火防烟防区与分隔第一节防火分区防火分区一一是指在建筑内部采用防火墙和楼板及其他防火分隔设施分隔而成,能在一定时间内阻止火势向同一建筑的其他区域要延的防火单元。
不同类别的建筑其防火分区的划分有不同的标准。
厂房防火分区需注意:甲类厂房除因生产工艺需要外,宜采用单层建筑。
防火分区之间应采用防火墙分隔。
除甲类厂房外的一、二级耐火等级厂房,当其防火分区的面积一、二级耐火等级高层民用建筑SW(1500+S A)m2/一、二级耐火等级单层或多层昆再建就一S≤(2500+S)m2A)m2四级耐、三级耐火等级建筑Sw(1200+SA)m2地下、半地下建筑火等级建筑S≤(600+SA(室)SM(500+S)m?A)m2地下室设备用房S≤(1000+SA局部设置自动灭火系统(面积为2S A)时防火分区的最大允许建筑面积S平面示意图【例-模拟单选题】某油品加工厂(闪点92℃)拟设计建造一栋单层厂房,其建筑形式为阶梯式建筑,耐火等级二级,为1个防火分区;该厂因为阶梯式,高度不一致,划分为设置湿式自动喷水灭火系统区域、自动寻址消防水泡区(建筑面积3000m,)、气体灭火区(建筑面积100onf),全为不燃添加物区未设置自动灭火系统区域(建筑面积2000户)共计四个区域。
请问该车间设置湿式自动喷水灭火系统区域的建筑面积不应大于()m∖A.4000B.6000C.10000D.8000网校答案:D网校解析:(1)当建筑(厂房、除冷库外的仓库)内设置自动灭火系统时,防火分区最大允许建筑面积可按规定增加LO倍;局部设置时,防火分区的增加面积可按该局部面积的LO倍计算。
公式:A∕2+B=S (2)耐火等级为二级的丙类单层厂房,其防火分区的最大面积为8000。
(S+3000+1000)/2+2000=8000Itf。
消防安全技术实务第一篇消防基础知识第一章燃烧基础知识第一节燃烧条件一、燃烧的的发生和发展,必须具备3个必要条件——可燃物、助燃物(氧化剂)和引火源(温度)。
二、大部分燃烧发生和发展需要4个必要条件——可燃物、助燃物(氧化剂)、引火源(温度)和链式反应自由基第二节燃烧类型一、燃烧类型分类:按照燃烧形成的条件和发生瞬间的特点,可分为着火和爆炸。
其中着火分为点燃和自燃,自燃又可分为化学自燃和热自燃。
二、闪点、燃点、自燃点的概念在规定的试验条件下,液体挥发的蒸气与空气形成的混合物,遇火源能够闪燃的液体最低温度(采用闭杯法测定),称为闪点。
闪点是可燃性液体性质的主要标志之一,是衡量液体火灾危险性大小的重要参数。
闪点越低,火灾危险性越大,反之则越小.闪点是判断液体火灾危险性大小以及对可燃性液体进行分类的主要依据。
可燃性液体的闪点越低,其火灾危险性也越大.例如,汽油的闪点为-50℃,煤油的闪点为38~74℃,显然汽油的火灾危险性就比煤油大。
根据闪点的高低,可以确定生产、加工、储存可燃性液体场所的火灾危险性类别:闪点<28℃的为甲类;闪点≥28℃至<60℃的为乙类;闪点≥60℃的为丙类。
第三节燃烧方式与特点一、气体燃烧:扩散燃烧和预混燃烧。
二、液体燃烧:闪燃、沸溢、喷溅。
液态烃类燃烧时,通常具有橘色火焰并散发浓密的黑色烟云。
醇类燃烧时,通常具有透明的蓝色火焰,几乎不产生烟雾.三、固体燃烧:蒸发燃烧——如蜡烛、松香、硫、钾、磷、沥青和热塑性高分子材料等燃烧分解燃烧--如木材、煤、合成塑料等燃烧。
表面燃烧—-如焦炭、木炭、铁、铜等的燃烧。
熏烟燃烧(阴燃)动力燃烧(爆炸)第四节燃烧产物不完全燃烧产物:CO、NH3、醇类、醛类、醚类等.燃烧产物的危害性:二氧化碳和一氧化碳是燃烧产生的两种主要燃烧产物.其中,二氧化碳虽然无毒,但当达到一定的浓度时,会刺激人的呼吸中枢,导致呼吸急促、烟气吸入量增加,并且还会引起头痛、神志不清等症状。
消防工程师-防火防烟分区与分隔课程提要学习要求:了解防火分区面积划分应考虑的因素和常用的防火分区分隔构件熟悉各类建筑防火分区面积要求和典型特殊功能区域的防火分隔要求掌握防火分区、防烟分区的概念掌握防火墙、防火卷帘、防火门、防火阀、挡烟垂壁的概念及设置要求。
第一节防火分区防火分区是指采用具有较高耐火极限的墙和楼板等构件作为一个区域的边界构件划分出的,能在一定时间内阻止火势向同一建筑的其他区域蔓延的防火单元。
防火分区的面积大小应根据建筑物的使用性质、高度、火灾危险性、消防扑救能力等因素确定。
一、厂房的防火分区戊一、二级三级四级不限31不限50001500不限3000—6000——1000——厂房防火分区需注意的:(甲类厂房只能用防火墙分隔,不允许采用防火卷帘、水幕)1、设置自动灭火系统时,防火分区面积可增加1.0倍。
2、局部设置自动灭火系统时,增加面积可按该局部面积的1.0倍计算。
3、丁、戊类的地上厂房内设置自动灭火系统时,建筑面积不限。
4、操作平台、检修平台使用人数少于10人时,平台面积不计入所在防火分区建筑面积。
二、仓库的防火分区仓库防火分区需注意的:1、仓库防火分区水平分隔必须采用防火墙分隔;2、甲、乙类仓库内的防火分区之间应采用不开设门窗洞口的防火墙分隔;3、甲、乙类生产场所(仓库)不应设置在地下或半地下。
4、仓库设置自动灭火系统时,除冷库外,防火分区的面积可增加1.0倍。
三、民用建筑防火分区民用建筑防火分区需注意的:1、设置自动灭火系统时,防火分区面积可增加1.0倍2、局部设置时,防火分区面积可按该局部面积的1.0倍计算3、裙房与高层建筑间设置防火墙时,裙房的防火分区可按单、多层建筑的要求确定。
裙房:在高层建筑主体投影范围外,与建筑主体相连且建筑高度不大于24m的附属建筑。
2017年一级注册消防工程师《综合能力》教材精讲:防火分区[ 2017年8月26日]2017年一级注册消防工程师《综合能力》教材精讲:防火分区前情回顾第三章防火防烟分区检查第一节防火分区建筑内防火分区的划分:一方面通过耐火性能较好的楼板及窗间墙(含窗槛墙),在建筑物的垂直方向对每个楼层进行防火分隔;另一方面利用防火墙或防火门、防火卷帘等防火分隔物将各楼层在水平方向分隔出防火区域。
一、防火分区的划分(一)检查内容1.防火分区的建筑面积(2017改)防火分区允许的最大建筑面积的确定与建筑的使用性质、火灾危险性、重要性、消防扑救能力及火灾蔓延速度等因素有关。
2017真题12、对防火分区进行检查时,应该检查防火分区的建筑面积。
根据现行国家消防技术标准的规定,下列因素中,不影响防火分区的建筑面积划分的是( )。
A.使用性质B.防火间距C.耐火等级D.建筑高度网校答案:B网校解析:防火分区允许的最大建筑面积的确定与建筑的使用性质、火灾危险点击【消防工程师学习资料】或打开/category/xfs1?wenkuwd,注册开森学(学尔森在线学习平台)账号,免费领取学习大礼包,包含:①真题答案及解析性、重要性、消防扑救能力及火灾蔓延速等因素有关。
单项选择题2) 对地下或半地下商店进行检查时,当包括营业面积、储存面积及其他配套服务面积的总建筑面积大于20000m2时,为最大限度减少火灾的危害,除检查每个防火分区建筑面积是否满足规范规定外,还需检查其是否采用无门、窗、洞口的防火墙、耐火极限不低于2.00h的楼板分隔为多个建筑面积不大于20000m2的区域。
当相邻区域确需局部连通时,可以采用防火隔间、避难走道、防烟楼梯间、能防止相邻区域的火灾蔓延和便于安全疏散的下沉式广场等与室外开敞空间进行连通。
2.防火分隔完整性防火分隔设施分为固定不可活动式和活动可启闭式两大类,主要包括防火墙、防火卷帘、防火门(窗)、防火阀、排烟防火阀等。
2019版一级消防工程师《消防安全技术实务》教材目录第一篇消防基础知识第一章燃烧第一节燃烧的本质与条件第二节燃烧类型及其特点第三节燃烧产物及典型物质的燃烧第二章火灾第一节火灾的定义、分类与危害第二节火灾发生的常见原因第三节建筑火灾发展及蔓延的机理第四节防火和灭火的基本原理与方法第三章爆炸第一节爆炸的定义及分类第二节爆炸极限第三节爆炸危险源第四章易燃易爆危险品第一节爆炸品第二节易燃气体第三节易燃液体第四节易燃固体、易于自燃的物质、遇水放出易燃气体的物质第五节氧化性物质和有机过氧化物第二篇建筑防火第一章概述第二章生产和储存物品的火灾危险性分类第一节生产的火灾危险性分类第二节储存物品的火灾危险性分类第三章建筑分类与耐火等级第一节建筑分类第二节建筑材料的燃烧性能及分级第三节建筑构件的燃烧性能和耐火极限第四节建筑耐火等级第四章总平面布局和平面布置第一节建筑消防安全布局第二节建筑防火间距第三节建筑平面布置第五章防火防烟分区与分隔第一节防火分区第二节防火分隔第三节防火分隔设施与措施第四节防烟分区第六章安全疏散第一节安全疏散基本参数第二节安全出口与疏散出口第三节疏散走道与避难走道第四节疏散楼梯与楼梯间第五节避难层(间) 第六节逃生疏散辅助设施第七章建筑电气防火第一节电气线路防火第二节用电设备防火第八章建筑防爆第一节建筑防爆基本原则和措施第二节爆炸危险性厂房、库房的布置第三节爆炸危险性建筑的构造防爆第四节爆炸危险环境电气防爆第九章建筑设备防火防爆第一节采暖系统防火防爆第二节通风与空调系统防火防爆第三节燃油、燃气设施防火防爆第四节锅炉防火防爆第五节电力变压器防火防爆第十章建筑装修,保温材料防火第一节装修材料的分类与分级第二节装修防火的通用要求第三节特殊功能部位与用房装修防火要求第四节单层、多层公共建筑装修防火第五节高层公共建筑装修防火第六节地下民用建筑装修防火第七节建筑外保温系统防火第十一章灭火救援设施第一节消防车道第二节消防登高面、消防救援场地和灭火救援窗第三节消防电梯第四节直升机停机坪第三篇建筑消防设施第一章概述第一节建筑消防设施的作用及分类第二节建筑消防设施的设置与管理第二章消防给水及消火栓系统第一节消防给水及设施第二节室外消火栓系统第三节室内消火栓系统第四节设计参数第三章自动喷水灭火系统第一节系统分类和组成第二节系统工作原理与适用范围第三节系统设计主要参数第四节系统主要组件及设置要求第五节系统控制第四章水喷雾灭火系统第一节系统灭火机理第二节系统分类第三节系统工作原理与适用范围第四节系统设计参数第五节系统组件及设置要求第五章细水雾灭火系统第一节系统灭火机理第二节系统分类第三节系统组成、工作原理与适用范围第四节系统设计参数第五节系统组件及设置要求第六章气体灭火系统第一节系统灭火机理第二节系统分类和组成第三节系统工作原理与控制方式第四节系统适用范围第五节系统设计参数第六节系统组件及设置要求第七章泡沫灭火系统第一节系统灭火机理第二节系统组成和分类第三节系统型式的选择第四节系统设计要求第五节系统组件及设置要求第八章干粉灭火系统第一节系统灭火机理第二节系统组成和分类第三节系统工作原理与适用范围第四节系统设计参数第五节系统组件及设置要求第九章火灾自动报警系统第一节火灾探测器、手动火灾报警按钮和火第二节系统组成、工作原理与适用范围第三节系统设计要求第四节可燃气体探测报警系统第五节电气火灾监控系统第六节消防控制室第十章防排烟系统第一节自然通风与自然排烟第二节机械加压送风系统第三节机械排烟系统第四节防烟排烟系统的联动控制第十一章消防应急照明和疏散指示系统第一节系统分类和组成第二节系统工作原理、功能与性能要求第三节系统设计要求第十二章城市消防远程监控系统第一节系统组成和工作原理第二节系统设计第三节系统主要设备第十三章建筑灭火器配置第一节灭火器的分类第二节灭火器的构造第三节灭火器的灭火机理与适用范围第四节灭火器的配置要求第十四章消防供配电第一节消防用电及负荷等级第二节消防电源供配电系统第四篇其他建筑、场所防火第一章概述第二章石油化工防火第一节石油化工火灾危险性及其特点第二节生产防火第三节储运防火第三章地铁防火第一节地铁火灾危险性及其特点第二节地铁建筑防火设计要求第三节地铁火灾工况运作模式第四章城市交通隧道防火第一节隧道的分类第二节隧道的火灾危险性及其特点第三节隧道建筑防火设计要求第五章加油加气站防火第一节加油加气站的分类分级第二节加油加气站的火灾危险性及其特点第三节加油加气站的防火设计要求第六章发电厂防火与变电站防火第一节发电厂的分类第二节火力发电厂的火灾危险性第三节火力发电厂的防火设计要求第四节变电站的火灾危险性第五节变电站的防火设计要求第七章飞机库防火第一节飞机库的分类第二节飞机库的火灾危险性第三节飞机库的防火设计要求第八章汽车库、修车库防火第一节汽车库、修车库的分类第二节汽车库、修车库的火灾危险性第三节汽车库、修车库的防火设计要求第九章洁净厂房防火第一节洁净厂房的分类第二节洁净厂房的火灾危险性第三节洁净厂房的防火设计要求第十章信息机房防火第一节信息机房的分类第二节信息机房的火灾特点第三节信息机房的防火设计要求第十一章古建筑防火第一节我国古建筑的分类第二节古建筑的火灾危险性第三节古建筑的防火设计要求第十二章人民防空工程防火第一节人民防空工程的分类第二节人民防空工程的火灾危险性及其特点第三节人民防空工程的防火设计要求第五篇消防安全评估第一章概述第一节风险管理第二节火灾风险评估的分类、作用与基本流程第二章火灾风险识别第一节火灾风险评估概念辨析第二节火灾风险来源第三节火灾风险源分析第三章火灾风险评估方法概述第一节安全检查表法第二节预先危险性分析法第三节事件树分析法第四节事故树分析法第五节其他火灾风险评估方法第四章建筑性能化防火设计评估第一节概述第二节火灾场景设计第三节烟气流动与控制第四节人员疏散分析第五节建筑结构耐火性能分析。
第二篇:建筑防火第一章:概述◎1.建筑防火措施包括被动防火和主动防火两个方面。
被动防火措施:建筑防火间距、建筑耐火等级、建筑防火构造、建筑防火分区分隔、建筑安全疏散设施等。
主动防火措施:火灾自动报警系统、自动灭火系统、防烟排烟系统等。
◎2.建筑起火的原因:电气火灾(主因)、生产作业火灾、生活用火不慎、吸烟、玩火、自燃、雷击、静电等。
建筑火灾的特点:空间上的广泛性、时间上的突发性、成因上的复杂性、防治上的局限性等。
建筑火灾的五大危害:危害生命安全、造成经济损失、破坏文明成果、影响社会稳定、破坏生态环境。
◎3.建筑防火的原理在教材P45,建筑防火的技术方法有:(1)总平面布局总平面布局要满足城市规划和消防安全的要求:合理选择建筑物位置;根据实际需要合理分区,火灾危险性相近的建筑集中布置,便于安全管理;合理确定防火安全距离,为火灾扑救创造有利条件;考虑扑救火灾时所必需的消防车道、消防水源和消防扑救面。
(2)建筑结构防火在建筑防火设计中,正确选择和确定建筑的耐火等级,是防止建筑火灾发生和阻止火势蔓延扩大的一项治本措施。
当遇到某些建筑构件的耐火极限和燃烧性能达不到规范时,可采取以下措施:适当增加构建截面积、增加保护层厚度、防火涂料保护层、耐火吊顶等。
(3)建筑材料防火建筑材料防火的原则:对于建筑中的可燃材料,应当进行阻燃处理;与电气线路或发热物体接触的材料尽量使用不然材料,疏散通道内应采用不然材料。
(4)防火分区分隔防火分区包括水平防火分区和竖向防火分区。
水平防火分区主要利用防火隔墙、防火卷帘、防火门和防火水幕;竖向防火分区主要是利用耐火楼板、防火挑檐、设置窗槛墙等(5)安全疏散安全疏散是建筑防火最根本、最关键的技术,也是建筑消防安全的核心内容;建筑安全疏散技术的重点是安全出口、疏散出口以及安全疏散通道的数量、宽度、位置和疏散距离。
基本要求是:每个防火分区必须设置至少两个安全出口;疏散路线必须满足室内最远点到房门,房门到最近安全出口或楼梯间的行走距离限值;疏散方向尽量为双向疏散,疏散出口应分散布置,减少袋形走道的设置等。
第二篇建筑防火检查第三章防火防烟分区检查学习要求掌握防火防烟分区检查的主要内容和方法,根据消防法律法规,运用相关消防技术和标准规范,辨识和分析防火分区与防烟分区划分,防火墙、防火门(窗)、防火卷帘、防火阀和防火隔间设置等方面存在的隐患,解决防火防烟分隔设施的消防安全技术问题,开展防火分区和防烟分区设施的检查。
第一节防火分区建筑内防火分区的划分:一方面通过耐火性能较好的楼板及窗间墙(含窗槛墙),在建筑物的垂直方向对每个楼层进行防火分隔;另一方面利用防火墙或防火门、防火卷帘等防火分隔物将各楼层在水平方向分隔出防火区域,可以有效地把火势控制在一定的范围内,减少火灾损失,同时可以为人员安全疏散、消防扑救提供有利的条件。
一、防火分区的划分(一)检查内容1、防火分区面积1)工业建筑检查时,根据火灾危险性类别、建筑物耐火等级、建筑层数等因素确定每个防火分区的最大允许建筑面积;如在同一座库房或同一个防火隔间内储存数种火灾危险性不同的物品,其库房或隔间的最大允许建筑面积,按其中火灾危险性最大的物品确定。
2)民用建筑检查时,根据建筑物耐火等级、建筑高度或层数、使用性质等确定每个防火分区的最大允许建筑面积;当裙房与高层建筑主体之前设置防火墙时,裙房的防火分区可按单、多层建筑的要求确定。
当建筑内设置商场、展览厅、汽车库等功能时,需注意其防火分区的建筑面积是否符合其特殊要求,如室内有车道且防火分区的最大允许建筑面积按常规汽车库要求减少35%。
3)人防工程检查时,对于溜冰馆的冰场、游泳馆的游泳池、射击馆的靶道区、保龄球馆的球道区等,其面积可不计人溜冰馆、游泳馆、射击馆、保龄球馆的防火分区面积;水泵房、污水泵房、水库、厕所、盥洗间等无可燃烧的房间面积可不计人防火分区的面积;避难走道不划分防火分区。
4)建筑内设置自动扶梯、敞开楼梯、传送带、中庭等开口部位时,其防火分区的建筑面积应将上下相连通的建筑面积叠加计算;同样,对于敞开式、错层式、斜楼板式的汽车库,其上下连通层的防火分区面积也需要叠加计算。
第二篇建筑防火——第五章防火防烟分区与分隔学习要求了解防火分区面积划分应考虑的因素和常用的防火分区分隔构件。
熟悉各类建筑防火分区面积要求和典型特殊功能区域的防火分隔要求。
掌握防火分区、防烟分区的概念,掌握防火墙、防火卷帘、防火门、防火阀、挡烟垂壁的概念及设置要求。
第一节防火分区知识点:厂房的防火分区厂房的防火分区——根据不同的生产火灾危险性类别,合理确定厂房的层数和建筑面积,可以有效防止火灾蔓延扩大,减少损失。
甲类生产具有易燃易爆的特性,容易发生火灾和爆炸,疏散和救援困难,如层数多则更难扑救,严重者对结构产生重大破坏。
因此,甲类厂房除因生产工艺需要外,宜采用单层建筑。
为适应生产需要建设大面积厂房和布置连续生产线工艺时,防火分区采用防火墙分隔比较困难。
对此,除甲类厂房外,规范允许采用防火分隔水幕或防火卷帘等进行分隔。
厂房的防火分区面积应根据其生产的火灾危险性类别、厂房的层数和厂房的耐火等级等因素确定。
各类厂房的防火分区的最大允许建筑面积应符合表2-5-1的要求。
对于一些特殊的工业建筑,防火分区的面积可适当扩大,但必须满足规范规定的相关要求。
厂房内的操作平台、检修平台,当使用人数少于10人时,其面积可不计入所在防火分区的建筑面积内。
表1 厂房的层数和每个防火分区的最大允许建筑面积记忆口诀:甲类:4332 乙类:542 4315丙类口诀6843232 丁类口诀4214 戊类口诀53156自动灭火系统能及时控制和扑灭防火分区内的初起火灾,有效地控制火势蔓延。
运行维护良好的自动灭火设施,能较大地提高厂房的消防安全性。
因此,厂房内设置自动灭火系统时,每个防火分区的最大允许建筑面积可按表2—5—1的规定增加1.0倍。
当丁、戊类的地上厂房内设置自动灭火系统时,每个防火分区的最大允许建筑面积不限。
厂房内局部设置自动灭火系统时,其防火分区的增加面积可按该局部面积的1.0倍计算。
知识点:仓库的防火分区仓库物资储存比较集中,可燃物数量多,一旦发生火灾,灭火救援难度大,就极易造成严重经济损失。
第二篇建筑防火检查
第三章防火防烟分区检查
学习要求
掌握防火防烟分区检查的主要内容和方法,根据消防法律法规,运用相关消防技术和标准规范,辨识和分析防火分区与防烟分区划分,防火墙、防火门(窗)、防火卷帘、防火阀和防火隔间设置等方面存在的隐患,解决防火防烟分隔设施的消防安全技术问题,开展防火分区和防烟分区设施的检查。
第一节防火分区
建筑内防火分区的划分:一方面通过耐火性能较好的楼板及窗间墙(含窗槛墙),在建筑物的垂直方向对每个楼层进行防火分隔;另一方面利用防火墙或防火门、防火卷帘等防火分隔物将各楼层在水平方向分隔出防火区域,可以有效地把火势控制在一定的范围内,减少火灾损失,同时可以为人员安全疏散、消防扑救提供有利的条件。
一、防火分区的划分
(一)检查内容
、防火分区面积
)工业建筑检查时,根据火灾危险性类别、建筑物耐火等级、建筑层数等因素确定每个防火分区的最大允许建筑面积;如在同一座库房或同一个防火隔间内储存数种火灾危险性不同的物品,其库房或隔间的最大允许建筑面积,按其中火灾危险性最大的物品确定。
)民用建筑检查时,根据建筑物耐火等级、建筑高度或层数、使用性质等确定每个防火分区的最大允许建筑面积;当裙房与高层建筑主体之前设置防火墙时,裙房的防火分区可按单、多层建筑的要求确定。
当建筑内设置商场、展览厅、汽车库等功能时,需注意其防火分区的建筑面积是否符合其特殊要求,如室内有车道且防火分区的最大允许建筑面积按常规汽车库要求减少。
)人防工程检查时,对于溜冰馆的冰场、游泳馆的游泳池、射击馆的靶道区、保龄球馆的球道区等,其面积可不计人溜冰馆、游泳馆、射击馆、保龄球馆的防火分区面积;水泵房、污水泵房、水库、厕所、盥洗间等无可燃烧的房间面积可不计人防火分区的面积;避难走道不划分防火分区。
)建筑内设置自动扶梯、敞开楼梯、传送带、中庭等开口部位时,其防火分区的建筑面积应将上下相连通的建筑面积叠加计算;同样,对于敞开式、错层式、斜楼板式的汽车库,其上下连通层的防火分区面积也需要叠加计算。
、防火分隔完整性
防火分隔设施分为固定不可活动式和活动可启闭式两大类,主要包括防火墙、防火卷帘、防火门(窗)、防火阀、排烟防火阀等。
)对防火分区间代替防火墙分隔的防火卷帘,检查是否采用以背火面温升作耐火极限判定条件,如不以背火面温升作耐火极限判定条件,其卷帘两侧应设置独立的闭式自动喷水灭火系统保护,系统喷水延续时间不小于。
)对设在变形缝处附近的防火门,应检查其是否设置在楼层较多的一侧,且门开启后不得跨越变形缝。
)对建筑内的隔墙,包括房间隔墙和疏散走道两侧的隔墙,应检查其是否从楼地面基层隔断砌至顶板底面基层。
(二)检查方法
对于功能复杂的建筑工程,检查时要注意涵盖不同使用功能的楼层,其中歌舞娱乐放映游艺场所等人员密集场所必须检查。
防火分区建筑面积测量值的允许正偏差不得大于规定值的。
二、建筑内的中庭
(一)检查内容
、防火分隔措施
中庭与周围连通空间的防火分隔措施有多种,当采用防火隔墙时,耐火极限不得低于;当采用防火玻璃时,防火玻璃与其固定部件整体的耐火极限不得低于,如果防火玻璃采用类时,还应检查是否设置闭式自动喷水灭火系统保护;当采用防火卷帘时,耐火极限不得低于;同时,与中庭相连通的门、窗,均为火灾时能自行关闭的甲级防火门、窗。
、消防设施的设置
主要检查中庭排烟设施,如为高层建筑,还应检查中庭回廊的自动喷水灭火系统和火灾自动报警系统的设置。
、中庭的使用功能
中庭内不得布置任何经营性商业设施、可燃物和用于人员通行外的其他用途。
、与中庭连通部位的装修材料
建筑内上下层相连通的中庭,其连通部位的顶棚、墙面装修材料燃烧等级应为级,其他部位可采用不低于级的装修材料。
(二)检查方法
实地查看中庭及相通部位的使用功能,对照隐蔽工程施工记录、防火门(窗)、防火卷帘的产品质量合格证明文件、符合国家市场准人要求的检验报告等资料,查验防火门、防火卷帘的选型和设置。
四、电梯井和管道井等竖向井道
(一)检查内容
、竖向井道设置
主要检查要求:
)建筑的电缆井、管道井、排(气)烟道、垃圾道等竖向井道,均须分别独立设置。
井壁耐火极限不低于,井壁上的检查门为丙级防火门。
)高层建筑内的垃圾道排气口应直接开向室外。
垃圾斗应设在垃圾道前室内,该前室的门为丙级防火门。
垃圾斗采用不燃烧材料制作,并能自行关闭。
)电梯井独立设置。
井内严禁敷设可燃气体和甲、乙、丙类液体管道,并不得敷设与电梯无关的考电缆、电线等。
井壁除开设电梯门、安全逃生门和通气孔洞外,不开设其他洞口。
电梯门的耐火极限不低于,并同时符合相关完整性和隔热性要求。
、缝隙、孔洞的封堵
主要检查要求:
)电缆井、管道井与房间、走道等相连通的孔隙,必须采用防火封堵材料封堵。
)电缆井、管道井在每层楼板处必须采用不低于楼板耐火极限的不燃烧体或防火封堵材料封堵。
(二)检查方法
实地对照隐蔽工程施工记录、防火门产品质量证明文件、防火封堵产品燃烧性能证明文件等资料,查验防火门、防火封堵材料选型和防火封堵的密实性。
五、建筑外(幕)墙
(一)检查内容
、楼板外沿墙体的设置
建筑幕墙在每层楼板外沿设置的墙体,耐火极限不低于、高度不低于1.2m,可以是不燃性实体墙或防火玻璃墙;当室内设置自动喷水灭火系统时,该部分墙体的高度不应小于0.8m。
对于设置双层幕墙的建筑,当外墙体耐火极限低于时,幕墙中靠室内一侧的幕墙耐火极限不得低于,可开启外窗应采用乙级防火窗或耐火极限不低于的类防火窗。
、每层缝隙的封堵
幕墙与周边防火分隔构件之间的缝隙、与楼板或者隔墙外沿之间的缝隙、与相邻的实体墙洞口之间的缝隙等的填充材料会存在受震动和温差影响易脱落、开裂等问题,所以幕墙与每层楼板、隔墙处的缝隙,必须采用具有一定弹性和防火性能的材料填塞密实。
这种材料可以是不燃材料,也可以是具有一定耐火性能的难燃材料。
、消防救援口的设置
位于消防车登高操作场地一侧的建筑幕墙,应同时参照本篇第二章第三节检查消防救援口的设置。
(二)检查方法
核查防火窗、内填充材料、防火封堵材料等产品质量证明文件及燃烧性能检测报告与消防设计文件的一致性;测量楼板外沿墙体的高度时,高度测量值的允许负偏差不得大于规定值的。
六、变形缝
伸缩缝、沉降缝、抗震缝。
(一)检查内容
、变形缝的材质
变形缝的构造基层、表面装饰层的必须为不燃烧材料。
、管道的敷设
变形缝内不得敷设电缆、可燃气体管道和甲、乙、丙类液体管道。
必须穿过时,应检查在穿过处是否加设不燃材料制作的套管或采取其他防变形措施,并采用防火封堵材料对其进行封堵。
当通风、空气调节系统的风管穿越防火分隔处的变形缝时,应检查其两侧是否设置公称动作温度为℃的防火阀。
(二)检查方法
重点查看跨越防火分区的变形缝和伸缩缝。
必要时,可以打开变形缝表面装饰层进行检查。
例题:防火分隔检查中,对防火分区间代替防火墙分隔的防火卷帘,如不以背火面温升作为耐火极限判定条件,其卷帘两侧需要设置独立的闭式自动喷水灭火系统保护,系统喷水延续时间不小于。
、
、
、
、
答案:
解析:对防火分区间代替防火墙分隔的防火卷帘,检查是否采用以背火面温升作耐火极限判定条件,如不以背火面温升作耐火极限判定条件,其卷帘两侧应设置独立的闭式自动喷水灭火系统保护,系统喷水延续时间不小于。
例题:电梯井要求独立设置。
井内严禁敷设可燃气体和甲、乙、丙类液体管道,并不得敷设与电梯无关的电缆、电线等。
井壁除开设电梯门、安全逃生门和通气孔洞外,不开设其他洞口。
电梯层门的耐火极限不低于,并同时符合相关完整性和隔热性要求。
、
、
、
、
答案:
解析:电梯井独立设置。
井内严禁敷设可燃气体和甲、乙、丙类液体管道,并不得敷设与电梯无关的考电缆、电线等。
井壁除开设电梯门、安全逃生门和通气孔洞外,不开设其他洞口。
电梯门的耐火极限不低于,并同时符合相关完整性和隔热性要求。
例题:建筑幕墙是由金属构件和玻璃板等组成的建筑物外围护结构。
对不设窗间墙的玻璃幕墙,应在每层楼板外沿,设置耐火极限不低于高度不低于1.2m的不燃性实体墙或防火玻璃墙;当室内设置自动喷水灭火系统时,该部分墙体的高度不应小于。
、
、
、
、
答案:
解析:建筑幕墙在每层楼板外沿设置的墙体,耐火极限不低于、高度不低于1.2m,可以是不燃性实体墙或防火玻璃墙;当室内设置自动喷水灭火系统时,该部分墙体的高度不应小于0.8m。
例题:建筑内上下层相连通的中庭,其连通部位的顶棚、墙面装修材料燃烧等级应为级。
、
、
、
、
答案:
解析:建筑内上下层相连通的中庭,其连通部位的顶棚、墙面装修材料燃烧等级应为级,其他部位可采用不低于级的装修材料。