实验 高锰酸钾制备己二酸
- 格式:pdf
- 大小:114.04 KB
- 文档页数:2
第16卷第4期 延安大学学报(自然科学版) Vol.16 No.4 1997年12月 JOURNAL OF YANAN U NIVERSITY Dec.1997用高锰酸钾氧化环己醇制备己二酸方法的改进李继忠 石向林(延字大学化学系 陕西延安;716000)目前通用的有机化学实验教科书,[1,2]采用高锰酸钾氧化环己醇制备已二酸。
在教学实践中,我们体会到该实验方法有其不尽合理之处:氧化反应要求高锰酸钾分批小量地加入,必须控制反应温度在30℃以下。
在此温度下反应很慢,随着高锰酸钾加入量的增多,反应会迅速加快,瞬间温度骤升,常使反应物冲出反应器。
因此,学生实验时常常出现上述情况;产率一般仅为30—40%,得不到产品的情况也较普遍。
通过极缓慢地加入高锰酸钾以控制反应温度,实验时间需要6—8小时。
为了提高产率,做到实验安全可靠。
操作步骤明确,并缩短实验时间,争取在3学时内完实验,我们对实验作了改进。
1 实验部分在装有搅拌器、温度计的250m l三颈烧瓶中,加入5.2ml(5g,0.05mo l)环己醇及7.5g的碳酸钠溶于50m l水的溶液。
开动搅拌器,在迅速搅拌下,分批小量地加入研细的22.5g (0.14mo l)高锰酸钾(约1小时)。
开始加入高锰酸钾,并用热水浴加热烧瓶使瓶内温度在45℃,温度过高时可用冷水浴冷却。
加完高锰酸钾,继续控温(43-47℃)搅拌,直至反应温度不再上升为止。
然后在50℃的水浴中加热并不断搅拌30分钟。
在一张平整的滤纸上点一小滴混合物以试验反应是否完成。
如果观察到试剂的紫色存在,继续加热搅拌,直至点滴实验无紫色存在。
将反应混合物趁热抽滤,用20m l10%碳酸钠溶液洗涤滤渣。
利用电热套加热,把滤液的体积浓缩到30ml。
稍冷后,用浓硫酸酸化直到溶液呈强酸性。
冷却,析出己二酸。
抽滤,用15ml 冰水洗涤。
干燥得白色棱状结晶,其熔点为151—152℃,红外光谱与文献报道谱图相符[2],主要吸收峰(V max Cm-1):3500—2500(-COOH),1700(C=0),1275,1190,920.产量5.5-6.3g(产率75—85%)。
实验八己二酸的制备一、实验目的1、学习环己醇氧化制备己二酸的原理和方法;2、掌握浓缩、过滤及重结晶等操作技能二、实验原理三、实验药品及其物理常数环己醇:2g 2.1ml (0.02mol);高锰酸钾6g (0.038mol);0.3N氢氧化钠溶液50ml;亚硫酸氢钠;浓盐酸四、主要仪器和材料水浴锅三口烧瓶(100 mL、19#×3) 恒压滴液漏斗空心塞(14#) 球形冷凝管(19#) 螺帽接头(19#,2只) 温度计(100℃) 布氏漏斗吸滤瓶烧杯冰滤纸水泵等.氧化剂可用浓硝酸、碱性高锰酸钾或酸性高锰酸钾。
本实验采用碱性高锰酸钾作氧化剂五、实验装置六、操作步骤(1)向250ml烧杯内加入50ml 0.3N氢氧化钠溶液,置于磁力搅拌上;(2)边搅拌边将6g 高锰酸钾溶解到氢氧化钠溶液中;(3)用滴管滴加2.1ml 环己醇到上述溶液中,维持反应物温度为43~47 ℃。
(4)当醇滴加完毕且反应混合物温度降低至43 ℃左右时,沸水浴将混合物加热,使二氧化锰凝聚。
(5)在一张平整的滤纸上点一小滴混合物以试验反应是否完成,如果观察到试液的紫色存在,那么可以用少量固体亚硫酸氢钠来除掉过量的高锰酸钾。
(6)趁热抽滤,滤渣二氧化锰用少量热水洗涤3次(每次2 mL),每次尽量挤压掉滤渣中的水分;(7)合并滤液和洗涤液,用4ml浓盐酸酸化至pH2.0;(8)小心地加热蒸发使溶液的体积减少到10ml左右,冷却,分离析出的己二酸。
(9)抽滤、洗涤、烘干、称重、计算产率。
(10)测量产品的熔点和红外光谱,并与标准光谱比较。
【操作要点及注意事项】1.KMnO4要研细,以利于KMnO4充分反应。
2. 滴加:本实验为强烈放热反应,所以滴加环己醇的速度不宜过快(1-2滴/秒),否则,因反应强烈放热,使温度急剧升高而引起爆炸。
3.严格控制反应温度,稳定在43~47℃之间。
4.反应终点的判断:(1)反应温度降至43℃以下。
(2)用玻璃棒蘸一滴混合物点在平铺的滤纸上,若无紫色存在表明已没有KMnO4。
己二酸的制备一.实验目的1.学习己二酸制备的原理和方法2.加强重结晶的操作安全须知高锰酸钾是强氧化剂,不能将它与醇,醛等易氧化的有机化合物保存在一起。
二.反应式三.药品环己酮4ml(3.79g,0.039mol) 0.3mol/L氢氧化钠 100ml 高锰酸钾 12.6g(0.08mol)亚硫酸氢钠浓盐酸四.试验步骤(1)在锥形瓶内放入12.6g(0.08mol)高锰酸钾,100ml 0.3mol/L 氢氧化钠和4ml环己酮(3.79g,0.039mol)分批加入。
阻止反应太剧烈,放热过大。
注意温度,此反应是放热反应,反应开始后会使混合物超过45摄氏度,假如在室温下反应开始5min后,混合物温度还不能上升至45摄氏度,则可小心加热至40摄氏度,是反应开始。
(2)如反应温度超过45摄氏度时,应用冷水浴适当冷却,然后保持温度45摄氏度25min,再在石棉网上加热至微沸5min。
此时要不断振荡或搅拌,否则极易爆沸冲出容器(3)取1滴反应混合物放在滤纸上检查高锰酸钾是否还存在,无论有无在棕色二氧化锰周围出现紫色环,都需加入1药匙固体亚硫酸氢钠直至点滴试验呈负性。
(4)抽气过滤反应混合物,用水充分洗涤滤饼,最好是将滤饼移于烧杯中,经搅拌后抽滤。
滤液置于烧杯中,在石棉网上加热浓缩到20ml左右,用浓盐酸酸化溶液ph=1-2,在多加2ml浓盐酸。
冷却后过滤,为了提高收得率,最好用冰冷水冷却溶液以降低己二酸在水中的溶解度,己二酸于不同温度下在水中的溶解度不同。
(5)用水重结晶时加活性炭脱色,得白色晶体即为己二酸,烘干,称重。
五.实验结果产率=【3.1/(0.039x146)】x100%=54.4%六.思考题1.写出环己酮氧化成己二酸的平衡方程式。
并计算出此反应理论上所需高锰酸钾的用量。
n(高锰酸钾)=2n(环己酮)=2x0.039=0.078mol2.用碱性高锰酸钾氧化2-甲基环己酮时,预期会得到那些产物?(1)6-庚酮酸(2)2-甲基己二酸3.除了用环己酮为原料制备己二酮外,能否选用环己醇或环己烯为原料制备己二酸?如果能,请写出反应式,设计你的方案。
【实验目的】1、学习用环己醇氧化制备己二酸的原理和方法。
2、掌握浓缩、过滤、重结晶等操作技能。
【实验原理】己二酸可以用硝酸或高锰酸钾氧化环己醇制得,本实验用环己醇在高锰酸钾的氧化下制备己二酸。
+ 8 KMnO 4 + H 2O OH 3 3 HOOC(CH 2)4COOH + 8 MnO 【实验装置】反应装置图 改进的装置 抽滤装置【仪器和药品】1、仪器:50mL 三颈烧瓶、温度计、冷凝管、烧杯、磁力搅拌器、布什漏斗、抽虑瓶、水泵、加热套。
2、药品:环己醇、碳酸钠、高锰酸钾、10%的碳酸钠溶液、浓硫酸。
【实验步骤】1、配制10%的碳酸钠溶液。
3.8g 碳酸钠溶于35mL 温水中。
2、在50mL 的三颈烧瓶中,加入1.3mL(0.0135mol)环己醇和已配制好的碳酸钠水溶液(约20mL ),在磁力搅拌下分八批加入研细的6g (0.0255 mol )高锰酸钾,约2h 。
加入时控制反应温度始终小于30℃,加完后继续搅拌,直至反应温度不再上升为止,然后在50℃水浴中加热并不断搅拌(约30min )。
3、将反应混合物抽虑,用5mL10%的碳酸钠溶液洗涤滤渣,抽虑,合并滤液,在搅拌下慢慢滴加浓硫酸,直到滤液呈强酸性,己二酸沉淀析出,冷却,抽虑,晾干,称量,计算产率。
【实验注意事项】1、在50mL 三颈烧瓶中加入的水太少影响搅拌效果,使高锰酸钾不能充分反应。
2、反应过程中注意温度的控制和分批加入高锰酸钾。
【主要试剂物理常数】乙醚、苯、乙酸乙酯、二硫化碳和松节油等。
己二酸性状:白色结晶粉末,微溶于水,溶于热水,易溶于甲醇、乙醇、丙酮等,能升华,可用硝酸重结晶。
【作业】P1231、反应体系中加入碳酸钠有何作用?答:(1)开始加入碳酸钠的水溶液,呈碱性,提供OH-,中和反应体系中生成的己二酸,使反应正向进行,让反应进行彻底。
(2)防止己二酸和环己醇反应生成酯。
2、计算产率。
3—OH+8KMnO4+H2O 3 HOOC(CH2)4COOH+8MnO2+8KOH100.16×3 8×158.03 3×146.140.0135×100.6 12 X高锰酸钾过量。
方法一:环己醇制备己二酸(高锰酸钾)一、实验目的1.学习环己醇氧化制备已二酸的原理和了解由醇氧化制备羧酸的常用方法。
2.熟悉电动搅拌,抽滤等实验技术。
3.熟练掌握熔点的测定技术。
二、实验原理己二酸(ADA),又称肥酸。
常温下为白色晶体, 熔点152 ℃,沸点337.5 ℃。
主要用途:有机合成中间体,主要用于合成纤维(尼龙-66,大约占己二酸总量的70%)其它的(30%) 在制备聚氨酯:PA-46,PA-66,PA-610,合成树脂,合成革,聚酯泡沫塑料,塑料增塑剂,润滑剂,食品添加剂,粘合剂,杀虫剂,染料,香料,医药等领域得以广泛应用。
产量情况1902年首次合成。
目前世界产量大约2.60 Mt/a,并以3.36% 年增长率增长。
其中世界上最大的5 家企业是: Dupont (1.09 Mt/a)、Rhodia (417 kt/a)、Solutia (385 kt/a)、BASF (240 kt/a) 和旭化成(112 kt/a)。
2002年我国年生产能力12万t/a (巴陵石化,辽阳石化,太原化学,上海燎原化工,神马集团),市场消费量约为19.5万t/a。
预计2010年全球ADA生产能力有望达到3.32 Mt/a。
制备羧酸最常用的方法是烯、醇、醛等的氧化法。
常用的氧化剂有硝酸、重铬酸钾(钠)的硫酸溶液、高锰酸钾、过氧化氢及过氧乙酸等。
但其中用硝酸为氧化剂反应非常剧烈,伴有大量二氧化氮毒气放出,既危险又污染环境。
因而本实验采用环己醇在高锰酸钾的碱性条件发生氧化反应,然后酸化得到已二酸。
反应式OH H[O O ]O[]HOC O(CH 2)4OHOC环己醇 环己酮 己二酸OH MnO 338H 2+KMnO 4+HO 2C(CH 2)4CO 2H ++8KOH8三、仪器和药品抽滤装置、100℃温度计、环己醇、高锰酸钾、氢氧化钠、亚硫酸氢钠、浓盐酸、试纸。
四、实验步骤1.安装反应装置,在烧杯中加入6g 高锰酸钾和50mL0.3mol/L 氢氧化钠溶液,搅拌加热至35℃使之溶解,然后停止加热;2.在继续搅拌下用滴管滴加2.1mL 环己醇,控制滴加速度,维持反应温度43~47℃,滴加完毕后若温度下降,可在50℃的水浴中继续加热,直到高锰酸钾溶液颜色褪去。
实验技术高锰酸钾氧化制备己二酸的实验改进徐翔宇(沈阳工业大学石油化工学院,辽宁辽阳 111003)摘 要:通过改变高锰酸钾氧化环己醇制备己二酸的方法,使制备己二酸的实验变得简便、过程简单、反应时间缩短、产率提高、实验效果理想。
关键词:高锰酸钾;己二酸实验;氧化制备;实验改进中图分类号:G424.31 文献标志码:B 文章编号:1002 4956(2011)07 0263 02Experimental improvement of preparation for adipic acidthrough oxidation of potassium permanganateXu Xiang yu(Institute o f Petr ochemica l T echno lo gy ,Sheny ang U niver sity o f T echno log y,L iaoy ang 111003,China)Abstract:T hr ough chang ing the method o f the prepar at ion fo r adipic acid o f the potassium per mang anate ox idi zing cy clohex ano l,the ex per iment o f pr epa ratio n fo r adipic acid becomes mo re simple and co nv enient.T he whole pr ocess is simple,the reactio n time is sho rtened,the yield is incr eased and the ex per imental r esults ar e very idea l.Key words:pot assium permanganate;adipic acid;ox idatio n;impro vement收稿日期:2011 01 21作者简介:徐翔宇(1956 ),男,陕西咸阳,本科,讲师,从事有机化学实验教学.高校有机化学实验教材中己二酸的制备大多采用的是用硝酸或高锰酸钾来氧化环己醇制备己二酸[1 2]。
己二酸的制备实验报告篇一:己二酸的制备实验报告实验八己二酸的制备一、实验目的1、学习环己醇氧化制备己二酸的原理和方法;2、掌握浓缩、过滤及重结晶等操作技能二、实验原理三、实验药品及其物理常数环己醇:2g 2.1ml (0.02mol);高锰酸钾 6g (0.038mol);0.3N氢氧化钠溶液 50ml;亚硫酸氢钠;浓盐酸四、主要仪器和材料水浴锅三口烧瓶(100 mL、19#×3) 恒压滴液漏斗空心塞(14#) 球形冷凝管(19#) 螺帽接头(19#,2只) 温度计(100℃) 布氏漏斗吸滤瓶烧杯冰滤纸水泵等.氧化剂可用浓硝酸、碱性高锰酸钾或酸性高锰酸钾。
本实验采用碱性高锰酸钾作氧化剂五、操作步骤(1)向250ml烧杯内加入50ml 0.3N氢氧化钠溶液,置于磁力搅拌上;(2)边搅拌边将6g 高锰酸钾溶解到氢氧化钠溶液中;(3)用滴管滴加2.1ml 环己醇到上述溶液中,维持反应物温度为43~47 ℃。
(4)当醇滴加完毕且反应混合物温度降低至43 ℃左右时,沸水浴将混合物加热,使二氧化锰凝聚。
(5)在一张平整的滤纸上点一小滴混合物以试验反应是否完成,如果观察到试液的紫色存在,那么可以用少量固体亚硫酸氢钠来除掉过量的高锰酸钾。
(6)趁热抽滤,滤渣二氧化锰用少量热水洗涤3次(每次2 mL),每次尽量挤压掉滤渣中的水分;(7)合并滤液和洗涤液,用4ml浓盐酸酸化至pH2.0;(8)小心地加热蒸发使溶液的体积减少到10ml左右,冷却,分离析出的己二酸。
(9)抽滤、洗涤、烘干、称重、计算产率。
(10)测量产品的熔点和红外光谱,并与标准光谱比较。
【操作要点及注意事项】1.KMnO4要研细,以利于KMnO4充分反应。
2. 滴加:本实验为强烈放热反应,所以滴加环己醇的速度不宜过快(1-2滴/秒),否则,因反应强烈放热,使温度急剧升高而引起爆炸。
3.严格控制反应温度,稳定在43~47℃之间。
4.反应终点的判断:(1)反应温度降至43℃以下。
环己烯高锰酸钾生成己二酸过程
环己烯高锰酸钾生成己二酸的过程是通过环己烯的氧化反应实现的。
具体步骤如下:
1. 首先,将高锰酸钾(KMnO4)溶解在适量的水中,得到高锰酸钾溶液。
2. 将环己烯注入反应器中,同时加入高锰酸钾溶液。
3. 在适当的温度和pH条件下,高锰酸钾溶液中的高锰酸根离子(MnO4-)氧化环己烯,生成环己烯二醇(hexenediol)。
4. 进一步氧化环己烯二醇,得到己二酸(adipic acid)。
整个反应过程可以用以下方程式表示:
C6H10 + 2KMnO4 + 4H2O → C6H10O2 + 2MnO2 + 2KOH +
2H2O
C6H10O2 + O2 + H2O → C6H10O4
在实际生产中,该反应常常需要经过多个步骤和特定的反应条件,如适当的反应温度、反应时间、催化剂等。
此外,产物己二酸还需要经过后续的提纯和纯化工艺,才能得到高纯度的产品。
1 实验六 己二酸的制备(4学时)一.实验目的1、学习环己醇氧化制备己二酸的原理和方法。
2、巩固浓缩、过滤、重结晶等操作技能。
二、实验原理己二酸是合成尼龙-66的主要原料之一,它可以用硝酸或高锰酸钾氧化环己醇制得。
其中用硝酸为氧化剂反应非常剧烈,伴有大量二氧化氮毒气放出,既危险又污染环境。
因而本实验采用环己醇在高锰酸钾的酸性条件发生氧化反应,然后酸化得到已二酸。
OH MnO 338H 2+KMnO 4+HO 2C (CH 2)4CO 2H ++8KOH8三、试剂2g(2.1ml, 0.02mol)环己醇、6g (0.038mol) 高锰酸钾、10%氢氧化钠、亚硫酸氢钠、浓盐酸、 石蕊试纸四、步骤在250ml 烧杯中安装电磁搅拌。
烧杯中加入5ml 10%氢氧化钠溶液和50ml 水,搅拌下加入6g 高锰酸钾。
待高锰酸钾溶解后,用滴管慢慢加入2.1ml 环己醇,控制滴加速度,维持反应温度在450C 左右。
滴加完毕反应温度开始下降时,在沸水浴中将混合物加热5min ,使氧化反应完全并使二氧化锰沉淀凝结。
用玻棒蘸一滴反应混合物点到滤纸上做点滴试验。
趁热抽滤混合物,滤渣二氧化锰用少量热水洗涤3次。
合并滤液和洗涤液,用4ml 浓盐酸酸化,使溶液呈强酸性(如何检验?)。
在石棉网上加热浓缩使溶液体积减少至约10ml 左右,加少量活性炭脱色后放置结晶,得白色己二酸晶体,纯己二酸为白色棱状结晶,m.p. 152℃,d 4241.366,b.p. 330.5℃(分解)。
五、思考题1、本实验中为什么必须控制反应温度和环己醇的滴加速度?2、为什么有些实验在加入最后一个反应物前应先预热?为什么一些反应剧烈的实验,开始时的加料速度放得较慢,等反应开始反而可以适当加快加料速度?3、粗产物为什么必须干燥后称重?并最好进行熔点测定?。
实验8 己二酸的合成(高锰酸钾法) 4学时每组带瓶开水一、实验目的1.学习用环己醇氧化制备己二酸的原理和方法。
(应知)2.掌握电动搅拌器的使用方法及浓缩、过滤等基本操作。
(应会) 二、实验原理OH MnO 338H 2+KMnO 4+HO 2C(CH 2)4CO 2H ++8KOH8三、物理常数四、电动搅拌装置安装要点1.搅拌器的轴与搅拌棒在同一直线上。
2.先用手试验搅拌棒转动是否灵活,再以低转速开动搅拌器,试验运转情况。
3.搅拌棒下端位于液面以下,以离烧杯底部3~5 mm 为宜。
4.温度计应与搅拌棒平行且伸入液面以下。
五、仪器和试剂仪 器:搅拌回流加热装置1套,抽滤装置1套,玻棒,500mL 烧杯1个,滴管1个。
试 剂:环己醇2g(2.1mL,约0.02mol),高锰酸钾6.3g(0.038mol),10%氢氧化钠溶液5mL ,浓盐酸4mL,固体亚硫酸氢钠,广泛pH 试纸,滤纸六、实验步骤在装有搅拌装置、温度计和回流冷凝管的100mL 三颈(或四颈瓶)瓶中加入5mL10%氢氧化钠溶液(或0.5gNaOH 固体)和50mL 水,搅拌使其溶解,然后加入6.3g 高锰酸钾。
小心预热溶液到40oC ,高锰酸钾溶解后,从冷凝管上口【也可四颈烧瓶的一个口滴管加入,漏气关系不大】用滴管缓慢滴加2.1mL 环己醇[1],【滴1滴休息3秒左右】反应随即开始(放热)。
控制滴速,使反应温度维持在45oC 左右[2]。
滴完,反应温度开始下降时,水浴保温45oC 左右【55度左右的水浴】,继续搅拌保温20min 后,在沸水浴上加热5min ,促使反应完全并使MnO 2沉淀凝聚[3]。
用玻璃棒蘸一滴反应混合物点到滤纸上做点滴实验。
如有高锰酸盐存在,则在棕色二氧化锰点的周围出现紫色的环,可加入少量【0.1g 左右】固体亚硫酸氢钠直到点滴试验呈阴性为止。
趁热抽滤混合物,用少量热水【溶剂尽量少,否则后面蒸发时间很长】洗涤滤渣MnO 23次,将洗涤液与滤液合并置于烧杯中。
技术与信息高锰酸钾氧化环己醇制备己二酸的实验探究张素英1>2朱彬U2胡明华U2潘琪U2(l.遵义师范学院化学化工学院,贵州遵义563002;2.龄北特色资源应用研究重点实验室,贵州遵义563002)摘要:高锰酸钾氧化环己醇制备己二酸的实验时间较长,很多学生在3个学时内由于高锰酸钾反应不完全而使实验失败。
为缩短 反应时间,保证学生在有限的时间内完成实验,笔者对该实验的实验条件、暴沸或冲料的最低温度及是否可以添加亚硫酸氢钠进 行了探究,优化出了较理想的加料方法和反应温度范围。
关键词:高锰酸钾;环己醇;己二酸;亚硫酸氢納Experimental investigation on the preparation o f Adipic acid by Potassiumpermanganate oxidizingCyclohexanolZHANG Su-ying1,2, Zhu bin1,2, Hu ming-hua1,2, Pan qi1,2(l.College of Chemistry and ChemicalEngineeriiig,Zunyi Normal College, Zunyi 563002; 2.Key Laboratory of Utilization Research on Characteristic Resource in Qianbei, Zunyi 563002)Abstract:The experiment time of the preparation of adipic acid by potassium permanganate oxidation cyclohexanol is longer,Many students failed in the experiment due to the incomplete reaction of potassium permanganate in three classes.In order to shorten the reaction time and ensure the students complete the experiment in a limited time,The experimental conditions, the lowest temperature of the boiling or the outrush of liqxiid, and whether the sodium bisxilfite can be added for exploration,The ideal feeding method and temperature range are optimized.Key words:potassium permanganate; cyclohexanol; adipic acid;sodium bisulfite高锰酸钾氧化环己醇制备己二酸(曾和平主编《有机化 学实验》第四版,方法二)是我院“有机化学实验n”中的一 个实验项目。
己二酸的制备一、实验目的1、学习环己醇氧化制备己二酸的原理和方法;2、掌握浓缩、过滤及重结晶等操作技能二、实验原理三、实验药品及其物理常数环己醇:2g 2.1ml (0.02mol);高锰酸钾6g (0.038mol);0.3N氢氧化钠溶液 50ml;亚硫酸氢钠;浓盐酸四、主要仪器和材料水浴锅三口烧瓶(100 mL、19#×3) 恒压滴液漏斗空心塞(14#) 球形冷凝管(19#) 螺帽接头(19#,2只) 温度计(100℃) 布氏漏斗吸滤瓶烧杯冰滤纸水泵等.氧化剂可用浓硝酸、碱性高锰酸钾或酸性高锰酸钾。
本实验采用碱性高锰酸钾作氧化剂操作步骤(1)向250ml烧杯内加入50ml 0.3N氢氧化钠溶液,置于磁力搅拌上;(2)边搅拌边将6g 高锰酸钾溶解到氢氧化钠溶液中;(3)用滴管滴加2.1ml 环己醇到上述溶液中,维持反应物温度为43~47 ℃。
(4)当醇滴加完毕且反应混合物温度降低至43 ℃左右时,沸水浴将混合物加热,使二氧化锰凝聚。
(5)在一张平整的滤纸上点一小滴混合物以试验反应是否完成,如果观察到试液的紫色存在,那么可以用少量固体亚硫酸氢钠来除掉过量的高锰酸钾。
(6)趁热抽滤,滤渣二氧化锰用少量热水洗涤3次(每次2 mL),每次尽量挤压掉滤渣中的水分;(7)合并滤液和洗涤液,用4ml浓盐酸酸化至pH2.0;(8)小心地加热蒸发使溶液的体积减少到10ml左右,冷却,分离析出的己二酸。
(9)抽滤、洗涤、烘干、称重、计算产率。
(10)测量产品的熔点和红外光谱,并与标准光谱比较。
【操作要点及注意事项】1.KMnO4要研细,以利于KMnO4充分反应。
2. 滴加:本实验为强烈放热反应,所以滴加环己醇的速度不宜过快(1-2滴/秒),否则,因反应强烈放热,使温度急剧升高而引起爆炸。
3.严格控制反应温度,稳定在43~47℃之间。
4.反应终点的判断:(1)反应温度降至43℃以下。
(2)用玻璃棒蘸一滴混合物点在平铺的滤纸上,若无紫色存在表明已没有KMnO4。
己二酸的制备一、实验目的1、学习环己醇氧化制备己二酸的原理和方法;2、掌握浓缩、过滤及重结晶等操作技能二、实验原理三、实验药品及其物理常数化合物名称分子量性状比重(d )熔点(℃)沸点(℃)折光率(n)溶解度水乙醇乙醚环己醇液体或晶体161可溶可溶高锰酸钾斜方晶体240分解--830难溶不溶己二酸单斜晶棱柱体151-326510mmHg-100100易溶环己醇:2g ;高锰酸钾6g;氢氧化钠溶液 50ml;亚硫酸氢钠;浓盐酸四、主要仪器和材料水浴锅三口烧瓶(100 mL、19#×3) 恒压滴液漏斗空心塞(14#) 球形冷凝管(19#) 螺帽接头(19#,2只) 温度计(100℃) 布氏漏斗吸滤瓶烧杯冰滤纸水泵等.氧化剂可用浓硝酸、碱性高锰酸钾或酸性高锰酸钾。
本实验采用碱性高锰酸钾作氧化剂操作步骤(1)向250ml烧杯内加入50ml 氢氧化钠溶液,置于磁力搅拌上;(2)边搅拌边将6g 高锰酸钾溶解到氢氧化钠溶液中;(3)用滴管滴加环己醇到上述溶液中,维持反应物温度为43~47 ℃。
(4)当醇滴加完毕且反应混合物温度降低至43 ℃左右时,沸水浴将混合物加热,使二氧化锰凝聚。
(5)在一张平整的滤纸上点一小滴混合物以试验反应是否完成,如果观察到试液的紫色存在,那么可以用少量固体亚硫酸氢钠来除掉过量的高锰酸钾。
(6)趁热抽滤,滤渣二氧化锰用少量热水洗涤3次(每次2 mL),每次尽量挤压掉滤渣中的水分;(7)合并滤液和洗涤液,用4ml浓盐酸酸化至;(8)小心地加热蒸发使溶液的体积减少到10ml左右,冷却,分离析出的己二酸。
(9)抽滤、洗涤、烘干、称重、计算产率。
(10)测量产品的熔点和红外光谱,并与标准光谱比较。
【操作要点及注意事项】要研细,以利于KMnO4充分反应。
2. 滴加:本实验为强烈放热反应,所以滴加环己醇的速度不宜过快(1-2滴/秒),否则,因反应强烈放热,使温度急剧升高而引起爆炸。
3.严格控制反应温度,稳定在43~47℃之间。
高锰酸钾氧化环己醇制备己二酸的实验探究张素英;朱彬;胡明华;潘琪【摘要】高锰酸钾氧化环己醇制备己二酸的实验时间较长,很多学生在3个学时内由于高锰酸钾反应不完全而使实验失败.为缩短反应时间,保证学生在有限的时间内完成实验,笔者对该实验的实验条件、暴沸或冲料的最低温度及是否可以添加亚硫酸氢钠进行了探究,优化出了较理想的加料方法和反应温度范围.【期刊名称】《化工管理》【年(卷),期】2018(000)022【总页数】2页(P41-42)【关键词】高锰酸钾;环己醇;己二酸;亚硫酸氢钠【作者】张素英;朱彬;胡明华;潘琪【作者单位】遵义师范学院化学化工学院,贵州遵义 563002;黔北特色资源应用研究重点实验室,贵州遵义 563002;遵义师范学院化学化工学院,贵州遵义 563002;黔北特色资源应用研究重点实验室,贵州遵义 563002;遵义师范学院化学化工学院,贵州遵义 563002;黔北特色资源应用研究重点实验室,贵州遵义 563002;遵义师范学院化学化工学院,贵州遵义 563002;黔北特色资源应用研究重点实验室,贵州遵义 563002【正文语种】中文高锰酸钾氧化环己醇制备己二酸(曾和平主编《有机化学实验》第四版,方法二)是我院“有机化学实验Ⅱ”中的一个实验项目。
此实验由于高锰酸钾氧化环己醇是氧化反应,反应放热,所以要求反应温度控制的较低,有的甚至要求控制在30℃以下[1],因此导致反应时间较长,很多学生在规定的时间(3个学时)有机化学与天然产物化学,内由于高锰酸钾反应不完全而使实验失败或产率较低。
针对反应时间较长,规定时间内高锰酸钾不能完全反应的问题,有资料提出在反应的最后阶段加入亚硫酸氢钠[1,2]将未反应完的高锰酸钾消耗掉以加快反应的进程。
但经过笔者的实验验证,加入亚硫酸氢钠是不合理的。
因为亚硫酸氢钠在消耗高锰酸钾时反应所产生的硫酸盐及亚硫酸氢钠与碳酸钠反应产生的亚硫酸盐都会随着己二酸的结晶而沉淀析出,从而使产品己二酸中混入硫酸盐、亚硫酸盐晶体而不易辨析,导致产率升高。
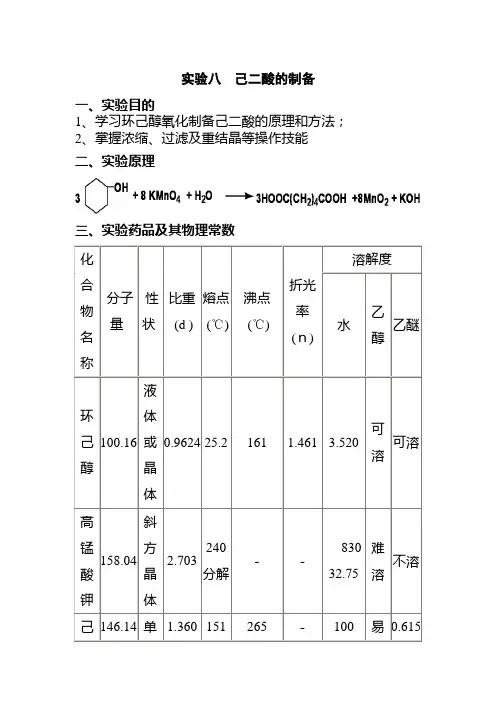
实验八己二酸的制备一、实验目的1、学习环己醇氧化制备己二酸的原理和方法;2、掌握浓缩、过滤及重结晶等操作技能二、实验原理三、实验药品及其物理常数化合物名称分子量性状比重(d )熔点(℃)沸点(℃)折光率(n)溶解度水乙醇乙醚环己醇100.16液体或晶体0.9624 25.2 161 1.461 3.520可溶可溶高锰酸钾158.04斜方晶体2.703240分解--83032.75难溶不溶己146.14 单 1.360 151265 -100 易0.615环己醇:2g 2.1ml(0.02mol);高锰酸钾6g(0.038mol);0.3N氢氧化钠溶液 50ml;亚硫酸氢钠;浓盐酸四、主要仪器和材料水浴锅三口烧瓶(100 mL、19#×3) 恒压滴液漏斗空心塞(14#) 球形冷凝管(19#) 螺帽接头(19#,2只) 温度计(100℃) 布氏漏斗吸滤瓶烧杯冰滤纸水泵等.氧化剂可用浓硝酸、碱性高锰酸钾或酸性高锰酸钾。
本实验采用碱性高锰酸钾作氧化剂五、实验装置六、操作步骤(1)向250ml烧杯内加入50ml 0.3N氢氧化钠溶液,置于磁力搅拌上;(2)边搅拌边将6g 高锰酸钾溶解到氢氧化钠溶液中;(3)用滴管滴加2.1ml 环己醇到上述溶液中,维持反应物温度为43~47 ℃。
(4)当醇滴加完毕且反应混合物温度降低至43 ℃左右时,沸水浴将混合物加热,使二氧化锰凝聚。
(5)在一张平整的滤纸上点一小滴混合物以试验反应是否完成,如果观察到试液的紫色存在,那么可以用少量固体亚硫酸氢钠来除掉过量的高锰酸钾。
(6)趁热抽滤,滤渣二氧化锰用少量热水洗涤3次(每次2 mL),每次尽量挤压掉滤渣中的水分;(7)合并滤液和洗涤液,用4ml浓盐酸酸化至pH2.0;(8)小心地加热蒸发使溶液的体积减少到10ml左右,冷却,分离析出的己二酸。
(9)抽滤、洗涤、烘干、称重、计算产率。
(10)测量产品的熔点和红外光谱,并与标准光谱比较。