原料车间危险源辨识及控制措施表
- 格式:doc
- 大小:62.00 KB
- 文档页数:7
危险源风险控制措施表
一、危险源识别与评价
1.1 危险源描述:机械设备运转
风险评估:
•操作人员可能被机械设备夹伤或其他伤害
风险等级:高
1.2 危险源描述:化学品存储
风险评估:
•化学品泄漏导致中毒或火灾
风险等级:中
二、危险源风险控制措施
2.1 机械设备运转风险控制
•穿戴符合要求的个人防护装备
•禁止未经培训的人员接近机械设备
•定期对机械设备进行检查和维护
2.2 化学品存储风险控制
•使用符合标准的化学品存储容器
•存储区域应通风良好
•定期对化学品进行检查,及时更换老化物品
三、风险控制后的监测与改进
3.1 监测
•定期对危险源进行风险评估和监测
•建立事故报告机制,及时记录并分析存在的问题3.2 改进
•针对监测结果,及时调整和改进风险控制措施
•组织人员定期进行安全培训,提高危险源识别和处理能力
以上是危险源风险控制措施表的内容,通过对危险源的识别与评价,制定相应的风险控制措施,并在实施后进行监测与改进,以确保工作场所的安全和稳定。
希望该措施表能够有效帮助您管理与控制潜在危险。
车间安全生产风险点登记车间内的各种机械设备,如车床、钻床、磨床等,操作时存在着夹手、夹物、抓伤等风险。
同时,设备老化、维护不到位也可能导致设备故障,造成意外伤害。
2. 电气设备安全风险车间内的电气设备,如电动工具、电焊机等,存在着触电、短路、火灾等风险。
同时,电缆老化、松动接触等问题也可能引发安全隐患。
3. 化学品储存使用风险车间内常用的化学品,如溶剂、涂料、腐蚀剂等,若储存不当或使用不当,可能导致化学品泄漏、蒸发、挥发等问题,造成中毒、火灾等严重后果。
4. 人为操作不当风险车间内操作人员的安全意识和操作规范直接影响着安全生产,如违规操作、未佩戴个人防护用品、安全操作程序不到位等问题,都可能引发安全事故。
5. 环境因素安全风险车间内的环境因素,如噪音、粉尘、高温、通风等问题,可能对工人的身体健康造成影响,如耳聋、职业病等问题。
为了确保车间安全生产,需要对以上风险点进行认真登记,分析产生原因,并制定相应的安全措施和应急预案,加强安全教育培训,提高员工的安全意识和技能,从而最大程度地减少车间安全生产事故的发生。
车间安全生产风险点登记是车间安全管理的重要一环。
通过对车间安全生产风险点的登记和分析,可以全面了解车间的安全生产状况,有效识别潜在风险和隐患,及时采取措施加以消除或控制,确保车间安全生产。
下面我们将继续探讨车间各项安全生产风险点的具体内容以及相应的预防措施。
1. 机械设备操作风险对于机械设备操作风险,首先要确保设备的安全性能和维护情况。
定期对设备进行检查维护,及时更换老化部件,保证设备的正常运转。
其次,操作人员必须接受专业培训,了解机械设备的操作规程和安全注意事项,以避免操作不当而引发事故。
另外,车间内应设置明显的安全标识,提示操作人员注意安全,如穿戴防护装备、操作规程等。
2. 电气设备安全风险对于电气设备安全风险,车间应设立专门的电气管理人员,对电气设备进行定期巡检,确保设备的正常运转。
此外,应加强对操作人员的电气安全培训,让他们了解电气设备的安全使用方法和事故应急处理程序。
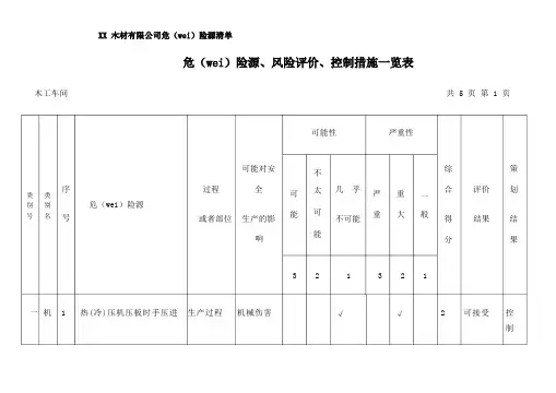
木工车间 共 5 页 第 1 页可能性严重性过程或者部位 可能对安全生产的影响可 能不太可能几 乎不可能 严 重重 大一 般综合 得 分评价结果策划 结 果3 2 1 3 2 1一 机 1 热(冷)压机压板时手压进 生产过程 机械伤害√ √2 可接受类 别号类别 名序危(wei )险源号控制械2 热(冷)压机压板时爆板伤害3 排风扇运转时人接近4 搬动未住手运转的排风扇5 吊扇运转时脱落6 木工机械无防护罩7 机械运转时清理杂物生产过程机械伤害生产过程机械伤害生产过程机械伤害生产过程引起事故生产过程机械伤害√生产过程机械伤害√√√√√√√√√√√442334中等风险中等风险可接受风险中等风险中等风险中等风险控制检查检查控制控制控制8 锯料时碰到木节9 戴手套操作机床10 不切断电源或者摘掉皮带就换刀片11 操作时站在与锯片同向来线上12 手指被气钉枪击伤13 枪钉飞出生产过程机械伤害√生产过程机械伤害辅助过程机械伤害生产过程机械伤害生产过程机械伤害生产过程机械伤害√√√√√√√√√√√666622不可接受不可接受不可接受不可接受可接受风险中等风险检查检查控制控制控制控制木工车间页共 5 页 第 2可能对安全 类 类严重性可能性 危(wei )评价过程 序策综14 打磨片运转时破裂飞出15 机械操作时注意力分散、疲 劳作业生产过程 机械伤害 √生产过程 引起事故不可接受中等风险 √√ 64检查检查√别号别名 号或者部位 生产的影响3不太可能2几 乎不可能1严重重大一 般结果得分1 用电防护措施不符合要求 生产过程防护不足,√电伤√控 4 中等风险制2 专用保护零线不符合要求 生产过程触 防护不足,√ 电伤检 √ 2 中等风险查二电检 3 电线接头、插座漏电 生产过程 触电 √ √ 4 可接受查检 4 配电箱多路配电无标记 生产过程 触电 √ √ 4 中等风险查划合12 3 可能结果5 6 7 8 9 10非电工私拉乱接电线带电作业时没有监护人机械设备机电漏电车间电源线老化设备无接地、接零防护开关罩壳掉落生产过程修理过程生产过程生产过程生产过程生产过程触电触电触电触电触电触电√√√√√√√√√√√√322462中等风险中等风险可接受中等风险不可接受可接受控制检查控制检查检查检查木工车间 共 5 页 第 3 页可能对安全 类 类严重性可能性 危(wei )评价过程 序策综下班没切断电源接线柱、电线带电裸落 检 可接受查检 不可接受查√√ 生产过程生产过程 11121314触电触电√√ 26别号别名号或者部位生产的影响3不太可能2几乎不可能1严重重大一般结果得分控1 搬运物料时压伤、扭伤作业过程人员伤害√ √2 可接受制物体三打击23半成品在提升过程中滑落设备修理时工具、电器等误击人体生产过程人员伤害修理过程人员伤害√√√√可接受风2险可接受风2险控4 材料在车间叠放掉落生产过程人员伤害√ √ 3 中等风险制检查控制划合123可能结果5 排气扇侧翻伤人生产过程碰伤√√3 中等风险6 7 8 9101112 控制木工车间共 5 页第 4 页过程危(wei)险源或者部位可能对安全生产的影响不太可能可能策划结果综合得分评价结果类别号类别名序号严重重大一般严重性可能性不可能几乎1314123火四灾456禁火区内吸烟禁火区内随意动火无动火审批和动火监督无灭火器材灭火器没定时更换无消防水源或者不能满足消防要求3 2生产过程引起火灾生产过程引起火灾生产过程易发火灾生产过程易发火灾生产过程易发火灾生产过程易发火灾1√√√√√√3√√2√√√√1332222控中等风险制控中等风险制检可接受查检可接受查检可接受查检可接受查7 8原料成品遇明火外来人员带入火种生产过程引起火灾生产过程引起火灾√√√√32中等风险可接受9 10 设备长期运转过热车间内电线老化工作时间内工作时间内引起火灾引起火灾√√√23检可接受查控中等风险制1112 木屑堆放点遇明火生产过程引起火灾√√检6 不可接受查13 检查控制木工车间共 5 页第 5 页可能性严重性类别号类别名序号过程危(wei)险源或者部位可能对安全生产的影响可能不太可能几乎不可能严重重大一般综合得分评价结果策划结果3 2 1 3 2 1五 1 新工人上岗前未进行安全教生产过程易出事故育√√加强教2 可接受育14其他2 未经允许更换岗位3 无安全管理制度及技术规范4 不执行安全技术操作规范5 管理人员安全责任心不强6 无定期进行安全检查7 生产场所无安全技术措施8 吊灯或者日光灯脱落9 地面凹凸不平易踢,跌倒生产过程易出事故生产过程易出事故生产过程易出事故生产过程易出事故生产过程易出事故生产过程易出事故生产过程易出事故生产过程易出事故√√√√√√√√√√√√√√√√22211122可接受可接受可接受可接受可接受可接受可接受可接受检查检查检查检查检查检查检查检查综合伤害10111213 操作女工头发被卷入机床抛光、木工噪声抛光、木工粉尘胶水中含有的有毒气体生产过程生产过程生产过程冷压热压易出事故易产生职业病易产生职业病易产生职业病√√√√√√√√不可接6受不可接6受不可接6受中等风4险戴防护帽耳塞防护口罩防护控制喷漆车间共 5 页第 4 页可能性严重性类别号类别名序号过程危(wei)险源或者部位可能对安全生产的影响可能不太可能几乎不可能严重重大一般综合得分评价结果策划结果3 2 1 3 2 1火一灾1 禁火区内吸烟2 禁火区内随意动火3 无动火审批和动火监督生产过程引起火灾生产过程引起火灾生产过程易发火灾√√√√√√332控中等风险制控中等风险制检可接受查4 5 6 7 8 9无灭火器材灭火器没定时更换无消防水源或者不能满足消防要求原料成品遇明火外来人员带入火种设备长期运转过热生产过程生产过程生产过程生产过程生产过程工作时间内易发火灾易发火灾易发火灾引起火灾引起火灾引起火灾√√√√√√√√√√√222322检可接受查检可接受查检可接受查控中等风险制检可接受查检可接受查1011121314车间内电线老化工作时间内引起火灾√ √ 3中等风险喷漆车间 共 5 页 第 5 页可能对安全 类 类 严重性可能性 危(wei )评价 过程 策划序综控制号或者部位 生产的影响3不 太 可 能2几 乎不可能1321结果 结果新工人上岗前未进行安全教 1育生产过程 易出事故√√加强教 2 可接受育综 二合 伤 害2 未经允许更换岗位3 无安全管理制度及技术规范4 不执行安全技术操作规范5 管理人员安全责任心不强 生产过程 易出事故生产过程 易出事故生产过程 易出事故生产过程 易出事故 √√√√ √√√√ 2221 可接受可接受可接受可接受 检查检查检查检查其他 合得分 一 般重大 严重别 名可能别 号无定期进行安全检查生产场所无安全技术措施吊灯或者日光灯脱落地面凹凸不平易踢,跌倒生产过程易出事故生产过程易出事故生产过程易出事故生产过程易出事故√√√√可接受可接受可接受可接受检查检查检查检查√√√√6 7 8 9 1 1 2 2。
危险源辨识、风险评价表及重要危险源清单1一、危险源辨识危险源是可能导致人员伤害、疾病、财产损失、工作环境破坏或这些情况组合的根源或状态。
危险源辨识是一个系统的过程,需要对工作场所的各个方面进行全面的观察和分析。
首先,要了解工作流程和操作步骤。
从原材料的获取、加工、运输、存储,到产品的生产、包装、销售等整个过程,都可能存在危险源。
例如,在机械加工过程中,高速旋转的部件、尖锐的刀具、噪声和粉尘等都可能对操作人员造成伤害。
其次,要考虑工作环境因素。
包括温度、湿度、照明、通风、噪声水平等。
不良的工作环境可能导致员工疲劳、注意力不集中,从而增加事故发生的风险。
比如,高温环境可能导致中暑,通风不良可能导致有害气体积聚。
再次,要关注人员因素。
员工的技能水平、工作经验、健康状况、安全意识等都会影响到工作中的安全。
新员工可能由于缺乏经验而容易犯错,疲劳的员工可能反应迟钝,从而引发事故。
最后,还要考虑设备和设施的状况。
老化的设备、损坏的防护装置、不符合标准的电气系统等都可能成为危险源。
二、风险评价在识别出危险源后,需要对其可能导致的风险进行评价。
风险评价是根据危险源的可能性和后果的严重程度来确定风险的大小。
可能性通常分为几个等级,如高、中、低。
这可以通过历史事故数据、行业经验、专家判断等方式来确定。
后果的严重程度也可以分为几个等级,如严重、较重、一般、轻微等。
后果可能包括人员伤亡、财产损失、环境破坏、业务中断等。
风险评价可以采用定性或定量的方法。
定性方法相对简单,通过主观判断来确定风险等级。
定量方法则需要更多的数据和计算,如使用风险矩阵、故障树分析等工具。
三、风险评价表的制定风险评价表是将危险源、可能性、后果严重程度和风险等级等信息整合在一起的表格,有助于清晰地展示风险评估的结果。
以下是一个简单的风险评价表示例:|危险源|可能性|后果严重程度|风险等级|||||||机械部件高速旋转|中|严重|高||电气设备漏电|低|较重|中||工作场所照明不足|高|一般|高|在制定风险评价表时,要确保表格清晰、简洁,易于填写和理解。
原料车间危险源辨识及控制措施表原料车间是生产中最为重要的环节之一,但同时也是事故频发的地方。
为了防患于未然,我们需对原料车间存在的危险源进行辨识,并采取相应的控制措施。
本文将对原料车间可能存在的危险源及相应控制措施进行详细阐述。
1. 化学物料储存区化学物料储存区是原料车间的核心区域,也是事故易发区之一。
常见危险源及应对措施如下:1.1 危险源•废弃物料堆积•储存器压力过大•储存器渗漏1.2 控制措施•定期清理废弃物料,避免产生火灾隐患•对起重机、搬运设备等进行定期检查和维护保养•对储存器进行定期检查和维护保养,避免发生泄漏事件2. 化学反应区化学反应区是原料车间的中心区域,也是事故高发区域。
常见危险源及应对措施如下:2.1 危险源•操作人员操作不规范•反应物料混合不当•反应器压力异常2.2 控制措施•配备专业的操作人员,定期对操作人员进行技能培训•严格执行配料、混合、反应的工艺流程,确保物料混合均匀•定期检查和维护反应器,避免压力过大引发不测事件3. 化学废气排放区化学废气排放区是原料车间的末端区域,也是环境污染的重点区域。
常见危险源及应对措施如下:3.1 危险源•废气排放量大•废气中的有害物质浓度过高•排放口未设防护措施3.2 控制措施•定期检测和监控废气排放量和质量•配备合格的废气处理设施,对废气进行净化处理•安装并定期检查排放口防护设施,防止有害物质外泄4. 电气设备区电气设备区是原料车间的配套区域,也是火灾易发区域。
常见危险源及应对措施如下:4.1 危险源•设备过载•设备老化•电气故障4.2 控制措施•严格执行设备使用标准和要求•定期检查和维护设备,确保设备的正常运行•配备专业的电气维修人员,及时排除故障5. 其他管道设施区其他管道设施区包括管道输送区、液体储存区、气体储存区等。
常见危险源及应对措施如下:5.1 危险源•管道泄漏•储存设施不当使用•阀门、密封件失效5.2 控制措施•定期检查管道设施的完好性和稳定性•配备监控设备,及时发现管道泄漏和故障•定期检查和维护储存设施,确保设施正常使用总结原料车间危险源辨识及控制措施表为我们提供了一个对原料车间危险源进行全面评估和控制的参考。
原料车间危险源辨识及控制措施表碳材烘干系统序号设备/位置危害因素危害影响危害等级现有控制措施人体伤害一般危害佩戴防尘口罩1 兰炭棚吸入粉尘人员伤害2 铲车运行操作不当设备损坏、机械伤害中等危害严格执行页脚内容人员伤害设备操作规程3 振动筛运行J2、综合筛分楼操作不当设备损坏人员伤害机械伤害人体伤害中等危害严格执行设备操作规程4 振动筛检修J2、综合筛分楼操作不当设备损坏人员伤害机械伤害人体伤害中等危害严格执行设备检修规程5 皮带运行操作不当皮带伤人机械伤害人伤害中等伤害严格执行设备操作规程6 皮带机检修操作不当设备损坏人员伤害机械伤害人体伤害中等伤害严格执行检修制度页脚内容7 电机运行操作不当电机烧坏人员伤害机械伤害人体伤害中等危害严格执行设备操作规程8 风机运行操作不当设备损坏人员伤害设备损害人体伤害中等危害严格执行设备操作规程9 驱动装置操作不当设备损坏人员伤害设备损坏人体伤害中等危害严格执行设备操作规程10 风机检修操作不当设备损害人员伤害设备损害人体伤害中等危害严格执行设备检修规程11 沸腾炉风尘吸入人员伤害人体伤害一般危害佩戴防尘口罩12 沸腾炉炉门喷火、炉门高温人员伤害烧伤烫伤中等危害禁止人员正对炉门13 下灰粉尘吸入、人员伤害人体伤害中等危害佩戴防尘口罩页脚内容14 下渣灰渣高温烫伤烧伤中等危害佩戴防护用品15 预筛分楼、干燥四楼高空坠物、人员伤害人体伤害、摔伤严重危害提高防范意识、戴好安全帽16 综合筛分楼机械伤害、人员伤害粉尘吸入、高空坠物机械损坏、人体伤害中等伤害严格执行操作规程佩戴好劳保用品17 综合筛分楼CO中毒、人员伤害人体伤害、中毒严重危害掌握CO防中毒办法、携带CO监测仪18 风室、风管管道高温、人员伤害人体伤害、烫伤中等危害熟悉现场管道走向、戴好防护用品19 干燥机窑尾下部皮带CO中毒、人员伤害火灾人体伤害、中毒严重危害携带CO监测仪配置好消防设施20 日料仓CO中毒、人员伤害火灾人体伤害严重危害掌握CO防中毒办法、携带CO监测仪页脚内容21 各个楼梯及楼梯口滑落、跌楼、人员伤害人体伤害、摔伤严重伤害扶好楼梯扶手、提高安全意识22 各个高空平台跌楼、人员伤害人体伤害、摔伤严重危害扶好护栏、提高安全意识23 启动柜操作不当设备烧坏、人员触电机械伤害、触电伤害中等危害严格执行电力设备操作规程石灰窑系统序号设备/位置危害因素危害影响危害等级现有控制措施1 导热油法兰导热油泄露人体伤害、烫伤中等危害定时巡检导热油法兰2 导热油油泵导热油泄露人体伤害、烫伤中等危害严格执行设备操作规程3 导热油泵检修操作不当、导热油泄露人体伤害、烫伤中等危害严格执行设备检修规程页脚内容4 膨胀槽排气管喷油管道高温人体伤害、烫伤中等危害严格执行操作规程穿戴防护用品5 储油罐放空管排放物高温人体伤害、烫伤中等危害严格执行操作规程6 内胆清灰石灰高温、腐蚀烫伤、腐蚀中等危害戴好护目镜、防高温手套7 中间仓敲灰石灰高温、腐蚀烫伤、腐蚀中等危害佩戴好劳保用品8 煤气管道CO中毒人体伤害中等危害携带CO监测仪9 雷达料位仪辐射人体伤害中等危害佩戴防辐射用品10 煤气管道高温人体伤害、烫伤中等危害佩戴好劳保用品、保持安全距离11 上料小车高空坠物人体伤害严重危害戴好安全帽、上料时严禁穿越12 窑底石灰高温烫伤中等危害佩戴好劳保用品页脚内容13 石灰石料场铲车伤人机械伤害中等危害严格执行操作规程14 中间仓粉尘吸入人体伤害一般危害佩戴好防尘口罩、保持安全距离15 皮带运行操作不当皮带伤人人体伤害、机械伤害中等危害严格执行操作规程16 皮带机检修操作不当设备损坏、人员伤害人体伤害、机械伤害中等危害严格执行设备检修制度17 电机运行操作不当设备烧坏、人员伤害机械伤害、人体伤害中等危害严格执行设备操作规程18 石灰窑高空坠物人体伤害严重危害提高防范意识戴好安全帽19 石灰窑煅烧区CO中毒、喷火伤人、窑壁高温中毒、烫伤、烧伤严重危害携带CO监测仪严格执行操作规程页脚内容20 各个楼梯滑落、跌落人体伤害严重危害扶好楼梯扶手提高安全意识21 各个高空平台跌落人体伤害严重危害扶好护栏提高安全意识22 启动柜操作不当设备损坏、人员触电机械伤害人体伤害中等危害严格执行设备操作规程页脚内容。
生产车间危险源识别及注意事项生产车间是一个危险源较多的场所,工人在车间内工作时需要时刻保持警惕,正确识别和应对潜在的危险。
下面将介绍一些常见的生产车间危险源及相应的注意事项。
1.机械设备:生产车间通常会有各种各样的机械设备,如车床、钳工机床、冲床等。
使用这些机械设备时,需要注意以下几点:-跟随操作规程和操作流程,正确使用机械设备。
-切勿在工作中使用有故障的机械设备,并定期检查设备的维护和保养情况。
-在使用机械设备时应佩戴个人保护装备,如手套、护目镜等。
2.高处作业:一些生产车间可能需要进行高处作业,如搭设脚手架、站在高位进行维修等。
进行高处作业时需要特别注意以下事项:-在进行高处作业前,应检查作业区域是否平稳、安全,避免发生意外事故。
-高处作业时应佩戴防护头盔和安全带,并确保安全带连接牢固。
-高处作业时,要时刻注意自身动作,避免摔落或被掉落物击中。
3.电气设备:生产车间内常常存在大量的电气设备,如电机、照明设备等。
与电气设备相关的注意事项包括:-在检修或更换电气设备时,务必断开电源,避免发生触电事故。
-使用电气设备时要注意电线的散热情况,避免过热而引发火灾。
-定期检查和维护电气设备的接地情况,确保电气设备的安全使用。
4.储存材料和化学品:生产车间常常需要储存各种原料和化学品,如液体、气体、固体等。
正确管理这些材料和化学品是确保工人安全的关键,需要注意以下几点:-储存材料和化学品时应分类存放,避免发生混淆、容器破损等情况。
-对于易燃、易爆、有毒的化学品要进行特殊管理,确保安全使用和储存。
-定期检查储存区域的通风情况,避免积聚有害气体。
5.环境因素:生产车间的环境因素也可能对工人的健康和安全造成影响。
需要特别注意以下事项:-关注车间的室内空气质量,尽量保持空气流通。
-合理设置车间的温度和湿度,避免过热或过冷导致的不适。
-定期进行车间的清洁工作,预防积尘、异味等环境因素对工人的影响。
总的来说,生产车间的危险源较多,工人需要时刻保持警惕,正确识别和应对潜在的危险。
生产车间危险源识别及注意事项范本一、机械设备危险源1. 旋转机械:例如电机、发动机、扭转机械等。
工人在接触这些旋转机械时应当确保没有松散的衣物或长发,并且要经常检查机械运行状态,并及时修理或报废损坏的部件。
2. 锯、刨床等切削机械:这些机械有很高的切削速度,工人在操作时应当佩戴防护眼镜和手套,确保安全开关可靠,并且保持专注,避免分心或疲劳操作。
3. 压力机、冲床等冲击机械:工人在操作这些机械时应当使用适当的手套和防护眼镜,确保机械固定可靠,并且随时注意杂物,避免危及自身安全。
4. 输送带、传送带等移动设备:工人在接触这些设备时应当确保没有杂物、脚下平稳,并且要注意防滑鞋的使用,以避免摔倒和受伤。
二、化学物质危险源1. 有毒气体、蒸气和粉尘:工人在接触这些有毒物质时应当佩戴防毒面具和防护服,确保通风设备正常工作,并且定期检查防护设施的有效性。
2. 腐蚀性物质:接触这些物质时,工人应佩戴防护手套、护目镜和防护服,并且避免与水或其他可燃物质接触,以防止发生化学反应。
3. 易燃物和爆炸品:工人在接触这些物质时应戴上防静电服和防静电鞋,并确保储存和使用这些物质的区域远离明火和热源。
4. 有害放射性物质:工人在接触这些物质时应佩戴防护手套和防护眼镜,以及防辐射服,并确保工作区域的辐射防护措施完善。
三、高处作业危险源1. 高处坠落:工人在高处作业时应当佩戴安全带、头盔和防滑鞋,并确保作业平台牢固可靠,避免产生晃动和倾斜。
2. 攀爬、攀岩等:工人在进行需要爬高或攀爬的作业时应确保攀援设备可靠,佩戴防护手套和防滑鞋,并且熟悉攀爬技巧,避免不必要的危险。
3. 高温作业:工人在高温环境下作业时应佩戴防护面具和防护服,注意保湿和补水,并定期进行体温检测,以避免中暑和热伤风。
四、电气设备危险源1. 电击:工人在接触电气设备时应确保设备断电,并使用绝缘手套和绝缘工具进行操作,避免湿手或湿地操作。
2. 高压设备:工人在接触高压电气设备前应先断电,并佩戴绝缘手套和绝缘鞋,确保操作安全。
德信诚培训网
更多免费资料下载请进: 好好学习社区
生产车间危险源辨识风险评价表
□ 观察 □ 访谈 □ 个别交流 □ 查阅记录 □ 现场检测 部门:生产车间 序号 危险源 可能导致的
事故 时态/状态
作业条件危险性评价 危险
级别 拟采用的
控制措施 L
E C D 1
用电设备电源忘记关
火灾 将来/紧急 1 6 1 6 5 2 电线老化 火灾/触电 将来/紧急 1 6 3 18 5 3
电线被老鼠咬断
火灾/触电 将来/紧急 1 6 3 18 5 4 电线裸露 火灾/触电 将来/紧急 1 6 3 18 5 5 电线短路 火灾/触电 将来/紧急 1 6 3 18 5 6
电线分接过多,错乱连接 火灾/触电
将来/紧急
1
6
3
18
5
7 门窗玻璃损坏掉落
物体打击 将来/异常 1 0.5 3 1.5 5
8 车间天花板松弛坠落
物体打击 将来/异常 1 0.5 1 0.5 5 9 日常灯管破裂 物体打击 现在/异常 1 0.5 1 0.5 5 10 用电设备漏电 触电 现在/异常 1 6 3 18 5 11
将开水倒在手上
灼烫
现在/正常
1
0.5
1
0.5
5
12 使用锋利的工作用具
其它伤害 现在/正常 1 0.5 1 0.5 5 13 使用损坏座椅 其它伤害 现在/正常 3 6 1 18 5 14 坐姿不正确
其它伤害
现在/正常
3
6
1
18
5。
车间危险源管理制度一、引言车间危险源是指可能对人员、设备、环境以及企业产生潜在威胁的物质、设施或作业方式。
为了确保车间安全生产和员工身体健康,建立一套完善的车间危险源管理制度非常必要。
本制度旨在规范车间危险源的识别、评估、控制和监督,以降低事故发生率和提高工作效率。
二、危险源识别和评估1. 实施危险源识别:按照《工厂危险源辨识与分级管理规定》和《安全生产法》要求,梳理车间的各项作业环节,明确可能存在的危险源。
2. 制定危险源清单:根据危险源识别结果,编制危险源清单,详细描述每项危险源的名称、特征和可能带来的风险。
3. 进行危险源评估:对危险源进行全面评估,确定其可能导致的事故类型、可能发生的频率和可能的后果。
三、危险源控制措施1. 确定控制目标:根据危险源评估结果,确定危险源控制的关键目标,明确控制措施的优先级。
2. 采取工程控制措施:优先采用工程控制措施进行危险源控制,如改变设备结构、修改工艺流程等。
3. 实施管理控制措施:对于无法通过工程控制措施完全消除的危险源,采取管理控制措施,包括制定操作规程、建立警示标识等。
4. 个人防护措施:对于无法通过上述措施控制危险源的情况,要求员工佩戴相应的个人防护用品,如安全帽、防护面罩等。
四、危险源监督和管理1. 建立危险源监控体系:建立完善的危险源监控体系,包括安全巡查、隐患排查等,及时发现和整改危险源。
2. 设立安全生产责任人:明确车间安全生产责任人,负责组织危险源管理工作,确保各项措施的有效实施。
3. 建立安全培训制度:定期开展安全培训,提高员工对危险源的识别和防范能力,增强员工的安全意识。
4. 设立安全奖惩制度:建立健全的安全奖惩制度,激励员工积极参与危险源管理工作,推动车间安全文化建设。
五、应急预案和演练1. 制定应急预案:根据车间的危险源情况,制定应急预案,明确各级应急响应措施和责任分工。
2. 进行应急演练:定期组织应急演练,提高员工应急处置能力,确保在危险源发生事故时能够迅速、有效地应对。