描绘小灯泡的伏安特性曲线试题精选(供参考)
- 格式:docx
- 大小:432.29 KB
- 文档页数:16
第十一章电路及其应用实验:测绘小灯泡的伏安特性曲线一、单选题:1.为探究小灯泡L的伏安特性,连好如图所示的电路后闭合开关S,通过移动滑动变阻器R的滑片,使小灯泡中的电流由零开始逐渐增大,直到小灯泡正常发光.由电流表和电压表得到的多组读数,描绘出的U-I 图象应是图中的()答案C解析由小灯泡灯丝的电阻随温度的升高而增大知图C正确.2.以下给出几种电学元件的电流与电压的关系图象,如图所示,下列说法中正确的是()A.这四个图象都是伏安特性曲线B.这四种电学元件都是线性元件C.①①是线性元件,①①是非线性元件D.这四个图象中,直线的斜率都表示了元件的电阻【解析】伏安特性曲线是以I为纵轴、U为横轴的,所以A错误.线性元件并不只是说I-U图象是直线,而必须是过原点的直线,所以①①是线性元件,①①是非线性元件,B错误,C正确.在U-I图象中,过原点的直线的斜率才是导体的电阻.【答案】C3.某同学做三种导电元件的导电性质实验,根据所测数据分别绘制了三种元件的I-U图象如图甲、乙、丙所示,则下列判断正确的是()甲乙丙A.只有乙正确B.甲、丙图曲线肯定是误差太大C.甲、丙不遵从欧姆定律,肯定是不可能的D.甲、乙、丙三图象都可能正确,并不一定有较大的误差【解析】本题的伏安特性曲线是I-U图象,图象中某点与原点连线的斜率的倒数表示导体在该状态下的电阻,图甲反映元件的电阻随电压的升高而减小,是非线性元件;图乙反映元件的电阻不随电压的变化而变化,是线性元件;图丙反映元件的电阻随电压的升高而增大,说明元件类似于小灯泡,综上所述,三种图象都有可能,故D对.【答案】D4.用伏安法测电阻R,按图中甲图测得的结果为R1,按乙图测得为R2,若电阻的真实值为R,则()甲乙A.R1>R>R2B.R1<R<R2C.R>R1,R>R2D.R1=R=R2【解析】用内接法测电阻有R1>R,用外接法测电阻有R2<R,所以R1>R>R2,选项A正确.【答案】A二、多选题5.如图所示是电阻R的I-U图象,图中α=45°,由此得出()A.通过电阻的电流与两端电压成正比B.电阻R=0.5 ΩC.因I-U图象的斜率表示电阻的倒数,故R=1/tan α=1.0 ΩD .在R 两段加上6.0 V 的电压时,每秒通过电阻横截面的电荷量是3.0 C【解析】 由I -U 图象可知,图线是一条过原点的倾斜直线,即I 和U 成正比,A 正确;而电阻R =U I =105Ω=2 Ω,B 错误;由于纵横坐标的标度不一样,故不能用tan α计算斜率表示电阻的倒数,C 项错误;在R 两端加上6.0 V 电压时I =U R =6.02 A =3.0 A ,每秒通过电阻横截面的电荷量q =It =3.0×1 C =3.0 C ,选项D 正确.【答案】 AD6.如图所示是某导体的伏安特性曲线,由图可知正确的是( )图2-3-19A .导体的电阻是25 ΩB .导体的电阻是0.04 ΩC .当导体两端的电压是10 V 时,通过导体的电流是0.4 AD .当通过导体的电流是0.1 A 时,导体两端的电压是2.5 V 【解析】 由图象可知,导体的电阻: R =U I =50.2Ω=25 Ω,当电压U 1=10 V 时,电流I =U 1R =1025 A =0.4 A ,当电流I 2=0.1 A 时,电压U 2=I 2R =0.1×25 V =2.5 V . 【答案】 ACD7.一个标有“220 V 60 W”的白炽灯泡,加上的电压由零逐渐增大到220 V ,在此过程中,电压U 和电流I 的关系可用图线表示,如图所示,肯定不符合实际的是( )【解析】 灯泡的电阻受温度的影响,不同电压下温度不同,其电阻也不同,随温度的升高电阻增大,所以本题选A 、B 、D.【答案】 ABD8.某导体中的电流随其两端的电压的变化图象如图所示,则下列说法中正确的是( )A .加5 V 的电压时,导体的电阻约是5 ΩB .加11 V 的电压时,导体的电阻约是1.4 ΩC .由图可知,随着电压增大,导体的电阻不断减小D .由图可知,随着电压减小,导体的电阻不断减小 【解析】【答案】 AD9.(多选)白炽灯接在220 V 电源上能正常发光,将其接在一可调电压的电源上,使电压从0 V 逐渐增大到220 V ,则下列说法正确的是( )A .电流将逐渐变大B .电流将逐渐变小C .每增加1 V 电压而引起的电流变化量是相同的D .每增加1 V 电压而引起的电流变化量是减小的【解析】 随着电压U 的增大,由I =UR 知,电流将逐渐变大,A 选项正确.随着电流、电压的增大,灯泡的亮度增大,灯丝温度升高.金属的电阻率随温度的升高而增大,所以灯丝的电阻值增大.根据欧姆定律I =U R ,在I -U 图象中,由于R 在增大,斜率k =1R 减小.其I -U 图象如右图所示.由图象可知,每增加1 V 的电压引起的电流变化量是减小的.【答案】 AD 三、非选择题10.在“测绘小灯泡的伏安特性曲线”实验中,选择“3 V 0.5 A”的小灯泡作为研究对象,请回答下面几个问题:(1)下列实验器材中应选择________.(填入器材序号) A .电流表(量程0~0.6 A, 内阻约1 Ω) B .电流表(量程0~3 A ,内阻约1 Ω)C.电压表(量程0~15 V,内阻约10 kΩ)D.电压表(量程0~3 V,内阻约2 kΩ)E.滑动变阻器(阻值0~100 Ω)F.滑动变阻器(阻值0~10 Ω)G.电源E=6 VH.开关S,导线若干(2)在本实验中,滑动变阻器应采用________(填“分压”或“限流”)式接法,电流表应采用________(填“内”或“外”)接法.(3)在虚线方框中画出实验电路图,并用笔画线代替导线,将图5中的器材连接成可供实验的电路.答案(1)ADFGH(2)分压外(3)见解析图解析(1)灯泡额定电流为0.5 A,电流表选择A;灯泡额定电压为3 V,电压表选择D;为方便实验操作,滑动变阻器应选择F;实验还需要电源、开关与导线,故需要的实验器材为:ADFGH;(2)“测绘小灯泡的伏安特性曲线”要求电压与电流从零开始变化,滑动变阻器应采用分压式接法;由于灯泡电阻远小于电压表内阻,电流表应采用外接法;(3)实验电路图如图甲所示:根据电路图连接实物电路,实物电路如图乙所示:11.在“测绘小灯泡的伏安特性曲线”的实验中,实验室中所用小灯泡的规格为“3 V,1.5 W”, (1)某实验小组连接的实物图如图6甲所示,图中滑动变阻器应选用________(选填“A”或“B”); A .滑动变阻器 (10 Ω,1 A) B .滑动变阻器 (1 kΩ,300 mA)(2)通过调节滑动变阻器,得到多组电压表和电流表的示数如下表所示,当电压表的示数为1.0 V 时,电流表的示数如图乙所示,则电流表的示数为________ A ;此时小灯泡的电阻约为________ Ω.(3)根据表中数据,在如图丙所给方格纸中描点并作出该灯泡的伏安特性曲线. (4)图线表明小灯泡灯丝电阻随温度的升高而________. 答案 (1)A (2)0.30 3.3 (3)见解析图 (4)增大解析 (1)测量小灯泡的伏安特性曲线,需要电压从零开始调节,所以电路采用分压式接法,为了方便调节,滑动变阻器选择总阻值较小的A.(2)根据题图乙可知,电流表示数为0.30 A ,R =U I =1.00.30 Ω≈3.3 Ω.(3)根据表中数据进行描点做图如下:(4)图线表明灯丝电阻随温度升高而增大.12.有一个额定电压为2.8 V ,功率约为0.8 W 的小灯泡,现要用伏安法描绘这个灯泡的I -U 图象,有下列器材供选用:A .电压表(0~3 V ,内阻6 kΩ)B .电压表(0~15 V ,内阻30 kΩ)C .电流表(0~3 A ,内阻0.1 Ω)D .电流表(0~0.6 A ,内阻0.5 Ω)E .滑动变阻器(10 Ω,2 A)F .滑动变阻器(200 Ω,0.5 A)G .直流电源(电动势4.5 V ,内阻不计)(1)用如图7甲所示的电路进行测量,电压表应选用________,电流表应选用________,滑动变阻器应选用________.(用序号字母表示)(2)通过实验测得此灯泡的伏安特性曲线如图乙所示,由图象可求得此灯泡在正常工作时的电阻为________ Ω.(3)若将此灯泡与输出电压恒为6 V 的电源相连,要使灯泡正常发光,需串联一个阻值为________ Ω的电阻.(结果保留3位有效数字) 答案 (1)A D E (2)10 (3)11.4解析 (1)由题意可知,灯泡的额定电压为2.8 V ,则电压表的量程应大于2.8 V ,故电压表应选3 V 量程,选A ;由P =UI 可得,电流I =P U =0.82.8 A≈0.29 A ,故电流表应选D ;由电路图可知,要使电压从零开始调节,应采用分压式接法,滑动变阻器应选小电阻便于调节,故滑动变阻器选E.(2)由灯泡的伏安特性曲线图可知,当电压为2.8 V 时,电流为0.28 A ,故电阻:R =U I =2.80.28Ω=10 Ω.(3)要使灯泡串联在6 V的电源上正常发光,则与之串联的电阻分压应为6 V-2.8 V=3.2 V;此时电路中电流为0.28 A,故应串联的电阻:R′=3.20.28Ω≈11.4 Ω.13.一个小灯泡上标有“4 V0.5 A”的字样,现在要用伏安法描绘这个灯泡的I-U图线.有下列器材可供选择:A.电压表(0~5 V,内阻约10 kΩ)B.电压表(0~15 V,内阻约20 kΩ)C.电流表(0~3 A,内阻约1 Ω)D.电流表(0~0.6 A,内阻约0.4 Ω)E.滑动变阻器(10 Ω,2 A)F.滑动变阻器(500 Ω,1 A)G.电源(直流6 V)、开关、导线若干图2(1)实验时,选用图2中________(填“甲”或“乙”)电路图来完成实验,请说明理由:________________________________________________________________________.(2)实验中所用电压表应选______,电流表应选______,滑动变阻器应选________.(用字母序号表示)(3)把图3所示的实验器材用实线连接成实物电路图.图3答案(1)甲描绘灯泡的I-U图线所测数据需从零开始,并要多取几组数据(2)A D E(3)如图所示14.(1)图4甲为某同学在做“测绘小灯泡的伏安特性曲线”的实验过程中完成的部分电路连接的情况,请你帮他完成其余部分的线路连接.(用笔画线表示对应的导线)图4(2)如果某次实验测得小灯泡两端所加电压如图乙所示,U =________ V ;请结合图线丙算出此时小灯泡的电阻是________ Ω(结果保留三位有效数字). 答案 (1)见解析 (2)2.30 11.5解析 (1)描绘小灯泡的伏安特性曲线,电压与电流应从零开始变化,滑动变阻器应采用分压式接法,由于小灯泡的电阻较小,采用电流表外接法,如图所示:(2)电压表量程为3 V ,由题图乙所示电压表可知,其分度值为0.1 V ,示数为2.30 V ,由题图丙所图象可知,2.30 V 对应的电流为0.20 A ,此时灯泡电阻为:R =U I =2.300.20Ω=11.5 Ω.15.做“测绘小灯泡的伏安特性曲线”实验,要求采用分压电路,电流表外接.小王的连接如图5甲所示,闭合开关S 前请老师检查,老师指出图中标示的①、①两根连线有一处错误,错误连线是________(填“①”或“①”);图中标示的①、①和①三根连线有一处错误,错误连线是________(填“①”“①”或“①”).小王正确连线后,闭合开关S 前,应将滑动变阻器滑片C 移到________处(填“A ”或“B ”).闭合开关S ,此时电压表读数为________V .缓慢移动滑片C 至某一位置时,电流表指针如图乙所示,电流表的示数为________A.图5答案①①A00.32解析本实验的电路图如下:应该采用分压式、外接法,所以①、①两根导线有问题.实验开始时为了保证实验仪器的正常使用,需要将C拨到最左端,即A处,开关闭合后,电压表读数为0 V.题图乙中电流表的读数为0.32 A.16.在学校实验室中测绘一只“2.5 V,0.5 W”小灯泡的伏安特性曲线,实验室备有下列实验器材:A.电压表V(量程0~3 V~15 V,内阻很大)B.电流表A(量程0~0.6 A~3 A,内阻约为1 Ω)C.变阻器R1(0~10 Ω,0.6 A)D.变阻器R2(0~2 000 Ω,0.1 A)E.电池组E(电动势为3 V,内阻约为0.3 Ω)F.开关S,导线若干图6(1)实验中应选用的滑动变阻器为________________;(填写序号)(2)在实验时小杰同学采用了如图6甲所示的实物电路,并且准备合上开关开始测量.则具体实验操作前该电路存在错误或需改进的地方有______________;_________________.(请写出两处)(3)在改正电路需改进之处后,小杰同学进行了实验,电流表示数比小灯泡中实际通过的电流________;(填“偏大” “偏小”或“相等”)(4)图乙是改进后的实验中得到的I-U图象,若I-U图象中的虚线①或①表示小灯泡真实的伏安特性曲线,与实验中得到的实线相比,虚线________(填“①”或“①”)才是其真实的伏安特性曲线.答案(1)C(2)电流表应外接电流表量程太大滑线变阻器滑片应置于左端(任选两处)(3)偏大(4)①17.如图是小组同学在做“测绘小灯泡的伏安特性曲线”实验的实物连接图.图7图8(1)根据图7在虚线框中画出实验电路图;(2)调节滑动变阻器得到了两组电流表与电压表的示数如图8中的①、①、①、①所示,电流表量程为0.6 A,电压表量程为3 V.读数为:①________、①________、①________、①__________.两组数据得到的电阻分别为________和________.答案见解析解析 (1)由实物连接图可知电路图如图所示.(2)电流表量程为0.6 A 时,最小刻度为0.02 A ,读数读到小数点后两位,所以①表示数为0.10 A ,①表示数为0.24 A ;电压表量程为3 V ,最小刻度为0.1 V ,应估读到0.01 V ,所以①表示数为2.00 V ,①表示数为0.28 V .灯泡两端电压小,电流就小,故①①为同一组数据,①①为另一组数据,根据欧姆定律R 1=U 1I 1=2.00 V 0.24 A ≈8.3 Ω,R 2=U 2I 2=0.280.10Ω=2.8 Ω.。
描绘小灯泡的伏安特性曲线【典型类题】图甲所示为一个电灯两端电压与通过它的电流的变化关系曲线.由图可知,两者不成线性关系,这是由于焦耳热使灯丝的温度发生了变化的缘故,参考这条曲线回答下列问题(不计电流表内阻,线路提供电压不变):(1)若把三个这样的电灯串联后,接到电压恒定为12 V的电路上,求流过灯泡的电流和每个灯泡的电阻;(2)如图乙所示,将两个这样的电灯并联后再与10 Ω的定值电阻R0串联,接在电压恒定为8 V的电路上,求通过电流表的电流值以及每个灯的实际功率.解:(1)由于三个电灯完全相同,所以每个电灯两端的电压为:U L=V=4 V结合图象可得当U L=4 V时,I L=0.4 A故每个电灯的电阻为:R=Ω=10 Ω(2)设此时电灯两端的电压为U',流过每个电灯的电流为I,由闭合电路欧姆定律得E=U'+2IR0代入数据得U'=8-20I 在图甲上画出此直线如图所示可得到该直线与曲线的交点(2 V,0.3 A),即流过电灯的电流为0.3 A,则流过电流表的电流为I A=2I=0.6 A每个灯的功率为:P=UI=2×0.3 W=0.6 W【跟踪训练】1、在描绘小灯泡伏安特性曲线的实验中,为减小实验误差,方便调节,请在如图所示的四个电路图和给定的三个滑动变阻器中选取适当的电路和器材,并将它们的编号填在横线上.应选取的电路是,滑动变阻器应选取。
E总阻值I5Ω,最大允许电流2A的滑动变阻器F.总阻值200Ω,最大允许电流2A的滑动变阻器G.总阻值1 000Ω,最大允许电流1A的滑动变阻器(2)由实验得到小灯泡的伏安特性曲线如图中b线,将该小灯泡与一干电池组成闭合电路,该电池两极的电压随电路中电流的变化关系图线如图中a线,则小灯泡与电池连接后的实际功率为W;若再将一阻值为0.75Ω的电阻串联在电路中,则小灯泡的实际功率为W.7.(1 )C E (2)0. 72 0. 242、要测绘一个标有“3V 0.6W”小灯泡的伏安特性曲线,灯泡两端的电压需要由零逐渐增加到3V,并便于操作。
《描绘小灯泡的伏安特性曲线》习题精选1、在“描绘小灯泡的伏安特性曲线”的实验中,有以下器材:A.小灯泡L(3V,0.6A)B.滑动变阻器R(0~10Ω)C.电压表V1(0~3V)D.电压表V2(0~15V)E.电流表A1(0~0.6A)F.电流表A2(0~3A)G.铅蓄电池、开关各一个,导线若干(1)为了减小误差,实验中应选电流表______________,电压表____________.(2)在图虚线框内按要求设计实验电路图.(3) 如图甲所示,在实验中,同组同学已经完成部分导线的连接,请你在实物接线图中完成余下的导线的连接.(4) (2009·天津理综) 连好图示的电路后闭合开关,通过移动变阻器的滑片,使小灯泡中的电流由零开始逐渐增大,直到小灯泡正常发光,由电流表和电压表得到的多组读数描绘出的U-I图象应是()〖答案〗:(1)因灯泡(3V,0.6A),故电流表选E(0~0.6A),电压表选C(0~3V).(2)电路图略.(3)因为小灯泡的电阻远小于电压表内阻,所以在用外接法,需要测量多组数据和描绘图象,需要电压从0开始调节,所以为分压电流表外接法(4)C:小灯泡的电阻随温度的升高逐渐增大,所以U-I图象中的斜率也要逐渐增大,C项正确.2、发光二极管是目前很多电器的指示灯的电子元件,在电路中符号是.只有电流从标有“+”号的一端流入,从标有“-”号的一端流出时,它才能发光,这时可将它视为一个纯电阻.现有某厂家提供的某种型号的发光二极管的伏安特性曲线如图所示.(1)已知该型号的发光二极管的正常工作电压为2.0V.若用电动势为12V,内阻可以忽略不计的直流电源供电,为使该二极管正常工作,需要在电源和二极管之间串联一只阻值为________Ω的定值电阻.(2)已知该型号的发光二极管允许通过的最大电流为56mA,请用实验证明这种元件的伏安特性曲线与厂家提供的数据是否一致.可选用的器材有:待测发光二极管直流电源E(电动势4.5V,内阻可以忽略不计)滑动变阻器R(最大阻值为200Ω)电压表V1(量程10V,内阻约50kΩ)电压表V2(量程5V,内阻约20kΩ)电流表A1(量程100mA,内阻约50Ω)电流表A2(量程60mA,内阻约100Ω)开关S、导线若干为准确、方便地进行检测,电压表应选用__________,电流表应选用__________.(填字母符号)(3)画出利用(2)中器材设计的实验电路图.答案:(1)500(2)V2A2(3)如图所示解析:(1)由二极管的伏安曲线读出电源为2V时的电流为20mA,再由欧姆定律计算所加的电阻为500Ω.(3)因要测量二极管的工作曲线,则电压应可取得从零开始一系列值,变阻器采用分压接法,二极管的电阻和电流表内阻相比,则应采用电流表外接法.3.(2009·江西师大附中)在做“描绘小灯泡的伏安特性曲线”实验中,采用的仪器有:电源E(电动势6V,内阻不计);额定电压4.0V的小灯泡L;电流表A(量程0.6A,内阻约2Ω);电压表V(量程5V,内阻约15kΩ);滑动变阻器R(最大阻值15Ω);开关S,导线若干.实验中要求加在小灯泡上的电压从零到小灯泡的额定电压连续可调.(1)在做实验时,构成的实物电路如图所示:请指出实物电路中的错误之处:Ⅰ________________________________________;Ⅱ________________________________________.(2)请在虚线方框中画出实验所用的正确电路原理图.(3)如图所示为某同学根据正确的实验电路图所测的几组数据画出的I-U图象,图象是一条曲线而不是直线的原因是__________________________;从图象中可求得小灯泡正常发光时的电阻是________Ω.答案:(1)Ⅰ:电流表没有接成外接电路Ⅱ:滑动变阻器没有接成分压电路(2)见图(3)灯丝电阻随温度而改变10Ω(9.5到10.5Ω之间都给分)4.要描绘某电学元件(最大电流不超过6mA,最大电压不超过7V)的伏安特性曲线,设计电路如图甲.图中定值电阻R为1kΩ,用于限流;电流表Ⓐ量程为10mA,内阻约为5Ω;电压表(未画出)量程为10V.内阻约为10kΩ;电源电动势E为12V,内阻不计.(1)实验时有两个滑动变阻器可供选择;a.阻值0~200Ω,额定电流0.3Ab.阻值0~20Ω,额定电流0.5A本实验应选用的滑动变阻器是______(填“a或b”).(2)正确接线后,测得数据如下表:②根据以上数据,在图乙中画出该元件的伏安特性曲线.(3)在图丙中画出待测元件两端电压U MO随MN间电压U MN变化的示意图.(无需数值)答案:(1)a(2)①P②如图(a)所示(3)如图(b)所示解析:因为电源电动势为12V,若选用b,则通过滑动变阻器的电流为0.6A.大于允许通过的最大电流,故滑动变阻器应选a.由电学元件的最大电流和最大电压可估测出该元件的电阻较大,而电流表内阻约为5Ω,电压表内阻约为10kΩ,所以电流表应采用内接法,即电压表并联在M和P之间.5、(2012上海静安一模).(8分)太阳能是一种“绿色”能源。
实验11 描绘小灯泡的伏安特性曲线一、单选题1.图甲为某电源的U I -图线,图乙为某小灯泡的U I -图线,则下列说法正确的是( )A .电源的内阻为0.5ΩB .小灯泡的电阻随着电压的增大而减小C .把电源和小灯泡组成闭合回路,小灯泡的功率约为2.20WD .当小灯泡两端的电压为0.5V 时,它的电阻约为1Ω62.现有一只灯泡,额定电压标识12V 清晰,额定功率标识字迹不清,某同学为了确定该灯泡的额定功率,设计了四个方案,哪个方案最准确( )A .把该灯泡直接与标有额定功率的灯泡(额定电压12 V )进行外观上和灯丝粗细程度的比较,得出该灯泡的额定功率B .把该灯泡接在12 V 的直流电源上使其发光,再与有标记的灯泡进行亮度比较,得出该灯泡的额定功率C .把该灯泡接在12 V 的直流电源上使其发光,通过串联的电流表读出电流值,并联的电压表读出电压值,再由公式P =UI 求出额定功率D .用该灯泡、电流表、电压表、干电池等器材,用伏安法测出该灯泡的阻值,再用公式2U P R=得出该灯泡的额定功率3.某组同学在实验室利用如图所示的电路图连接好电路,并用于测定定值电阻R 0、电源的电动势E 和内电阻r .调节滑动变阻器的滑动触头P 向某一方向移动时,一个同学记录了电流表A 和电压表V 1测量数据,另一同学记录了电流表A 和电压表V 2的测量数据.根据所得数据描绘了如图所示的两条U-I 直线.则有( )A.图象中的图线乙是电压表V1的测量值所对应的图线B.由图象可以得出电源电动势和内阻分别是E=1.50V,r=1.0ΩC.当该电源只给定值电阻R0供电时R0消耗的功率为0.55WD.图象中两直线的交点表示在本电路中该电源的效率达到最大值4.要测绘一个标有“3V、0.6W”小灯泡的伏安特性曲线,灯泡两端的电压需要由零逐渐增加到3V。
实验的电路图应选用图中的()A.B.C.D.5.如图甲所示,电源E=12V,内阻不计,灯泡L的额定电压为9V,其伏安特性曲线如图乙所示,滑动变阻器R的最大阻值为10 。
描绘小灯泡的伏安特性曲线课后练习(1)1.在描绘小灯泡的伏安特性曲线的实验中,可以同时测定小灯泡的功率和电阻。
(1)测得的小灯泡的功率与实际的功率相比较,测量功率()A.总偏大B.总偏小C.无误差D.都有可能(2)小灯泡的电阻的测量值与实际值相比较()A.偏大B.偏小C.有时偏大,有时偏小D.都有可能2.(1)为研究某一电学元件的导电规律,将该元件两端的电压、元件中的电流及通电时间记录在下表中,通过分析表中数据可以判断出该元件所用的材料是(填“金属”或“半导体”).3.某电阻额定电压为3V(阻值大约为10Ω)。
为测量其阻值,实验室提供了下列可选用的器材:A:电流表A1(量程300mA,内阻约1Ω)B:电流表A2(量程0.6A,内阻约0.3Ω)C:电压表V1(量程3.0V,内阻约3kΩ)D:电压表V2(量程5.0V,内阻约5kΩ)E:滑动变阻器R1(最大阻值为10Ω)F:滑动变阻器R2(最大阻值为1kΩ)G:电源E(电动势4V,内阻可忽略)H:电键、导线若干。
(1)为了尽可能提高测量准确度,应选择的器材为(只需添器材前面的字母即可):电流表_______,电压表_________,滑动变阻器________。
(2)画出该实验电路图。
4.在描述小电珠的伏安特属性曲线的实验中,为了减少实验误差,电流表采用_________(填“外接法”或“内接法”).滑动变阻器以______________(填“分压式”或“限流式”)方式接入电路,这样做的好处是可以使小电珠两端的电压可以从______开始调节.5.要描绘标有“4.0V,0.4A”小灯泡L的伏安特性曲线,实验室中有以下一些器材可供选择:电源:E1(电动势为2.0V,内阻为0.2Ω);E2(电动势为4.5V,内阻为0.02Ω)电压表:V1(量程5V,内阻为5kΩ);V2(量程15V,内阻为15kΩ)电流表:A1(量程100mA,内阻约2Ω);A2(量程0.6A,内阻约0.3Ω)滑动变阻器:R1(可调范围0~10Ω,允许通过最大电流5A);R2(可调范围0~5kΩ,允许通过最大电流0.1A)导线,开关若干.(1)为了调节方便,准确描绘伏安特性曲线,实验中应该选用电源_____,电压表_____,电流表_____,滑动变阻器_____(填器材的符号).(2)在满足(1)的情况下,画出实验中所需的电路原理图(标明所选仪器的符号).6.在“描绘小灯泡伏安特性曲线”的实验中,滑动变阻器应使用_____连接方式(填“分压式”“限流式”);在“测量干电池电动势和内阻”的实验中,滑动变阻器应选阻值_____(填“大的”“小的”)7.某同学做“描绘小灯泡的伏安特性曲线”实验,他所用的器材有:小灯泡、220V交流电源、电流表、电压表、滑动变阻器、导线若干、开关、坐标纸、铅笔.其中不能使用的器材是_____,它应改为_____8.有一只小灯泡,额定电压为6V,额定功率约为3W,请用下列器材测定小灯泡的额定功率:电流表A:量程0~0.6A、内阻约为0.5Ω电压表V:量程0~3V、内阻R V=5kΩ滑动变阻器R:阻值范围0~20Ω、额定电流为1A定值电阻R0:阻值R0=10kΩ电源E:电动势约为10V、内阻很小开关S一个,导线若干(1)请在虚线框内画出利用本题提供的器材所设计的实验电路图(标注所用器材的符号);(2)实验中,电压表的示数应调为_____V,若此时电流表示数为0.48A,则小灯泡的额定功率为_____W.9.下列有关电学实验的说法中,正确的是_____(填选项字母)A.在“用描迹法画出电场中平面上的等势线”实验中,用恒定电流场模拟静电场B.在“描绘小灯泡的伏安特性曲线”实验中,电流表采用内接法,滑动变阻器采用限流式接法C.在“测定金属的电阻率”实验中,用螺旋测微器测量金属丝的直径,为减小误差,多次测量求平均值D.在使用多用电表欧姆档测未知电阻时,不必每次换档都进行欧姆档调零10.现有一只额定电压为2.5V额定功率为0.50W的小灯泡,欲通过实验较准确地描绘小灯泡的伏安特性曲线,要求小灯泡两端电压在0~2.5V内可调,提供如下器材:A.2.5V,0.50W小灯泡B.电压表0-3V,内阻10kΩC.电流表0-0.3A,内阻2ΩD.电流表0-10mA,内阻50ΩE.滑动变阻器2000Ω,0.1AF.滑动变阻器10Ω,1.0AG.蓄电池4VH.电键S,导线若干(1)选出实验所需要的器材_____(用序号表示)参考答案1.答案:(1)A(2)B解析:此实验电路为电流表外接,根据P=UI,电流I测>I真,所以P测>P真。
1.有一电阻R x,其阻值大约在40 Ω~50 Ω之间,需要进一步测定其阻值,手边现有下列器材:有两种可供选择的电路,如图所示,实验要求多测几组电流、电压值,画出电流-电压关系图线。
为了实验能正常进行并尽可能减小测量误差,而且要求滑动变阻器便于调节,在实验中应该选择图所示电路,应选代号是的毫安表和代号是的滑动变阻器。
答案:乙,A2,R12.检测一个标称值为5Ω的定值电阻。
可供使用的器材如下:A.待检测定值电阻R x,全电阻约5ΩB.电流表A1,量程0.6A,内阻约0.6ΩC.电流表A2,量程3A,内阻约0.12ΩD.电压表V1,量程15V,内阻约15KΩE.电压表V2,量程3V,内阻约3KΩF.滑动变阻器R,全电阻约20ΩG.直流电源E,电动势3V,内阻不计(1)用伏安法测定R x的全电阻值,所选电流表_________(填“A1”或“A2”),所选电压表为________(填“V1”或“V2”)。
(2)画出测量电路的原理图。
答案:(1)电流表选A1,电压表选V2;(2)外接,限流;3.有一小灯泡上标有“6V 0.1A”的字样,现要测量灯泡的伏安特性曲线,有下列器材供选用:A.电压表(0~3V,内阻约2.0kΩ) B.电压表(0~l0V,内阻约3.kΩ)C.电流表(0~0.3A,内阻约3.0Ω) D.电流表(0~6A,内阻约1.5Ω)E.滑动变阻器(30Ω,2A) F.学生电源(直流9V)及开关、导线等(1)实验中所用的器材为_____________(填字母代号).(2)在方框中画出实验电路图,要求电压从0开始测量.答案:(1)BCEF(2)4.(2013合肥一模·13)A(2)提示:滑动变阻器分压式接法,电压表量程较小,所以要和定值电阻串(1)2A用外接法。
联后接入电路,电流表25.(2011合肥二模·21)6.(2012安徽·21)图为“测绘小灯伏安特性曲线”实验的实物电路图,已知小灯泡额定电压为2.5V 。
《描绘小灯泡的伏安特性曲线》习题精选1、在“描绘小灯泡的伏安特性曲线”的实验中,有以下器材:A.小灯泡L(3V,0.6A)B.滑动变阻器R(0~10Ω)C.电压表V1(0~3V)D.电压表V2(0~15V)E.电流表A1(0~0.6A)F.电流表A2(0~3A)G.铅蓄电池、开关各一个,导线若干(1)为了减小误差,实验中应选电流表______________,电压表____________.(2)在图虚线框内按要求设计实验电路图.(3) (2009·浙江理综)如图甲所示,在实验中,同组同学已经完成部分导线的连接,请你在实物接线图中完成余下的导线的连接.(4) (2009·天津理综) 连好图示的电路后闭合开关,通过移动变阻器的滑片,使小灯泡中的电流由零开始逐渐增大,直到小灯泡正常发光,由电流表和电压表得到的多组读数描绘出的U-I图象应是( )〖答案〗:(1)因灯泡(3V,0.6A),故电流表选E(0~0.6A),电压表选C(0~3V).(2)电路图略.(3)因为小灯泡的电阻远小于电压表内阻,所以在用外接法,需要测量多组数据和描绘图象,需要电压从0开始调节,所以为分压电流表外接法(4)C:小灯泡的电阻随温度的升高逐渐增大,所以U-I图象中的斜率也要逐渐增大,C项正确.2、发光二极管是目前很多电器的指示灯的电子元件,在电路中符号是.只有电流从标有“+”号的一端流入,从标有“-”号的一端流出时,它才能发光,这时可将它视为一个纯电阻.现有某厂家提供的某种型号的发光二极管的伏安特性曲线如图所示.(1)已知该型号的发光二极管的正常工作电压为2.0V.若用电动势为12V,内阻可以忽略不计的直流电源供电,为使该二极管正常工作,需要在电源和二极管之间串联一只阻值为________Ω的定值电阻.(2)已知该型号的发光二极管允许通过的最大电流为56mA,请用实验证明这种元件的伏安特性曲线与厂家提供的数据是否一致.可选用的器材有:待测发光二极管直流电源E(电动势4.5V,内阻可以忽略不计)滑动变阻器R(最大阻值为200Ω)电压表V1(量程10V,内阻约50kΩ)电压表V2(量程5V,内阻约20kΩ)电流表A1(量程100mA,内阻约50Ω)电流表A2(量程60mA,内阻约100Ω)开关S、导线若干为准确、方便地进行检测,电压表应选用__________,电流表应选用__________.(填字母符号)(3)画出利用(2)中器材设计的实验电路图.答案:(1)500 (2)V2A2(3)如图所示解析:(1)由二极管的伏安曲线读出电源为2V时的电流为20mA,再由欧姆定律计算所加的电阻为500Ω.(3)因要测量二极管的工作曲线,则电压应可取得从零开始一系列值,变阻器采用分压接法,二极管的电阻和电流表内阻相比,则应采用电流表外接法.3.(2009·江西师大附中)在做“描绘小灯泡的伏安特性曲线”实验中,采用的仪器有:电源E(电动势6V,内阻不计);额定电压4.0V的小灯泡L;电流表A(量程0.6A,内阻约2Ω);电压表V(量程5V,内阻约15kΩ);滑动变阻器R(最大阻值15Ω);开关S,导线若干.实验中要求加在小灯泡上的电压从零到小灯泡的额定电压连续可调.(1)在做实验时,构成的实物电路如图所示:请指出实物电路中的错误之处:Ⅰ________________________________________;Ⅱ________________________________________.(2)请在虚线方框中画出实验所用的正确电路原理图.(3)如图所示为某同学根据正确的实验电路图所测的几组数据画出的I-U图象,图象是一条曲线而不是直线的原因是__________________________;从图象中可求得小灯泡正常发光时的电阻是________Ω.答案:(1)Ⅰ:电流表没有接成外接电路Ⅱ:滑动变阻器没有接成分压电路(2)见图(3)灯丝电阻随温度而改变10Ω(9.5到10.5Ω之间都给分)5、(2012上海静安一模).(8分)太阳能是一种“绿色”能源。
1.在用电压表和电流表研究小灯泡在不同电压下的功率的实验中,实验室备有下列器材供选择:A.待测小灯泡“3.0 V、1.5 W”B.电流表(量程3 A,内阻约为1 Ω)C.电流表(量程0.6 A,内阻约为5 Ω)D.电压表(量程3.0 V,内阻约为10 kΩ)E.电压表(量程15.0 V,内阻约为50 kΩ)F.滑动变阻器(最大阻值为100 Ω,额定电流50 mA)G.滑动变阻器(最大阻值为10 Ω,额定电流1.0 A)H.电源(电动势为4.0 V,内阻不计)I.电键及导线等(1)为了使实验完成的更好,电流表应选用________;电压表应选用________;滑动变阻器应选用________.(只需填器材前面的字母即可)(2)请在虚线框内画出实验电路图.图7-5-5(3)某同学在一次测量时,电流表、电压表的示数如图7-5-5所示.则电压值为________ V,电流值为________ A,小灯泡的实际功率为________ W.解析:待测小灯泡“3.0 V、1.5 W”,额定电流0.5 A,额定电压为3 V,因此电流表选C,电压表选D,滑动变阻器采用分压式接法较准确,滑动变阻器选G,小灯泡电阻很小,电流表外接.答案:(1)C D G(2)如解析图所示(3)1.800.330.592.在“描绘小灯泡的伏安特性曲线”的实验中,可供选择的实验仪器如下:小灯泡L,“3.8 V、0.3 A”电压表V,量程0~5 V,内阻5 kΩ电流表A1,量程0~100 mA,内阻4 Ω电流表A 2,量程0~500 mA ,内阻0.4 Ω滑动变阻器R 1,最大阻值10 Ω,额定电流1.0 A滑动变阻器R 2,最大阻值5 Ω,额定电流0.5 A直流电源E ,电动势约为6 V ,内阻约为0.5 Ω(1)在上述器材中,滑动变阻器应选 ;电流表应选 .(2)在虚线框内画出实验的电路图,并在图中注明各元件的符号。
(3)某实验小组完成实验后利用实验中得到的实验数据在I -U 坐标系中,描绘出如图所示的小灯泡的伏安特性曲线.根据此图给出的信息,可以判断下图中正确的是(图中P 为小灯泡的功率)( )解析:(1)本题变压器采用分压接法,通常应当选用最大阻值小的滑动变阻器,但本题中如果选用R 2,则电路中的电流会超过R 2允许通过的最大电流,故滑动变阻器应当选择R 1.电流表A 1的量程太小,故电流表应当选择A 2.(2)电路如右图所示,由于电压要从0开始测量,滑动变阻器用分压接法;因为灯泡的内阻比较小,电流表用外接法.(3)随着通过小灯泡电压电流的增大,小灯泡消耗的功率增大,小灯泡的电阻也增大,由P =U 2R 知B 图正确,由P =I 2R 知D 图正确.答案:(1)R 1 A 2 (2)电路图如解析图所示 (3)BD3.有一个小灯泡上标有“4 V 、2 W ”的字样,现在要用伏安法描绘这个灯泡的I —U 图线.现有下列器材供选用:A .电压表(0~5 V ,内阻10 kΩ)B .电压表(0~15 V ,内阻20 kΩ)C .电流表(0~3 A ,内阻1 Ω)D .电流表(0~0.6 A ,内阻0.4 Ω)E .滑动变阻器(10 Ω,2 A)F .滑动变阻器(500 Ω,1 A)G .学生电源(直流6 V)、开关、导线若干(1)实验时,选用图7-5-10中甲而不选用图乙的电路图来完成实验,请说明理由:________________________________________________________________________.图7-5-10(2)实验中所用电压表应选________,电流表应选用________,滑动变阻器应选用________.(用序号字母表示)(3)把图7-5-11中所示的实验器材用实线连接成实物电路图.图7-5-11解析:因实验目的是要描绘小灯泡的伏安特性曲线,需要多次改变小灯泡两端的电压,故采用A图所示的分压式电路合适,这样电压可以从零开始调节,且能方便地测多组数据.因小灯泡额定电压为4 V,则电压表选0~5 V的A而舍弃0~15 V的B,因15 V的量程太大,读数误差大,小灯泡的额定电流I=0.5 A,则电流表只能选D.滑动变阻器F的最大阻值远大于小灯泡内阻8 Ω,调节不方便,电压变化与变阻器使用部分的长度线性关系差,故舍去.小灯泡内阻为电流表内阻的80.4=20倍,电压表内阻是小灯泡的10×1038=1 250倍,故电流表采用了外接法.答案:(1)描绘灯泡的I—U图线所测数据需从零开始,并要多取几组数据(2)A D E (3)如下图所示.。
2018届高考物理一轮复习第九章恒定电流第7讲:实验4:描绘小灯泡的伏安特性曲线(参考答案)一、知识清单1. 【答案】2. 【答案】3. 【答案】4. 【答案】5. 【答案】二、例题精讲6. 【答案】 (1)如图所示(2)增大 增大(3)0.39 1.17【解析】 (1)电压从0开始调节,滑动变阻器应使用分压式接法,电压表的量程小于灯泡的额定电压,需要串联电阻改装,因为灯泡电阻远小于改装电压表的总电阻,所以电流表采用外接法.(2)由小灯泡伏安特性曲线可知,随着电流的增加,U I 也增加,则小灯泡的电阻增大,由R =ρL S,灯丝的电阻率增大.(3)I 以mA 为单位,当滑动变阻器R =0时,灯泡两端的电压U =E 0-Ir =4-I 1000,此时灯泡的功率最大,在小灯泡伏安特性曲线中作I =4000-1000U 图线,找出交点的横、纵坐标,则小灯泡最大功率P =1.17 W ;同理可知当滑动变阻器R =9 Ω时,小灯泡的最小功率P =0.39 W.7. 【答案】(1)5 (2)4 (3)见解析图【解析】(1)由题图可得电压表的示数为2.30 V ,根据欧姆定律I =U R 解得灯泡的电阻R =U I,代入数据可得R =5 Ω。
(2)由于电压表与电阻R 2串联,则通过二者的电流相等,即U 9+3=39,解得加在灯泡上的电压U =4 V 。
(3)要想更准确地描绘出L 完整的伏安特性曲线,则电压表的量程为4.0 V ,电流表的量程为0.7 A ,因此将电压表V 与标准电阻R 2串联改装为量程为4.0 V 的电压表,将电流表A 2与标准电阻R 1并联改装量程为0.6 A +0.6×0.21 A =0.72 A 的电流表,故虚线框内实验电路如图所示。
8. 【答案】(1)见解析图 (2)10 (3)电池 (4)图线不应画为直线;横坐标的标度不恰当【解析】(1)连线如图所示。
(2)小灯泡电阻大约为5 Ω,当滑动变阻器阻值最大时,小灯泡与滑动变阻器的并联电阻值约为3.3 Ω,则12 V-3 V =3 V 3.3 Ω×R 1,解得R 1=9.9 Ω,所以R 1应取10 Ω的定值电阻。
描绘小灯泡伏安特性曲线—解析版1.〔2021全国理综I〕某同学探讨小灯泡的伏安特性,所运用的器材有:小灯泡L〔额定电压3.8V,额定电流0.32A〕:R〔阻值1000ΩΩ〕;电源E〔电动势5V,内阻不计〕;开关S;电压表V〔量程3V,内阻3kΩΩ〕;固定电阻导线假设干。
〔1〕试验要求能够实现在0~3V的范围内对小灯泡的电压进展测量,画出试验电路原理图。
〔2〕试验测得小灯泡伏安特性曲线如图〔a〕所示。
〔1〕由试验曲线可知,随着电流的增加小灯泡的电阻________〔填“增大〞“不变〞或“减小〞〕,灯丝的电阻率______〔填“增大〞“不变〞或“减小〞〕。
EΩ〕和题给器材连接成图〔b〕所示的电路。
调整滑动变阻器R的阻值,可以变更小灯泡的〔2〕用另一电源实际功率。
闭合开关S,在R的变更范围内,小灯泡的最小功率为_____W,最大功率为_______W.〔结果均保存两位小数〕【参考答案】〔1〕电路如图〔2〕当滑动EΩ〕的伏安特性曲线,如图中曲线II所示,与小灯泡变阻器接入电路中的电阻为零时,在图〔a〕中画出电源伏安特性曲线的交点即为电路工作点,该点纵横坐标值的乘积等于小灯泡的最大功率,最大功率为P max=UI=3.62×0.318=1.17W。
2.〔2021广西五市考前联考〕在“描绘小灯泡的伏安特性曲线〞的试验中,需测量一个标有“3V ,1.5W 〞灯泡两端的电压和通过灯泡的电流,现有如下器材: 直流电源〔电动势3.0V ,内阻不计〕电流表1A 〔量程3A ,内阻约0.1Ω〕 电流表2A 〔量程600mA ,内阻约5Ω〕 电压表1V 〔量程3V ,内阻约3kΩ〕 电压表2V 〔量程15V ,内阻约200kΩ〕滑动变阻器1R 〔阻值0~10Ω,额定电流1A 〕 滑动变阻器2R 〔阻值0~1kΩ,额定电流300mA 〕〔1〕在该试验中,电流表应选择_________〔填“1A 〞或“2A 〞〕,电压表应选择________〔填“1V 〞或“2V 〞〕,滑动变阻器应选择________〔填“1R 〞或“2R 〞〕〔2〕某同学用导线a 、b 、c 、d 、e 、f 、g 和h 连接成如图甲所示的电路,假设用该电路测得灯泡的工作电压U 和电流I ,依据UR I计算此时灯泡的,那么灯泡电阻的测量值________真实值〔填“大于〞、“等于〞或“小于〞〕。
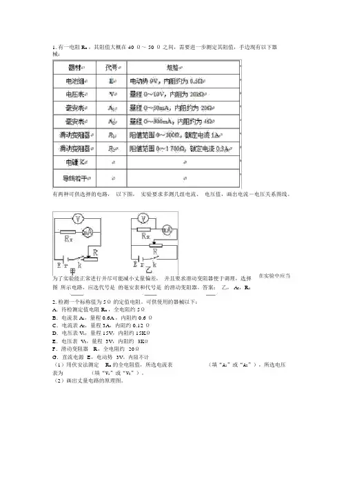
1.有一电阻 R x,其阻值大概在 40 Ω~ 50 Ω之间,需要进一步测定其阻值,手边现有以下器械:有两种可供选择的电路,以下图,实验要求多测几组电流、电压值,画出电流-电压关系图线。
在实验中应当为了实验能正常进行并尽可能减小丈量偏差,并且要求滑动变阻器便于调理,选择图所示电路,应选代号是的毫安表和代号是的滑动变阻器。
答案:乙, A2,R12.检测一个标称值为 5Ω的定值电阻。
可供使用的器械以下:A.待检测定值电阻R x,全电阻约 5ΩB.电流表 A1,量程 0.6A ,内阻约 0.6 ΩC.电流表 A2,量程 3A,内阻约 0.12 ΩD.电压表 V1,量程 15V,内阻约 15KΩE.电压表V2,量程 3V,内阻约3KΩF.滑动变阻器R,全电阻约20ΩG.直流电源E,电动势3V,内阻不计(1)用伏安法测定R x的全电阻值,所选电流表_________(填“A1”或“A2”),所选电压表为 ________(填“V1”或“V2”)。
(2)画出丈量电路的原理图。
答案:( 1)电流表选A1,电压表选V2;( 2)外接,限流;3.有一小灯泡上标有“6V 0.1A ”的字样,现要丈量灯泡的伏安特征曲线,有以下器械供采纳:A.电压表 (0 ~ 3V,内阻约 2.0k Ω )B.电压表(0~l0V,内阻约3.k Ω)C.电流表 (0 ~ 0.3A ,内阻约3.0 Ω )D.电流表(0~6A,内阻约 1.5 Ω)E.滑动变阻器(30 Ω, 2A)F.学生电源(直流9V)及开关、导线等(1)实验中所用的器械为 _____________( 填字母代号 ) .(2) 在方框中画出实验电路图,要求电压从0 开始丈量.答案:( 1) BCEF( 2)4.(2013合肥一模· 13)(1)A2(2)提示:滑动变阻器分压式接法,电压表量程较小,因此要和定值电阻串联后接入电路,电流表A2用外接法。
5. ( 2011 合肥二模· 21)6.( 2012 安徽· 21)“ 小灯伏安特征曲” 的物路,已知小灯泡定 2.5V 。
描绘小灯泡的伏安特性曲线1.某同学研究小灯泡的伏安特性。
所使用的器材有:小灯泡L(额定电压3.8 V,额定电流0.32 A);电压表(量程3 V,内阻3 kΩ);电流表(量程0.5 A,内阻0.5 Ω);固定电阻R0(阻值1000 Ω);滑动变阻器R(阻值0~9.0 Ω);电源E(电动势5 V,内阻不计);开关S;导线若干。
(1)实验要求能够实现在0~3.8 V的范围内对小灯泡的电压进行测量,画出实验电路原理图。
(2)实验测得该小灯泡伏安特性曲线如图a所示。
由实验曲线可知,随着电流的增加小灯泡的电阻________(填“增大”“不变”或“减小”),灯丝的电阻率________(填“增大”“不变”或“减小”)。
(3)用另一电源E0(电动势4 V,内阻1.00 Ω)和题给器材连接成图b所示的电路,调节滑动变阻器R的阻值,可以改变小灯泡的实际功率。
闭合开关S,在R 的变化范围内,小灯泡的最小功率为________ W,最大功率为________ W。
(结果均保留两位小数)2.某同学想要描绘标有“3.8 V,0.3 A”字样小灯泡L的伏安特性曲线,要求测量数据尽量精确、绘制曲线完整。
可供该同学选用的器材除开关、导线外,还有:电压表V1(量程0~3 V,内阻等于3 kΩ)电压表V2(量程0~15 V,内阻等于15 kΩ)电流表A1(量程0~200 mA,内阻等于10 Ω)电流表A2(量程0~3 A,内阻等于0.1 Ω)滑动变阻器R1(0~10 Ω,额定电流2 A)滑动变阻器R2(0~1 kΩ,额定电流0.5 A)定值电阻R3(阻值等于1 Ω)定值电阻R4(阻值等于10 Ω)定值电阻R5(阻值等于1 kΩ)电源E(E=6 V,内阻不计)(1)请画出实验电路图,并将各元件字母代码标在该元件的符号旁。
(2)该同学描绘出的IU图象应是下图中的________。
3.为了描绘一个“12 V 6 W”的小灯泡的伏安特性曲线,现提供以下器材进行实验:直流电源E:电动势为15 V,内阻不计;电流表A:量程分别为0~0.6 A和0~3 A,内阻分别约为0.5 Ω和0.1 Ω;电压表V:量程为0~3 V,内阻为3 kΩ;定值电阻R0:阻值为12 kΩ;滑动变阻器R:最大阻值为20 Ω,允许通过的最大电流为1 A;开关一个,导线若干。
《描绘小灯泡的伏安特性曲线》习题精选1、在“描绘小灯泡的伏安特性曲线”的实验中,有以下器材:A.小灯泡L(3V,0.6A)B.滑动变阻器R(0~10Ω)C.电压表V1(0~3V)D.电压表V2(0~15V)E.电流表A1(0~0.6A)F.电流表A2(0~3A)G.铅蓄电池、开关各一个,导线若干(1)为了减小误差,实验中应选电流表______________,电压表____________.(2)在图虚线框内按要求设计实验电路图.(3) (2009·浙江理综)如图甲所示,在实验中,同组同学已经完成部分导线的连接,请你在实物接线图中完成余下的导线的连接.(4) (2009·天津理综) 连好图示的电路后闭合开关,通过移动变阻器的滑片,使小灯泡中的电流由零开始逐渐增大,直到小灯泡正常发光,由电流表和电压表得到的多组读数描绘出的U-I图象应是()〖答案〗:(1)因灯泡(3V,0.6A),故电流表选E(0~0.6A),电压表选C(0~3V).(2)电路图略.(3)因为小灯泡的电阻远小于电压表内阻,所以在用外接法,需要测量多组数据和描绘图象,需要电压从0开始调节,所以为分压电流表外接法(4)C:小灯泡的电阻随温度的升高逐渐增大,所以U-I图象中的斜率也要逐渐增大,C项正确.2、发光二极管是目前很多电器的指示灯的电子元件,在电路中符号是.只有电流从标有“+”号的一端流入,从标有“-”号的一端流出时,它才能发光,这时可将它视为一个纯电阻.现有某厂家提供的某种型号的发光二极管的伏安特性曲线如图所示.(1)已知该型号的发光二极管的正常工作电压为2.0V.若用电动势为12V,内阻可以忽略不计的直流电源供电,为使该二极管正常工作,需要在电源和二极管之间串联一只阻值为________Ω的定值电阻.(2)已知该型号的发光二极管允许通过的最大电流为56mA,请用实验证明这种元件的伏安特性曲线与厂家提供的数据是否一致.可选用的器材有:待测发光二极管直流电源E(电动势4.5V,内阻可以忽略不计)滑动变阻器R(最大阻值为200Ω)电压表V1(量程10V,内阻约50kΩ)电压表V2(量程5V,内阻约20kΩ)电流表A1(量程100mA,内阻约50Ω)电流表A2(量程60mA,内阻约100Ω)开关S、导线若干为准确、方便地进行检测,电压表应选用__________,电流表应选用__________.(填字母符号)(3)画出利用(2)中器材设计的实验电路图.答案:(1)500(2)V2A2(3)如图所示解析:(1)由二极管的伏安曲线读出电源为2V时的电流为20mA,再由欧姆定律计算所加的电阻为500Ω.(3)因要测量二极管的工作曲线,则电压应可取得从零开始一系列值,变阻器采用分压接法,二极管的电阻和电流表内阻相比,则应采用电流表外接法.3.(2009·江西师大附中)在做“描绘小灯泡的伏安特性曲线”实验中,采用的仪器有:电源E(电动势6V,内阻不计);额定电压4.0V的小灯泡L;电流表A(量程0.6A,内阻约2Ω);电压表V(量程5V,内阻约15kΩ);滑动变阻器R(最大阻值15Ω);开关S,导线若干.实验中要求加在小灯泡上的电压从零到小灯泡的额定电压连续可调.(1)在做实验时,构成的实物电路如图所示:请指出实物电路中的错误之处:Ⅰ________________________________________;Ⅱ________________________________________.(2)请在虚线方框中画出实验所用的正确电路原理图.(3)如图所示为某同学根据正确的实验电路图所测的几组数据画出的I-U图象,图象是一条曲线而不是直线的原因是__________________________;从图象中可求得小灯泡正常发光时的电阻是________Ω.答案:(1)Ⅰ:电流表没有接成外接电路Ⅱ:滑动变阻器没有接成分压电路(2)见图(3)灯丝电阻随温度而改变10Ω(9.5到10.5Ω之间都给分)5、(2012上海静安一模).(8分)太阳能是一种“绿色”能源。
描绘小电珠的伏安特性曲线练习题【基础达标】1.描绘“6V,3W”灯泡的伏安特性曲线,提供了下列器材:A.电压表V(3V,内阻约3kΩ)B.电流表A(0.6A,内阻约0.3Ω)C.电阻箱R(0—99999Ω)D.滑动变阻器R1(0—20Ω);E.滑动变阻器R2(0—100Ω)F.待测灯泡L“6V,3W”G.电源E(电动势约8V、内阻较小)H.开关、导线若干①按照实验需要,将电压表的量程由3V扩大至6V,首先测量电压表内阻,某同学采用了如图甲所示的电路,闭合开关S,调节电阻箱阻值为4870Ω时,电压表指针刚好满偏;再调节电阻箱阻值为12720Ω时,电压表指针在满刻度的一半,则电压表的内阻R V=______Ω;从理论上分析,实验测得电压表内阻值____(选填“大于”、“小于”或“等于”)真实值。
②图乙是测量灯泡电流随电压变化的实物电路,请你用笔划线代替导线完成电路连接(要求在闭合开关前,滑动变阻器滑动头置于最左端).③实验中,滑动变阻器应选择___________(选填“R1”或“R2”).【答案】①2980;大于②电路如图;③R1【解析】①由题意可知:I g(4870+R V)=E;,解得:R V=2980Ω;从理论上分析,因没有考虑电源内阻的影响,故实验测得电压表内阻值大于真实值;②电路如图;③因采用分压电路,故滑动变阻器因选用阻值较小的R1。
2.某同学用如图所示的实物电路,描绘额定电压为4.0V的小灯泡的伏安特性曲线,并研究小灯泡实际功率.(1)根据实物图,画出电路图.(2)闭合开关,将滑动变阻器的滑片P向b端移动,发现“电流表的示数几乎为零,电压表的示数逐渐增大”,则分析电路的可能故障为________.A.小灯泡短路B.小灯泡断路C.电流表断路D.滑动变阻器断路(3)根据如图所示I-U图线,可确定小灯泡在电压为2.0V时实际功率为________W.【答案】(1)如图所示;(2)B;(3)0.6【解析】(1)电路图如图:(2)当小灯泡断路时,电流表读数为零,电压表的读数是滑动变阻器a P 间的电压,将滑动变阻器的滑片P向b端移动,电压表的示数逐渐增大,故选B.(3)由图读出,当小灯泡在电压为2.0V时,电流为0.30A,故小灯泡的功率为P=U I=2×0.3W=0.6W。
实验6:描绘小灯泡的伏安特性曲线答案
【例1】
(1)A 2 R 2 (2)电压为6V,这样会使小灯泡闭合开关时的电压就较大,灯丝温度较高会影响到在更小电压下的测量准确性.闭合开关前触头应处于使变阻器与小灯泡并联的电阻为零的位置.
(3)步骤C 中,闭合开关前触头应处于使变阻器与小灯泡并联的电阻为零的位置 BCAD (4)随着电压增加,通过小灯泡的电流增大,温度升高,灯泡灯丝的电阻率增加
【例2】 (1)
(2) (3)正确 (4)0.738 W
【例3】答案 (1) 由欧姆定律分析表格中的每一组数据,可以看出发光二极管的电阻是变化的,变化的范围大约在100 Ω~500Ω之间,与V mA R R =1 000 Ω比较,属于小电阻,应采用电流表外接法;又从表格中得到信息,实验时,电压必须从0开始增大,因此滑动变阻器必须采用分压式接法.所以实验电路如下图(a )所示.
(2)将表格提供的数据在方格纸上描点,可画出二极管的I -U 图线,如上图(b )中的曲线所示.
(3)83.3 Ω
1.答案 (1)如下图所示
(2)L1电阻(24 Ω)比L2电阻(3.6 Ω)大得多,所以L2两端分得的电压只有约0.8 V与L2的灯泡
的额定电压(6 V)差别太大,故L2实际功率太小,故L2不能发光.
(3)如下图所示,当S与1接时,L1与L3串联后与L2并联,由于L1电阻远大于L3电阻,故L3分得
的电压很小.L3的实际功率太小,L3不亮.满足题设要求.S与2接时,情况与接1时类似.
2.答案 (1)B C (2)
3.答案 (1)甲 (2)
变大 (3)0.125
4.答案 (1)A2 V1 R1 E2 (2) 1.5 11.5 0.78 (3)A。
描绘小灯泡的伏安特性曲线【典型类题】图甲所示为一个电灯两端电压与通过它的电流的变化关系曲线.由图可知,两者不成线性关系,这是由于焦耳热使灯丝的温度发生了变化的缘故,参考这条曲线回答下列问题(不计电流表内阻,线路提供电压不变):(1)若把三个这样的电灯串联后,接到电压恒定为12 V的电路上,求流过灯泡的电流和每个灯泡的电阻;(2)如图乙所示,将两个这样的电灯并联后再与10 Ω的定值电阻R0串联,接在电压恒定为8 V的电路上,求通过电流表的电流值以及每个灯的实际功率.【跟踪训练】1、在描绘小灯泡伏安特性曲线的实验中,为减小实验误差,方便调节,请在如图所示的四个电路图和给定的三个滑动变阻器中选取适当的电路和器材,并将它们的编号填在横线上.应选取的电路是,滑动变阻器应选取。
E总阻值I5Ω,最大允许电流2A的滑动变阻器F.总阻值200Ω,最大允许电流2A的滑动变阻器G.总阻值1 000Ω,最大允许电流1A的滑动变阻器(2)由实验得到小灯泡的伏安特性曲线如图中b线,将该小灯泡与一干电池组成闭合电路,该电池两极的电压随电路中电流的变化关系图线如图中a线,则小灯泡与电池连接后的实际功率为W;若再将一阻值为0.75Ω的电阻串联在电路中,则小灯泡的实际功率为W.2、要测绘一个标有“3V 0.6W”小灯泡的伏安特性曲线,灯泡两端的电压需要由零逐渐增加到3V,并便于操作。
已选用的器材有:电池组(电动势为4.5V,内阻约1Ω):电流表(量程为0~250m A,内阻约5Ω);电压表(量程为0~3V,内限约3kΩ):电键一个、导线若干。
①实验中所用的滑动变阻器应选下列中的(填字母代号)。
A.滑动变阻器(最大阻值20Ω, 额定电流1A)B.滑动变阻器(最大阻值1750Ω,额定电流0.3A)②实验的电路图应选用下列的图(填字母代号)。
③实验得到小灯泡的伏安特性曲线如图所示。
如果将这个小灯泡接到电动势为1.5V,内阻为50Ω的电源两端,小灯泡消耗的功率是W。
《描绘小灯泡的伏安特性曲线》习题精选1、在“描绘小灯泡的伏安特性曲线”的实验中,有以下器材:A .小灯泡L(3V,0.6A)B .滑动变阻器R(0〜10 Q)C .电压表V i(O〜3V)D .电压表V2(0〜15V)E.电流表A i(0〜0.6A)F .电流表A2(0〜3A)G •铅蓄电池、开关各一个,导线若干(1)_________________________________________ 为了减小误差,实验中应选电流表______________________________________________ ,电压表_____________ (2)在图虚线框内按要求设计实验电路图.图甲(3)(2009浙江理综)如图甲所示,在实验中,同组同学已经完成部分导线的连接, 请你在实物接线图中完成余下的导线的连接.(4)(2009天津理综)连好图示的电路后闭合开关,通过移动变阻器的滑片,使小灯泡中的电流由零开始逐渐增大,直到小灯泡正常发光,由电流表和电压表得到的多组读数描绘出的U —I图象应是()A B C□1答案〗:⑴因灯泡(3V,0.6A),故电流表选E(0〜0.6A),电压表选 C(0〜3V). (2)电路图略.(3)因为小灯泡的电阻远小于电压表内阻,所以 在用外接法,需要测量多组数据和描绘图象,需要 电压从0开始调节,所以为分压电流表外接法(4)C :小灯泡的电阻随温度的升高逐渐增大,所以增大,C 项正确. 2、发光二极管是目前很多电器的指示灯的电子元件,在电路中符号是卡一.只 有电流从标有“ + ”号的一端流入,从标有“—”号的一端流出时,它才能发光, 这时可将它视为一个纯电阻•现有某厂家提供的某种型号的发光二极管的伏安特性 曲线如图所示.(1) 已知该型号的发光二极管的正常工作电压为 2.0 V.若用电动势为12V,内阻 可以忽略不计的直流电源供电,为使该二极管正常工作,需要在电源和二极管之间 串联一只阻值为 __________ Q 的定值电阻.(2) 已知该型号的发光二极管允许通过的最大电流为 56mA 请用实验证明这种 元件的伏安特性曲线与厂家提供的数据是否一致.可选用的器材有:待测发光二极管直流电源E(电动势4.5 V ,内阻可以忽略不计)滑动变阻器尺最大阻值为200 Q )电压表 V i (量程10V ,内阻约50k Q )电压表W 量程5V,内阻约20k Q )电流表 A i (量程100mA 内阻约50 Q )电流表 A (量程60mA 内阻约100 Q )U — I 图象中的斜率也要逐渐开关S、导线若干为准确、方便地进行检测,电压表应选用______________________ ,电流表应选用_________ •(填字母符号)(3)画出利用(2)中器材设计的实验电路图.答案:(1)500 ⑵V2 A2 ⑶如图所示解析:(1)由二极管的伏安曲线读出电源为2V时的电流为20mA,再由欧姆定律计算所加的电阻为500Q.(3)因要测量二极管的工作曲线,则电压应可取得从零开始一系列值,变阻器采用分压接法,二极管的电阻和电流表内阻相比,则应采用电流表外接法.3. (2009 •江西师大附中)在做“描绘小灯泡的伏安特性曲线”实验中,采用的仪器有:电源E(电动势6V,内阻不计);额定电压4.0V的小灯泡L;电流表A量程0.6 A,内阻约2Q);电压表V(量程5V,内阻约15k Q);滑动变阻器R(最大阻值15Q ); 开关S,导线若干.实验中要求加在小灯泡上的电压从零到小灯泡的额定电压连续可调.(1)在做实验时,构成的实物电路如图所示:请指出实物电路中的错误之处:I _______________________________________ ;n ______________________________________ .(2) 请在虚线方框中画出实验所用的正确电路原理图.(3) 如图所示为某同学根据正确的实验电路图所测的几组数据画出的I —U图象,图象是一条曲线而不是直线的原因是_________________________________ ;从图象中可求得小灯泡正常发光时的电阻是__________ Q.答案:(1) I:电流表没有接成外接电路n :滑动变阻器没有接成分压电路(2)见图⑶灯丝电阻随温度而改变10 0(9.5到10.5Q之间都给分)5、(2012上海静安一模).(8分)太阳能是一种“绿色”能源。
在我国上海举办的2010年世博会上,大量利用了太阳能电池。
太阳能电池在有光照时,可以将光能转化为电能,在没有光照时,可以视为一个电学器件。
某实验小组根据测绘小灯泡伏安特性曲线的实验方法,探究一个太阳能电池在没有光照时(没有储存电能)的I-U 特性。
所用的器材包括:太阳能电池,电源E,电流表A,电压表V,滑动变阻器R,开关S 及导线若干。
(2)该实验小组根据实验得到的数据,描点绘出了如图2的I-U图像。
由图可知,当电压小于 2.00V时,太阳能电池的电阻 ________________ (填“很大”或“很小”);当电压为2.80V时,太阳能电池的电阻约为_______________ 。
(3)如果把太阳能电池换成某一电阻做实验,测绘出此电阻的伏安特性曲线如图3,则随着电压的升高此电阻的阻值______________________ (填增大、减小、不变),如果把这个电阻和一个阻值为 1.375 定值电阻串联后直接接在一个电动势E=1.5伏,内阻r=0.5 的电源两端,则此电阻的实际功率为________________ W (保留一位有效数字)。
5 (1)甲;(2)很大;1.0 103(965〜1040)(3)减小、0.3。
6、(2012苏州高三调研测试).(10分)一个小灯泡的额定电压为 2.0V。
额定电流约为0.5A,选用下列实验器材进行实验,并利用实验数据描绘和研究小灯泡的伏安特性曲线A. 电源E:电动势为3.0V,内阻不计;B. 电压表V1:量程为0~3V,内阻约为1 kC. 电压表V2:量程为0~15V,内阻约为4 kD. 电流表A1:量程为0~3A,内阻约为0.1E. 电流表A 2 :量程为0~0.6A ,F. 滑动变阻器R i :最大阻值为G. 滑动变阻器R 2:最大阻值为H. 滑动变阻器R 3:最大阻值为I. 开关S ,导线若干. 实验得到如下数据(I 和U 分别表示通过小灯泡的电流和加在小灯泡两端的电 压): 内阻约为0.6 ; 10 Q,额定电流为 15 Q,额定电流为 150 Q,额定电流为 0.6A ; 1.0A ; 1.0A ; 闭 (2) 请你不要改动已连接导线, 在下面的实物连接图中把还需要连接的导线补上. 合开关前,应使变阻器滑片放在最 (3) 在下面坐标中画出小灯泡的 U (4)若将本题中的小灯泡接在电动势是 的实际功率约为 _______________ 字). (填“左”或“右”)端. I 曲线. 1.5V 、内阻是1.0 的电池两端,则小灯泡 (保留两位有效数 闾均止⑴B (1分)E □分)G 分) 働连接感图甲(2 f 左□分)(或執电紐接瞠图乙,右)7、某同学用图所示电路,测绘标有“ 3.8V,0.3A”的小灯泡的灯丝电阻R随电压U 变化的图象.(1)除了导线和开关外,有以下一些器材可供选择:电流表:A i(量程100mA,内阻约2 Q);A2(量程0.6A,内阻约0.3 ◎);电压表:V1(量程5V,内阻约5k Q);V2(量程15V,内阻约15k Q);滑动变阻器:R1(阻值范围0〜10 Q);R2(阻值范围0〜2k Q);电源:E1(电动势为1.5V,内阻约为0.2 Q);E2(电动势为4V,内阻约为0.4 Q).为了调节方便,测量原理准确,实验中应选用电流表____________ ,电压表___________________________________________________________滑动变阻器__________ ,电源___________ .(填器材的符号)(2)根据实验数据,计算并描绘出R - U的图象如图所示,由图象可知,此灯泡在不工作时,灯丝电阻为____________ Q;当所加电压为3.00V时,灯丝电阻为_______________________________Q ,灯泡实际消耗的电功率为 W.(3)根据R — U 图象,可确定小灯泡耗电功率P 与外加电压U 的关系.符合该关系的 示意图是图中的 ____________答案: ⑴ A2 V R1 E2 (2)1.5 11.5 0.78⑶A 解析:由于灯泡额定电压只有3.8 V 而额定电流为 0.3 A ,所以为了读数更准确,电 压表应选 V 1(5V >,电流表应选 A 2(0.6 A ,电源应选 E2(4V >,为了尽可能全面地反 映出灯泡电阻R 随U 变化的关系,电压表的读数范围应尽可能大,所以采用变阻器 的分压接法,则变阻器应选 R1(0〜10Q ).反思提升:仪器选择一般应考虑三方面因素 ,(1)安全因素:如通过电源、电阻、电流表、电压表等的电流不能超过其允许的额定电流.,(2)误差因素:选用电表量程应 考虑尽可能减小测量值的相对误差,电压表、电流表在使用时,要尽可能使指针接 近满刻度的量程,其指针应偏转到满刻度的\f(2 ,3)左右,即在量程符合要求的情况 下选量程小的.,(3)便于操作:如选用滑动变阻器应考虑对外供电电压的变化范围既 能满足实验要求,又便于调节,滑动变阻器调节时应用到大部分电阻线& (2008 •高考天津卷)用下列器材组装成描绘电阻R 0伏安特性曲线的电路,请将 实物图连线成为实验电路.微安表口 A 量程0〜200 口 A,内阻约200 Q );电压表 V (量程0〜3V,内阻约10K Q );电阻R0(阻值约20k Q ):滑动变阻器R(最大阻值50 Q ,额定电流1A );电池组E(电动势3V,内阻不计);开关S 及导线若干. |!||||«||!»|»»|!!||||||||!""||||||!iiiRiHiiiiiiiiiiiHiaiiirivifliiiliaiiiiiU/\!!1・[师用110川川110 [ 2 3解析:描绘电阻R0伏安特性曲线的电路,需要设计成分压电路;因电阻R0阻值大于电压表内阻,必须设计成电流表内接电路测量•实验电路实物连线图如图所示.1 •在用电压表和电流表研究小灯泡在不同电压下的功率的实验中,实验室备有下列器材供选择:A •待测小灯泡“ 3.0 V、1.5 W”B .电流表(量程3 A,内阻约为1 Q)C .电流表(量程0.6 A,内阻约为5 Q)D .电压表(量程3.0 V,内阻约为10 k Q)E .电压表(量程15.0 V,内阻约为50 k Q)F .滑动变阻器(最大阻值为100 Q额定电流50 mA)G .滑动变阻器(最大阻值为10 Q额定电流1.0 A)H .电源(电动势为4.0 V,内阻不计)I .电键及导线等(1)为了使实验完成的更好,电流表应选用__________ ;电压表应选用__________ ;滑动变阻器应选用________ .(只需填器材前面的字母即可)⑵请在虚线框内画出实验电路图.(3)某同学在一次测量时,电流表、电压表的示数如图7-5-5所示.则电压值为_______ V ,电流值为 _________ A ,小灯泡的实际功率为 __________ W.解析:待测小灯泡“ 3.0 V 、1.5 W ”,额定电流0.5 A ,额定电压为3 V ,因此电流 表选 C ,电压表选D ,滑动变阻器采用分压式接法较准确,滑动变阻器选 G ,小灯泡电 阻很小,电流表外接.答案:(1)C D G (2)如解析图所示 (3)1.80 0.33 0.592•在“描绘小灯泡的伏安特性曲线”的实验中,可供选择的实验仪器如下: 小灯泡 L , “ 3.8 V 、0.3 A ” 电压表V ,量程0〜5 V ,内阻5 k Q 电流表A i ,量程0〜100 mA ,内阻4 Q 电流表 A 2,量程0〜500 mA ,内阻0.4 Q 滑动变阻器R i ,最大阻值10 Q 额定电流1.0 A 滑动变阻器R 2,最大阻值5 0,额定电流0.5 A 直流电源E ,电动势约为6 V ,内阻约为0.5(1) 在上述器材中,滑动变阻器应选 ____________ ;电流表应选 _______________ (2)在虚线框内画出实验的电路图,并在图中注明各元件的符号。