心电监测技术操作评分标准
- 格式:doc
- 大小:49.50 KB
- 文档页数:2
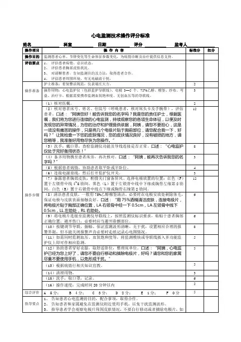
心电监护考核评分标准1 / 1心电监测、血氧饱和度、无创血压技术操作考核评分标准科室 姓名考试日期监考人得分项总 技术操作流程及标准评分等级目分A B C D操 1、着装整洁,仪表端庄。
3 2 1 0 作2、用物:物品准备:心电监护仪〔心电导联线、合 5432前 10 适尺寸的血压袖带、指氧饱和度探头〕 ,电极片 3准 个或 5 个、电源线、生理盐水或 75%酒精纱布〔必 备要时备 ) 、必要时备配电盘。
3、用物准备 3 分钟。
2 1 0 0 评1、评估患者病情、 意识状态、 缺氧状况, 告知监测 3 2 1 0 估 10 目的及方法。
2、评估患者皮肤状况 〔有无破损、 皮肤疾病〕 及指 4 321甲情况。
3、评估患者周围环境,有无电磁波干扰。
3 21 0 1、携用物至床旁,核对患者身份。
3 2 1 0 2、连接电源, 翻开电源开关 〔机器自检, 显示主屏〕。
3 2 1 0 3、向患者做好解释并进行评估。
3 2 1 0 4、协助患者取适宜体位, 暴露操作区, 清洁皮肤 , 3 21待干〔冬天稍加盖衣服,免着凉〕 。
操5、将电极片连接至心电导联线上, 粘贴于正确部位, 10 9 8 7避开伤口,必要时应当避开除颤部位。
5432作6、连接 SPO 探头,使红外线光源对准指甲,指套270 松紧适宜。
〔不要与袖带在同侧,否那么会影响SPO2流值〕7、绑扎血压计袖带, 测量血压一次 〔不要与静脉输 5 432程液在同侧〕。
8、分别调节 ECG 、 SPO 2、NIBP 等参数及相关信息, 5 432设置相应合理的报警界限〔不能关闭报警声音〕 。
9、观察并记录 BP 、 R 、HR 、 SPO 2。
3 2 1 0 10、安置病人、 盖被,并告知考前须知: (1) 不要自 10 987行移动或者摘除电极片,不可随意摘取传感器。
定 时更换传感器位置及松解血压计袖带。
(2) 患者和家 属防止在监护仪附近使用 , 以免干扰监测波形。
心电、血氧饱和度监测技术操作质量评价标准项操作质量标准目评估患者:1.核对医嘱,评估患者信息、病情、意识状态、自理能力、合作程度及耐受力; 2.评估患者类型:成人或儿童; 3.评估患者皮肤、肢体活动情况 4.询问有无过敏史患者准备:1.了解操作目的、方法、注意事项及配合要点;2.取舒适卧位,暴露胸部皮肤; 3.皮肤准备:①皮肤完整,无多毛、无潮湿、操无红肿、无破溃;②剃去电极片安放位置的毛发,用酒精纱布擦拭该处皮肤直到发红或酒精干后再安放电极片(皮屑多时用作电极片小沙子磨擦); 4.患者指(趾)甲不能过长及涂指(趾)甲油; 5.协助排尿或排便前护士准备:仪表端庄、服装整洁、修剪指甲,洗手、戴口罩,向患者解释准操作目的、方法、注意事项及配合要点,用物准备:备治疗车上层:治疗盘、电极片数个,备皮包、耦合剂、棉签、75%乙醇、酒精纱布缸、口罩、剪刀、手消液、医嘱本、护理15记录单、心电监护仪(各导联线完好),必要时备配电盘治疗车下层:医用∕生活垃圾桶分检查所有用物有效期口述:打开监护仪,检查导线(指脉氧,导联线)导线完整处于备用状态,袖袋内的空气已去尽监护仪性能完好处于备用状态(关机),电极片在有效期内,酒精棉球在有效期内,纱布块在有效期内环境准备:整洁、安静、光线适宜,周围环境安全、无电磁波干扰核对医嘱,口述: 101-1 王一,心电监护携物品至患者床旁,核对患者床头卡,姓名、年龄、腕带再次确认周围环境安全、无电磁干扰协助患者取平卧或半卧位操口述:你好,我是你的责任护士,请问你叫什么名字?多大年纪?我能核对一下你的腕带么?王先生,您现在感觉怎么样?作啊,有些胸闷,遵医嘱为您进行心电监护,以便有效的掌握您的病情变化,为诊断和治疗提供依据,您不用紧张,就是在您步的胸前贴五个电极片,您能配合我么?好,您需要我协助您去卫生间么?啊,不需要,您对酒精过敏么?您这个卧位舒适么?骤帮您遮挡一下屏风,周围环境良好,温度、光线适宜,无电磁波干扰,让我先检查一下您的皮肤,胸部和手指皮肤完好,无75红肿无破溃,无污垢无毛发(盖衣服)连接电源,打开开关,再次检查监护仪性能分口述:导联线连接紧密将电极片连接至监护仪导联上,按照监护仪标识要求贴于患者胸部正确位置口述:王先生,我帮你擦一下,可能有些凉,王先生,我现在评分等级A B C D 32102 1 0.5032105432210.50210.50 3210 32103210321015 1295得分要给您带上导联线右上右锁骨中线第二肋间右下右锁骨中线剑突水平处左上左锁骨中线第二肋间左下左锁骨中线剑突水平处V 导联胸骨左缘第四肋间电极片需避开伤口、起搏器等,必要时应当避开除颤部位正确戴无创血压袖带,松紧适宜口述:(手摸肱动脉搏动最明显处)袖带缠于距肘窝 2-3cm 处,松紧以能插入两指为宜(量血压)酒精纱布清洁局部指(趾)甲及皮肤,将传感器正确安放于患者手指,足趾或耳廓处设定相应合理的报警界限设定正确的心电图的导联、波幅大小设定相应合理的报警界限设定血压测量的间隔时间、方式设定相应合理的报警界限口述:根据病情调节导联,报警上下线,血压间隔时间再次核对患者信息口述:能在告诉我一下您的姓名和年龄么?健康宣教,指导注意事项口述:王先生,您的各项参数正常,您不用紧张,翻身时避免到线缠绕打折,周围不要放置手机以免电磁波干扰,不要自行摘除导联线,如果贴片除皮肤红肿发痒,请您及通知我,呼叫器就在您的床旁,我也会随时来看你的,你这个卧位舒适么?请您好好休息,感谢您的配合协助患者取舒适卧位整理用物洗手,记录口述:注意事项用物准备:治疗车上层:酒精纱布缸、干纱布缸、手消液、医嘱单、停护理记录单治疗车下层:医疗∕生活垃圾桶止携用物至患者床旁,评估患者情况,做好解释说明关机,取下心电导联线,摘除电极片,用干纱布清洁皮肤,监并检查局部皮肤情况;整理衣服;撤下血压计袖带、血氧饱和度探头,并检查局部皮肤情况护协助患者取舒适卧位,整理床单位口述:您好?我是您的责任护士,请问您叫什么名字?多大年纪?我能核对一下您的腕带么?王先生,您现在感觉怎么样?挺好的,现在遵医嘱给您停止监护,您能配合我么?好,(摘除氧探头,袖带)帮您摘除导联线(电极片)给您擦拭一下,皮肤完好没有破损(关机)王先生,心电监护已经结束了,你还有什么其他需要我帮助的么?没有,那好感谢您的配合。
心电监护操作评分标准心电监护是临床上常见的一种重要监护手段,它能够对患者的心电情况进行实时监测,及时发现心电异常,为医护人员提供重要的参考依据。
在进行心电监护操作时,需要严格按照一定的评分标准进行,以确保监护结果的准确性和可靠性。
下面将介绍心电监护操作的评分标准,希望能够对广大医护人员有所帮助。
1. 电极的安装。
在进行心电监护操作时,首先需要正确安装电极,保证其与患者的皮肤紧密接触,以获得清晰的心电图信号。
评分标准如下:电极的位置是否正确,10分。
电极与皮肤的接触是否良好,10分。
电极的固定是否牢固,10分。
2. 心电图的记录。
在电极安装完成后,需要进行心电图的记录,评分标准如下:心电图的记录是否清晰,20分。
心电图的记录时间是否准确,10分。
心电图记录的完整性,20分。
3. 心电监护仪的设置。
心电监护仪的设置对监护结果具有重要影响,评分标准如下:心电监护仪的参数设置是否准确,20分。
心电监护仪的报警设置是否合理,10分。
心电监护仪的工作状态是否正常,10分。
4. 心电监护操作的规范性。
在进行心电监护操作时,需要严格按照规范进行,评分标准如下:操作流程是否规范,20分。
操作过程中是否存在失误,10分。
操作是否符合相关规定,10分。
5. 操作者的技术水平。
操作者的技术水平直接影响心电监护操作的质量,评分标准如下:操作者的专业知识是否扎实,20分。
操作者的操作技能是否熟练,20分。
通过以上评分标准的合理设置,可以对心电监护操作进行全面而细致的评估,从而提高监护结果的准确性和可靠性。
希望广大医护人员能够严格按照评分标准进行心电监护操作,为患者的健康保驾护航。
心电监护仪技术操作评分标准
序号:________ 姓名:__________ 成绩:____________
(一)目的:监测患者心率、心律、血压、机体组织缺氧状况。
(二)心电监测操作方法
(三)注意事项:1、根据患者病情,协助患者取平卧位或者半卧位。
2、密切观察心电图波形,及时处理干扰和电极脱落。
3、每日定时回顾患者24h心电监测情况,必要时记录。
4、正确设定报警界限,不能关闭报警声音。
5、定时观察患者黏贴电极片处的皮肤,定时更换电极片和电极片的位置。
6、对躁动者,应当固定好电极和导线,避免电极脱位以及导线打折缠绕。
7、停机时,先向患者说明,取得合作后关机,断开电源。
(四)备注:整个操作过程≤12min。
超过时间,停止操作。
计时从评估患者开始。
考评者:
年月日。
心电、血氧饱与度监测技术操作质量评价标准心电监护得目得:为了动态观察病人心率及节律变化,监测病人机体组织缺氧状况, 动态监测血压变化,间接了解循环系统得功能状况,及时发现病情变化, 为诊断及治疗提供依据。
1、心电监护时对患者得健康宣教内容:2、告知患者不要自行移动或者摘除电极片。
3、告知患者不可随意摘取传感器与血压袖带。
4、告知患者与家属避免在监护仪附近使用手机,以免干扰监测波形。
指导患者与家属学会观察电极片周围皮肤情况, 如有痒痛及时告诉医护人员。
1.心电监护得注意事项:2.根据患者病情,协助患者取平卧或半卧位。
3.正确安放电极位置⑴三电极法:负极(红): 右锁骨中点下缘;正极(黄):左腋前线第四肋间;接地电极(黑):剑突下偏右。
五电极法:右上(RA):胸骨右缘锁骨中线第一肋间;右下(RL):右锁骨中线剑突水平处;胸导(C):胸骨左缘第四肋间;左上(LA):胸骨左缘锁骨中线第一肋间;左下(LL) :左锁骨中线剑突水平处。
4.密切观察心电图波形,血氧饱与度与血压监测结果,发现异常及时报告医师。
5.下列情况可以影响血氧饱与度监测结果:患者发生休克、体温过低、使用血管活性药物及贫血等。
周围环境光照太强、电磁干扰及涂抹指甲油等也可以影响结果。
6.注意为患者保暖,患者体温过低时,采取保暖措施。
7.正确设定报警限值,不能关闭报警声音。
8.定期观察患者粘贴电极片皮肤,定时更换电极片与电极片位置。
9.定期观察患者局部皮肤及指(趾)甲情况,定时更换传感器位置。
10.对频繁测血压患者,定时松开袖带片刻,以减少频繁充气对血液循环造成得不适感,必要时更换测量部位。
11.造成心电干扰得原因有:(1)交流电干扰(2)皮肤清洁脱脂不彻底(3)电极固定不良或脱落。
(4)导线断裂(5)导电糊干涸(6)严重得机电干扰。
12.对躁动患者,应当固定好电极与导线,避免电极脱位以及导线打折缠绕。
13.每日定时回顾病人24小时心电监测情况,必要时记录。
心电图操作评分标准(100分)项目技术操作评分标准分值操作前(20分)1.素质要求:衣帽整洁、洗手(2分)2分2.用物准备齐全:心电图机、导联线、电插板(备)、治疗盘、酒精棉球、污物杯、血管钳、治疗车(4分)4分3.环境准备:关门、窗,必要时置屏风,家属、陪客离开病(诊)室(2分)2分4.病人准备:1)核对:床号、姓名(4分)4分2)解释:目的、如何配合(平静呼吸、放松、不能多动)(4分)4分3)体位:平卧位(4分)4分操作中(45分)1.暴露连接部位:两手腕内侧、两下肢内踝、解松衣扣(3分)3分2.皮肤准备:导联连接部位用酒精棉球檫拭(2分)2分3.连接导联线:正确连接导联线(红-右臂、黄-左臂、绿-左腿、黑-右腿;V1(红):胸骨右缘第四肋间;V2(黄):胸骨左缘第四肋间;V3(绿):V2与V4连线中点;V4(褐):左锁骨中线与第五肋间交点;V5(黑):与V4同一水平的腋前线处;V6(紫):与V4同一水平的腋中线处)(20分)20分4.调节参数:定准电压及描记速度(5分)5分5.描记心电图:9个导联应连续描记3个完整波形(10分)10分6.观察病情:观察面色,注意有无不适(3分)3分7.去除导联线:去除各导联线,关机(2分)2分操作后(25分)1.整理:安置病人,整理用物(5分)5分2.标记心电图在心电图上标出姓名、日期、时间、心电图导联,观察有无异常改变(10分)10分3.评价:1)态度和蔼,注意保暖(5分)2)动作稳当、准确、熟练,时间小于5分钟(5分)5分5分心电图判断(10分)常见异常心电图:1)房早、室早、室速(4分)2)房颤、室颤、房扑、室扑(3分)3)房室传导阻滞(3分)10分。
心电监护仪操作评分标准一、操作前准备(20 分)1、操作者准备(5 分)着装整齐,洗手,戴口罩(2 分)熟悉心电监护仪的性能和操作方法(3 分)2、用物准备(10 分)心电监护仪一台,性能良好(2 分)导联线、电极片、75%酒精棉球、纱布、弯盘(4 分)必要时备电源插板(2 分)检查用物齐全,摆放合理(2 分)3、环境准备(5 分)整洁、安静、温度适宜(2 分)周围无电磁波干扰(3 分)二、操作过程(60 分)1、连接电源,打开监护仪开关(5 分)确认电源连接正确,电压稳定(2 分)按下电源开关,监护仪自检(3 分)2、正确安放电极片(15 分)用 75%酒精棉球清洁患者皮肤(3 分)电极片安放位置准确:RA 电极安放在右锁骨下,靠近右肩;LA 电极安放在左锁骨下,靠近左肩;RL 电极安放在右下腹;LL 电极安放在左下腹;V 电极安放在胸骨左缘第 4 肋间(8 分)电极片与皮肤接触良好,无松动(4 分)3、连接导联线(10 分)导联线连接正确,无缠绕、扭曲(5 分)插头插入监护仪接口牢固,无松动(5 分)4、设置监护参数(15 分)根据患者病情设置心率、血压、呼吸、血氧饱和度等监测参数的报警上下限(8 分)选择合适的导联和波幅(4 分)调整心电图波形清晰,无干扰(3 分)5、观察监护仪显示(10 分)密切观察患者生命体征的变化,及时发现异常(5 分)准确记录监测数据(3 分)能识别常见的心律失常(2 分)三、操作后处理(20 分)1、停止监护(5 分)向患者解释,取得配合(2 分)关闭监护仪开关,拔除电源插头(3 分)2、整理用物(5 分)取下电极片,用纱布擦拭患者皮肤(2 分)整理导联线,清洁监护仪(3 分)3、记录与报告(10 分)记录监护过程中的异常情况及处理措施(5 分)向医生报告监护结果(5 分)四、注意事项(加分项,10 分)1、注意保护患者隐私,操作时适当遮挡患者。
2、电极片粘贴部位应避开皮肤破损、伤口及除颤部位。