测量员培训资料
- 格式:doc
- 大小:70.50 KB
- 文档页数:6
测量员考试大纲一、基础理论知识1 建筑工程测量的任务与作用2 施工测量的主要内容3 确定地面点位的基本要求4 我国高程基准的确定5 高程与高差的概念6 几种不同的方向基准线7 方位角与象限角8 测量平面直角坐标系的特点9 测量误差的基本概念(真误差、较差、相对误差、中误差、允许误差、粗差)10 边角精度匹配11 测量中产生误差的原因12 误差的性质13 随机误差的特性14 测量工作中保证最终成果正确的措施二、专业技能实务1. 水准测量1.1高程测量的几种方法1.2水准测量的基本原理1.3微倾式水准仪的基本构造与主要轴线关系1.4自动水准仪的构造特点与工作原理1.5精密水准仪与精密水准尺的构造特点1.6水准测量的方法1.7水准测量的记录与计算1.8水准测量的成果校核方法1.9水准测量的闭合差计算与调整1.10三、四等水准测量的方法1.11水准仪的i 角检验2. 角度测量2.1水平角测量的基本原理2.2竖直角测量的基本原理2.3光学经纬仪的基本构造与主要轴线关系2.4电子经纬仪的构造特点与测角原理2.5测回法测量水平角及记录2.6测回法测设水平角2.7测回法测量竖直角及记录2.8经纬仪测角、设角、延长直线的操作要点2.9经纬仪LL VV的检校2.10经纬仪CC HH的检校2.11经纬仪HH VV的检校2.12经纬仪光学对中器的检校3. 距离测量3.1钢尺的性质3.2钢尺的检定标准(国家质量技术监督局 1999.09.06发布)3.3钢尺量距的方法3.4精密量距中的误差改正计算3.5钢尺量距的操作要点3.6光电测距的基本原理3.7测距仪的标称精度4. 测设的基本工作4.1直角坐标法测设点位的方法与要点4.2极坐标法测设点位的方法与要点4.3角度交会法测设点位的方法与要点4.4距离交会法测设点位的方法与要点4.5圆曲线主点要素的计算4.6圆曲线主点测设的方法4.7圆曲线辅点测设的方法4.8高程测设的方法5. 施工测量准备工作5.1准备工作的主要内容5.2建筑红线的基本概念5.3红线桩坐标与边长、夹角的计算5.4校测红线桩的方法5.5校测水准点的方法5.6校核定位依据与定位条件的方法5.7校核建筑物外廓尺寸的方法5.8校核建筑物±0设计高程的方法5.9场地平整的原则5.10方格法平整场地的方法6. 建筑施工测量6.1场地平面控制网的施测6.2城市坐标与建筑场地坐标的转换6.3场地高程控制网的施测6.4选择建筑物定位条件的基本原则6.5建筑物定位的基本方法6.6建筑物定位验线的要点6.7建筑物基础放线的基本步骤6.8建筑物基础验线的要点6.9高程竖向传递的方法与要点6.10轴线竖向投测的方法与要点6.11预制柱安装测量的方法与要点6.12建筑物沉降观测的有关规定6.13沉降观测的目的6.14沉降观测的基本内容6.15沉降观测的操作要点6.16竣工测量的目的6.17竣工测量的工作要点7. 线路工程测量7.1里程桩及桩号计算7.2线路中线定线的方法7.3测设圆曲线主点的方法7.4测绘线路纵断面图的步骤7.5测绘线路横断面图的步骤7.6管道施工测量的步骤8. 地形测量8.1导线外业的基本工作8.2导线的计算方法8.3导线图展绘的步骤8.4地形图的基本概念8.5地物符号的分类8.6地貌符号8.7地形图测绘的基本方法8.8地形图在施工测量中的应用9. 现代测量仪器与技术9.1数字水准仪的基本构造与应用(高等院校测量专业教材)9.2激光铅直仪的基本构造与应用(高等院校测量专业教材)9.3电子全站仪的基本构造与应用(高等院校测量专业教材)9.4全球定位系统(GPS)的组成与应用(高等院校测量专业教材)9.5 AutoCAD在施工测量中的应用(高等院校测量专业教材)三、仪器操作1. 水准仪1.1水准仪外观检验1.2水准仪I 角检验1.3普通水准线路测量1.4测设水平线2. 经纬仪2.1经纬仪外观检验2.2测回法测量水平角2.3测回法测设水平角2013年测量员培训讲义1. 测量学的概念和分类测量学是研究如何测定地面点的平面位置和高程,将地球表面的起伏形态和各种固定物体制成图,以及确定地球的形状和大小的科学。
第一部分:测量学基本知识第一节:测量学基本知识一、问答题1、测量学的任务是什么?(测定和测设两个部分)一是研究确定地球的形状和大小,为地球科学提供必要的数据和资料二是将地球表面的地物地貌测绘成图三是将图纸上的设计成果测设至现场。
2、地形测量的任务是什么?(绘制各种比例尺的地形图)对地球表面的地物、地形在水平面上的投影位置和高程进行测定,并按一定比例缩小,用符号和注记绘制成地形图。
3、测绘与测设有何区别?(P1)4、什么是水准面,水准面有何特性?(P2)5、什么是大地水准面(P2)它在测量工作中起什么作用(起高程起算面的作用)6、测量工作的基准面和基准线指的是什么(P2)7、为什么测绘工作要取与大地体很接近的旋转椭球作为地球的参考形状(P3)8、什么叫参考椭球定位参考椭球面的作用是什么(确定参考椭球与大地水准面的相关位置,使参考椭球在一个国家或地区范围内与大地水准面最佳拟合,称为参考椭球定位。
作用是测量的计算基准面)9、若把地球看作圆球,其平均曲率半径是多少(R=6371km)10、测量工作的实质是什么(P3)地面点的空间位置用什么表示(P3)11、表示地面点位置的坐标系统有那些?(P3)各有什么用途?12、大地坐标系和地理坐标系有什么区别地理坐标:为球面坐标。
参考平面地是椭球面。
坐标单位:经纬度大地坐标:为平面坐标。
参考平面地是水平面坐标单位:米、千米等。
13、测量上的平面直角坐标系与数学上的平面直角坐标系有什么区别和联系(P3)14、高斯投影是一种什麽样的投影(正形投影)高斯平面直角坐标系是怎样建立的(以赤道为横轴,以中央子午线为纵轴建立的)15、为什么要进行高斯投影的分带投影(控制投影变形) 一般采用哪两种投影分带 (3 °带和6 °带)16、根据我国的地理位置,为避免高斯投影的横坐标(Y )出现负值并能区分是哪一种投影带的坐标,应对坐标值做怎样的处理(将每个带的坐标原点向西移500km 我国位于北半球,纵坐标X 全为正值,为避免横坐标Y 出现负值, 我国规定将每个带的坐标原点向西移500KM 。
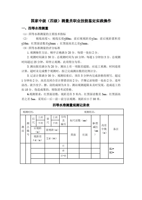
国家中级(四级)测量员职业技能鉴定实践操作一、四等水准测量(1)四等水准测量的主要技术指标(2)视线高度>;视线长度≤80m;前后视视距差≤5m;前后视距累积差≤10m;红黑面读数差≤3mm ;红黑面高差之差≤5mm。
(3)四等水准测量的评分标准1.观测操作方法、顺序正确满分20分。
每错一处扣2分。
2.观测时间满分30分。
总观测时间为10分钟,每超1分钟扣3分。
总观测时间超过25分钟,即停止观测,此项得分为零。
3.测站限差满分为20分。
测站上有一项限差超限,应返工重测,时间连续计算,超时未完成整个观测时,按已完成测站数的比例计分。
5.记录计算满分30分。
观测结束后,须在5分钟内完成表格的填写。
超过1分钟扣2分。
高差及闭合差计算错误扣2分;手簿记录每错一处扣2分。
连环涂改、就字改字、擦、刮的成绩为0分。
测站观测超限未及时发现,造成返工的扣10分。
伪造成果的,则取消考试资格。
6.观测要求:红黑面读数,视距差在5米内。
红黑面读数差3mm,红黑面高差之差5mm。
采用后—后—前—前方法观测。
视距应小于80米。
四等水准测量观测记录表二、DJ6经纬仪(方向法)水平角的观测(1)DJ6经纬仪对水平角观测的主要技术指标同一测回两个半测回角值互差≤40″。
(2)水平角观测(方向法)的评分标准1.安平对中满分10分。
5分钟内完成得满分,每超过1分钟扣1分。
超五分钟直接不及格。
2.测操作方法、程序正确满分30分。
发生一次错误扣5分。
3.观测时间满分20分。
15分钟之内(含对中整平)得满分,每超过1分钟扣2分。
总时间不得超过25分钟。
4.半测回差满分20分。
半测回差限差40秒,15秒内得满分,16—30秒内得15分,30—40秒内得10分,超限的应予以重测。
5.半测回超限,应予以重测(安平对中可不做),观测时间连续计算。
6.记录计算满分20分。
观测结束后,须在5分钟内完成计算。
超过1分钟扣2分。
每错一处扣1分。
连环涂改、就字改字、擦、刮的成绩为0分。
测量员培训资料第一篇:测量员培训资料水准仪操作使用规程一、根据实验项目借用相应的仪器及附件;在借用仪器及附件时认真检查;发现问题及时提出;二、使用仪器前必须先详细阅读仪器操作说明书及注意事项;三、仪器充电时间严格按照说明书的规定时间进行充电;以免影响电池的使用寿命四、仪器在使用过程中,将仪器从仪器箱中取出(轻拿轻放)测量前先要将仪器与脚架连接好,开机仪器显示正常,确认后方可进行测量;五、仪器在使用过程中不得离人,以免发生意外;六、仪器接有关外挂设备,必须注意插件的方向,以免损坏仪器,仪器附件脚架、水准尺不得斜靠在墙上和树上,以免摔坏;七、大型精密仪器的使用,为确保仪器的正常操作使用,指导教师或课题组负责人对仪器操作人员制定相应的考核办法,考核通过,可办理仪器借用手续;八、仪器在使用过程中不能擅自拆卸仪器,如果出现问题,应该及时向实习指导老师反映,否则后果自负;九、归还时应对仪器及附件进行清点和清理浮尘;十、对损坏和丢失仪器及附件者,需写书面材料上报有关部门按学校有关规定赔偿;十一、注意事项:1.仪器和附件的搬运时应提在手上或者扛在肩上,不得在地上拖行。
2.仪器开箱和装箱时要轻拿轻放。
按仪器放置顺序装箱,未按仪器放置顺序放置时不得强行关箱。
3.脚架架设时应踩压脚架脚尖,使其架设牢固。
脚架上平面应尽量水平。
4.架设仪器时一定要把中心螺丝拧紧。
仪器搬站时必须检查中心螺丝是否拧紧,确认后才能搬站。
搬站时不得使仪器处于倒置状态,否则会使仪器补偿器损坏。
5.仪器使用中,调焦手轮、微动手轮、视度调节和脚螺旋当其旋转有紧的感觉时说明其已经到顶了,应该回旋,不得强行旋动,否则容易使其损坏。
6.下雨天不得使用仪器。
若仪器被淋湿,应停止使用,并用镜头纸将水分擦干。
7.电子水准仪应注意电池充电,充电前应阅读使用说明书或者在老师指导下进行。
仪器在使用中更换电池时应先关机。
不得在开机状态下更换电池。
8.仪器装箱前一定关机,不得在开启状态装箱。
测量人员规范培训测量是现代建筑施工工程中必不可少的一项工作,也是衡量工程施工质量高低的判断标准之一。
因此,测量人员的工作质量和技能是至关重要的。
为了提高测量人员的能力和水平,必须对其进行规范的培训。
接下来,我们将介绍测量人员规范培训的内容和必备技能。
一、培训内容1.测量基础知识测量人员需要掌握基础知识,如测量的概念、测量单位、测量误差等。
同时,需要了解各种测量仪器的使用方法和维护保养技巧,比如全站仪、电子经纬仪、水平仪等。
2.图纸阅读技能在建筑施工中,测量人员需要对工程设计图纸进行深入的阅读和理解,包括平面图、立面图、剖面图等。
只有深入了解图纸,才能准确测量出各种高度、距离、角度、面积等参数。
3.三角测量法和电子测量法这两种测量方法是测量人员必备的技能。
三角测量法主要应用于测量无法直接测量的高度和距离,而电子测量法则更为精确和高效。
4.误差分析和校正在测量工作中,误差的存在是不可避免的。
测量人员需要了解误差的来源,学会如何进行误差分析和校正。
只有这样,才能保证测量数据的准确性和可靠性。
5.现场应用能力测量人员需要具备现场实际操作能力,包括测量点的选取、操作流程的掌握、数据采集与处理等。
必须熟悉各种现场条件,并能根据实际情况调整测量方案。
二、必备技能1.沟通技能测量人员需要与设计师、工程师、施工人员等多个部门进行交流和协调。
因此,必须具备流畅的口头和书面沟通能力,以便更好地解决问题和达成共识。
2.耐心和细心每个测量点都是至关重要的,一点小的偏差都可能对后续施工产生影响。
因此,测量人员必须有耐心、细心和细致的工作态度,以确保数据的准确性。
3.自我管理能力在测量工作中,测量人员常常需要独立工作,需要具备自我管理的能力。
他们需要对时间、资源和人力进行合理管理,以及自主解决工作中遇到的问题。
4.责任心测量人员所进行的工作结果,直接影响到整个工程项目的质量。
因此,测量人员必须有归属感和责任心,并且认真对待每项工作。
一、前言随着我国经济的快速发展,基础设施建设、城市规划、土地管理等领域的测量工作日益增多,测量人员的安全问题也日益突出。
为了提高测量人员的安全意识,预防安全事故的发生,本培训旨在对测量人员进行安全教育培训,使其了解安全知识,掌握安全技能,确保自身和他人的生命财产安全。
二、培训目的1. 提高测量人员的安全意识,树立“安全第一”的思想观念。
2. 使测量人员掌握安全操作规程,提高安全技能。
3. 增强测量人员在紧急情况下的应变能力,降低事故发生率。
4. 落实安全生产责任制,确保测量工作顺利进行。
三、培训对象1. 新入职的测量人员。
2. 在职的测量人员。
3. 安全管理人员。
四、培训内容1. 安全生产法律法规(1)安全生产法、职业病防治法等相关法律法规。
(2)测量行业安全生产标准及规范。
2. 安全生产基本知识(1)安全生产基本概念、原则。
(2)安全生产责任制。
(3)安全生产标准化。
3. 测量作业安全知识(1)测量现场安全注意事项。
(2)测量设备安全操作规程。
(3)测量作业中的风险识别与防范。
4. 紧急情况下的应急处理(1)火灾、爆炸、中毒等事故的应急处理。
(2)自然灾害、事故救援等应急处理。
5. 安全操作技能培训(1)测量设备操作技能。
(2)测量数据处理与分析。
(3)测量成果审核与交付。
五、培训方法1. 理论培训:通过讲解、案例分析、讨论等形式,使测量人员了解安全生产知识。
2. 实践操作:现场演示、模拟演练、实际操作等,使测量人员掌握安全操作技能。
3. 视频教学:播放安全生产警示教育片,提高测量人员的安全意识。
4. 互动交流:组织安全知识竞赛、经验分享会等活动,激发测量人员的学习兴趣。
六、培训考核1. 考核形式:笔试、实际操作、答辩等。
2. 考核内容:安全生产法律法规、安全操作规程、安全技能等。
3. 考核标准:根据培训内容和考核要求,制定合理的考核标准。
七、培训总结1. 分析培训效果,总结培训经验。
2. 对培训过程中存在的问题进行改进,提高培训质量。
水准仪操作使用规程
一、根据实验项目借用相应的仪器及附件;在借用仪器及附件
时认真检查;发现问题及时提出;
二、使用仪器前必须先详细阅读仪器操作说明书及注意事项;
三、仪器充电时间严格按照说明书的规定时间进行充电;以免
影响电池的使用寿命
四、仪器在使用过程中,将仪器从仪器箱中取出(轻拿轻放)
测量前先要将仪器与脚架连接好,开机仪器显示正常,确认
后方可进行测量;
五、仪器在使用过程中不得离人,以免发生意外;
六、仪器接有关外挂设备,必须注意插件的方向,以免损坏仪
器,仪器附件脚架、水准尺不得斜靠在墙上和树上,以免摔
坏;
七、大型精密仪器的使用,为确保仪器的正常操作使用,指导
教师或课题组负责人对仪器操作人员制定相应的考核办法,
考核通过,可办理仪器借用手续;
八、仪器在使用过程中不能擅自拆卸仪器,如果出现问题,应
该及时向实习指导老师反映,否则后果自负;
九、归还时应对仪器及附件进行清点和清理浮尘;
十、对损坏和丢失仪器及附件者,需写书面材料上报有关部门
按学校有关规定赔偿;
十一、注意事项:
.仪器和附件的搬运时应提在手上或者扛在肩上,不得在地上拖行。
.仪器开箱和装箱时要轻拿轻放。
按仪器放置顺序装箱,未按仪器放
置顺序放置时不得强行关箱。
.脚架架设时应踩压脚架脚尖,使其架设牢固。
脚架上平面应尽量水
平。
.架设仪器时一定要把中心螺丝拧紧。
仪器搬站时必须检查中心螺丝
是否拧紧,确认后才能搬站。
搬站时不得使仪器处于倒置状态,否
则会使仪器补偿器损坏。
.仪器使用中,调焦手轮、微动手轮、视度调节和脚螺旋当其旋转有
紧的感觉时说明其已经到顶了,应该回旋,不得强行旋动,否则容
易使其损坏。
.下雨天不得使用仪器。
若仪器被淋湿,应停止使用,并用镜头纸将
水分擦干。
.电子水准仪应注意电池充电,充电前应阅读使用说明书或者在老师
指导下进行。
仪器在使用中更换电池时应先关机。
不得在开机状态
下更换电池。
.仪器装箱前一定关机,不得在开启状态装箱。
一、水准仪器组合:
.望远镜 .调整手轮 .圆水准器 .微调手轮 .水平制动手轮 .管水准器 .水平微调手轮 .脚架
二、操作要点:
在未知两点间,摆开三脚架,从仪器箱取出水准仪安放在三脚架上,利用三个机座螺丝调平,使圆气泡居中,跟着调平管水准器。
水平制动手轮是调平的,在水平镜内通过三角棱镜反射,水平重合,就是平水。
将望远镜对准未知点()
上的塔尺,再次调平管水平器重合,读出塔尺的读数(后视),把望远镜旋转到未知点()的塔尺,调整管水平器,读出塔尺的读数(前视),记到记录本上。
计算公式:两点高差后视-前视。
三、校正方法:
将仪器摆在两固定点中间,标出两点的水平线,称为、线,移动仪器到固定点一端,标出两点的水平线,称为’、’。
计算如果-≠’-’时,将望远镜横丝对准偏差一半的数值。
用校针将水准仪的上下螺钉调整,使管水平泡吻合为止。
重复以上做法,直到相等为止。
四、水准仪的使用方法
水准仪的使用包括:水准仪的安置、粗平、瞄准、精平、读数五个步骤。
. 安置
安置是将仪器安装在可以伸缩的三脚架上并置于两观测点之间。
首先打开三脚架并使高度适中,用目估法使架头大致水平并检查脚架是否牢固,然后打开仪器箱,用连接螺旋将水准仪器连接在三脚架上。
. 粗平
粗平是使仪器的视线粗略水平,利用脚螺旋置园水准气泡居于园指标圈之中。
具体方法用仪器练习。
在整平过程中,气泡移动的方向与大姆指运动的方向一致。
. 瞄准
瞄准是用望远镜准确地瞄准目标。
首先是把望远镜对向远处明亮的背景,转动目镜调焦螺旋,使十字丝最清晰。
再松开固定螺旋,旋转望远镜,使照门和准星的连接对准水准尺,拧紧固定螺旋。
最后转动物镜对光螺旋,使水准尺的清晰地落在十字丝平面上,再转动微动螺旋,使水准尺的像靠于十字竖丝的一侧。
. 精平
精平是使望远镜的视线精确水平。
微倾水准仪,在水准管上部装有一组棱镜,可将水准管气泡两端,折射到镜管旁的符合水准观察窗内,若气泡居中时,气泡两端的象将符合成一抛物线型,说明视线水平。
若气泡两端的象不相符合,说明视线不水平。
这时可用右手转动微倾螺旋使气泡两端的象完全符合,仪器便可提供一条水平视线,以满足水准测量基本原理的要求。
注意?气泡左半部份的移动方向,总与右手大拇指的方向不一致。
. 读数
用十字丝,截读水准尺上的读数。
现在的水准仪多是倒象望远镜,读数时应由上而下进行。
先估读毫米级读数,后报出全部读数。
注意,水准仪使用步骤一定要按上面顺序进行,不能颠倒,特别是读数前的符合水泡调整,一定要在读数前进行。
五、水准仪的测量
测定地面点高程的工作,称为高程测量。
高程测量是测量的基本工作之一。
高程测量按所使用的仪器和施测方法的不同,可以分为水准测量、三角高程测量、高程测量和气压高程测量。
水准测量是目前精度最高的一种高程测量方法,它广泛应用于国家高程控制测量、工程勘测和施工测量中。
水准测量的原理是利用水准仪提供的水平视线,读取竖立于两个点上的水准尺上的读数,来测定两点间的高差,再根据已知点高程计算待定点高程。
如下图所示,在地面上有、两点,已知点的高程为、为求点的高程,在、两点之间安骨水准仪,、两点亡各竖立一把水准尺,通过水准仪的望远镜读取水平视线分别在、两点水准尺上截取的读数为和,可以求出、两点问的高差为:
设水准测量的前进方向为点至点,则称点为后视点,其水准尺读数为后视读数;称点为前视点,其水准尺读数为前视读数。
因此,两点间的高差等于:
后视读数前视读数
若后视读数大于前视读数,则高差为正,表示点比点高,>;若后视读数小于前视读数,则高差为负,表示点比点低,<。
如果、两点相距不远,且高差不大,则安置一次水准仪,就可以测得高差。
此时点高程为:
当架设一次水准仪需要测量多个前视点,,…,的高程时,采用视线高程计算这些点的高程就非常方便。
设水准仪对竖立在,,…,点上的水准尺读数分别为,,…,时,则高程计算公式为:
如果、两点相距较远或高差较大,安置一次仪器无法测得其高差时,就需要在两点间增设若干个作为传递高程的临时立尺点,称为转点(简称点),如图中的,,…点,并依次连续设站观测,设测得的各站高差为:
六、保养与维修
.水准仪是精密的光学仪器,正确合理使用和保管对仪器精度和寿命有很大的作用;
.避免阳光直晒,不许可证随便拆卸仪器;
.每个微调都应轻轻转动,不要用力过大。
镜片、光学片不准用手触片;.仪器有故障,由熟悉仪器结构者或修理部修理;
.每次使用完后,应对仪器擦干净,保持干燥。