UDM-501S系列三相智能终端技术及使用说明书
- 格式:pdf
- 大小:761.58 KB
- 文档页数:47
三相电子式电能表(红外/RS485)使用说明书一、概述三相电子式电能表是采用先进的低功耗集成电路技术和SMT工艺设计制造的新型电能表,用以测量50/60Hz交流电路中的三相有功电能。
其性能指标符合GB/T 17215.321-2008 《1级和2级静止式交流有功电能表》、GB/T19582.1-2008等国家标准的要求。
该表设有红外和RS485通讯接口,具有防窃电、安装位置任意等优点,是电能表升级换代的理想产品。
二、主要功能特点1. 全电子式三相交流有功电能双向计量功能。
2. 具有防潜动逻辑电路,防窃电功能。
3. 带红外通讯和RS485通讯接口。
4. 停电LCD显示电量,方便人工抄读电量。
5. 量程宽,功耗低,体积小,重量轻,外形美观,高可靠性。
三、工作原理三相表主要由电压电流采样电路、专用电能计量芯片,CPU及LCD显示等部分组成。
电能表将采样的电压、电流信号输入到专用电能计量芯片,输出电能脉冲信号,并由LCD显示电能,并通过红外或RS485接口实现远距离抄录表内电能等数据。
四、基本参数及规格●精度等级:1.0 级●参比电压:3×57.7/100V,3×220/380V,3×100V,3×380V●参比电流:3×1.5(6)A,3×5(20)A,3×10(40)A,3×15(60)A,3× 20(80)A,3×30(100)A●参比频率:50/60Hz●脉冲常数:1600imp/kWh,800imp/kWh,400imp/kWh,200imp/kWh,100imp/kWh●功耗:≤2W/10VA●外形尺寸:125mm × 88mm × 73mm●重量:1kg五、电能表的安装和接线1. 电能表的安装尺寸如图1所示。
采用35mm宽度导轨安装2. 电能表的接线应按照本表所提供的接线图进行接线,最好用铜线或铜线接头引入。
三相多功能网络仪表用户手册1.产品简介本系列多功能仪表是一种具有可编程测量显示,数字通讯和电能脉冲输出等多功能仪表,能够完成电量测量,电能计量数据显示,采集及传输,可广泛用于变电站自动化,配电自动化,智能建筑,企业内部的电能测量管理,考核.实现LED 现场显示和远程RS485数字通讯接口,2路电能脉冲输出和1~4路模拟量4-20MA ,可实现电能和电量变送输出功能, 1~4路开关量输入和输出可实现本地或远程的开关信号的监测和控制功能(“遥信”和”遥控”功能),可组合实现多个电量参数报警及自动控制功能,采用MODBUS- RTU 通讯协议。
2.技术参数性能参数网络三相三线、三相四线额定值AC100V 、400V (订货时请说明)过负荷持续:1.2倍 瞬时:10倍/10s功耗<1VA(每相)阻抗>500KΩ电压精度RMS 测量,精度等级0.5额定值AC1A 、5A (订货时请说明)过负荷持续:1.2倍 瞬时:10倍/10s 功耗<0.4VA(每相)阻抗<2mΩ电流精度RMS 测量,精度等级0.5频率40~60Hz ,精度0.1Hz 功率有功、无功,精度1.5级电能四象限计量,有功精度1.5级,无功精度2级输入测量显示显示可编程、切换、循环(LED )显示工作范围AC/DC 85~270V电源功耗≤5VA 输入开关量输入2~4路数字接口RS-485、MODBUS-RTU 协议脉冲输出2路电能脉冲输出 开关量输出2~4路,继电器输出输出模拟量输出1~3路4-20MA工作环境-10~55℃环境储存环境-20~75℃耐压输入电源>2KV,输入输出>2KV ,电源输出>1KV安全绝缘输入、输出、电源对机壳>5MΩ三相四线电流经CT输入电压直接输入三相四线电流经CT输入电压经PT输入三相三线电流经CT输入电压直接输入三相三线电流经CT输入电压经PT输HUD96(外形94×94×75mm 开孔91×91mm)注意可设置DISP控制字用来编程设置通常状态下显示内容,DISP=1(三相电压),2(三相内容键盘的编程操作采用四个按键的操作方式,即左右移动键“←”“→”、菜单进入或上回退键“Menu”、选择确定键“”来完成上述功能的所有操作。
(一)机组特点 (3)(二)机组数据 (5)(三)机组安装 (6)(四)保养和维护 (9)(五)电气 (10)(六)开机运行 (11)一.机组特点(随机附件)压 力 表温 度 计下的性能参考。
一致,恕不另行通知。
1、本产品在制冷工况下,当源水侧进水温度小于20℃时,可增加流量旁通阀,可减小水流量,保证机组出水温度在25℃以上。
建议制冷工况负载侧不要长期在过高的出水温度下使用,其结果可能导致压缩机润滑油的碳化,影响压缩机的正常使用。
2、当本产品机组源水侧出水温度低于2℃,请在水系统中加入防冻液,以防机组系统冻坏。
3、在用生活热水要求出水55℃时,为保证机组的可靠运行,要求源水侧在额定水流下进水温度不低于7℃。
4、以上进出水温限定范围均在额定水流量下。
5、由于该机组采用高效板式换热器,应在冬季环境温度过低机组停用时,将水系统内水排除干净,以避免板换水路系统结冰;若机组长期不用,则必须将水系统内水排除干净,开启水泵,从排水法兰处放水或拆开后面板,从水泵放水阀放水,以免冻裂板换及水系统管路。
6、机组长期运行中的蒸发压力与冷凝压力须在下列运行极限范围内(蓝色线框内):在设置及移装空调器时,制冷循环系统内除了规定的制冷剂(R22)以外不要让空气等混入。
如有空气等混入则制冷循环6 水管连接示意图有机磷 mg/l机组内部如此线在出厂前均已完成并做好了绝缘防开机前准备 ¾ 机组安装、调试、运行、维修之前,请仔细阅读随机的安装使用说明书!首次调试必须在本公司调试工程师的指导下进行。
¾ 检查电气接线是否松动,如有松动应立即拧紧。
¾ 检查系统压力是否正常,是否有泄漏的可能。
¾ 确保相序正确,电压符合机组电源要求。
¾ 温度传感器位置合理,接触可靠。
¾ 点动源水泵确保旋向正确。
¾ 水流量符合铭牌参数¾ 机组运行前应确保所有部件无损伤,电源电压及频率、水系统正常! ¾ 电源要求按照以下要求执行:1) 允许电压范围:360~415V(GB12325规定为额定电压±7%以内) 2) 允许频率范围:±2%以内(GB/T15945规定为±0.2Hz 以内)3)允许三相电压不平衡量:±2%以内(GB12326规定为2.5%以内; GB/T15543规定为2%以内)4) 允许三相电流不平衡量:±5%以内上述准备工作均已完成任务,并确保无误,可以按下开机按钮,进入正常开机操作,此时,应密切注意机组运行态,运行指标应符合上述各条要求。
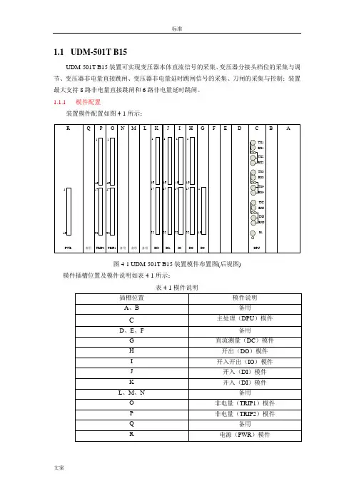
1.1UDM-501T B15UDM-501T B15装置可实现变压器本体直流信号的采集、变压器分接头档位的采集与调节、变压器非电量直接跳闸、变压器非电量延时跳闸信号的采集、刀闸的采集与控制;装置最大支持8路非电量直接跳闸和6路非电量延时跳闸。
1.1.1模件配置装置模件配置如图4-1所示:图4-1 UDM-501T B15装置模件布置图(后视图)模件插槽位置及模件说明如表4-1所示:表4-1模件说明1.1.2 子模件说明1) 主处理(DPU )模件主处理模件端子布置如图4-2所示:T X 1R X 1T X 2R X 2T X 3R X 3T X 4R X 4T X 5R X 5T X 6R X 6R 1图4-2主处理器模件端子布置图TXn 、RXn :光纤网口的发送口、接收口; R1:秒脉冲、B 码对时光纤输入串口。
2) 直流测量(DC )模件直流测量模件可接入6路直流输入信号,可根据需要选择接入小电流(4-20mA )和(0-5V )的直流信号。
直流测量模件端子布置如图4-3所示:直流测量模件端子定义123456789101112直流测量1正直流测量1负直流测量2正直流测量2负保留13141516直流测量3正直流测量3负直流测量4正直流测量4负直流测量5正直流测量5负直流测量6正直流测量6负图4-3直流测量模件端子布置图3)开出(DO)模件开出模件端子布置如图4-4所示:图4-4开出模件端子布置图1)开入开出(IO)模件开出模件端子布置如图4-5所示:图4-5开入开出模件端子布置图2)开入(DI)模件J位置开入模件端子布置如图4-6所示:图4-6 J 位置开入模件端子布置图K 位置开入模件端子布置如图4-7所示:图4-7 K 位置开入模件端子布置图3) 非电量(TRIP )模件O 位置非电量模件端子布置如图4-8所示:图4-8 O位置非电量模件端子布置图P位置非电量模件端子布置如图4-9所示:图4-9 P位置非电量模件端子布置图4)电源(PWR)模件电源模件端子布置如图4-10所示:图4-10电源模件端子布置图1.1.3灯板说明装置灯板布置如图4-11所示:图4-11灯板布置图1.1.4虚端子说明1) GOOSE 输出虚端子装置输出GOOSE如表4-2-1和4-2-2所示,序号及参引在工程配置时可调整。
三相费控智能电能表使用说明书 DTZY75-A型三相费控智能电能表(远程)使用说明书江苏爱迪电子有限公司- 1 -三相费控智能电能表使用说明书目录一、概述.......................................................- 4 -1.1、性能.....................................................- 4 - 二、规格与主要技术参数:.......................................- 5 -2.1、规格.....................................................- 5 - 2.2、主要技术参数:...........................................- 6 - 三、计量.......................................................- 7 -3.1、计量功能.................................................- 7 - 3.1.1电能测量四象限定义.......................................- 7 - 3.1.2 电能计量功能............................................- 8 - 3.1.3 最大需量计量功能........................................- 8 - 3.1.4 电参量测量功能..........................................- 9 - 3.2、电压监测功能............................................- 10 - 3.2.1 失压概念...............................................- 10 - 3.2.2 失压判定...............................................- 10 - 3.2.3 失压记录...............................................- 10 - 3.2.4 全失压判定、记录功能...................................- 11 - 3.3、电流监测功能............................................- 11 - 3.3.1 失流记录功能...........................................- 11 - 四、功能......................................................- 11 -4.1、报警功能................................................- 11 - 4.2、断电控制................................................- 11 - 4.3、开盖报警................................................- 11 - 4.4、停电....................................................- 12 - 4.5、时段控制................................................- 12 - 4.6、自动结算功能............................................- 12 - 4.7、数据冻结功能...........................................- 12 - 4.8、事件记录功能...........................................- 13 - 4.9.1通讯接口及规约..........................................- 14 - 4.9.2 编程允许与限制.........................................- 14 - 4.9.3软硬件保护..............................................- 14 - 五、电表使用方法..............................................- 15 -5.1、调整、校验..............................................- 15 -- 2 -三相费控智能电能表使用说明书 5.2、安装....................................................- 15 - 5.3、抄表....................................................- 17 - 5.4、更换电池................................................- 17 - 5.5、最大需量清零............................................- 18 - 六、显示......................................................- 18 -6.1、显示画面符号定义........................................- 18 - 6.2、循显画面................................................- 19 - 6.3、故障报警显示............................................- 23 - 七、通讯......................................................- 24 - 八、运输贮存与保证期限........................................- 24 -8.1、运输....................................................- 24 - 8.2、贮存....................................................- 24 - 8.3、修理及更换..............................................- 24 -- 3 -三相费控智能电能表使用说明书一、概述DSZY75-A/DTZY75-A型费控智能采用当今最先进的电能表专用集成电路、永久保存信息的不挥发性存贮器、红外通讯、汉字大画面液晶显示等多项技术。
A1主要特点可编程模块化输入,可支持热电偶、热电阻、电压、电流及二线制变送器输入;适合温度、压力、流量、液位、湿度等多种物理量的测量与显示;测量精度高达0.3级。
具备数字校正、数字滤波及热电偶冷端自动补偿功能,免维护且使用方便。
支持多达四路报警功能,包括二路上限及二路下限报警,可以独立输出也可共用一路继电器输出。
支持温度变送输出功能,采用高精度电流输出模块X,综合变送精度达0.5级。
支持RS485通讯接口功能,安装S或S4模块可与上位机通讯,通讯协议与A1系列仪表兼容。
采用双显示器面板,设置参数及报警值时更方便直观,并可选择多种面板外型尺寸。
优质的软硬件设计,采用钽电容或陶瓷电容替代电解电容,具备比同级产品更低的电源消耗、更高的可靠性、稳定性及更宽广的温度使用范围;其电源及I/O端子均通过2KV/5KHz的群脉冲抗干扰实验。
100-240V全球范围使用的开关电源,具备防雷击和10秒防误接380VAC电源的防护功能。
2型号定义A1-501 A N X L2 N S4 - 24VDC①②③④⑤⑥⑦⑧这表示一台仪表:①基本功能为A1-501型仪表;②面板尺寸为A型(96×96mm);③辅助输入(MIO)没安装模块;④主输出(OUTP)安装X线性电流输出模块;⑤报警(ALM)安装L5双路继电器触电输出模块;⑥辅助输出(AUX)没有安装模块;⑦通讯(COMM)装有自带隔离电源的光电隔离型RS485通讯接口S4;⑧仪表供电电源为24VDC电源。
仪表型号中8个部分的含义如下:①表示仪表基本功能AI-501型测量显示报警仪表,具备热电偶、热电阻、mV、5V、10V等线性电压输入,测量精度为0.3级②表示仪表面板尺寸规格A面板96×96mm,开口92×92mm,插入深度100mmA2在A基础上增加25段4级亮度1%分辨率光柱,可指示测量值B面板160×80mm(宽×高),横式,开口152×76mmC面板80×160mm(宽×高),竖式,开口76×152mmC3在C基础上增加50段2级亮度1%分辨率光柱,可指示测量值D面板72×72mm,开口68×68mm,插入深度95mmD2面板48×48mm,开口45×45mm,插入深度95mmE面板48×96mm(宽×高),开口45×92mm,插入深度100mmF面板96×48mm(宽×高),开口92×45mm,插入深度100mm③表示仪表辅助输入(MIO)安装的模块:V24或V10,24V或10V电压输出,可供外部变送器、称重传感器等使用。
D M P501Z通信管理机()用户手册南京力导保护控制系统有限公司前言在变电站综合自动化系统中,出于复杂性和重要性的考虑,保护单元节点不会设置太多的通信端口和通信功能.考虑到变电站智能设备的接入和远动规约的实现以及多媒体多协议之间交换数据和信息的需要,一般会设置专门的通信单元节点,该单元在系统通信网络构成方面起主导地位,称之为通信管理机(网关).DMP501Z是完成上述功能的节点机,在该单元上集中了使用不同介质和不同协议的多个通信端口,实现了协议转换和现场设备的互连。
本手册的主要目的是帮助用户和现场服务人员了解DMP501Z通信管理机的硬件组成和软件结构及其主要功能.手册简单列举了DMP501Z的系统菜单,阐述了它与DMP5XX节点之间的网络配置,并对DMP501Z的相关组件作了简要介绍.手册的附录部分列出了DMP501Z特有的远动协议和调试接口.目录前言一、功能概述二、性能指标三、硬件组成3.1.基本配置电源模件开入开出模件液晶显示模件CPU模件3.2.扩展部件四、软件结构4.1.软件层次结构4.2.软件结构4.3.消息机制4.4.程序流程图引导程序(BIO)系统监控程序(SYS)用户进程4.5.系统数据库系统库用户数据库五、系统配置及网络结构5.1.单管理机单网络配置5.2.单管理机双网络配置5.3.多管理机单网络配置5.4.多管理机双网络配置5.5.通信网络的连接六、使用说明6.1.一般术语6.2.键盘布局及按键功能面板布局键盘功能6.3.系统层次菜单一级设置菜单二级设置子菜单6.4.系统工具系统自诊断通道测试电表地址设置传动试验系统组态七、调试说明7.1.通电前检查项目7.2.通电检查7.3.系统联调7.4.运行后注意事项八、常见问题及解决8.1.一般性故障及排除8.2.软件故障九、技术支持及软件升级十、声明十一、外形及安装十二、定货须知附录一系统数据库附录二 CAN总线简介附录三远动通信规约附录四调试接口附录五 IAP文件服务器简介附录六客户意见反馈表一.功能概述DMP500Z是以Intel第四代单片微机Intel80296SA为核心构成的新一代通讯管理装置,是变电站综合自动化系统信息管理和流通的中枢。
1号主变本体智能组件柜运行使用规定一、柜内组件1号主变本体智能组件柜采用上海思源生产的220kV户外智能组件柜。
分别装设上海思源UDM-502合并单元两套型,上海思源UDM-501智能终端单套,优特智能闭锁单元,GS-48C型光纤配线架,温湿度控制器等组成。
柜前面设有复归按钮,kk开关,电编码以及三排24套硬压板二、连接方式合并单元将电流模拟量信号转变成与之相对应的光信号,两套电流合并单元提供给1主变的A B两套线路保护使用,实现直采功能;同时测控及故障录波器等电流信息采取通过网络(SV网)交换机采集的方式进行。
主变智能终端配置采用单套配置,通过与测控等装置相配合能够实现对刀闸的分合操作,能够就地采主变本体,刀闸等一次设备的开关量信号等信息并实时与GOOSE通信。
同时能够对控制回路进行自检。
三、UDM-501型智能终端3.1四平220kV变电站1号主变压器本体智能终端使用的是上海思源弘瑞公司型号为UDM—501的智能终端;四、UDM-502合并单元四平220kV变电站1号主变压器中性点合并单元使用的是上海思源弘瑞公司型号为UDM —502的合并单元。
五、温湿度控制器a )应对柜内温度、湿度具有调节和控制能力。
通过调节,柜内最低温度应保持在+5 ℃以上,柜内最高温度不超过柜外环境最高温度,柜内湿度应保持在90 %以下,以满足柜内智能电子设备正常工作的环境条件,避免大气环境的恶劣导致的智能电子设备误动或拒动行为。
b )柜内应配置加热器,防止柜内出现凝露。
d )柜体宜采用自然通风方式。
柜内空气循环为下进风,上出风。
控制柜底座高度应≥ 100mm ,以确保空气流入不受阻。
进、出风口内侧应配置可拆卸的滤网。
柜内设备布置时应考虑预留风道的位置。
在环境温度较高的地区,可配置换气扇进行主动换气。
换气扇应采用AC220V 供电,振动、噪音及电磁干扰不影响控制柜内智能电子设备的可靠性。
f )在环境温度寒冷的地区,柜体内六面应铺设阻燃型保温层。
0.5S级三相智能电能表专用技术规范目录1 标准技术参数表------------------------------------------------------------------------------- 12 项目需求部分---------------------------------------------------------------------------------3 2.1 货物需求及供货范围一览表----------------------------------------------------------------- 3 2.2 必备的备品备件、专用工具和仪器仪表需求表 ----------------------------------------------4 2.3 图纸资料提交单位 -------------------------------------------------------------------------- 4 2.4 工程概况 ----------------------------------------------------------------------------------- 42.5 项目单位技术差异表------------------------------------------------------------------------ 43 投标人响应部分------------------------------------------------------------------------------- 5 3.1 投标人响应技术参数和性能要求 ------------------------------------------------------------ 5 3.2 投标产品的销售及运行业绩----------------------------------------------------------------- 7 3.3 主要元器件--------------------------------------------------------------------------------- 7 3.4 投标人提供电子文件格式 ------------------------------------------------------------------- 9 3.5 投标人检测设备明细------------------------------------------------------------------------ 9 3.6 投标人提供外协件控制文件----------------------------------------------------------------- 91 标准技术参数表投标人应认真逐项填写技术参数响应表中投标人响应栏,不允许改动招标人要求值(标准参数值)。
0.5S级三相智能电能表技术规范书甲方:乙方:1 总则1.1甲方使用乙方生产的0.5S级三相远程费控智能电能表(以下简称电能表),为督促乙方提高电能表产品质量,保证甲方在电能表使用期限内稳定、可靠运行,经双方协商一致,特制定本协议,共同遵守。
1.2本技术协议是针对国家电网公司系统的实际工作需要提出的。
凡本技术协议中未规定,但在相关国家标准、电力行业标准、国网公司企业标准或IEC标准中有规定的规范条文,乙方应按相应标准的条文进行电能表设计、制造、试验和安装。
1.3本技术协议主要的技术依据为:Q/GDW 358-2009《0.5S级三相智能电能表技术规范》Q/GDW 354-2009《智能电能表功能规范》Q/GDW 356-2009《三相智能电能表型式规范》1.4乙方应提供的技术资料乙方应在全性能试验送样的同时,向四川省电力公司电能计量中心提供下列有关图纸资料(一式三份)。
1.4.1计量器具生产许可证。
1.4.2具有在有效期内的乙方最高计量标准的检定/校准证书(非考核证书)。
1.4.3中国国家强制认证(3C)证书(对于本地费控智能电能表)。
1.4.4国家电网计量中心出具的有效期内的符合国网公司智能电能表技术标准的全性能试验报告。
1.4.5 智能电能表有效期内的型式试验报告。
1.4.6基于元器件应力法的电能表可靠性预计报告, 应包括电源、通信、计量、显示、控制、存储等模块的主要元器件。
1.4.7按照智能电能表技术规范专用部分填报主要元器件清单及照片,并提供CD。
1.4.8乙方年生产能力、生产设施、实验室检测设备的书面材料及照片。
2 技术要求2.1规格要求2.1.1标准的参比电压标准的参比电压见表2-1。
表2-1标准的参比电压标准的参比电流见表2-2。
表2-2标准的参比电流参比频率的标准值为50Hz。
2.1.4 推荐电能表常数推荐的电能表常数见表2-3。
表2-3推荐的电能表常数2.1.5供货范围2.2 环境要求电能表的高温试验、低温试验、交变湿热试验、阳光辐射防护试验应符合GB/T 17215.211—2006的规定;每项气候影响试验后,电能表应无损坏,无信息改变并能正确地工作。
多功能电力仪表用户手册一、产品简介该系列产品是一种具有可编程测量、显示、数字通讯和电能脉冲输出等多功能智能仪表,能够完成电量测量、电能计量、数据显示、采集及传输,可广泛应用变电站自动化、配电自动化、智能建筑、企业内部的电能测量、管理、考核。
测量精度为0.5级,实现LED现场显示和远程RS-485数字接口通讯,采用MODBUS-RTU通讯协议。
二、技术参数性能参数输入测电压显示网络三相三线、三相四线电压额定值AC100V、400V(订货时请说明)过负荷持续:1.2倍瞬时:2倍/10s功耗〈1VA(每相)阻抗〉300kΩ精度RMS测量,精度等级0.5级,1.0级电流额定值AC1A、5A(订货时请说明)过负荷持续:1.2倍瞬时:2倍/10s功耗〈0.4VA(每相)阻抗〈20MΩ精度RMS测量,精度等级0.5级,1.0级频率40~60Hz,精度0.1Hz功能有功、无功、视在功率,功率因数电能四相限计量,有功,无功电能计量显示可编程、切换、循环的2、3、4排LED显示电源工作范围AC、DC 80~270V功耗≦5VA输出数字接口RS-485、MODBUS-RTU协议脉冲输出2路电能脉冲输出,光耦隔离环境工作环境-10~55℃储存环境-20~75℃安全耐压输入和电源>2kV,输入和输出>2kV,电源和输出>1kV绝缘输入、输出、电源对机壳>5MΩ外形尺寸尺寸: 120*120*95mm;96*96*95mm80*80*90mm;72*72*90mm 重量0.6kg三、安装与接线3.1 仪表尺寸外型代号外型尺寸(mm)开孔尺寸(mm)最小安装距离总长(mm)水平(mm) 垂直(mm)42 120×120 111×111 120 120 9596 96×96 91×91 96 96 9580 80*80 76*76 80 80 9072 72*72 67*67 72 72 903.2 安装方法(1) 在固定配电柜开开孔尺寸大小的孔;(2) 取出仪表,松开螺丝,取下固定支架;(3) 仪表由前插入安装孔;(4) 插入仪表固定支架,并拧紧螺丝固定仪表。