动态规划法求解生产与存储问题
- 格式:doc
- 大小:251.00 KB
- 文档页数:20
动态规划在资源配置中的应用研究在当今复杂多变的社会和经济环境中,资源的有效配置成为了各个领域追求高效发展的关键。
而动态规划作为一种强大的数学优化方法,在资源配置问题中发挥着至关重要的作用。
动态规划的核心思想在于将一个复杂的问题分解为一系列相互关联的子问题,并通过对这些子问题的求解来逐步得出原问题的最优解。
这种方法的优势在于它能够充分考虑到问题的动态性和阶段性,从而更加贴合实际情况。
资源配置问题通常涉及到多个因素的权衡和决策。
例如,在企业生产中,需要决定如何分配有限的人力、物力和财力资源,以实现最大的产出和利润;在项目管理中,要合理安排任务的顺序和资源的投入,确保项目按时完成且成本最低;在交通运输领域,需要优化车辆的调度和路线规划,以提高运输效率和降低运营成本。
以生产企业为例,假设一家工厂有多种产品可以生产,每种产品的生产需要消耗不同数量的原材料、工时和设备使用时间,同时每种产品在市场上的售价也不同。
为了实现利润最大化,企业需要决定每种产品的生产数量。
这就是一个典型的资源配置问题。
如果使用传统的方法来解决这个问题,可能会面临计算复杂、难以考虑所有可能情况等困难。
而动态规划则为我们提供了一种有效的解决方案。
首先,我们可以将生产计划划分为多个阶段,每个阶段对应一个决策点,即决定是否生产某种产品以及生产多少。
然后,我们定义状态变量,例如在某个阶段剩余的原材料、工时和设备可用时间等。
接着,通过建立递推关系式,计算在每个阶段不同决策下的收益,并选择最优的决策。
动态规划在资源配置中的应用具有以下几个显著的优点:一是能够处理大规模的问题。
随着问题规模的增大,传统方法的计算量往往呈指数级增长,而动态规划通过巧妙的分解和递推,可以有效地降低计算复杂度。
二是能够考虑到问题的动态变化。
在实际的资源配置中,各种因素可能会随着时间而发生变化,例如原材料价格的波动、市场需求的变化等。
动态规划可以根据这些变化及时调整策略,保证资源配置的最优性。
动态规划原理
动态规划是一种解决复杂问题的算法思想。
它通过将问题分解成较小的子问题,并通过寻找子问题的最优解来解决整体问题。
动态规划的核心思想是将整体问题拆分成多个重叠子问题,在解决子问题的过程中记录下每个子问题的解。
这样一来,当我们需要求解更大规模的子问题时,可以直接利用已经计算出的子问题解,避免重复计算,提高算法效率。
其中,动态规划的关键步骤包括定义状态、设计状态转移方程和确定边界条件。
首先,我们需要确定问题的状态。
状态可以理解为问题的属性,它描述了问题在不同阶段、不同状态下的特征。
在动态规划中,我们将问题的状态表示成一个或多个变量,用于描述问题的特征。
接着,我们需要设计状态转移方程。
状态转移方程描述了子问题之间的联系和转移规律。
它通过将问题的解与子问题的解联系起来,建立起子问题与整体问题的关系。
通过推导状态转移方程,我们可以由已知的子问题解计算出更大规模的问题解。
最后,我们需要确定边界条件。
边界条件表示问题的终止条件,它是最小规模子问题的解。
边界条件是问题求解的起点,也是递归求解过程的出口。
通过依次求解子问题,并利用已经计算过的子问题解,动态规
划可以高效地解决复杂问题,并得到全局最优解。
因此,它在解决优化问题、序列问题、最短路径问题等方面有着广泛的应用。
运筹学中关于规划问题的常用解决方法运筹学是一门研究如何在有限资源下做出最优决策的学科。
在运筹学中,规划问题是一类常见的问题,它涉及到如何合理分配资源以达到特定的目标。
本文将介绍运筹学中关于规划问题的常用解决方法。
首先,线性规划是解决规划问题最常用的方法之一。
线性规划的目标是在一组线性约束条件下,找到使目标函数最大或最小的变量值。
线性规划的数学模型可以表示为:max/min Z = c₁x₁ + c₂x₂ + ... + cₙxₙsubject to:a₁₁x₁ + a₁₂x₂ + ... + a₁ₙxₙ ≤ b₁a₂₁x₁ + a₂₂x₂ + ... + a₂ₙxₙ ≤ b₂...aₙ₁x₁ + aₙ₂x₂ + ... + aₙₙxₙ ≤ bₙx₁, x₂, ..., xₙ ≥ 0其中,Z是要优化的目标函数,c₁, c₂, ..., cₙ是目标函数的系数,a₁₁,a₁₂, ..., aₙₙ是约束条件的系数,b₁, b₂, ..., bₙ是约束条件的常数,x₁, x₂, ..., xₙ是决策变量。
其次,整数规划是线性规划的一种扩展形式,它要求决策变量必须取整数值。
整数规划在实际问题中具有广泛的应用,例如生产调度、物流配送等。
整数规划的求解方法包括分支定界法、割平面法等。
分支定界法通过将整数规划问题划分成一系列子问题,并逐步求解,最终得到最优解。
割平面法则通过添加额外的线性约束条件来逐步逼近最优解。
除了线性规划和整数规划,规划问题还可以通过动态规划方法求解。
动态规划是一种将问题分解成子问题并逐步求解的方法。
它适用于具有重叠子问题和最优子结构性质的问题。
动态规划的核心思想是通过存储中间结果来避免重复计算,从而提高计算效率。
动态规划在求解最短路径、背包问题等方面具有广泛的应用。
此外,启发式算法是一类基于经验和直觉的求解方法,它通过不断搜索和优化来寻找问题的近似最优解。
启发式算法常用于求解复杂的规划问题,如旅行商问题、车辆路径问题等。
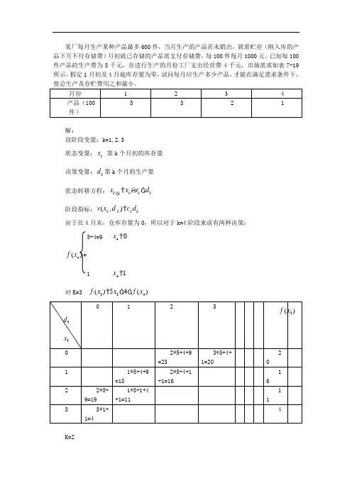
某厂每月生产某种产品最多600件,当月生产的产品若未销出,就需贮存(刚入库的产品下月不付存储费)月初就已存储的产品需支付存储费,每100件每月1000元。
已知每100件产品的生产费为5千元,在进行生产的月份工厂支出经营费4千元,市场需求如表7-19所示,假定1月初及4月底库存量为零,试问每月应生产多少产品,才能在满足需求条件下,解:设阶段变量:k=1,2,3状态变量:k x 第k 个月初的库存量 决策变量:k d 第k 个月的生产量 状态转移方程:1k k k kx x r d阶段指标:(,)k k k k v x d c d由于在4月末,仓库存量为0,所以对于k=4阶段来说有两种决策:5+4=9 40x4()f x =1 41x对K=3 334()54()f x x f xK=2K=1时 d 5解得:第一个月生产500份,第二个月生产600份,第三个月生产0份,第四个月生产0份。
某公司有资金4万元,可向A ,B ,C 三个项目投资,已知各项目不同投资额的相应效益值如表7-20所示,问如何分配资金可使总效益最大。
表 7-20解:设阶段变量k ,{}4,3,2,1∈k ,每一个项目表示一个阶段; 状态变量S k ,表示可用于第k 阶段及其以后阶段的投资金额; 决策变量Uk ,表示在第k 阶段状态为S k 下决定投资的投资额; 决策允许集合:0≤Uk ≤S k 状态转移方程:S k+1=S k -Uk ; 阶段指标函数:V k (S k Uk );最优指标函数:f k (S k )=max{ V k (S k Uk )+ f k+1(S k+1)} 终端条件:f 4(x 4)=0; K=4, f 4(x 4)=0 k=3, 0≤U3≤S 3k=2, 0≤U2≤S 2k=1, 0≤U1≤S 1所以根据以上计算,可以得到获得总效益最大的资金分配方案为(1,2,1).为了保证某设备正常运行,须对串联工作的三种不同零件A 1,A 2,A 3,分别确定备件数量。
生产与存贮问题的探讨摘 要在一定时期内,生产的成本费与库存费一直是厂家最关心的优化指标。
本文根据题中的条件针对如何在成本费与库存费之和最优的情况下,使总工时最小的问题,利用了多目标动态规划的方法,建立了生产与存储的优化模型。
我们知道增大生产量可以降低成本费,但如果超过市场的需求量,就会因积压增加存贮费而造成损失。
相反,如果减少生产量,虽然可以降低存贮费,但又会增加生产的成本费,同样会造成损失。
故可以找到一个生产计划使得生产的生产费与存贮费之和达到一个最小值,并且使他们所花的工时也最少。
我们根据实际生活中生产的部件的性质可以将生产模式分成两种情况:允许有缺货的情况和不允许有缺货的情况。
在模型一中,我们假设这种部件是不允许缺货的,于是目标函数为:∑∑==+++=6161)(7.03.0min k k k k k k c h p akx g在模型二中,我们假设这种部件是可以缺货的,但是我们要求上个月所缺的部件必须要在本月补回来。
如果中间某个月或者是某几个月出现缺货的现象,就会因为有损失费,面对这样的情况时,如果损失费比生产费少的话,对于这种方案公司还是可以考虑,根据这种情况我们可以得到目标函数为:∑∑==++++=6161)(7.03.0min k k k k k k k q p h c akx g我们建立的模型一和模型二都是以动态规划为主要解题思路,在模型中我们将生产费与库存费之和赋予0.7的权重值,总耗费工时数赋予0.3的权重值,假设每件产品的单位工时费为10元,每件产品每月的存贮费为20元,每件产品每月的缺货损失费为5元,因为产品的生产量与成本费成反比,设反比系数为S ,若生产量为X ,则成本费为S/X 元,设反比系数S 为840。
我们利用Lingo 软件求解,在没有缺货存在的条件下得到的最小成本费为5158元,总耗费工时数最少为382小时,一到六月的逐月分配方案为:7 4 5 4 3 4;在有缺货存在的条件下得到的最小成本费为4960元,总耗费工时数最少为363小时,一到六月的逐月分配方案为:6 3 4 3 3 8,每月的缺货量为:0 2 1 0 4 0。
动态规划在资源分配中的应用在当今复杂多变的社会和经济环境中,资源分配是一个至关重要的问题。
如何有效地将有限的资源分配到不同的任务、项目或活动中,以实现最大的效益和价值,是决策者们面临的挑战。
动态规划作为一种强大的数学优化方法,为解决资源分配问题提供了有效的途径。
让我们先了解一下什么是动态规划。
动态规划是一种在求解多阶段决策过程问题时的优化方法。
它将一个复杂的问题分解成一系列相互关联的子问题,并通过存储子问题的解来避免重复计算,从而提高计算效率。
在资源分配中,动态规划可以帮助我们在不同的阶段做出最优的决策,以实现整体的最优资源分配方案。
以企业的生产资源分配为例。
假设一家企业拥有一定数量的人力、物力和财力资源,需要将这些资源分配到不同的产品生产线上,以实现最大的利润。
每个产品线在不同的资源投入下会产生不同的收益,而且资源的投入是有限的。
这时候,动态规划就可以派上用场。
我们可以将整个生产过程划分为多个阶段,每个阶段对应着不同的资源分配决策。
在每个阶段,我们需要考虑当前的资源状况和各个产品线的收益情况,做出最优的资源分配决策。
通过逐步推进,我们可以找到整个生产过程中的最优资源分配方案。
比如说,在第一阶段,我们有 100 个单位的人力、80 个单位的物力和 120 万元的财力。
产品 A 的生产需要 20 个人力、10 个物力和 30 万元财力,预期收益为 50 万元;产品 B 的生产需要 15 个人力、20 个物力和 40 万元财力,预期收益为 60 万元。
通过计算和比较,我们可能会决定在第一阶段将资源分配给产品 B。
然后进入第二阶段,此时剩余的资源发生了变化,我们再次根据新的资源状况和产品收益情况做出决策。
就这样,一步一步地推进,直到所有的资源都分配完毕。
动态规划在资源分配中的优势是显而易见的。
首先,它能够考虑到资源分配的长期效果。
不像一些短视的决策方法,只关注眼前的利益,动态规划通过全局的视角,综合考虑了各个阶段的决策对最终结果的影响,从而做出更具战略性的资源分配方案。
⾼级运筹学选择判断题选择题动态规划部分1、关于动态规划问题的下列命题中错误的是(A )A、动态规划分阶段顺序不同,则结果不同B、状态对决策有影响C、动态规划中,定义状态时应保证在各个阶段中所做决策的相对独⽴性D、动态规划的求解过程都可以⽤列表形式实现2、动态规划不适⽤于解决(A)A.排队问题B.背包问题C.资源分配问题D.⽣产存储问题3、采⽤动态规划策略求解问题的显著特征是满⾜最优性原理,其含义是(B)A.当前所作决策不会影响后⾯的决策B.原问题的最优解包含其⼦问题的最优解C.问题可以找到最优解,但利⽤贪⼼算法不能找到最优解D.每次决策必须是当前看来的最优决策才可以找到最优解4、下列哪个不是动态规划的适⽤条件?(D)A 最优化原理B ⽆后效性C ⼦问题的重叠性D ⼦问题之间互不独⽴5、动态规划的研究对象是(B)A⽆后效性B多阶段决策问题C基本⽅程D最优决策序列6、关于最优性原理,下⾯那个叙述是正确的(A)A⼦策略⼀定是最优的 B⼦策略不是最优的 C⼦策略是否最优和前⾯决策有关 D⼦策略是否最优与后⾯策略有关7、迭代⽅法是诸多求解最优化问题的核⼼思想,除下列哪项之外(D)A.线性规划B.动态规划C.⾮线性规划D.排队优化8、关于动态规划⽅法,下⾯的说法错误的是(C)A到⽬前为⽌,没有⼀个统⼀的标准模型可供应⽤B应⽤存在局限性C⾮线性规划⽅法⽐动态规划⽅法更易获得全局最优解D能利⽤经验,提⾼求解的效率9、对于动态规划的描述,下⾯说法不正确的是:(C)A.动态规划的核⼼是基本⽅程B.对于同⼀个动态规划问题,应⽤顺序和逆序两种解法会得到相同的最优解C.若动态规化问题的初始状态是已知的,⼀般采⽤顺序解法进⾏求解D.最优性原理可以描述为“策略具有的基本性质是:⽆论初始状态和初始决策如何,对于前⾯决策所造成的某⼀状态⽽⾔,余下的决策序列必构成最优策略”10、动态规划是决策问题。
(B)A. 单阶段B. 多阶段C. 与阶段⽆关D. 以上均不是11、下列选项中求解与时间有关的是(B)a整数规划 b动态规划 c线性规划 d⾮线性规划12、规划论内容不包括(D)A线性规划 B⾮线性规划 C动态规划 D⽹络分析13、哪⼀项不是多阶段决策问题的特点(B)A可⽤动态规划进⾏求解B有统⼀的动态规划模式和明确定义的规则C过程的过去历史通过当前状态影响未来发展D可分为多个互相联系的单阶段过程排队论部分1. 排队模型M/M/1/C/N指的是顾客到达服从参数为λ的,服务时间服从参数为µ的,个服务台,系统容量为。
判断题:1. 单纯形法计算中,选取最大正检验数k 对应的变量k x 作为换入变量,将使目标函数值得到最快的增长。
( )2. 单纯形计算中,如不按最小比值原则选取换出变量,则在下一个解中至少有一个基变量的值为负。
( )3. 一旦一个人工变量在迭代中变为非基变量后,该变量及相应列的数字可以从单纯形表中删除,而不影响计算结果。
( )4. 任何线性规划问题存在并具有唯一的对偶问题。
( )5. 根据对偶问题的性质,当原问题为无界解时,其对偶问题无可行解,反之,当对偶问题无可行解时,其原问题具有无界解。
( ) 6. 对偶问题的对偶问题一定是原问题。
( )7. 运输问题是一种特殊的线性规划模型,因而求解结果也可能出现下列四种情况之一;有惟一最优解,有无穷多最优解,无界解,无可行解。
( )8. 整数规划解的目标函数值一般优于其相应的线性规划问题的解的目标函数值。
( ) 9. 指派问题效率矩阵的每个元素都乘上同一常数k ,将不影响最优指派方案。
( ) 10.指派问题数学模型的形式同运输问题十分相似,故也可以用表上作业法求解。
( ) 11.按最小元素法给出的初始基可行解,从每一空格出发可以找到而且仅能找出惟一的闭回路。
( )12.表上作业法实质就是求解运输问题的单纯形法。
( )13.图论中的图不仅反映了研究对象之间的关系,而且是真实图形的写照,因而对图中点与点的相对位置、点与点边线的长短曲直等都要严格注意。
( )14.在任一图G 中,当点集V 确定后,树图是G 中边数最少的连通图。
( )15.大M 法处理人工变量时,若最终表上基变量中仍含有人工变量,则原问题无可行解。
( )16.若可行域是空集,则表明存在矛盾的约束条件。
( )17.用单纯形法求线性规划问题,若最终表上非基变量的检验数均非正,则该模型一定有唯一最优解。
( )18.指派问题的每个元素都加上同一个常数k ,并不会影响最优分配方案。
( ) 19.指派问题的每个元素都乘上同一个常数k ,并不会影响最优分配方案。
动态规划一·动态规划法的发展及其研究内容动态规划是运筹学的一个分支,是求解决策过程最优化的数学方法。
20世纪50年代初美国数学家R.E.BELLMAN等人在研究多阶段决策过程的优化问题时,提出了著名的最优化原理,把多阶段问题转化为一系列的单阶段问题,逐个求解创立了解决这类过程优化问题的新方法——动态规划。
1957年出版的他的名著《Dynamic Proggramming》,这是该领域的第一本著作。
动态规划问世以来,在经济管理·生产调度·工程技术和最优控制等方面得到了广泛的应用。
例如最短路线·库存管理·资源分配·设备更新·组合·排序·装载等问题,采用动态规划法求解比用其他方法更为简便。
二·动态规划法基本概念一个多阶段决策过程最优化问题的动态规划模型通常包括以下几个要素:1.阶段阶段(stage)是对整个过程的自然划分。
通常根据时间顺序或是空间特征来划分阶段,对于与时间,空间无关的“静态”优化问题,可以根据其自然特征,人为的赋予“时段”概念,将静态问题动态化,以便按阶段的顺序解优化问题。
阶段变量一般用k=1.2….n.表示。
1.状态状态(state)是我们所研究的问题(也叫系统)在过个阶段的初始状态或客观条件。
它应能描述过程的特征并且具有无后效性,即当某阶段的状态给定时,这个阶段以后的过程的演变与该阶段以前各阶段的状态无关。
通常还要求状态是可以直接或者是间接可以观测的。
描述状态的变量称为状态变量(State Virable)用s 表示,状态变量的取值集合称为状态集合,用S表示。
变量允许取值的范围称为允许状态集合(set of admissble states).用x(k)表示第k阶段的状态变量,它可以是一个数或者是一个向量。
用X(k)表示第k阶段的允许状态集合。
n 个阶段的决策过程有n+1个状态变量,x(n+1)是x(n)的演变的结果。
根据演变过程的具体情况,状态变量可以是离散的或是连续的。
为了计算方便有时将连续变量离散化,为了分析的方便有时又将离散的变量视为连续的。
2.决策当一个阶段的状态确定后,可以做出各种选择从而演变到下一阶段的某个状态,这种选择手段称为决策(decision),在最优控制问题中也称为控制(control)描述决策的变量称为决策变量(decision virable)。
变量允许取值的范围称为允许决策集合(set of admissbledecisions)。
用表示第k阶段处于阶段x(k)的决策变量,它是x(k)的函数,用表示x(k)的允许决策集合决策变量简称决策。
4.策略决策组成的系列称为策略(policy)。
由初始状态x1开始的全过程的策略记作..由第k阶段的状态x(k)开始到终止状态的后部子过程的策略,;k=2,…,n-1.可供选择的策略有一定的范围,称为允许策略集合(set of admissble polices),用, 等表示。
5.状态转移方程在确定性过程中,一旦某阶段的状态和决策为已知,下阶段的状态偏完全可以确定。
用状态转移方程(state transfer equations)表示这种演变规律,写作:6.阶段指标函数对于k阶段的状态x(k),当执行了决策时,除带来系统状态的转移之外,还产生第k阶段的局部利益,它是总效益的一部分,称为阶段指标函数(stageeffective fuction),记作.7.过程指标函数用来衡量策略或者是子策略执行效果的数量指标称为过程指标函数(process effective fuction),它定义在所有k后部子过程上,常用用表示,即k=1,2,…,n.当k=1时,就是全过程指标函数。
如果状态x(k)和子策略给定,那么也就被确定了,所以是x(k)和的函数,记为:常见的过程指标函数是连和形式或连积形式:8.最优指标函数过程指标函数的最优值称为最优指标函数(optimum effective fuction),记为f(x(k).它表示,采取了最优子策略之后,后部子过程所获得的总效益,表示为:式中opt是optimization的缩写,意为最优化,可以根据具体问题去max或min三·动态规划法的最优性原理和基本函数方程在动态规划中起核心作用的是最优性原理:“作为整个过程的最优策略具有这样的性质,无论过去的状态和决策如何,相对于前面决策所形成的状态而言,余下的决策系列必须构成最优子策略。
”动态规划解法的关键在于给出一种递推关系,一般把这种关系称为基本函数方程,注意到无后效性,最优指标函数为当k=n时,由于x(n+1)是整个决策过程的终止状态,以后不再做出决策,因此,这样就得到了可以用来递推的基本函数方程:f(x(n+1))=0.类似的,可以得到乘法形式的基本函数方程:f(x(n+1))=1.四·建立动态规划模型的基本步骤1.阶段;2.状态变量及可能状态集合;3.决策变量及允许决策集合;4.状态转移方程;5.阶段指数函数;6.基本函数方程;建立动态规划模型基本上是上面6个步骤,按上述顺序逐步确定1~6的内容。
五·动态规划法的递推方向及求解形式1.递推解法基本方程:f(x(n+1))=0状态转移方程为计算步骤是,利用终端条件从k=n开始由后向前递推基本方程,求得各阶段的最优决策和最优函数,最后算出f(x(1)时就得到了最优决策系列再按照状态转移方程从k=1开始确定,k=1,2,…,n}为最优轨迹线,为最优策略。
2.顺推解法使用顺推解法时,一些概念的含义须做相应调整。
状态变量x(k)表示第k阶段末系统的形态·状况,最优值函数f(x(k))表示从第一阶段到第k阶段总效益的最优值,状态转移方程为基本函数方程为f(x(0))=0或13.求解形式求解动态规划问题,一般有两种形式:解析形式和表格形式,解析形式是利用函数的解析表达式,在每个阶段用经典求极值的方法得到最优解。
表格形式是指各阶段的计算过程均在表格中进行,这种形式便于分析和比较,操作过程直观且简练,适用于没有解析表达式的离散型问题。
4.动态规划的适用条件适用动态规划的问题通常应满足如下3点:○1最优化原理(最优子结构性质)。
如果问题的最优解所包含的子问题的解也是最优的,就称该问题具有最优子结构性质,即满足最优化原理。
由于对于有些问题的某些递归式来讲并不一定能保证最优化原则,因此在求解问题时有必要对它进行验证。
若不能保持最优原则,则不可以应用动态规划法求解。
在得到最优解的递归式之后,需要执行回溯以构造最优解。
○2无后效性。
应用动态规划法的一个重要条件就是将各阶段按照一定的次序排好,阶段i的状态只能由阶段i+1的状态来确定,与其他状态没有关系,尤其是于未发生的状态没有关系。
换言之,每个状态都是“过去历史的一个完整总结”。
这就是无后效性。
○3子问题的重叠性。
子问题的重叠性是指在利用递归算法自顶向下对问题进行求解时,每次产生的问题并不总是新问题,有些子问题可能会被重复计算多次。
动态规划法正是利用子问题的这种重叠性质,对每一个问题只计算一次,然后将其计算结果保持起来,当再次需要计算已经计算过的子问题时,只要简单的查看一下以往的计算结果,从而获得较高的解题效率。
子问题的的重叠性并不是动态规划适用的必要条件,但是如果该性质无法满足,动态规划算法同其他算法相比就无优势可言了。
5.解决问题的步骤利用动态规划法求解问题的算法通常包含如下几个步骤。
○1分析。
对原始的问题进行分析,找到问题的最优解的结构特征。
○2分解。
将所给问题按时间或空间特征分解成相互关联的阶段,并确定出计算局部最优解的递推关系,这是利用动态规划法解决问题的关键和难点所在。
需要注意的是,分解后的各个阶段一定是有序的或者是可以排序的,即无后向性。
否则问题就无法用动态规划求解。
阶段之间相互联系方式是通过状态和状态转移体现的。
每个阶段通常包含若干个状态,可以描述问题发展到这个阶段时所处在的一种客观情况。
每个阶段的状态都由以前阶段的状态以某种方式“变化”来的,这样的“变化”称为状态转移。
状态转移是导出状态的途径,也是联系各阶段的方式。
○3解决。
对于每个阶段通过自底向上的方法求得局部最优解。
由于这一步骤通常是通过递推实现的,因此,需要递推终止条件或边界条件。
○4合并。
将各个阶段求出的解合并为原问题的解,即构造一个最优解。
动态规划的主要难点在于理论的设计,特别是递推关系的建立,一旦设计完成,实现部分就会非常简单。
整个求解过程就可以使用一个最优决策表的二维数组来描述,其中行表示决策的阶段,列表示问题状态,表格需要填写的数据一般对应此问题的在某阶段某个状态下的最优值,如最短路径,最长公共子序列,最大价值等。
填表的过程就是根据递推关系从1行1列开始,以行或者列优先的顺序,依次填写表格。
最后根据整个表格的数据通过简单的取舍或者运算求得问题的最优解。
总之,动态规划算法的关键在于解决冗余,是一个以空间换时间的技术,所以它的空间复杂度要大于其他的算法。
六·动态规划问题在问题中的具体实现例如:动态规划规划在生产存储中的运用生产存储问题是生产活动中经常遇到的问题。
大批量生产可以降低成本,但当产量大于销量时就会造成产品积压而增加库存费用;单纯按市场要求安排生产也会因为开工不足或加班加点造成生产成本增加。
因此合理利用存贮资源调节产量,满足要求是十分有意义的。
生产与存贮问题是一个生产部门如何在已知生产成本,存贮费用和各阶段市场要求的条件下,决定各个生产阶段的产量,使得计划期内的费用之和最小。
现设有一个生产部门,生产计划周期为n个阶段,已知最初库存量为x1,阶段需求量为dk,单位产品的消耗费用是lk,单位产品的阶段库存费用为hk,仓库容量为mk,阶段生产能力为bk,生产固定成本为问如何安排现阶段的产量,使计划期内的费用综合为最小?该问题本身就是一个多阶段决策问题,设状态变量为xk 为k阶段初的库存量,由于计划期初的库存量x1已知,计划期末的库存量通常也是给定的,为简单起见,假定x(n+1)=0,于是状态变量xk的约束条件是:决策变量uk选为阶段k的产量,它满足的约束条件是:状态转移方程为,它满足无后效性的要求。
阶段效用由两阶段组成,一部分为生产费用,另一部分为存贮费用,即:动态规划基本方程为:七.设计题目:某机床厂根据合同,在一至四月份为客户生产某种机床。
工厂每月的生产能力为10台,机床可以库存,存储费用为每台每月0.2万元,每月需要的数量及每台机床的生产成本如下表。
试确定每月的生产量,要求既能满足每月的需求,又能使生产成本和存储费用之和达到最小。
表需求量及生产成本1.构造动态规划模型○1阶段变量k把每个月作为一个阶段,k=1,2,3,4○2状态变量选择每个阶段的库存量为状态变量,可满足无后效性,由已知条件可知:x1=x5=0,单位为台○3决策变量设每个阶段的生产量为决策变量,由已知条件得0≤≤10台,○4状态转移方程状态转移方程为:=+-(是第k阶段的市场需求量)○5阶段指标第k阶段的指标费用:(,)=0.2+y(i)(>0)i=1,2,3,4.或(,)=0.2+0 (=0)其中y1=7,y2=7.2,y3=8,y4=7.6,单位为万元2.建立基本方程设最优值函数是从第k阶段的状态出发到过程终结的最小费用,按动态规划方法的逆序解基本方程又:[(,)+] (k=4,3,2,1)F5(x5)=03.逆序逆推计算○1k=4时按照问题的各种约束条件,确定状态变量x4的取值范围。