压铸模具管理及保养规范
- 格式:doc
- 大小:26.50 KB
- 文档页数:3
压铸模的安全使用管理规定范本一、总则为保障压铸模的安全使用,防止事故发生,制定本规定。
二、安全意识培养1. 压铸模使用人员应接受相应的培训,了解压铸模的使用方法、注意事项和安全防护措施。
2. 定期组织压铸模使用人员进行安全教育,提高安全意识和防范能力。
三、压铸模设备管理1. 压铸模设备应定期进行维护及保养,确保其正常运转。
2. 压铸模设备应定期进行检测,确保其工作性能符合要求。
3. 报废的压铸模设备应及时进行处理,不得继续使用。
四、压铸模使用规定1. 在使用压铸模前,需检查模具的运转部位是否完好,确保无损坏、裂纹等情况。
2. 使用压铸模时,应按照操作规程进行操作,不得擅自改变操作方法。
3. 使用压铸模时,禁止使用过大的模具压力,避免引起模具破裂等意外。
五、压铸模维修管理1. 压铸模的维修工作必须由专业人员进行,不得擅自进行拆卸和修理。
2. 维修期间,应制定详细的维修计划和操作规程,确保维修工作的安全进行。
六、压铸模存储管理1. 压铸模应存放在干燥、通风、不受阳光直射的地方。
2. 压铸模存放时应注意避免与有害物质接触,防止腐蚀和损坏。
3. 压铸模存放时应采取固定措施,防止发生滑落或倾倒的意外。
七、应急预案1. 压铸模使用单位应制定相应的应急预案,明确各级人员的职责分工和应急处置措施。
2. 定期开展应急演练,提高应急处理能力。
八、责任追究对于违反压铸模安全使用管理规定的人员,将依法追究相关责任。
九、附则本规定自颁布之日起实施,以往的类似规定均废止。
如有需要修改本规定的,须经相关部门批准后方可执行。
以上是压铸模的安全使用管理规定的范本,仅供参考使用。
实际制定时,需结合企业的具体情况进行适当调整和补充。
压铸模的安全使用管理规定1、每次压铸生产前(包括压铸过程维修后)应对照《压铸模点检表》对压铸模进行点检,并作好记录,点检合格后方可生产;2、每次压铸生产前,对模具型腔、顶杆、复位杆、导柱、导套、型芯、滑块导轨等全面刷油。
检查涂料配比机是否正常,喷涂管是否有断裂、阻塞;3、压铸模应预热到180-220℃方可生产。
预热时,应逐渐地使用冷却水,以获得平衡状态,如果急冷,压铸模将可能产生裂纹;4、浇注温度、压射压力、压射速度在保证压铸件质量的前提下,应尽量设定低一点;5、调整压铸机的锁模力,使压铸模受力均匀;6、对压铸合金熔炼应严格控制,减少金属液中气体,以避免在压铸模表面因气蚀而产生裂纹;7、应对压铸件产品进行首检,如不合格应停机;8、在压铸过程中,压铸模表面及抽芯滑块配合面等,经常会出现毛刺,这样不仅影响产品的精度,也易造成压铸模出现故障,所以每次都需清除铝皮、铝渣等杂物(需要保证无毛刺进行压铸)。
当压铸过程中清洁时,应使用气枪或黄铜凿等工具,但一定注意不要划伤压铸模表面。
严禁用坚硬材料的器具敲击、铲刮型腔部位和分型面;9、在压铸过程中,喷涂操作应合理,不过多的喷涂脱模剂,以减缓压铸模龟裂的发生和发展;10、在压铸过程中,应保持压铸工艺的稳定和压铸周期的稳定,不擅自改变工艺,以免因压射压力过大、压射速度过快而损坏压铸模;11、在压铸过程中,必须保持各运动件和配合件的良好润滑和配合;12、在压铸过程中,如发生压铸件粘在压铸模上,不能擅自处理,需通知模修工进行处理,并保留粘模前最后一件压铸件以备分析原因。
如果压铸件粘在定模一侧,一般不允许采取重新合模的办法带出铸件,以免碰坏压铸模型腔和型芯;13、在压铸过程中,要及时监控压铸模温度,保持压铸模温度稳定,避免过冷、过热;14、在压铸过程中,要随时观察压铸模的型芯、凸起物和顶杆是否有弯曲变形、裂纹和断裂的情况,型腔表面是否有烧伤和拉伤现象。
装有拉杆的压铸模,要随时观察压铸模的复位杆是否与分型面齐平。
压铸模具维修管理制度一、维修管理制度的编制目的通过制定维修管理制度,可以规范压铸模具的维修工作,防止因管理不善导致压铸模具的损坏和浪费,从而提高设备的使用寿命,减少生产成本,提高生产效率,更好的保障生产的顺利进行。
二、维修管理制度的内容1.维修管理责任(1)厂长是压铸模具维修管理的领导者,负责对维修管理工作的组织、协调和监督。
(2)设备部门负责对压铸模具的日常维修和保养工作进行计划和安排。
(3)维修组负责对压铸模具的实际维修工作进行处理和落实。
2.维修管理流程(1)故障发现:发现压铸模具的故障或异常情况时,操作人员立即向上级汇报,设备部门及时分析故障原因。
(2)维修计划:根据故障情况,设备部门制定维修计划,明确维修人员、维修时间和维修内容。
(3)维修实施:维修人员按照计划进行维修,确保维修操作规范。
(4)维修验收:维修完成后,设备部门进行验收确认,判断维修情况是否符合标准。
(5)维修记录:对每次维修进行详细记录,包括故障描述、维修过程、维修耗材、维修时间等内容。
3.维修管理考核对各相关部门和人员的维修管理工作进行考核,根据维修质量和数量制定绩效考核标准,并将绩效考核纳入绩效评价体系。
4.维修管理保障措施(1)配备专业人员:保障维修人员的专业素质,提高维修质量。
(2)更新设备:及时更新维修设备和工具,提高维修效率。
(3)加强培训:定期组织维修人员进行技术培训,提高其维修水平。
5.维修管理改进建议对压铸模具维修管理中存在的问题进行总结和分析,提出改进建议和措施,不断完善维修管理制度。
三、维修管理制度的落实1.制度宣传通过内部培训、会议宣讲、通知通告等方式将维修管理制度传达给所有员工,并确保每位员工都了解维修管理制度的内容和要求。
2.制度执行各部门和人员要严格遵守维修管理制度的规定,认真执行各项要求,确保维修工作的有序进行。
3.制度监督设备部门对维修管理工作进行监督检查,及时发现问题并进行处理,提高维修管理的效果。
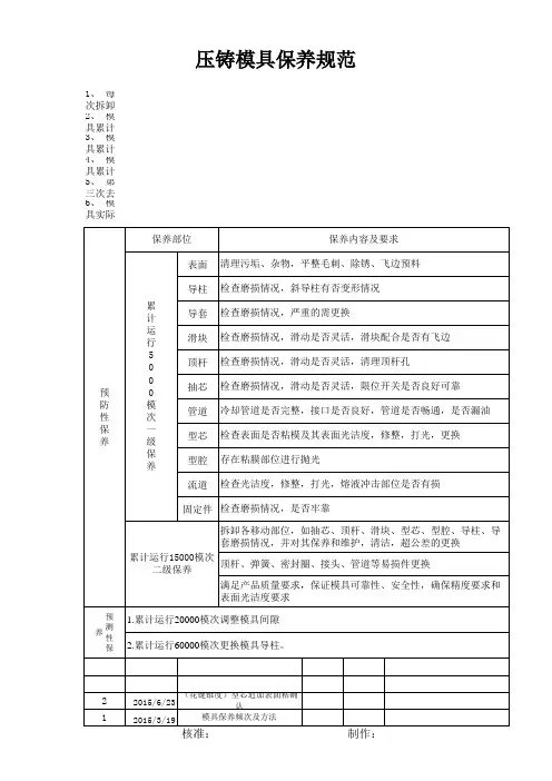
1.目的规范压铸模具日常保养的管理,减少损坏频率,保证生产顺畅高效进行,确保产品的符合性。
2.范围本公司所有正式生产压铸模具(新模具没有验收合格且正式移交压铸车间的除外)的日常保养与维修管理。
3.职责3.1模具一级、二级保养由压铸车间模具保养与维修小组负责。
3.2压铸车间领班负责压铸模具一级保养,并配合模具保养与维修小组完成二级保养。
3.3压铸车间模具保养与维修组负责模具保养台账的建立及相关记录的操持。
3.4模具三级保养由模具车间主管负责,模具保养小组主导及相关记录的填写。
4.定义4.1压铸模具一级保养:指压铸模具的上油、清扫、清洁等工作内容。
4.2压铸模具二级保养:更换型芯配件,抽芯油缸的维修,模具抛光,浇道修改等工作。
4.3压铸模具三级保养:模具结构改变,产品尺寸改变,型腔修补和更换及配镶块等工作。
5.工作要求5.1 压铸模具管理台账5.1.1压铸模具保养与维修小组负责建立《压铸模具台帐》,编制《模具易损件清单》,清单内每个配件应有模具易损件图纸(图纸获取方法:新模具配件图由制模具人提供,老模具原则上由模具车间提供,找不到制模具人由模具保养小组绘制草图报模具车间和研发部批准)。
压铸模具台账上需注明模具编号,库存位置编码,启用日期,模具名称,制模人等内容。
模具易损件通常指顶杆、顶套、滑块抽芯、重要型芯等。
5.1.2压铸模具保养与维修小组负责建立《模具使用维修流程卡》,卡上注明:模具保养责任人,制模人,模具名称,模具编号,库存位置编码,设计寿命,生产日期,生产模数,当前累计模数,维修记录等等。
5.2模具保养要求5.2.1一级保养工作内容:A)清除模具上的污垢:用相应工具(清理型腔用铜刷、毛刷和抹布等,禁用钢刷;清理模板才可用钢刷、钢铲、铜刷、抹布、毛刷)对模具进行清除,遵循自上而下原则清除模具上所有锌渣、铝渣、油污、灰尘等污垢。
注意不能磕碰划伤型腔型芯等各产品部位。
B)清洗:①先用煤油对模具进行清洗,保证各直角凹槽孔等易藏污纳垢处无锌渣、铝渣、灰尘、污垢,分型面、型腔、抽芯等滑动部件及模具外观清洁如新。
压铸模具管理及维护规范1、目的:加强压铸模管理,保证压铸模正常维护,保证压铸正常生产和产品质量、延长压铸模使用寿命、降低成本。
2、适用范围与职责:本公司所有的压铸模具管理与保养。
压铸车间负责模具的日常保养;工艺部模修人员负责模具维护及维修3、操作程序:3.1压铸模必须整齐摆放在规定区域和位置。
3.2压铸模维护、保养、维修、管理由专人负责。
3.3压铸模验收:3.3.1新压铸模制作完毕,应经压铸模验收小组根据《压铸模技术条件》对压铸模进行验收,验收合格后,方可交到车间,压铸模管理员要清点浇口套、顶杆、型芯等压铸模备件,做好标识并分类存放。
3.3.2因生产需要,压铸模转出或运回车间时,压铸模管理员要做好交接工作,有关人员做好验收工作。
3.4压铸模档案:压铸模验收合格后,必须建立《压铸模使用维修档案本》,以备定期检查、校对。
3.5压铸模检查:3.5.1有冷却水的压铸模,用接自来水检查压铸模冷却水管,不应堵塞或破损。
3.5.2检查压铸模滑块、顶杆、导柱等应运行平稳,无断裂、无卡滞现象。
3.5.3仔细检查压铸模型腔和分型面,型腔、型芯不允许有碰伤现象和粘有异物;分型面、排气槽不允许有铝(铜或锌)渣和污物,如有必须清理干净。
3.5.4检查压铸模顶杆推板和顶杆固定板,联接必须牢固,顶杆推板上拉杆孔螺纹必须完好。
3.5.5检查压铸模吊环螺钉不能有裂纹,吊环螺钉与压铸模联接必须牢固。
3.5.6压铸模合模时应保证复位杆与分型面齐平,插芯到位。
3.6压铸模维护与保养:压铸模的保养分为日常保养与周期性保养日常保养主要将模具外表面铝渣及污垢清理干净。
周期性保养要求如下:压铸模卸下后,压铸工必须将其吊到指定位置摆放,由压铸模维修工进行以下维护、保养。
a)清理压铸模(包括滑块、型腔、型芯、排气系统等)上铝(铜或锌)屑、污垢物,保证压铸模清洁和排气通畅。
清理粘铝部分后进行打磨抛光。
b)擦净模具和冷却水管上的油污。
c)按3.5进行压铸模检查。
压铸模的安全使用管理规定1. 前言压铸模是铝合金、锌合金等压铸产品的重要工具。
压铸模的制造技术、维护和保养对产品质量的稳定性、生产效率、生产成本等方面都有着极为重要的影响。
为了确保压铸模的安全使用,提高生产效率和生产质量,本管理规定应运而生。
2. 操作规范1.按规定使用压铸模–确认模具使用前所需的材料、零部件完整;–确认模具上的工作接口是否能够正确接驳到生产设备;–模具使用前检查各部位的拉手和螺丝,确保牢固无松动;–使用操作规范,保证压铸工艺正常运转;–操作期间及时观察模具的使用情况,确保模具正常使用。
2.停机时注意事项–当生产用模具长时间停机后,应在停机的第二天进行放空操作;–停机后立即对模具的零部件进行保养,防止生锈和损坏;–模具停机前要将材料和未处理的零部件、设备和工具等全部妥善保管,确保能够及时找到和正常使用。
3.维护注意事项–定期对模具进行必要的维修和更换零部件、清洁和检查;–保养模具时,要向压铸机部和铸造设计上的指示正确地对模具零部件进行保养;–在不使用模具的情况下,要将模具的整体进行包装存放,并注意防潮、防震、防腐。
4.模具废弃–对于使用寿命已到的压铸模,应进行安全有效的废弃处理;–废弃处理时,应将模具零部件彻底拆解,分类丢弃掉可回收的零部件,不可回收的零部件和模具本体应分别打上“废弃处理”标志,丢弃到指定的垃圾桶内。
3. 安全措施1.压铸模的操作人员必须经过专业培训,了解操作规范,并掌握相关安全知识;2.使用模具时,必须戴好耳塞和安全眼镜等个人防护设备;3.操作人员必须严格按照操作规范进行操作,并在操作中打牢安全防护措施;4.根据操作规范及时对模具进行保养,防范安全事故的发生。
4. 操作记录对于使用的压铸模的每一次操作都应该进行完整记录,确保生产数据的准确性,并及时发现故障点进行维护,提高产品质量和生产效率。
5. 总结压铸模的安全使用是生产安全事项的重点之一,对于企业的安全生产和产品质量有着举足轻重的影响。
压铸模具的保养规定第一压铸网1.目的规范压铸模具日常保养的管理,减少损坏频率,保证生产顺畅高效进行,确保产品的符合性。
2.范围本公司所有正式生产压铸模具(新模具没有验收合格且正式移交压铸车间的除外)的日常保养与维修管理。
3.职责3.1 模具一级、二级保养由压铸车间模具保养与维修小组负责。
3.2 压铸车间领班负责压铸模具一级保养,并配合模具保养与维修小组完成二级保养。
3.3 压铸车间模具保养与维修组负责模具保养台账的建立及相关记录的操持。
3.4 模具三级保养由模具车间主管负责,模具保养小组主导及相关记录的填写。
4.定义4.1 压铸模具一级保养:指压铸模具的上油、清扫、清洁等工作内容。
4.2 压铸模具二级保养:更换型芯配件,抽芯油缸的维修,模具抛光,浇道修改等工作。
4.3 压铸模具三级保养:模具结构改变,产品尺寸改变,型腔修补和更换及配镶块等工作。
5.工作要求5.1 压铸模具管理台账5.1.1 压铸模具保养与维修小组负责建立《压铸模具台帐》,编制《模具易损件清单》,清单内每个配件应有模具易损件图纸(图纸获取方法:新模具配件图由制模具人提供,老模具原则上由模具车间提供,找不到制模具人由模具保养小组绘制草图报模具车间和研发部批准)。
压铸模具台账上需注明模具编号,库存位置编码,启用日期,模具名称,制模人等内容。
模具易损件通常指顶杆、顶套、滑块抽芯、重要型芯等。
5.1.2 压铸模具保养与维修小组负责建立《模具使用维修流程卡》,卡上注明:模具保养责任人,制模人,模具名称,模具编号,库存位置编码,设计寿命,生产日期,生产模数,当前累计模数,维修记录等等。
5.2 模具保养要求5.2.1 一级保养工作内容:A)清除模具上的污垢:用相应工具(清理型腔用铜刷、毛刷和抹布等,禁用钢刷;清理模板才可用钢刷、钢铲、铜刷、抹布、毛刷)对模具进行清除,遵循自上而下原则清除模具上所有锌渣、铝渣、油污、灰尘等污垢。
注意不能磕碰划伤型腔型芯等各产品部位。
〈1〉保养频率:
①量产模:连续使用超过一个星期,应进行模具保养。
②每批次生产结束,进行模具保养。
③生产途中发生严重粘模或其他影响模具使用寿命的情况
下,应拆卸模具,进行保养。
〈2〉保养内容
①打开模具,先确认动定模分型面变形情况,然后对其上面粘
铝进行清理。
清理表面铝时应小心避免损坏模具表面。
②确认型腔上是否粘铝,并研磨粘着较严重处。
③确认顶杆(型芯)是否弯曲、残缺、折断或龟裂严重,如果有
要需更换。
④用柴油清洗顶杆后,涂上防锈油。
⑤检查滑块,确认滑块滑动是否顺畅,清理滑块、滑槽及模
芯
⑥确认斜导柱磨损及变形情况,发生变形应及时更换。
⑦确认冷却水道有否堵塞,如果堵塞应及时疏通。
⑧表面油漆掉落严重需重新刷油漆。
⑨检查浇口套内壁磨损、拉毛、开裂情况,如损坏严重,及
时定做新浇口套。
⑩结合末件,检查顶针、型芯以及其它镶件拼接处是否有台阶出现,有不符合要求的重新修改或更换零件;检查型腔
有无压塌现象,若有修复。
⑪检查时间钟的年份月份是否正确。
⑫新模5000模次去应力,老模每10000模次去应力一次。
压铸模具管理和保养规范方案中英文版Die Casting Mold Management and Maintenance Standard Proposal一、前言压铸模具是压铸工艺中至关重要的工具,直接影响产品质量和生产效率。
为了保证压铸模具的正常运行和延长使用寿命,确保产品质量和生产效率的提高,制定本压铸模具管理和保养规范方案。
二、管理规范1.选用合适的材质选用材质要符合模具设计和使用要求,保证模具的强度和耐磨性。
同时,要根据不同产品和生产工艺的需求,选用适合的材质。
组织专业人员进行技术评估和材料选择。
2.规范运输和存放在运输过程中,要注意保护模具防止碰撞和损坏。
存放时,要避免阳光直射和潮湿环境,防止生锈或变形。
模具应分门别类存放,做好编号和档案管理工作。
3.按时定期检查模具使用一段时间后,需要进行检查和维护,以确保其正常运行。
检查内容包括模具表面状况、压铸件尺寸精度、模具间隙等。
检查结果要及时记录,及时处理出现的问题。
4.做好保养工作模具保养工作包括清洁、润滑和防腐处理等。
清洁时,要使用合适的清洁剂,避免对模具材料造成损害。
润滑时,要选择适当的润滑剂,定期给模具润滑。
防腐处理要根据模具材料的特性选用合适的防腐方法。
5.记录和分析模具的使用情况和维护记录要详细记录,以便进行分析和改进。
根据模具使用寿命和维护情况,制定更合理的模具管理和保养方案。
三、保养规范1.清洁清洁模具时,要避免使用带有颗粒的清洁剂,以免刮伤模具表面。
首先,用风枪吹掉模具表面的灰尘和杂质,再用软布或刷子轻轻擦拭模具表面。
对于沉积的污垢,可以使用适当的溶剂清洁,并用干净布擦干。
2.润滑模具在使用过程中需要进行润滑,以减少摩擦和磨损。
润滑剂应选择质量好、性能稳定的产品。
润滑剂要均匀涂抹在模具表面,避免过量使用。
同时,要定期检查润滑剂的使用情况,及时添加或更换润滑剂。
3.防腐处理模具表面容易受潮湿环境和氧化气体的侵蚀,导致生锈和损坏。
压铸模具管理制度一、总则压铸模具是用于生产压铸零件的工具,其质量和使用状态直接影响到产品的质量和生产效率。
为了规范压铸模具的管理和使用,保证产品质量和生产效率,特制定本制度。
二、适用范围本制度适用于所有压铸模具的管理和使用。
三、责任部门1. 生产部门负责压铸模具的生产计划和使用管理;2. 设备部门负责压铸模具的维护和保养;3. 质检部门负责压铸模具的检验和评估。
四、压铸模具管理1. 压铸模具需按照生产计划进行使用,严禁超负荷使用;2. 使用前需对模具进行检查,确保模具完好无损;3. 使用过程中如有异常情况,需立即停机检查并报告相关部门;4. 使用完毕后,需及时清洁和保养模具,确保下次使用时状态良好。
五、压铸模具维护1. 设备部门应制定模具保养计划,并按照计划进行维护;2. 压铸模具保养应包括清洁、润滑、调整等工作;3. 定期对模具进行全面检查,发现问题及时修复,确保模具的使用寿命;4. 对于长时间不使用的模具,应进行防锈处理和包装存放。
六、压铸模具检验1. 质检部门应定期对模具进行检验,评估其使用状况和品质;2. 检验应包括外观检查、尺寸测量、材料分析等;3. 对于发现的问题,需及时通知设备部门进行修复和改进。
七、压铸模具评估1. 对于长时间使用的模具,需进行定期评估,以确定其使用寿命和关键部件的更换周期;2. 根据评估结果,设备部门应及时制定维护和更换计划;3. 对于达到报废标准的模具,应及时进行淘汰和报废处理。
八、附则1. 所有部门需定期开展压铸模具管理培训,以提升员工的管理意识和技能;2. 严禁私自更换模具零部件或进行非经授权的改动;3. 如有其他未尽事宜,应遵循公司相关规定进行处理。
九、监督制度1. 生产、设备、质检等相关部门应相互配合,共同监督压铸模具的管理和使用;2. 对于违反管理制度的行为,应进行相应处理,并及时纠正。
以上是对压铸模具管理制度的规定,希望各位员工严格遵守,并共同努力,提高压铸模具管理水平,确保产品质量和生产效率的稳定提升。
模具工应熟知压铸模具保养维修十大原则如下:
1、模具保养维修前,必须保留最后一个压铸产品。
2、全面清理模具各处金属屑和积垢,清洁清洗模具,恢复模具本色。
3、检查最后压铸产品:有无拉伤、粘模、压蹋、掉肉,以及尺寸、孔位变化。
4、全面检查模具:有无小型芯弯曲或折断,有无活动型芯插入定位不准,有无断推杆或推杆长度发生变化,有无镶块定位不准,有无紧固螺栓松动等。
根据损坏情况,确定修理或更换。
5、对导致铸件轻微拉伤的型腔塌陷、裂纹、掉块等,局部焊补修理,焊补应严格按规程工艺操作。
6、对滑动部位如抽芯机构、导向装置等,应进行彻底清理,仔细检查、维修。
用高温润滑脂重新润滑后装配。
7、如果有液压抽芯,液压部分与模具同时维修。
液压部分维修特别注意清洁,防止污染,否则将会污染整个压铸机液压系统。
8、当模具在生产过程中出现故障或受到损伤时,应按具体情况确定修理方案。
模具平时必须制定相应的保养维修计划。
9、完成维修保养的模具,将成型表面、分型面、安装面等整套模具做好防锈处理。
模具在正确组装后,放在规划区域,做好标识,同时模具附件与模具必须放在一起。
10、模具生产一定模次,应该退火处理后,进行相应热处理和表面处理。
压铸模具的管理以及维护保养模具是压铸生产中三大必备因素之一,模具使用的好坏直接影响到模具的寿命,生产效率和产品的质量,关系着压铸的成本。
对于压铸车间来说,模具良好的维护和保养是正常生产顺利进行的有力保障,有利于产品质量的稳定性,在很大程度上降低无形的生产成本,从而提高生产效率。
根据在实际生产中遇到的问题,我们探讨一下怎么去把模具的维护保养做得更好。
首先:建立模具档案,做好准备——(1)也就是给每一套模具在入厂时建立一套完整的使用记录,这是保证以后保养和维护的一个重要依据,每一条都要做的细致,清晰,包括每日的生产模次在内。
(2)作为一名模具管理人员,模具自入厂以后,模具每一部分的结构配件必须要详细记入模具档案里,并且要根据需要,把模具内的易损部分列出,提前准备配件,比如顶杆,型芯,等~~设立易损备件的最低库存量,从而不至于因准备不足而延误生产。
因为在公司里这样的教训很多,有备才能无患。
如果因为自己没有准备备件而耽误生产,对于压铸企业来说所造成的成本是很大的,时间,人力,保温炉用电(或者液化气)等都不是小数字,最主要是延误了生产,耽误了交货损失会更大!(3)给模具在做履历卡的同时有必要在模具本身刻上永久性标记,易于分辨。
这样只要不傻的人都不会造成装错模具的闹剧。
(4)如果附带有油缸抽芯器的模具,尽快给其配上快换接头,不然每次拆装模具从油缸里漏出的油所浪费的钱足够你支付好几个员工一个月的工资,你也可以用省下来的钱给员工改善一下伙食。
这样也大大缩短了压铸操作工装卸模具的时间,一举几得的事。
切记买一些质量好的快接头,否则适得其反。
(5)提前制定模具管理规定,对员工进行系统培训,切实的执行下去。
其次,模具在生产过程中的注意事项~提到模具的维护与保养,在很多压铸操作工的脑海里会立即闪现出一个概念,总认为那是模修工的事,和他关系不大,其实正好相反。
所有模具的命运如何可以说都在压铸操作工的手里掌握着。
打个比方说,你是有一部车,开了几年坏掉了,你能说都是那些个洗车的造成的吗?所以模具在使用过程中以下几点要特别注意:(1)模具冷却系统的使用。
压铸模具管理制度范文压铸模具管理制度第一章总则第一条为了规范压铸模具的管理,确保模具的安全和有效使用,保证生产的顺利进行,特制定本压铸模具管理制度。
第二条本制度适用于公司内所有压铸模具的管理。
第三条本制度所称压铸模具是指用于压铸产品的模具,包括冷室压铸模具和热室压铸模具。
第四条压铸模具管理的目标是保证模具的完好和稳定性,提高生产效率,降低生产成本。
第二章模具的购置与验收第五条公司在购置新模具时,应委托具有模具设计与制造资质的厂家进行设计和制造。
第六条新模具应根据生产需求和产品要求进行选型和设计,具有合理的结构、较短的开模时间和较长的使用寿命。
第七条新模具的验收应根据国家标准或行业标准进行,包括外观质量、尺寸精度、开模力等指标的测试。
第八条新模具验收合格后,应做好模具档案记录,包括模具的技术资料、验收报告、使用说明书等。
第三章模具的使用与保养第九条模具的使用应按照生产计划和工艺要求进行,严禁超负荷使用或使用不当。
第十条在模具使用过程中,坚持定期巡检和维护,发现问题及时处理,确保模具的正常工作。
第十一条模具使用不当、损坏、失效时,应立即停止使用,并及时报告上级主管部门。
第十二条模具的保养包括定期清洁、润滑、防锈等工作,确保模具的使用寿命。
第十三条模具使用过程中的数据、参数等应进行记录,以供分析和改进。
第四章模具的维修与维护第十四条模具的维修工作应由具备维修资质和经验的维修人员负责,严禁非专业人员进行维修工作。
第十五条模具维修工作应做好维修记录,包括维修内容、维修时间、维修人员等信息。
第十六条模具维修时,应对模具的各部分进行全面检查,发现问题要及时修复或更换。
第十七条模具维修前应制定维修方案,并经过相关部门审核批准后方可进行。
第十八条模具维修工作完毕后,应进行严格的试模和试产,确保模具的正常工作。
第五章模具的废旧处理第十九条废旧模具应按照国家相关法律法规和公司规定进行处理,不得随意丢弃或私自处理。
第二十条废旧模具应及时进行报废,并做好报废记录,包括模具的种类、数量和报废原因等。
压铸模具保养计划指导书
编号:EMCO/SJ-19-04-001所有压铸模具
注意:维护保养人员必须经过专业培训!
为了使模具能够保持最佳的性能状态和延长模具的使用寿命,确保正常生产,需对模具进行及时的保养和维护工作,维护及保养工作内容如下:
一、生产前模具的保养。
1.1.对模具的表面的油污,铁锈清理干净,检查模具的冷却水孔是否有异物,是否有水路不通。
1.2.需检查模具浇口是否损伤,是否有残留的异物,活动部件是否有异响,动作是否顺畅。
1.3.检查滑块是否顺畅,弹簧是否完整齐全,顶针是否有断掉或缺失的。
二、生产中模具的保养(由操作者执行)。
2.1.每班检查模具的所有的导柱、导套、顶针是否损伤,包括模具导柱、滑块等部件。
每班对其加油保养。
2.2.每班清洁模具分型面和滑块槽的异物、锌屑等,并检查模具的顶针是否有异常,并每班给油。
三、停机拆卸前模具的保养。
3.1.停机之前须先关闭冷却水路,吹尽模具内的余水。
3.2.对模具分型面、模穴、模芯面、滑块等部位的进行清洁。
3.3.模具运动部件的清洁和润滑,对松弛的螺栓进行紧固。
四、定期检查,主要对放置三个月以上的模具进行清理维护。
4.1.每六个月至1年对模具拆卸检查(检查内容有:除锈、防锈、润滑、型腔磨损、密封件、孔、销的溢料飞边及其它多余物、冷却水垢的清除等)。
五、以上所有保养项目均有书面记录,完成后模具归位。
保养责任人除指定操作者外均有设备模具部负责。
压铸模具管理及维护规范
1、目的:
加强压铸模管理,保证压铸模正常维护,保证压铸正常生产和产品质量、延长压铸模使用寿命、降低成本。
2、适用范围与职责:
本公司所有的压铸模具管理与保养。
压铸车间负责模具的日常保养;
工艺部模修人员负责模具维护及维修
3、操作程序:
3.1压铸模必须整齐摆放在规定区域和位置。
3.2压铸模维护、保养、维修、管理由专人负责。
3.3压铸模验收:
3.3.1新压铸模制作完毕,应经压铸模验收小组根据《压铸模技术条件》对压铸模进行验收,验收合格后,方可交到车间,压铸模管理员要清点浇口套、顶杆、型芯等压铸模备件,做好标识并分类存放。
3.3.2因生产需要,压铸模转出或运回车间时,压铸模管理员要做好交接工作,有关人员做好验收工作。
3.4压铸模档案:
压铸模验收合格后,必须建立《压铸模使用维修档案本》,以备定期检查、校对。
3.5压铸模检查:
3.5.1有冷却水的压铸模,用接自来水检查压铸模冷却水管,不应堵塞或破损。
3.5.2检查压铸模滑块、顶杆、导柱等应运行平稳,无断裂、无卡滞现象。
3.5.3仔细检查压铸模型腔和分型面,型腔、型芯不允许有碰伤现象和粘有异物;分型面、排气槽不允许有铝(铜或锌)渣和污物,如有必须清理干净。
3.5.4检查压铸模顶杆推板和顶杆固定板,联接必须牢固,顶杆推板上拉杆孔螺纹必须完好。
3.5.5检查压铸模吊环螺钉不能有裂纹,吊环螺钉与压铸模联接必须牢固。
3.5.6压铸模合模时应保证复位杆与分型面齐平,插芯到位。
3.6压铸模维护与保养:
压铸模的保养分为日常保养与周期性保养
日常保养主要将模具外表面铝渣及污垢清理干净。
周期性保养要求如下:
压铸模卸下后,压铸工必须将其吊到指定位置摆放,由压铸模维修工进行以下维护、保养。
a)清理压铸模(包括滑块、型腔、型芯、排气系统等)上铝(铜或锌)屑、污垢物,保
证压铸模清洁和排气通畅。
清理粘铝部分后进行打磨抛光。
b)擦净模具和冷却水管上的油污。
c)按3.5进行压铸模检查。
d) 对有弯曲、裂纹和折断的型芯、顶杆,进行修复或更换。
e) 每套压铸模每经过1万模次左右压射后,用除垢剂清除压铸模冷却水道的水垢,保证水流通畅。
f) 每套压铸模每经过锌合金:3万模次左右;铝合金:2万模次左右;对型面重新进行打磨、抛光,必要时重新进行氮化处理
3.7压铸模维修:
对于损坏的压铸模,经有关人员确定修理方案后,压铸模维修人员及时进行修理,修理后的压铸模,经有关人员检查,确认合格才能进行试压。
试压件经尺寸检查(或试加工与装配)合格后,才能确认压铸模正常,投入生产。
并必须做好记录。
3.8压铸模维修检查:
压铸模维修工必须定期对压铸模进行检查,检查时间为每月一次,同时做好记录。
平时修理或更换型芯时,也应做好记录。
编制:审批:批准:。