发变组差动保护测试的方法和步骤
- 格式:docx
- 大小:26.91 KB
- 文档页数:2
变压器差动保护装置动作后检查方法与步骤变压器常见问题解决方法当变压器的差动保护装置动作后,可按以下方法与步骤来进行检查。
(1)先对电力变压器及其套管与引出线进行检查。
如发觉问题应适时处理。
(2)如上述检查无问题,回忆故障之前变电站内直流部分是否有不稳定的接地隐患,是否曾带接地故障运行。
假如有,进一步要检查继电器的触点是否打开。
(3)如发觉触点都打开,再用万用表DC电压挡测量出口中心继电器线圈两端电压是否正常。
若电压正常,则多是由于直流两点重复接地致使差动保护装置误动作引起的。
(4)变压器差动保护装置动作有时也可能是由于高处与低处压电流互感器开路或端子接触不良以及变压器内部问题引起的。
对此,也不容忽视。
高压试验变压器在试验现场测试中时常会有故障涌现的情形,而最罕见故障便是铁芯短路形成的,形成铁芯短路的首要原因是:(1)变压器内具有导电悬浮物,在电磁场的作用下构成导电小桥,使心与油箱壁或者油箱底部短接。
(2)打造变压器或者改换铁芯大修时,选用的硅片品质有问题。
如硅片名义毛糙不润滑,冷轧硅片涂的绝缘漆膜零落,热轧硅片的绝缘氧化膜黏着力差也会零落。
之上几种情形城市形成片间短路,构成多点接地。
(3)变压器油箱和散热器在打造进程中,焊渣等清算不完全,在恒久的强油循进程中,渐渐被油流带出,将铁芯和油箱壁短接。
(4)铁芯加工工艺不正当。
如植株超编,剪切中放的夹板气,夹有粗大的非金属颗粒或者硬质非非金属微粒,将叠片压出一度个小坑,另一壁则成小凸点,叠装后也将毁坏涂层形成片间短路。
(5)叠压错误。
叠压系数获得过大,使压力过大,毁坏了片间绝缘。
(6)运行维护错误。
变压器恒久超铭牌定量运利用片间绝缘老化;平常巡逻和检测不够,使铁芯局部过热重点,片间绝缘遭毁坏形成多点接地。
再有,变压器在打造或者大修进程中,钢刷丝、起重用的钢丝绳的断股及巨大非金属丝在电磁场的作用下被树立,形成铁芯与油箱底部短接。
(7)变压器进水,使铁芯底部绝缘垫块挨冻或者穿芯螺杆绝缘败坏,导致铁芯绝缘急剧降落,形成铁芯多点接地。
变压器差动保护平衡校验一、安措票1、记录压板的位置2、记录空气开关位置3、投入置检修压板,退出其他压板4、断开跳闸回路5、断开电压空气开关6、隔离电压回路7、隔离电流回路二、执行安措票1、检查断路器位置2、记录压板位置原先保护柜压板在什么位置就记录什么位置,用1或0表示3、记录空开位置原先保护柜空开在什么位置就记什么位置(如上)4、投入置检修压板,退出其他压板在其保护柜正前方投入(投检修状态)压板,退出其他压板(无硬压板投入软压板)5、断开跳闸回路和断开电压空气开关不用做6、隔离电压回路和隔离电流回路在其保护柜后将2ID1、2、4、18、45、46和2UD1、2、3、4的拨片用螺丝刀从左侧拨至右侧并固定三、安措完成开始接线保护仪接线实物图保护仪侧的接线如上图(注:电流输出模块中IN端口共出来两根导线)保护仪侧出来的导线按照黄-2ID1、绿-2ID2、红-2ID18、黑1-2ID46、黑2-2ID22 的方式接线(注:保护柜后面需单独一根导线从2ID4连接至2ID45)接地:带夹子的导线为接地线,一端接在保护仪交流压输出模块的接地标志插孔内,另一端夹在保护柜下方的接地铁板上投硬压板:将投检修状态、跳高压侧边开关A相、高压侧接地零序、投入,退出其他压板保护柜上电:保护柜后的空开需全为闭合状态,并在保护柜前的显示屏上,通过(程序版本)查询版本号保护仪通电:开机后进入power test cUt的页面通过(通用实验采样)在保护仪上输入电流幅值:Ia=0.5,Ib=1.0,Ic=1.5在从保护柜前的显示屏上通过保护状态---保护板状态--交流量采样查询相电流,相电流与保护仪外加电流接近即可再从保护屏柜显示屏上通过保护状态---保护板状态--差动计算定值查询高压侧额定电流和低压侧额定电流并记录如下图在通过保护仪的通用实验采样输入电流幅值,如下图电流注意:Ialb的幅值输入为所查询的高压侧二次额定电流,lc的幅值输入为所查询低压侧二次额定电流的√3倍,IaIbIc的相位分别为180°0 °0°随后保护柜显示屏上通过保护状态——管理板状态——计算差流查询实验结果,如下图最后将其设备全部复归。
变压器差动保护试验方法第一,绕组电压比差动试验。
该试验是通过加载不同的变压器绕组,在不同测点进行电压测量,然后计算电压差值来验证绕组之间的电压比差动。
具体试验步骤如下:1.确定试验参数,包括试验电流、绕组的连接模式和相对位置等。
2.进行变压器空载试验,记录各测点的电压值。
3.按照试验参数设置电流,对绕组进行加载试验。
4.在各测点测量电压,计算电压差值。
5.比较计算得到的电压差值与设定的差动值,如差值在允许范围内,则差动保护正常。
第二,同侧相位关系试验。
该试验是通过对变压器同侧绕组的相位关系进行检查,以保证差动保护系统的相位一致。
具体试验步骤如下:1.确定试验参数,包括试验电流、绕组的连接模式和相对位置等。
2.进行变压器空载试验,记录各测点的相位关系。
3.按照试验参数设置电流,对绕组进行加载试验。
4.在各测点测量电压和相位,检查相位关系是否一致。
5.如相位关系一致,则差动保护正常。
第三,误差变换试验。
该试验是通过对差动保护变压器继电器进行误差变换试验,以验证差动保护系统的测量误差是否满足要求。
具体试验步骤如下:1.确定试验参数,包括试验电流、绕组的连接模式和相对位置以及变比等。
2.进行变压器空载试验,记录各测点的电压和相位值。
3.按照试验参数设置电流,对绕组进行加载试验。
4.在继电器的输出端口测量电流,计算误差。
5.比较计算得到的误差与设定的误差范围,如误差在合理范围内,则差动保护正常。
第四,保护性校验试验。
该试验是通过在差动保护系统感应线圈内引入额外的故障源,观察差动保护系统的动作情况,以确保差动保护装置对变压器故障进行准确快速的切除。
1.在差动保护系统的感应线圈内接入故障源。
2.设置故障源的类型和参数,例如短路故障。
3.观察差动保护系统的动作情况,包括动作时间、动作电流等。
4.比较观察结果与设定的保护动作要求,如满足要求,则差动保护正常。
总结起来,变压器差动保护试验方法主要包括绕组电压比差动试验、同侧相位关系试验、误差变换试验以及保护性校验试验等。
数字式发电机、变压器差动保护试验方法变压器、发电机的电气主保护为纵向电流差动保护,该保护原理成熟,动作成功率高,从常规的继电器保护到晶体管保护再到现在的微机保护,保护原理都没有多大改变,只是实现此保护的硬件平台随着电子技术的发展在不断升级,使我们的日常操作维护更方便、更容易。
传统继电器差动保护是通过差动CT的接线方式与变比大小不同来进行角度校正及电流补偿的,而微机保护一般接入保护装置的CT全为星型接法,然后通过软件移相进行角差校正,通过平衡系数来进行电流大小补偿,从而实现在正常运行时差流为零,而变压器内部故障时,差流很大,保护动作。
由于变压器正常运行和故障时至少有6个电流(高、低压侧),而我们所用的微机保护测试仪一般只能产生3个电流,因此要模拟主变实际故障时的电流情况来进行差动试验,就要求我们对微机差动保护原理理解清楚,然后正确接线,方可做出试验结果,从而验证保护动作的正确性。
我们以南京自动化设备总厂电网控制技术有限公司的ND300系列的发变组差动保护为例来具体说明试验方法,其他厂家的应该大同小异。
这里我们选择ND300系列数字式变压器保护装置中的NDT302型号作为试验对象。
该型号的差动保护定值(已设定)如下:NDT302变压器保护装置保护定值单根据上面变压器的参数可以求出差动高压侧CT变比为:Th=200/5=40,差动低压侧CT 变比为:Tl=600/5=120。
主变高压侧一次额定电流为:Ih=5×106/(3×35×103)=82.48A,主高压侧二次额定电流为:Ihe=82.48/40=2.05A,则定值中的Ie=3×Ihe=3.56A,这里一定要注意Ie与Ihe的区别,Ie是Ihe移相后的值,因此有个3倍,由于厂家不同,对此定义可能会有出入,下面会通过向量图具体分析。
低压侧一次额定电流为:Il=5×106/(3×10×103)=288.68A, 低压侧二次额定电流为:Ile=288.68/120=2.41A。
差动保护试验方法差动保护是电力系统中常用的一种保护方式,主要用于检测并定位电力系统的故障。
差动保护试验旨在验证差动保护系统的性能,确保在故障发生时能够及时、准确地切除故障部分,保护电力系统的安全运行。
1.整定试验:差动保护的整定是指根据系统参数和故障情况,确定差动保护系统的各个参数和阈值。
整定试验中主要包括设定电流试验、设定时间试验和设定阻抗试验。
设定电流试验通过改变电压、电流的变化,验证差动保护系统对不同故障情况的反应,以确定设定电流的准确值。
设定时间试验主要通过改变故障发生时的切除时间,验证差动保护的动作时间和灵敏度。
设定阻抗试验是为了验证差动保护系统的阻抗设定是否合理。
2.稳定性试验:差动保护系统的稳定性是指系统在发生故障时,能够正确地切除故障部分,而不会对正常运行的系统造成误动作。
稳定性试验主要包括对称负荷试验和非对称负荷试验。
对称负荷试验是通过改变系统的负荷情况,验证差动保护系统对不同负荷的响应情况,以确保系统在正常运行负荷下不会误动作。
非对称负荷试验是通过改变系统的负荷不平衡情况,验证差动保护系统对非对称故障的切除能力。
3.真实故障试验:差动保护系统的真实故障试验是为了验证差动保护系统对实际系统故障的响应能力。
真实故障试验通过在系统中引入各种类型的故障,并观察差动保护的动作情况,以验证差动保护系统对不同类型故障的切除能力和灵敏度。
4.抗干扰试验:差动保护系统的抗干扰能力是指在存在干扰信号的情况下,保护系统能够正常工作的能力。
抗干扰试验主要包括干扰源试验和抗干扰试验。
干扰源试验是通过在系统中加入各种类型的干扰源,观察差动保护系统的响应情况,以评估差动保护系统的抗干扰能力。
抗干扰试验是通过在差动保护系统的输入端引入干扰信号,并观察系统的响应情况,以评估差动保护系统的抗干扰能力。
差动保护试验主要包括实验前的准备工作、试验方案的制定、试验设备的准备和试验结果的分析等步骤。
实验前的准备工作主要包括对保护装置的检查和维护、系统参数和故障类型的确定等。
变压器差动保护校验方法变压器差动保护是变压器保护中常用的一种保护方式,它能够有效地检测变压器内部的故障,并及时采取措施,保护变压器的安全运行。
而差动保护的准确性和可靠性则需要通过校验方法进行验证。
变压器差动保护校验方法主要包括以下几个方面:一、校验差动保护系统的接线是否正确。
差动保护系统由变压器主绕组、变压器副绕组和差动保护装置组成,其接线的准确性对于保护系统的正常运行至关重要。
在校验中,需要检查差动保护装置与主、副绕组的连接是否正确,保证信号的准确传递。
二、校验差动保护装置的参数设置是否合理。
差动保护装置中包含了多个参数,如差动电流定值、时间定值等,这些参数的设置对于差动保护的灵敏度和可靠性有着重要影响。
在校验中,需要根据变压器的实际情况,结合差动保护装置的技术要求,合理设置差动保护装置的参数。
三、校验差动保护系统的测试功能是否正常。
差动保护装置通常具备自检功能和定期测试功能,通过这些功能可以检测差动保护系统是否正常工作。
在校验中,需要对差动保护装置进行自检,并定期进行测试,确保差动保护系统的测试功能正常。
四、校验差动保护系统的可靠性和稳定性。
差动保护系统的可靠性和稳定性是保证变压器正常运行的关键因素。
在校验中,需要进行一系列的实验和测试,如故障模拟测试、动作试验等,以验证差动保护系统的可靠性和稳定性。
通过以上校验方法,可以有效地验证变压器差动保护的准确性和可靠性。
在实际应用中,校验工作应该与差动保护装置的选型、安装和调试配合进行,确保差动保护系统的正常运行。
变压器差动保护校验方法是保证差动保护系统正常运行的重要环节。
通过正确的接线、合理的参数设置、正常的测试功能以及可靠的可靠性和稳定性测试,可以保证差动保护系统的准确性和可靠性。
在实际应用中,需要严格按照校验方法进行操作,并不断总结和改进,提高差动保护系统的性能和可靠性,以确保变压器的安全运行。
变压器差动保护校验方法变压器差动保护是一种常用的电力系统保护方式,用于检测变压器的内部故障并及时采取保护措施,避免故障扩大导致设备损坏甚至事故发生。
为了确保差动保护的准确性和可靠性,需要进行校验。
变压器差动保护的校验方法主要包括以下几个方面:1. 参数设置校验:差动保护系统的参数设置是保证其正常运行的基础。
在校验过程中,应对差动保护装置的参数进行检查和确认,包括变压器的额定电压、额定容量、变比等参数,确保与实际情况相符。
同时,还需要校验差动保护装置的动作电流、动作时间等设置参数,确保其与设备的故障特性相匹配。
2. 运行情况监测:差动保护装置应能实时监测变压器的运行情况,包括电流、电压、温度等参数。
校验时,需要检查差动保护系统的监测功能是否正常,监测数据是否准确可靠。
此外,还需要检查差动保护装置与变压器之间的连接线路是否良好,是否存在接触不良或线路故障等情况。
3. 动作特性校验:差动保护是通过检测电流差值来判断设备是否发生故障的。
在校验过程中,需要模拟不同类型的故障,如短路、接地故障等,观察差动保护装置的动作情况是否符合预期。
同时,还需要校验差动保护装置的灵敏度和可靠性,确保在故障发生时能及时动作,保护设备安全。
4. 报警和保护功能校验:差动保护装置应具备报警和保护的功能,当设备发生故障时能及时报警并采取保护措施。
在校验过程中,需要检查差动保护装置的报警和保护功能是否正常,是否能准确判断故障类型,并能发出相应的报警信号或动作指令。
5. 联锁功能校验:差动保护装置通常需要与其他保护装置进行联锁,以实现全面的保护。
在校验过程中,需要检查差动保护装置的联锁功能是否正常,是否与其他保护装置实现了正确的联锁逻辑。
同时,还需要校验差动保护装置的自检功能和自动复归功能,确保系统能够及时发现故障并自动进行恢复。
变压器差动保护的校验方法是一个多方面的工作,从参数设置到运行情况监测,再到动作特性、报警保护以及联锁功能的校验,需要全面而系统地检查差动保护装置的各项功能和性能。
变压器保护整定中的差动保护的整定与校验方法在变压器保护装置中,差动保护是一种常见且重要的保护方式。
为了确保差动保护能够发挥其应有的保护作用,需要对差动保护进行整定和校验。
本文将从整定和校验两个方面介绍变压器差动保护的相关方法。
一、差动保护的整定方法差动保护的整定是为了确保在变压器正常运行时不发生误动作,同时能够在发生故障时能够准确可靠地动作。
以下是差动保护整定的一般步骤:1. 确定保护区域:根据变压器的接线图和实际情况,确定差动保护所要覆盖的保护区域。
通常情况下,保护区域应包括变压器的高压侧和低压侧。
2. 确定整定电流:根据变压器的额定电流和负载情况,确定差动保护的整定电流。
整定电流一般设置为变压器额定电流的百分之几,具体数值根据实际情况而定。
3. 确定动作特性:根据差动保护的动作特性曲线,确定差动保护的整定参数。
常见的动作特性曲线有梯形曲线、平板曲线等,具体选择应考虑变压器的性能和运行要求。
4. 确定整定参数:根据变压器的特性、接线方式和运行要求,确定差动保护的整定参数。
整定参数包括时间定值、灵敏系数等,可以根据经验值或者故障模拟等方法确定。
二、差动保护的校验方法差动保护的校验是为了验证整定参数的准确性和保护装置的可靠性。
以下是差动保护校验的一般步骤:1. 检查接线:首先,检查差动保护装置的接线情况,确保连接正确可靠。
同时,还应检查变压器主绕组和各侧绕组之间的连接,确保变压器内部电路的连通性。
2. 模拟故障:通过模拟故障的方式进行校验,例如在变压器的高压侧或低压侧接入故障电阻、故障电容等。
模拟故障时,需要记录差动保护的动作时间和动作电流,与整定参数进行对比。
3. 调整整定参数:如果校验结果与整定参数存在较大偏差,需要进行整定参数的调整。
可以通过调整灵敏系数、时间定值等参数来准确匹配差动保护的整定与校验结果。
4. 验证保护可靠性:校验完成后,需要进行保护可靠性的验证。
可以通过变压器的正常运行和模拟故障实验等方式来验证差动保护的可靠性和准确性。
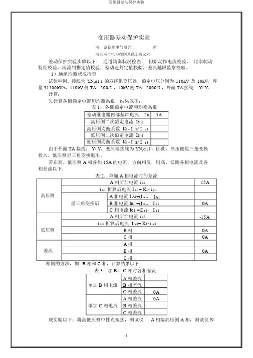
变压器差动保护实验南京钛能电气研究所南京南自电力控制系统工程公司差动保护实验步骤以下:通道均衡状况检查,初始动作电流校验,比率制动特征校验,涌流判据定值校验,差动速判定值校验,差流越限监察校验。
1)通道均衡状况检查试验举例。
接线为YN,d11 的双绕组变压器,额定电压分别为110kV 及10kV,容量 31500kVA,110kV侧 TA:200/5 ,10kV 侧 TA:2000/5 ,外面 TA接线: Y/ Y。
计算:先计算各侧额定电流和均衡系数,结果以下:表 1:各侧额定电流和均衡系数差动继电器内部基准电流I B5A高压侧二次额定电流 Ie 1高压侧均衡系数 K1= I B/ I e1低压侧二次额定电流 Ie 3低压侧均衡系数 K3= I B/ I e3由于外面 TA 接线: Y/ Y,变压器接线为 YN,d11,因此,高压侧星三角变换投入,低压侧星三角变换退出。
若在高、低压侧 A 相各加 15A 的电流,方向相反,则高、低侧各相电流及各相差流以下:高压侧低压侧差流表 2:单加 A 相电流时的差流A 相所加电流 i a115Ai a1折算后电流 I a1= K1* i a1A 相电流 I A1=(I a1-I b1星三角变换后 B 相电流 I B1 =(I b1-I c10AC 相电流 I C1 =(I c1-I a1A 相所加电流 i a3-15Ai a3折算后电流 I a3= K3* i a3B 相0AC 相0AA 相B 相0AC 相相同的方法,加 B 相和 C 相,计算结果以下:表 3:加 B、 C 相时各相差流A 相差流单加 B 相电流 B 相差流C相差流0AA 相差流0A单加 C 相电流 B 相差流C相差流现实验以下:将高低压侧中性点短接,测试仪 A 相接高压侧 A 相,测试仪 N相接低压侧 A 相。
观察装置显示的差流,并记录;相同的方法测 B 相和 C 相。
表 4:通道均衡测试实验A相差流 B 相差流C相差流计算值实验值计算值实验值计算值实验值双侧加 A 相0A双侧加 B 相0A双侧加 C 相0A若计算值和实验结果基实情同,说明均衡系数正确,通道已调均衡。
变压器差动保护校验方法变压器差动保护是电力系统中常用的一种保护方式,它在变压器的正常运行和保护方面起着重要的作用。
为了确保差动保护的准确性和可靠性,需要进行校验。
本文将介绍变压器差动保护校验的方法。
一、差动保护的基本原理变压器差动保护是利用变压器两侧电流的差值来判断变压器是否发生故障。
当变压器正常运行时,两侧电流的差值非常小,接近于零;而当变压器发生故障时,差流会显著增大。
通过监测差流的大小,可以及时判断变压器是否存在故障,并采取相应的保护措施。
二、差动保护校验的目的差动保护校验的目的是验证差动保护的准确性和可靠性,确保其在变压器故障时能够及时、准确地判断并进行保护动作。
校验的过程主要包括以下几个方面:差动保护装置的参数设置、差动电流互感器的校验、差动保护装置的动作试验等。
三、差动保护装置的参数设置差动保护装置的参数设置是差动保护校验中的重要环节。
首先需要根据变压器的额定容量、变比等信息,计算出合适的参数值。
具体的参数包括:差动电流互感器的一次/二次变比、滞后/超前动作角、差动电流保护装置的动作电流等。
在设置这些参数时,需要参考相关标准和规范,确保参数的合理性和正确性。
四、差动电流互感器的校验差动电流互感器是差动保护中的重要组成部分,其准确性直接影响到差动保护的可靠性。
为了保证差动电流互感器的准确性,需要进行定期的校验。
校验的方法主要有:比率校验、相位校验和零序校验。
比率校验是通过比对互感器的一次/二次电流比值,判断其准确性;相位校验是通过比对互感器的一次/二次电流相位差,判断其准确性;零序校验是通过比对互感器的零序漏电流,判断其准确性。
五、差动保护装置的动作试验差动保护装置的动作试验是校验差动保护的有效手段之一。
在试验时,需要模拟变压器的故障情况,观察差动保护装置的动作情况。
常用的试验方法包括:一次侧短路试验、二次侧短路试验和变压器内部故障试验。
试验时需要注意安全,确保试验过程的可靠性和准确性。
变压器差动保护试验接线及测试方法下载温馨提示:该文档是我店铺精心编制而成,希望大家下载以后,能够帮助大家解决实际的问题。
本文下载后可定制随意修改,请根据实际需要进行相应的调整和使用,谢谢!并且,本店铺为大家提供各种各样类型的实用资料,如教育随笔、日记赏析、句子摘抄、古诗大全、经典美文、话题作文、工作总结、词语解析、文案摘录、其他资料等等,如想了解不同资料格式和写法,敬请关注!Downloaded tips: This document is carefully compiled by the editor. I hope that after you download them, they can help you solve practical problems. The documentscan be customized and modified after downloading, please adjust and use it accordingto actual needs, thank you!In addition, our shop provides you with various types of practical materials, suchas educational essays, diary appreciation, sentence excerpts, ancient poems, classic articles, topic composition, work summary, word parsing, copy excerpts, other materials and so on, want to know different data formats and writing methods, please pay attention!差动保护是电力系统中一项关键的保护措施,它能够有效地检测和定位电力系统中的故障,并及时采取措施以保护设备和人员的安全。
我们知道,变压器、发电机的电气主保护为纵向电流差动保护,该保护原理成熟,动作成功率高,从常规的继电器保护到晶体管保护再到现在的微机保护,保护原理都没有多大改变,只是实现此保护的硬件平台随着电子技术的发展在不断升级,使我们的日常操作维护更方便、更容易。
传统继电器差动保护是通过差动CT的接线方式与变比大小不同来进行角度校正及电流补偿的,而微机保护一般接入保护装置的CT全为星型接法,然后通过软件移相进行角差校正,通过平衡系数来进行电流大小补偿,从而实现在正常运行时差流为零,而变压器内部故障时,差流很大,保护动作。
由于变压器正常运行和故障时至少有6个电流(高、低压侧),而我们所用的微机保护测试仪一般只能产生3个电流,因此要模拟主变实际故障时的电流情况来进行差动试验,就要求我们对微机差动保护原理理解清楚,然后正确接线,方可做出试验结果,从而验证保护动作的正确性。
下面我们以国电南京自动化设备总厂电网公司的ND300系列的发变组差动保护为例来具体说明试验方法,其他厂家的应该大同小异。
这里我们选择ND300系列数字式变压器保护装置中的NDT302型号作为试验对象。
该型号的差动保护定值(已设定)见表1:表1NDT302变压器保护装置保护定值单下面我们先来分析一下微机差动保护的算法原理(三相变压器)。
这里以Y/△-11主变接线为例,传统继电器差动保护是通过把主变高压侧的二次CT接成△,把低压侧的二次CT接成Y型,来平衡主变高压侧与低压侧的30度相位差的,然后再通过二次CT变比的不同来平衡电流大小的,接线时要求接入差动继电器的电流要相差180度,即是逆极性接入。
具体接线见图1:图1而微机保护要求接入保护装置的各侧CT均为Y型接线,显而易见移相是通过软件来完成的,下面来分析一下微机软件移相原理。
ND300系列变压器差动保护软件移相均是移Y型侧,对于∆侧电流的接线,TA二次电流相位不调整。
电流平衡以移相后的Y型侧电流为基准,△侧电流乘以平衡系数来平衡电流大小。
完整的变压器差动保护调试和验证方法变压器差动保护是保护变压器正常运行和防止故障的重要措施之一、它通过比较发往变压器和变压器的输出之间的差异来判断变压器是否发生故障。
下面将详细介绍变压器差动保护的调试和验证方法。
一、调试方法1.检查安装位置:首先需要检查变压器差动保护的安装位置,确保安装位置正确,设备与变压器之间的连接线路正确牢固。
2.检查接线:仔细检查变压器差动保护设备的接线是否正确,包括数字量输入和输出模块、变压器接线柜中的CT(电流互感器)接线等。
3.测试连接:将模拟量和数字量的连接进行测试,确保变压器差动保护设备可以正常接收和处理来自CT和PT(电压互感器)的模拟量信号。
4.参数设置:根据实际情况,设置变压器差动保护设备的参数,包括差动保护动作电流、动作时间等参数。
5.检查稳态运行:确认变压器正常运行后,记录各相电流、相电压、接地电流等参数,以便日后与故障时的参数进行对比分析。
6.切换至差动模式:通过操作变压器差动保护设备的面板,将其切换至差动保护模式。
7.测试差动保护:模拟一次变压器内部故障,注入差动电流,观察差动保护设备是否能够及时动作,并通过信号输出模块输出信号。
8.人工确认:在差动保护动作后,需要手动确认是否为真实故障,避免误动作。
二、验证方法1.发电机保护功能测试:通过模拟发电机运行现场的实际运行条件,注入不同频率和不同相位的模拟量信号,检查差动保护设备的保护功能是否正常。
2.发电机保护动作测试:通过模拟故障信号,注入差动保护设备,观察差动保护设备是否能够及时动作,并且是否正确地输出保护信号。
3.发电机保护恢复测试:在发电机保护动作后,检查差动保护设备的复位功能是否正常,保护信号是否正确地恢复至正常状态。
4.防误动能力测试:通过模拟故障信号注入,检查差动保护设备的防误动能力,确保在正常工作状态下不会误动作。
5.与其他保护设备协调运行测试:检查差动保护设备与其他保护设备的协调运行情况,包括过电流保护、过温保护等。
变压器比率差动保护的校验方法一、一次侧和二次侧线圈变比校验一、变压器一次侧和二次侧线圈的变比校验是差动保护校验的基础,通过检查变压器的一次侧和二次侧线圈的额定变比是否一致,可以确定差动保护的校验结果。
1.校验仪器准备:需要准备一个变比表或变比测试仪,这个仪器可以测量一次侧和二次侧的变比是否一致。
2.操作步骤:(1)将一次侧的一个线圈与测试仪连接,将另一个线圈与二次侧的变比表或变比测试仪连接。
(2)将测试仪或变比测试仪的探头放在一次侧的一个线圈上,观察到的变比应该是变压器一次侧的额定变比。
(3)将变比表或变比测试仪的探头放在二次侧的一个线圈上,观察到的变比应该是变压器二次侧的额定变比。
(4)将测试结果与变压器铭牌上的额定变比进行比较,如果误差在允许范围内,说明差动保护线圈的变比校验合格。
(5)如果测试结果不在允许范围内,说明差动保护线圈的变比存在问题,需要进一步检查和修复。
二、差动流保护测试方法差动流保护是变压器差动保护的核心部分,通过对差动电流进行监测和比较,来判断变压器是否存在故障或事故。
差动流保护测试的目的是验证差动保护的准确性和可靠性。
1.测试仪器准备:需要准备一个差动流模拟器和一个差动保护测试仪。
2.操作步骤:(1)首先检查差动保护测试仪的工作状态和参数设置,确保测试仪能正常工作。
(2)将差动流模拟器的模拟电流线圈与变压器的一次侧和二次侧线圈连接。
(3)根据变压器的额定容量和负载情况,设置差动流模拟器输出的模拟差动电流。
(4)观察差动保护测试仪的显示结果,如果差动电流的值与设置的模拟值相等或非常接近,并且没有误差报警,说明差动保护的测试合格。
(5)如果测试结果不符合要求,说明差动保护的测试不合格,需要进一步检查和调整。
三、变压器有载分接开关检查变压器有载分接开关是变压器调整电压比例的重要设备,也会影响差动保护的工作方式和准确性。
因此,对有载分接开关进行定期检查和校验是一种有效的差动保护校验方法。
RCS-985发变组保护装置调试方法发变组差动保护的调试方法1.1 差动保护的介绍RCS-985发变组保护配置的发电机差动、发电机变压器组差动、变压器差动、高厂变差动和励磁变差动保护均是以差动各侧的电流有名值(单位为Ie )计入计算的。
发变组差动、主变差动、高厂变差动和励磁变差动的差动电流Id 和制动电流Ir 计算公式如下:⎪⎪⎩⎪⎪⎨⎧++++=++++=•••••54321543212I I I I I I I I I I I I d r 发电机差动保护、励磁机差动保护的机端和中性点电流,发电机裂相横差保护的中性点侧两分支组电流均为同极性接入装置,则⎪⎪⎩⎪⎪⎨⎧-=+=••••21212I I I I I I d r 比率差动动作特性如图:比率差动保护的动作特性IenIeIcdsdIcdqdIdIrKbl1Kbl2动作区制动区速断动作区1.2比率差动博电自动试验步骤:1.2.1 调试说明RCS-985装置要求变压器、发电机各侧电流互感器二次均采用星形接线,其二次电流直接接入本装置。
变压器各侧TA二次电流相位由软件自调整。
对于接线方式为Y/D-11型主变的比率差动试验时,继保调试仪在主变高压侧与主变低压侧(即指发电机中性点或高厂变高压侧或高厂变低压侧)应加两相独立电流的关系为AN-ac、BN-ba、CN-cb,两相电流之间相角由保护测试仪自动输出。
对于发电机差动保护,应在发电机机端和中性点分别按照AN-an、BN-bn、CN-cn的对应关系接入试验测试线。
1.2.2 比率差动试验接线如下图:(以发变组差动保护为例)以主变高压侧和发电机中性点侧两侧比率差动试验为例1.2.3比率差动制动特性曲线自动测试项目步骤:1、进入差动保护测试项目菜单,选择比例制动边界搜索测试项目2、选择保护对象项目,选择高、低压侧的接线方式:Y-D11、平衡系数根据两侧额定电流计算得到,转角设置为高压侧。
(对于发电机差动来讲,接线方式为Y-Y,平衡系数为1:1,CT极性定义:外部故障为正极性。
3040A(V3.0)差动保护实验方案 1装置设置定值表需设差动速断,比率差动启动值、拐点值、制动系数,一侧一次额定电压,一侧CT 变比,一侧调整方式,二侧一次额定电压,二侧CT 变比,二侧调整方式。
投退表将差动速断、比率差动投入。
出口表请按图纸设置。
2 调整方式说明我方装置采用Y 侧向角侧相位校正的方法。
即:角侧调整方式为零,Y 侧调整方式遵循:接线调整方式整定为0:相位外部已调整好,内部不需调整。
接线调整方式整定为1(Y→△-11): a I '=a I ∙-b I ∙,b I '=b I ∙-c I ∙, c I '=c I ∙-a I ∙;接线调整方式为整定2(Y→△-1 ): a I '=a I ∙-c I ∙,b I '=b I ∙-a I ∙, c I '=c I ∙-b I ∙;接线调整方式整定为3(Y→△-7 ): a I '=c I ∙-a I ∙,b I '=a I ∙-b I ∙, c I '=b I ∙-c I ∙; 接线调整方式整定为4(Y→△-5 ): a I '=b I ∙-a I ∙,b I '=c I ∙-b I ∙, c I '=a I ∙-c I ∙。
△ →Y-11接线等同于Y→△-13 差动保护试验对于三侧差动保护试验,先做高压-低压两侧差动,再做中压—低压两侧差动。
以高压—低压差动为例,将各侧断路器合闸,各侧电流线加到对应装置接线排,然后给测试仪加电,由于测试仪品牌不同,具体细节设置不同,可参考昂立培训手册P155 ,测试仪即可自动测出特性曲线,完成试验。
如果测试仪不能同时加三相电流,可采用分相差动试验,这时要注意端子排接线,可参考昂立培训手册P160。
发变组差动保护测试的方法和步骤
摘要:本文介绍了组发电机差动保护的基本配置方案。
通过对差动速断保护和
比例差动保护的制动面积进行分析,测试了比率制动差动保护原理并对发电机差
动保护的简易型测试方法和步骤进行了讨论。
关键词:发变组;差动保护;发电机
引言随着我国电力工业的迅猛发展 ,发电机也时刻受到外界负荷的影响。
为了保证供电
的可靠性和连续性,必须对电力发电机继电保护装置的性能和动作可靠性做出相应的严格设置。
1.发电机差动保护的原理与配置
发电机纵差动保护是发电机的主保护,它采集发电机定子绕组两端的电流。
如图1所示:发电机中性点侧和发电机出口断路器的各安装了一组电流互感器,它的二次侧输出直接
连接到发电机的主保护装置。
根据两侧的电流相量差和差动保护整定值来决定是否动作。
在
正常情况下,中性侧电流和出口侧的电流是大小相等,方向相同,两侧的差动电流是零。
当
相间短路故障发生时,两侧的电流互感器的短路电流均流向短路点。
此时,两侧电流的方向
相反,所以差动电流将不再为零。
事实上,由于类型、特性等存在不同,两侧的电流互感器存在一些差异。
在正常情况下,两侧的每相绕组一次侧电流是相同的,但二次侧电流也可能存在不平衡电流。
因此,对差动
保护动作电流的整定值不能太小,以躲开不平衡电流。
根据上面的整定方法,可能导致差动保
护不能动作,需要等待故障进一步发展后,保护才能动作。
但到那个时候,发电机可能已经
造成了巨大的伤害。
第三部分的动作区域包含比率制动差动保护和差动速断保护,只要任一条件满足,保护将会
动作。
2.发电机微机保护的测试方法
测试分为比率制动差动保护和差动速断保护两部分分别测试,其完整的测试连接如图3
所示。
整定定值为,
根据测试结果表1的连接,正确设置系统保护装置的参数,可以使比率制动差动保护和
差动速断保护正确动作。
3.简易型比率制动差动保护的测试方法和流程
对于中小机组来说,由于测试设备较为简单,可以使用固定制动电流,改变差动电流,
寻找差动保护动作的关键点来判断保护是否正确动作,即为简易型保护测试方法。
(1)保护测试接线如图3所示,IA和IB是保护测试仪连接保护装置的差动保护电流输入,并根据正确的极性分别设定IA和IB的相角。
(2)向保护测试仪输入IA=1.5A,IB=0.5A,IA和IB的相角根据极性来设定。
在保护测试
仪中设置IA、IB的电流步长为0.01A。
在测试过程中使用手动功能增加/减少电流,使制动电
流不变,可以实现锁定制动电流Ir为2.0A如图4所示。
然后逐渐增加差动电流Id,找到并
验证差动保护制动特性的当前值。
图4 比率制动差动保护的动作特性
采用手动调整电流的测试方法,首先用手动逐步减小测试电流,使IA=1.3A,IB=0.7A,然后将测试电流加入保护装置。
此时Ir=2.0A,Id=0.6A,而且Id>Id0,但根据比率制动特性,保
护装置应可靠的不动作。
当采用手动调整逐渐增加电流IA,沿垂线找到相应的差动保护电流。
观察交流采样结果和差动保护电流、制动电流的计算值,记录当前保护的动作值。
根据灵敏
度要求,当差动电流为整定值的95%时,保护装置应可靠的没有不动作。
根据上述方法进行实际测试,采用博电PW30保护测试仪对差动保护测试,试验结果如
表2所示。
从测试结果可以看出,当Ir < Ir0和Ir = Ir0时,保护动作完全正确,与图4的保护特性完全相符。
当Ir >Ir0时,制动系数K的计算值与测量值基本一致,随着制动电流增加,误差越来越小。
为了提高测试结果的准确性,可以使用较小的步长增加/减少测试的电流。
(3)验证正确性后,将保护装置的跳闸出口连接到保护测试仪,加入Ir=2.0A,Id=1.05A 电流,根据表2的计算,IA=1.525A,IB=0.475A.将IA、IB输入保护装置中,开始进行动作时间的测试。
保护测试仪记录从加入1.05倍整定值的动作电流开始,到保护装置跳闸出口的时间。
根据规程的规定,保护装置应具有速动性,其动作时间应小于40ms。
(4)根据表2,在比率制动差动保护的范围内,继续验证其保护动作的准确性、灵敏性和速动性。
4.结论
发电机差动保护是发电机组的主保护,其可靠性和灵敏度直接关系到发变组和电网的安全。
因此,电厂应定期进行认真和详细的保护测试,特别是对主保护,以确保保护装置准确和可靠的动作。