工程量清单及工程量计算规则案例.
- 格式:ppt
- 大小:382.54 KB
- 文档页数:10
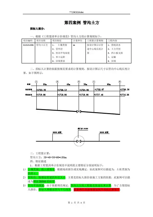
第四案例 管沟土方招标人部分:二、招标人计算的依据按规范要求的计算规则,按设计图示尺寸以管沟中心线长度计算,如下图所示:距离阀门井 D1500三、工程量计算:管沟土方:50+40+30+60=180m 四、特征描述1、 根据工程量清单计价规范中说明的主要特征分别说明如下:1) 土壤类别:指土质情况,根据地质报告或实地测定。
如此案例可以描述为,土质类别为四类土。
2) 管外径:指埋设管道的外径大小,主要是投标人报价做施工方案的依据,此案例可以描述为埋设DN300的砼管。
3) 挖沟平均深度:由于依据规范规定,管沟土方的工程量是按延长米计算,为了方便投标人报价,招标人得描述管沟平均深度。
此案例平均深度按加权平均法计算如下:4)弃土运距:指余土的运输距离。
招标人能够明确具体的运输距离,在特征描述中说明运输距离,如果不能明确具体的运输距离,可以不描述,投标人根据实际进行运输,并把运输费用包括在报价内。
此案例,招标人规定运输距离为5Km。
5)回填要求:指管沟的回填的具体要求,管沟回填土质不能为杂填土。
根据当地的地质资料,此管沟的土质良好,可以就地回填。
五、此案例工程量清单如下表:六、上述是工程量清单的编制过程,此案例是一种土质,如果出现两种以上的土质,有时即有土又有石,此时,必须分别进行描述。
为了描述平均深度也有一定的难度,对于地形变化比较大的,很难描述清楚平均深度,这样除描述外,还得提供断面图等。
投标人部分:一、投标人对于管沟土方组价时,必须得到工程量清单,得到工程量清单如下:二、投标人得到清单后,得对清单工程量进行审核并计算方案工程量。
能过细致审核,招标人提供的工程量无误。
根据施工图及现场勘探,确定如下施工方案。
由于管沟比较窄,比较深,采用人工挖土,底宽为1米,放坡系数为2.5,土方工程量计算如下:1号至2号:(1+5.38×0.025)×5.38×50=305.18m3;2号至3号:(1+6.64×0.025)×6.64×40=309.69m3;3号至4号:(1+5.70×0.025)×5.70×30=195.37m3;4号至5号:(1+4.75×0.025)×4.75×60=318.84m3;人工挖四类管沟土方:305.18+309.69+195.37+318.84=1129.08 m3;余土外运土方:0.15×0.15×3.14×180+23(管沟支座所占土方)=35.72 m3;管沟回填夯实:1129.08-35.72=1093.36 m3;(管沟支座所占土方如何计算得来?)三、定额组价:1、由于工程量清单综合单价由人工费、材料费、机械费、管理费、利润并包括一定的风险,因此根据本企业的实际,确定管理费按直接费的5%计取,利润按直接费和管理费的总和的3%计取。
工程量清单案例--平整场地招标人部分:一、根据《工程量清单计价规范》平整场地的计算规则如下:二、招标人计算的依据按规范要求的计算规则,按设计图示尺寸以建筑物首层面积计算,单位为m 2,但存在一层阳台计不计算面积的问题,如下图所示:这样存在两种情况:第一种:一层阳台没有落地,是不计算面积:平整场地的工程量:12×4+2×4=56 m 2。
第二种:一层阳台落地,是要计算面积:平整场地的工程量:6×12=72 m 2。
三、从特征描述看,主要的特征是土壤类别,招标人得说明土壤类别,如上例可以认定为四类土。
从平整场地的本质来说,就是±300mm 以内的挖运夯填,但存在如下图的情况,就是全部为挖方或全部为填方。
也就是存在挖土外运或拉土回填。
第一种情况全部挖方,挖方的平均厚度为220mm第二种情况全部填方,填方的平均厚度为260mm 。
这是在描述特征名时必须要做到能够让投标方组价,投标方组价存在这两种情况是必须按立方米计算土方,主要存在挖填方及运输土方。
如何描述就存在以下几种情况:1、 招标人直接计算出土方量:第一种平整场地全部挖方工程量按阳台落地计算:72 ×0.22=15.84m 3。
第二种平整场地全部填方工程量按阳台落地计算:72 ×0.26=18.72m 3。
有时无法确定平均厚度就得按实测方格网计算。
即然有挖填就得有运距的问题,这又有两种情况:第一种招标人可以确定运距的,由招标人在特征说明进行描述,例如弃土运距为5Km ,或拉土回填运距为5Km 。
第二种招标人无法确定运距的,由投标人自行确定进行报价。
这样平整场地的工程量清单如下:2、招标人描述全部挖还是全部填,并且要说明挖方或填方的平均厚度,如下表平整场地的工程量清单如下:3、由于平整场地是一个面,由于高低不平,很难确定一个平均厚度,这时,招标人得提供投标方格网或场地断面图,是投标人在组价时计算组价工程量的依据。
工程量计算案例范文案例:地一座高层住宅小区的建设工程量计算一、项目背景二、工程量计算1.横向建筑工程量计算(1)高层住宅楼-结构工程量:主体结构总建筑面积×建筑面积综合系数×各项构件用量,其中建筑面积综合系数为1.2-安装工程量:根据建筑面积计算,包括电气安装、给排水等。
-装饰工程量:根据建筑面积计算,包括室内装修、外立面装饰等。
(2)商业综合体-结构工程量:主体结构总建筑面积×建筑面积综合系数×各项构件用量。
-安装工程量:根据建筑面积计算,包括空调、给排水等。
-装饰工程量:根据建筑面积计算,包括室内装修、外立面装饰等。
2.纵向建筑工程量计算考虑到该住宅小区将建设地下停车场,地上设有多层停车设施,还有电梯等垂直交通设备。
工程量计算包括:-结构工程量:地下停车场结构、多层停车设施结构等。
-安装工程量:电梯、空调、电气等。
-装饰工程量:室内装修、外立面装饰等。
3.基础设施工程量计算该住宅小区的基础设施包括供水、排水、供电、燃气等。
工程量计算包括:-水工程量:供水管道、供水设备、水泵等。
-排水工程量:排水管道、排水设备等。
-电工程量:电缆、电器设备等。
-燃气工程量:燃气管道、燃气设备等。
4.其他工程量计算为了满足住宅小区的运营需求,还需要考虑相关的其他工程量计算,包括绿化工程、道路工程、景观工程等。
三、总结该住宅小区的工程量计算涵盖了横向建筑、纵向建筑、基础设施以及其他工程的计算,这些数据将为项目实施提供参考,并为合理安排资源和制定预算提供支持。
工程量计算作为工程项目管理的一项重要任务,必须准确、细致地进行,以确保工程项目的顺利进行。
工程量计算案例1、某拟建工程,建筑面积为3852m2,按图算出一砖外墙为686.92 m2,木窗654.43 m2。
所选定的指标中,每100 m2建筑面积有一砖半外墙25.71 m2,钢窗15.50 m2,每100 m2概算造价为31868元,试求调整后每100 m2概算造价及拟建工程的概算造价。
解:概算指标调整详见下表,则每100 M2建筑面积调整概算造价=31868-3392+2244=30720元。
拟建工程的概算造价为38.52*30720=1183334.4元预算指标调整计算3 2-78 一砖半外墙M225.71 87.20 22424 4-90 钢窗M215.5 74.2 1150小结33922、已知某小区要建一座景观水池,根据施工图纸和设计说明书的内容得知:水池面积为600m2,周长100m,池深挖至1.5m,要求用20cm厚混凝土铺池底,50cm宽的黄石筑驳岸,且驳岸高出地面30cm,用外径Φ20cm的预制水泥管做溢水,长共10m。
已知某施工企业参与投标的综合单价为:机械挖土方(一类土)20元/ m3,铺混凝土100元/ m3,筑黄石驳岸180元/ m3,埋设水泥管80元/m。
试帮助该企业计算出工程造价,并编制工程量清单计价表。
解:序号项目编码项目名称计量单位工程数量综合单价(元)合价(元)1 010********* 挖土方一类土,深1.5mm3900 20 1800 2 050306301001 C20混凝土池底200厚m3120 100 12000 3 050203001001 石砌驳岸黄石,0.5mX1.8mX100mm390 180 16204 水泥溢水管外径Φ20cm,长10mm 10 80 800 合价16220 3、下图是某建筑物底面积的外边线尺寸,试计算其平整场地面积。
解: Sd=10.04×(5.2+5.84+10.06+5.84+2.5)+5.84×1.1×2=308.43(m2)场地平整按每边各增加2m范围的面积计算,考虑阳角和阴角处的增减面积相抵,则场地平整面积为:S=308.43+[(10.04+5.2+5.84+10.06+5.84+2.5)×2+1.1×4]×2+16=491.15(m2)4、某园林绿化工程涉及平整场地1000 m2,种植直径20cm香樟50株,直径12cm实生银杏11株,高度3.5m雪松5株,直径4cm的独本桂花10株,蓬径25cm高度30cm金叶女贞50 m2,蓬径25cm 高度30cm红花继木50 m2,喷播高羊茅草籽。
造价工程工程量计算实例假设有一座新建的办公楼,需要进行造价工程工程量计算。
下面是该项目的一个实例,以展示如何进行工程量计算。
1.地基基础工程量-打桩工程:根据设计要求,需要打30根钢筋混凝土桩。
每根桩的长度为15米,直径为1米。
根据单位长度占地面积为5平方米,可以得出总桩工程量为30*15*5=2250平方米。
-地下室开挖:根据设计要求,地下室的面积为1000平方米,深度为3米。
根据单位面积开挖量为1.5立方米/平方米,可以得出总开挖工程量为1000*3*1.5=4500立方米。
2.建筑工程量-门窗工程:根据设计要求,该办公楼的门窗数量为50个。
根据单位数量门窗用量为1个/平方米,可以得出总门窗工程量为50个。
3.安装工程量-电气安装工程:根据设计要求,该办公楼的电气安装包括照明、插座、空调等设备。
根据设计要求,照明设备数量为100个,插座数量为50个,空调设备数量为10个。
根据单位数量安装工程量为100个+50个+10个=160个。
-水暖安装工程:根据设计要求,该办公楼的水暖安装包括供水和排水管道。
根据设计要求,供水管道的长度为500米,排水管道的长度为800米。
根据单位长度安装工程量为500+800=1300米。
4.其他工程量-油漆工程:根据设计要求,需要进行室内外油漆。
根据设计要求,室内面积为2000平方米,室外面积为1500平方米。
根据单位面积油漆用量为0.2千克/平方米,可以得出总油漆工程量为2000*0.2+1500*0.2=700千克。
以上是该办公楼项目的一部分工程量计算实例。
工程量计算是建筑工程中非常重要的一环,它可以帮助项目管理人员合理安排工程时间、控制成本,并为项目的进展提供基础数据支持。
造价员考试复习案例一、土石方工程清单编制例题例1:某工程外墙外边线尺寸为36.24m ×12.24m ,底层设有围护栏板的室外平台共4只,围护外围尺寸为3.84m ×1.68m ;设计室外地坪土方标高为-0.15m ,现场自然地坪平均标高为-0.05m ,现场土方多余,需运至场外5km 处松散弃置,按规范编制该工程平整场地清单项目。
解:该工程按自然标高计算,多余土方平均厚度0.10m ,按题意需考虑外运。
工程量计算:平整场地:S =36.24×12.24+3.84×1.68×4=469.38m 2分部分项工程量清单 表1-1序号项目编码项目名称计量单位工程数量1010101001001平整场地,余土平均厚度0.1m ,外运距离5km 处松散弃置m 2469.38例2:如图,某房屋工程基础平面及断面如图,已知:基底土质均衡,为二类土,地下常水位标高为-1.1m ,土方含水率30%;室外地坪设计标高-0.15m ,交付施工的地坪标高-0.3m ,基坑回填后余土弃运5km 。
试计算该基础土方开挖工程量,编制工程量清单。
解:本工程基础槽坑开挖按基础类型有1-1、2-2和J -1三种,应分别列项。
工程量计算:挖土深度=1.6-0.3=1.30 m1、断面1-1:L =(10+9)×2-1.1×6+0.38=31.78m (0.38为垛折加长度) V =31.78×1.4×1.3=57.84m 3其中:湿土 V =31.78×1.4×0.5=22.25m 32、断面2-2:L =9-0.7×2+0.38=7.98m图4-1V =7.98×1.6×1.3=16.60m 3 其中:湿土 V =7.98×1.6×0.5=6.38m 33、J -1: V =2.2×2.2×1.3×3=18.88m 3 其中:湿土 V =2.2×2.2×0.5×3=7.26m 3根据工程量清单格式,编制该基础土方开挖工程量清单如下表:分部分项工程量清单表1-2序号项目编码项目名称计量单位工程数量1010101003001挖1-1有梁式钢筋砼基槽二类土方,基底垫层宽度1.4m ,开挖深度1.3m ,湿土深度0.5m ,土方含水率30%,弃土运距5kmm 357.842010101003002挖2-2有梁式钢筋砼基槽二类土方,基底垫层宽度1.6m ,开挖深度1.3m ,湿土深度0.5m ,土方含水率30%,弃土运距5kmm 316.603010101003003挖J -1钢筋砼柱基基坑二类土方,基底垫层2.2m ×2.2m ,开挖深度1.3m ,湿土深度0.5m ,土方含水率30%,弃土运距5km m 318.88例3:某工程室外排水管道WSI ,工程量80m (含窨井),采用外径450mm 水泥涵管直铺。
第一部分:给排水安装工程一.排水管道工程量计算:1 排水管道工程量计算规则(其他工程量计算规则详见清单细目指南及消耗量定额):清单计算规则:按设计图示管道中心线长度以延长米计算,不扣除管件所占的长度。
定额计算规则:按设计图示管道中心线长度以延长米计算,不扣除管件所占的长度。
2 主管工程量计算:DN150-UPVC排水管(水平段):0.3+1.5=1.80(m) [注:室内管道从外墙皮1.5m开始计算] (定额量=清单量)DN150-UPVC排水管(竖直段):0.95+11.4+2.0=14.35(m)(定额量=清单量)钢套管DN200:2(个)×0.15=0.30(m)(定额量)[注:该工程量为穿非屋面楼板处埋设钢套管,板厚考虑100mm,钢套管长度计算150mm,未考虑装修厚度]DN200钢性防水套管:1(个)(定额量)[注:该工程量为穿屋面楼板处埋设钢性防水套管数量]注:工程量计算未考虑土方相关工程量。
3 排水支管工程量计算:3.1一层卫生间排水支管工程量计算:DN50-UPVC排水管:0.8+2.2+0.35=3.35(m)(定额量=清单量)DN100-UPVC排水管:0.2+0.8+0.35=1.35(m)(定额量=清单量)蹲便器:1(套)(定额量=清单量)洗脸盆:1(套)(定额量=清单量)3.2 二、三层卫生间排水支管DN50-UPVC排水管:(1.2+0.65+0.38+0.1+0.5+0.34+1.4+0.5×9+0.15)×2=18.44(m)(定额量=清单量)DN75-UPVC排水管:(3.1+0.34+0.65+0.45)×2 =9.08(m)(定额量=清单量)DN100-UPVC排水管:(0.6×2+0.5+0.42+0.32+0.25×2+0.9+0.75+0.5×6)×2 =15.18(m)(定额量=清单量)DN150-UPVC排水管:0.38×2=0.76(m)(定额量=清单量)蹲便器:4×2=8(套)(定额量=清单量)洗脸盆:1×2=2(套)(定额量=清单量)DN100清扫口:2×2=4(个)(定额量=清单量)立式小便器:3×2=6(套)(定额量=清单量)DN50普通地漏:3×2=6(个)(定额量=清单量)二、给水管道工程量计算:1 给水管道工程量计算规则(其他工程量计算规则详见清单细目指南及消耗量定额):清单计算规则:按设计图示管道中心线长度以延长米计算,不扣除阀门、管件(包括减压阀、疏水器、水表、伸缩器等组成安装)所占的长度。
土建工程量计算规则及案例一、土建工程量计算的基本规则1.参考资料准确:土建工程量计算必须参考设计施工图纸及相关技术规范、施工方案和设计变更等文件,确保计算的准确性和合理性。
2.计算单位统一:在进行计算时,要统一使用国家规定的计量单位,如长度用米、面积用平方米、体积用立方米等。
3.工程量计算准确:按图纸尺寸和规格,根据预定的计量方法和程序进行计算,确保计算结果的准确性。
4.合理取舍:在进行工程量计算时,应根据实际情况,进行合理的取舍。
例如,在计算墙体施工面积时,可以采用近似法,对不规则形状的墙体进行合理的分割和计算。
二、案例分析以其中一住宅小区的土建工程量计算为例,我们来说明具体的计算步骤和方法。
1.土方工程量计算根据设计图纸中的挖填平面示意图,将小区划分为多个土方开挖区域。
按照开挖深度、坡度和填方高度等参数,计算每个开挖区域的土方量,并累加得到总的土方量。
2.地基工程量计算根据设计图纸中的基础平面示意图,计算每个基础的面积和深度,得到单个基础的体积。
根据每种基础的数量,累加得到总的地基工程量。
3.砖砌工程量计算根据设计图纸中的墙体示意图和梁柱示意图,计算每个墙体和梁柱的长度、宽度和高度等参数,得到单个墙体和梁柱的体积。
根据每种墙体和梁柱的数量,累加得到总的砖砌工程量。
4.混凝土工程量计算根据设计图纸中的楼板示意图和梁柱示意图,计算每个楼板和梁柱的面积和厚度等参数,得到单个楼板和梁柱的体积。
根据每种楼板和梁柱的数量,累加得到总的混凝土工程量。
5.结构钢工程量计算根据设计图纸中的钢结构示意图,计算每个钢柱、钢梁和钢板的长度和截面面积等参数,得到单个钢柱、钢梁和钢板的体积。
根据每种钢柱、钢梁和钢板的数量,累加得到总的结构钢工程量。
通过以上步骤的计算,我们可以得到一份完整的土建工程量清单,作为土建工程造价计算的依据。
总之,土建工程量计算是建筑工程中不可或缺的环节,它的准确性和合理性对于工程造价的控制非常重要。
一、工程量计算规则1、平整场地按设计图示尺寸的建筑物首层面积(首层面积按建筑物外墙外边线计算)以m2计算。
2、挖土方按设计图示尺寸以m3计算。
3、挖基础土方按设计图示尺寸以基础垫层底面积(基础垫层底面积是指垫层和地基相接的底面积)乘以挖土深度以m3计算。
4、人工挖桩孔土方按图示桩的不同断面积乘以设计桩孔中心线深度(含扩大头进入持力层部分)以m3计算。
5、挖淤泥、流砂按设计图示位置、界限以m3计算。
6、管沟土方按设计图示的管道中心线长度以m计算。
7、预裂爆破按设计图示的钻孔总长度以m计算。
8、石方开挖按设计图示尺寸以m3计算。
9、管沟石方按设计图示的管道中心线长度以m计算。
10、土(石)方回填按设计图示尺寸以m3计算。
场地回填以回填面积乘以平均回填厚度计算;室内回填以主墙间净面积乘以回填厚度计算;基础回填以挖方体积减去设计室外地坪以下埋设的基础体积(包括基础垫层及其他构筑物)计算。
二、说明1、土壤及岩石(普氏)的分类可按(附表一)确定。
2、土石方体积应按挖掘前的自然密实体积计算。
3、平整场地适用于建筑场地厚度在±30cm以内的挖、填、找平。
4、挖土方适用于±30cm以外的竖向布置的挖土或山坡切土,是指设计室外地坪标高以上的挖土,其挖土方平均厚度应按自然地面测量标高至设计地坪标高间的平均厚度确定。
5、挖基础土方包括带形基础、独立基础、满堂基础(包括地下室基础)及设备基础等。
基础土方、石方开挖深度应按基础垫层底表面(基础垫层底表面是指垫层和地基相接的垫层底表面)标高至交付施工场地标高(交付施工场地标高是指设计室外地坪标高)确定。
无交付施工场地标高时,应按自然地面标高确定。
6、设计要求接受减震孔方式减弱爆破振动波时,可按预裂爆破项目编码列项。
7、土方开挖中,依据施工要求的放坡、操作工作面和机械挖土进出施工工作面的坡道等增加的工程量,可包括在挖基础土方报价内。
工程量清单计算规则及说明一、工程量计算规则1、桩基工程的土壤级别鉴别可按(附表二)土质级别的规定和鉴别方法进行确定。