最新涂料隐蔽工程验收记录
- 格式:doc
- 大小:35.50 KB
- 文档页数:3
共页第页工程名称顺华世纪鸥洲B区1#-4#楼及地下室施工单位福州市第三建筑工程公司分部(子分部)工程名称地基基础(地下防水工程)分项工程名称外墙防水层隐蔽项目4#楼及连接体地下室外柱、剪力墙防水层隐蔽日期隐蔽内容1、20厚1:2.5水泥砂浆找平层一道;2、1.0厚水泥基渗透型结晶体防水涂料;3、20厚1:2.5水泥砂浆保护层一道。
施工单位检查情况该地下室外柱、剪力墙防水按照有关设计图纸、会审纪要、图纸设计变更及有关工程文件进行施工:(1)20厚1:2.5水泥砂浆找平层一道;(2)材料1.0厚水泥基渗透型结晶体防水涂料;(3)20厚1:2.5水泥砂浆保护层。
按设计图纸及有关施工规范要求施工完毕,检查符合要求。
隐蔽验收结论同意隐蔽□不同意隐蔽□施工单位质检员施工员监理(建设)单位监理工程师(建设单位项目专业技术负责人)共页第页工程名称顺华世纪鸥洲B区1#-4#楼及地下室施工单位福州市第三建筑工程公司分部(子分部)工程名称地基基础(地下防水工程)分项工程名称外墙防水层隐蔽项目2#楼及连接体地下室外柱、剪力墙防水层隐蔽日期2013.8.1隐蔽内容1、20厚1:2.5水泥砂浆找平层一道;2、1.0厚水泥基渗透型结晶体防水涂料;3、20厚1:2.5水泥砂浆保护层一道。
施工单位检查情况该地下室外柱、剪力墙防水按照有关设计图纸、会审纪要、图纸设计变更及有关工程文件进行施工:(1)20厚1:2.5水泥砂浆找平层一道;(2)材料1.0厚水泥基渗透型结晶体防水涂料;(3)20厚1:2.5水泥砂浆保护层。
按设计图纸及有关施工规范要求施工完毕,检查符合要求。
隐蔽验收结论同意隐蔽□不同意隐蔽□施工单位质检员施工员监理(建设)单位监理工程师(建设单位项目专业技术负责人)。
隐蔽工程验收记录(油漆)
项目背景
此次隐蔽工程验收记录针对油漆工程进行,旨在确认油漆工程的质量和符合相关标准要求。
验收时间
- 日期:XXXX年XX月XX日
工程概述
油漆工程包括以下内容:
- 涂料种类:(填写涂料种类)
- 涂层数量:(填写涂层数量)
- 施工区域:(填写施工区域)
验收标准
油漆工程的验收标准遵循以下规范和要求:
- 国家标准
- 公司内部质量控制标准:XXXX
验收内容
通过对油漆工程的验收,我们进行了以下内容的确认:
1. 施工前的准备工作,包括表面清洁、涂料调配、施工工具准备等;
2. 涂料施工过程中的涂刷、喷涂等操作;
3. 涂料施工后的质量检查,包括涂层厚度、颜色均匀性等。
验收结果
经过对油漆工程的仔细检查和测试,我们确认如下结果:
1. 油漆工程质量符合国家标准
2. 油漆工程的施工过程规范,无不良施工现象;
3. 油漆涂层厚度、颜色均匀性等指标满足设计要求。
验收结论
据以上结果,我们认为该油漆工程通过了隐蔽工程验收,可以继续进行后续工序。
验收人员
- 姓名:(填写验收人员姓名)
- 职务:(填写验收人员职务)
附件
- 相关照片:(如有需要,可添加油漆工程验收相关的照片)以上为隐蔽工程验收记录(油漆)内容。
涂料隐蔽工程验收记录一、工程概况本次隐蔽工程验收是对涂料工程进行验收,包括墙面、天花板等隐蔽部位的涂料工程。
本工程的主要目的是确保涂料的施工质量符合相关规范和要求。
二、验收流程1.验收前准备(1)验收人员的组成:验收人员应包括监理工程师、涂料专业工程师、建设单位代表等。
(2)验收前的准备工作:查看涂料工程的合同、施工图纸、规范等相关文件,以确保验收的一致性和全面性。
2.验收内容(1)涂料材料检查:对涂料材料进行抽样检测,包括颜色、质地、干燥时间等指标的合格性。
(2)涂料施工工艺检查:对施工工艺进行检查,包括底漆、中涂、面涂等环节的操作规范和顺序是否正确。
(3)施工质量检查:检查涂料施工的平整度、无刷痕、无滴漏等质量问题,同时检查涂料的附着力和耐久性等性能指标。
3.验收记录(1)验收日期:确保验收日期的准确性。
(2)验收人员名单:记录参与验收的人员名单。
(3)验收结果:对涂料工程的验收结果进行详细记录,包括合格、不合格的情况,并注明不合格的原因和需要整改的问题。
(4)整改要求:针对不合格的问题提出整改要求,并确定整改的时间节点。
(5)验收结论:在整改完成后,重新进行验收,根据整改情况确定验收的结果,最终得出涂料工程的验收结论。
三、存在问题及整改要求根据对涂料隐蔽工程的验收检查,发现以下问题:1.部分涂料施工不规范,出现刷痕、滴漏等现象。
2.涂料颜色与施工图不符,需要重新调色。
3.涂料的附着力不够强,需要重新施工。
针对以上问题,提出以下整改要求:1.对涂料施工不规范的地方进行整改,确保平整度和无刷痕的要求。
2.对涂料颜色与施工图不符的部分进行重新调色,并重新施工。
3.对附着力不够强的涂料进行重新施工,以确保涂料的牢固性和耐久性。
四、验收结论根据整改要求,经过重新施工和调整,涂料隐蔽工程经过验收合格。
涂料的施工质量符合相关规范和要求,涂料的颜色、质地、干燥时间等指标均符合验收标准。
五、其他事项1.验收完毕后,应及时通知建设单位,确保工程的顺利进行。
地下室外墙防水涂料隐蔽工程验收记录一、项目基本情况:本次地下室外墙防水涂料隐蔽工程验收是针对大型综合体项目的地下室施工阶段进行的,施工单位建筑有限公司,施工合同编号为XXXX。
二、工程验收内容:1.材料验收1.1涂料厂家的检测报告检测报告应包括涂料材料的外观、性能指标、质量控制等信息。
1.2涂料质量证书涂料质量证书应明确涂料的商品标准、生产日期、规格、批号等信息。
1.3材料设备验收记录包括各种材料设备的进场验收记录,要确认进场的材料设备完好无损。
2.施工过程验收2.1现场施工记录要求施工单位在施工过程中完善的记录施工情况,包括施工时间、施工人员等。
2.2工程质量问题整改记录针对施工过程中出现的质量问题,施工单位应及时进行整改,并做好记录。
三、工程验收结果:1.涂料材料质量合格根据涂料厂家的检测报告和涂料质量证书,确认本次所使用的涂料材料的质量达到了相关标准要求。
2.施工过程记录完善施工单位在施工过程中认真记录了施工情况,记录表格齐全,完整地反映了施工的时间、人员等信息。
3.工程质量问题整改完善针对施工过程中出现的质量问题,施工单位及时进行了整改,并做好相应的记录,整改措施得到有效执行。
四、问题与建议:1.存在的问题:在工程验收过程中,没有发现问题。
2.验收建议:作为进一步提高工程质量的措施,建议施工单位认真履行施工管理职责,做好现场施工的质量控制和记录工作。
五、工程责任人意见:本次工程的地下室外墙防水涂料隐蔽工程验收结果良好,材料质量合格,施工过程记录完善,所有工程问题已整改到位。
对施工单位表示认可,并希望施工单位在后续的工程中继续保持良好的施工质量。
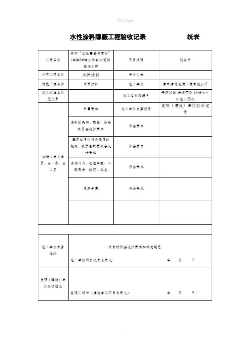
涂料防水层隐蔽工程验收记录涂料防水层隐蔽工程验收记录统表第页共页工程名称项目经理分项工程名称专业工长隐蔽工程项目施工单位施工标准名称及代号施工图名称及编号隐蔽工程部位质量要求施工单位自查记录监理(建设)单位验收记录1.所用材料及配合比必须符合设计。
材料复试报告编号2003-04-382.防水层的基层。
基层验收资料齐全3.涂料防水层细部做法符合设计。
细部做法符合设计4.涂料防水层的厚度符合设计。
涂层最小厚度大于设计要求。
5.涂层粘结牢固,不得有脱皮、流淌、鼓泡、露胎、皱折。
涂层粘结牢固,无脱皮、流淌、鼓泡、露胎、皱折。
施工单位自查结论施工单位项目技术负责人:年月日监理(建设)单位验收结论监理工程师(建设单位项目负责人):年月日钢筋隐蔽工程验收记录统表第页共页工程名称苏州独墅湖高等教育区第一教学楼项目经理高建荣分项工程名称1区地下室底板钢筋绑扎专业工长凌爱华隐蔽工程项目地下室承台、地梁、底板施工单位启东市建筑安装工程有限公司施工标准名称及代号GB50204-2002施工图名称及编号隐蔽工程部位质量要求施工单位自查记录监理(建设)单位验收记录1.受力钢筋的品种、规格、数量、位置必须符合设计要求.纵向受力钢筋的品种、规格、数量、位置符合设计要求。
2钢筋的连接方式、接头位置、接头数量、接头面积百分率应满足规范要求。
钢筋的连接方式、接头位置、接头数量、接头面积百分率满足规范要求。
3.箍筋、横向钢筋的品种、规格、数量、间距符合设计要求。
箍筋、横向钢筋的品种、规格、数量、间距符合设计要求。
4.预埋件的规格、数量、位置应符合设计要求预埋件的规格、数量、位置符合设计要求施工单位自查结论施工单位项目技术负责人:年月日监理(建设)单位验收结论监理工程师(建设单位项目负责人):年月日土方隐蔽工程验收记录统表第页共页工程名称项目经理分项工程名称专业工长隐蔽工程项目土方施工单位启东市建筑安装工程有限公司施工标准名称及代号GB50202-2002施工图名称及编号隐蔽工程部位质量要求施工单位自查记录监理(建设)单位验收记录1.基底土层应满足勘察报告要求符合勘察报告要求2.基底标高、形状尺寸、平整度应符合设计要求。