栏杆单元工程质量评定表
- 格式:doc
- 大小:30.50 KB
- 文档页数:2
栏杆安装单元工程质量评定表
栏杆安装单元工程质量评定表
填表说明
填表时必须遵守“填表基本规定”,并符合以下要求:
1、单元工程划分:按栏杆安装工程的施工区、段划分:每一区、段为一个单元工程。
2、单元工程量:填写本单元工程栏杆安装工程量(m)。
3、检查项目:全面检查,质量标准有“符合设计要求”的规定,须填出设计具体要求。
设计要求内容较多,以及检测结果较多应另附页。
4、检测项目:按要求逐项检查,总检测点数不少于30个。
5、单元工程评定质量标准:
合格:主要检查项目全部符合质量标准,一般检查项目基本符合质量标准,一般检测项目合格率不小于70%。
优良:主要检查项目全部符合质量标准,一般检查项目基本符合质量标准,检测项目合格率不小于90%。
水利水电工程
栏杆安装单元工程质量评定表。
CB18防撞护栏单元工程施工质量报验单(xx水建[ ]开仓SYHTS-03-07-18- 号)合同名称:xxx合同编号:xxxxxx工程栏杆安装单元工程质量评定表单位工程名称xxx单元工程量分部工程名称xxx 施工单位xxx单元工程名称、部位防撞护栏施工日期年月日项次检查项目质量标准检查记录合格点数合格率(%)主控项目1 预制构件(砌体)质量栏杆预制构件(砌体)质量符合设计要求,试件强度合格///2 金属构件金属构件焊接牢固,防腐符合设计要求金属构件焊接牢固,防腐符合设计要求/100.03 接缝质量栏板与栏杆接缝处的填缝砂浆必须饱满///4 栏杆安装栏杆安装(砌筑)位置准确,牢固,线条直顺,不应歪斜、扭曲栏杆安装位置准确,牢固,线条直顺,无歪斜、扭曲,检查结果完全符合质量要求。
/100.0 5 装饰质量装饰抹灰必须线条清晰,用料品种、规格、颜色、图案美观大方,符合设计要求涂料粉刷均匀,颜色、图案美观大方,检查结果完全符合质量要求。
/100.0一般项目1顺直度地梁允许偏差5mm 6 4 2 2 1 480.02 扶手允许偏差3mm 0 23 3 0 5100.03 垂直度允许偏差3mm 34 3 4 2 360.04 相邻栏杆、扶手高差有柱允许偏差3mm 2 0 3 4 2 480.05 无柱允许偏差3mm / / / / / //6 平面位置允许偏差20mm 18 4 22 10 4 480.0施工单位自评意见主控项目检验结果全部符合验收评定标准,一般项目逐项检验点的合格率均不小于%,各项报验资料SL 634-2012的要求。
单元工程质量等级评定为:(签字,加盖公章)年月日监理单位复核意见主控项目检验结果全部符合验收评定标准,一般项目逐项检验点的合格率均不小于%,各项报验资料SL 634-2012的要求。
单元工程质量等级评定为:(签字,加盖公章)年月日注:本表所填“单元工程量”不作为施工单位工程量结算计量的依据。
栏杆检验批质量验收记录表
成昆铁路成峨段扩能改造工程
栏杆检验批质量验收记录表
03020605□□□
单位工程名称K32+871.9-K34+843段涵洞工程
分部工程名称端翼墙及附属工程
分项工程名称栏杆验收部位K34+640.2框架涵施工单位中铁二十二局集团有限公司成昆铁路成都至峨眉段项目经理部项目负责人贾汝银施工质量验收标准名称及编号《铁路桥涵工程施工质量验收标准》TB10415--2003
施工质量验收标准的规定施工单位检查评定记录监理单位验收记录
主控项目1栏杆的材质、规格、型式第19.6.11条(根据设计材料填写)2栏杆的连结、安装质量第19.6.12条栏杆的连接、安装牢固。
一般项目
1栏杆的涂装第19.6.13条栏杆的涂装符合设计要求。
2栏杆的外观第19.6.14条栏杆的安装顺直。
施工单位检查
评定结果
专职质量检查员年月日
分项工程技术负责人年月日
分项工程负责人年月日
监理单位验收结论
监理工程师
年月日。
公路工程管理用表范本-栏杆安装质量检验报告单
一、工程概况
•项目名称:
•施工单位:
•检验单位:
•检验时间:
二、栏杆安装质量检验情况
1. 栏杆安装情况
•栏杆材质:
•栏杆类型:
•栏杆数量:
2. 安装质量情况
•栏杆安装位置:
•固定方式:
•栏杆高度:
•栏杆垂直度:
•栏杆横平度:
•栏杆连接处:
•栏杆表面处理:
3. 检验结果
•栏杆安装符合要求:
•存在的问题及建议:
三、检验人员
•检验人员1:
•检验人员2:
四、验收意见
•质量检验单位意见:
•施工单位意见:
•监理单位意见:
五、重要事项
•检验过程中发现的问题:
•下一步整改计划:
六、附录
•相关图片:
•其他补充说明:
以上内容经过本次栏杆安装质量检验,并整理成报告单,希望对工程管理有所帮助,有任何疑问或建议,请随时联系。
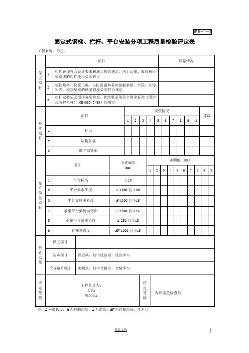
花岗石栏杆单元工程综合质量评定表
表
单位工程名称单位工程编号
分部工程名称分部工程编号单元工程名称单元工程编号
序目项质量评定
号
1花岗石栏杆单元工程质量评定表
2
3
4
5
6
施工单位自评建议及质量等级
日年月单位复评建议及质量等级建设监理
年代日
()
检测员专职质检员监理工程师
1 / 2
花岗石栏杆单元工程质量评定表
单位工程名称单位工程编号
分部工程名称分部工程编号
单元工程名称单元工程编号
序检查项目结果准质量标检验评定号
1石料质量抗风化性能好,品种、质石质坚硬,量切合设计要求。
2 外观质量平蘑菇石、花岗石面层表面应干净、整、无磨痕,色彩一致、周边顺直、蘑菇
石板块无裂纹、掉角等无缺点,凸面成效显然
3 装安栏杆安装直顺雅观
4 拼接杆件接缝外无开裂现象
序检测项目设同意误差值测实合格号计)( mm 值率
( %
)
1 2 3 4 6 5 7 9 8 10
1 栏杆平面偏 4
位
2 扶手高度10 ±
3 接缝两处扶 3
高差手
4 竖杆或柱纵 4
横向竖直度
检测结果主要项目点,此中合格点,合格率% 。
一般项目点,此中合格点,合格率% 。
施工单位自评建议及质量等级监理 (建设 )单位复评建议及质量等级
年月月年日日
检测员监理工程师专职质检员为主要检测项目。
注:标有 2 / 2。