润滑油各产品对照表
- 格式:pdf
- 大小:806.68 KB
- 文档页数:2
润滑油等级标准对照表
以下是常见的润滑油等级标准对照表:
(一)ISO粘度分类:根据油品在40℃时的运动粘度,将润滑油分为不同的粘度等级。
例如,ISO VG 2表示40℃时运动粘度在1.98mm²/s至2.42 mm²/s之间的润滑油。
(二)SAE粘度分类:在美国,润滑油的粘度通常根据SAE等级进行分类。
例如,SAE 0W-30表示在零下30℃时,机油粘度为30mm²/s。
(三)API质量分类:API将润滑油分为不同的质量等级,例如API SL级别表示较高等级的润滑油,API SN级别则表示最高等级的润滑油。
(四)ACEA粘度分类:ACEA是欧洲润滑油协会,其粘度分类标准与ISO类似,但也有一些不同之处。
例如,ACEA C2 5W-30表示在零下30℃时,机油粘度为30mm²/s的C2级别润滑油。
(五)Shell粘度分类:Shell是全球知名的润滑油品牌,其粘度分类标准也具有代表性。
例如,Shell Rotella
T4 5W-30表示在零下30℃时,机油粘度为30mm²/s的Shell Rotella T4级别润滑油。
需要注意的是,不同的润滑油品牌和型号可能有不同的粘度等级和使用要求,因此在选择润滑油时,需要参考具体的产品说明书或咨询相关技术人员,以确保选择合适的润滑油等级。
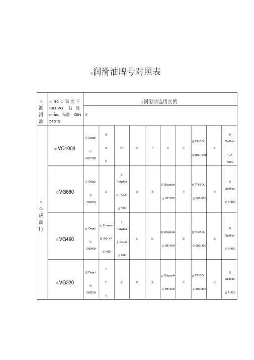
润滑油牌号对照表润滑油40℃温度下ISO-VG粘度mm2/s.标准DIN51519润滑油选用实例合成油1)VG1000DegolGS1000TRIBOL800/100OptiflexA1000 VG680DegolGS68PolydeaPGLP680GlygoyleHE 680TRIBOL800/680OptiflexA 680 VG460DegolGS46EnersynSG-XP460PolydeaPGLP460GlygoyleHE 460TRIBOL800/460OptiflexA 460 VG320DegolGS32GlygoyleHE 320TRIBOL800/320OptiflexA 320 VG220DegolGS22EnersynSG-XP220PolydeaPGLP220Glygoyle30TRIBOL800/220OptiflexA 220 VG150DegolGS15PolydeaPGLP150Glygoyle22TRIBOL800/150OptiflexA 150 VG100TRIBOL800/100矿物油2)VG1000TRIBOL1100/1000OptigearBM1000有良好的抗老化性能,可有效地提高齿轮箱的机械效率。
工作温度适用范围为-20℃止+90℃(瞬时可达110℃)。
2)矿物基齿轮油根据DIN51502标准定名为CLP。
这类润滑油可达到DIN51517第3部分规定地最低要求。
工作温度适用范围为-10℃至+90℃(瞬时可达100℃)。
美孚力富SHC 220、460、1500Mobilith SHC 220、460、1500美孚力富SHC 220、460、1500是工业用合成滑脂,由复合锂皂基、合成基础油,防锈及氧化遏止剂与高性能极压剂配制而成。
其基础油为高粘度、稳定的合成油,配上抗高温的增稠剂及稳定的添加剂,令润滑性能优异及带来极长的使用寿命。
美孚高温滑脂SHC 32、100Mobiltemp SHC 32、100美孚高温滑脂SHC 32及100是非皂基及合成基础油配制而成,低温启动性良好,转动扭距低,能承受水冲洗,能在广阔温度范围下保持硬度。
润滑油牌号对照表润滑油40℃温度下ISO-VG粘度mm2/s.标准DIN51519润滑油选用实例合成油1)VG1000DegolGS1000TRIBOL800/100OptiflexA1000 VG680DegolGS68PolydeaPGLP680GlygoyleHE 680TRIBOL800/680OptiflexA 680 VG460DegolGS46EnersynSG-XP460PolydeaPGLP460GlygoyleHE 460TRIBOL800/460OptiflexA 460 VG320DegolGS32GlygoyleHE 320TRIBOL800/320OptiflexA 320 VG220DegolGS22EnersynSG-XP220PolydeaPGLP220Glygoyle30TRIBOL800/220OptiflexA 220 VG150DegolGS15PolydeaPGLP150Glygoyle22TRIBOL800/150OptiflexA 150 VG100TRIBOL800/100矿物油2)VG1000TRIBOL1100/1000OptigearBM1000有良好的抗老化性能,可有效地提高齿轮箱的机械效率。
工作温度适用范围为-20℃止+90℃(瞬时可达110℃)。
2)矿物基齿轮油根据DIN51502标准定名为CLP。
这类润滑油可达到DIN51517第3部分规定地最低要求。
工作温度适用范围为-10℃至+90℃(瞬时可达100℃)。
美孚力富SHC 220、460、1500Mobilith SHC 220、460、1500美孚力富SHC 220、460、1500是工业用合成滑脂,由复合锂皂基、合成基础油,防锈及氧化遏止剂与高性能极压剂配制而成。
其基础油为高粘度、稳定的合成油,配上抗高温的增稠剂及稳定的添加剂,令润滑性能优异及带来极长的使用寿命。
美孚高温滑脂SHC 32、100Mobiltemp SHC 32、100美孚高温滑脂SHC 32及100是非皂基及合成基础油配制而成,低温启动性良好,转动扭距低,能承受水冲洗,能在广阔温度范围下保持硬度。
新旧油品名称对照表名称曾用名或地方俗名重柴油(燃料油) 1号、2号重柴油120号橡胶溶剂油、溶解汽油、香汽油、溶剂汽油、卡洛橡胶工业溶剂油纱油CC柴油机油低增压柴油机油CD柴油机油中增压柴油机油车用机油、汽车机油、电机油、滑机油、内燃机油、引汽油机油擎油、毛必鲁、阿夫多尔柴油机油机油、迪赛尔机油、拖拉机机油10号机械油、100度红车油、锭子油、缝纫机油、纺锤油、L-AN15号机械油(HL-15号液压油)2号锭子油L-AN32号机械油(HL-32液压油)20号机械油、3号锭子油、纺锤油L-AN46号机械油(HL-46液压油)30机械油、30号工业油、300度红车油、轻质机械油L-AN68号机械油(HL-68液压油)40号机械油、40号工业油、400度红车油、中质机械油L-AN100号机械油(HL-100液压油)50号机械油、50号机械油、500度红车油13号机械油13号特殊机械油、锭子油AY、枢轴油、专用锭子油汽轮机油透平油、特尔滨油、涡轮机油、发电机油、减速透平油变压器油绝缘油、方棚油、油开关油、电盒油、转司法马油电容器油电容绝缘油冰箱油、电冰箱油、制冰机油、氨冷冻机油、飞昂冷冻冷冻机油机油、冷藏库机油10号、13号、18号、19号压缩机油、鼓风机油、空压机空气压缩机油回转式压缩机油油、风泵油、冷泵油11号饱和汽缸油2号饱和汽缸油、蒸汽机油、锅驼机油24号饱和汽缸油维字汽缸油、24号蒸汽机油、锅驼机油、维斯考金38号饱和汽缸油6号过热汽缸油、蒸汽机油、锅驼机油52号饱和汽缸油特种过热汽缸油、瓦波尔齿轮油、齿轮传动油、闸箱油、黑机油、考帮油、600油、普通车辆齿轮油轧盒油、重机油、齿轮箱油、黑油、牙齿油、尼古劳尔双曲线齿轮油、海波齿轮油、复桥油、耐压齿轮油、螺中、重负荷车辆齿轮油旋伞齿轮油主轴油车轴油、轴承油、轮轴油、黑车油、地轴油乳化质、调水油、金工油、溶解油、奶子油、切削油、乳化油切削油膏、乳化切削油、肥皂油、大宝尔油硫化切削油切割油、金工油工业凡士林凡士林、防锈油膏制动液涩带油、刹车油黄油、软黄油、水泵脂、黄干油、油膏、凝结油、黄牛钙基脂油、古利斯、索利多尔钠基脂轴承脂、滚珠黄油、弹子盘牛油石墨脂黑铅油、石墨膏油1、轻中载荷滑动轴承润滑油的选择工作温度10-60℃,轴颈压力3MPa以下:主轴轴颈线速度>9m/s,润滑油40℃粘度5-27mm2/s,适用的润滑油L-AN5、L-AN10、L-AN15全损耗系统用油;主轴轴颈线速度9-5m/s,润滑油40℃粘度15-50mm2/s,适用的润滑油L-AN15、L-AN32全损耗系统用油或L-TSA46汽轮机油;主轴轴颈线速度5-2.5m/s,润滑油40℃粘度32-60mm2/s,适用的润滑油L-AN32、L-AN46全损耗系统用油或L-TSA46汽轮机油;主轴轴颈线速度2.5-1m/s,润滑油40℃粘度42-70mm2/s,适用的润滑油L-AN46、L-AN68全损耗系统用油或L-TSA46汽轮机油或20号汽油机油;主轴轴颈线速度1-0.3m/s,润滑油40℃粘度42-80mm2/s,适用的润滑油L-AN46、L-AN68全损耗系统用油或L-TSA46汽轮机油或20号汽轮机油;主轴轴颈线速度0.3-0.1,油40℃粘度70-150mm2/s,适用的润滑油L-AN68、L-AN100、L-AN150全损耗系统用油或30号汽油机油;主轴轴颈线速度<0.1m/s,油40℃粘度80-150mm2/s,适用的润滑油L-AN100、L-AN150全损耗系统用油或30号、40号汽油机油。
润滑油-新旧油牌号对照新旧油品名称对照表名称曾用名或地方俗名重柴油(燃料油) 1号、2号重柴油橡胶工业溶剂油120号橡胶溶剂油、溶解汽油、香汽油、溶剂汽油、卡洛纱油CC柴油机油低增压柴油机油CD柴油机油中增压柴油机油汽油机油车用机油、汽车机油、电机油、滑机油、内燃机油、引擎油、毛必鲁、阿夫多尔柴油机油机油、迪赛尔机油、拖拉机机油L-AN15号机械油(HL-15号液压油)10号机械油、100度红车油、锭子油、缝纫机油、纺锤油、2号锭子油L-AN32号机械油(HL-32液压油)20号机械油、3号锭子油、纺锤油L-AN46号机械油(HL-46液压油)30机械油、30号工业油、300度红车油、轻质机械油L-AN68号机械油(HL-68液压油)40号机械油、40号工业油、400度红车油、中质机械油L-AN100号机械油50号机械油、50号机械油、500(HL-100液压油)度红车油13号机械油13号特殊机械油、锭子油AY、枢轴油、专用锭子油汽轮机油透平油、特尔滨油、涡轮机油、发电机油、减速透平油变压器油绝缘油、方棚油、油开关油、电盒油、转司法马油电容器油电容绝缘油冷冻机油冰箱油、电冰箱油、制冰机油、氨冷冻机油、飞昂冷冻机油、冷藏库机油空气压缩机油回转式压缩机油10号、13号、18号、19号压缩机油、鼓风机油、空压机油、风泵油、冷泵油11号饱和汽缸油2号饱和汽缸油、蒸汽机油、锅驼机油24号饱和汽缸油维字汽缸油、24号蒸汽机油、锅驼机油、维斯考金38号饱和汽缸油6号过热汽缸油、蒸汽机油、锅驼机油52号饱和汽缸油特种过热汽缸油、瓦波尔普通车辆齿轮油齿轮油、齿轮传动油、闸箱油、黑机油、考帮油、600油、轧盒油、重机油、齿轮箱油、黑油、牙齿油、尼古劳尔中、重负荷车辆齿轮油双曲线齿轮油、海波齿轮油、复桥油、耐压齿轮油、螺旋伞齿轮油主轴油车轴油、轴承油、轮轴油、黑车油、地轴油乳化油乳化质、调水油、金工油、溶解油、奶子油、切削油、切削油膏、乳化切削油、肥皂油、大宝尔油硫化切削油切割油、金工油工业凡士林凡士林、防锈油膏制动液涩带油、刹车油钙基脂黄油、软黄油、水泵脂、黄干油、油膏、凝结油、黄牛油、古利斯、索利多尔钠基脂轴承脂、滚珠黄油、弹子盘牛油石墨脂黑铅油、石墨膏油1、轻中载荷滑动轴承润滑油的选择工作温度10-60℃,轴颈压力3MPa以下:主轴轴颈线速度>9m/s,润滑油40℃粘度5-27mm2/s,适用的润滑油L-AN5、L-AN10、L-AN15全损耗系统用油;主轴轴颈线速度9-5m/s,润滑油40℃粘度15-50mm2/s,适用的润滑油L-AN15、L-AN32全损耗系统用油或L-TSA46汽轮机油;主轴轴颈线速度5-2.5m/s,润滑油40℃粘度32-60mm2/s,适用的润滑油L-AN32、L-AN46全损耗系统用油或L-TSA46汽轮机油;主轴轴颈线速度2.5-1m/s,润滑油40℃粘度42-70mm2/s,适用的润滑油L-AN46、L-AN68全损耗系统用油或L-TSA46汽轮机油或20号汽油机油;主轴轴颈线速度1-0.3m/s,润滑油40℃粘度42-80mm2/s,适用的润滑油L-AN46、L-AN68全损耗系统用油或L-TSA46汽轮机油或20号汽轮机油;主轴轴颈线速度0.3-0.1,油40℃粘度70-150mm2/s,适用的润滑油L-AN68、L-AN100、L-AN150全损耗系统用油或30号汽油机油;主轴轴颈线速度<0.1m/s,油40℃粘度80-150mm2/s,适用的润滑油L-AN100、L-AN150全损耗系统用油或30号、40号汽油机油。
润滑油品牌对照表(优质严制)品牌对应表(一)KLUBER LUBCON ALUBE1 AIRPRESS 15 ALUBEPDL 152 AIRPRESS 32 ALUBEPDL 323 ALTEMP Q NB 50 TURMOPAST NBI 2 WEIB ALUBEPQMA 504 AMBLYGON TA 15/2 ALUBEGTA 25 AMBLYGON TA 30/1 ALUBEGTA 46016 AMBLYGON TA 30/2 ALUBEGTA 46027 ASONIC GHY 32 TURMOGREASE N 7502 ALUBESBQ 32K8 ASONIC GLY 72 TURMOGREASE NBI 300 ALUBESBQ 72K9 ASONIC HQ 72-102 TURMOPLEX 2 EPN ALUBESBQ 810 ASONIC HQ 74-73 TURMOGREASE SKL 18 ALUBESBQ 811 ALS0L 1000 ALUBEOA 100012 BARRIERTA L 55/0 TURMOTEMP II/400KL 0 ALUBEAKL 450013 BARRIERTA L 55/1 TURMOTEMP II/400KL 1 ALUBEAKL 450114 BARRIERTA L 55/2 TURMOTEMP II/400KL 2 ALUBEAKL 450215 BARRIERTA L 55/3 TURMOTEMP II/400KL 3 ALUBEAKL 450316 CATERNER KSB 6 TURMOSYNTH 2000 EL17 CATERNER KSB 8 TURMOSYNTH 2000/L18 CENTOPLEX 1 ALUBEG 119 CENTOPIEX 1 DL ALUBEG 1DL20 CENTOPIEX 2 TURMOPLEX 2 EP ALUBEG 221 CENLOPLEX 2 EP TURMOPLEX 2 EP ALUBEG 2EP22 CENTOPLEX 2X4 375 AU ALUBEGCX 112K23 CENTOPLEX 24 DL TURMOPLEX LC 252 ALUBEGLC 24DL24 CENTOPLEX 3 TURMOPLEX 3 EP ALUBEG 325 CENTOPLEX 3 EP ALUBEG 3EP26 CENTOPIEX GLP 500 ALUBEGEL 500EP27 CENTOPLEX H0 ALUBEG KHO28 COMPRESSOR FLUID ALUBEFLUID CP Series29 CONSTANT GLY TURMOFLUID GV-REIHE ALUBEFLUID GLY Series30 CONSTANT OY TURMOFLUID GV-REIHE ALUBEFLUID GLY Series31 CONSTRAC GL 1501 MG TURMOPLEX 220L ALUBEG 1501 GLY Series32 FORMINOL DS 23K TURMOSOL M5033 GRAFLOSCON B-SG-ULTRA THURMOGEARGREASE B 0034 GRAFLOSCON C-SG-ULTRA THURMOGEARGREASE B 035 ISOFLEX ALTIME SL 1 THURMOGREASE N50136 ISOFLEX ALTIME SL 2 THURMOGREASE N50237 CONTRACOR A40 F ALUBEOHK38 CONTRACOR FLUID H 1 ALUBEOHK39 COSTRAC GL 1501 ALUBEG 1501 Special40 COSTRAK AK O ALUBEG 1501 Special41 COSTRAKOR A 100 ALUBEOHK42 CRUCOLAN 68-320 ALUBEOG-Series43 CRUCOLAN 10-46 ALUBEOG-Series44 GRAFLOSCON B SG 0 ALUBEGBGO 21OO45 GRAFLOSCON C-SG 0 ULTRA ALUBEGCGO 21OO46 HOTEMP 2000 ALUBEFC 200047 HOTEMP F ALUBEFC 280MF48 HOTEMP OY 95 ALUBEFOY 19549 HOTEMP PLUS ALUBEFFK 28050 ISOFLEX LDS 18 SPECIAL A TURMOGREASE HIGHSPEED L252 ALUBEGKL 18 Special51 ISOFLEX NBU 15 TURMOGREASE HIGHSPEED L252 ALUBEGHS 1552 ISOFLEX LDS 18 SPECIAL A THERMOPLEX 2 TML SPEZ53 LSOFIEX SUPER TEL TURMOGREASE HIGHSPEED L25254 ISOFLEX PDP 48 ALUBEFSB 4855 ISOFLEX PDP 65 ALUBEFSB 6556 LSOFIEX SUPER LDS 18 ALUBESKLK 1857 ISOFLEX SUPER LDS 18 25 S THERMOPLEX TML FLUID ALUBESKLK 18-S58 ISOFLEX TEL 3000 ALTEMP TURMOGREASE LITIO 2012 ALUBESTML 300059 ISOFLEX TOPAS NBL 32 TURMOGREASE SKL 1860 ISOFLEX TOPAS L 152 ALUBESKLK 15261 ISOFLEX TOPAS L 32 ALUBESKLK 3262 ISOFLEX TOPAS NB 52 TURMOPLEX 2 TML ALUBESKLB 5263 ISOFLEX TOPAS NB 50 ALUBESKLB 5064 ISOFLEX TOPAS NCA 52 TURMOCOR AC 302 ALUBESCAK 5265 LAMORA VARIOGEAROIL EL TURMOSOL TRAK 5066 LAMORA HLP 68 TURMOFLUID HLP 6867 KLUBERALFA HX 83-301 ALUBEAKL 450268 KLUBERLUB BE 41-1501 ALUBEGBE 6081MG69 KLUBEROIL 4 UH 1-32-1500 ALUBEOH-1-32-150070 KLUBERPASTE 46 MR-401 ALUBEPWT-40171 KIUBERSYNTH GH 6-SERIES ALUBESGH Series72 KIUBERSYNTH CTH 2-260 ALUBESFK 28073 LAMORA 22-46 ALUBEOG 22-68074 LAMORA HLP 32-46 TURMOFLUID HLP 32-46ALUBEOHLP 32-4675 MICROLUB GL 261 TURMOGREASE NM 1 ALUBEGBH 606176 MICROLUB GL 262 TURMOGREASE NM 2 ALUBEGBH 606277 NOTROP PLB DR TURMOSYNTH 200078 NONTROP PLB EL TURMOSYNTH 2000 EL79 PARALIQ GA 343 TURMOSYNTHGEASE AL 250280 PARALIQ GA 351 TURMOSYNTHGEASE AL 250281 PARALIQ GA 363 TURMOSYNTHGEASE AL 250282 PARALIQ GTE 703 TURMSILON GTI 500083 PARALIQ P 68---1500 TURMOSYNTH VG 68--150084 MOLYKOMBIN M 5 SPRAY ALUBEAM 5Spray85 MOLYKOMBIN UMF/T4 SPRAY ALUBEADF Spray86 PELAMO GHY 133 ALUBEGBQ 303287 PETAMO GHY 133-N TURMOGREASE N 2 ALUBEGBQ 3032 C88 PETAMO GHY 441 TURMOGREASE NBI 300 ALUBEGGBY 30089 PETAMO II/300A TURMOTGREASE HITEMP 300 A90 PETAMO II/350A TURMOGREASE HITEMP VP 1 E91 POLULUB GA 352 P TURMOGREASE AL 50292 POLUYLUB HVT 50A TURMOFLUID CHD93 POLULUB GLY 801 TURMOGREASE N 750194 PETAMO GHY 443 ALUBEGGBY 30395 PETAMO GY 193 ALUBEGGBY 30096 PRIMIUM SUPER,PRIMIUM SUPER-M93ALUBEFPP 30097 PLOYLUB WH 2 TURMOSYNTH LI2 WHITE ALUBEGWH 2White98 SYNTHESO PROBA 270 TURMOGREASE PP 30099 POLYLUB GA 352 P ALUBEGGAK 1802 100 POLYIUB GLY 801 ALUBEGGLY 6101 101 STABURAGS B 15 A/B 15A 300 ALUBEGNM2/GN2 102 STABURAGS N 12 MF TURMOGREASE N 2 MF ALUBEGKL 12MF103 STABURAGS N 4 ALUBEGKBU 502/GPH 4502 104 STABURAGS NBU 12 TURMOGREASE N 3105 STABURAGS NBU 12/300 KP TURMOGREASE CAK 4002 ALUBEGKBU 2502106 STABURAGS NBU 12 MF TURMOGREASE CAK 2502 MF ALUBEGCAK 3003MF107 STABURAGS NBU 12 MF TURMOGREASE CAK 1202/1802/250 2108 STABURAGS NBU 30 ALUBEGCAK 3003 109 STABURAGS NBU 30 PTM ALUBEKMA PASTE 110 STABURAGS NBU 30 K TURMOGREASE N 3 ALUBEGKLN 3111 STABURAGS NBU 4 TURMOGREASE N 3 ALUBEGKLN 3 112 STABURAGS NBU 8 EP TURMOGREASE N 3 ALUBEGCAK 8EP113 OXYGENOEX C 3 TURMOXYGEN LC 40114 OXYGENOEX S 4 TURMOXGEN SLC 40115 OXYGENOEX F 25 TURMOPXYGEN FP 30116 SYNTHESO D---EP TURMOPOLOIL---EP117 STABUTHERM GH 461 TURMOGREASE CAN 4602 ALUBEGNAN 4601 118 STABUTHERM GH 461 TURMOGREASE NM 4602119 STRUCTOVIS AHD TURMOFLUID 7500120 STRUCTOVIS AHD MF TURMOFLUID 7500 MF121 STRUCTOVIS BHD TURMOFLUID 4800122 STRUCTOVIS BHD MF TURMOFLUID 4800 MF ALUBEF 4800MF123 STRUCTOVIS CHD TURMOFLUID 200124 STRUCTOVIS EHD TURMOFLUID 460125 STRUCTOVIS GHD TURMOFLUID 68126 STRUCTOVIS P LIQUID THERMOPLEX ALN 1001/1000127 STRUCTOVIS P 00 TURMOPOLGREASE 00128 SYNTHESCO ALUBEFFK 280MF 129 SYNTHESO D 100 EP-460 EP ALUBESDEP 100-460 130 SYNTHESO GLEP 1 ALUBEGSYN 2131 SYNTHESO PROBA 270 ALUBEGPP 270132 SYNTHESO XOL 12 TURMOFLUID LMI 300 ALUBESM 50 133 TEX-SYNTHESO M TURMOOIL TEX134 TEX-SYNTHESO-OILS 15-46 ALUBEJTKO 15-46 135 TUNISILKON GLK 112 TURMSILON LS 200 ALUBESLS 200。
润滑油-新旧油牌号对照新旧油品名称对照表名称曾用名或地方俗名重柴油(燃料油) 1号、2号重柴油橡胶工业溶剂油120号橡胶溶剂油、溶解汽油、香汽油、溶剂汽油、卡洛纱油CC柴油机油低增压柴油机油CD柴油机油中增压柴油机油汽油机油车用机油、汽车机油、电机油、滑机油、内燃机油、引擎油、毛必鲁、阿夫多尔柴油机油机油、迪赛尔机油、拖拉机机油L-AN15号机械油(HL-15号液压油)10号机械油、100度红车油、锭子油、缝纫机油、纺锤油、2号锭子油L-AN32号机械油(HL-32液压油)20号机械油、3号锭子油、纺锤油L-AN46号机械油(HL-46液压油)30机械油、30号工业油、300度红车油、轻质机械油L-AN68号机械油(HL-68液压油)40号机械油、40号工业油、400度红车油、中质机械油L-AN100号机械油50号机械油、50号机械油、500(HL-100液压油)度红车油13号机械油13号特殊机械油、锭子油AY、枢轴油、专用锭子油汽轮机油透平油、特尔滨油、涡轮机油、发电机油、减速透平油变压器油绝缘油、方棚油、油开关油、电盒油、转司法马油电容器油电容绝缘油冷冻机油冰箱油、电冰箱油、制冰机油、氨冷冻机油、飞昂冷冻机油、冷藏库机油空气压缩机油回转式压缩机油10号、13号、18号、19号压缩机油、鼓风机油、空压机油、风泵油、冷泵油11号饱和汽缸油2号饱和汽缸油、蒸汽机油、锅驼机油24号饱和汽缸油维字汽缸油、24号蒸汽机油、锅驼机油、维斯考金38号饱和汽缸油6号过热汽缸油、蒸汽机油、锅驼机油52号饱和汽缸油特种过热汽缸油、瓦波尔普通车辆齿轮油齿轮油、齿轮传动油、闸箱油、黑机油、考帮油、600油、轧盒油、重机油、齿轮箱油、黑油、牙齿油、尼古劳尔中、重负荷车辆齿轮油双曲线齿轮油、海波齿轮油、复桥油、耐压齿轮油、螺旋伞齿轮油主轴油车轴油、轴承油、轮轴油、黑车油、地轴油乳化油乳化质、调水油、金工油、溶解油、奶子油、切削油、切削油膏、乳化切削油、肥皂油、大宝尔油硫化切削油切割油、金工油工业凡士林凡士林、防锈油膏制动液涩带油、刹车油钙基脂黄油、软黄油、水泵脂、黄干油、油膏、凝结油、黄牛油、古利斯、索利多尔钠基脂轴承脂、滚珠黄油、弹子盘牛油石墨脂黑铅油、石墨膏油1、轻中载荷滑动轴承润滑油的选择工作温度10-60℃,轴颈压力3MPa以下:主轴轴颈线速度>9m/s,润滑油40℃粘度5-27mm2/s,适用的润滑油L-AN5、L-AN10、L-AN15全损耗系统用油;主轴轴颈线速度9-5m/s,润滑油40℃粘度15-50mm2/s,适用的润滑油L-AN15、L-AN32全损耗系统用油或L-TSA46汽轮机油;主轴轴颈线速度5-2.5m/s,润滑油40℃粘度32-60mm2/s,适用的润滑油L-AN32、L-AN46全损耗系统用油或L-TSA46汽轮机油;主轴轴颈线速度2.5-1m/s,润滑油40℃粘度42-70mm2/s,适用的润滑油L-AN46、L-AN68全损耗系统用油或L-TSA46汽轮机油或20号汽油机油;主轴轴颈线速度1-0.3m/s,润滑油40℃粘度42-80mm2/s,适用的润滑油L-AN46、L-AN68全损耗系统用油或L-TSA46汽轮机油或20号汽轮机油;主轴轴颈线速度0.3-0.1,油40℃粘度70-150mm2/s,适用的润滑油L-AN68、L-AN100、L-AN150全损耗系统用油或30号汽油机油;主轴轴颈线速度<0.1m/s,油40℃粘度80-150mm2/s,适用的润滑油L-AN100、L-AN150全损耗系统用油或30号、40号汽油机油。