DK-120门禁机说明书
- 格式:doc
- 大小:345.00 KB
- 文档页数:2
门禁系统简易使用说明书门禁系统简易使用说明书硬件操作方法通电后,门禁系统开始工作,开门:请按出门按钮,此时锁自动打开,关门:开门延迟过后,自动锁门刷卡开门:安装软件后,添加用户,添加卡片,分配开门权限,上传到门禁系统,刷卡即可开门,密码开门:打开扩展功能,开启(详情请看ASI门禁系统自带光盘,软件使用说明)。
软件的安装1.门禁软件可以安装在以下任一系统上:Windows XPMicrosoft Windows 20032.首先将光盘放入光驱,或者运行光盘的STEUP,系统将自动弹出安装界面,安装前建议您先查看常见问题和使用说明等内容,全部选择缺省选项,一路按”回车”即可快速安装完毕。
软件简易使用说明1.1登录和进入操作软件1.桌面的快捷方式。
进入2用户名:abc 密码:1233登录后显示主操作界面1.3设备参数设置添加/设置控制器参数单击基本设置\控制器进入单击添加,定义系统中的控制器。
产品的序列号可以在门禁系统主机上的标签上查到*****,请将所查到的5位数字填入.选择小型局域网,再单击【下一步】,进行详细设置。
设置完了以后,必须统一进行上传设置。
1.4 测试控制器通讯点击【基本操作】/【总控制台】选择所属控制器的门后,点击【检测】将显示该门所在控制器的基本信息,运行信息中如果有红色提示,表示控制器的设置和软件设置不一样,请进行上传设置来达到一致。
如大门图标显示为绿色,表示通讯正常。
如图标显示红色叉,表示通讯不上。
运行信息会提示“通讯不上”。
通讯不上,可能的原因是:控制器序列号错误或者网络问题1.5设置卡和员工资料(发卡)设置部门和班组名称单击基本设置\部门班组进入单击部门可添加部门名称。
想给该部门下再添加班组,1.6 自动添加注册卡功能(自动发卡):点击用户,选择自动添加,选择刷卡输入,用户在读卡器上刷卡后,左边框中会自动显示卡号。
通过自动添加功能添加用户时,持卡人的姓名缺省以N+卡号的方式命名,可以通过修改来修改用户的姓名和其它信息(除卡号外)。
门禁系统1)WG门控器设置点击门禁设置按钮会弹出如图所示的界面,在登录卡号下挂有以下几部分内容:部门设置,人员维护,时间组设置,人员门禁权限设置,门禁参数设置五个子菜单,图1图1 门禁控制1.点击“部门维护”进入部门维护界面,图2图2 部门维护在部门维护栏填加相关部门的编号及部门名称,如图所示,然后保存。
2.点击“人员维护”进入各部门人员维护界面,图3图3选择相应的部门对在其部门内的持卡人进行身份填写,如姓名,编号,卡区号,卡号,电话,地址,密码以及所在多卡开门群组。
(卡号栏所写的信息是每张IC卡本身所持有的独特信息,应如实填写),然后保存。
3.点击“时间组设置”进入门禁时间组设置界面,图4图4增加相应的时间组名(如早班,白班,夜班)并填入该组一周内允许出入的日期及时段。
(如图所示白班从周一到周日的每天00:00到09:00和22:00到23:59时间内为有效),然后保存。
4.点击“人员门禁权限”设置进入人员门禁权限管理界面,图5图5门禁权限管理在部门成员栏选择相应的部门,即可对该部门的人员进行门禁权限设置。
在门禁权限栏选择相应的门控器,然后即可设置部门成员对该门控器的每道门在不同时间组的出入权限,设置“有效期始”,“有效期末”,是为该卡在该门上何时生效、何时失效而填写。
保存后点击“写入”按钮把所设置信息写入门控器,系统会提示“开始设置门控器,请暂时不要刷卡”,直到提示“设置结束”表示信息录入成功。
5.点击“门禁参数设置“进入门禁工作方式配置界面,图6图6 门禁工作方式配置工作方式分为常开,常闭,在线三种方式。
1.常开工作方式表示门始终处于开启状态。
2.常闭工作方式表示门始终处于关闭状态,即使刷卡也不能开门。
3. 在线工作方式表示门始终处于门控器控制状态,门控器按照门禁设置,授权卡在授权时间段才能开门。
延时表示门控器对刷卡后的反应延时时间。
信息输入完毕后保存。
然后点击“写入”按钮,把信息写入门控器。
目录目录1功能简述:21. 产品介绍21.1 门禁系统基本组成部分21.2 产品分类31.3 门禁软件特征31.4 特色功能31.5 丰富的输入输出控制功能31.6 多种控制模式41.7 优越的远程控制功能41.8 联动控制功能41.9 报警事件41.10 系统安全性51.11 电子地图51.12 适用场合52. 硬件参数53. 门禁控制器接线63.1 TCP/IP通讯方式门禁控制器接线示意图63.2 RS485通讯方式门禁控制器接线示意图73.3 接线示意图补充说明84. 门禁控制器联网示意图104.1 485通讯控制器联网示意图104.2 TCP/IP通讯控制器联网示意图115. 工程规图116. 布线要求127. 安装注意事项128. 门禁系统的使用138.1 安装设置流程图138.2 具体安装步骤及说明138.3 扩展部分设置169. 常见问题16附录一:16非接触式感应卡读卡器16附录二:封面3门禁与DVS联动拍照封面3前言欢迎您选用我公司门禁机,为了您正确、方便、快捷地使用本产品,同时更详细的了解本产品的功能,请您在使用本产品前认真阅读此说明书。
功能简述:●外观设计时尚优美,设备可与墙面设计装潢完美结合,更符合实际用户的需求。
●真正网络版门禁,整套系统只需安装一个数据库,管理端无须安装数据库。
按星期、按任意天数和按月排列的时段规律,彻底解决人员轮班,三班倒等问题。
●采用符合外来发展趋势的TCP/IP协议(局域网)接口和RS485接口。
●门禁控制系统具有脱机和联机两种使用功能,联网模式下可实现分权限、分部门管理、实时监控等。
●门禁控制器兼容性更强,具备与国际标准wiegand-格式的各种类型的读卡器配套使用,可满足不同客户的实际需求。
●门禁控制器允许接入wiegand格式读头1~4个,根据产品型号不同门可接外出按钮或读卡器。
●读卡类型:EM ,Mifare1、HID等市面主流的读卡类型。
门禁系统简易说明书门禁系统简易操作说明书第一部分硬件一线材的选择1.读卡器到控制器建议使用8芯双绞屏蔽网线(五类或者超五类)。
2.电锁到控制器建议使用4*0.75以上RVV(2芯电锁电源、2芯接门磁)。
3.出门按纽到控制器建议使用2*0.5以上RVV。
4.485通讯线建议使用2*0.75以上RVV双绞屏蔽线。
二门禁布线图三布线要求及注意事项1.读卡器一般安装在进门的右边距地面1.4M左右,方便刷卡;不要安装金属周围,以避免干扰。
双向读卡时,两读卡器不能安装在正背面。
2.中大型门禁系统的控制器建议集中放置,如放置在弱电井,以方便进行集中管理、检修等工作。
3.读卡器到控制器、控制器到控制器之间的通讯线布线不要与强电线路并行,以避免造成通讯干扰。
四485通讯线路图五读卡器与控制器接线六电锁电源接线第二部分软件一门禁软件的安装1.安装门禁软件(如果是网络版软件请安装Microsoft SQL Server 2000)。
2.安装加密狗驱动。
3.数据库服务器连接设置(1)单机版(Plus)不用做数据库服务器连接设置,即可直接进入软件。
(2)网络版(Server)①点击“开始”→“程序”→“门禁控制系统”→“数据库服务器连接设置”菜单,随后出现以下界面:②在此界面主菜单中,选择“连接”,在后面出现的对话框中先选择“服务器主机名称”。
③再在第2项复选框中选中“使用指定的用户名称和密码”,输入在安装MS SQL Server 2000过程中设定的用户名称及密码,并选中“允许保存密码”复选框。
④在最后在第3项复选框中选中“附加一个数据库文件作为数据库名”,点击,出现以下界面:在此界面中选择“securedb.mdf”文件,点击打开按钮即可。
⑤运行“测试连接”点击“测试连接”,出现“测试连接成功”,即完成了数据库的连接配置。
至此,Server已能正常运行。
二门禁软件操作门禁系统的三要素:卡→人员→门。
首先我们要在系统里注册卡,再把卡给对应某个人员,此人员具有那些门的权限?我们操作门禁软件按这个思路来这就比较简单明了,“卡给人,人开门”。
DKM 120 conventional manual call points handle manual alarm triggering and are used with conventional technology.Functions In the event of an alarm, the glass pane (2) is broken first,then the manual call point (3) is pressed hard.This activates the micro switch for alarm triggering and the indicator LED (4) blinks.A locking mechanism holds the pressed manual call point.The manual call point can be reset with the reset lever (5).The indicator LED (4) goes out.This does not reset the alarm on the fire panel.VariantsThe design of the manual call points for interior areas (form G) and exterior areas (form H) are identical. Three color variants, red, blue, and yellow are available.Detectors for outdoor use (form H) have a cover equipped with a seal.Certifications and ApprovalsVdS - approval number: G 298 061ATEX approval: PTB 01 ATEX 2163XInstallation/Configuration Notes•Manual call points have to be mounted visibly along escape and rescue routes (e.g. exits, passageways,stairwells) and be easily accessible.•An installation height of 1400 mm ±200 mm, measured from the middle of the manual call point to the floor,must be maintained.•Manual call points must be illuminated sufficiently with daylight or another light source (including emergency lighting, if present).•Max. one test detector may be used for primary lines together with automatic detectors. The test detector is connected at the end of the primary line.•Further standards, guidelines and planningrecommendations regarding the installation location etc., should also be taken into consideration (see FireDetection manual).•Regulations of local fire departments must be observed.DKM 120 Manual call point▶Adjustment of the manual call point after alarm triggering ▶Variable labeling possible with foil sets▶Indicator LED for alarm or for inspection evaluation ▶Second contact with connections for panel control ▶Variants for interior and exterior areas2 Installation/configuration notes in accordance with VdS/VDE•The distance between manual call points should notexceed 100 m according to DIN 14 675 or 80 m according to VdS.•In high risk areas, manual call points should be installedat a distance of max. 40 m(VDE 0833 Part 2, Point 7.2.6).•According to VdS, up to 10 manual call points can beconnected to a primary line.Installation•Cables can be inserted surface-mounted or flush-mounted.•Installation in fire hose cabinets is possible in threeways:Pos.Description1Installation depth version 1: min. 37 mm 2Installation depth version 2: 14 mm 3Installation depth version 3: approx. 30 mmPos.Description A "Fire department"B "Break glass"C"Press button hard"Parts IncludedType of deviceQty.ComponentsDKM 120, type G, red 1Manual call point, housing color red DKM 120, type G, blue 1Manual call point, housing color blue DKM 120, type G, yel-low1Manual call point, housing color yellow DKM 120, type H, red 1Manual call point, housing color red, de-tector door with sealDKM 120, type H, blue 1Manual call point, housing color blue, de-tector door with sealDKM 120, type H, yel-low1Manual call point, housing color yellow,detector door with sealDKM 120 test detec-tor, type G, blue 1Manual call point, housing color blue, alu-minum insert plateNoteStandard labeling in German, other labeling possible with universal foil set. The labeling "test detector" is performed using theuniversal labeling field for the upper labeling field.3Technical SpecificationsElectricalOperating voltage19 V DC . . . 30 V DCCurrent consumption Specified by the respective securitysystemMechanicsDimensions (W x H x D)135 x 135 x 36 mmHousing material Plastic (ASA)Colors Red, RAL 3001Blue, RAL 5005Yellow, RAL 1003Weight Approx. 450 gEnvironmental conditionsProtection category as per EN 60529•Type G (indoor area)IP 52•Type H (outdoor area)IP 54Environmental class according toEN 54 T2•Type G (indoor area)II•Type H (outdoor area)IIIPermissible operating temperature•Type G (indoor area)-10 °C . . . +55 °C•Type H (outdoor area)-25 °C . . . +70 °CDKM 120, Type G, redfor triggering the alarm manually using con-ventional technologyManual call point for use in interior areas DKM120-Form-G redDKM 120, Type G, bluefor triggering the alarm manually using con-ventional technologyManual call point for use in interior areas DKM120-Form-G blueDKM 120, Type G, yellowfor triggering the alarm manually using con-ventional technologyManual call point for use in interior areas DKM120 Form G/ yellowDKM 120, Type H, redfor triggering the alarm manually using con-ventional technologyManual call point for use in exterior areas DKM120-Form-H redDKM 120, Type H, bluefor triggering the alarm manually using con-ventional technologyManual call point for use in exterior areas DKM120 Form H/blueDKM 120, Type H, yellowfor triggering the alarm manually using con-ventional technologyManual call point for use in exterior areasDKM120 Form H/yellowDKM 120 Test call point, form G, bluefor triggering the alarm manually using con-ventional technologyManual call point for use in interior areasDKM120-Form-GblueAccessoriesSpare glass pane (PU = 5 pieces)For fire detectors form G, H and KDKM-SPARE-GLASSKey for fire detectors types G and Hmade of red plastic (ASA)FMM-KEY-Form G/HSign with label "Nicht in Betrieb"Metal sign for fire detectors form G or HFMM-SIGNPunched, self-adhesive foil sets (blank), foroperating panel and labeling field10 units, for DM / DKM / SM / SKM, for indi-vidual printingDKM120-LABELMulti-purpose labelling foils for the upperlabel field5 unitsDKM-LABELSEurope, Middle East, Africa:Bosch Security Systems B.V.P.O. Box 800025600 JB Eindhoven, The Netherlands Phone: + 31 40 2577 284Fax: +31 40 2577 330****************************** Americas:Bosch Security Systems, Inc.130 Perinton ParkwayFairport, New York, 14450, USAPhone: +1 800 289 0096Fax: +1 585 223 9180***********************.comAsia-Pacific:Bosch Security Systems Pte Ltd38C Jalan PemimpinSingapore 577180Phone: +65 6319 3450Fax: +65 6319 3499*****************************Represented by© Bosch Security Systems 2006 | Data subject to change without notice T285618571 | Cur: en-US, V3, 26 Sep 2006。
DK120X/200/2P防雷箱说明书
1:特点
本产品采用先进高性能芯片、冲击电流大、最大200KA(8/20)、限制电压低、响应速度快,保护水平低;劣化有效指示、故障能迅速脱离电网。
2:技术参数
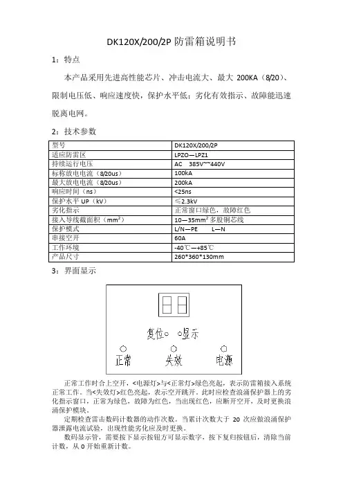
3:界面显示
正常工作时合上空开,<电源灯>与<正常灯>绿色亮起,表示防雷箱接入系统正常工作。
当<失效灯>红色亮起,表示空开跳开。
此时应检查浪涌保护器上的劣化指示窗口,正常为绿色,故障为红色,当出现红色,应断开空开,及时更换浪涌保护模块。
定期检查雷击数码计数器的动作次数。
当累计次数大于20次应做浪涌保护器泄露电流试验,出现性能劣化应及时更换。
数码显示管,需要按下显示按钮方可显示数字,按下复归按钮后,清除当前计数,从0开始重新计数。
4:接线方式
常规接线示意图
凯文接线示意图
凯文接线时请用短连线,短接1、2端子,3,4端子。
1.产品主要技术指标2.产品出厂缺省值3.声光显示3.1.正常工作状态下:3.1.1.有效指令:嘟短声3.1.2.无效指令:嘟长声3.2.编程状态下:3.2.1.绿灯常亮3.2.2.有效指令:嘟嘟两声3.2.3.无效指令:嘟嘟嘟三声4.撤销未完成的指令:在键入指令没有全部完成前,按下[*]键,可以撤销该项指令5.功能及设置5.1.进入编程:[*]+[6位编程密码]嘟嘟,缺省:9901015.2.修改编程密码:[0]+[输入6位新编程密码]+[重复输入6位新编程密码]5.3.设置有效卡:[5]+[输入3位编码]嘟嘟+[感应卡1]嘟、嘟嘟+[感应卡2]嘟、嘟嘟+……+[感应卡n]嘟、嘟嘟+[*]嘟嘟,完成加卡5.3.1.3位编码:是001——500之间不可重复数字。
该编码是在卡丢失后删除卡的重要方式,请发卡人员妥善保存卡编码5.3.2.连续设置有效卡时,每张卡的编码按前一张卡的编码+1递增。
例如输入编码为015,再次读卡时,再次卡的编码为016……依次类推5.3.3.有效卡缺省个人密码:0000。
“0000”的个人秘密为无效密码,必须将该密码修改为非“0000”的密码才能生效。
5.4.删除有效卡:5.4.1.编码方式删卡:[7]+[输入3位编码1]嘟嘟+[输入3位编码2]嘟嘟+……+[输入3位编码n]嘟嘟+[*]嘟嘟,完成删卡5.4.2.感应方式删卡:[7]+[感应卡1]嘟、嘟嘟+[感应卡2]嘟、嘟嘟+……+[感应卡n]嘟、嘟嘟+[*]嘟嘟完成删卡5.4.3.删除所有已设置卡:请使用恢复出厂设置的方式5.4.4.删除有效卡后其个人密码也一并删除5.5.退出编程状态:[*]嘟嘟5.6.设置感应卡的开门方式:5.6.1.卡或密码方式:[1]+[0]嘟嘟(缺省)5.6.2.卡+个人密码方式:[1]+[1]嘟嘟5.7.使用“卡+个人密码”的开门方式时,还必须“开启修改个人密码”功能5.7.1.开启修改个人密码功能:[1]+[3]嘟嘟5.7.2.修改个人密码:非编程状态下[#]嘟嘟+[读感应卡]嘟、嘟嘟+[输入4位原密码](缺省0000)嘟嘟+[输入4位新密码]+[重复输入4位新密码]嘟嘟;5.7.3.关闭修改个人密码功能:[1]+[2]嘟嘟(缺省)5.8.密码5.8.1.“卡或密码”方式中的密码:是指每张有效卡内的个人密码(最多500个个人密码),以及1个通用密码5.8.2.修改通用密码:[3]+[4位通用密码](缺省1234)当通用密码或者个人密码为0000时,在“卡或密码”方式下,密码无效5.9.设置开锁时间:[2]+[TT]。
● ““ 4 ”键,删除全部用户按“ 4 ”字键,MODE(橙)灯亮,POWER(红)灯、OPEN(绿)灯熄灭。
再按“4”字键,MODE(橙)灯和POWER(红)灯亮,所有用户数据删除成功,返回设置状态。
● ““ 5 ”键,修改开门时间a、按“5 ”字键,MODE(橙)灯亮,POWER(红)灯、OPEN(绿)灯熄灭。
b、输入3位开门时间数值(小于255),蜂鸣器鸣叫一声,MODE(橙)灯和POWER(红)灯亮,开门时间设置成功,返回设置状态。
出厂设置为005,即0.5S例:123相当于12.3S;012相当于1.2S ;最大255相当于25.5S● ““ 6 ”键,修改用户密码a、按“6 ”字键,MODE(橙)灯亮,POWER(红)灯、OPEN(绿)灯熄灭。
b、输入用户号,蜂鸣器鸣叫一声,OPEN(绿)灯亮,输入新密码,蜂鸣器鸣叫一声,MODE(橙)灯和POWER(红)灯亮,OPEN(绿)灯熄灭,用户密码修改成功,返回设置状态。
● ““* ”键,退出编程模式任何时候都可按“* ”键退出编程模式。
蜂鸣器鸣叫一声,POWER(红)灯亮,MODE (橙)灯和OPEN(绿)灯熄灭,门禁控制器退出系统编程模式,返回正常工作模式。
说明:在加入用户的过程中如果蜂鸣器短鸣三声,表明用户号已被登录过。
四、门禁控制器使用方法门禁控制器编程完成后,进入正常工作状态,POWER(红)灯亮,MODE(橙)灯和OPEN(绿)灯熄灭。
使用方法如下:a、“刷卡”用户(登陆用户时设置):将用户卡接近一下门禁控制器,蜂鸣器鸣叫一声,OPEN(绿)灯闪烁一下,开门成功;如果蜂鸣器短鸣三声,则表明该卡为非法,不能开门。
b、“密码”用户(登陆用户时设置):连续输入六位用户密码,蜂鸣器鸣叫一声,OPEN(绿)灯闪烁一下,开门成功;如果蜂鸣器短鸣三声,则表明该密码为非法,不能开门。
C、“卡+ 密码”用户(登陆用户时设置):要求先刷卡以后先刷卡以后先刷卡以后(刷卡有效,蜂鸣器鸣叫一声,OPEN灯闪动,提示用户输入密码;刷卡无效,蜂鸣器鸣叫三声,退出等待重新刷卡),再输入与之相应的密码再输入与之相应的密码(密码有效,鸣叫一声,门开;密码无效,退出等待重新操作密码)。
一.产品概述DKC-Y120 是由我公司奕标科技在原DKC-Y110的基础上改进开发的最新一款中文可编程分时双轴控制器,采用进口工业级高性能CPU芯片,使得控制器可靠性高,控制进度高,电机运行平稳,噪音小。
该控制器本着使用最简单明了的命令实现最实用的功能,可以实现各种复杂定位功能和非定位功能。
同时该控制器的界面为最终的用户界面,简洁,专业,操作方便等特点。
1 宽电压输入:DC6-36V2 多重保护功能:有反接保护,过压保护,过流保护3 指令特点:最优化的12条指令(好记易学可实现各种复杂动作)4 加减速:1-100级加减速设置,使得电机启动更加平稳快速,停止更加精准5 输出频率:1HZ-50000Hz能适合各种对超低频,高频的应用场合6输出:4路输出都具有1A的负载能力可以直接接继电器等7 输入:6路输入都具有任意定义为启动,停止,复位或者是任意的程序中断入口8 密码保护:有密码保护功能,(保护程序不会被随意更改,和程序的知识产权)9 其他:有单双脉冲输出,上电自动回零,上电自动运行等等。
10 单位:有毫米,圈,脉冲三种单位模式可以选择11外形尺寸:104*100*32MM 嵌入式安装。
二.前后面板介绍1.前面板图如图1,该面板简洁,大方,没有多余的最终用户使用不到的“程序编辑”“设置”按钮,从而彰显出控制器的专业和高端。
但是简洁不等于不方便,而是简洁更加体现出简单和方便。
(1)四个箭头键,分别为上下左右选择、位移、加减开关功能键。
(2)“菜单”在任何时候按下该键可以直接进入控制器的主菜单页面,选择进入相应的运行模式,(3)“确定”该键顾名思义为选择某个选项,修改某个参数后确认键(4)“复位”该键为复合键,在自动运行模式下为程序复位的功能。
在手动运行模式下为机械复图1:前面板图位的功能(即电机回到初始位置不需要限位开关)。
在程序编辑模式,为删除一行的功能(5)“运行停止”该键也为复合键,在自动运行模式下为启动和暂停功能,在编程模式下为插入一行的功能。
门禁软件系统使用详解1.软件功能简介门禁管理系统主要功能为门禁设置、系统监控、数据采集与处理,用户可以完成系统网络配置、员工设置、权限设置等;软件提供实时事件列表和实时状态及报警事件列表,使用户对系统动作状态有即时的掌握;同时软件实现对智能设备的管理,进行数据下载、远程控制、数据采集。
软件具有输出报表功能,可以根据不同的用户要求生成不同类型的报表文件,适应于不同的应用。
● 软件简单易用,界面清晰;● 实时事件列表和实时状态功能,对报警事件作单独的处理;● 硬件控制功能,实现参数设置、远程控制门、门状态检测、系统时间设置等;● 支持硬件系统脱机操作,可以在系统连机后采集数据;● 系统具有自测功能,根据用户的设定检测系统运行状态;● 对网络硬件采用树型管理方式,组织关系直观明了;● 分级系统操作管理员,提高系统安全性能;● 支持无限多的用户定义时间段数● 多种出入权限模式(单卡、双卡、卡加密码、密码、无限制通行)● 出入口的权限为时间段与出入模式的组合,针对不同员工、地点可实现细致的划分;● 持卡人出入权限分配简单灵活,可按出入点或时间段等方式进行分配;● 详细的员工资料管理,包括:员工的姓名、照片、职务、部门、卡号、生日、入职日期、工号、地址、电话;● 支持卡号预先录入功能,无需人工录入;● 灵活的报表输出功能,可按部门、职位、有卡、无卡、事件类型、事件来源、工号、卡号或根据用户需要定制不同的条件,生成报表,或存成文件格式存档或电子邮件发给不同地方的管理者。
2.门禁系统软件快速入门1.操作功能面板:是指软件操作功能的一个集合,软件所有功能都在此面板内,通过操作此面板来实现门禁相关功能;2.设备或部门选择树:选择当前操作的对象,对象可以是某个部门、或某个控制器、或控制器的某个门。
一次可以从该<设备或部门选择树>中,选择一个或多个操作对象;3.快捷功能工具条:将<操作功能面板>中的某些常用功能,放到该工具条上,方便快捷操作;4.编辑常用工具条:对当前<功能操作区>的操作对象,进行“新增”、“修改”、“删除”、“选中”等操作功能的一个集合工具条,操作对象具体来说,就是从<设备或部门选择树>选择过来的部门、控制器以及某个具体的门;5.功能操作区:对某项功能进行操作的工作区,一般包括“功能操作按键”、“操作对象列表”、“信息显示”等6.操作对象列表:是指需要操作的对象都放在此列表内,根据功能不同可以勾选后,单个执行某项功能或一起执行,简单化操作。
门禁说明书概述本文档旨在向用户提供关于门禁系统的详细信息和使用说明。
门禁系统是一种安全管理系统,通过使用电子技术和身份验证技术,控制人员进出特定区域。
该系统主要包括门禁设备、门禁管理软件和相关配件。
门禁设备1. 门禁读卡器门禁读卡器是门禁系统的核心设备,通常安装在门禁门框的侧面。
它用于读取用户的身份信息并将其传输到门禁控制器进行验证。
根据需求,门禁读卡器可以使用不同的身份识别技术,如刷卡、指纹或面部识别等。
2. 门禁控制器门禁控制器是门禁系统的主要控制设备,负责管理读卡器和锁的通信。
其功能包括验证用户的身份信息、控制开关锁、记录进出记录等。
门禁控制器通常与电源和网络连接,以便实现远程管理和监控。
3. 电锁电锁是门禁系统中的重要配件之一,它负责控制门的开关。
当门禁系统验证用户身份并允许进入时,电锁会被解锁,使门可以自由开启。
电锁的种类根据具体需求而定,包括电磁锁、电插锁和电动锁等。
4. 出入口按钮出入口按钮是门禁系统的配件之一,用于触发门禁系统开门。
用户只需按下按钮,门禁系统即会验证用户身份并控制门的开启。
门禁管理软件门禁管理软件是门禁系统的核心控制管理工具,通过该软件可以实现对门禁设备和相关用户的管理和监控。
1. 用户管理门禁管理软件允许管理员管理系统中的用户信息,包括添加、删除和修改用户的身份信息。
管理员可以设置不同用户的访问权限和时间限制,以确保安全性。
2. 记录查看门禁管理软件记录并保存了每次用户进出的时间和身份信息。
管理员可以通过软件查看和导出记录,以便进行安全审核和监控。
3. 报警设置门禁管理软件允许管理员设置报警功能,如非法入侵报警和夜间异常报警等。
管理员可以根据需求定制报警规则,并在出现异常情况时及时收到报警通知。
使用说明1. 刷卡或验证身份用户在使用门禁系统时,需要准备好有效的门禁卡或其他身份识别凭证。
当面对门禁读卡器时,用户可以刷卡或用其他适用的身份验证手段进行验证。
2. 进出记录查询用户可以向管理员申请进出记录查询权限,以便查看自己的进出记录。
门禁使用说明_范文一、概述门禁系统是一种集安全防范、出入管理与考勤于一体的现代化门控系统。
它通过使用智能卡、密码、指纹等识别技术,并与相关设备进行联动,实现对门禁、闸机、电梯等出入口的控制和管理。
本文将为大家详细介绍门禁系统的操作方法和注意事项。
二、门禁系统的操作方法1.入场操作(1)刷卡入场将智能卡靠近门禁识别器,待听到“嘀”的一声后,门锁将自动解锁,此时需迅速将门打开。
若未能及时打开门,门锁将再次锁定,需重新刷卡。
(2)密码入场在门禁识别器上输入正确的密码,按下“确认”键,听到“嘀”的一声后,门锁将自动解锁,迅速将门打开。
2.出场操作(1)刷卡出场将智能卡靠近门禁识别器,待听到“嘀”的一声后,门锁将自动解锁,此时需迅速将门打开。
若未能及时打开门,门锁将再次锁定,需重新刷卡。
(2)密码出场在门禁识别器上输入正确的密码,按下“确认”键,听到“嘀”的一声后,门锁将自动解锁,迅速将门打开。
三、门禁系统的注意事项1.保管好智能卡智能卡是使用门禁系统的重要凭证,使用者应妥善保管,不得随意借给他人使用。
若智能卡遗失或被盗,请及时报告相关部门,并及时更换新卡或冻结旧卡,以防止遭受损失。
2.不得将智能卡轻易透露智能卡上的信息是个人隐私,不得将智能卡透露给他人。
如因透露智能卡导致安全问题或经济损失,责任由使用者自行承担。
3.密码设置要规范使用者在设置密码时,要遵循安全规范。
密码长度应在6位以上,由数字和字母组合,且不得使用过于简单的密码。
定期更换密码,以确保系统的安全性。
4.未授权人员禁止入场未经授权的人员禁止入场,否则一旦发生安全问题,使用者将承担相应责任。
如遇到有人携带智能卡入场但不符合入场条件的情况,应及时报告相关部门。
5.维护与保养门禁系统是一种高科技设备,需要定期维护与保养。
定期检查设备的运行状态,确保设备正常工作。
如发现设备有故障或异常情况,应及时报告相应部门,并配合维修人员进行维修。
四、总结以上是对门禁系统的操作方法和注意事项的详细介绍。
门禁系统入门指南系统登录1.点击开始\程序\STOneCard\一卡通门禁管理,或者双击桌面的快捷方式。
进入登录界面。
2.选择缺省的用户名:Admin密码:空该用户名和密码可在软件里更改。
选中上图的更改密码选项后,点击确定,弹出密码更改框,输入新密码,即可更改,如下图所示:门禁管理主界面主界面:显示常用功能模块和操作流程系统参数系统管理->系统参数系统参数:主要设置进出门事件是否显示人员照片和是否需要将卡号转换为Wigand26格式,上次清理数据日期,是否采用IC卡序列号做门禁卡号,初始化时段。
如果有勾选中进门\出门事件是否显示人员照片,则只要发生进出门事件即可显示当前人员照片信息.如果有选中是否需要将卡号转换为Wigand26格式,则10位卡号将自动转换为8位卡号.在核心平台用读卡器发卡即可.如:ID卡号:0000924214 014 06710 发给姓名为:张三:卡号为前十位: 924214,则在门禁机上刷卡,显示后卡号:924214且将显示姓名如果没有选中是否需要将卡号转换为Wigand26格式,则需要用定自8位读卡器发卡才可用.否则发卡后,在门禁机读卡器刷卡,在门禁控制台上显示非法卡,8位卡号,且将不显示姓名如:ID卡号:0000924214 014 06710 发给姓名为:张三:卡号为前十位: 924214,则在门禁机上刷卡,显示后卡号:1406710且将不显示姓名初始化时段:将门属性的开关时段初始化为一个默认开关时段,将人员设置的进出时段初始化为一个默认进出时段.创建数据库时会自动初始化一个门默认开关进段和一个人进出默认进出时段如::如果有多个门开关时段和多个人进出时段,进行初始化是会初始化最小时段编号,如:门开关时段有编号1.2.3,人进出时段编号有4,5,6,时行初始化时,初始化门开关时段编号为1和人进出时段编号为:4.操作说明:点进“初始化时段”输入密码,点击“确定”即可。
120 S. Glasgow AvenueInglewood,California 90301U.S.A.InstallationReceiver Terminal WiringDoorKing Part NumbersThis receiver is NOT designed to be installed outdoors without being protected from the weather. An outdoor enclosure is available for the receiver if required (P/N 8057-110 - Metal Outdoor Box).Install the 8054 receiver in a location so the antenna is NOT surrounded by metal and is in free air as high as possible above the ground. A longer Coax Antenna kit is available for the receiver if required (P/N 1514-073 - Includes antenna, mounting “L” bracket and 15 feet of coax cable). An antenna amplifierkit (P/N 8058-080) or a Yagi directional antenna kit (P/N 1514-072) is also available for the receiver if required.The RF LED on the side of the case will blink as RF energy is received. If the LED blinks or is on continuously, this indicates that there may be interference on the frequency (318 MHz) and short range may be the result. If this happens, try relocating the receiver or remove the source of interference. An antenna amplifier or a directional antennamay be needed.Note: Loop detectors and proximity card readers can cause receiver interference.To Receiver Terminal #1 (Neg.)To Receiver Terminal #2 (Pos.)12-24 VoltTransformer Printer Interface Terminal P/N 1587-010DC Polarity Matters!Removable receiver terminal for easy wiring.8054-08150 Transmitter Codes 8054-082100 Transmitter Codes 8054-083250 Transmitter Codes 8054-084500 Transmitter Codes 8054-0851000 Transmitter Codes 8054-0861250 Transmitter CodesPrinter: Connect receiver directly to a printer using the printer interface terminalas shown.• Maximum wire run for printer data is 500 ft using Belden 9931, Consolidated5324-CL or equivalent shielded wire. DO NOT use twisted pair wire for printer data.• Serial printer setting: 9600 baud, 1 start, 8 data, 1 stop.#1 - Input Power 12-24 Volt AC, 12-24 Volt DC (Negative) #2 - Input Power 12-24 Volt AC, 12-24 Volt DC (Positive)#3 - Relay Contact (Normally Open)#4 - Relay Contact (Normally Closed)#5 - Relay Contact (Common)#6 - Printer Data (P1 DoorKing Printer Interface Terminal)#7 - Printer Signal Ground (P2 DoorKing Printer Interface Terminal)#8 - Printer Busy (P3 DoorKing Printer Interface Terminal)The model 8054 is a High Security Encrypted “Rotating Code” RF Receiver that is designed for stand alone applications. The encrypted “Rotating Code” programming in this receiver and the companion Micro Plus ® transmitters prevent copied transmitter codes from being used again to access a controlled entry point. The 8054 receiver includes 10 time zones (eight programmable), a history buffer that can store up to 2800 transactions in its memory. A serial printer can be connected to print the stored transactions or the receiver can be programmed to print transactions in real time mode.80691 80702 80713 80964 Use ONLY Micro Plus ® Transmitters12345678 Coax Antenna Kit (Included)18”Coax CableTerminals 3-4-5rated for 30 volt,1 amp max.25-P i n C o n n e c t o r#*123456789To Receiver Terminal #6To Receiver Terminal #7To Receiver Terminal #8To PrinterStand-Alone Power and Device Wiring :Connect 12 - 24 Volt AC or DC power to terminals #1 and #2. Use minimum 18 AWG wire to power the receiver.• If DC power is used (Transformer): Terminal #1 is NEGATIVE and Terminal #2 is POSITIVE .• Connect the receiver relay contacts to the device to be activated. - Receiver Terminal #3 is the relay contact Normally OPEN (N.O.)- Receiver Terminal #4 is the relay contact Normally CLOSED (N.C.) - Receiver Terminal #5 is the relay contact Common (C).120 S. Glasgow AvenueInglewood, California 90301 U.S.A.ProgrammingProgram the Master Code: The master code isthe four-digit number required to gain access to the receiver memory for all programming. You MUST program a MASTER CODE first.Programming BEEPS: The receiver is equipped with a “beeper” to help guide you through the programming steps. When required data has“BEEP” will be heard. A “BEEEEEEEEEP” indicates programming has ended successfully ORthere has been NO incorrectly, not enough memory to store all transmitters or receiver is in real time printing mode but printer is not connected or not turned on).“BEEP”2. Choose and enter four-digits on the keypad1. Press Master Code ButtonImportant Note: Keep this instruction sheet for future reference after writing down the master code . There is NO way of retrieving the master code after it has been programmed in. If you forget it, you will have to program in a new master code but all other previously programmedinformation will remain intact.Add a Transmitter: Unique codes located on back of transmitter (Five-digit Transmitter Code - Tr) and (Four-digit Facility Code - Fc).1.2.3.4. Enter the LOWEST 5. Enter the HIGHESTNote: Valid transmitter codes are 00000 - 65407.If adding a single transmitter, the lowest and highset five-digit number will be the same.6. Note: Valid Time Zones are 0 - 9. There are 10 available time zones. Time zones 2 - 9 are programmable (See “Programming Time Zones” programming on next page). never allow access to the transmitter(s) being programmed.always allow access to the transmitter(s) being programmed. 7. to end the programming. A “BEEEEEEEEEP” will be heard when finished.“BEEP”“BEEP”“BEEP”“BEEP”“BEEP”When programming a block of transmitter numbers, the receiver will “BEEP” every three seconds.Wait for this beeping to stop before proceeding with any other programming.This may take up to five minitues depending on the memory size and the number of transmitters being programmed.Delete a Transmitter One at a Time: Unique codes located on back of transmitter (Five-digit Transmitter Code - Tr) and(Four-digit Facility Code - Fc).1.2.3.4.3. Repeat steps 2 - 4 to end the programming. A “BEEEEEEEEEP” “BEEP”“BEEP”Delete ALL Transmitters at Once: WARNING: Deleted transmitters CANNOT be retrieved.1.2. Enter 99993. After approximately 1 1/2 minutes of “BEEPS” every three seconds, one long “BEEEEEEEEEP” will beheard when finished.“BEEP”“BEEP”Relay Strike Time: The amount of time the receiver relay activates.1.2.3.“BEEP”“BEEEEEEEEEP”Program Current Time and Day: Current hour and minute, AM or PM, current month, current day and current year.1.2.3.AM PM4.5.6.7.8.“BEEP”“BEEEEEEEEEP”Programming Time Zones: Can be used for Step 6 of “Add a Transmitter” on the previous page.1.2. Enter a single-digit time zone to be programmed (ONLY 2 - 9 time zones are valid), then press3. Enter the Beginning4.AM PM , then press5. Enter the Ending6.AMPM , then press 7.8. to end the programming. A “BEEEEEEEEEP” “BEEP”120 S. Glasgow AvenueInglewood, California 90301 U.S.A.8054-065-E-8-19Copyright 2019 DoorKing ®, Inc. All rights reserved.This device complies with the FCC Rules Part 15. Operation is subject to the following two conditions:1.) This device may not cause harmful interference.2.) This device must accept and interference received, including interference that may cause undesired operation.This class B digital apparatus meets all requirements of the Canadian Interference-Causing Equipment Regulations.Cet appareil numérique de la classe B respecte toutes les exigences du Réglement sur le matériel brouilleur du Canada.Print Mode: Turn “Real Time Mode” ON or OFF.1.2.“Real Time Mode”If programmed for “Real Time Mode”, printer MUST be connected and turned ON , otherwise the receiver will sound four long beeps.3.“BEEP”“BEEEEEEEEEP”Print Transactions for a Specific Day ONLY: Used to print only a desired day’s transactions and not the entire buffer.1.2.3. Only the desired day’s transactions stored in the receiver’s buffer will print. The receiver will sound one long “BEEEEEEEEEP”when finished.“BEEP”“BEEP”Print: Print all transactions stored in the receiver’s buffer.1.“BEEEEEEEEEP” when finished.“BEEP”Clear Transaction Buffer: WARNING: Deleted transactions CANNOT be retrieved. Up to 2800 transactions are stored in buffer.1.2. Enter 9999, then pressThis sequence will take about 5 minutes of “BEEPS” every three seconds, one long “BEEEEEEEEEP” will be heard when finished.“BEEP”“BEEP”120 S. Glasgow AvenueInglewood, California 90301 U.S.A.。
门禁使用说明_范文
一、概述
门禁系统是一种通过身份验证来控制人员进出一些区域的安全系统,它采用电子技术和自动化技术相结合,具有安全、高效和便捷的特点。
本使用说明详细介绍了门禁的组成、使用方法和注意事项,以帮助用户正确使用门禁系统。
二、组成
2.控制器:负责处理身份验证信息,在验证成功后控制门锁的开闭。
3.门锁:负责控制门的打开和关闭,可根据需要选择电磁锁、电动锁等不同类型的门锁。
4.电源:为整个门禁系统供电,一般采用交流电源或直流电源。
5.电脑:用于管理门禁系统,包括用户权限设置、记录查询等操作。
三、使用方法
2.刷卡出门:在门禁系统设有出门刷卡功能的情况下,用户在离开时也需刷卡进行身份验证,门锁将在验证通过后打开。
3.临时授权:门禁系统通常设有临时授权功能,管理员可通过电脑操作给予临时访问权限,使非常访客可以方便进出,过期后权限自动失效。
4.记录查询:管理员可以通过电脑查询门禁系统的出入记录,包括时间、用户等信息,以便于对进出情况进行管理和监控。
四、注意事项
2.不私自带开门方式:在门禁系统下,用户不得以破坏、强行进入等方式进入,应严格按照门禁系统要求进行身份验证。
3.注意系统安全性:门禁系统的电脑管理端应采取相应的安全措施,以防止被他人恶意操作或破坏。
5.正确使用临时授权:使用临时授权功能时,管理员需确保授权时间和权限的准确性,避免造成任意进出。
6.保养门禁设备:定期对门禁系统进行维护和保养,及时更换电池、清洁读卡器等,以确保系统的正常运行。
以上是门禁使用说明,门禁系统能够提供较高的安全性和便捷性,用户在使用门禁系统时需正确操作,维护好系统的安全性和正常运行。
门禁一体机操作说明GNDPUSHLOCKOPENOPENBELL注意:1、 电锁一般应人专用电源控制器接出。
2、 通过J1的跳线可选择PUSH 的常开常闭。
3、 通过J2的跳线可改变PUSH 的输出电平。
4、 上电前必须确认电源电压(12V )和电源的方向。
具体操作: 一、 门禁一体机编程方法:A 、 常用操作的简单流程:1、 授权用户卡:#五位编程密码(出厂前为12345) 41# 连续感应需要授权的卡 # *2、 设置开门密码:# 五位编程密码(出厂前为12345) 2 四位开门密码 *3、 删除用户卡:# 五位编程密码(出厂前为12345) 61# 连续感应需要删除的用户卡# *4、 修改编程密码:# 五位编程密码(出厂前为12345) 1 五位新编程密码 *B 、 详细操作说明:1、“#”键:功能键,进入编程模式(1)按“#”字键,红灯、绿灯、橙灯一齐闪亮。
(2)、输入五位系统密码(初使密码为12345),蜂鸣器鸣响一声,红灯和橙灯亮、绿灯熄灭,门禁一体机进入系统编程状态。
+12VDC DOOR 12V 电源+ 12V 电源— 接电锁信号线 或接电锁信号负极 接电锁正极 接开门按钮 接开门按钮 接门铃 接门铃2.“1”键,修改系统密码:(1)、按“1”字键,橙灯亮、红灯和绿灯熄灭。
(2)、用户输入五位数字密码(如88888),输入完毕,蜂鸣器短鸣响一声,绿灯闪亮一次熄灭,橙灯和红灯闪亮,密码修改成功。
注意:该用户密码需要妥善保存,再次进入系统编程模式时需要输入该密码,如果忘记密码,请执行初始化操作流程,将系统管理密码初始为出厂默认密码12345。
3、“2”键,增加(修改)用户开门密码(此密码为公共密码)按“2”输入四位用户开门密码(如8888)。
4、设置开门方式:按“300”:只允许卡开门;按“301”:卡或密码开门;按“302”:卡加密码开门。
5、授权用户卡:注:卡号是指ID卡上丝印的10位卡号的后面10位(前面为零的可以省略)(1)手动加入:单张加入:按40+# 键入8位数卡号+ #,可连续输入,按#结束)批量加入:按50+#键入8位数起始卡号#,再键入欲增加卡的张数(三位数)+#(此项功能仅限于用户卡号可连续)(2)读卡加入:单张加入:按41+# 读要授权的卡+#(可连续读卡,按#结束)批量加入:按51+# 读卡(起始卡),键入欲增加的卡张数(三位数)+#6、删除用户卡(1)、手动删除:单张删除:按60+# 键入8位数卡号+#(可连续输入,按#结束)批量删除:按70+#键入8位数起始卡号+#,再键入欲增加卡的张数(三位数)+#读卡删除:单张删除:按61+# 读要删除的卡+#(可连续读卡,按#结束)批量删除:按71+#读卡(起始卡),键入欲删除的卡的张数(三位数)+#注:若作整批卡片增加或删除时,所键入增加或者删除的卡片张数(三位数),不含起始卡片或者8位数的起始卡号,因此实际卡片的张数应为3位数+17、删除所有用户卡:按“888#”,蜂鸣器长鸣一声,绿灯闪亮一次熄灭,橙灯和红灯亮,所有用户数据删除成功。
门禁一体机
使用说明书V2.2
一产品功能及技术参数
1.1产品功能
此机器是一款采用非接触式感应卡和密码进行出入管制的门禁一体机,使用简单、性能可靠,主要有以下功能:
1、卡开门、密码开门、卡加密码开门三种开门方式;
2、两组信号独立输出,一组继电器干触点信号和一组对地信号PUSH(低电平);
3、一组开门按钮接口;一组门铃接口;
4、一组WG26接口,可作为WG信号的输入或者输出(仅适用于部分型号);
1.2产品主要技术参数
项目指标项目指标
工作电压DC 12V±10% 环境温度0℃—60℃
工作电流< 100mA 用户容量1000个
外型尺寸120×78×22mm 读卡类型MF1卡或EM卡
重量110g 读卡距离1-15CM
1.3出厂参数默认值
1.4声光状态提示
灯快闪:亮0.5秒灭0.5秒灯慢闪:亮1秒灭1秒蜂鸣器短鸣:滴蜂鸣器长鸣:滴—
日常使用状态提示:
待机状态开锁
状态
刷卡开门
密码开门
(输入密码后按#)
卡+密码开门
(刷卡后输入密码,再按#)
红灯慢闪绿灯
常亮
有效卡:绿灯常
亮,短鸣一声;无
效卡:短鸣三声
密码正确:绿灯常
亮,短鸣一声;密码
错误:短鸣三声
无效卡:短鸣三声;有效卡:绿灯
快闪。
密码正确:绿灯常亮,短鸣
一声;密码错误:短鸣三声
编程操作状态提示(以增加用户卡的编程操作为例)
步骤# 123456# 1 读卡#
声光提示
绿灯快闪;短
鸣一声
密码正确:红灯常
亮,短鸣一声;密
码错误:短鸣三声
绿灯快闪;能添加的卡
长鸣一声,不能添加的
卡,短鸣三声
输入正确:长鸣一声;输
入错误,短鸣三声。
红灯
慢闪,同时退出编程状态。
二安装和接线说明
2.1接线端子说明
JP1: JP2:
2.2接线示意图
注:如直接用继电器驱动电锁,请在电锁的正负端并接一个反向二极管。
序号丝印颜色功能
1 12V 红DC 12V输入
2 GND 黑电源地
3 PUSH 蓝低电平输出
4 OPEN 黄出门按钮
5 BELL 灰
外接门铃
6 BELL 白
序号丝印颜色功能备注
1 12V 红DC 12V输出部分
型号
无此
接口
2 GND 黑电源地
3 DATA0 绿WG数据线0
4 DATA1 白WG数据线1
5 NC 棕继电器常闭端
6 COM 蓝继电器公共端
7 NO 紫继电器常开端
参数名称参数值参数名称参数值
开门模式卡或密码开门背光自动继电器开锁信号5秒防拆、安全功能关闭公共开门密码无WG26接口输入
三门禁机编程
3.1编程操作说明:(编程密码出厂值为:123456)
3.2、初始化编程密码(123456)与设置管理卡
第一步:断电,把RST(S1)跳线帽连接2、3端,重新上电,三声长鸣后绿灯快闪,此时编程密码恢复为出厂值(123456)
第二步(如无需管理卡,此步骤可省略):连续刷两张空白卡(第一张为增加卡,第二张删除卡),此时红灯闪烁、连续短鸣。
第三步:断电,跳线帽重新连接1、2端,最后重新上电,编程密码初始化和管理卡增加完成。
3.3管理卡的使用
增加用户卡:在待机状态下,刷增加卡,再刷要增加的用户卡,然后刷增加卡退出
删除用户卡:在待机状态下,刷删除卡,再刷要删除的用户卡,然后刷删除卡退出
删除全部用户:在待机状态下,刷删除卡,再刷增加卡,然后刷删除卡退出。
此操作会删除所有用户,包括个人密码用户(不含公共密码)。
(注:所有密码都可以是3~6位数字)
3.4用户编号说明
机器默认的用户编号由4位数组成(如0001),每增加一个用户,用户编号就自动加1;中间有删除单个用户时,该编号自动置空,不影响新增的用户的编号(新增用户编号还是在最后增加的用户编号上加1);执行删除全部用户命令(编程命令40 或者用管理卡)后,用户编号从0001重新开始。
公共开门密码不占用用户编号。
3.5修改与卡对应的个人开门密码:
开门模式设为“卡加密码开门”,成功开门后的5 秒内,长按“井”直到绿灯快闪,这时输入新密码# 重复新密码# ,蜂鸣器长鸣一声,与该卡对应的个人开门密码修改成功。