光伏电站融资尽调资料清单
- 格式:doc
- 大小:18.50 KB
- 文档页数:2
融资租赁尽职调查资料清单
1.企业基本情况
-公司名称、注册地、地址等基本信息
-公司成立时间、法定代表人、股东结构等背景信息
-公司经营范围、主要产品或服务等业务情况
2.财务状况
-最近三年的财务报表,包括资产负债表、利润表和现金流量表
-财务指标分析,如利润率、偿债能力、流动性等指标的评估
-公司的财务风险分析,包括对公司偿债能力、盈利能力和现金流状况的评估
3.项目可行性
-项目的市场分析,包括市场规模、竞争情况、潜在需求等
-项目的技术可行性,包括技术水平、生产工艺等方面的评估
-项目的经济可行性,包括预测的收入、成本和盈利能力等的评估
4.风险评估
-市场风险评估,包括市场变化、竞争风险等的分析
-运营风险评估,包括供应链风险、管理风险等的分析
-法律风险评估,包括合同风险、知识产权风险等的评估
5.合同和文件
-租赁合同或融资租赁协议的复印件
-其他相关文件,如购买合同、供应协议等
6.监管审查
-公司的营业执照和相关行业资质证书的验证
-公司的税务登记和纳税记录的验证
-其他相关监管文件的验证,如环境保护许可证、食品安全证书等
7.技术评估
-设备或资产的技术规格和性能参数的评估
-设备或资产的维修记录和保养情况的评估
-设备或资产的残值及二手市场价值的评估
8.企业背景调查
-公司的信用记录和商业信誉的调查
-公司的官方网站和社交媒体的评估
-其他媒体报道和市场口碑的调查
以上是一份融资租赁尽职调查资料清单的基本要素,具体要根据项目的特点和需要进行适当的调整和补充。
在进行尽职调查时,还应注意保护商业秘密和个人隐私,确保合法合规。
投融资法务尽职调查清单1. 请介绍您何时加入公司?担任现职有多长时间?在此之前是否有担任公司其它的职务?如有,是什么职务,有多长时间?请介绍您在加入公司之前的学历和工作经验。
2. 请介绍公司所在行业的主要对口监管机构、现行监管政策以及未来对宏观监管环境的粗略判断(收紧、维持不变、放松)。
3. 请讨论公司的未来业务计划和进行该业务所需许可证申请情况(如有)。
4. 公司是否认为目前存在对业务存在重大影响的任何监管规定?可见的未来范围内是否可能有任何对业务存在重大影响的监管规定出台?如何看待监管当局的潜在政策风险?5. 请说明公司是否有受到主管机关和行政部门处罚的情况,如果有请介绍这些处罚的结果以及预期发展,具体包括业务主管部门、税务部门、工商部门等。
6. 请介绍对于对公司运营有重大影响的知识产权,公司是否拥有、与第三方共有或自第三方授权获得。
7. 公司是否从第三方获取知识产权授权或向第三方进行知识产权授权?如有,请简要介绍相关安排。
8. 请介绍公司在获取专利、商标或其他知识产权覆盖方面是否遇到过任何阻碍?例如,公司申请自有专利或获取第三方专利授权过程中是否遭到过拒绝、驳回或申请复审的情况?9. 请介绍公司每家子公司经营范围,经营业务所持的资质牌照,是否存在外资限制的情形?10. 请介绍公司是否存在未决的诉讼和纠纷,如有,请简要介绍相关情况及潜在影响。
11. 请介绍公司是否存在被监管机构行政处罚,或被主管部门或监管部门批评、调查或在检查报告或自查报告中发现重大违规的情况?如有,请详细说明违法行为的性质(民事、行政、刑事)、日期、处理机关以及处罚结果。
12. 公司是否发生过重大违约或不履行债务,如有,请简述并提供相关资料。
(以下无内容)。
融资租赁尽职调查资料清单
包括:
一、企业情况
1、融资租赁公司基本情况:企业地址、成立时间、经营范围、融资
业务体系、注册资金、股东及持股比例、管理人员简介等;
2、租赁合同情况:1.融资租赁合同编号;2.租赁物品名称、型号、
数量、出厂日期、出厂编号等;3.融资租赁金额及租赁期限;4.租赁期限
内还款计划;5.租金监管支付;6.租赁期限届满后续租及未结租金处理等;
3、租赁物相关情况:
1)租赁物购买方式及购买价格;
2)租赁物取得时间、技术指标;
3)租赁物的保险状况及购买保险金额;
4)各级政府对租赁物的优惠政策及申请情况;
5)关联方股权构成及融资租赁关系;
6)出租人的税务信用状况及担保能力;
7)租赁物抵押、质押及押品情况;
8)出租人履行租赁合同情况;
9)租赁物的使用、维修及保养情况;
4、支付及服务情况:
1)租赁金支付情况,是否准时到账;
2)租赁物的保养、维修情况;
3)租赁终止及租金退还情况;
4)融资租赁公司的服务态度及客户服务水平;
二、财务及收支情况。
屋顶分布式光伏项目尽职调查资料都需要哪些?截至目前,我收到了许多屋顶分布式项目信息,但是发觉多数开发公司缺乏和投资公司胜利合作的阅历,不是微信任凭传几个书面文件,就是邮件把全部有用没用的资料打包发过来,这么做一会有损自己公司的专业度,也会在双方互动收集项目资料的过程中让合作不了了之,本篇文章我就来和大家共享一下屋顶分布式光伏项目尽职调查资料都需要哪些?一、房屋合规资料1、所涉房屋土地证(必要指数:☆☆☆☆☆)2、所涉房屋房产证(必要指数:☆☆☆☆☆)3、所涉房屋建设工程规划许可证(必要指数:☆☆☆☆☆)4、所涉房屋建设用地规划许可证(必要指数:☆☆☆)5、所涉房屋建筑施工许可证(必要指数:☆☆☆)6、所涉房屋消防验收报告(必要指数:☆☆☆)7、所涉房屋营业执照(必要指数:☆☆)二、技术分析资料1、有资质单位出具的屋顶荷载报告(必要指数:☆☆☆☆☆)2、各角度十五张以上现场照片(必要指数:☆☆☆)3、所涉房屋图纸(必要指数:☆☆☆☆☆)(建筑图、结构图、电气主接线图、电气室布置图)三、技术分析资料1、备案证(必要指数:☆☆☆☆☆)2、电力接入批复(必要指数:☆☆☆☆☆)3、租赁协议or EMC合同(必要指数:☆☆☆☆☆)4、自发自用项目需所涉房屋近三年相关财务资料(必要指数:☆☆☆☆☆)四、收益分析资料1、合作模式(必要指数:☆☆☆☆☆)2、自发自用项目需缴费单和电量波浪图(必要指数:☆☆☆☆☆)五、项目公司合规资料1、项目公司签署的全部合同文件(必要指数:☆☆☆☆☆)2、相关财务资料(必要指数:☆☆☆☆☆)以上就是投资公司需要的尽职调查资料汇总,专业的开发公司会把以上五大块资料分类并且以邮件的方式进行传递,最终祝大家都能找到靠谱的投资公司!。
对项目融资方初步尽职调查提交资料清单[推荐阅读]第一篇:对项目融资方初步尽职调查提交资料清单对项目融资方初步尽职调查提交资料清单一、公司基本资料1、营业执照;2、组织机构代码证;3、税务登记证;4、房地产资质证书;5、贷款卡;6、开户许可证;7、公司章程;8、中外合资、合作公司在政府部门的相关批文包括外汇登记证(包括境内居民实际控制的境外公司的外汇登记证登记证)、商务备案证、发改委批文等;9、企业法人代表身份证复印件;10、公司高级管理人员简介。
二、公司财务资料1、公司近三年审计报告或企业近三年财务报表(损益表、资产负债表、现金流量表)(新建项目不需要);2、最近3个月的财务报告及主要科目明细说明;三、房地产项目资料1、项目可行性研究报告(项目市场背景、市场概述、竞争楼盘、潜在/规划中竞争楼盘、竞争优势、市场租售现状、市场展望);商业计划书;2、产品定位报告与规划设计方案;3、批准情况:需要哪些许可?已经得到哪些、还需要哪些许可和所需时间表;4、已经取得的目标地块的证书,还有哪些没有取得?计划什么时间取得?(包括项目土地证、建设用地规划许可证、建设工程规划许可证、施工许可证、预售许可证);5、规划指标:土地性质、使用年限、剩余使用年限、土地面积、各种性质建筑面积、容积率、建筑密度、绿地率、车位;6、建筑类型:各种建筑类型的套数,例如高层,小高层。
住宅、商用或者混合?各类型的建筑面积、使用面积和土地面积?7、土地出让合同及有关缴款凭证;8、有关拆迁补偿合同及有关缴款或结算凭证;9、项目实施进度时间安排(购地、开工、预售、交屋的计划时间表;计划时间与实际时间的差异);10、财务预测:按季度现金流预测、开发总成本、总收入、净利润、最大资金支出额、收支平衡时间;11、贷款情况:开发过程能否有银行贷款?如果有是多少?如果没有,希望投入多少?是否有长期银行贷款?12、承包商:规划设计、建筑设计、建筑、监理、销售、管理公司、按揭银行等四、融资计划:认可的合作条件、所需融资说明、资金使用用途与偿还方式说明、还款资金来源及还款计划安排;五、项目方提供的文件必须是正规的加盖行政公章,骑缝章。
尽职调查文件清单致:有限公司说明:1、请根据本清单及时收集并提供原始文件副本或书面说明。
2、提供文件和说明,应保证其完整性、真实性和准确性。
3、提供的文件和说明,如果涉及重大机密事项,请予以特别说明。
4、本清单中所要求的说明可以用相关的证明性文件代替。
5、任何文件如有修改或变更,应当提供最新文本。
6、本清单并不表示涵盖所需的全部文件,随着尽职调查工作的进一步开展和情况发生变化,可能会增加某些文件。
7、如对问题清单存在任何疑问,请与本所下述人员联系,确保明确问题后再提1、关于有限公司(以下简称“公司”)工商档案及相关文件1.1 公司在工商主管部门的全套登记档案,包括但不限于公司设立档案、设立至今的历次变更档案、设立至今的历年年检档案等。
1.2 公司成立时的出资协议、章程、审批机关的批文(如有,包括但不限于工商、税务、行业主管部门等)、营业执照及其他工商登记文件(已包含在 1.1中的文件可不再提供,下同)。
1.3 历次变更(增资、减资、股权变更、名称变更等)的股东决议、协议、章程修正案、审批机关的批准文件(如有)、营业执照及其他工商登记文件。
1.4 历次验资报告、资产评估报告(如有)、审计报告。
1.5 公司最新工商简档文件。
2、关于公司股东及其实际控制人2.1 公司股东的最新营业执照(加盖股东公司印章,法人股东适用)或最新身份证(适用自然人股东)。
2.2 公司实际控制人的相关资料及其投资/控制的企业情况(参见附件《征询函》)。
2.3 公司股东、实际控制人在投资本公司前,在其他企业(与本公司业务相同、相似或关联的)有投资或任职的,需提供相关投资协议(避免同业竞争条款)、其与该等企业签署的劳动合同、竞业限制协议、保密协议等相关协议(如有)。
3.3 关于公司组织结构3.1 公司的最新内部组织结构图(财务、业务及管理等部门)。
3.2 公司对外投资的全资、控制或控股、参股公司或其他非法人分支机构的最新名单、营业执照和章程。
光伏电站融资尽调资料清单一、项目公司相关资料(一)交易对手基础资料1. 《企业法人营业执照》正、副本,其中副本资料必须有上一年度年检合格记录);2. 《组织机构代码证》正、副本;3. 《税务登记证》正、副本;4. 《开户许可证》;5. 《贷款卡》及密码;6. 法定代表人《身份证》复印件;7. 历次《验资报告》;8. 《公司章程》及历次《章程修正案》;(二)交易对手财务、资信相关资料1. 近三年《审计报告》(对于集团企业或下辖多个企业的控股公司,应一并提供单体《审计报告》与合并《审计报告》);2. 最近一期财务报表(包括资产负债表、利润表、现金流量表,并应按单体与合并两个口径进行提供)4. 债务情况详细说明(列明各笔债务的债权人、借款人、初始金额、目前余额、融资成本、起始日、到期日、担保措施);二、标的物资料(电站)(一)电站已经取得的相关批复1、同意开展项目前期工作的函2、省级电力公司签署的接入电网批复3、省发改委项目备案证4、相关机构出具的其他各类批复(包括但不限于稳评、水土保持意见函、环评批复、选址意见函、安评备案、节能备案、建设用地预审批复、建设审查意见、可研评审批复等)(二)项目情况1、项目完整可研报告2、融资人与施工方签署的EPC协议3、(如有)验收结果报告,施工方提供的保障发电量与验收结果的承诺4、项目现状说明5、项目后续安排说明(自持、出售),重点介绍资金安排6、项目资金安排:自筹和融资比例,资金到位情况,资金投入情况、还款来源说明三、担保人(项目回购人)情况说明(一)基础资料1. 《企业法人营业执照》正、副本,其中副本资料必须有上一年度年检合格记录);2. 《组织机构代码证》正、副本;3. 《税务登记证》正、副本;4. 《开户许可证》;5. 《贷款卡》及密码;6. 法定代表人《身份证》复印件;7. 历次《验资报告》;8. 《公司章程》及历次《章程修正案》;(二)财务、资信相关资料1. 近三年《审计报告》(对于集团企业或下辖多个企业的控股公司,应一并提供单体《审计报告》与合并《审计报告》);2. 最近一期财务报表(包括资产负债表、利润表、现金流量表,并应按单体与合并两个口径进行提供)4. 债务情况详细说明(列明各笔债务的债权人、借款人、初始金额、目前余额、融资成本、起始日、到期日、担保措施);(三)项目操作经验情况说明1、担保人集团目前建成、在建、储备的电站项目情况说明,包括实际发电量和年现金流回款2、电站项目目前融资与出售情况说明。
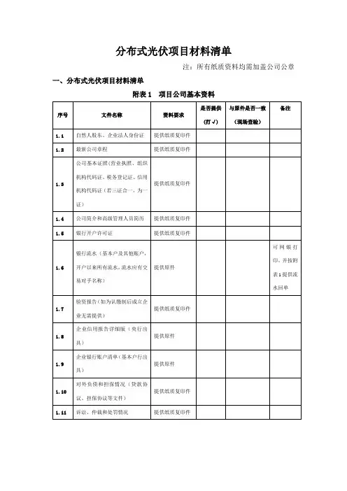
分布式光伏项目材料清单
注:所有纸质资料均需加盖公司公章一、分布式光伏项目材料清单
附表1 项目公司基本资料
附表1 项目大额银行流水回单支付说明(如有)
单位:元
注:1.金额2万以上的提供,请填写并打印加盖公章,并提供EXCEL版;2.纸质版银行回单复印件请用铅笔标准1、2等序号。
3.并网后连续发电满1年的项目可不提供,以财报为准。
附表2 项目所有对外合同及支付明细表(如有)
单位:元
注:1.请填写并打印加盖公章,并提供EXCEL版;2.并网后连续发电满1年的项目可不提供,以财报为准。
附表3 屋顶提供方基本资料
注:以上资料需提供纸质版复印件。
附表4 分布式项目支持性材料
注:以上资料需提供纸质版复印件。
个人进件资料1、身份证、户口簿、结婚证或单身具结书(如结婚证遗失以户口本为准)2、房屋(土地)所有权证明3、分布式电源并网申请表(回执在放款前提供)4、购销合同5、征信授权书6、个人资产证明(可选择提供)7、发用电合同(放款后后补、签字页帐户须为我行开立帐户)企业进件资料1、实际控制人及配偶身份证、结婚证、户口本2、营业执照3、开户许可证4、机构信用代码证5、征信授权书(个人和企业)6、工商登记信息及公司章程(工商局拉,加盖工商局档案章)7、验资报告(若有)8、个人及企业资产证明(房产证、行驶证等)9、企业近12个月电费清单、个人或企业近1年银行流水10、房屋(土地)所有权证明11、分布式电源并网申请表12、国网供电公司出具的光伏发电项目并网意见书13、EPC出具的项目可行性报告14、购销合同15、发改委出具的项目备案通知书(放款后3个月内后补归档)16、发用电合同(放款后3个月内后补归档,条约约定我行为回款帐户)以上公司所属资料均需加盖公司公章,多页加盖骑缝章华夏银行个人征信授权书重要提示:尊敬的客户,为了维护您的权益,请在签署本授权书前,仔细阅读本授权书各条款(特别是黑体字条款),关注您在授权书中的权利、义务。
如有任何疑问,请向经办行咨询。
本人(指借款人、借款人配偶、担保人)因向华夏银行股份有限公司杭州分行江城支行申请信贷业务,特授权华夏银行股份有限公司杭州分行江城支行在本人(指借款人、借款人配偶、担保人)信贷业务申请审批阶段及业务存续期间,向中国人民银行个人信用信息基础数据库和其他经国务院征信业监督管理部门批准设立的征信机构查询本人(指借款人、借款人配偶、担保人)个人信息及信用信息,用于本人(指借款人、借款人配偶、担保人)信贷业务申请与后续管理,超出上述授权查询的一切后果及法律责任由华夏银行股份有限公司承担。
本人(仅指借款人、担保人)授权华夏银行股份有限公司杭州分行江城支行依据《征信业管理条例》的规定,将本人(仅指借款人、担保人)个人信息和信用信息,包括但不限于信贷信息及对信息主体信用状况构成负面影响的信息,报送中国人民银行个人信用信息基础数据库和其他经国务院征信业监督管理部门批准设立的征信机构。
二、融资企业需提供的材料1、营业执照;2、组织机构代码证;3、税务登记证;4、法定代表人身份证复印件及简历;5、财务负责人身份证复印件及简历;6、开发资质证书;7、公司章程及公司主要管理制度;8、公司基本情况介绍:包括公司的历史沿革;股本金和股权结构变化情况;公司的治理结构(公司组织架构、董事长和总经理、副总经理的分工等);员工的数量与结构;历史开发业绩(楼盘情况、开发规模、销售规模);公司在全国或者公司注册地的行业地位、市场份额和规模排名等情况介绍;公司重大投资计划及目前经营状况等;9、近三年经审计的财务报告(资产负债表、损益表、权益变动表),成立不足三年的客户,提交自成立以来年度的财务报告;10、公司的合同管理目录;11、公司的公章使用登记表册;12、股东、银行或其他机构、个人借款清单及合同;13、公司主要资产清单(包括不动产及其他重要固定资产);14、公司对外提供担保的说明及合同;15、超过100万以上的公司债权、债务清单、说明及合同(包括但不限于公司财务挂账的应收应付款项清单、说明及合同);16、公司及公司主要股东、公司控股子公司尚未结案或可以预见的标的金额超过20万元人民币以上重大诉讼或仲裁(清单及说明);17、公司高管、核心人员简历;18、未来三年的收入预测、现金流量预测、投资回报预测;19、公司在银行的评级、授信情况(如果有),在银行融资是否有不良记录(附人行征信中心企业信用报告);20、公司股东名单及签字样本;21、公司设有董事会的,董事会成员名单及签字样本;22、公司主要关联企业介绍、关联企业重大项目介绍。
三、投资项目基本情况转发是美德,但请标明出处:房地产投资融资俱乐部fdctz8881、项目情况介绍:项目名称;项目地点及项目区位描述;项目用地面积、建筑面积及功能分区等情况介绍、总投资规模、已投资规模、开发主体投资占比、融资占比;2、项目审批、立项及项目五证情况(附证件)项目审批、立项的政府批文等;五证为:土地证、建设用地规划许可证、建筑规划许可证、施工许可证、预售许可证。
尽调前需提供资料清单资料清单
****公司尽调前需提供资料清单
1、工商登记资料(营业执照、税务登记证、公司章程、工商底档
资料等)
2、公司历史沿革情况描述;
3、公司业务情况描述;
4、公司组织结构图、股权结构图及主要股东情况
5、近三年财务报表及最近一期是财务报表及科目余额表(最末
级);
6、公司近一年一期关联方往来情况;
7、公司近年资金使用情况、经营性现金流情况说明;
8、公司信用报告(最新);
9、产品销售策略及实际运营情况
10、公司竞争优劣势分析情况分析;
11、近三年销售额最大的前5名客户名称及其相应的销售额及销
售占比;
12、公司设立以来是否进行过合并、分立、增资扩股、股权转让、
资产收购、资产置换及其他使公司在资产规模、营业记录方面发生重大改变的事项,如有,请提供相关协议/合同,并提供与上述事件相关的内部决策会议决议(包括但不限于股东会决议、董事会决议、总经理会议纪录)及政府批准或备案文件、对价支付凭证。
13、公司高新技术企业证书或申请高新技术企业的现状,公司享有
的税收优惠情况。
14、公司核心竞争优势;
15、公司的局限和目前主要的困难;
16、管理及研发团队情况;
17、公司主要资质情况;
18、公司主要获得的荣誉情况;
19、公司主要实物资产产权情况(主要是房产、土地和车辆);
20、公司近三年规划情况。
光伏电站项目法律尽职调查清单光伏电站作为清洁能源领域的重要组成部分,其建设与运营需要考虑到众多法律规定和相关要求,以避免潜在的法律风险。
本文将对光伏电站项目进行法律尽职调查,提供一份清单,以帮助项目管理者全面了解建设与运营过程中所需考虑的法律问题和要求。
一、项目准备阶段1. 国家与地方政策法规的遵守•光伏电站建设是否符合当地规划和环保要求?•项目地是否位于国家禁止开发的区域内?•是否存在本地政策上的限制和要求?2. 土地使用问题•光伏电站建设所使用的土地是否已经取得了合法的土地使用权?•土地使用权是否需要进行转让或者续期?3. 项目投融资•是否符合相关投资方的规定?•是否有必要进行反洗钱尽职调查?•是否符合股权众筹等相关要求?4. 产权问题•光伏电站的建设和运营期限是否符合法律规定和要求?•项目中涉及的权益是否被合理分配?二、项目建设阶段1. 建设合同及项目监管•承建单位是否符合工程质量和安全管理规定?•是否有必要签订建设合同并规定有关监管事宜?•是否需要采取风险控制措施?2. 项目进度和质量控制•光伏电站建设进度是否符合相关规定?•是否进行了充分安全评估和环保评估?•施工质量控制是否按照相关规定实施?三、项目运营阶段1. 环境保护要求•是否符合环境保护法及相关要求?•是否进行了充分的环境风险呈现和防范?2. 能源补贴与收益•光伏电站是否符合国家补贴规定?•项目总收益是否符合过去实际情况预测?•是否符合股东和投资方的利益分配计划?3. 运营合同和维护管理•是否签订了光伏电站运营合同?•电站运营是否符合法律规定和要求?•电站设备运维是否签订了相关保养合同?四、终止运营阶段1. 处理方案•是否制定了光伏电站的终止运营方案?•终止运营后的处理是否符合环保要求?2. 合同执行•终止运营是否满足合同规定的终止条件?•合同是否设有违约和赔偿条款?五、结语综上所述,对于光伏电站项目的建设和运营,需要考虑到众多的法律规定和相关要求。
光伏电站融资尽调资料清单
一、项目公司相关资料
(一)交易对手基础资料
1. 《企业法人营业执照》正、副本,其中副本资料必须有上一年度年检
合格记录);
2. 《组织机构代码证》正、副本;
3. 《税务登记证》正、副本;
4. 《开户许可证》;
5. 《贷款卡》及密码;
6. 法定代表人《身份证》复印件;
7. 历次《验资报告》;
8. 《公司章程》及历次《章程修正案》;
(二)交易对手财务、资信相关资料
1. 近三年《审计报告》(对于集团企业或下辖多个企业的控股公司,应
一并提供单体《审计报告》与合并《审计报告》);
2. 最近一期财务报表(包括资产负债表、利润表、现金流量表,并应按
单体与合并两个口径进行提供)
4. 债务情况详细说明(列明各笔债务的债权人、借款人、初始金额、目
前余额、融资成本、起始日、到期日、担保措施);
二、标的物资料(电站)
(一)电站已经取得的相关批复
1、同意开展项目前期工作的函
2、省级电力公司签署的接入电网批复
3、省发改委项目备案证
4、相关机构出具的其他各类批复(包括但不限于稳评、水土保持意见函、环评批复、选址意见函、安评备案、节能备案、建设用地预审批复、建设审查意见、可研评审批复等)
(二)项目情况
1、项目完整可研报告
2、融资人与施工方签署的EPC协议
3、(如有)验收结果报告,施工方提供的保障发电量与验收结果的承诺
4、项目现状说明
5、项目后续安排说明(自持、出售),重点介绍资金安排
6、项目资金安排:自筹和融资比例,资金到位情况,资金投入情况、还款来源说明
三、担保人(项目回购人)情况说明
(一)基础资料
1. 《企业法人营业执照》正、副本,其中副本资料必须有上一年度年检
合格记录);
2. 《组织机构代码证》正、副本;
3. 《税务登记证》正、副本;
4. 《开户许可证》;
5. 《贷款卡》及密码;
6. 法定代表人《身份证》复印件;
7. 历次《验资报告》;
8. 《公司章程》及历次《章程修正案》;
(二)财务、资信相关资料
1. 近三年《审计报告》(对于集团企业或下辖多个企业的控股公司,应
一并提供单体《审计报告》与合并《审计报告》);
2. 最近一期财务报表(包括资产负债表、利润表、现金流量表,并应按
单体与合并两个口径进行提供)
4. 债务情况详细说明(列明各笔债务的债权人、借款人、初始金额、目
前余额、融资成本、起始日、到期日、担保措施);
(三)项目操作经验情况说明
1、担保人集团目前建成、在建、储备的电站项目情况说明,包括实际发电量和年现金流回款
2、电站项目目前融资与出售情况说明。