送检取样
- 格式:doc
- 大小:66.50 KB
- 文档页数:12
见证取样和送检制度工程项目总监对建筑工程项目相关见证取样及送样负全责。
本工程由项目总监挑选确认责任心强、了解建筑物资性能、明确需要复试的材料种类及抽样标准及代表批量等内容的监理人员。
专门负责该建筑工程的建筑物资复试前的见证取样和送样,并负责对施工过程的试验和检验及试件的成型制作进行见证取样和送样。
必须见证建筑材料和各种试件取样的真实性以保证整体建筑工程质量必须符合国家现行相关合格标准,消除隐性的工程质量缺陷。
建筑物资进场见证抽取样品并送样。
凡是国家现行检验规范和地方规程要求复试的建筑材料必须经专业监理外观检验确认合格后,由专门负责监理人员与承包单位抽样人员一起进行抽取样品,监理人员见证抽取过程并与承包单位一起送样。
见证取样内容及要求1、本工程应对下列建筑材料进行见证取样、送样复试。
㈠结构工程建筑材料:钢材及连接件、预应力钢绞线、锚具、砂、水泥、砌筑块材㈡装饰装修分部工程建筑材料:水泥、塑钢窗、外墙陶瓷饰面砖(吸水率)砂、花岗岩(室内放射性、室外弯曲强度)、防水材料、防火涂料、结构胶、密封胶、细木工板㈢屋面工程建筑材料防水材料㈣节能工程建筑材料:保温板、粘结材料、网格布、锚栓、抗裂砂浆、外门窗四性检测、幕墙四性、玻璃㈤____工程建筑材料:给水管材、电线电缆、㈥合同约定增加复试的建筑材料上述建筑物资复试报告,承包单位应及时二次报验,专业监理要严格____子项目试验结果和结论,确认后,将一、二次报验资料及附件和保留的抽样单,复试报告印件一并整理登记并保存。
并复核建筑材料实际进场数量、牌号与复试报告相一致。
2、本工程施工试验、检验试件成型及抽取的监理见证存样、送样项目:1)、钢材的焊接、试件的抽取(分不同焊接型式、规格、级别)2)、砼标养试件3)、砼同条件实体检测试件的成型、抽取及养护条件4)、砂浆试块的抽取和成型5)、钢材保护层厚度检测数量位置的确认6)、后置埋件的拉拔试验以上各项目监理见证人员,必须与施工单位抽样员一同进行抽样,进行见证取样成型过程,并一同送样。
施工现场常用材料取样、送检要求范本1:一、取样目的及范围:为保证施工现场常用材料的质量,确保工程质量的安全性和可靠性,需对常用材料进行取样和送检。
二、取样方法:1. 混凝土材料:(1)首先,在施工前选取代表性的材料样品。
(2)然后,按照现场标准规范的要求,对材料进行取样。
(3)将取样的材料放置于密封的容器中,并标注材料名称、取样时间、取样地点等相关信息。
(4)将样品送至指定的检测机构进行分析和检测。
2. 钢材:(1)在验收进场之前,对钢材进行取样。
(2)按照规定的方法取样,并保证样品的完整性。
(3)将样品放置于防锈的容器中,并标注钢材的牌号、尺寸、取样时间等相关信息。
(4)将样品送至指定的检测机构进行检测。
三、送检要求:1. 严格遵守施工现场的安全规范,确保取样和送检过程中的安全。
2. 对于需要取样的常用材料,要按照规定的时间和周期进行取样。
3. 确保取样和送检过程的正确性和准确性。
4. 在取样、送检和检测过程中,要保持取样材料的完整性和真实性。
附件:取样材料清单和取样记录表。
法律名词及注释:1. 工程质量:指工程在设计、施工和使用过程中,满足规范要求,具有良好的技术性能和安全性能的能力。
2. 取样:指在一定的范围内,从中选取一部分样品进行检测、分析或研究。
范本2:一、取样目的及范围:为了保证施工现场常用材料的质量,确保工程质量的安全可靠性,必须对常用材料进行取样和送检。
二、取样方法:1. 混凝土材料:(1)首先,在施工之前应当选择代表性的材料样品。
(2)其次,按照施工现场的标准规范要求,对材料进行取样。
(3)将取样的材料放入密封容器中,并根据相关要求标注材料名称、取样时间、取样地点等信息。
(4)将取样的材料送至指定的检测机构进行分析和检测。
2. 钢材:(1)在验收进场之前,应当对钢材进行取样。
(2)按照规范要求的方法进行取样,保证样品的完整性。
(3)将取样的钢材放入防锈容器中,并标注钢材的牌号、尺寸、取样时间等信息。
一、水泥物理性能试验1. 取样频率:同一水泥厂、同期出厂、同一出厂编号及同强度水泥(散装≤500吨/批、袋装≤200吨/批)。
2. 取样方法:随机在不同部位至少20袋水泥中均匀抽样经搅拌均匀后,取10㎏试样。
二、钢筋原材力学性能试验普通钢筋:1. 取样频率:同一生产厂家、同一炉批号、同一规格、级别、同一交货状态及同一进场时间≤60吨/批。
这里的取样为普通钢筋,普通钢筋是指不经过特殊成型加工的钢筋,通常使用冷轧或热轧工艺生产,普通钢筋一般为圆钢,而成型钢筋具有复杂的几何形状,如六角形、四边形、扁平形等2. 取样方法:每批任意选取两钢筋切取两条用于拉伸试验,两条用于冷弯试验为一组,长度按不同试验室的检测仪器定。
3、超过60t的部分,每增加40t(或不足40t的余数,增加一个拉伸试验试样和一个弯曲试验试样)成型钢筋:1、成型钢筋进场时,应抽取试件作屈服强度、抗拉强度、伸长率和重量偏差检验,检验结果应符合国家现行相关标准的规定。
对由热轧钢筋制成的成型钢筋,当有施工单位或监理单位的代表驻厂监督生产过程,并提供原材钢筋力学性能第三方检验报告时,可仅进行重量偏差检验。
2、重量偏差检查数量:同一厂家、同一类型、同一钢筋来源的成型钢筋,不超过30t为一批,每批中每种钢筋牌号、规格均应至少抽取1个钢筋试件,总数不应少于3个。
3、成型钢筋的外观质量和尺寸偏差应符合国家现行相关标准的规定。
检查数量:同一厂家、同一类型的成型钢筋,不超过30t为一批,每批随机抽取3个成型钢筋。
三、钢筋单、双面搭接焊及电渣压力焊试验1. 取样频率:在现浇钢筋混凝土结构中,应以300个同牌号钢筋、同型式接头作为一批;在房屋结构中,应在不超过二楼层中300个同牌号钢筋、同型式接头作为一批,当不足300个接头时,仍应作为一批。
2. 取样方法:每批随机切取3个接头为一组,长度按不同试验室的检测仪器定。
四、钢筋闪光对焊试验1. 取样频率:同一台班内、由同一焊工完成的300个同牌号、同直径钢筋焊接接头作为一批。
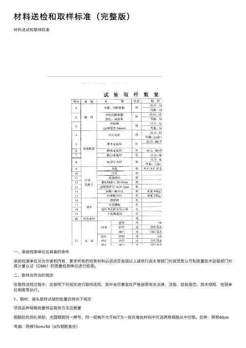
材料送检和取样标准(完整版)材料送试和取样标准⼀、承担检测单位应具备的条件承担检测单位分为外委和内有,要求所有的检测材料必须送⾄省级以上建筑⾏政主管部门对其资质认可和质量技术监督部门对其计量认证(CMA)的质量检测单位进⾏检测。
⼆、取样应符合的规定在取样送检过程中,应按照下列规定进⾏取样送检,其中未尽事宜应严格按照有关法律、法规、验收规范、技术规程、检测单位制度等执⾏。
1、钢材、接头取样试验的批量应符合下规定项⽬品种规格批量样品取样⽅法及数量钢筋砼的热扎带肋、光圆钢筋同⼀牌号、同⼀规格不⼤于60T为⼀批在每批材料中任选两根钢筋从中切取。
拉伸:两根40cm弯曲:两根15cm+5d(d为钢筋直径)钢结构的碳素结构钢、低合⾦⾼强度钢同⼀牌号、同⼀等级、同⼀品种、同⼀尺⼨、同⼀交货状态不⼤于60T为⼀批冷轧带肋钢筋同⼀牌号、同⼀规格、同⼀外形、同⼀⽣产⼯艺、同⼀交货状态不⼤于60T 为⼀批弯曲试验每批2个,拉伸试验每批1 个钢筋闪光对焊同⼀台班,同⼀焊⼯完成的300个同牌号,同直径接头为⼀批拉伸:三根40cm弯曲:三根15cm+5d(弯曲焊接接头外周应磨光)同⼀台班内焊接数量较少时⼀周内按累计,若累计仍不⾜300个接头按⼀批钢筋电弧焊在现浇砼结构中以同牌号钢筋、同接头类型不⼤于300个接头为⼀批,拉伸:三根40cm在房屋结构中,按不超过⼆楼层中300个同牌号钢筋接头不⼤于300个接头为⼀批,不⾜300个仍按⼀批钢筋电渣压⼒焊钢筋⽓压焊在现浇砼结构中以同牌号钢筋、同接头类型不⼤于300个接头为⼀批拉伸:三根40cm在房屋结构中,按不超过⼆楼层中300个同牌号钢筋接头300个接头为⼀批,不⾜300个仍按⼀批钢筋机械连接同⼀施⼯条件、同⼀批材料、同⼀等级、同⼀型式、同⼀规格不⼤于500个接头为⼀批,(现场安装同⼀楼层不⾜500个时仍然为⼀批)2、⽔泥、粉煤灰取样试验的批量应符合下列规定项⽬批量样品取样⽅法及数量⽔泥同⼚家、同等级、同品种、同批号且连续进场的⽔泥,袋装不超过200T为⼀批,散装不超过500T为⼀批,每批抽样不少于1次。
建筑送检取样送检方案建筑送检取样是指在建筑施工过程中,为了确保建筑材料和构件的质量,必须对其进行送检取样,并通过实验室测试来验证质量是否符合标准。
建筑送检取样是建筑施工质量控制的重要环节之一,对于保证建筑工程质量具有重要意义。
下面将对建筑送检取样的方案进行详细阐述。
一、送检取样的目的和意义送检取样的目的在于通过实验室测试,验证建筑材料和构件的质量是否符合国家标准和工程设计要求。
具体包括以下几个方面的意义:1.保证建筑材料和构件的质量合格,提高建筑工程的安全性和耐久性。
2.及时发现和解决建筑材料和构件的质量问题,减少质量隐患。
3.提供科学依据,评估施工单位和材料供应商的质量水平。
4.为建筑工程验收提供必要的技术支持,确保工程质量符合要求。
二、送检取样的方法和流程1.选择合适的时间和施工节点进行取样,包括早期取样、中期取样和后期取样。
2.根据施工图纸和工程要求,确定需要送检取样的材料和构件,包括混凝土、砖砌体、钢筋、水泥、石材等。
3.合理确定取样点位和数量,包括建筑结构、建筑装饰和建筑设备等。
4.根据国家标准和相关规范,采取正确的取样方法,确保取样过程准确且不影响材料和构件的实际质量特性。
5.将取样的材料和构件送往具备相应实验室测试能力的检测机构进行实验室测试。
6.根据实验室测试结果,对材料和构件的质量进行评估,判断是否符合国家标准和工程设计要求。
7.根据实验室测试结果,及时采取相应措施,解决质量问题,确保建筑工程质量。
三、送检取样的管理和监督1.建立健全的送检取样管理制度,明确各相关人员的职责和要求。
2.组织专业人员进行送检取样,确保取样过程的准确性和可靠性。
3.加强对实验室测试能力的评估和监督,确保实验室测试结果的准确性和可靠性。
4.建立完善的质量档案,记录送检取样的所有过程和结果,为工程验收提供技术参考。
四、送检取样的注意事项1.严格遵守国家标准和相关规范的要求,确保取样过程的科学性和准确性。
见证取样送检记录要求第一部分:基本信息1.取样地点:应记录取样的具体地点,包括建筑名称、房间号码、采样棚等信息。
2.取样时间:记录取样的具体时间,包括年、月、日、小时、分钟。
3.取样人员:记录取样的人员,包括见证人员、采样人员、监察人员等。
4.取样样品的名称和规格:对于复杂样品,如液态样品、固态样品等,应详细记录样品的名称、规格、特殊要求等信息。
第二部分:取样过程1.取样前准备:记录见证人员和采样人员在取样前进行的准备工作,如准备好所需的取样工具、清洁取样容器等。
2.取样方法:详细描述采样人员采用的取样方法和步骤,包括取样容器的选择、清洁、消毒等。
3.取样现场环境记录:记录取样现场的温度、湿度、风速等环境条件,以及可能对样品采集和保持造成影响的因素。
4.取样现场照片:拍摄取样现场的照片,作为取样过程的记录和证据。
第三部分:样品标识和记录1.样品标识:详细记录每个样品的标识信息,包括样品编码、采样点信息、采样人员和见证人员的签名等。
2.样品保持状态记录:记录样品的保持状态,如现场保持、冷藏、冷冻、干燥等。
3.样品保持条件记录:记录样品的保持条件,如温度、湿度等。
4.样品送检记录:记录样品的送检信息,包括送检单位、送检时间、送检方法等。
第四部分:见证和记录1.见证人员记录:见证人员应记录自己对取样过程的见证情况,包括到达现场的时间、见证开始和结束的时间、现场环境的情况等。
2.见证人员签名:见证人员应在记录后签署自己的姓名、职务、机构等信息,以证明见证的真实性和准确性。
3.监察人员记录:如有监察人员在场,应记录监察人员对取样过程的监察情况,包括到场时间、监察开始和结束的时间、监察情况等。
4.监察人员签名:监察人员应在记录后签署自己的姓名、职务、机构等信息,以证明监察的真实性和准确性。
第五部分:备注和附件1.备注:在记录中可以添加相关备注,如特殊情况、问题和疑点等。
2.附件:如有相关的照片、仪器记录等证明取样过程和结果的材料,应作为附件附加在记录中。
材料送检取样规范最新版建筑材料及制品取样方法指南1、水泥:每批水泥不超过500T(散装)或200T(袋装),随机取样。
袋装水泥从20个以上不同部位取等量样品组成混合样。
散装水泥从不小于3个车罐中取等量水泥。
进行物理检验12kg,化学分析1 kg(存放期超过3个月必须进行复检)。
2、砂:每批砂为400m3或600T,同产地同规格。
取样前先将表层砂铲除。
进行物理检验20kg,化学分析1 kg。
3、碎石或卵石:每批碎石或卵石为400m3或600T,同产地同规格。
取样前先将取样部位表层铲除。
在碎石堆的顶部、中部和底部均匀分布的各5个部位上,取等量的15份,混均组面一组试样。
取样数量大于40 kg。
4、砼配合比:新进材料必须送检。
若所用材料已过期(水泥为3个月)或产地、品种、品质等有变化,应重新送检。
配合比如下:普通砼:水泥1袋或20 kg,砂70 kg,石80kg(最大粒径≤31.5㎜)或120 kg(最大粒径>31.5㎜),粉煤灰10 kg,外加剂2 kg。
抗渗砼:水泥1袋或50 kg,砂60kg,连续级配石60kg,粉煤灰10 kg,外加剂2 kg;或大/小石80/60 kg。
水工/水下砼:水泥1袋或50 kg,砂60kg,连续级配石60kg,粉煤灰10 kg,外加剂2 kg;或大/小石80/60 kg。
抗折砼:水泥2袋或100 kg,砂80kg,连续级配石140kg,粉煤灰10 kg,外加剂2 kg;或大/小石100/100 kg。
5、砂浆配合比:新进材料必须送检。
若所用材料已过期(水泥为3个月)或产地、品种、品质等有变化,应重新送检。
配合比如下:1包或10 kg水泥,20kg砂,1kg石灰膏,1kg外加剂(石灰膏、外加剂为可选)。
6、轻集料:每批轻集料为同产地、品种、密度和质量等级,每200m3为一批。
取样前先将表层铲除并避免离析。
细集料取10L,粗集料取50L。
7、粉煤灰:每批粉煤灰以连续供应的每200T(按含水量小于1%的干灰的重量计)相同等级的粉煤灰为一批。
见证取样送检工作制度是我国建设领域中一项重要的质量管理制度,旨在确保工程质量检测的真实性、准确性和公正性。
本文将从见证取样送检制度的定义、作用、要求、程序和注意事项等方面进行详细阐述。
一、见证取样送检制度的定义见证取样送检制度是指在建设监理单位或建设单位见证下,对进入施工现场的有关建筑材料、构配件、设备及工程实体进行现场取样,并送至具备相应资质的检测单位进行试验检测的一个程序。
见证取样和送检由施工单位的有关人员按规定进行现场取样,见证人员和取样人员对试样的代表性和真实性负责。
二、见证取样送检制度的作用1. 确保检测的真实性和准确性:见证取样送检制度要求在监理单位的监督下进行现场取样,保证了取样的真实性和代表性,从而确保了检测结果的真实性和准确性。
2. 维护各方合法权益:见证取样送检制度体现了建设各方对工程质量的共同关注,有利于维护各方合法权益,确保工程质量符合国家标准。
3. 提高工程质量:通过见证取样送检,可以及时发现工程质量问题,为整改提供依据,从而提高工程质量。
4. 促进诚信体系建设:见证取样送检制度要求各方严格遵守规定,强化了信用体系建设,有利于促进建设领域的诚信行为。
三、见证取样送检制度的要求1. 见证人员要求:见证人员应具备相应的专业技术资格,熟悉相关法律法规和检测标准,能够准确判断取样的真实性和代表性。
2. 取样人员要求:取样人员应具备相应的专业技术资格,熟悉取样方法和要求,能够确保取样的真实性和代表性。
3. 试验检测单位要求:试验检测单位应具备相应的资质,拥有合格的试验检测设备和专业技术人员,能够承担试验检测任务。
4. 试样包装和标识要求:试样应按照相关规定进行包装和标识,明确标明样品名称、样品数量、工程名称、取样部位、取样日期,并有取样人和见证人签字。
四、见证取样送检程序1. 施工单位根据工程需要,制定取样计划,并通知监理单位。
2. 监理单位安排见证人员,并在取样现场进行监督。
3. 施工单位取样人员按照相关规定进行现场取样。
送检取样流程的详细步骤宝子们,今天来给大家唠唠送检取样流程哈。
咱先说取样这事儿。
如果是取固体样品呢,你得找个干净又合适的工具,像小铲子或者小勺子之类的。
可不能随便拿个脏乎乎的东西就去挖,那可不行哦。
比如说你要取土壤样品,就把小铲子擦干净,然后轻轻地挖取你想要的那部分土壤,要尽量保证取到的样品能代表整体的情况呢。
要是取液体样品,那就得用干净的滴管或者移液管啦。
像从一个小瓶子里取液体,要小心地把滴管伸进去,稳稳地吸取适量的液体,可别手抖弄洒了,那多浪费呀。
取好样之后呢,就要把样品好好地包装起来。
固体样品可以放在干净的小袋子或者小盒子里。
如果是容易洒出来的粉末状固体,一定要密封好哦,不然一路颠簸就撒得到处都是啦。
液体样品就放在专门的小瓶子里,瓶盖拧紧,最好再用封口膜封一下,双重保险嘛。
接下来就是送检啦。
你得先知道把样品送到哪儿去,是送到专门的检测实验室,还是某个机构呢。
找到地方之后,到了那儿可不能横冲直撞的。
一般都有个前台或者接待的地方,你就客客气气地跟工作人员说你是来送检的。
然后工作人员可能会让你填一些表格,这时候可别不耐烦,认真地把表格上要求的信息都填好,像样品名称、来源、取样时间之类的,越详细越好。
填好表格之后,就把包装好的样品交给工作人员。
工作人员可能会检查一下你的样品包装有没有问题,如果有问题的话,也别慌,按照他们说的改就好啦。
然后你就可以等着检测结果啦。
在等待的过程中,要是有啥疑问,也可以打电话问问检测那边的情况,不过也别太着急催,人家也是在按流程做事呢。
宝子们,送检取样流程就是这样啦,是不是还挺简单的呀?只要咱细心点,按照步骤来,就不会有啥大问题的哦。
见证取样送检制度第一条根据《建设工程监理规范》和《房屋建筑工程市政基础设施工程实行见证取样和送检的规定》,制度本制度。
第二条凡本工程见证取样送检监理工作,应当遵守本制度。
第三条第四条第五条第六条第七条本制度所称见证取样送检是指在项目监理机构见证人的监督下。
由承包单位的取样人现场取样,并送至具备相应资质的送检单位进行检测。
见证人由项目总监理工程师指定专业监理工程师负责,并书面通知施工单位和检测单位。
取样人由承包单位选派实验室人员或专职质检人员报送项目监理机构审查合格后担任。
项目监理机构对承担试验的检测单位进行实地考察,并对以下五个方面进行审核:(1)、试验室的资质等级及其试验范围;(2)、法定计量部门对试验设备出具的计量检定证明;(3)、实验室的管理制度;(4)、试验人员的资格证书;(5)、本工程的试验项目及其要求。
项目监理机构将审核合格的送检检测单报负责本项目的质量监督机构备案并得到认可,同时将负责本项目的见证人在质量监督机构备案。
第八条项目监理机构将获得质量监督机构认可的检测单位见证人书面通知施工单位。
第九条在施工过程中,项目监理机构接到承包单位要求见证____后,由负责本项目的见证人对施工现场的取样和送检进行见证。
第十条见证取样的样品,由承包单位装入木箱,见证人加封,不能装入箱中的试件,由见证人贴上专用加封标志。
取样人应在试样或其包装上作出标识,封志。
标识和封志应标明工程名称、取样部位、取样日期、样品名称和样品数量,并由见证人和取样人签字。
见证人应制作见证记录,并将见证记录归纳入施工技术档案盒监理档案。
第十一条见证取样的样品,送检时应有送检单位填写“委托送检单”,由项目监理机构盖上“见证取样”专用章,并有见证人和送检人签字。
第十二条见证取样的频率,国家或地方主管部门有规定的,执行相关规定;施工承包合同中有明确规定的执行施工承包合同的规定。
第十三条下列试块、试件和材料必须实施见证取样送检:(一)、用于承重结构的混凝土试块;(二)、用于承重墙体的砌筑砂浆试块;(三)、用于承重结构的钢筋及连接接头试件;(四)、用于承重结构的砖和混凝土小型砌块;(五)、用于拌制混凝土和砌筑砂浆的水泥;(六)、用于承重结构的混凝土中使用的添加剂;(七)、地下、屋面、厕浴间使用的防水材料;(八)、国家规定必须实行见证取样送检的其他试块,试件和材料。
材料进场要送检如何取样?一、钢筋原材取样1、钢筋原材进场时应有产品质量合格证,尺寸不得超过允许偏差;2、钢筋原材试验应以同厂别、同炉号、同规格、同一交货状态、同一进场时间每60吨为一验收批,不足60吨时,按一验收批计算;3、每一验收批中取试样一组;4、取样方法1)任选2根钢筋切取,长度约450mm,取2根试件。
2)任选2根钢筋切取,长度约350mm,取2根试件。
3)从不同5根钢筋上截取,长度不小于500mm,取5根试件。
二、钢筋机械连接1、每单位工程的同一焊工,同一钢筋级别、规格,同参数,每500个接头为一验收批,不足500个接头时亦按一批计算;2、每一验收批取一组试件(3根母材,3个拉力试件);3、试件应从每批成品中切取。
三、钢筋闪光对焊1、同一台班,由同一焊工完成的300个同牌号、同直径的焊接接头为一验收批。
当同一台班内焊接的数量较少,可在一周之内累计计算;累计仍不足300个接头时,应按一批计算;2、每批取3根抗拉试件(长=500mm)、3根抗弯试件(长=300mm)。
3、试件应从每批成品中切取。
四、钢筋电渣压力焊1、应在不超过二楼层中以300个同牌号、同型式接头形式焊接接头为一验收批。
2、每一验收批取一组试件(3根母材,3个拉力试件);3、试件应从每批成品中切取。
五、水泥原材料取样1、按同一生产厂家、同一等级、同一品种、同一批号且连续进场的水泥,袋装不超过200t为一批,散装不超过500t为一批,每批抽样不少于一次。
2、当在使用中对水泥质量有怀疑或水泥出厂超过三个月(快硬硅酸盐水泥超过一个月)时,应进行复验,并按复验结果使用。
3、从20个以上不同部位取等量样品,采用取样管,插入水泥适当深度,用大拇指按住气孔,小心抽出取样管,将所取样品放入洁净、干燥、不易受污染的容器中,总量不少于12kg。
六、砂、石取样1、按同产地同规格分批验收,采用大型工具(如火车、货船或汽车)运输的,以400m3或600t为一批,采用小型工具(如拖拉机等)运输的,以200或300t为一批,不足上述量者,按一验收批进行验收。
实用标准文案建筑材料及制品取样方法指南1、水泥:连续进料的同种水泥,散装不超过500T,袋装不超过 200T 为一批。
随机取样,袋装水泥从20 个以上不同部位取等量样品组成混合样。
散装水泥从不小于 3 个车罐中取等量水泥。
物理检验 12kg化学分析: 1 kg (存放期超过 3 个月必须进行复检)2、砂:同产地同规格, 400m3或 600T为一批,不足以一批论。
8 点、均布、等量取样,取样前先将表层砂铲除。
物理检验 20kg化学分析: 1 kg3、碎石或卵石:同产地同规格, 400m3或 600T为一批。
取样前先将取样部位表层铲除。
在碎石堆的顶部、中部和底部均匀分布的各 5 个部位上,取等量的 15 份,混均组面一组试样。
取样数量:大于 40 kg4、砼配合比:注:新进材料必须送检,出现以下情况时,应从新送检:所用材料已过期(水泥为 3 个月);所用材料产地、品种、品质等有变化。
1)普通砼:水泥: 1 袋或 20 kg 砂:70 kg 石:80kg(最大粒径≤ 31.5 ㎜) ;或 120 kg(最大粒径 >31.5 ㎜)粉煤灰 10 kg 外加剂 :2 kg2)抗渗砼 :水泥: 1 袋或 50 kg砂:60kg连续级配石:60kg 粉煤灰 10 kg外加剂:2 kg或大 /小石 :80/60 kg3)水工 /水下砼:水泥: 1 袋或 50 kg砂:60kg连续级配石:60kg粉煤灰10 kg外加剂:2 kg或大 /小石 :80/60 kg4)抗折砼 :水泥: 2 袋或 100 kg砂:80kg连续级配石:140kg粉煤灰10 kg外加剂:2 kg或大 /小石 :100/100 kg5、砂浆配合比:注:新进材料必须送检,出现以下情况时,应从新送检:所用材料已过期(水泥为 3 个月);所用材料产地、品种、品质等有变化。
1 包或 10 kg砂:20kg石灰膏:1kg外加剂:1kg(石灰膏、外加剂为可选)6、轻集料:同产地、品种、密度和质量等级,每200 m3 为一批。
各种送检取样标准
以下是不同领域的送检取样标准及其参考内容:
1. 医疗领域
医疗领域中,常见的送检标本包括血液、尿液、组织、液体等。
不同类型的标本采集方法以及送检标准如下:
- 血液:通常使用空心针采血,采集标本前要消毒皮肤,如果
需要多次采血,应更换消毒的部位。
送检前要先禁食、禁饮。
- 尿液:采集前应清洁外阴,取中段尿(即采集尿液的中间部分,避免掺杂其他物质)。
- 组织:手术采样或者活检。
采集前应进行充分消毒,避免感染。
取样后应立即进行固定和保存。
- 液体:传染病、癌症等病灶部位的病理液体需要进行穿刺或
者抽取。
采集前应进行充分消毒,避免感染。
2. 食品安全领域
食品安全领域中,常见的送检标本包括水、土壤、蔬菜、肉类等。
不同类型的标本采集方法以及送检标准如下:
- 水:收集水样,要保证容器干净,选择取样位置避免受外来
因素干扰,避免污染。
采集时一定要使用干净的手套,取样前容器要经过充分消毒,采集后要立即送到实验室。
- 土壤:采集时要选择清洁、无污染的样品,避免过程中产生
污染。
取样器具要用干净的工具和袋子,尽可能避免混入其他
杂质和物质。
- 蔬菜:先用水冲洗蔬菜表面,除去杂物和污渍。
取样时要用
干净的器具,尽量避免手接触到菜叶、菜梗等部位,避免污染。
- 肉类:在宰杀前夕,当场进行取样检测,避免意外污染。
取
样时要用干净的器具,避免接触到其他物质,采集过程中要注意生产卫生。
材料送试和取样标准一、承担检测单位应具备的条件承担检测单位分为外委和内有,要求所有的检测材料必须送至省级以上建筑行政主管部门对其资质认可和质量技术监督部门对其计量认证(CMA)的质量检测单位进行检测。
二、取样应符合的规定在取样送检过程中,应按照下列规定进行取样送检,其中未尽事宜应严格按照有关法律、法规、验收规范、技术规程、检测单位制度等执行。
1、钢材、接头取样试验的批量应符合下规定项目品种规格批量样品取样方法及数量钢筋砼的热扎带肋、光圆钢筋同一牌号、同一规格不大于60T为一批在每批材料中任选两根钢筋从中切取。
拉伸:两根40cm弯曲:两根15cm+5d(d为钢筋直径)钢结构的碳素结构钢、低合金高强度钢同一牌号、同一等级、同一品种、同一尺寸、同一交货状态不大于60T为一批冷轧带肋钢筋同一牌号、同一规格、同一外形、同一生产工艺、同一交货状态不大于60T 为一批弯曲试验每批2个,拉伸试验每批1 个钢筋闪光对焊同一台班,同一焊工完成的300个同牌号,同直径接头为一批拉伸:三根40cm弯曲:三根15cm+5d(弯曲焊接接头外周应磨光)同一台班内焊接数量较少时一周内按累计,若累计仍不足300个接头按一批钢筋电弧焊在现浇砼结构中以同牌号钢筋、同接头类型不大于300个接头为一批,拉伸:三根40cm在房屋结构中,按不超过二楼层中300个同牌号钢筋接头不大于300个接头为一批,不足300个仍按一批钢筋电渣压力焊钢筋气压焊在现浇砼结构中以同牌号钢筋、同接头类型不大于300个接头为一批拉伸:三根40cm在房屋结构中,按不超过二楼层中300个同牌号钢筋接头300个接头为一批,不足300个仍按一批钢筋机械连接同一施工条件、同一批材料、同一等级、同一型式、同一规格不大于500个接头为一批,(现场安装同一楼层不足500个时仍然为一批)2、水泥、粉煤灰取样试验的批量应符合下列规定项目批量样品取样方法及数量水泥同厂家、同等级、同品种、同批号且连续进场的水泥,袋装不超过200T为一批,散装不超过500T为一批,每批抽样不少于1次。
材料进场取样送检流程及要
求
-标准化文件发布号:(9456-EUATWK-MWUB-WUNN-INNUL-DDQTY-KII
材料进场取样送检流程及要求
1、原材料进场后,现场材料员会同现场技术人员、安质人员把关表观质量(粒径、含水率、含泥量、级配、尺寸、外观质量等)。
2、现场材料员负责收集进场材料的合格证(或出厂编/批/炉号)。
3、现场技术员负责将材料名称、出厂编号、合格证、代表数量、使用部位等一系列送检信息告知搅拌站试验室,由搅拌站试验室形成电子版委托单,并将电子版委托单传回给现场技术员。
现场技术员打印委托单找现场监理工程师签字。
4、现场材料员联合作业队负责人对进场材料进行取样。
需要加工时由材料员根据试验要求,告知作业队负责人按照尺寸、样式对样品进行加工。
5、作业队负责将合格证(原件)、委托单(监理签认)、送样材料一起送到搅拌站试验室,必须当面交给试验人员(杨淑岩、吴野)。
6、由搅拌站试验室对中心试验室送样。
7、中心试验室出具报告后,通知搅拌站试验室取回报告,搅拌站试验室做好相关各项台账、资料,并将报告发给现场技术员。
8、现场管理人员、作业队和搅拌站试验室各司其职、各负其责,必须保证材料进场—取样—见证—送检—报告返回的流程顺畅进行。
如再发生材料进场未及时送检、材料无合格证、材料未送检即被使用、不合格材料被使用等现象,将对责任人进行严肃追责。
中铁上海工程局北方公司田桓项目部
2016年7月31日
2。
送检取样规范最新规范标准一、目的与适用范围本规范旨在指导相关人员正确进行送检取样,确保取样的代表性、准确性和有效性。
适用于所有需要进行质量检测的产品或材料。
二、取样前的准备1. 明确取样目的和要求,了解产品或材料的特性。
2. 准备必要的取样工具和容器,确保其清洁、干燥且无污染。
3. 熟悉取样方法和步骤,必要时进行培训。
三、取样原则1. 代表性:取样应能代表整个批次或产品的特性。
2. 随机性:取样应随机进行,避免人为选择偏差。
3. 适量性:取样量应满足检测需求,但不应过多,以免造成浪费。
四、取样方法1. 固体产品:采用分层取样法,从不同层级和位置取样。
2. 液体产品:采用混合取样法,将产品充分搅拌后取样。
3. 气体产品:采用连续取样法,确保取样的连续性和均匀性。
五、取样记录1. 记录取样时间、地点、批次号、产品名称等信息。
2. 记录取样量、取样工具和容器的编号。
3. 记录取样人员和监督人员的信息。
六、样品的保存与运输1. 样品应妥善保存,避免污染和变质。
2. 样品运输应使用专用的运输箱,确保样品在运输过程中的安全。
3. 记录样品的保存条件和运输过程。
七、取样后的处置1. 取样后的产品或材料应恢复原状,避免影响其后续使用。
2. 取样工具和容器应进行清洗和消毒,以备下次使用。
3. 取样过程中产生的废弃物应按照环保要求进行处理。
八、质量控制1. 定期对取样过程进行审核和评估,确保取样规范的执行。
2. 对取样人员进行定期培训和考核,提高取样技能。
3. 建立取样质量反馈机制,及时纠正取样过程中的问题。
九、附则本规范自发布之日起执行,由质量管理部门负责解释。
如有特殊情况需调整本规范,应经过充分讨论并得到相关部门的批准。
结束语通过遵循上述规范,可以确保送检取样的科学性、合理性和有效性,为产品质量检测提供可靠的基础。
送检取样一、水泥试验1. 取样频率:同一水泥厂、同期出厂、同一出厂编号及同强度水泥(散装≤500吨/批、袋装≤200吨/批)。
2. 取样方法:随机在不同部位至少20袋水泥中均匀抽样经搅拌均匀后,取10㎏试样。
二、钢筋试验1. 取样频率:同一生产厂家、同一炉批号、同一规格、级别、同一交货状态及同一进场时间≤60吨/批。
2. 取样方法:每批任意选取两钢筋切取两根用于拉伸试验,两根用于冷弯试验为一组,长度按不同试验室的检测仪器定。
取样长度:拉伸试验一般为400~500mm,弯曲试验一般为350mm。
三、钢筋单、双面搭接焊及电渣压力焊试验1. 取样频率:在现浇钢筋混凝土结构中,应以300个同牌号钢筋、同型式接头作为一批;在房屋结构中,应在不超过二楼层中300个同牌号钢筋、同型式接头作为一批,当不足300个接头时,仍应作为一批。
2. 取样方法:每批随机切取3个接头为一组,长度按不同试验室的检测仪器定。
取样长度:拉伸试验一般为450mm。
四、钢筋闪光对焊试验1. 取样频率:同一台班内、由同一焊工完成的300个同牌号、同直径钢筋焊接接头作为一批。
当同一台班内焊接的接头数量较少,可在一周内累计计算,累计仍不足300个接头时,仍按一批计算。
2. 取样方法:从每批接头中随机切取,3个接头抗拉3个接头冷弯为一组。
五、钢筋机械连接试验1. 取样频率:同型号、同规格接头,以500个为一批,不足500个接头仍作为一批。
2. 取样方法:每批随机切取3个接头,另取3条钢筋作为母材抗拉试验为一组,长度按不同试验室的检测仪器定。
六、蒸压加气混凝土砌块试验1.取样频率:每1万块为一批,不足1万块仍作为一批。
2.取样方法:按膨胀方向中心分上、中、下抽取共9个试样为一组,每个试样平整切割成100×100×100mm。
七、普通混凝土小型空心砌块试验1. 取样频率:每1万块为一批,不足1万块仍作为一批。
2. 取样方法:随机抽取5块为一组做强度试验。
八、轻集料混凝土小型空心砌块试验1. 取样频率:每1万块为一批,不足1万块仍作为一批。
2. 取样方法:随机抽取10块为一组。
九、蒸压灰砂砖试验1. 取样频率:每10万块为一批,不足10万块仍作为一批。
2. 取样方法:随机抽取10~20块为一组。
十、烧结普通砖1. 取样频率:每3.5~15万块为一批,不足3.5万块仍作为一批。
2. 取样方法:随机抽取10块为一组做强度试验。
十一、烧结多孔砖1. 取样频率:每3.5~15万块为一批,不足3.5万块仍作为一批。
2. 取样方法:随机抽取10块为一组做强度试验。
十二、混凝土实心砖1. 取样频率:每10万块为一批,不足10万块仍作为一批。
2. 取样方法:随机抽取10块为一组。
十三、混凝土多孔砖1. 取样频率:每35000-150000块为一批,不足35000块仍作为一批。
2. 取样方法:随机抽取10块为一组做强度试验。
十四、砂性能物理试验1. 取样频率:同一产地、同一规格、同一进场时间≤400m3/批或≤600吨/批。
2. 取样方法:在堆料取样时,先将取样部位表面铲除,然后均匀由各部位抽取大致相等的砂共8份,组成一组样品,试样重量约为30㎏。
十五、碎石性能物理试验1. 取样频率:同一产地、同一规格、同一进场时间≤400m3/批或≤600吨/批。
2. 取样方法:在堆料取样时,先将取样部位表面铲除,然后均匀由各部位抽取大致相等的碎石共8份,组成一组样品,试样重量约为50㎏。
十六、混凝土抗压试件强度试验1. 取样频率:每拌制100盘且不超过100 m3的同配合比混凝土,取样不得少于一次;每工作班拌制的同一配合比的混凝土不足100盘时,取样不得少于一次;当一次连续浇筑超过1000m3时,同一配合比的混凝土每200m3取样不得少于一次;每一楼层、同一配合比的混凝土,取样不得少于一次。
对于灌注桩每浇筑50m3必须有一组试件,小于50m3的桩,每根必须有一组试件;当梁、板与柱的混凝土强度相差两个等级时,柱头处应单独留置试件。
2. 取样方法:在混凝土的浇注地点随机取样制作,3个试块为一组。
十七、混凝土试件抗渗试验1. 取样频率:连续浇筑混凝土量为500 m3以下时,应留置两组抗渗试件,每增加250~ 500m3时,应增加两组,如使用的原材料、配合比或施工方法有变化时,均应另行留置试件。
2. 取样方法:在混凝土的浇注地点随机取样制作,6个试块为一组。
十八、混凝土试件抗折试验1. 取样频率:每天或铺筑200m3的混凝土(机场400m3),应同时制作两组试件,龄期应分别为7天和28天;每铺筑100m3~200 m3混凝土应增加一组试件,用于检查后期强度,龄期不得少于90天;每工作班拌制的同配比混凝土不足100 盘,预拌混凝土不足100m3,取样不得少于一次。
2. 取样方法:在混凝土的浇注地点随机取样制作,3个试块为一组。
十九、砂浆试件抗压试验1. 取样频率:同一强度等级、同一配合比、同种原材料的砂浆,每台搅拌机每一楼层或250m3砌体取样至少一组。
2. 取样方法:在砂浆搅拌机出口处随机抽取6个试块为一组。
二十、防水材料试验1. 取样频率:砂浆、混凝土防水剂每批抽取3~5㎏;聚合物水泥防水涂料每10吨为一批,抽取5㎏;聚氯乙烯弹性防水涂料每20吨为一批,抽取30㎏;高分子防水涂料(片材)每批抽取3 ㎡;高分子防水涂料(止水带、膨胀橡胶)每批抽取2m;高分子防水卷材胶粘剂每5吨为1批,抽取1L;自粘橡胶沥青防水卷材、沥青复合胎柔性防水卷材及聚氯乙烯防水涂料等每批抽取4㎡。
2. 取样方法:在现场随机抽取。
二十一、预应力钢绞线试验1. 取样频率:以同一钢号、同一规格,同一生产工艺,每60吨为一批。
2. 取样方法:从外观尺寸合格的钢铰线上切取(不得采用电弧切割)3条为一组,长度按不同试验室的检测仪器定。
二十二、塑料给排水管试验1. 取样频率:进场的同一生产厂家、同一材质、每个规格的塑料排水管材不少于一组。
2. 取样方法:随机抽取塑料给排水管材4×1m,塑料给排水管件9件为一组。
3. 胶水不小于500g。
二十三、电线电缆机械及电性能试验1. 取样频率:按进场的同一生产厂家、同一规格型号的材料数量为基数取样,材料数量(长度)在10000m及以下取样一组,10000m以上按照每20000m取样一组,取样总数不少于两组。
2. 取样方法:10mm2及以下随机抽取50m为一组。
10mm2以上至50mm2及以下随机抽取20m为一组。
二十四、漏电开关保护性能试验1. 取样频率:按进场的同一生产厂家、同一规格型号的材料数量为基数取样,材料数量(个数)在100个及以下取样一组,100个以上按照每100个取样一组,取样总数不少于两组。
2. 取样方法:每一种型号随机抽取3个样品为一组。
二十五、建筑铝合金门窗型材试验1. 取样频率:同一供货厂家、相同品种型号,在1000㎡门窗及以下为一个批次在2000㎡门窗及以上为两个批次。
2. 取样方法:每一种型号随机抽取2条1m样品为一组。
二十六、土建工程压实度试验1. 取样频率:基坑回填每20~50㎡取样一组;基槽或管沟回填每层按长度20~50m取样一组;室内填土每层按100~500㎡取样一组;房建工程场地平整填方每层按400~900㎡取样一组。
2. 取样方法:检测人员现场取样。
二十七、市政工程压实度试验1. 取样频率:路其:每1000㎡抽检3点;稳定层、垫层:每1000㎡抽检1 点;排水工程:雨水、污水分别每一井段、每一层(30cm厚)抽检3点。
2. 取样方法:检测人员现场取样。
二十八、砂浆配合比试验1. 取样频率:每种不同配合比检测一组,当组成的材料有变化时,应重新检测一组。
2. 取样方法:随机抽取砂浆抗压强度,雨水、污水井砌体每3段井分别取1组砂浆试样。
二十九、混凝土配合比试验1. 取样频率:每种不同配合比检测一组,当组成的材料有变化时,应重新检测一组。
2. 取样方法:随机抽取砂浆配合比所需材料,数量按不同试验室要求定。
三十、预应力锚具试验1. 取样频率:以同一材料和同一生产工艺、不超过200套为一批。
从每批中抽取5%的锚具,但不少于5套作硬度试验。
2. 取样方法:现场随机抽取5%的锚具,但不少于5套。
三十一、预应力锚具钢绞线组装件试验1. 取样频率:以同一材料和同一生产工艺、不超过200套为一批。
从同一批中抽取5套锚具。
2. 取样方法:随机抽取5套锚具为一组。
三十二、标准击实试验1. 取样频率:相同的组成材料不少于1组,结构层的组成材料有变化时重做(不小少1组)。
2. 取样方法:最大粒径25mm以下的随机抽取25㎏,最大粒径25mm以上的随机抽取50㎏。
三十三、级配碎石配合试验1. 取样频率:相同的组成材料不少于1组,结构层的组成材料有变化时重做(不小少1组)。
2. 取样方法:随机抽取级配碎石所需材料约20㎏。
三十四、无侧限抗压强试验1. 取样频率:稳定细粒土,每一作业段或每2000㎡制作6个试件为一组;稳定中粒土和粗粒土,每一作业段或每2000㎡制俾9个试件为一组。
2. 取样方法:现场随机取样后马上送试验室成型。
三十五、塑性指数检试验1. 取样频率:每1000㎡一次,异常时随时检验。
2. 取样方法:现场随机抽取约5㎏样品。
三十六、弯沉试验1. 取样频率:每一评定路段(不超过1000m)每车路40~50个测点。
2. 取样方法:检测人员现场检测三十七、饰面砖拉拔试验1. 取样频率:每300㎡同类墙体饰面砖3块为一组,每一楼层不得少于1组,不足300㎡同类墙体饰面砖每两楼层抽取3块为一组。
2. 取样方法:每组的3块饰面砖彼此相邻间距应大于50㎝,饰面砖粘贴龄期必须大于28天。
三十八、沥青三大指标试验1. 取样频率:100吨/批。
2. 取样方法:现场随机抽取约5㎏为一组。
三十九、沥青用细集料、粗集料、矿粉试验1. 取样频率:同一批次有使用前至少检验一次。
2. 取样方法:现场随机抽取,数量按不同试验室要求定。
四十、沥青压实度(抽芯)试验1. 取样频率:不同结构层2000㎡/点,至少3点。
2. 取样方法:检测人员现场检测。
四十一、沥青标准密度(马歇尔)试验1. 取样频率:不同配合比/组。
2. 取样方法:现场随机抽取,数量按不同试验室要求定。
四十二、土工布、土工格栅试验1. 取样频率:500卷/组。
2. 取样方法:随机抽取约5m长为一组。