深圳市建设工程质量检测中心取样送检指南(新版)(参考模板)
- 格式:doc
- 大小:838.00 KB
- 文档页数:51
建筑工程取样送检指南(新版)建设工程质量检测中心取样送检指南钢材类样品名称采样建议采样方法采样数量附注钢材拎肋、光圆钢筋:随机提取两根,换成端的同一牌号、同炉罐号、头50cm后撷取,各挑力学试验4两支,长同规格,每60t为一批,两段,分别用作弯曲及度40~60cm钢筋原材严重不足此数也按一批计。
冷弯试验。
gb13013-91盘条、冷轧带肋钢筋;gb1499-2021.2委托时应明晰规格、牌号、产地。
同一牌号、同一炉罐号、弯曲试验:每盘1gb/t701-1997同一规格、外形,同一换成端头50cm 后撷取支;gb13788-2000生产工艺和同一交货状40~50cm长试样。
伸展试验:自噬体2态,每60t为一批,不支。
足此数也按一批计。
闪光对焊、气压焊接:工艺检验:自噬体钢筋正式宣布冲压前,每种牌号、需从自噬体接点中随机每种规格至少搞1组试制做。
件展开工艺检验;非工艺检验:以300个同类型接点为一批。
钢筋冲压电弧焊(例如:内模焊接、接点帮忙条焊等)、电渣压力jgj18-2021焊接:工艺检验:自噬体钢筋正需从自噬体接点中随机式冲压前,每种牌号、制做。
每种规格至少搞1组与试件展开工艺检验;非工艺检验:以300个同类型接点为一批。
试样共6两支:弯曲3两支,50~通常,随着钢筋直径的减小,采样长60cm长;伸展3两支,40cm度适度减少。
(以下同)短。
内模焊接试件应当确保距焊口外试样长度为50~60cm共3两支,只并作两边各腾出20cm左右。
弯曲试验。
并增加收入两钢筋的轴线在一直线上。
随机提取一张网片,在自噬体应当由同一厂家生产纵、纵向钢筋上各撷取钢筋冲压弯曲:2支的,受到力主筋为同一直2根试样,分别展开扎每个试样应当所含不少于一个冲压点,短网片冷弯:2支径的冲压网共同组成,以伸和冷弯试验;在同一30~40cm。
jgj/t114-2021抗剪:3两支30t为一批。
根非受到扎钢筋上随机撷取3个抗炎抠试样。
工艺检验:对自噬体进场工艺检验(6两支):钢筋应当搞接点工艺检验钢筋机械相连接3两支原材,3支接搞工艺检验时,应当确保每一接点所用的(同一牌号、同炉罐号、接点需从自噬体接点中随机头。
一、深圳市建设工程质量检测中心取样送检指南钢材类钢结构类安全网、扣件及绝热材料类水泥、砂石及砼类砖类陶瓷砖及石材类给排水管类(一)给排水管类(二)给排水管类(三)给排水管类(四)建筑门窗及型材类防水密封材料类(一)防水密封材料类(二)防水密封材料类(三)外加剂类化学成份分析类电线电缆类环境及有害物质类基桩检测指南二、检测前基桩顶部处理工作1、静载试验◆混凝土灌注桩必须先凿掉桩顶部份的浮浆层。
◆桩头主筋应全部直通至桩顶混凝土保护层之下,各主筋应在同一高度上。
◆距桩顶1.5倍桩径范围内,应加设3~5mm厚的钢套箍或箍筋,箍筋间距不宜大于150mm,桩顶应设置钢筋网片2~3层,间距60~100mm。
◆桩头混凝土强度等级宜比桩身混凝土提高1~2个等级,且不得低于C30。
◆高应变法检测的桩头测点处截面尺寸应与原桩身截面尺寸相同。
2、低应变检测◆凿除桩顶浮浆及松动部分,露出密实的混凝土。
打磨传感器安装点和激振点示意图根据激振及安装传感器的要求,将桩顶表面上传感器安装点和激振点打磨成直径宜为150mm和50mm的光滑平面,光滑平面与桩轴线垂直,如下示图。
3、超声检测超声声测管的埋设要求:◆声测管应采用钢质管材,应具有一定的强度和刚度。
内径宜为50~55mm,管身不得有破损,管内不得有异物。
◆当桩径小于或等于2000mm时,应埋设3根管;当桩径大于2000mm时应埋设4根管,声测管呈对称分布(见图)。
声测管布置图◆声测管底部应预先封闭,宜用堵头封闭或用钢板焊封,以保证不渗浆。
◆每节钢管应采用螺纹外套管接头连接,应保证连接处不渗浆。
◆挖孔桩可在安放钢筋笼后将声测管焊接或绑扎在钢筋笼内侧,每节声测管在钢筋笼上的固定点不应少于3处,声测管之间应相互平行。
◆在桩身未配筋的部位,应采取有效方法将声测管固定在孔壁上。
◆声测管顶部高出桩顶的距离不宜小于500mm。
◆埋设完后在声测管上部应立即加盖或堵头,以免异物入内。
二、深圳市建筑科学研究院取样送检指南屋面节能工程通风与空调节能工程幕墙与门窗节能工程配电与照明节能工程太阳能应用系统工程三、深圳市计量质量检测研究院取样送检指南建材产品送样指南工程电器送样指南五金机械产品送样指南安全防护产品送样指南消防产品送样指南阻燃电线(电缆)单次试验数量列表附表建筑材料见证送检及竣工验收检测参照规范:GB50300-2001《建筑工程施工质量验收统一标准》GB50210-2001《建筑装饰装修工程质量验收规范》GB50222-1995《建筑内部装修设计防火规范》GB50325-2001(2006版)《民用建筑工程室内环境污染控制规范》GB50354-2005《建筑内部装修防火施工及验收规范》GB50312-2007《综合布线工程验收规范》GB50411-2007《建筑节能工程施工质量验收规范》除以上规范外,还应符合国家现行有关技术标准、规范的规定。
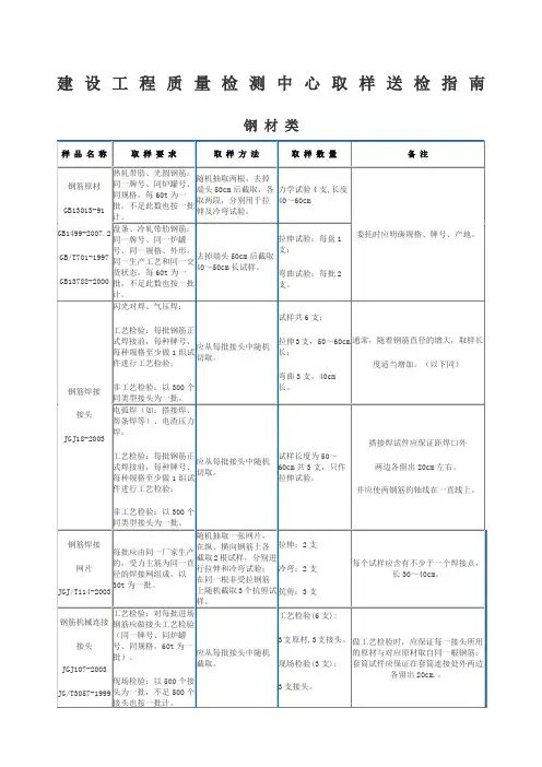
钢材类样品名称取样要求取样方法取样数量备注钢筋原材GB1499.2-200 7GB1499.1-200 8GB13788-2008 热轧带肋、光圆钢筋:同一牌号、同炉罐号、同规格,每60t为一批,不足此数也按一批计。
随机抽取两根,去掉端头50cm后截取,各取两段,分别用于拉伸及冷弯试验。
力学试验:约40cm长2支,约50cm 长2支,共4支。
委托时应明确规格、牌号、产地。
冷轧带肋钢筋;同一牌号、同一炉罐号、同一规格、外形,同一生产工艺和同一交货状态,每60t为一批,不足此数也按一批计。
去掉端头50cm后截取40~50cm长试样。
拉伸试验:每盘1支;弯曲试验:每批2支。
钢筋焊接接头JGJ18-2003 闪光对焊、气压焊:工艺检验:每批钢筋正式焊接前,每种牌号、每种规格至少做1组试件进行工艺检验;非工艺检验:以300个同类型接头为一批。
应从每批接头中随机切取。
试样共6支:拉伸3支,50~60cm长;弯曲3支,约40cm长。
通常,随着钢筋直径的增大,取样长度适当增加。
(以下同)电弧焊(如:搭接焊、帮条焊等)、电渣压力焊:工艺检验:每批钢筋正式焊接前,每种牌号、每种规格至少做1组试件进行应从每批接头中随机切取。
试样长度为50~60cm共3支,只作拉伸试验。
搭接焊试件应保证距焊口外两边各留出20cm左右。
并应使两钢筋的轴线在一直线上。
工艺检验;非工艺检验:以300个同类型接头为一批。
钢筋焊接网片JGJ/T114-2003 每批应由同一厂家生产的,受力主筋为同一直径的焊接网组成,以30t为一批。
随机抽取一张网片,在纵、横向钢筋上各截取2根试样,分别进行拉伸和冷弯试验;在同一根非受拉钢筋上随机截取3个抗剪试样。
拉伸:2支冷弯:2支抗剪:3支长30~40cm。
每个试样应含有不少于一个焊接点。
长30~40cm。
钢筋机械连接接头JGJ107-2003 JG/T3057-1999 工艺检验:对每批进场钢筋应做接头工艺检验(同一牌号、同炉罐号、同规格,60t为一批)。
建设工程质量检测中心取样送检指南一、背景介绍建设工程质量检测中心作为建设工程质量的监督机构,工作的准确性和可靠性直接关系到工程质量的评估和控制。
因此,质量检测过程中的取样送检环节至关重要。
本指南将详细介绍建设工程质量检测中心取样送检的具体流程和注意事项。
二、取样过程1.明确取样目的:在进行取样之前,要明确取样的目的和要求,例如化学成分分析、力学性能测试、物理性能测试等。
2.选择取样点:根据设计要求,在施工现场选择合适的取样点。
取样点应具有代表性,能够真实反映工程质量。
3.确定取样数量:根据具体要求和标准规定,确定所需的取样数量。
取样数量要足够,以保证结果的准确性和可靠性。
4.取样方法:根据不同的取样目的,采用相应的取样方法。
例如,对于混凝土取样,可以采用钢管竖直探入取样法、均匀推进法等。
5.取样器具准备:确保使用的取样器具干净、无杂质,并进行消毒处理,以防止交叉污染。
6.取样操作:进行取样前,要对取样点周围进行清洁,避免污染影响取样结果。
按照取样方法进行取样,确保取样器具充满,并且取样过程中无任何污染。
7.标识和包装:对每个取样进行标识,包括取样点、取样时间、取样人员等信息,并将样品封装在合适的容器中,防止样品的污染和损坏。
三、送检过程1.选择检测机构:根据建设工程质量检测中心的要求,选择合适的检测机构进行样品检测。
考虑检测机构的专业性、设备先进性和检测能力等因素。
2.填写送检单:参照检测机构提供的送检单模板,填写样品的相关信息,包括取样点、取样时间、样品特征、取样目的等。
3.样品保存:对于需要长时间保存或特殊保存条件的样品,需按照检测机构要求进行保存,以保证样品在送检过程中不发生变化。
4.样品送检:将已标识和包装的样品送至检测机构。
在送检过程中要注意样品的安全和完整性,防止样品在运输过程中破损。
四、注意事项1.取样过程中要注意安全,防范各种风险和意外事件的发生。
2.取样点要具有代表性,能够真实反映工程质量。
建设工程质量检测中心取样送检指南钢 材 类样 品 名 称取 样 要 求 取 样 方 法 取 样 数 量 备 注钢筋原材GB13013-91 GB1499-2007.2 GB/T701-1997 GB13788-2000 热轧带肋、光圆钢筋:同一牌号、同炉罐号、同规格,每60t 为一批,不足此数也按一批计。
随机抽取两根,去掉端头50cm 后截取,各取两段,分别用于拉伸及冷弯试验。
力学试验4支,长度40~60cm委托时应明确规格、牌号、产地。
盘条、冷轧带肋钢筋;同一牌号、同一炉罐号、同一规格、外形,同一生产工艺和同一交货状态,每60t 为一批,不足此数也按一批计。
去掉端头50cm 后截取40~50cm 长试样。
拉伸试验:每盘1支;弯曲试验:每批2支。
钢筋焊接接头 JGJ18-2003闪光对焊、气压焊: 工艺检验:每批钢筋正式焊接前,每种牌号、每种规格至少做1组试件进行工艺检验; 非工艺检验:以300个同类型接头为一批。
应从每批接头中随机切取。
试样共6支:拉伸3支,50~60cm 长; 弯曲3支,40cm 长。
通常,随着钢筋直径的增大,取样长 度适当增加。
(以下同)电弧焊(如:搭接焊、帮条焊等)、电渣压力焊:工艺检验:每批钢筋正式焊接前,每种牌号、每种规格至少做1组试件进行工艺检验;应从每批接头中随机切取。
试样长度为50~60cm 共3支,只作拉伸试验。
搭接焊试件应保证距焊口外 两边各留出20cm 左右。
并应使两钢筋的轴线在一直线上。
非工艺检验:以300个同类型接头为一批。
钢筋焊接 网片 JGJ/T114-2003 每批应由同一厂家生产的,受力主筋为同一直径的焊接网组成,以30t 为一批。
随机抽取一张网片,在纵、横向钢筋上各截取2根试样,分别进行拉伸和冷弯试验;在同一根非受拉钢筋上随机截取3个抗剪试样。
拉伸:2支冷弯:2支抗剪:3支 每个试样应含有不少于一个焊接点,长30~40cm 。
钢筋机械连接 接头 JGJ107-2003 JG/T3057-1999 工艺检验:对每批进场钢筋应做接头工艺检验(同一牌号、同炉罐号、同规格,60t 为一批)。
建设工程质量检测中心取样送检指南钢材类钢结构类安全网、扣件及绝热材料类水泥、砂石及砼类砖类陶瓷砖及石材类给排水管类(一)给排水管类(二)给排水管类(三)给排水管类(四)建筑门窗及型材类防水密封材料类(一)防水密封材料类(二)防水密封材料类(三)外加剂类化学成份分析类电线电缆类环境及有害物质类基桩检测指南一、工程桩抽样检测方法及数量表(依据SJG09-2007)?二、检测前基桩顶部处理工作1、静载试验◆混凝土灌注桩必须先凿掉桩顶部份的浮浆层。
◆桩头主筋应全部直通至桩顶混凝土保护层之下,各主筋应在同一高度上。
◆距桩顶1.5倍桩径范围内,应加设3~5mm厚的钢套箍或箍筋,箍筋间距不宜大于150mm,桩顶应设置钢筋网片2~3层,间距60~100mm。
◆桩头混凝土强度等级宜比桩身混凝土提高1~2个等级,且不得低于C30。
◆高应变法检测的桩头测点处截面尺寸应与原桩身截面尺寸相同。
2、低应变检测◆凿除桩顶浮浆及松动部分,露出密实的混凝土。
?打磨传感器安装点和激振点示意图根据激振及安装传感器的要求,将桩顶表面上传感器安装点和激振点打磨成直径宜为150mm和50mm的光滑平面,光滑平面与桩轴线垂直,如下示图。
3、超声检测超声声测管的埋设要求:◆声测管应采用钢质管材,应具有一定的强度和刚度。
内径宜为50~55mm,管身不得有破损,管内不得有异物。
◆当桩径小于或等于2000mm时,应埋设3根管;当桩径大于2000mm时应埋设4根管,声测管呈对称分布(见图)。
?声测管布置图◆声测管底部应预先封闭,宜用堵头封闭或用钢板焊封,以保证不渗浆。
◆每节钢管应采用螺纹外套管接头连接,应保证连接处不渗浆。
◆挖孔桩可在安放钢筋笼后将声测管焊接或绑扎在钢筋笼内侧,每节声测管在钢筋笼上的固定点不应少于3处,声测管之间应相互平行。
◆在桩身未配筋的部位,应采取有效方法将声测管固定在孔壁上。
◆声测管顶部高出桩顶的距离不宜小于500mm。
◆埋设完后在声测管上部应立即加盖或堵头,以免异物入内。
深圳市建筑材料取样送检指南.docx 范本1:深圳市建筑材料取样送检指南一、背景介绍1.1 目的和范围1.2 适用对象1.3 参考文件二、术语和定义2.1 建筑材料2.2 取样2.3 送检2.4 检测项目三、建筑材料取样指南3.1 取样前准备3.1.1 确定取样点3.1.2 准备取样工具3.1.3 了解取样标准3.2 取样方法3.2.1 表面取样3.2.2 深层取样3.2.3 组合取样3.3 取样注意事项3.3.1 取样点的选择3.3.2 取样工具的清洁3.3.3 取样过程的记录四、建筑材料送检指南4.1 送检样品准备4.1.1 样品包装4.1.2 样品数量要求4.1.3 样品送检单的填写4.2 送检流程4.2.1 送检前的准备工作4.2.2 送检样品的快递选择4.2.3 送检单的发送五、检测结果解读5.1 检测报告解读5.2 异常结果处理附件:附件1:取样工具清单附件2:样品送检单样例法律名词及注释:1. 建筑材料质量监督检验交接规定:指对建筑材料取样和送检的程序及要求进行规定的法律法规。
2. 建筑材料取样标准:指建筑材料取样时需遵守的标准和规范的要求,例如国家标准或行业规范。
3. 建筑材料检测结果解读准则:指对建筑材料检测结果进行解读和判断的规范和方法。
范本2:深圳市建筑材料取样送检指南一、背景介绍1.1 目的和范围本文档旨在提供深圳市建筑材料取样和送检的指南,相关从业人员准确进行取样和送检工作。
1.2 适用对象本指南适用于深圳市地区从事建筑材料取样和送检工作的机构、个人等。
1.3 参考文件本文档的编写参考了国家相关标准和规范,以及深圳市相关政府文件。
二、术语和定义2.1 建筑材料建筑材料是指用于建筑、装修和维修等工程中所需要的各种材料,包括水泥、砂浆、砖块、钢筋等。
2.2 取样取样是指从建筑材料中取出一小部分作为样品,以代表整体材料的质量和性能。
2.3 送检送检是指将取样得到的建筑材料样品送往检测机构进行质量检测,以验证材料的符合性。
3、超声检测
超声声测管的埋设要求:
◆声测管应采用钢质管材,应具有一定的强度和刚度。
内径宜为50~55mm,管身不得有破损,管内不得有
异物。
◆当桩径小于或等于2000mm时,应埋设3根管;当桩径大于2000mm时应埋设4根管,声测管呈对称分布(见图)。
声测管布置图
◆声测管底部应预先封闭,宜用堵头封闭或用钢板焊封,以保证不渗浆。
◆每节钢管应采用螺纹外套管接头连接,应保证连接处不渗浆。
◆挖孔桩可在安放钢筋笼后将声测管焊接或绑扎在钢筋笼内侧,每节声测管在钢筋笼上的固定点不应少于3处,声测管之间应相互平行。
◆在桩身未配筋的部位,应采取有效方法将声测管固定在孔壁上。
◆声测管顶部高出桩顶的距离不宜小于500mm。
◆埋设完后在声测管上部应立即加盖或堵头,以免异物入内。
建筑材料监督抽检取样及结果判定指南
2021年07月07日
(红色字体为最近一次修改)
目录
一、钢材及钢结构连接件类 (3)
二、混凝土及原材料类 (5)
三、各种材料有害物质及放射性类 (7)
四、防水卷材类 (9)
五、防水涂料类 (11)
六、装饰涂料、腻子类 (14)
七、密封胶、结构胶、止水带类 (17)
八、电线电缆、低压断路器、开关插座及灯具类 (20)
九、管材管件类 (22)
十、保温材料类 (25)
十一、安全防护用品类 (27)
十二、门窗三性及玻璃现场检测类 (30)
十三、陶瓷砖类 (31)
十四、室内环境类 (32)
十五、建筑节能类 (33)
一、钢材及钢结构连接件类
二、混凝土及原材料类
三、各种材料有害物质及放射性类
四、防水卷材类
五、防水涂料类
六、装饰涂料、腻子类
七、密封胶、结构胶、止水带类
八、电线电缆、低压断路器、开关插座及灯具类
九、管材管件类
十、保温材料类
十一、安全防护用品类
十二、门窗三性及玻璃现场检测类
十三、陶瓷砖类
十四、室内环境类
十五、建筑节能类。
深圳市建设工程质量检测中心建筑材料取样送检指南2010年5月20日目录钢材类__________________________________________________ 3 钢结构类________________________________________________ 7 安全网、扣件类__________________________________________ 8 水泥、砂石及砼类________________________________________ 11 砖类___________________________________________________ 13 陶瓷砖及石材类_________________________________________ 14 给排水管类(一)________________________________________ 15 给排水管类(二)________________________________________ 18 给排水管类(三)________________________________________ 22 电器安装导管、燃气管道组件______________________________ 25 建筑门窗及型材类________________________________________ 27 装饰涂料类_____________________________________________ 29 防水涂料类_____________________________________________ 31 防水卷材类_____________________________________________ 35 止水带、密封胶类________________________________________ 37 外加剂类_______________________________________________ 39 化学成份分析类_________________________________________ 41 环境及有害物质类________________________________________ 43 建筑节能检测___________________________________________ 45 土工合成材料类_________________________________________ 49 电线电缆、低压断路器、开关及插座检测取样送检指南 ________ 50深圳市建设工程质量检测中心取样送检指南钢材类深圳市建设工程质量检测中心取样送检指南钢结构类深圳市建设工程质量检测中心取样送检指南安全网、扣件类深圳市建设工程质量检测中心取样送检指南水泥、砂石及砼类深圳市建设工程质量检测中心取样送检指南砖类深圳市建设工程质量检测中心取样送检指南陶瓷砖及石材类深圳市建设工程质量检测中心取样送检指南给排水管类(一)深圳市建设工程质量检测中心取样送检指南给排水管类(二)深圳市建设工程质量检测中心取样送检指南给排水管类(三)深圳市建设工程质量检测中心取样送检指南电器安装导管、燃气管道组件深圳市建设工程质量检测中心取样送检指南建筑门窗及型材类深圳市建设工程质量检测中心取样送检指南装饰涂料类深圳市建设工程质量检测中心取样送检指南防水涂料类深圳市建设工程质量检测中心取样送检指南防水卷材类深圳市建设工程质量检测中心取样送检指南止水带、密封胶类深圳市建设工程质量检测中心取样送检指南外加剂类深圳市建设工程质量检测中心取样送检指南化学成份分析类深圳市建设工程质量检测中心取样送检指南环境及有害物质类深圳市建设工程质量检测中心取样送检指南建筑节能检测取样送检指南土工合成材料类电线电缆、低压断路器、开关及插座检测取样送检指南。
建设工程质量检测中心取样送检指南建设工程质量检测中心取样送检指南在建设工程中,质量问题一直是关注的核心问题之一。
建设工程的质量检验需要依靠合理有效的取样方法和送检流程,确保建设工程的质量符合相关的安全标准。
因此,建设工程质量检测中心的取样送检工作显得尤为重要。
本文将就建设工程质量检测中心的取样送检指南进行详细的介绍。
一、取样工作1. 取样时的操作顺序在取样之前,应先确定取样位置和数量,保证取样代表性。
然后,应对取样器进行消毒工作,以确保取样器的卫生状况。
在取样时,应根据取样的位置和特点进行选择,通过细心的观察和采样,保证所采样品的代表性和真实性。
在取样在线时,注意防止采样器、取样容器或样品受到污染,在取完样后,及时封闭采样器或容器,并进行标识。
2. 取样时的注意事项取样时,应遵守如下注意事项:(1)取样器应与样品适宜,须打消毒液消毒,用干净手套操作;(2)当取样地点处于河流、水库、海洋等水体时,应避免发生污染、杂质、沉淀物混入,尽量选择水深、涨潮或落潮、潮水方向和流向等适合的取样地点;(3)当取样地点处于空气中时,应避免采样器发生污染功能在大气中通过空气取样器或鼻子吸气;(4)当取样地点处于密闭场所时,应避免室内污染物对空气的影响,尽量选择适宜的风口或通风口进行取样;(5)可能有病原体的地方以及新鲜生物样品,应避免被污染或干扰样品,如过度搅拌、崩解、摇动等;(6)根据水体的含盐量、微生物水平等要素考虑取样采集的时间和数量。
二、送检工作1. 送检要求在送检时,应注意如下要求:(1)送样品前,应对样品进行清洗消毒,并封装好;(2)要分类送样,根据不同的检测项目,不同样品的运输方式不同,将不同种类的样品进行分类封装,避免混淆;(3)在寄送样品时,必须注明所检测的检测方法、名称和质量标准,以便检测人员进行检测。
2. 送样人员要求在送样时,应注意如下要求:(1)送样人员必须经过专门的培训,并掌握系列的操作技能;(2)送样人员必须是自己检测质量的,准确记录样品的来源、时间、相关信息等;(3)送样人员必须按照规定的要求寄发瓶或容器,并根据需求选择快递或物流公司进行包装和送货;(4)准确记录运单号、货品名称、货物数量、发货人、收货人、联系方式等信息。
深圳市建设工程质量检测中心
取样送检指南钢材类
深圳市建设工程质量检测中心取样送检指南水泥、砂石及砼类
深圳市建设工程质量检测中心取样送检指南陶瓷砖及石材类
深圳市建设工程质量检测中心取样送检指南建筑门窗及型材类
深圳市建设工程质量检测中心取样送检指南装饰涂料类
深圳市建设工程质量检测中心取样送检指南防水涂料类
深圳市建设工程质量检测中心取样送检指南防水卷材类
深圳市建设工程质量检测中心取样送检指南止水带、密封胶类
深圳市建设工程质量检测中心
深圳市建设工程质量检测中心
电线电缆、低压断路器、开关及插座检测取样送检指南。
一、深圳市建设工程质量检测中心取样送检指南钢材类钢结构类安全网、扣件及绝热材料类水泥、砂石及砼类砖类陶瓷砖及石材类给排水管类(一)给排水管类(二)给排水管类(三)给排水管类(四)建筑门窗及型材类防水密封材料类(一)防水密封材料类(二)防水密封材料类(三)外加剂类化学成份分析类电线电缆类环境及有害物质类基桩检测指南二、检测前基桩顶部处理工作1、静载试验◆混凝土灌注桩必须先凿掉桩顶部份的浮浆层。
◆桩头主筋应全部直通至桩顶混凝土保护层之下,各主筋应在同一高度上。
◆距桩顶1.5倍桩径范围内,应加设3~5mm厚的钢套箍或箍筋,箍筋间距不宜大于150mm,桩顶应设置钢筋网片2~3层,间距60~100mm。
◆桩头混凝土强度等级宜比桩身混凝土提高1~2个等级,且不得低于C30。
◆高应变法检测的桩头测点处截面尺寸应与原桩身截面尺寸相同。
2、低应变检测◆凿除桩顶浮浆及松动部分,露出密实的混凝土。
打磨传感器安装点和激振点示意图根据激振及安装传感器的要求,将桩顶表面上传感器安装点和激振点打磨成直径宜为150mm和50mm的光滑平面,光滑平面与桩轴线垂直,如下示图。
3、超声检测超声声测管的埋设要求:◆声测管应采用钢质管材,应具有一定的强度和刚度。
内径宜为50~55mm,管身不得有破损,管内不得有异物。
◆当桩径小于或等于2000mm时,应埋设3根管;当桩径大于2000mm时应埋设4根管,声测管呈对称分布(见图)。
声测管布置图◆声测管底部应预先封闭,宜用堵头封闭或用钢板焊封,以保证不渗浆。
◆每节钢管应采用螺纹外套管接头连接,应保证连接处不渗浆。
◆挖孔桩可在安放钢筋笼后将声测管焊接或绑扎在钢筋笼内侧,每节声测管在钢筋笼上的固定点不应少于3处,声测管之间应相互平行。
◆在桩身未配筋的部位,应采取有效方法将声测管固定在孔壁上。
◆声测管顶部高出桩顶的距离不宜小于500mm。
◆埋设完后在声测管上部应立即加盖或堵头,以免异物入内。
二、深圳市建筑科学研究院取样送检指南屋面节能工程通风与空调节能工程幕墙与门窗节能工程配电与照明节能工程太阳能应用系统工程三、深圳市计量质量检测研究院取样送检指南建材产品送样指南工程电器送样指南五金机械产品送样指南安全防护产品送样指南消防产品送样指南阻燃电线(电缆)单次试验数量列表附表建筑材料见证送检及竣工验收检测参照规范:GB50300-2001《建筑工程施工质量验收统一标准》GB50210-2001《建筑装饰装修工程质量验收规范》GB50222-1995《建筑内部装修设计防火规范》GB50325-2001(2006版)《民用建筑工程室内环境污染控制规范》GB50354-2005《建筑内部装修防火施工及验收规范》GB50312-2007《综合布线工程验收规范》GB50411-2007《建筑节能工程施工质量验收规范》除以上规范外,还应符合国家现行有关技术标准、规范的规定。
深圳市建设工程质量检测中心建筑材料取样送检指南2010年5月20日目录钢材类__________________________________________________ 3 钢结构类________________________________________________ 7 安全网、扣件类__________________________________________ 8 水泥、砂石及砼类________________________________________ 11 砖类___________________________________________________ 13 陶瓷砖及石材类_________________________________________ 14 给排水管类(一)________________________________________ 15 给排水管类(二)________________________________________ 18 给排水管类(三)________________________________________ 22 电器安装导管、燃气管道组件______________________________ 25 建筑门窗及型材类________________________________________ 27 装饰涂料类_____________________________________________ 29 防水涂料类_____________________________________________ 31 防水卷材类_____________________________________________ 35 止水带、密封胶类________________________________________ 37 外加剂类_______________________________________________ 39 化学成份分析类_________________________________________ 41 环境及有害物质类________________________________________ 43 建筑节能检测___________________________________________ 45 土工合成材料类_________________________________________ 49 电线电缆、低压断路器、开关及插座检测取样送检指南 ________ 50深圳市建设工程质量检测中心取样送检指南钢材类深圳市建设工程质量检测中心取样送检指南钢结构类深圳市建设工程质量检测中心取样送检指南安全网、扣件类深圳市建设工程质量检测中心取样送检指南水泥、砂石及砼类深圳市建设工程质量检测中心取样送检指南砖类深圳市建设工程质量检测中心取样送检指南陶瓷砖及石材类深圳市建设工程质量检测中心取样送检指南给排水管类(一)深圳市建设工程质量检测中心取样送检指南给排水管类(二)深圳市建设工程质量检测中心取样送检指南给排水管类(三)深圳市建设工程质量检测中心取样送检指南电器安装导管、燃气管道组件深圳市建设工程质量检测中心取样送检指南建筑门窗及型材类深圳市建设工程质量检测中心取样送检指南装饰涂料类深圳市建设工程质量检测中心取样送检指南防水涂料类深圳市建设工程质量检测中心取样送检指南防水卷材类深圳市建设工程质量检测中心取样送检指南止水带、密封胶类深圳市建设工程质量检测中心取样送检指南外加剂类深圳市建设工程质量检测中心取样送检指南化学成份分析类深圳市建设工程质量检测中心取样送检指南环境及有害物质类深圳市建设工程质量检测中心取样送检指南建筑节能检测取样送检指南土工合成材料类电线电缆、低压断路器、开关及插座检测取样送检指南。
一、深圳市建设工程质量检测中心取样送检指南钢材类钢结构类安全网、扣件及绝热材料类水泥、砂石及砼类砖类陶瓷砖及石材类给排水管类(一)给排水管类(二)给排水管类(三)给排水管类(四)建筑门窗及型材类防水密封材料类(一)防水密封材料类(二)防水密封材料类(三)外加剂类化学成份分析类电线电缆类环境及有害物质类基桩检测指南一、工程桩抽样检测方法及数量表(依据SJG09-2007)二、检测前基桩顶部处理工作1、静载试验◆混凝土灌注桩必须先凿掉桩顶部份的浮浆层。
◆桩头主筋应全部直通至桩顶混凝土保护层之下,各主筋应在同一高度上。
◆距桩顶1.5倍桩径范围内,应加设3~5mm厚的钢套箍或箍筋,箍筋间距不宜大于150mm,桩顶应设置钢筋网片2~3层,间距60~100mm。
◆桩头混凝土强度等级宜比桩身混凝土提高1~2个等级,且不得低于C30。
◆高应变法检测的桩头测点处截面尺寸应与原桩身截面尺寸相同。
2、低应变检测◆凿除桩顶浮浆及松动部分,露出密实的混凝土。
打磨传感器安装点和激振点示意图根据激振及安装传感器的要求,将桩顶表面上传感器安装点和激振点打磨成直径宜为150mm和50mm 的光滑平面,光滑平面与桩轴线垂直,如下示图。
3、超声检测超声声测管的埋设要求:◆声测管应采用钢质管材,应具有一定的强度和刚度。
内径宜为50~55mm,管身不得有破损,管内不得有异物。
◆当桩径小于或等于2000mm时,应埋设3根管;当桩径大于2000mm时应埋设4根管,声测管呈对称分布(见图)。
声测管布置图◆声测管底部应预先封闭,宜用堵头封闭或用钢板焊封,以保证不渗浆。
◆每节钢管应采用螺纹外套管接头连接,应保证连接处不渗浆。
◆挖孔桩可在安放钢筋笼后将声测管焊接或绑扎在钢筋笼内侧,每节声测管在钢筋笼上的固定点不应少于3处,声测管之间应相互平行。
◆在桩身未配筋的部位,应采取有效方法将声测管固定在孔壁上。
◆声测管顶部高出桩顶的距离不宜小于500mm。
◆埋设完后在声测管上部应立即加盖或堵头,以免异物入内。
二、深圳市建筑科学研究院取样送检指南屋面节能工程通风与空调节能工程幕墙与门窗节能工程配电与照明节能工程太阳能应用系统工程三、深圳市计量质量检测研究院取样送检指南建材产品送样指南工程电器送样指南五金机械产品送样指南安全防护产品送样指南消防产品送样指南阻燃电线(电缆)单次试验数量列表建筑材料见证送检及竣工验收检测参照规范:GB50300-2001《建筑工程施工质量验收统一标准》GB50210-2001《建筑装饰装修工程质量验收规范》GB50222-1995《建筑内部装修设计防火规范》GB50325-2001(2006版)《民用建筑工程室内环境污染控制规范》GB50354-2005《建筑内部装修防火施工及验收规范》GB50312-2007《综合布线工程验收规范》GB50411-2007《建筑节能工程施工质量验收规范》除以上规范外,还应符合国家现行有关技术标准、规范的规定。
钢筋根据2008-03-01实施的“GB1499.2-2007的《钢筋砼用钢第2部分:热轧带肋钢筋》”,与2008-09-01实施的“GB1499.1—2008的《钢筋砼用钢第1部分:热轧光圆钢筋》”,以及GB/T20066、GB/T4336、GB/T223、GB/T228、GB/T232、GB/T5126及 GB/T17505等的规定,对钢筋原材要进行力学性能、工艺性能检验,也就是要对其进行“屈服强度、抗拉强度、伸长率及弯曲”等4项检验。
其中“GB1499.2-2007的《钢筋砼用钢第2部分:热轧带肋钢筋》”还规定了对①“强屈比”(即钢筋的抗拉强度实测值与屈服强度实测值的比值)不应小于1.25和②“超强比”(即钢筋的屈服强度实则值与强度标准值的比值)不应大于1.30的检验。
其:㈠取样频率:1.对砼用钢筋(热轧带肋钢筋、热轧光圆钢筋、余热处理钢筋)、热轧盘条钢筋和碳素结构钢钢筋的取样频率:按“同一生产厂、同一炉罐号、同一规格和同一交货状态”下每60t 为一验收批计取(不足60t的按一批计)。
2.对冷轧带肋钢筋:按“同一牌号、同一外型、同一生产工艺和同一交货状态”下每60t 为一验收批计取(不足60t的按一批计)。
㈡取样方法、数量:1.对钢筋砼用(热轧带肋钢筋、热轧光圆钢筋及钢筋砼用余热处理钢筋)钢筋:按每一验收批要随机从任选的2根钢筋的每根钢筋上先切除端头500mm长后,再在其每根钢筋上切取长度分别为400mm~500mm(约20d)与400mm的2个试样,作拉伸(2个)、弯曲(2个)检验之用。
2. 对热轧盘条钢筋:按每一验收批要随机从不同盘上截取试样3根,长度同上。
作拉伸(1根)、弯曲(2根)检验之用。
3. 对碳素结构钢钢筋:按每一验收批要随机从任选的2根钢筋中各截取2段试样,长度同上。
作拉伸(2个)、弯曲(2个)检验之用。
4. 对冷轧带肋钢筋:⑴对要作拉伸检验的试件:按每一验收批随机任选2根,先截除端头500mm长后再各截取1个试样,长度同上。
⑵对作弯曲检验的试件:按每一验收批随机任取2根钢筋,在截去端头500mm后各截取1个试样,长度同上。
⑶对要做“松弛定期检验”的只需取1个试件就可以了,长度同上。
☆复检钢筋时,则每项试验的试件数量要加倍☆。
型钢㈠. 碳素结构钢、低合金高强度结构钢:根据GB700、GB/T2975、GB/T1591与GB2925—82的规定,碳素结构钢、低合金高强度结构钢的“钢材力学及工艺性能试验取样规定”如下:1. 其“力学及工艺性能试验”同上述“钢筋”内容;2. 其取样规定如下:【1】取样频率:在“同一牌号、同一炉罐号、同一规格和同一交货状态”下按每60t为一批(不足60t按一批计)切取试样。
【2】取样方法和数量:从外观检查合格的产品中随机取样,其制样加工时宜用机械切割,严禁用烧割、打磨方法。
对钢板、钢带的加工要取横向试件;但当钢带、型钢的宽度小于600mm 而厚度大于25mm的,则应取纵向试件。
⑴对做“冷弯”的试件,应按每批取试样一件,试件应在钢板宽度的1/4处切取。
当钢板的厚度>20mm的则应从表面切取来制取试件,并将试件经单面刨削至20mm厚为止;对钢板的原厚度≤20mm的则按原厚作试件送检。
试件的宽度应按2倍厚度(直经)切取。
⑵对做“拉伸”试验的试件要取1个。
对“钢板”而言,则应在板宽的1/4处切取试件;对“其他型钢”来说,应优先在腿部切取:当腿部厚度<50mm时可取全厚作试样;当腿部厚度>50mm时则可制取圆形试件。
当腿部有斜度时则可从腰部切取;;☆凡复检的试件其数量要加倍☆㈡优质碳素结构钢:根据GB/T699等的规定,其“钢材力学及工艺性能试验”同上述“钢筋”。
其:1.取样频率:在“同一炉罐号、同一尺寸、同一工艺、同一交货状态和同一表面状态”下应按每60t为一批计取。
2. 取样方法和数量:每批取2支做拉伸试验,其长度约500m m(试样切取方法同上)。
铝塑复合板(铝合金板)根据GB/T17748-1999的规定,铝塑复合板(铝合金板)应做“铅笔硬度、涂层厚度、热变形温度和耐温差性”4项检验㈠取样频率:对“同一生产厂、同一等级、同一品种和同一规格”下的产品,应按每3000㎡为一验收批(不足3000㎡的亦按一批计)抽取试样。
㈡取样方法和数量:从每批产品中随机抽取3张,每张取1片,每片长1000mm进行检验。
高分子防水材料止水带根据GB18173.2的规定,高分子防水材料止水带的:㈠取样频率:要根据每月“同标记”或“同型号”止水带的产量,按每100箱为一验收批计取。
㈡取样方法和数量:要随机按每批任选3箱,并在任选的3箱中每箱任取1盘,检测其外观与规格尺寸。
从规格尺寸及外规检查合格的3盘样品中随机抽取1盘,切去其端头100mm后,再截取2000mm长的全幅止水带一块作送检试件,送检时要附送粘结剂。
防水卷材本节所述防水卷材,包括:①塑性体APP卷材、②弹性体SBS卷材、③高分子片卷材、④氯化聚乙烯—橡胶共混卷材、⑤氯化聚乙烯卷材、⑥聚氯乙烯卷材、⑦自粘橡胶沥青卷材、⑧沥青复合胎柔性卷材、⑨改性沥青聚乙烯胎卷材等9种。
其中:㈠塑性体APP卷材根据GB18243的规定,APP卷材的:1.取样频率:按“同类型、同规格卷材”每10000㎡为一验收批抽取试件,不足一批的按一批计;2.取样方法和数量:从规格尺寸及外观合格的卷材中随机抽取1卷,切取卷头2500mm后再在其剩余的全幅卷材中截取试样2块,每块长800mm。
送检时要附送粘结剂。
㈡弹性体SBS卷材根据GB18242的规定,SBS卷材的《取样频率》与《取样方法和数量》,均同APP卷材。
㈢高分子片卷材根据GB18173.1的规定,高分子片卷材的:1.取样频率:按同品种、同规格的片材计算每5000㎡为一验收批抽取样品;若日产量超过8000㎡时,则以8000㎡为一批;2.取样方法和数量:从规格尺寸与外观检查合格的样品中随机抽取1卷,在切除端头300mm 长后,再在其剩余部分的全幅卷材中切取2块试样各长800mm。
送检时要附送粘结剂。
㈣氯化聚乙烯—橡胶共混卷材根据JC/T684的规定,氯化聚乙烯-橡胶共混卷材的;1.取样频率:按“同类型、同规格的卷材”每250卷为一验收批计取;不足一批的按一批计。
2.取样方法和数量:要从规格尺寸与外观检查合格的试样中随机抽取1卷,在切除端头300mm长后,再在其剩余部分的全幅卷材中抽取试样2块各长800mm。
送检时要附送粘结剂。
㈤氯化聚乙烯卷材根据GB12953的规定,氯化聚乙烯卷材的:1.取样频率:按“同类型、同规格卷材”每10000mm2为一批计取,不足一批的按一批计;2.取样方法和数量:要从规格尺寸与外观检查合格的试样中随机抽取1卷,在切除端头500mm长后,再在其切除端头后的全幅卷材中切取试样2块,各长1,500mm。
送检时要附送粘结剂。
㈥聚氯乙烯卷材根据GB12952的规定,聚氯乙烯卷材的《取样频率》与《取样方法和数量》,均与氯化聚乙烯卷材相同。
㈦自粘橡胶沥青卷材根据JC840的规定,自粘橡胶沥青卷材的:1.取样频率;按“同一类型、同一规格卷材”每5000㎡为一验收批,不足一批的按一批计;2.取样方法和数量:要从规格尺寸与外观检查合格的试样中随机抽取1卷,在切除端头500mm长后再在其切除端头后的全幅卷材中切取试样2块,各长1,500m m。
㈧沥青复合胎柔性卷材根据JC/T690的规定,沥青复合胎柔性卷材的:1.取样频率:按“同规格、同类型卷材”每1000卷为1验收批,不足一批按一批计;2.取样方法和数量:要从规格尺寸及外观检查合格的试样中随机抽取1卷,在切除端头2500mm长后,再在其切除端头后的全幅卷材中切取2块试件,各长1000mm。