隔离器使用
- 格式:doc
- 大小:30.50 KB
- 文档页数:2
无菌检验隔离器安全操作及保养规程一、前言无菌检验隔离器(Sterility Testing Isolator,简称STI)是一种广泛应用于生物制品无菌检测的设备,用于防止样品受到外界污染和保护操作人员免受生物制品的暴露。
本文档旨在规范STI的使用和保养,避免不必要的设备事故和样品污染,旨在更好地维护生产环境的卫生和健康。
二、 STI的安全操作1. 人员要求使用STI的操作人员应通过相关培训并持有相关的证件或资格证书。
被安排操作STI的人员应定期接受相关技能培训,只有在完全掌握专业知识和具备必要的操作技能后,才可使用该设备进行实验操作。
2. 操作前准备在操作STI前,应先确认STI的密封性和过滤系统的正常工作状态。
对于密封性检查,可以将压力计置于STI内口并进行检查。
对于过滤系统的检查,可以通过紫外线灯对过滤效率进行检测。
同时需要在STI 内部放置无菌工作台准备好所需的操作设备和材料。
3. 操作过程在进行操作STI实验前,必须先穿戴好必要的个人防护装备。
在操作过程中要特别注意防止STI内部与外部环境之间的污染,提高对样本的保护和实验的精度。
当实验结束后,还需在设备内进行过渡残留物和样品的删除、设备内部的消毒和清洁。
4. 操作注意事项•禁止在STI内部进行磕碰等激烈操作;•禁止在STI内部使用含有粉尘的物品;•避免使用含有重金属的物质;•禁止在STI内部使用化学物品,如酸、碱等强腐蚀性物质;•对样品进行采样时需注意气压平衡;•切勿在STI内吸烟或进食;•确保操作过程中无人将手指伸入STI内部或放入其他设备。
三、 STI的保养1. 定期保养STI应按厂家要求定期进行保养和进行相关部件的更换。
通常可根据操作手册要求在实验后对设备进行排查和检测,及时更换个部件,检查起动装置和出料装置等各项设备的工作状态。
2. 日常维护日常维护包括使用完毕后要对STI进行清理、洗涤和消毒。
并要检查后可以启动对设备的LED灯、过滤系统和压力计等进行检查。
newpwr隔离器说明书第一章:产品概述第二章:产品特点1.高隔离性能:newpwr隔离器能够有效地隔离输入和输出之间的电气干扰,确保输出信号的稳定性和准确性。
2.宽工作温度范围:newpwr隔离器具备广泛的工作温度范围,适应各种复杂环境条件。
3.高可靠性:newpwr隔离器采用优质材料和结构设计,具有高可靠性和长寿命。
4.快速响应时间:newpwr隔离器能够迅速响应输入信号的变化,并在短时间内提供稳定的输出信号。
5.灵活的接口:newpwr隔离器提供多种输入和输出接口选项,支持不同类型的信号输入和输出。
第三章:产品安装1.安全操作:在安装newpwr隔离器之前,请确保断开电源,防止任何电气伤害。
2.安装位置选择:选择一个安全、通风良好的位置安装newpwr隔离器,避免与其他电气设备的干扰。
3.固定装置:通过合适的螺丝和固定装置将newpwr隔离器稳固地安装在所选位置上。
第四章:产品使用1.信号接入:将输入信号正确连接到newpwr隔离器的输入端口上,确保正确地接入接地线。
2.信号输出:将需要隔离的输出信号从newpwr隔离器的输出端口中获取,确保接收信号的设备或系统正常工作。
3.参数调整:根据具体使用要求,通过调整newpwr隔离器上的参数实现不同的隔离效果和信号处理方式。
4.额定功率使用:确保newpwr隔离器的工作功率不超过设备的额定功率,以防过载和故障。
第五章:产品维护1.定期检查:定期对newpwr隔离器进行检查,确保设备正常工作,无损坏和松动的部件。
2.清洁保养:使用干净、柔软的布轻轻清洁newpwr隔离器的外表面,避免使用化学溶剂。
3.防尘防湿:保持newpwr隔离器远离尘埃和潮湿环境,以避免损坏和电气故障。
第六章:产品故障排除1.自检功能:newpwr隔离器具备自动故障检测功能,当发生故障时会自动发出警报并采取相应的措施。
2.故障排除:在设备故障时,首先确保电源断开,然后检查接线是否正确,部件是否松动,故障是否由其他外部因素导致。
无菌检查隔离器安全操作及保养规程1. 前言为了确保实验室内无菌检查的准确性,确保实验过程的安全性和实验人员的身体健康,严格遵守无菌检查隔离器的安全操作规程及保养规程是必要的。
2. 安全操作规程2.1 设备准备1.打开检查隔离器外部电源。
2.仔细检查隔离器内外部分为洁净以及工作面积为空气净化。
3.准备相关消毒液、培养基和试剂等实验材料,并将它们放置在操作台上,准备进行实验操作。
4.穿戴好操作手套和实验服,消毒双手和隔离器表面。
2.2 实验操作1.打开隔离器门,轻轻将待检样品放入操作台内。
注意:当隔离器内无气流时,应在放置待检样品前用紫外线灯消毒操作台上方一分钟。
2.开启操作区域的风扇,产生气流并将样品向下排放。
3.进行实验操作,操作过程中应保证操作手套、操作工具、培养基等实验材料和试剂不会碰到隔离器内部,并且不要高温灼烧,以免污染操作区域。
4.实验操作结束后,关闭风扇,关闭隔离器门。
2.3 清洁消毒1.实验操作完成后,关闭隔离器内部工作面积空气净化设备,并让电机工作15分钟,以确保操作区域内的气流彻底被排出。
2.用70%的酒精或其他消毒液清洁隔离器的表面及内部操作区域,特别是粘有试剂、培养基的区域。
3.每个实验结束后,应当对试验隔离器做深层次的无菌检查。
4.每半年进行隔离器的彻底清洁,拆卸所有可拆卸的部件,使用专门的清洗工具进行清洗消毒。
3. 保养规程3.1 每日维护1.每天都要对隔离器进行仔细的检查,查看灯光亮着是否正常,查看送风口是否有异物,检查其它各个部件是否正常运转。
2.每天都要对气流口纸带是否交叉,交叉口是否磨损是否正常使用进行观察。
3.每天晚上外部电源关闭前彻底清洁隔离器表面。
3.2 定期保养1.隔离器内部有多个过滤器,按照对应的保养周期更换,每6个月进行一次。
可以请厂家或专业人员提供服务。
2.隔离器使用一段时间后,需要人工打蜡,可以使用蜡布的方式,涂抹外观部分。
3.隔离器的电路功能部件也需要定期进行检修保养,由生产厂家专业人员负责。
无菌检测隔离器安全操作及保养规程一、前言无菌检测隔离器是实验室中常用的设备之一,广泛应用于微生物学、细胞学等领域。
如何正确操作和保养无菌检测隔离器,对于实验结果的准确性和实验人员的安全保障都有至关重要的影响。
因此,为了确保实验过程中的安全和稳定性,我们制定了该操作及保养规程。
二、安全操作2.1 准备工作在使用无菌检测隔离器前,应先对隔离器进行检查,确保其内外干净、无异味、无明显损坏或泄漏点,检查前端灯光是否正常,操作门是否正常。
若存在以上情况,应停止使用。
准备完毕后,将操作台面消毒处理,放置工具和实验物品,穿戴好实验用具,正确佩戴口罩和手套,以保证实验操作过程的无菌性。
2.2 操作流程打开前端门,并通过 UV 灯照射 30 分钟左右,使空气流通,杀灭空气中的微生物。
然后将实验物品放入操作区,并注意常规消毒措施。
实验进行过程中,应避免操作区的污染,特别是手套与物品表面的接触,应尽可能避免。
操作完毕后,可通过将前端门再次关闭,并在隔离器内开启紫外线灯照射 30 分钟或以上,杀灭操作区内可能残留的微生物。
最后,关闭隔离器并清洗操作台、工具和操作区表面,定期检查隔离器的过滤器和紫外线灯,确认是否需要更换。
2.3 注意事项在使用无菌检测隔离器过程中,需要注意以下事项:•严格遵循操作规程,避免出现污染情况;•操作时注意防止气压坍塌导致气流逆流;•避免在隔离器内操作化学试剂等有腐蚀性、易燃性的物品;•注意隔离器内有害气体的排放和防护;•避免在操作过程中产生过多灰尘。
三、保养规程3.1 日常保养隔离器保养应该按照日常保养和常规保养两种方式。
日常保养包括隔离器的清洗和消毒,直接用干净的毛巾或纸巾将操作区表面的污垢擦拭干净,再用 75% 酒精消毒,注意不要在紫外线灯下消毒。
对于易污染的实验或者对卫生要求比较高的实验,建议每次实验完毕后都进行清洗和消毒处理。
3.2 常规保养常规保养包括过滤器的更换和紫外线灯的更换,一般建议每 6 个月对过滤器进行更换,或者可以根据使用情况来确定更换时间。
无菌检查隔离器高配安全操作规定综述隔离器是用于对各种微生物和病原菌进行隔离和培养的专门设备,它在各种实验、研究中都是不可或缺的。
无菌检查隔离器是隔离器的一种,它采用一定的技术手段可以有效地防止细菌、病毒等微小颗粒进入外部环境。
在使用无菌检查隔离器时,为了提高工作安全性和隔离效果,必须合理操作,并且在操作中严格按照高配操作规定。
本文旨在为使用无菌检查隔离器的从业人员提供高配操作规定,以确保操作的安全性和高效性。
操作要求1.操作人员必须严格遵守对隔离器使用的规定2.操作人员必须熟悉设备的结构、操作方法和维护要求3.操作人员必须充分了解各种被隔离的微生物、病原菌的性质,并遵循安全操作要求4.操作人员必须在进入隔离器前穿戴全身防护服、手套、口罩和鞋套等防护用品,并按要求做好清洁消毒5.操作人员必须全程佩戴专业的眼镜或面屏,以保护眼睛6.操作人员必须严格执行实验前和实验后清洁消毒要求,并及时处理生化垃圾和废液废料操作步骤步骤一:准备工作1.操作人员进行准备工作前,必须认真了解各种检查设备的特点和使用方法,并按照使用要求进行相应的准备和消毒2.操作人员必须佩戴全身防护服、手套、口罩和鞋套等防护用品,并按要求做好清洁消毒步骤二:操作设备1.操作人员需要在硬表面上使用清洁消毒的棉球和酒精把被测物料表面的可能污染源进行清洁消毒2.抽取被检测物料的一份能够转移到培养基上并且能够进行判断的样品,然后将其放入无菌检查隔离器中3.根据实际情况选择相应的检测培养基,而后加入到培养皿中。
然后将盖子盖上,进行翻转培养。
4.等到培养皿出现不同类型的结构,而且生长明显的时候,接下来的操作步骤都需要在无菌检查隔离器中进行5.用无菌吸管将不同结构的菌种转移到新的培养皿中,增加菌种复现的成功率步骤三:操作过程中注意事项1.操作过程中,必须用100%的酒精对皿盖进行消毒,并且在暴露之后完全干燥后,才能进行下一步的操作2.操作过程中,必须时刻保持对培养皿盖的消毒和严密封闭,以消除外界病毒的感染。
无菌隔离器安全操作及保养规程概述无菌隔离器是一种专门用于生物实验的装置,可在一定程度上保证实验过程中的无菌性和安全性。
本规程主要介绍无菌隔离器的安全操作和保养方法,以确保使用者和周围环境的安全。
安全操作方法前置准备在使用无菌隔离器前,需要进行以下准备工作: 1. 穿戴合适的实验服和手套; 2. 准备所需的实验物品并将其放到隔离器内; 3. 将无菌隔离器内部用70%的酒精进行清洗。
操作流程1.打开无菌隔离器,将实验物品放入,注意避免过度挤压和妨碍排气;2.进入隔离器前,先进行卫生手消毒,并将手臂放入到手臂套口内;3.启动隔离器排气,放入所需实验物品并平整分配;4.实验结束后,关闭无菌隔离器的门,待隔离器排气完成后再打开隔离器。
注意事项1.在操作过程中,避免将手臂伸入隔离器的超出手臂末端套口的范围内,以免破坏无菌环境和危害健康。
2.在关闭隔离器门后,必须等待隔离器排气完毕后再打开隔离器,否则可能导致气流逆流而影响无菌性能。
保养方法日常保养1.每日使用后,要对无菌隔离器内部进行70%酒精或过氧化氢的消毒,以减少污染;2.对无菌隔离器的外表面进行清洁,但不得使用腐蚀性或有机溶剂;3.定期更换隔离器的过滤器,以确保过滤效果。
定期检测1.对无菌隔离器的灯管、UV灯管、过滤器和气密性进行定期检查并更换;2.对无菌隔离器的温度、湿度、气压等参数进行定期检查以保证实验环境的稳定和无菌性能。
总结正确认识和操作无菌隔离器,能够保证实验的无菌性和安全性,同时合理保养无菌隔离器,能够延长其使用寿命和提高其稳定性。
以上介绍的无菌隔离器操作和保养规程,将有助于提高实验者的工作效率和实验质量,同时也可以减轻工作压力。
使用说明书U-YAP602S-LCCN1 1性能简介输入电流或电压信号,经过变换,输出隔离的电流或电压信号,实现了输入、输出与电源之间的三端隔离,可以给现场的变送器提供隔离的工作电源。
本产品响应快,功耗低,温度特性好。
可与各类仪表及DCS,PLC等设备配套使用,在石油、石化、制造、电力、冶金等行业的重大工程中有着广泛应用。
2技术参数输入信号(1,2,3):电流:0(4)mA~20mA;0mA~10mA电压:0(1)V~5V;0V~10V如需其它信号类型请订制,具体信号类型详见产品标签输入阻抗:电流:≤60Ω电压:≥1MΩ输出信号(7,8,9;10,11,12):无源电流:4mA~20mA有源电流:0(4)mA~20mA;0mA~10mA直流电压:0(1)V~5V;0V~10V如需其它信号类型请订制,具体信号类型详见产品标签输出纹波:≤5mV rms(负载250Ω)负载能力:无源电流:RL≤[(U-3)/0.02]Ω;U为回路供电电压0(4)mA~20mA:≤550Ω;0mA~10mA: ≤1.1kΩ0(1)V~5V:≥1MΩ; 0V~10V:≥2MΩ配电电压:空载电压≤26V,满载电压≥22V隔离传输准确度:±0.1%F.S(25℃±2℃)温度漂移:40ppm/℃响应时间:≤0.5s介电强度(漏电流1mA,测试时间1分钟):≥1500V AC(输入/输出/电源之间)电磁兼容:EMC符合IEC 61326-3-1满载功耗:220V AC供电,空载功耗≤0.8W220V AC供电,满载功耗≤2.5W供电电压范围:85V AC~265V AC(90V DC~360V DC)3输出状态跟随方式:在用户不特别指明的情况下,无论输入信号出现何种故障状态(4~20mA或1~5V 输入断线或短路除外,此时输出0mA/ V),在满量程范围内输出均跟随输入信号变化,但最大不超出输出量程上限的110% (如0~20mA输出时,最小输出可为0mA,最大不超过22mA)。
隔离器无菌隔离器安全操作及保养规程前言隔离器、无菌隔离器是生物实验室中必不可少的设备,其功能是利用高效的过滤系统和生物防护措施,将试验物与环境隔离开来,从而保证实验的安全性和精确度。
隔离器和无菌隔离器都具有高效的过滤系统,但是因为其使用环境和功能的不同,其安全操作和保养规程也有所差异。
本文将会详细介绍隔离器和无菌隔离器的安全操作和保养规程。
隔离器安全操作环境准备隔离器一般用于存放和处理细菌、病毒等微生物,因此其使用环境需要保持干净、无菌。
在使用前应当做好以下环境准备工作:1.实验台、地面需要清洁,不留下灰尘,细菌等杂质。
2.空气洁净度应当达到100级洁净度。
3.操作前需要进行手部消毒。
操作步骤1.将启动按钮调到“开启”状态。
2.打开操作门,将试验材料放入隔离器中。
3.关好操作门,观察控制面板上的压力指示,如果压力指示为负数,说明隔离器的空气进出口处于关闭状态,此时可以继续以下操作,否则需要检查进出口是否关闭正常。
4.打开UV灯,进行消毒。
5.完成实验后,关闭UV灯,等待5分钟后关闭操作门。
6.将启动按钮调到“关闭”状态,关闭隔离器。
注意事项1.操作员应当定期检查隔离器的压力变化情况,有需要及时更换过滤器。
2.操作者必须穿着干净的实验服,并戴好手套和口罩。
3.操作者进入隔离器前,需进行手部消毒,并严格按照操作规程完成实验。
隔离器的保养日常保养1.隔离器内部应定期进行清洗,最好每周进行一次。
2.清洗方法为用75%酒精棉球擦拭,注意不要使用过多的液体,特别是在电子元器件处。
3.定期检查过滤器的使用寿命,如有必要及时更换。
4.定期检查设备的电气部分,清除杂质和灰尘。
定期保养1.设备定期送维保养。
2.定期更换过滤器。
3.进行设备整体清洁。
无菌隔离器安全操作环境准备无菌隔离器一般用于进行细胞培养、微生物分离等操作,因此其使用环境需要更加严格,需要保持绝对的无菌状态。
在使用前应当做好以下环境准备工作:1.实验台、地面需要清洁,并消毒。
隔离器安全操作及保养规程前言隔离器是电力传输和分配系统中的一种重要设备,用于隔离电力设备以确保安全操作。
本文将介绍隔离器的操作方法以及保养规程,以确保使用者的安全和设备的正常运行。
隔离器使用前的准备工作在使用隔离器之前,应进行以下做法:1.确认隔离器的接地情况并安装好接地线。
2.检查隔离器的外部清洁情况,并清除污垢。
3.检查隔离器的操作机构和防护罩是否处于正常状态。
4.检查隔离器上是否有附着物,并清除。
隔离器的操作方法隔离器的操作需要遵循以下方法:1.操作前需确认接地状态,确保设备和人员安全。
2.进行操作前,需要先通过观察隔离器上的指示灯或指示器确认是否为操作状态。
3.操作时,应按照标准程序进行:如使用手柄、开关等操作设备。
4.操作过程中,要注意监控设备是否正常运行。
如发现异常,应及时停止操作并进行检查、处理。
5.操作结束后,应确保设备处于安全状态。
隔离器的保养规程隔离器是一种需要经常保养的设备,以下是几种典型的保养方式:外表清洗及防锈处理定期对隔离器外部进行清洗和防锈处理。
首先清洗外表面的污垢和标识,然后用干布擦拭干净,最后喷涂防锈剂。
防尘隔离器处于户外环境中,会沉积尘土和雨水等,影响正常使用,因此需要覆盖防尘罩。
如果不使用时,应及时封闭操作机构,以避免机构积尘。
接地系统维护接地系统是隔离器的基本安全功能,应定期检查接地线是否通畅,接地环是否接触良好,防止因接地不良引起的安全事故。
机构维护隔离器的机构需要定期检查,如保证手柄、开关、防护罩等部位的完整,机械部分的铁轨和轮子应定期涂上润滑油,防止生锈。
操作训练对于操作隔离器的人员来说,需要进行相应的操作训练,以确保操作的正确性和有效性,并且可以避免操作过程中不必要的伤害或事故。
总结在使用和保养隔离器时,需要掌握基本技能和知识,必须严格遵循操作规程和保养规程,以确保设备运行的安全可靠。
隔离器的保养除了可以延长设备寿命,还可以保证电力传输和分配的质量和稳定性。
使用方法(图):空气隔离器
第一步,将空气隔离器和充气接头连接起来,然后用护套将其护住;“咔”一声后即为连接成功。
见图1
第二步,将其放到炮孔中的预定位置;见图2、3
第三步,通过压力表的控制,向空气间隔器中充入一定的气压(一般为0.07-0.15Mpa),使隔离器完全膨胀于孔壁;见图4
第四步,压力达到后,稍微用力拉一下和空气间隔器相连的气管,将其和充气接头分离;见图5
第五步,对炮孔进行装药、填塞、爆破等作业。
用方法:多元气体隔离器
第一步,将间隔器上方的悬挂签挂于牵引管的挂钩上,在牵引管上确定投放深度米数;见图1
第二步,根据现场炮孔的情况,选择放气速度,确定之后,再将开关推至选定速度的刻痕上,后迅速将间隔器投入到炮孔中,让深度标志与炮孔口持平,并快速地将间隔器投放到炮孔中的预定位置;见图2、3
第三步,间隔器放气并迅速膨胀直至完全撑于孔壁;见图4
第四步,用力拽一下牵引管,挂钩会将悬挂签扯破,将牵引管提上来即可;见图5
第五步,对炮孔进行装药、填塞、爆破等作业。
见图6。
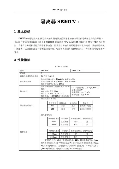
隔离器SB301SB30177/□1基本说明SB3017/□双通道开关量/接近开关输入隔离器支持两通道的触点开关信号或接近开关信号输入。
分标准的双通道继电器触点输出型SB3017R和双通道NPN晶体管OC门输出型SB3017/OC两种类型,均带有信号反相功能及线路报警功能。
隔离器信号输入端经过施密特电路处理,具有很强的抗干扰能力。
隔离器顶部带有电源供电指示灯、输出状态指示灯及报警指示灯,并带有信号反相拨码开关。
2性能指标表2-1性能指标型号SB3017/R SB3017/OC通道数2现场传感器侧供电电压9V通过1kΩ电阻信号输入特性传感器回路电流>2.1mA时,输出触点闭合传感器回路电流<1.2mA时,输出触点断开施密特电路滞后作用:200μA输出特性继电器输出参数:两路继电器(常开触点)响应时间:优于10ms驱动能力:10W,0.5A,35V触点寿命:10,000,000次(最大负载)OC门输出参数:工作电流35mA,工作电压35V频率范围:(0~5)kHz响应时间:优于0.2ms输出状态指示灯输出状态反相功能拨码开关反相功能输出状态指示灯ON开启相反回路断开时亮OFF关闭正常回路闭合时亮报警功能输入报警功能回路输入电阻信号输入报警输出触点报警指示灯<100Ω短路报警闭合亮>360Ω短路消警断开灭回路输入电流信号输入报警输出触点报警指示灯<100μA开路报警闭合亮>250μA开路消警断开灭报警信号特性:最大可承受断路电压:28V;最大断路漏电流:5μA;最大闭合状态压降:[0.4*电流值(mA)]V;最大可流过闭合状态电流:50mA。
*欲启用该报警功能,需对现场开关执行如下电阻匹配:对现场开关串联(500~1k)Ω的电阻;对现场开关并联(20~25)kΩ的电阻。
供电电源电压:(20~35)VDC电流:67mA(20V供电时)60mA(24V供电时)41mA(35V供电时)功率:1.44W(最大)电压(20~35)VDC电流:53mA(20V供电时)44mA(24V供电时)32mA(35V供电时)功率:1.2W(最大)隔离电压现场端与控制室端隔离电压250V AC/DC适用的现场设备适合NAMUR和DIN19234标准接近开关如Baumer:1FR08.82.05等*国产接近开关系列可根据其开关阀值和施密特电路滞后作用大小定制。
GST-LD-8313A隔离器安装使用说明书(Ver.1.03,2020.03)一、概述GST-LD-8313A隔离器(以下简称隔离器),主要用于隔离总线上发生短路的部分,保证总线上的其它设备正常工作。
待故障修复后,总线隔离器可将被隔离出去的部分重新纳入系统。
并且,使用隔离器便于确定总线发生短路的位置。
二、特点1.采用32位ARM微处理器实现信号处理,用数字信号与控制器进行通信,工作稳定可靠,对电磁干扰有良好的抑制能力;2.总线短路故障排除后,可将被隔离出去的部分重新纳入系统;3.输入、输出信号无极性;4.隔离器端口采用电压检测,产品性能更可靠;5.小型化设计,新型插拔式卡接结构,安装、拆卸简单方便,适合模块箱等多种安装方式。
三、技术特性1.工作电压:总线24V 允许范围:16V~28V2.工作电流:待机电流≤0.34mA 动作电流≤2.00mA;3.负载能力:每个隔离器后最多可配接32个设备;4.指示灯:动作指示灯,黄色,正常监视状态闪亮,线路故障时常亮;5.使用环境:温度:-10℃~+55℃相对湿度≤95%,不凝露6.外形尺寸:86mm×50mm×31mm ;7.外壳防护等级:IP30;8.壳体材料和颜色:ABS,白色;9.重量:约59g(带底壳);四、结构特征与工作原理1.隔离器的外形示意图如图1所示。
图1 外形示意图2.工作原理当隔离器检测到短路故障时,在短路部分上串入电阻;当隔离器检测到短路恢复后去掉电阻,并将被隔离部分重新纳入系统。
五、安装与布线警告:安装设备之前,请切断回路的电源并确认导轨已安装牢靠。
1.安装前应首先检查外壳是否完好无损,标识是否齐全。
2.模块端子及安装示意图如图2所示。
安装孔安装孔图2 端子及安装示意图接线说明如下:Z1、Z2:输入信号总线,无极性;ZO1、ZO2:输出信号总线,无极性。
3.布线要求:选用截面积不小于1.0mm2的RVS双绞线。
隔离器系统安全操作及保养规程前言隔离器是一种专门用于隔离电气电路的设备,它可以有效地保护人身财产安全。
在使用隔离器的时候,必须按照操作规程进行,以确保使用的安全性和可靠性。
为了保障使用隔离器的安全和可靠性,本文提出了隔离器系统的安全操作和保养规程。
安全操作1. 隔离器的安装在进行隔离器的安装前,应该根据设备的有关要求和技术规范,充分了解现场情况,并着重考虑安装的地点、环境、可靠性等因素,遵循以下相关要求:•安装位置应满足隔离器的使用要求,并进行鉴定认定;•隔离器的安装应在设备停电并进行接地的情况下进行;•对于有特殊要求的场合,应根据项目要求或相关规范要求进行特殊设计。
2. 隔离器的操作在进行隔离器的操作时,应严格按照操作规程进行,遵守以下要求:•操作隔离器前应先切断电源,并进行接地;•操作人员应进行安全保护,穿戴工作服并佩戴相关安全用品;•操作人员应正确使用隔离器进行相应操作,严禁擅自更改、拆卸、修改或能源化开关;•操作人员应确保操作环境整洁、安全,以避免走火和短路等事故。
3. 隔离器的故障处理在隔离器发生故障时,应及时进行排查处理,遵循以下要求:•首先应切断电源,进行接地;•初步判断是故障是隔离器本身的问题还是外部电源故障,判断后对症下药;•如需排除故障,需由专业技术人员进行检修和维修,遵循规程进行,维修前必须将电源切断。
保养规程1. 定期检查隔离器系统必须定期检查,包括外部表面、接线端子、机构连杆、断口部位及合闸机构等。
具体检查要求如下:•外部表面:检查表面是否有变形、破损、划痕、裂纹、严重腐蚀等现象;•接线端子:动作过多次的接线端子是否松动、损坏,表面是否有氧化、腐蚀等现象;•机构连杆:检查是否变形、扭曲、断裂等现象;•断口部位:若隔离器内部有隔离片,应检查隔离片是否发生变形、翘曲等现象;•合闸机构:检查合闸机构的状态是否正确,如各机构的线性、间隙、磨损等是否符合规范。
2. 清洁维护隔离器表面应该保持清洁,防止在使用过程中渐渐积聚灰尘而影响其正常使用。
c级背景下的无菌隔离器描述方法C级背景下的无菌隔离器描述方法无菌隔离器是一种专门用于实验室工作的设备,可以提供一个无菌的工作环境,以防止实验样品受到外界污染。
本文将详细描述C级背景下的无菌隔离器的使用方法。
一、无菌隔离器的结构和工作原理无菌隔离器由一个密闭的箱体构成,箱体内部设置有过滤器和风机。
过滤器能够过滤掉空气中的微生物和颗粒物,保证内部环境的洁净度。
风机则通过循环将空气从过滤器吸入,形成一个恒定的无菌环境。
二、准备工作在使用无菌隔离器之前,需要进行一些必要的准备工作。
首先,要确保无菌隔离器的电源正常并连接好。
其次,需要对无菌隔离器进行清洁和消毒,以确保内部环境的洁净度。
最后,准备好所需的实验器具和试剂,并放置在无菌工作台上。
三、操作步骤1. 打开无菌隔离器的门,将待处理的样品放置在工作台上。
注意,要确保样品表面无明显的污染物。
2. 关闭无菌隔离器的门,并打开风机开关。
此时,风机将开始工作,并将外界空气过滤后送入无菌隔离器内部。
3. 等待一段时间,让无菌隔离器内部的空气充分循环,形成一个无菌的工作环境。
可以根据需要调整风机的运行时间。
4. 在无菌环境下进行实验操作。
在操作过程中,要注意避免将手或实验器具靠近无菌隔离器的出风口,以防止外界空气进入隔离器内部。
5. 实验操作完成后,关闭风机开关,并等待一段时间,让无菌隔离器内部的空气重新循环,确保无菌环境的恢复。
6. 打开无菌隔离器的门,取出实验样品,并进行下一步的处理。
四、注意事项1. 在操作过程中,要尽量减少对无菌隔离器内部环境的干扰。
避免频繁开关门和触摸无菌隔离器内部的物品,以防止引入外界的污染物。
2. 需要定期对无菌隔离器进行清洁和消毒,以保证其内部环境的洁净度。
3. 在进行实验操作时,要注意避免产生气溶胶,以防止微生物通过空气传播。
4. 如果需要在无菌隔离器内进行长时间的操作,可以考虑使用无菌手套,以避免手部的污染。
五、使用场景C级背景下的无菌隔离器主要用于生物实验室中的微生物培养、细胞培养、药物制剂等操作。
无菌灌装隔离器安全操作规定隔离器是无菌灌装生产线常用的设备之一,其作用是将灌装的药液隔离开来,以保证药品质量与安全性。
然而,隔离器的操作过程中却存在着一定的风险。
为了确保操作人员的安全和生产效率,制定本文档,明确无菌灌装隔离器的正确操作规范。
一、操作前的准备1. 确认隔离器的状态在使用隔离器之前,首先要确认隔离器的状态是否正常。
检查隔离器的内、外部结构,验证设备是否有划痕、裂纹或损坏等问题。
检测好隔离器的状态后,清洁操作区域,确保操作环境干净整洁,准备所需要的药品和器材。
2. 穿戴个人防护器材操作隔离器时,操作员需严格按要求穿戴个人防护器材。
个人防护器材包括手套、口罩、隔离袍、防护眼镜和帽子等。
穿戴器材应保证严密、无损和清洁,以确保操作人员的安全。
二、操作中的注意事项1. 操作应规范、稳定在进行隔离器操作之前,要熟悉隔离器的结构和性能,了解操作的每个环节并熟记操作步骤。
操作过程中保持稳定,动作应轻缓、均匀、协调,避免操作不规范、粗暴或突然。
2. 操作过程中保持注意力在操作隔离器的过程中,操作人员应注意力集中,时刻关注关键环节,保持沉着冷静。
发现异常现象时,应立即停止操作,及时处置并报告相关负责人。
3. 防止交叉污染操作隔离器时,操作人员应注意防止交叉污染的发生。
在每次操作之前,应对隔离器进行清洁消毒,并清洁操作区域。
当进行不同的产品灌装作业时,应更换隔离器。
4. 确保药品质量安全操作隔离器时,应严格按照药品灌装标准操作,保证药品质量与安全。
灌装药品时一定要注意灌装数量、灌装速度和灌装压力的控制,确保药品的纯度和一致性。
5. 废弃物处理在操作完成后, 应将残余药品和废弃物妥善处理。
废弃物处理应符合相关标准,确保环境不受污染。
同时,废弃物的处理也应分类进行,确保废弃物的回收和利用。
三、操作后的清洁消毒操作隔离器之后,必须对隔离器和操作区域进行清洁消毒。
在实施清洁消毒之前,应先清除隔离器内的药液残留。
信号隔离器系列安全操作及保养规程一、产品概述信号隔离器是一种电子设备,用于隔离和放大输入信号,并输出符合标准的隔离信号。
本文档所述的信号隔离器包括模拟信号隔离器和数字信号隔离器。
二、安全操作规程1、使用前的准备在使用信号隔离器前,请务必认真阅读本文档,并按照以下步骤进行准备:•确认所需的电源电压和功率;•确认信号隔离器的输入和输出端口,注意不要接反;•确认周围的环境是否安全。
2、使用中的注意事项•本产品应在符合标准的工作电压下使用,不得超负荷使用;•严禁将信号隔离器的输入信号接到高压电源或高电流线路上,在使用前应检查信号隔离器的绝缘性能;•绝对禁止任何形式的改动、修理和拆卸信号隔离器;•使用中若发现异常情况,应立即停止使用,进行检查或者咨询厂家。
3、维护保养•在使用前应检查信号隔离器的各部件是否正常,保证各部件没有松动、磨损、风化等缺陷;•信号隔离器内部具有高精度和高灵敏度的元件,保持内部清洁和干燥十分重要;•不要在信号隔离器上堆放或放置其他物品,保持通风和散热的状态;•信号隔离器需要定期检查和维护保养,建议每年对设备进行一次全面的检修。
三、处理故障1、故障现象•输入信号丢失或出现异常;•输出信号没有反应或输出异常;•信号隔离器本身发出异常的声音。
2、处理方法•首先检查输入和输出端口是否接反或者接错,调整后重新测试;•如果仍出现故障,可以尝试更替输入信号源或检查信号源的电缆或连接器;•如果以上方法均无法解决问题,建议拆卸信号隔离器进行检查或者咨询专业人士。
四、注意事项1、安全防范使用信号隔离器时,请注意以下安全事项:•请勿打开信号隔离器盖板,不懂维修的用户请勿自行拆卸;•请勿接触信号隔离器的内部元器件,以免发生触电事故;•请勿将信号隔离器安装在湿度较大或者通风不良的地方。
•如需使用外部电源,请务必使用正规的产品。
2、保养要点•请勿在信号隔离器表面擦拭任何化学药品;•请勿在信号隔离器上重压或敲打;•请勿将信号隔离器暴露在阳光下或者长时间在高温环境下使用。
杭州大宇电瓶隔离器使用说明书
主要功能:
隔离:有效隔离主、付电瓶,防止两个电池因内阻不同产生内耗,延长电瓶寿命。
保护:启动时有效控制压降给电器带来的伤害。
主电瓶电量不足时借电启动车辆。
控制:自动检测电压,控制实施保护功能,同时监控分配主、副电瓶充电。
检测安装:
安装前,请先将副电瓶负极接车身(搭铁),并将副电瓶正极与主电瓶正极连接(即直接并联),确认线路无异常后,将隔离器主电池连接线(粗线红色接头1),接在主电瓶的正极。
将隔离器接地线(黑色细线4)接主电瓶负极或搭铁。
此时,隔离器红色电源指示灯亮,表示隔离器供电正常;将隔离器信号线(红色细线3)“试!搭接在主电瓶的正级,此时绿色信号灯亮,断开搭接绿灯即熄灭,表示隔离器系统正常。
而后,将隔离器信号线(红色细线3)接到点火开关AC线上(此线点火开关开启时有电,关闭时无电),将隔离器副电池连接线(粗线黄色接头2)接至副电瓶正极。
安装后,隔离器红色电源指示灯是常亮的。
发动车辆测量付电瓶电压
值约14V左右。
否则,请检查发电机工作电压是否偏低。
友情提示:
本品有防水功能,但请勿泡水。
主、付电瓶容量分别在100AH之内。
隔离器上的“预留备用”开关为特殊定义开关,您的产品此开关可能装饰开关,请勿动。
当你觉隔离器有故障或主电瓶性能不好,严重缺电时:
a、请设法发动车辆并检查主电池电压(发动时电压必须高13.5V,否则请检修电路)。
b、折除隔离器地线,重新装上。
主电瓶缺电低与7V时,隔离器有可能不工作。
隔离器使用
生产过程监视和控制中要用到多种自动化仪表、计算机及相应执行机构,过程中的信号既有微弱到毫伏级的小信号,又有数十伏的大信号,而且还有高达数千伏、数百安培的信号要处理。
从频率上讲,有直流低频范围的,也有高频/脉冲尖峰。
设备、仪表间互扰成为系统调试中必须要解决的问题。
除了电磁屏蔽之外,解决各种设备、仪表的“地”,也即信号参考点的电位差,将成为重要课题。
因为不同设备、仪表的信号要互传互送,那就存在信号参考点问题。
换句话说,要使信号完整传送,理想化的情况是所有设备、仪表中的信号有一个共同的参考点,也即共有一个“地”。
进一步讲,所有设备、仪表的信号的参考点之间电位为“零”。
但是在实际环境中,这一点几乎是不可及的,这里面除了各个设备、仪表“地”之间连线电阻产生的电压降之外,尚有各种设备、仪表在不同环境受到干扰不同,以及导线接点经受风吹雨淋,导致接点质量下降等诸多因素。
致使各个“地”之间有差别。
两个现场设备仪表(1#,2#)向PLC传送信号以及PLC向两台现场设备仪表发出信号。
假定传送的均为0-10VDC信号。
理想情况,PLC及两个现场设备“地”电位完全相等。
传送过程中又没有干扰,这样从PLC 输入来看,接收正确。
但正如前所述,两个现场设备通常有“地”电位差,举例来讲,1#设备“地”与PLC“地”同电位,2#设备比它们的“地”电位高0.1V,这样1#设备给PLC的信号为0-10V,而2#设备给PLC的为0.1V-10.1V,误差就产生了,同时1#,2#设备的“地”线在PLC汇合联接。
将0.1V电压施加在PLC地线条上,有可能损坏PLC局部“地”线,同时在显示错误数据,由此引起的问题在现场调试中屡有出现。
例如某大型建材公司的生产线调试中,使用美国AB-PLC接国内某厂家手操器。
AB-PLC的数据采集板有每八个通道,八个通道共用一个12位A/D,经过变换后,由12个光耦实现与主机隔离。
它的八个通道输入之间并没有隔离,致使八个通道输入信号每个单独接入采集板均正常,接入两个或多于两个外部信号时,显示数字乱跳,故障无法排除。
又如航天某部门测试发动机各点温度,使用K型偶作为传感器,同上述相似,仅测试一点一切正常,但是向主机接入两点或两点以上温度时,显示的温度明显错误。
这两种情况在接入隔离器后,均正常。
隔离器之所以能起到这个作用,就是它具有使输入/输出在电气上完全隔离的特点。
换句话讲,输入/输出之间没有共同“地”,外来信号不管是0-10V,或带着+10V干扰的10V-20V经隔离后均为0-10V,也即隔离后新建立的PLC“地”与外部设备、仪表“地”没关系。
正是由于这个原因,也实现输入到PLC主机的多个外接设备仪表信号之间隔离,也即它们之间没有“地”的关系。
上面谈了输入到PLC信号的隔离,同样在PLC向外部信号设备传出信号也有类似现象问题。
显然采用隔离器亦能达到解决问题的目的。
谈到PLC向外部设备、仪表发送信号,有一种情况经常遇到:要求PLC的输出即能给显示仪表,又能传送给变频器一类的设备。
欲彻底解决干扰问题,推荐使用隔离式信号分配器。
这种隔离器即实现PLC输出信号与外设隔离,同时实现外设之间隔离。
有时现场仪表在配套时,由于协调不利,产生了如
下情况,接收信号设备(例如接收4-20mA)接口连接为两线制方式,也即接收口为一个24V电源与一个250Ω相串联.接口两根线:一个为24V正极,一个为250Ω一端,适于连接现场两线制变送器。
假如现场设备为四线制变送器,输出4-20mA。
这样进行直接连接将造成电源冲突。
解决方法是采用隔离器将现场来的4-20mA接收并隔离,在隔离器的输出部份接入一个标准的两线制变送器,以应对接收设备的接口,隔离器要保证输入/输出两个部分隔离,外加工作电源24V在为输入、输出部份供电同时,必须确保在电气上与两个部分隔离。
这种输入/输出/外加工作电源之间全部相互隔离的器件常称为三隔离或全隔离器件. 从理论上讲这种供电方式,不管隔离器数量多少,均可用一台24V电源供电,不会产生干扰。
如果处理4-20mA到4-20mA电流信号的隔离,这里推荐一种不用另外再加电源的隔离器WS1562(北京维盛产品)。
显然省去外接电源,使接线更简捷,且功耗低、自身热量低、可靠性高。
WS1562的最大特点在于不需要外接电源,它带来了简捷可靠的优点,但也带来了使用上的局限性.WS1562对于4-20mA信号进行的隔离传送,从另一个意义上讲是功率传送,内部的功率损耗必不可少.损耗表现在输入端和输出端电流/电压乘积的差值上。
以负载电阻RL=250Ω为例,当输出为20mA时,输出端250Ω上的电压为5.0V,而输入端的两端间电压测试为8.8V。
简单计算表明,内部损耗等于20mA×(8.8V-5.0V)=76(mW),也即内部损耗为76毫瓦.从使用者角度来看,假若输出端负载电阻RL等于250Ω,那么从输入端看进去的等效电阻最大值为8.8V/20mA=440(Ω)。
换言之,在这种情况下输入的4-20mA电流源必须具有驱动440Ω负载的能力,才能使WS1562无源隔离器在输出端负载电阻RL等于250Ω条件下正常工作。
不过,从经验来看大部分现场仪表能满足这些条件.
从隔离角度看二线制变送器(含压力、温度、流量…),分为隔离式及非隔离式。
采用隔离式二线制变送器的主要目的是提高抗干扰能力.
二线制变送器的隔离有两种方式.一种方式传感器和变送器一体而又必须放置在现场指定地点,对于这种情况一般把隔离器安置在中央控制室机柜中.对现场二线制变送器的电源配送有二种接口形式,要根据现场具体情况来定.隔离器外型采用导轨安装,接线采用接线式,这种方式亦称隔离端子,适用安装在机柜中。
在隔离端子电路前部安装进口名牌IC(集成电路)公司的专用电路,实现温度隔离变送,虽然比零件组装式(诸如用廉价OPA)成本高,但在长期性能稳定性、可靠性方面是零件组装无法比拟的。
引入优质元器件是隔离端子稳定可靠的基本保证,同时专用IC在功能上诸如长线补偿、恒流驱动、线性化性能齐备。
隔离端子设计日趋小型化,那么小型化的目的就是少占空间。
当然应该允许用户密集安装,密集安装就存在散热问题。
换句话讲,必须降低内部功耗。
现在市场出现了许多以CPU为核心的隔离端子,具有现场可编功能及通信功能,有很高的灵活性,对顾客来讲可以减少库存数量,降低资金积压。
以CPU为核心的隔离端子必定将成为这一领域主流.。