上海海事大学金工实习报告答案(完整版)
- 格式:docx
- 大小:28.89 KB
- 文档页数:6
金工实习报告习题答案〔共4篇〕第1篇:金工实习习题及答案装拆铣刀时要注意ABC A、拆装立铣刀时,台面须垫木板B、拆装铣刀时制止用手去托刀盘C、拆装平铣刀,使用扳手扳螺母时,要注意扳手开口选用适当,用力不可过猛,防止滑倒D、装夹铣刀时必须使用锤子敲击扳手,以确保铣刀装夹稳固,安装的砂轮空转时间是 BD A、直径≥400mm 空运转时间小于5minB、直径≥400mm 空运转时间大于5minC、直径<400mm 空运转时间大于2minD、直径<400mm 空运转时间大于2min 下面正确的行为是ABCD A、磨削前必须仔细检查工件是否装夹正确、紧固是否牢靠B、磁性吸盘是否失灵C、用磁性吸盘吸高而窄的工件时,在工件前后应放置挡铁块D、用圆周外表做工作面的砂轮不宜使用侧面进展磨削,以免砂轮破碎1.机床开启遵循以下哪些步骤〔ABC〕?;?A、接通电B、完成各轴的返回参考点操作C、再;2.数控铣削加工机床开场正常运行后,可以(A)A;B、可以翻开防护门观察;C、两种皆可;3.数控铣削加工在加工前数控程序需要(A)A、经;B、不需要经过老师检查也可以;C、对数控机床没有影响;4.数控铣削加工开机后必须首先完成(A)A、各轴;B、各个光滑点的检查工作;1.机床开启遵循以下哪些步骤〔ABC〕 ? ? ? A、接通电B、完成各轴的返回参考点操作C、再进入其他运行方式,以确保各轴坐标的正确性2.数控铣削加工机床开场正常运行后,可以(A) A、隔着防护门玻璃观察加工情况B、可以翻开防护门观察C、两种皆可3.数控铣削加工在加工前数控程序需要(A) A、经过严格检查方可进展操作运行B、不需要经过老师检查也可以C、对数控机床没有影响4.数控铣削加工开机后必须首先完成(A) A、各轴的返回参考点操作 B、各个光滑点的检查工作 C、数控程序的输入D、没有特殊要求5.更换数控铣床刀具时〔AC〕 A、要严格确保主轴内部清洁 B、为确保刀具安装稳固,安装时应有木榔头敲击刀具 C、如机床使用直角铣头,必须确保直角铣头内无杂物,严格把关直角铣头的精度调整D、换下的刀具放在工作台上以方便随时取用 6.激光加工机床设备,在安装工件时应(A) A、关闭激光发射器开关 B、翻开激光发射器开关C、翻开,关闭激光发射器开关均可7.在未弄清某一材料是否能用激光照射或加热前,应该(AC) A、不要对其加工,防止产生烟雾和蒸汽的潜在风险 B、可以尝试对其加工 C、经指导老师同意后才能加工 D、无所谓8.操作激光加工设备时,的是(ACD) A、不要用手指触摸光学镜片 B、可以用抹布擦拭镜片C、不要把手或身体其他部位放进光束途径处D、不要按下“手动出光”按钮以下行为正确的选项是ABCD A、加工完毕应随手关闭机床电B、加工完毕,应清扫机床及场地卫生。
《金工实习报告》答案《金工实习报告》答案金工实习报告一(铸工)成绩教师签名日期一、填写砂型铸造生产基本工艺流程图二、将砂型下列名称的编号标注在铸型装配图及带浇注系统的铸件上:1、上砂箱2、下砂箱3、上砂型4、下砂型5、型腔6、分型面7、型芯8、型芯头9、型芯座10、型芯通气孔11、通气孔12、外浇口13、直浇口14、内浇口15、横注口16、铸件三、填空1.型砂主要由原砂,粘结剂,附加物和水等组成,它应具备①强度,②通气性,③可塑性,④退让性,⑤耐火性等基本性能。
2.砂芯的主要作用是形成铸件孔洞凹档或造型时难以置出的部分3.三箱造型的特点是铸型由上而下三个砂箱,中箱要求与铸件两个分型面的间距相等操作繁琐需整理砂箱。
它只适用于具有两个分型面的铸件,单件,小批量手工制造生产条件。
四、试说明采用下列工艺措施,对型砂性能及铸件质量的影响1.在型砂中加锯木屑并将砂型烘干,能提高透气性,与有关的铸件相碰,提高退让性。
2.在型腔壁上涂石墨涂料,能提高耐火性,并能避免铸件表面粗糙,防止铸件产生的粘砂,提高铸件表面质量。
五、简要解释下列各组名词术语。
1.型砂一种造型的材料,主要由原砂,年结剂及附加物和水配制而成。
砂型用型砂及模样等工艺装备制造的铸型。
2.分型面上型和下型的结合面。
分模:分体模型的最大截面。
3.砂芯用砂制作出的型芯叫砂芯。
芯头在模型上制出的,能安装型芯多出的部分。
4.模型铸造机器零件等的样子。
铸型利用砂粒,水,粘土和其他材料来制作供溶化的金属使用的高质量铸模。
铸件用铸造方法获得的金属物体。
六、填空浇注系统的作用是平稳迅速的注入金属液,防止溶渣等杂质进入型腔,调节铸件不同部分的温度和凝固秩序对小铸件,有时也起补缩作用,是金属液灌入铸型的通道。
典型浇注系统是由浇口杯,直浇道,横浇道,内浇道组成。
冒口的作用是用来储存金属液的空腔,有效防止铸件产生缩松和缩孔。
小型件一般不用冒口是因为小型铸件的收缩量小,浇筑系统可以满足铸件的补缩需要。
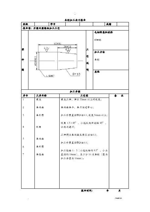
班级学号成绩报告容:外圆及圆锥面加工工艺零件图工艺说明毛坯种类和材料45#钢加工方法车削其他加工步骤序号工序名称工艺容备注1 2 3 4 5 6 7 装夹车端面车外圆倒角车端面车外圆车锥面装夹工件,伸出33mm以上的长度;车端面车平,车刀须过中心;加工外圆直径Φ28±0.1,长度30mm以上;倒角1.5×45°,小拖板向右旋转45°,分两次进刀;工件调头车端面至要求60±0.1;加工外圆直径Φ28±0.1;加工锥面1:3〔小拖板转约9.5°,小头直径约18mm〕,至少分10次车削〔因为加工余量为10mm〕。
班级学号成绩报告容:车外圆及切槽加工工艺零件图工艺说明毛坯种类和材料45#钢加工方法车削其他加工步骤序号工序名称工艺容备注1 2 34 5 6 7 装夹车端面、钻中心孔车外圆倒角切槽切断倒角夹持工件,伸出20mm以上的长度;车端面,钻中心孔,转速为675r/min〔625r/min〕;夹持工件,至少伸出53mm长度。
一夹一顶:①车削外圆至Φ25±0.1mm,长度50mm以上;②加工直径Φ16±0.1mm长度至20±0.1mm;车Φ16处的1.5×45°倒角,小拖板右旋45°,分两次进刀;沟槽加工4×2,宽4mm,深2mm,转速220r/min〔190r/min〕〔注意刀具等高,刃口与轴线平行〕;工件调头装夹在直径Φ25处,车零件总长50±0.1mm;车Φ25处1.5×45°倒角,小拖板右旋45°,分两次进刀。
月日班级学号成绩报告容:螺栓加工工艺零件图工艺说明毛坯种类和材料45#钢加工方法车削其他加工步骤序号工序名称工艺容备注1 2 34 5 6 7 装夹车端面、钻中心孔车外圆倒角车螺纹切断倒角装夹工件伸出35mm以上的长度;车端面钻中心孔,转速675r/min〔625r/min〕;一夹一顶,加工①外圆0.20.116φ++,长度为35mm,②外圆0.10.216φ--,长度为20mm;车16φ处1.5×45°倒角,小拖板右旋45°,分两次进刀;车M16螺纹,长度为20mm,转速为66 r/min〔60 r/min〕;工件调头,车总长至要求45mm,加工外圆Φ24至要求长度10mm;车24φ处1.5×45°倒角,小拖板右旋45°,分两次进刀。
一、实习单位及时间实习单位:XX科技有限公司实习时间:2021年6月1日至2021年8月31日二、实习目的本次金工实习的主要目的是通过实际操作,加深对金工基本知识和技能的理解,提高动手能力和工程实践能力。
同时,了解现代金工生产过程,培养严谨的工作态度和团队协作精神。
三、实习内容1. 实习期间,我主要参与了以下金工工艺的学习和操作:(1)金属切削加工:包括车削、铣削、刨削、磨削等基本加工方法,学习了刀具、机床、量具等的使用和保养。
(2)金属铸造:了解了砂型铸造、熔模铸造等铸造方法,掌握了铸造工艺参数的选择和铸造缺陷的防止。
(3)金属焊接:学习了氧乙炔焊接、电弧焊接等焊接方法,掌握了焊接工艺参数的调整和焊接质量的控制。
(4)金属热处理:了解了退火、正火、淬火、回火等热处理工艺,掌握了热处理参数的确定和热处理设备的使用。
2. 实习期间,我还参与了以下实践项目:(1)加工一件轴类零件:从毛坯到成品,经过车削、铣削、磨削等加工工序,掌握了轴类零件的加工工艺。
(2)制作一个焊接件:从设计图纸到焊接完成,了解了焊接件的设计、制作和检验过程。
(3)进行金属热处理实验:通过实验,掌握了不同热处理工艺对金属性能的影响。
四、实习收获1. 提高了动手能力:通过实际操作,我掌握了金工基本工艺的操作方法,提高了自己的动手能力。
2. 增强了工程实践能力:在实习过程中,我学会了将理论知识与实际操作相结合,提高了自己的工程实践能力。
3. 培养了团队协作精神:在实习过程中,我与同学们相互帮助、共同进步,培养了良好的团队协作精神。
4. 增长了知识储备:通过实习,我对金工基本知识和技能有了更深入的了解,为今后的学习和工作打下了坚实的基础。
五、实习体会1. 实习使我认识到理论知识与实际操作相结合的重要性,只有将两者相结合,才能更好地提高自己的工程实践能力。
2. 实习使我明白了严谨的工作态度和团队协作精神对于工程实践的重要性,只有具备这些素质,才能在今后的工作中取得更好的成绩。
一、选择题1. 金工实习的主要目的是什么?A. 学习金属加工的基本理论B. 掌握金属加工的基本技能C. 培养工程实践能力D. 以上都是答案:D2. 下列哪种材料不属于金属材料?A. 钢铁B. 铝合金C. 塑料D. 钛合金答案:C3. 金属切削加工中,常用的刀具材料有哪些?A. 高速钢B. 钢铁C. 铝合金D. 钛合金答案:A4. 下列哪种加工方法适用于粗加工?A. 车削B. 铣削C. 钻削D. 刨削答案:D5. 下列哪种加工方法适用于精加工?A. 车削B. 铣削C. 钻削D. 磨削答案:D二、填空题1. 金工实习主要包括______、______、______、______等实践环节。
答案:金属切削加工、金属铸造、金属焊接、金属热处理2. 金属切削加工的基本过程包括______、______、______、______。
答案:装夹工件、选择刀具、切削参数的确定、切削过程3. 铣削加工中,常用的铣刀有______、______、______等。
答案:端铣刀、立铣刀、键槽铣刀4. 焊接过程中,常用的焊接方法有______、______、______等。
答案:熔化极气体保护焊、钨极气体保护焊、等离子弧焊5. 金属热处理的基本工艺有______、______、______、______。
答案:退火、正火、淬火、回火三、简答题1. 简述金工实习的意义。
答案:金工实习是工程教育的重要组成部分,通过实习,学生可以掌握金属加工的基本理论、基本技能和工程实践能力,为今后从事工程技术工作打下坚实的基础。
2. 金属切削加工中,如何选择合适的切削参数?答案:选择合适的切削参数需要考虑以下因素:工件材料、加工要求、刀具材料、机床性能等。
具体参数的选择应根据实际情况进行调整,以达到加工质量和效率的要求。
3. 焊接过程中,如何保证焊接质量?答案:保证焊接质量需要做到以下几点:选用合适的焊接材料、正确操作焊接设备、控制焊接工艺参数、做好焊接前的准备工作、确保焊接过程中的环境条件等。
1、锻造是利用外力使金属材料产生塑性形变从而获得一定的几何尺寸和机械性能毛坯或零件的加工方法。
2、锻造的材料应具有良好的塑性和较小的变形抗力,可以进行锻压的材料有中碳钢,低合金钢,铜铝及其非铁合金,而铸铁等材料因塑性差不能进行锻压。
3、锻造时,金属加热的作用是提高塑性,降低其变形抗力,加热后可能产生的缺陷有氧化,脱碳,过热,过烧,内部裂纹等五种。
在正常加热条件下,氧化和脱碳是不可避免的,而内部裂纹和过烧是无法挽救的缺陷,而过热所造成的粗晶粒组织,可用增加锻打次数或调质正火的方法细化晶粒。
4、碳钢的始锻温度一般应低于其熔点100°C—200°C,45号钢的始锻温度是1200°C,终锻温度是800°C。
5、在实习中使用的空气锤的规格为:75kg,它是指落下部分的质量。
6、自由锻的基本工序有锻粗,拔长,冲孔,弯曲,切割,扭转,错移,锻接,压角等,其中锻粗,拔长,冲孔在生产中最为常用。
7、锻件的冷却方式有空冷,堆冷,坑冷,灰砂冷,炉冷等,对低中碳钢和低合金钢的小型锻件,常采用空冷,对合金工具钢应采用灰砂冷,对较大截面的锻件应采用炉冷。
8、碳钢坯料的加热及锻造过程中的温度变化,可以通过观察金属色的方法来判断。
9、在中小型工厂中,常用的加热炉有明火炉,反射炉,空气炉,电加热炉。
10、镦粗时,为防止胚料的纵向弯曲,应控制胚料的高度和直径之比2.5—3.011、在拔长过程中,为避免产生折叠,应使胚料每次送时送进量为砥铁宽度的30%—70%12、板料冲压是利用装在压力机上的模具来进行的,板料冲压的基本工序有两类,一类是分离工序,它包括落料,冲孔,切断等,另一类是成形工序,它包括弯曲,拉伸,翻边成形等十、特种加工1、数控电火花线切割是利用移动的金属线作负电极,工件作正电极,并在线电极和工件之间通过脉冲电流,同时在两电极间浇注矿物油、乳化油等工作液,靠脉冲火花的电蚀作用完2、电火花线切割机床按走丝速度的大小,可分为快走丝线切割机床,慢走丝线切割机床及混合式线切割机床。
第二节锻压实习报告一、填空题1 .塑性加工是使金属在_________ 作用下产生塑性_________ 变形,从而获得产品的一种加工方法,也称为压力加工。
2 •塑性加工的主要方法有锻造、冲压、轧制、拉拔等。
3 •塑性加工的主要特点是生产率高、利用率高、材料的性能提高_____________ 等。
4 •自由锻的基本工序主要包括鐓粗_________ 、拔长、冲孔、弯曲等。
5•金属加热的主要目的是提高坯料的提高其塑性和降低其变形抗力。
6 •加热产生的缺陷主要有氧化脱碳、过热过烧、裂纹 __________________________________ 等。
7 .金属开始锻造时的温度叫始锻温度,结束锻造的温度叫终锻温度_______________。
&自由锻常用于生产单件小批量、大型的锻件,而模锻常用于产大批量、中小型的锻件。
9.自由锻冲孔时,对于较厚的工件应采用双面冲孔法,对于较薄的工件应采用单面冲孔法。
10自由锻拔长时为提高工作效率,应保证送进量L与砧座宽度B之比为L/B= _______________ 。
11.自由锻镦粗时,应保证镦粗部分的高度H。
与直径0之比Ho /D。
_______________________ 。
F列零件是用何种塑性加工方法成形的1.钢板:轧制。
2.无缝钢管:拉拔。
3.角钢、工字钢:拉拔。
4.钢轨:拉拔_______________________________5. 形状复杂的齿轮毛坯:锻造。
6.导线:拉拔。
7.饭盒: _____ 冲压8.金属脸盆:冲压。
9.铝合金门窗框架:拉拔。
10.汽车覆盖件:冲压 ____________________________________三、指出图示空气锤的各部件的名称并简述其工作原理工作原理: 1.工作缸;2.上转阀;3.压缩缸;4.压缩活塞;5.连杆;6.砧座;7.下抵铁;8.上抵铁;9.锤杆;10.工作活塞。
三一文库()〔上海海事大学金工实习报告答案(完整版) 1600字〕1件的加工方法。
2金钢,铜铝及其非铁合金,而铸铁等材料因塑性差不能进行锻压。
3、锻造时,脱碳,过热,过烧,内部裂纹等五种。
在正常加热条件下,氧化和脱碳是不可避免的,而内部裂纹和过烧是无法挽救的缺陷,而过热所造成的粗晶粒组织,可用增加锻打次数或调质正火的方法细化晶粒。
4、碳钢的始锻温度一般应低于其熔点,45号钢的始锻温度是,终锻温度是800°C。
5、在实习中使用的空气锤的规格为:6中锻粗,拔长,冲孔在生产中最为常用。
7锻件,常采用空冷,对合金工具钢应采用灰砂冷,对较大截面的锻件应采用炉冷。
8910、镦粗时,为防止胚料的纵向弯曲,应控制胚料的高度和直径之比1112、板料冲压的基本工序有两类,十、特种加工1间通过脉冲电流,同时在两电极间浇注矿物油、乳化油等工作液,靠脉冲火花的电蚀作用完成加工。
2混合式线切割机床。
3部分组成。
45高于负极的蚀除量,这种现象称为“极性效应”。
线切割加工时,大多数是窄脉冲加工为了提高切割速度,工件在大多数情况接正极。
6性、冷却液等。
78撑方式、复式支撑方式。
910简答1.什么是顺铣,什么是逆铣?请用简图来表示。
为什么通常用逆铣而不用顺铣?铣刀旋转方向与工件进给方向相同为顺铣,铣刀旋转方向与进给方向相反为逆铣。
顺铣时,刀具磨损较慢,加工表面质量较高,消耗功率较小。
逆铣时,刀具易磨损,影响工件表面粗糙度,消耗功率较大,工件容易松动。
由于一般铣床无间隙消除装置,不能突出顺铣的特点。
逆铣时,使丝杆螺母之间的接触越来越紧,保持进给平稳,不会产生工作台窜动现象。
2.刨刀刀架为什么可以抬起来的?回程时,抬刀可以减少刨刀与工件已加工表面的摩擦,因为减少刀具磨损,且提高工件表面质量。
金工实习报告答案实习单位:XXX工厂实习时间:2021年7月1日至2021年8月31日实习地点:XXX市一、实习背景和实习目的金工专业是我所学专业的一个重要方向,而实习是将理论知识与实践相结合的重要途径。
通过这次实习,我旨在进一步掌握金工技能,提升自己的专业能力,并了解企业运作和金工行业的实际情况。
二、实习内容1. 金工生产线操作在实习期间,我主要参与了工厂的金工生产线操作。
通过实践,我学习和掌握了各种金属材料的切削、冲压、焊接等操作技术。
我按照工艺要求,正确选择和使用工具、仪器,确保产品的质量和效率。
2. 零部件加工我还参与了工厂的零部件加工工作。
根据工程图纸和工艺要求,我使用数控机床和传统机床对金属材料进行加工。
通过这一过程,我进一步熟悉了数控机床的操作和编程,提高了自己的加工能力。
3. 设备维护和故障排除在实习期间,我还学习了金工设备的维护和故障排除。
当设备出现故障或异常时,我能够迅速找到问题所在并进行修复。
通过这一经验,我更加了解了设备的运作原理和常见故障处理方法。
4. 产品质量控制在金工行业,产品质量是至关重要的。
我在实习期间,学习了如何进行产品质量控制。
我学习了如何使用各种测量工具,并参与了产品的检验和测试工作。
通过这一过程,我提高了对产品质量的敏感度,了解了如何保证产品质量。
三、实习成果与收获1. 技能提升通过这次实习,我深入学习了金工技能,并通过实践不断提高自己的操作能力。
我熟练掌握了金工生产线的操作流程和各项操作技术,提高了自己的生产效率。
2. 了解企业运作实习期间,我有机会参观工厂的各个部门,并与企业的各个层级进行交流。
通过这些经历,我深入了解了企业的运作机制和金工行业的发展状况。
这对我未来的职业规划和发展有着重要的启示和指导。
3. 团队合作意识在实习期间,我参与了一个小组的工作任务,与同事共同合作完成了一些项目。
通过与团队成员的互动和协作,我进一步培养了团队合作意识和沟通能力。
⾦⼯实习报告答案⽬录⼀、钳⼯实习报告 (2)⼆、车⼯实习报告 (10)三、刨⼯实习报告 (23)四、铣⼯实习报告 (28)五、磨⼯实习报告 (34)六、焊接与胶接实习报告 (40)⼀、钳⼯实习报告(1)划线、锯切、锉削[⽬的要求]1.熟悉划线的⽬的和基本知识,正确使⽤划线⼯具,掌握平⾯和⽴体划线⽅法。
2.熟悉锯切和锉削的应⽤范围及其⼯具的名称、规格和选⽤。
3.掌握锯切和锉削的基本操作⽅法及其安全知识。
4.了解上述基本操作中质量问题和产⽣的原因。
5.了解胶接技术的⼯艺特点。
[实习报告]⼀、判断题1.划线是机械加⼯的重要⼯序,⼴泛⽤于成批和⼤量⽣产。
()2.为了使划出的线条清晰,划针应在⼯件上反复多次划线。
()3.划线后为了保留线条,样冲眼应冲得多⼀些。
()4.选择划线基准时,应尽量使划线基准与图纸上的设计基准⼀致。
()5.正常锯切时,锯条返回仍需加压,但要轻轻拉回,速度要慢。
()6.锯切时,⼀般⼿锯往复长度不应⼩于锯条长度的2/3。
()7.锯切时,只要锯条安装正确就能够顺利地进⾏锯切。
()8.锉削时,发现锉⼑表⾯被锉屑堵塞应及时⽤⼿除去,以防⽌锉⼑打滑。
()9.锉削后,⼯件表⾯的粗糙度主要决定于锉削⽅法。
()10.锉削外圆弧⾯时,锉⼑在向前推进的同时,还应绕⼯件圆弧中⼼摆动。
()⼆、填空题1.钳⼯的基本操作包括钻削、锯割、錾切、划线、钻孔、攻丝、装配。
2.划线分⽴体和平⾯两种。
划线时应注意⼯件⽀承平稳,⼀次⽀承中,应把所有的平⾏线划完,正确使⽤划线⼯具。
3.常⽤的划线⼯具有划线平板、千⽄顶、V型铁、划规、划针、样冲、⾼度尺、量具。
4.常⽤划线基准选择以图上标注为基准,有孔、有⾯时以重要孔的中⼼线、加⼯过的⾯、未加⼯的主要⾯、⾯积较⼤的⾯。
5.锯条安装时,锯齿的⽅向应与锯削时切削⽅向⼀致。
6.锯切速度以每分钟往复40次为宜,锯软材料时,速度可快些,锯硬材料时,速度可慢些。
7.锯切时,锯条折断主要原因是锯条选⽤不当,齿装反,起锯⾓度不当,防⽌⽅法有选⽤适当锯条,起锯⼩于15°,锯条安装适合,锯⼒不要太猛,速度适当。
金工实习报告答案一、实习单位及基本情况我在实习期间,被分配到了某金属加工厂,实习岗位为金工操作员。
该厂主要从事金属零部件的加工和制造,产品主要用于机械制造行业。
该厂拥有现代化的生产设备和先进的加工技术,为我提供了一个良好的实习环境。
二、实习目标与任务1. 了解金工基础知识:通过实习,我希望能够熟悉金工的基本知识,包括常见金属材料的性能和加工方法,了解不同加工设备的使用原理和操作技巧等。
2. 掌握金工加工技术:在实习过程中,我希望能够熟练掌握金工加工的基本技术,如切割、冲孔、折弯等,了解不同工艺对金属材料性能的影响,并通过实际操作提升自己的技能。
3. 学会使用金工设备:在实习期间,我将有机会接触和使用各种金工设备,包括剪板机、钻床、铣床等,我希望通过实际操作,熟悉设备的使用方法和注意事项,提高自己的操作技能。
三、实习过程及经验总结1.了解金属材料的性能和加工方法。
在实习初期,我主要通过阅读相关资料和观察老师傅的操作,了解了金属材料的分类、性能和加工方法。
同时,我也学习了一些常见的金工工艺,如冲孔、折弯等。
2.熟练掌握金工加工技术。
在实习期间,我从最基础的操作开始,通过反复练习,逐渐提高了自己的技术水平。
例如,在切割方面,我通过掌握正确的刀具选择和切割速度,确保了切割面的光洁度和尺寸的精确性。
3.提高设备操作技能。
在实习期间,我有机会使用各种金工设备,通过实际操作,我逐渐熟悉了各种设备的使用方法和注意事项。
例如,在使用铣床时,我学会了正确调整刀具的进给速度和切削深度,以获得理想的加工效果。
4.培养团队合作意识。
在实习过程中,我与其他实习生一起工作,我们互相支持和帮助。
我们经常一起探讨和解决加工中的问题,这不仅加强了我们之间的交流,也提高了我们的团队合作能力。
四、实习总结通过这段时间的实习,我对金工的了解更加深入,技术水平也得到了提高。
我学会了如何熟练操作各种金工设备,掌握了常见的金工加工技术。
同时,我也明白了金工工作的重要性和挑战性,加深了对金工职业的认识。
金工实习报告册答案(共3篇)金工实习报告册答案(共3篇)篇一:金工实习报告答案全析1.焊条的组成部分及其作用?焊条是由焊芯(就是里面的那根金属)和药皮组成焊芯焊接的时候传导电流产生电弧把电能转换成热能焊芯本身熔化作为填充金属填充焊道形成焊缝药皮保护熔池防止空气入侵添加有益元素使焊缝获得符合要求的力学性能 2.常见焊接缺陷及其特征和产生原因?①气孔:焊接时,熔池中的气泡在凝固时未能逸出而残留下来所形成的空穴。
气孔可分为条虫状气孔、针孔、柱孔,按分布可分为密集气孔,链孔等。
气孔的生成有工艺因素,也有冶金因素。
工艺因素主要是焊接规范、电流种类、电弧长短和操作技巧。
冶金因素,是由于在凝固界面上排出的氮、氢、氧、一氧化碳和水蒸汽等所造成的。
②夹渣:焊后残留在焊缝中的溶渣,有点状和条状之分。
产生原因是熔池中熔化金属的凝固速度大于熔渣的流动速度,当熔化金属凝固时,熔渣未能及时浮出熔池而形成。
它主要存于焊道之间和焊道与母材之间。
③未熔合:熔焊时,焊道与母材之间或焊道与焊道之间未完全熔化结合的部分;点焊时母材与母材之间未完全熔化结合的部分,称之。
未熔合可分为坡口未熔合、焊道之间未熔合(包括层间未熔合)、焊缝根部未熔合。
按其间成分不同,可分为白色未熔合(纯气隙、不含夹渣)、黑色未熔合(含夹渣的)。
产生机理:a.电流太小或焊速过快(线能量不够);b.电流太大,使焊条大半根发红而熔化太快,母材还未到熔化温度便覆盖上去。
C.坡口有油污、锈蚀;d.焊件散热速度太快,或起焊处温度低;e.操作不当或磁偏吹,焊条偏弧等。
④未焊透:焊接时接头根部未完全熔透的现象,也就是焊件的间隙或钝边未被熔化而留下的间隙,或是母材金属之间没有熔化,焊缝熔敷金属没有进入接头的根部造成的缺陷。
产生原因:焊接电流太小,速度过快。
坡口角度太小,根部钝边尺寸太大,间隙太小。
焊接时焊条摆动角度不当,电弧太长或偏吹(偏弧)⑤裂纹(焊接裂纹):在焊接应力及其它致脆因素共同作用下,焊接接头中局部地区的金属原子结合力遭到破坏而形成的新界面而产生缝隙,称为焊接裂纹。
金工实习报告习题集答案一、选择题1. 下列哪种材料不属于金属材料?A. 铁B. 铜C. 塑料D. 铝答案:C2. 下列哪种加工方式不属于金工?A. 车工B. 铣工C. 电焊D. 铸工答案:C3. 下列哪种工具是用来测量长度的?A. 螺丝刀B. 钢尺C. 扳手D. 角磨机答案:B4. 下列哪种设备不属于金工设备?A. 车床B. 铣床C. 钻床D. 砂轮机答案:D5. 下列哪种加工方式是利用磨料做为磨削工具?A. 车工B. 铣工C. 磨工D. 铸工答案:C二、判断题1. 金工实习是为了让学生了解和掌握金属加工的基本工艺和方法。
(正确)2. 金属材料只有铁、铜、铝三种。
(错误)3. 车工是利用车床对金属材料进行切削加工。
(正确)4. 铣工是利用铣床对金属材料进行切削加工。
(正确)5. 电焊是利用电流将金属材料熔接在一起的方法。
(正确)三、简答题1. 简述金工实习的目的。
答:金工实习的目的是让学生了解和掌握金属加工的基本工艺和方法,提高学生的动手能力和实践能力,培养学生的工程素质。
2. 简述金工实习的主要内容。
答:金工实习的主要内容包括各种金属加工工艺,如车工、铣工、磨工、铸工、焊工等,以及相关设备的使用和维护,工具的识别和使用,安全操作规程等。
3. 简述你在金工实习中的收获。
答:在金工实习中,我学会了使用各种金工设备,掌握了各种金属加工工艺,提高了自己的动手能力和实践能力。
我还学会了遵守安全操作规程,保证自己和他人的安全。
此外,我也深刻体会到工人们的辛苦和伟大,对工程实践有了更深的理解和认识。
四、案例分析题某学生在进行车工实习时,不慎将手放入正在旋转的刀具中,导致手部受伤。
请分析原因,并提出预防措施。
答:原因:学生没有遵守安全操作规程,没有将手远离旋转的刀具。
预防措施:1. 严格遵守安全操作规程,确保自己和他人的安全。
2. 在操作设备时,时刻保持警惕,不要将手和身体部位靠近旋转的刀具。
3. 定期进行安全教育培训,提高安全意识。
金工实习报告答案一、引言在本次金工实习中,我有幸得到了与专业相关的实际操作经验。
通过实习,我深入了解了金工领域的工作流程和技术要求,提高了自己的动手能力和解决实际问题的能力。
本篇报告将围绕实习内容、所学技能、思考与收获等方面进行阐述。
二、实习内容1. 实习单位及时间本次实习我被分配到了某机械制造公司的金工车间,实习期为两个月,从2021年7月1日至2021年8月31日。
2. 实习任务在实习期间,我主要参与了以下金工相关的任务:(1)金属加工操作:掌握了金属切割、打磨、镗孔等基本操作技能,并通过实操加深了对不同金属材料的认识。
(2)机床操作:学习了车床、铣床、钻床等常见机床的操作和维护,并亲自操作这些设备进行加工。
(3)零件装配:了解了零件装配的流程和方法,并参与了实际的产品组装工作。
(4)质量检测:学习了金属制品的质量检测标准和方法,并参与了产品的质量检验工作。
三、所学技能通过实习,我不仅了解了金工领域的基本知识和技能,还培养了以下几个方面的能力:1. 动手能力:实习期间,我通过大量的实操练习,提高了自己的动手能力。
在金属加工和机床操作中,我学会了如何准确地操作工具和设备,达到预期的加工结果。
2. 技术应用:在实习过程中,我学习了金工技术的应用和实际操作方法。
例如,在金属切割中,我学会了选择合适的切割工具和速度,以及如何控制切割精度等。
3. 解决问题的能力:实习中,我经常面临各种技术难题和操作困难,通过与同事的交流和老师的指导,我学会了主动寻找解决问题的方法和思路,提高了自己的问题解决能力。
四、思考与收获1. 专业知识的提升:通过实习,我对金工领域的知识有了更深入的了解,对机床的操作原理和金属加工工艺有了更清晰的认识。
这对我今后的学习和研究打下了坚实的基础。
2. 团队协作的重要性:在实习期间,我与同事们密切合作,相互协助完成工作任务。
通过与大家的互动,我深刻感受到了合作与沟通的重要性,并在团队中获得了成就感。
金工实习报告习题答案金工实习报告习题答案一、实习单位概况在这段时间的金工实习中,我所选择的实习单位是一家大型金属加工企业。
该企业成立于2005年,主要从事金属制品的生产和加工。
拥有先进的设备和技术,产品涵盖了各个领域,包括汽车制造、建筑、航空航天等。
企业的规模庞大,员工众多,拥有一支高素质的技术团队和管理团队。
二、实习内容与收获1. 金工基础知识的学习与应用在实习期间,我通过参观工厂和与技术人员的交流,深入了解了金工的基本概念和工艺流程。
我学习了金属材料的性质和分类,了解了不同金属的加工特点和适用范围。
同时,我还学习了金属切削加工的原理和方法,包括车削、铣削、钻削等。
通过实际操作,我掌握了金属切削工具的使用技巧,提高了自己的操作能力。
2. 设备操作与维护在实习期间,我有机会接触到了各种金属加工设备,包括数控机床、车床、铣床等。
通过实际操作,我学会了如何正确使用这些设备,并且了解了设备的基本维护方法。
在操作过程中,我遇到了一些常见的问题,如刀具磨损、设备故障等,通过与技术人员的交流和解决,我学到了很多实用的经验。
3. 项目实践与问题解决能力在实习期间,我参与了一个金属制品的生产项目。
这个项目要求我们根据客户的需求,设计并加工出一个特定形状的金属制品。
在项目中,我需要运用自己所学的金工知识,进行设计和加工工艺的选择。
在实际操作中,我遇到了一些困难和挑战,如如何提高加工精度、如何解决加工过程中的问题等。
通过与同事的合作和沟通,我逐渐克服了这些困难,并成功完成了项目。
三、实习总结与展望通过这段时间的金工实习,我不仅学到了很多专业知识和技能,还提高了自己的动手能力和问题解决能力。
在实习中,我深刻体会到了金工工作的重要性和挑战性。
金工作为一门古老而又现代的工艺,对于各个行业的发展都起着重要的支撑作用。
我希望将来能够继续深入学习金工知识,提高自己的技术水平,为我所从事的行业做出更大的贡献。
总之,这段金工实习经历对我来说是一次宝贵的学习机会。
金工实习报告答案【5篇】金工实习报告答案(篇1)一、实习的目的和意义金工实习是金属工艺学课程的重要组成部分,金属工艺学是以生产实践和科学实验为基础,科学地总结了生产活动中的客观规律,并上升为理论。
金属工艺学是在长期生产实践中发展起来的,因此它是一门实践性很强的课程。
通过金工实习的教学,配合金属工艺学课程的学习,使学生初步的了解加工不同的工件所选取相应的工艺、加工相同的零件可选取不同的工艺以及使用所需要的机床设备的操作技术。
本次实习的重点在于金属切削工艺,以及对切削加工的设备和使用方法的了解,另外在钳工实习方面侧重于钳工工作中所需用的各类工具。
成果是用所给材料结合各种工艺做出实验室专用实验桌。
二、实习内容1、钳工实习因为此次的实习成果是做团队做一个实验室的大铁桌,而以往的学长们则做的是一个锤子,或许这两个物件的工艺流程也不一样吧,指导老师对我们的讲解格外详细,最重要的是在安全方面的知识。
第一天老师首先把实习期间的安全问题以及操作注意事项给我们说了一下,接着把钳工实习所涉及的所有理论知识告诉了我们。
最后,我们就进行了简单的工具使用练习。
钳工实习所要用的工具有:大锉刀、中锉刀、小锉刀、手锯、钢尺、游标卡尺、垂直度测量仪。
由于在理论知识讲解过程中老师就详细的给我们讲了锉刀如何使用,手如何放置,身体如何站立,包括与工作台的距离、角度等,还有手锯的如何使用,左右手放在什么位置,如何用力等知识,所以我们操作起来就觉得很省力、很自在。
在钳工工作中,涉及到英制单位及于公制单位的换算:1英寸约等于25.4毫米,1英尺为12英寸,1英寸为8英分,1英分为4角。
2、车工实习车加工所用的机器就是车床,所以,讲的理论主要内容就是车床各部分的使用。
由于是机器操作,所以,效率较高,工件加工需要时间很短。
所以,老师将大部分时间都放在了理论知识的讲解上。
车床由床身、床头箱、挂轮架、进给箱、光杠、丝杠、溜板箱、方刀架、卡盘、尾座、中心架、跟刀架等组成。
1、锻造是利用外力使金属材料产生塑性形变从而获得一定的几何尺寸和机械性能毛坯或零件的加工方法。
2、锻造的材料应具有良好的塑性和较小的变形抗力,可以进行锻压的材料有中碳钢,低合金钢,铜铝及其非铁合金,而铸铁等材料因塑性差不能进行锻压。
3、锻造时,金属加热的作用是提高塑性,降低其变形抗力,加热后可能产生的缺陷有氧化,脱碳,过热,过烧,内部裂纹等五种。
在正常加热条件下,氧化和脱碳是不可避免的,而内部裂纹和过烧是无法挽救的缺陷,而过热所造成的粗晶粒组织,可用增加锻打次数或调质正火的方法细化晶粒。
4、碳钢的始锻温度一般应低于其熔点100°C—200°C,45号钢的始锻温度是1200°C,终锻温度是800°C。
5、在实习中使用的空气锤的规格为:75kg,它是指落下部分的质量。
6、自由锻的基本工序有锻粗,拔长,冲孔,弯曲,切割,扭转,错移,锻接,压角等,其中锻粗,拔长,冲孔在生产中最为常用。
7、锻件的冷却方式有空冷,堆冷,坑冷,灰砂冷,炉冷等,对低中碳钢和低合金钢的小型锻件,常采用空冷,对合金工具钢应采用灰砂冷,对较大截面的锻件应采用炉冷。
8、碳钢坯料的加热及锻造过程中的温度变化,可以通过观察金属色的方法来判断。
9、在中小型工厂中,常用的加热炉有明火炉,反射炉,空气炉,电加热炉。
10、镦粗时,为防止胚料的纵向弯曲,应控制胚料的高度和直径之比2.5—3.0
11、在拔长过程中,为避免产生折叠,应使胚料每次送时送进量为砥铁宽度的30%—70%
12、板料冲压是利用装在压力机上的模具来进行的,板料冲压的基本工序有两类,一类是分离工序,它包括落料,冲孔,切断等,另一类是成形工序,它包括弯曲,拉伸,翻边成形等
十、特种加工
1、数控电火花线切割是利用移动的金属线作负电极,工件作正电极,并在线电极和工件之间通过脉冲电流,同时在两电极间浇注矿物油、乳化油等工作液,靠脉冲火花的电蚀作用完
2、电火花线切割机床按走丝速度的大小,可分为快走丝线切割机床,慢走丝线切割机床及混合式线切割机床。
3、数控线切割机床由坐标工作台、运丝机构、床身、工作液系统、控制系统及脉冲电源六部分组成。
4、线切割的切割速度主要受到放电脉冲、极性、工件材料、运动速度的影响。
5、在放电加工中电极的正负极的接法会导致不同的蚀除量。
在窄脉冲加工时正极的蚀除量高于负极的蚀除量,这种现象称为“极性效应”。
线切割加工时,大多数是窄脉冲加工为了提高切割速度,工件在大多数情况接正极。
6、加工表面质量的主要影响因素有:脉冲宽度与脉冲频率、工件材料、走丝系统运行平稳性、冷却液等。
7、数控线切割机床常用的程序格式有:ISO格式(G代码)、3B、4B格式等。
8、线切割加工机床的装夹方法有:悬臂支撑方式、两端支撑方式、桥式支撑方式、桥板支撑方式、复式支撑方式。
9、电火花成形机床基本上由脉冲电源、机床和工作液循环系统三大部分组成。
10、电火花机床主机的结构形成主要有:台式、单立柱式、滑枕式、龙门式等。
简答
1.什么是顺铣,什么是逆铣?请用简图来表示。
为什么通常用逆铣而不用顺铣?
铣刀旋转方向与工件进给方向相同为顺铣,铣刀旋转方向与进给方向相反为逆铣。
顺铣时,刀具磨损较慢,加工表面质量较高,消耗功率较小。
逆铣时,刀具易磨损,影响工件表面粗糙度,消耗功率较大,工件容易松动。
由于一般铣床无间隙消除装置,不能突出顺铣的特点。
逆铣时,使丝杆螺母之间的接触越来越紧,保持进给平稳,不会产生工作台窜动现象。
2.刨刀刀架为什么可以抬起来的?
回程时,抬刀可以减少刨刀与工件已加工表面的摩擦,因为减少刀具磨损,且提高工件表面质量。
3.砂轮为什么要修整?砂轮为什么要平衡?试述砂轮的静平衡方法。
砂轮要修整的原因:1由于切削和磨粒会把砂轮堵塞失去切割能力2磨粒随机拖轮的不均匀性会使砂轮失去精度。
砂轮平衡的原因:如果砂轮的中心不再旋转轴上,便会产生不平衡现象,高速旋转时使主轴产生振动或摆动,使砂轮撞击工件,从而使工件表面上产生振痕,加工质量下降,而且使主轴的磨损加快,甚至造成砂轮破裂。
砂轮平衡的方法:将装好的法兰盘的砂轮装上平衡心轴,放在已调好水平的平衡架上;移动端面环形槽内的平衡块。
使其在任一部分都静止,表明砂轮各部分质量均匀,平衡良好。
4.在钳工实习中,你是怎样检验小锤锤头相邻两面的垂直度?
用角尺或刀口尺采用透光检验
5.丝锥的头锥和二锥应怎样区别?
美中尺寸的手用丝锥由两只组成一套,分别为头攻和二攻。
两支丝锥的区别,在于其切割部分的斜角不同,头攻斜角小。
所以能方便的切入孔中,并且攻螺纹较省力;二攻斜角大,切削部分牙数比头攻少,攻螺纹时先用头攻,切去大部分余量,再用二攻切去余下部分。
6.锯割时常见的质量问题有哪些?分析产生的原因和预防措施?
1锯条安装要松紧适当,否则易产生锯缝歪斜或者锯条折断
2工件安装牢固,锯缝与铅垂线方向相一致,否则产生锯缝歪斜或工件抖动,松动使锯条
3锯断时不要突然用力过猛,防止工作中锯条左右摇摆,而产生锯条歪斜锯条崩齿,或折断崩齿伤齿。
4锯条选择要恰当,否则易引起崩齿。
5工件将锯断时,压力要小,避免用力过大使工件突然断开。
身体前冲造成事故,一般要锯断时,要用左手扶住断开部分避免掉下砸伤脚。
7.试述氧气切割过程
氧气切割的过程;开始时,用氧乙炔火焰将割口始端附近的金属热到燃点,然后打开切割氧气阀门。
氧气射流使高温金属立即燃烧,生成的氧化物同时被氧流吃走,金属燃烧时候产生的热量和氧乙炔火焰一起又将邻近的金属预热到燃点,沿切割线以一定的速度移动到割炬,即形成割口。
8.简述电火花线切割机工作原理用途和特点。
数控电花线切割是利用移动的金属丝作负电极,工件作正电极,并在线电极和工件之间通过脉冲电流,同时在两极间浇注矿油乳化油等工作液,靠脉冲火化的电蚀作用完成工件尺寸加工。