桥梁工程钢箱梁工序报验资料范例YA(完)
- 格式:doc
- 大小:157.00 KB
- 文档页数:7
桥梁工程报验单(范本模板)项目信息- 项目名称:[填写项目名称]- 施工单位:[填写施工单位]- 监理单位:[填写监理单位]- 项目地址:[填写项目地址]- 施工日期:[填写施工日期]- 施工天气:[填写施工天气]- 报验日期:[填写报验日期]报验内容1. 桥梁基础施工报验1.1. 基础工程报验- 检查地基土质情况,填写实测地基成果报告。
- 检查地基处理情况,填写地基处理设备和方法报告。
- 检查桩基施工情况,填写桩基施工报告。
1.2. 基础材料报验- 检查水泥、砂、石等材料的质量和配合比,填写材料试验报告。
- 检查钢筋和钢材质量,填写钢筋、钢材试验报告。
2. 桥梁上部结构施工报验2.1. 主梁报验- 检查主梁制作情况,填写主梁制作报告。
- 检查主梁吊装施工情况,填写主梁吊装报告。
2.2. 墩台报验- 检查墩台制作情况,填写墩台制作报告。
- 检查墩台水平、垂直度,填写墩台测量报告。
3. 桥梁地基与下部结构报验3.1. 地基与基础施工报验- 检查地基处理情况,填写地基处理报告。
- 检查桥墩基础施工情况,填写桥墩基础施工报告。
- 检查墩台基础施工情况,填写墩台基础施工报告。
3.2. 基础材料报验- 检查混凝土、钢筋等材料质量,填写混凝土、钢筋试验报告。
报验结果1. 已完成的工作- [填写已完成的工作]2. 存在的问题及改进意见- [填写存在的问题和改进意见]3. 下一步工作计划- [填写下一步工作计划]备注- [填写备注信息]以上为桥梁工程报验单范本模板,请根据实际情况填写相关内容。
---注:本文档版权归助手所有,仅供参考,请勿用于商业用途。
检测报告委托单位: 工程(产品)名称:检测项目: 检测类别: 报告日期:桥梁工程交工验收检测XXXXXXXX工程检测技术有限公司注意事项1.本报告每页都应盖有“专用章”或骑缝章,否则视为无效。
2.复制本报告未重新加盖“专用章”或检测单位公章无效。
3.报告无负责人、审核人、批准人签字无效。
4.报告涂改无效,部分提供和部分复制报告无效。
5.对报告若有异议,应于本报告发出之日起15天向本单位提出。
6.对于来样检测,仅对来样的检测数据负责,不对来样所代表的批量产品负责。
联系地址:XX 邮政编码:XX 电话:XX 传真:XXEmaiL:XX工程(产品)名称:XX工程签字表XXXXXXXX工程检测技术有限公司2020年3月23日1概述------------------------------------------------------------- 11.1项目概况 (1)1.2检测依据 (3)1.3检测仪器设备 (3)1.4主要检测人员 (4)2检测内容和方法--------------------------------------------------- 42.1工程实体检测 (4)2.2外观检查 (5)3桥梁工程检测成果------------------------------------------------- 63.1鸳鸯坝公路桥桥梁工程实体检测 (6)3.2鸳鸯坝公路桥外观检查 (10)4检测结果________________________________________________________ 134.1桥梁工程实体检测结果汇总 (13)4.2外观检测结果汇总 (14)5结论与建议------------------------------------------------------ 145.1结论 (14)6附表工程质量评定表---------------------------------------------- 15 7附件现场检测工作展示-------------------------------------------- 19检测报告摘要1概述1.1 项目概况XX 桥位于沙溪乡,跨越区内小溪。
桥梁工程钢箱梁工序报验资料范例YA(完)一、前言钢箱梁是桥梁工程中常用的一种结构构件,具有承载力强、施工周期短等优点。
本文档旨在提供钢箱梁工序报验资料的范例,以便工程师在实际工作中参考使用。
二、报验内容及要求1. 前提准备工作•省、市、县(市、区)交通运输行政主管部门颁发的桥梁施工许可证书。
•桥梁工程竣工验收档案材料。
•施工工艺规程和施工组织设计文件。
•法定单位或个人提供的技术资料和验收资料。
2. 工程量和技术要求•钢箱梁的数量和规格应符合设计要求。
•钢箱梁的型号、规格、质量等技术指标应符合有关标准。
•钢箱梁的制作、安装等工序应符合技术要求。
3. 报验内容•施工单位应按照设计要求制作钢箱梁,每批次制作和检验合格后,应及时进行报验。
•钢箱梁的报验应包含如下内容:1.制作单位的基本情况(包括名称、地址、生产许可证、质量体系认证证书等)。
2.资料的名称和编号。
3.钢箱梁的规格型号、数量、批次、制作日期等基本信息。
4.报验日期和报验人员的签字。
三、报验资料1. 钢箱梁制作单位资料制作单位资料应包括如下内容:资料名称备注生产许可证质量体系认证证书钢箱梁制作单位资质证书2. 钢箱梁报验资料钢箱梁报验资料应包括如下内容:资料名称备注钢箱梁制作记录包括生产计划、工艺路线、施工方案等钢箱梁尺寸控制记录包括尺寸测量、尺寸控制结果等钢箱梁检验记录包括材料、外观、尺寸、力学性能、耐久性等项检验结果钢箱梁试验记录包括试验项目、试验结果等四、报验程序及要求1. 施工单位报验程序施工单位报验程序应包括如下内容:1.填写《桥梁工程钢箱梁工序报验资料》。
2.提供全部必须的工程量和技术资料。
3.确认各项技术指标符合相关标准和设计要求。
4.将准确、完整、无假冒的资料提交检验机构。
2. 报验资料的审核报验资料的审核应包括如下内容:1.对钢箱梁制作单位资料逐项核对。
2.对钢箱梁报验资料逐项审核,确保其符合相关标准和设计要求。
3.对未合格或有疑问的项目逐项处理。
桥梁竣工验收报告填写范本桥梁竣工验收报告报告编号:xxxxxx 填表日期:xxxx年xx月xx日一、基本情况1. 项目名称:2. 桥梁名称:3. 桥梁位置:4. 建设单位:5. 施工单位:6. 设计单位:7. 监理单位:二、竣工验收内容1. 桥梁主要技术指标1.1 结构形式:1.2 主要材料:1.3 跨径/长度:1.4 载荷标准:1.5 设计寿命:1.6 抗震设防烈度:2. 竣工验收标准2.1 相关法律法规: 2.2 技术规范:2.3 监理合同:2.4 设计文件:三、竣工验收程序1. 前期准备工作1.1 证件材料准备:1.2 相关协议签订:2. 现场验收2.1 施工组织方案:2.2 施工监理记录:2.3 隐蔽工程质量验收:3. 检测结果总结3.1 结构安全性检测:3.2 规范要求检测:3.3 载荷试验结果:四、竣工验收结论本次桥梁竣工验收按照相关法律法规、技术规范、监理合同和设计文件进行了严格的检测和评估。
经过现场验收和检测结果总结,结论如下:1. 桥梁结构安全性良好,各关键部位符合设计要求;2. 承载能力满足设计标准,能够正常承担运输任务;3. 桥梁各项重要设备、安全设施正常运行;4. 竣工质量符合相关规范和验收标准。
五、竣工验收意见和建议鉴于以上竣工验收结论,提出以下意见和建议:1. 建议建设单位和施工单位加强桥梁的定期检修和养护工作,保持桥梁结构的长期安全性;2. 建议设施单位加强对桥梁的监测和维护工作,及时发现和解决可能存在的问题;3. 建议加强与周边道路的衔接和交通组织,确保桥梁的通行安全。
六、附件1. 竣工验收报告照片2. 竣工验收记录表3. 其他相关文件材料七、报告编制单位1.编制单位:2.编制人:3.审核人:4.报告日期:以上为本次桥梁竣工验收报告的填写范本,根据实际情况,具体内容可以根据需求作相应调整。
希望本次验收报告能够对各方单位提供参考和指导,确保桥梁的质量和安全。
4 材料及材料管理4.2 材料管理4.2.1钢箱梁制造所用材料应符合设计文件的要求和现行标准的规定, 除必须有材料质量证明书外, 还应进行复验, 复验合格方能使用。
4.2.2钢材应按同一厂家、同一材质、同一板厚、同一出厂状态每10个炉( 批) 号抽验一组试件; 焊接与涂装材料应按有关规定抽样复验。
4.2.3钢板应采用色带标识, 色带标识的每种色带宽度不小于30mm。
加工过程中发现钢材缺陷需要修补时, 应符合本规范附录A的规定。
4.2.4高强度螺栓连接副在运输过程中应防雨、防潮、防螺纹损伤; 进场后应按包装箱上注明的批号、规格分类保管, 室内架空存放, 堆放不宜超过五层。
保管期内不得任意开箱, 防止生锈和沾染污物。
表5.2.3手工气割切割面质量要求5.2.4采用普通切割机下料的零件, 应先作样。
制作样板、样条、样杆时, 应按工艺文件规定留出加工余量和焊接收缩量。
5.2.5切割工艺经工艺评定确定, 保证切割面无裂纹, 切割面硬度不超过HV350。
5.2.6剪切加工的零件,其切割边缘应整齐、无毛刺、反口等缺陷,并应满足下列偏差要求:板件长度、宽度: ±2.0mm; 板边缘缺棱: <1.0mm; 板边直线度:<1/1000;型钢长度: ±1.0mm; 型钢端面垂直度: ≤2.0mm5.2.7顶板、底板、腹板等主要受力零件下料时, 应使钢板轧制方向与其主应力方向一致。
5.2.8焰切或剪切的零件应磨去边缘的飞刺、挂渣, 使断面光滑匀顺。
5.3 零件矫正5.3.1 零件矫正宜采用冷矫, 冷矫时的环境温度不得低于-12℃。
矫正后的钢材表面不应有明显的凹痕或损伤。
5.3.2 采用热矫时, 加热温度应控制在600~800℃, 然后缓慢冷却, 不得用水急冷; 温度降至室温前, 不得锤击钢材。
5.3.3 零件矫正允许偏差应符合表5.3.3的规定。
5.4 零件边缘、端头的加工5.4.1零件的边缘、端头可保留其轧制、锯切、剪切、焰切状态, 也可按照工艺要求进行机械加工, 但经剪切或手工焰切后不再进行机加工的零件边缘应打磨匀顺。
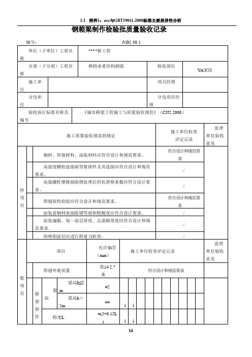
钢箱梁制作检验批质量验收记录
一、项目背景
钢箱梁作为一种常用的构件,广泛应用于桥梁、高速公路、铁
路等工程中。
为了确保钢箱梁的制作质量,需要对其进行检验批质
量验收。
二、检验批信息
工程名称:XXX桥梁工程
钢箱梁数量:XX根
材料:Q345B钢
焊接方式:自动埋弧焊
涂装方式:喷涂
验收时间:XXXX年XX月XX日
三、质量检验标准
1. 钢箱梁的制作应符合国家相关标准和工程设计要求。
2. 钢材的成分分析应符合设计要求,力学性能满足规定的要求。
3. 焊缝的焊接质量应符合相关标准,无裂纹、气孔等焊接缺陷。
4. 钢箱梁涂层应均匀牢固,无脱落现象。
四、质量验收内容和结果
1. 材料检验
1.1 钢材的成分分析结果符合设计要求。
1.2 钢材的力学性能测试结果符合规定的要求。
2. 感应加热预热
2.1 预热温度和时间符合设计要求。
2.2 预热后的钢材表面无明显氧化和锈蚀现象。
3. 焊接工艺和焊接质量检验
3.1 焊缝外观质量良好,无裂纹、气孔等焊接缺陷。
3.2 焊接接头的尺寸符合设计要求。
3.3 焊缝的拉力试验结果符合规定的要求。
4. 涂装质量检验。
钢箱梁制作检验批质量验收记录
编号:表
焊缝质量综合评价汇总表
编号:表E10
工序质量评定表表P1
单位工程名称:*****桥工程分部(子分部)工程名称:桥跨承重结构钢梁工序名称:钢梁制作
5
6
7
14
总干膜厚度(μm )
符合设计要求
252
254 259 253 268 266 254 261 264 251 10 10 100% 15
附着力(MPa )
符合设计要求
一级
一级
一级
一级
一级
一级
一级
一级
一级
一
级
10
10
100%
施工单位
中建三局建设工程股份有限公司
分包单
位
武船重型工程有限公
司
平均合
格率 100%
监理单位 意 见
评定等级
优良
项目技术负责人: 质检员: 施工员: 监理工程师: 年 月 日。
桥梁工程竣工验收报告(范本)
1. 项目概况
本次桥梁工程是在XX地区进行的一项重要交通建设项目。
项目包括设计、施工和质量检验等阶段,旨在提高当地的交通网络和便利性。
2. 竣工验收内容
本次竣工验收主要包括以下内容:
- 工程总体质量评估
- 结构技术验收
- 施工质量评估
- 完工图纸和文件审查
- 安全评估
- 环境保护评估
3. 验收结果
根据竣工验收的各项内容评估,确认如下结果:
- 工程总体质量良好,符合设计要求
- 结构技术验收通过,符合相关标准
- 施工质量评估达到预期要求
- 完工图纸和文件完整,符合规范要求
- 安全评估合格,没有发生重大安全事故
- 环境保护评估合格,未对环境造成重大破坏
4. 发现问题和建议
在竣工验收的过程中,发现以下问题和建议:
- 部分材料使用质量存在问题,建议加强对材料供应商的管理和监督
- 某些施工工艺操作有待改进,建议加强施工过程的监督和指导
- 部分施工文件记录不完善,建议在今后的工程中加强文件管理
5. 后续措施
针对上述问题和建议,建议采取以下后续措施:
- 与材料供应商进行深入沟通,要求提供符合标准要求的材料- 加强施工管理团队的培训和技术指导,确保施工质量
- 建立健全的文件管理制度,规范施工文件的记录和存档
6. 总结
通过本次桥梁工程的竣工验收,确认工程质量达到预期要求,并提出了相关问题和建议。
相信在后续的工程中,通过采取适当的措施能够进一步提高工程质量和管理水平。
以上是本次竣工验收报告的内容。
第1篇一、工程概况1. 工程名称:XX桥梁工程2. 工程地点:XX省XX市XX县3. 工程性质:公路桥梁工程4. 工程规模:全长XX米,主桥跨径XX米5. 工程投资:XX万元6. 工程工期:XX个月二、施工组织设计1. 施工单位名称:XX建设集团有限公司2. 施工项目经理:XX3. 施工组织机构:项目指挥部、项目经理部、施工班组4. 施工方法:采用分段施工、流水作业、分层分段浇筑、悬臂浇筑等施工方法。
5. 施工工艺:预应力混凝土结构、钢筋砼结构、桩基础、承台、墩身、梁板、桥面系等。
三、施工进度计划1. 施工阶段划分:施工准备、基础工程、下部结构、上部结构、桥面系、附属工程、验收交工。
2. 施工进度安排:根据工程规模、工期要求,制定详细施工进度计划。
四、施工质量保证措施1. 施工单位建立健全质量保证体系,确保工程质量。
2. 严格执行国家、行业及地方有关工程质量标准。
3. 施工材料、设备、人员、工艺等符合质量要求。
4. 施工过程中加强质量控制,严格执行“三检制”(自检、互检、专检)。
五、施工安全保证措施1. 施工单位建立健全安全生产责任制,确保施工安全。
2. 严格执行国家、行业及地方有关安全生产法规。
3. 施工现场设置安全警示标志,加强安全教育培训。
4. 定期开展安全隐患排查治理,确保施工安全。
六、施工环境保护措施1. 施工单位建立健全环境保护责任制,确保施工环境达标。
2. 严格执行国家、行业及地方有关环境保护法规。
3. 施工现场采取防尘、降噪、防污染等措施,减少对环境的影响。
4. 施工废水、废气、固体废弃物等处理达标排放。
七、施工资料整理要求1. 施工资料应按照国家、行业及地方有关要求整理。
2. 施工资料应包括:施工组织设计、施工进度计划、施工质量保证措施、施工安全保证措施、施工环境保护措施、施工日志、施工记录、试验报告、验收报告等。
3. 施工资料应分类整理,便于查阅和使用。
4. 施工资料应归档保存,确保资料完整、准确、及时。
钢箱梁现场安装报审、报验表工程名称:三环线西段(长丰桥—白沙洲大桥)综合改造工程编号:注:本表一式三份,项目监理机构、施工单位、城建档案管理机构各一份。
钢箱梁现场安装报审、报验表工程名称:三环线西段(长丰桥—白沙洲大桥)综合改造工程编号:注:本表一式三份,项目监理机构、施工单位、城建档案管理机构各一份。
钢箱梁现场安装报审、报验表工程名称:三环线西段(长丰桥—白沙洲大桥)综合改造工程编号:注:本表一式三份,项目监理机构、施工单位、城建档案管理机构各一份。
钢箱梁现场安装报审、报验表工程名称:三环线西段(长丰桥—白沙洲大桥)综合改造工程编号:注:本表一式三份,项目监理机构、施工单位、城建档案管理机构各一份。
钢箱梁现场安装报审、报验表工程名称:三环线西段(长丰桥—白沙洲大桥)综合改造工程编号:注:本表一式三份,项目监理机构、施工单位、城建档案管理机构各一份。
钢箱梁现场安装报审、报验表工程名称:三环线西段(长丰桥—白沙洲大桥)综合改造工程编号:注:本表一式三份,项目监理机构、施工单位、城建档案管理机构各一份。
钢箱梁现场安装报审、报验表工程名称:三环线西段(长丰桥—白沙洲大桥)综合改造工程编号:注:本表一式三份,项目监理机构、施工单位、城建档案管理机构各一份。
钢箱梁现场安装报审、报验表工程名称:三环线西段(长丰桥—白沙洲大桥)综合改造工程编号:注:本表一式三份,项目监理机构、施工单位、城建档案管理机构各一份。
钢箱梁现场安装报审、报验表工程名称:三环线西段(长丰桥—白沙洲大桥)综合改造工程编号:注:本表一式三份,项目监理机构、施工单位、城建档案管理机构各一份。
钢箱梁现场安装报审、报验表工程名称:三环线西段(长丰桥—白沙洲大桥)综合改造工程编号:注:本表一式三份,项目监理机构、施工单位、城建档案管理机构各一份。
B7钢箱梁现场安装报审、报验表工程名称:三环线西段(长丰桥—白沙洲大桥)综合改造工程编号:注:本表一式三份,项目监理机构、施工单位、城建档案管理机构各一份。
公路工程钢箱梁段制作现场质量检验报告单工程名称施工单位
施工时间 4.12
检测时间 4.12桩号及部位监理单位检验时间 4.12
项次检验项目规定值或
允许偏差
施工单位检测监理单位检验检测结果频率检验结果频率
1梁长(mm)5mm OK1OK1 2梁段桥面板四角高差(mm)5mm OK1OK1 3风嘴直线度偏差(mm)5mm OK1OK1
4△端口尺
寸
宽度(mm)5mm OK1OK1
中心高(mm)5mm OK1OK1
边高(mm)5mm OK1OK1横断面对角线差(mm)5mm OK1OK1
5锚箱
锚点坐标(mm)5mm OK1OK1斜拉索轴线角度(°)5mm OK1OK1
6△梁段匹
配性
纵桥向中心线偏差(mm)5mm OK1OK1
顶、底、腹板对接间隙
(mm)
5mm OK1OK1顶、底、腹板对接错边
(mm)
5mm OK1OK1
7△焊缝
焊缝尺寸5mm OK1OK1
探伤5mm OK1OK1结论:
监理工程师:年月日承包人:年月日。