化工检验工高级理论试卷正文
- 格式:doc
- 大小:94.00 KB
- 文档页数:4
化学检验分析高级理论知识试卷一、化学检验分析工单项选择题(下列每小题备选答案中,只有一个符合题意的正确答案。
每小题2分,共15题。
)1 、我国的标准分为( )种A :4B :5C :3D :22 、下面论述中错误的是( )。
A :方法误差属于系统误差B :系统误差包括操作误差C :系统误差呈现正态分布D :系统误差具有单向性3 、玻璃电极使用时,必须浸泡24hr左右,目的是什么?A :消除内外水化胶层与干玻璃层之间的两个扩散电位;B :减小玻璃膜和试液间的相界电位E内;C :减小玻璃膜和内参比液间的相界电位E外;D :减小不对称电位,使其趋于一稳定值;4 、称量绝对误差为+0.2mg,若要求称量相对误差小于0.2%,则应至少称取( )g。
A :1gB :0.2gC :0.1gD :0.02g5 、称取矿样0、2500克,处理成Fe(OH)3沉淀后灼烧为Fe2O3,称得其质量为0、2490克,则矿石中Fe3O4的百分含量为( )。
(已知:M Fe3O4=231、5g/mol, M Fe2O3=159、7g/mol)A :99、6%B :96、25%C :96、64%D :68、98%6 、化学检验分析分光光度法的吸光度与( )无关。
A :入射光的波长B :液层的高度C :液层的厚度D :溶液的浓度7、气相色谱分析中,一个特定分离的成败,在很大程度上取决于( )的选择。
A :检测器B :色谱柱C :皂膜流量计D :记录仪8 、贮存易燃易爆,强氧化性物质时,最高温度不能高于:A :20℃B :10℃C :30℃D :0℃9 、下列药品需要用专柜由专人负责贮存的是:A :KOHC :KMnO4D :浓H2SO410 、关于用电操作正确的是( )。
A :人体直接触及电器设备带电体B :用湿手接触电源C :使用正超过电器设备额定电压的电源供电D :电器设备安装良好的外壳接地线11 、淀粉是一种 ( )指示剂。
化工行业特有工种职业技能鉴定试题库 化工工艺试验工(高级)理论知识试卷 注意事项: 1、考试时间:120分钟。
2、本试卷依据2002年颁布的《化工工艺试验工国家职业标准》命制。
3、请首先按要求在试卷的标封处填写您的姓名、准考证号和所在单位的名称。
4、请仔细阅读各种题目的回答要求,在规定的位置填写您的答案。
5、不要在试卷上乱写乱画,不要在标封区填写无关的内容。
一、填空题10题。
将相应的答案填入题内的括号中。
每题1分,满分20分。
) 1. sp 杂化轨道的空间构型是( ),sp 2杂化轨道的空间构型是( ),sp 3杂化轨道的空间构型是( )。
2. 共价键的特征是( )、( )。
3. 在原电池中,流出电子的电极为( )极,该电极发生( )反应;接受电子的电极为( )极,该电极发生( )反应。
原电池可以将( )能转化为( )能。
4. 电负性最大的元素是( )。
5. s 区同一族元素自上而下随着核电荷数增加,金属性逐渐( )。
6. 某理想气体由N 2和O 2组成,总压100 kPa ,N 2的分体积为0.8,则O 2的分压力 是( )。
7. 最常用的沉淀滴定法是:( ),包括两种方法( ),( )。
8. EDTA 的中文名称是( )。
9. 氧族元素随着原子序数增加,电负性依次( )。
10. 标准溶液的配制方法有直接配制法和( )。
二、单项选择题(第11题~第60题。
选择一个正确的答案,将相应的字母填入题内的括号中。
每题1分,满分50分。
) 11.可逆反应的正反应和逆反应的平衡常数之间的关系是( ) A .积等于1 B .和等于1 C .总相等 D .没关系 12.可逆化学反应达到反应平衡的特征是( ) A .逆反应停止 B .反应物与产物浓度相等 C .反应停止产生热 D .逆向反应速率等于正向反应速率13.下列各酸的C(H +)相等时,摩尔浓度最大的是( )A .HAc(Kaº=1.75ⅹ10-6)B .HCN(Kaº=6.2ⅹ10-10)考 生 答 题不准超 过 此线C.HCOOH(Kaº=1.77ⅹ10-4) D.HCl14.一定温度下,在溶剂中加入溶质形成溶液后,溶剂的蒸气压将()A.上升B.下降C.不变D.不确定15. 已知ψ0(Zn2+/Zn)=-0.77V;ψ0(Cu2+/Cu)=0.34V;则还原性最强的是:( ) A.Zn2+/Zn;B.Cu2+/Cu;C.Zn;D.Cu。
煤炭特有工种职业技能鉴定《化学检验工》高级、技师、高级技师(三、二、一级)理论考试试卷(A卷)命题工种:化学检验工命题单位:煤化工公司质检计量中心命题人:李杰注意事项:1、答题前在试卷及答题卡规定的位置上,准确书写姓名、单位、准考证号、工种代码;2、必须用2B铅笔将正确答案填涂到答题卡上对应的题号中,不允许用钢笔或圆珠笔填涂,在试卷内填涂答案无效,修改时使用塑料橡皮擦除干净;3、不得在答题卡四周的图像定位点上及周围作任何标记;4、要保持答题卡的整洁,不能折叠或弄破;5、本份试卷共3道大题,满分100分,考试时间为90分钟。
一、判断题(每题1分,共30分,将正确的答案在答题卡中填涂“A”,错误的填涂“B”):( B )1、气相色谱分析中仪器预热不充分则基线不稳,但仍可进样分析。
( B )2、色谱峰宽W等于2倍半峰宽W1/2。
( B )3、为提高柱效应使用分子量小的载气(常用氢气)( B )4、气相色谱分析中转子流量计显示的载气流速十分准确。
( A )5、气相色谱分析中温度显示表头显示的温度值不是十分准确。
( A )6、高效液相色谱分析中,固定相极性大于流动相极性称为正相色谱法。
( B )7、无色溶液不能使用紫外可见分光光度法。
( B )8、在滴定分析中一般利用指示剂颜色的突变来判断化学计量点的到达,在指示剂变色时停止滴定,这一点称为化学计量点。
( A )9、物质的量浓度会随基本单元的不同而变化。
( A )10、酸效应曲线的作用就是查找各种金属离子所需的滴定最低酸度。
( B )11、为了获得纯净的沉淀,洗涤沉淀时洗涤的次数越多,每次用的洗涤液越多,则杂质含量越少,结果的准确度越高。
( A )12、在沉淀分离时,对常量组分和微量组分都可以进行沉淀分离。
( B )13、只要金属离子能与EDTA形成配合物,都能用EDTA直接滴定。
( A )14、实际应用中,要根据吸收剂吸收气体的特性,安排混合气体中各组分的吸收顺序。
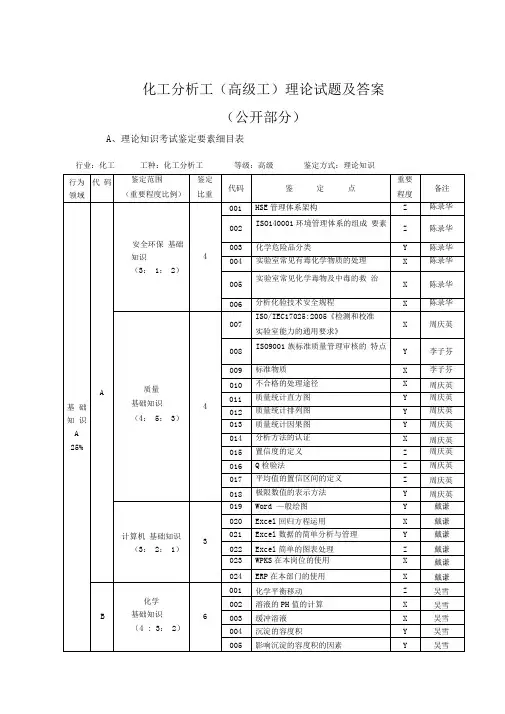
化工分析工(高级工)理论试题及答案(公开部分)A、理论知识考试鉴定要素细目表行业:化工工种:化工分析工等级:高级鉴定方式:理论知识理论知识试题:01.02.03.04.、选择题(每题四个选项,只有一个是正确的,将正确的选项填入括弧内)AA001 HSE管理体系文件可分为(A 二B 三C答案:BAA001在HSE管理体系中,(手册规定的具体展开。
A作业文件B 作业指导书C答案:CAA001在HSE管理体系中,发生的行为。
A违反答案:AAA001在HSE管理体系中,条件。
A不可能答案:B) 层。
四)是管理手册的支持性文件,上接管理手册,是管理程序文件 D 管理规定不安全行为是指B遵守( )安全规则或安全常识,使事故有可能C准备D传授物的不安全状态是指使事故( 可能必然)发生的不安全条件或物质必要AA001在HSE 管理体系中,风险评价是评价()程度,并确定是否在可承受范围的全过程。
A 控制B 检测C 预防D 风险答案: DAA002 ISO14001 环境管理体系共由( )个要素所组成。
A 18B 17C 16D 15答案: BAA002 ISO14001 标准由环境方针 , 策划 , 实施与运行,检查和纠正、管理评审等 ( )要素构成,各要素之间有机结合,紧密联系,形成 PDCA 循环,并确保企业的环境行为持续改善。
A 五个部分的 15 个B 五个部分的 16 个C 五个部分的 17 个D 五个部分的 18 个。
答案: CAA002 ISO14001 环境管理体系标准作为 ISO14000 系列的核心,是企业建立环境体系 并开展审核认证的()。
A 依据B 衡量标准C 重要依据 D根本准则答案: DAA003按化学品的危险特性,我国将危险化学分( )类。
A 4B 6C 8D 10答案: CAA003凡是摩擦、撞击、震动、热量或因其他因素的影响,能发生爆炸的物品称为爆炸 品。
按其性质、用途和安全要求可以分为()。
高级化工检验工试题一、简答题1.什么是高级化工检验工的职责?高级化工检验工是指负责高级化工产品质量检验及试验工作的专业技术人员。
他们主要负责根据产品生产的工艺流程和质量标准,对产品进行物理、化学、机械等方面的测试和分析,确保产品质量符合国家和企业的要求。
2.高级化工检验工需要具备哪些技能和素质?高级化工检验工需要具备以下技能和素质:–熟悉化工产品的常规检验方法和仪器使用;–具备较强的化学、物理、机械等基础知识;–具备良好的分析和判断能力;–具备较强的实验操作技能;–具备团队合作意识和沟通能力;–具备责任心和细心的工作态度。
3.请列举一些高级化工检验工常用的仪器设备。
–色谱仪:用于分离和检测化学物质的组分;–紫外可见分光光度计:用于测定物质的吸收和透过性;–质谱仪:用于对物质的组分和结构进行分析;–火焰光度计:用于测定物质中金属元素的含量;–密度计:用于测量液体或固体物质的密度;–粘度计:用于测量液体的黏度;–热分析仪:用于研究物质的热性质;–样品制备设备:如研磨机、离心机等。
二、计算题1.某化工厂生产乙醇酯化反应所需的醋酸与乙醇的摩尔比为1:4,已知醋酸和乙醇的密度分别为1.05 g/mL和0.79 g/mL,酯化反应的推定产物的摩尔质量为100 g/mol,求反应过程中生成的醋酸乙酯的摩尔质量。
反应前,醋酸的摩尔质量为60 g/mol,乙醇的摩尔质量为46 g/mol。
醋酸的质量 = 摩尔比 * 摩尔质量 = 1 * 60 = 60 g 乙醇的质量 = 摩尔比 * 摩尔质量 = 4 * 46 = 184 g反应前总质量 = 醋酸质量 + 乙醇质量 = 60 g + 184 g = 244 g反应后生成醋酸乙酯的质量 = 反应前总质量 = 244 g 反应后生成醋酸乙酯的摩尔质量 =反应后生成醋酸乙酯的质量 / 反应后生成醋酸乙酯的摩尔质量 = 244 g / (1 mol / 100 g) = 24400 g/mol所以,反应过程中生成的醋酸乙酯的摩尔质量为 24400 g/mol。
化学检验工(高级)理论知识试题一、单项选择题(每题1分,共80分)1. 化学检验工(高级)属于国家职业资格等级()。
A、一级B、二级C、三级D、四级2. 在国家、行业标准的代号与编号GB/T 18883-2002中GB/T是指()。
A、强制性国家标准B、推荐性国家标准C、推荐性化工部标准D、强制性化工部标准3. 分析中所用试剂含有微量被测组分,应该进行()A、空白试验B、对照试验C、平行试验D、方法校正4. 个别测定值与测定的平均值之间的差值在平均值中所占的百分率称为()。
A、相对误差B、相对偏差C、绝对误差D、绝对偏差5. 下列论述中错误的是()A、方法误差属于系统误差B、系统误差包括操作误差C、系统误差呈现正态分布D、系统误差具有单向性6. 分析工作中实际能够测量到的数字称为()A、精密数字B、准确数字C、可靠数字D、有效数字7. pH=5.26中的有效数字是()位。
A、0B、2C、3D、48. 在有效数字运算规则中,几个数据相乘除时,积或商的有效数字位数的保留应以()A、小数点后位数最少的数据为准B、有效数字位数最少的数据为准C、绝对误差最大的数据为准D、计算器上显示的数字为准9. 质量分数大于10%的分析结果,一般要求有()有效数字。
A、一位B、两位C、三位D、四位10.国家标准规定的实验室用水分为()级。
A、4B、5C、3D、211.普通分析用水pH应在()A、5~6B、5~6.5C、5~7.0D、5~7.512.滴定度是指与1mL标准溶液相当的被测物的()A、物质的量B、质量C、含量D、摩尔数13.直接法配制标准溶液必须使用()A、基准试剂B、化学纯试剂C、分析纯试剂D、优级纯试剂14.国家标准规定:制备的标准滴定溶液与规定浓度相对误差不得大于()A、0.5%B、1%C、5%D、10%15.标准滴定溶液在常温下保存时间一般不超过()A、1个月B、2个月C、3个月D、6个月16.实验室中常用的铬酸洗液是由哪两种物质配制的()A、K2CrO4和浓H2SO4B、K2CrO4和HClC、K2Cr2O7和浓HClD、K2Cr2O7和浓H2SO417.分光光度法的吸光度与()无关。
煤炭特有工种职业技能鉴定《化学检验工》高级、技师、高级技师(三、二、一级)理论考试试卷(A卷)命题工种:化学检验工命题单位:煤化工公司质检计量中心命题人:李杰注意事项:1、答题前在试卷及答题卡规定的位置上,准确书写姓名、单位、准考证号、工种代码;2、必须用2B铅笔将正确答案填涂到答题卡上对应的题号中,不允许用钢笔或圆珠笔填涂,在试卷内填涂答案无效,修改时使用塑料橡皮擦除干净;3、不得在答题卡四周的图像定位点上及周围作任何标记;4、要保持答题卡的整洁,不能折叠或弄破;5、本份试卷共3道大题,满分100分,考试时间为90分钟。
一、判断题(每题1分,共30分,将正确的答案在答题卡中填涂“A”,错误的填涂“B”):( B )1、气相色谱分析中仪器预热不充分则基线不稳,但仍可进样分析。
( B )2、色谱峰宽W等于2倍半峰宽W1/2。
( B )3、为提高柱效应使用分子量小的载气(常用氢气)( B )4、气相色谱分析中转子流量计显示的载气流速十分准确。
( A )5、气相色谱分析中温度显示表头显示的温度值不是十分准确。
( A )6、高效液相色谱分析中,固定相极性大于流动相极性称为正相色谱法。
( B )7、无色溶液不能使用紫外可见分光光度法。
( B )8、在滴定分析中一般利用指示剂颜色的突变来判断化学计量点的到达,在指示剂变色时停止滴定,这一点称为化学计量点。
( A )9、物质的量浓度会随基本单元的不同而变化。
( A )10、酸效应曲线的作用就是查找各种金属离子所需的滴定最低酸度。
( B )11、为了获得纯净的沉淀,洗涤沉淀时洗涤的次数越多,每次用的洗涤液越多,则杂质含量越少,结果的准确度越高。
( A )12、在沉淀分离时,对常量组分和微量组分都可以进行沉淀分离。
( B )13、只要金属离子能与EDTA形成配合物,都能用EDTA直接滴定。
( A )14、实际应用中,要根据吸收剂吸收气体的特性,安排混合气体中各组分的吸收顺序。
化学检验工(高级)理论知识试卷2載aIiiiiiiiiii呈iiiiiiiiiiiiNa注意事项1、考试时间:120分钟。
2、请首先按要求在试卷的标封处填写您的姓名、准考证号和所在单位的名称。
3、请仔细阅读各种题目的回答要求,在规定的位置填写您的答案。
4、不要在试卷上乱写乱画,不耍在标封区填写无关的内容。
一•总分得分得分评分人一、单项选择题(第1题〜第160题,选择一个正确的答案,将相应的字母填到题内的括号中,每题0・5分,满分80分。
)1、2、3、4、KMnO4滴定所需的介质是(A、硫酸B、盐酸C、重铭酸钾法测定铁时,加入硫酸的作用主要是(A、降低Fe卄浓度B、增加酸度)oC、磷酸硝酸)o 防止沉淀中号用电位滴定法测定卤素吋,滴定剂为AgNO3,指示电极用(C、玻璃电极级。
3IIIIIIIIIIIIIIIIIIIIIIII5、6、7、8、9、A、银电极国家标准规定的实验室用水分为A、4B、5pH=5.26中的有效数字是(A、0B、2使用浓盐酸、浓硝酸,必须在(A、大容器C、耐腐蚀容器B、钳电极(D、)。
D.变色明显甘汞电极)C、位。
C、D、3)中进行。
D、B、D、化学烧伤中,酸的蚀伤,应用大量的水冲洗,然后用(A、0.3 mol/L HAc 溶液B、2%C、0.3 mol/L HC1 溶液D、2%一级水的吸光率应小于()。
A、0.02B、0.01玻璃器mi通风厨)冲洗,再用水冲洗。
NaHCOs溶液NaOH溶液C、0.002 D. 0.001欲测定水泥熟料中的SO3含量,由4人分别测定。
试样称取2.164g,四份报告如下,哪一份是合理的()oA、2.163%B、2」634%C、2.16%D、2.2%10、用同一浓度的NaOH标准溶液分别滴定体积相等的H2SO4溶液和HA C溶液,消耗的体积相等,说明H2SO4溶液和HAc溶液浓度关系是(A、c (H2SO4) = c (HAc)C、2c (H2SO4) = c (HAc)11、物质的量单位是()。
化学检验工高级工理论知识考核试卷注 意 事 项1、考试时间:120分钟。
2、本试卷依据《化学检验工国家职业标准》命制。
3、请首先按要求在试卷的标封处填写您的姓名、准考证号和所在单位的名称。
4、请仔细阅读各种题目的回答要求,在规定的位置填写您的答案。
5、不要在试卷上乱写乱画,不要在标封区个备选项中选取一个正确答案填写在括号中。
错选、漏选、多选均不得分,也不反扣分)1、某酸在18℃时的平衡常数为1.84×10-5,在25℃时的平衡常数为1.87×10-5,则说明该酸( )。
(A) 在18℃时溶解度比25℃时小 (B) 的电离是一个吸热过程 (C) 温度高时电离度变小(D) 温度高时溶液中的氢离子浓度变小 2、0.10mol/L 乙酸溶液的pH 值为(已知K HAc =1.8×10-5)( )。
(A) 2.7 (B) 2.87 (C) 2.75 (D) 5.73、0.10mol/LNa 3PO 4溶液的pH 值为(K a1=7.6×10-3、K a2=6.3×10-8、K a3=4.4×10-13)( )。
(A) 12.68 (B) 10.68 (C) 6.68 (D) 11.68 4、在中学中我们就知道,金属活动顺序表中氢以后的金属,不能从酸中置换出氢气。
试通过计算判定(均在标准状态下) 2Ag+2HI ≒2AgI ↓+H 2↑反应的方向(V E AgAg 7995.00/=+、AgI 的Ksp=9.3×10-17)( )。
(A) 0.146V 、反应向左进行 (B) -0.146V 、反应向右进行 (C) 0.327V 、反应向左进行(D) 由于必要数据未给全,因此无法确定5、已知在25℃时氯化银的溶解度为1.34×10-5mol/L 则氯化银的溶度积为( )。
(A) 1.34×10-5(B) 1.8×10-10(C) 3.6×10-10(D) 2.4×10-156、化学吸附的特点是( )。
试卷编码: 11DL17030000-62601011530001 第 1 页 共 4 页职业技能鉴定湖北省题库化工检验工高级理论知识试卷注 意 事 项1、考试时间:120分钟。
2、请首先按要求在试卷的标封处填写您的姓名、准考证号和所在单位的名称。
3、请仔细阅读各种题目的回答要求,在规定的位置填写您的答案。
4、不要在试卷上乱写乱画,不要在标封区填写无关的内容。
一、单项选择(第1题~第80题。
选择一个正确的答案,将相应的字母填入题内的括号中。
每题1分,满分80分。
)1. 戊烷在1.013 25×105Pa 、20 ℃时是( )。
A 、气态B 、液态C 、气-液平衡态D 、固态 2. 以下结构式中,( )不是二甲苯。
A 、B 、C 、D 、3. 烯烃C 4H 8一共有( )异构体。
A 、4种B 、5种C 、3种D 、2种 4. ( )不能与氢氧化钠的水溶液反应。
A 、乙醇B 、环烷酸C 、脂肪酸D 、苯酚 5. 下列物质中既有离子键又有共价键的是( )。
A 、H 2O B 、CaCl 2 C 、Cl 2D 、NaOH6. ( )分子间有氢键形成。
A 、乙醛B 、丙酮C 、乙醚D 、苯酚7. 仪器可检测的紫外光的波长范围在( )。
A 、10~200 nmB 、400~760 nmC 、190~345 nmD 、0.76~50 ?m 8. 在下列说法中,( )是正确的。
A 、玻璃棱镜适用于可见光区,石英棱镜仅适用于紫外光区B 、玻璃棱镜和石英棱镜适用于紫外光区C 、玻璃棱镜和石英棱镜仅适用于可见光区D 、玻璃棱镜适用于可见光区,石英棱镜适用于紫外光区和可见光区 9. ( )的变化,不产生光谱。
A 、电子能量B 、分子中原子间振动能量C 、分子转动能量D 、分子平动能量 10. 与计算相关系数r 无关的是( )。
A 、∑--(y y x x i i B 、∑-2)(x x i C 、∑-2(y y i D 、∑2x11. 为解决某一特定问题而设计的指令序列称为( )。
A 、文档B 、语言C 、程序D 、系统 12. 在Windows 系统中,能弹出对话框的操作是( )。
A 、选择了带省略号的菜单项B 、选择了带向右三角形箭头的菜单项C 、选择了颜色变灰的菜单项D 、运行了与对话框对应的应用程序 13. ABS 是( )三元共聚物。
A 、丙烯腈-丁二烯-苯乙烯B 、苯乙烯-丁二烯-苯乙烯C 、丙烯-丁二烯-苯乙烯D 、苯乙烯-丙烯腈 14. 甲醇用来生产高标号汽油的调和组分( )。
A 、二甲醚B 、甲基叔丁基醚C 、乙醇D 、甲乙醚 15. 环氧乙烷是( )原料。
A 、合成树脂B 、有机化工C 、石油工业D 、合成橡胶 16. 乙二醇主要用于制造( )。
A 、表面活性剂B 、乙醇胺C 、聚酯纤维及薄膜D 、油品添加剂 17. 乙苯脱氢制苯乙烯时所需的热量是由( )带入。
A 、过热蒸汽B 、加热原料C 、加热催化剂D 、反应时由热介质间接加热 18. 粗甲醇精制时可根据要求设置( )塔流程。
A 、二B 、三C 、四D 、A,B 和C 19. 乙烯氧化法制环氧乙烷是将原料乙烯与氧和( )送入一个大型列管式等温催化反应器。
A 、空气 B 、循环气 C 、装置外补充的氢气 D 、氮气 20. 环氧乙烷水合生成乙二醇是在( )进行的。
A 、约1 MPa 压力下B 、约2 MPa 压力下C 、约3 MPa 压力下D 、约4 MPa 压力下21. 在复杂体系中,溶质在两相中以多种形式存在,可用( )来说明有多少溶质被萃取。
考 生 答 题 不 准超过此 线A、分配系数B、分配比C、萃取百分数D、分离因数22. 含烷基的螯合物可用()作萃取溶剂。
A、苯B、CCl4C、乙醚D、异戊烷23. 根据电极上析出的金属的质量或气体的量来实现分析的方法叫()。
A、电质量分析法B、库仑分析法C、微库仑分析法D、电位滴定法24. 根据微库仑滴定曲线的()可测定电生滴定剂消耗的电量,其数值大小正比于被测物质的量,故可由法拉第定律求出被测物质的含量。
A、高度B、面积C、宽度D、时间25. 微库仑法测氯离子选用的是()指示电极。
A、铂B、银C、铂黑D、Ag-AgCl26. 石英管在安装前应按()顺序清洗。
A、自来水—洗液—蒸馏水—去离子水B、洗液—自来水—蒸馏水—去离子水C、自来水—蒸馏水—洗液—去离子水D、自来水—蒸馏水—洗液—去离子水27. 在衍射光谱中,中央是白色明条纹,在其两侧的各级条纹中,最靠近中心的为()。
A、紫色B、红色C、黄色D、绿色28. 分光光度计的吸收池被有机物玷污时,可按()顺序冲洗。
A、碱溶液—自来水—蒸馏水B、1∶2HCl-乙醇溶液—自来水—蒸馏水C、酸溶液—自来水—蒸馏水D、铬酸洗液—自来水—蒸馏水29. 色谱法实质上是利用了()具有不同的分配系数进行定性和定量分析的。
A、相同物质在不同的两相B、相同物质在相同的两相C、不同物质在相同的两相D、不同物质在不同的两相30. 气相色谱法分为两类,它们是气-固色谱和()色谱。
A、气-液B、高效液相C、薄层D、柱31. 色谱法具有高选择性是指()。
A、能分离组成复杂的混合物B、能分离性质极为相近的物质C、可分析少到10-11~10-13 g的物质D、所需样品少,非常适合于微量和痕量分析32. 气相色谱仪器的基本部件包括()组成部分。
A、3个B、4个C、5个D、6个33. 不被固定相吸附或溶解的气体进入色谱柱时,从进样到柱后出现极大值的时间称为()。
A、死时间B、保留时间C、固定保留时间D、调整保留时间34. 在色谱分析中,样品应以()流动方式进入色谱柱中。
A、连续B、塞式C、间歇D、波式35. 对于试样中各组分不能完全出峰的色谱分析,不能使用()进行定量计算。
A、内标法B、外标法C、内加法D、归一化法36. 氢火焰离子化检测器的灵敏度为()。
A、10-10 g/sB、10-10 g/LC、10-12 mV·s/gD、1012 g/L 37. 固定液一般是()化合物,并各有其特定的使用温度范围。
A、高沸点有机B、高沸点无机C、低沸点有机D、低沸点无机38. 担体是()。
A、支持固定液膜的惰性支持体B、支持固定液膜的活性支持体C、吸附分离试样的吸附剂D、对试样分离起作用的催化剂39. 担体粒度与()无关系。
A、比表面积B、目数C、孔径D、堆积密度40. 在气相色谱分析中,把()称为载气。
A、流动相气体B、空气C、样品中溶剂气体D、高纯氮气41. 热导检测器一般选择氢气为载气的原因是()。
A、氢气的导热系数小B、氢气的导热系数大C、氢气的扩散系数大D、氢气的扩散系数小42. 内径为4 mm的色谱柱,其可用流速为()。
A、10 mL/minB、30 mL/minC、100 mL/minD、10 mL/s43. ()不宜作色谱柱的密封件。
A、聚四氟乙烯B、石墨垫C、橡胶D、紫铜压帽44. 若TCD检测器的热丝电阻值不相等,会()。
A、基线漂移B、峰形变坏C、不出峰D、噪音大45. 流动相为液相的色谱称为()。
A、气相色谱B、液相色谱C、吸附色谱D、薄层色谱46. 高压输液系统不包括()。
A、高压泵B、过滤器C、储液罐D、注射器47. 荧光检测器的缺点是()。
A、选择性强,干扰少B、对温度变化不敏感C、适合做痕量分析D、只能检测少数荧光物质48. ()可分为正相色谱和反相色谱。
A、吸附色谱B、化学键合相色谱C、离子交换色谱D、凝胶色谱49. 作为液相色谱流动相的烃类溶剂应该用()精制。
A、分子筛B、硅胶C、浸透硝酸银的硅胶D、CaCl250. 正相液-液色谱主要用来分离()。
A、极性化合物B、非极性化合物C、异构体D、不同族类化合物51. 化学键合相色谱一般采用硅胶为载体,硅胶表面的硅醇基是进行键合反应的基团。
发生键合反应最为稳定的是()。
A、硅氧硅碳键合物B、硅氧碳键型C、硅碳键型D、硅氮键型52. 离子交换色谱中,对于酸类样品,减少pH值,保留值()。
A、增加B、降低C、不变D、无影响53. 凝胶色谱也称()。
A、离子对色谱B、空间排斥色谱C、离子交换色谱D、液-液色谱54. 原子吸收光谱法主要用于测定()元素。
A、稀土B、放射性C、金属D、非金属55. 原子吸收光谱分析中所测元素的性质是由()决定的。
考生答题不准超过此线地区姓名单位名称准考证号试卷编码: 11DL17030000-62601011530001 第2 页共4 页试卷编码: 11DL17030000-62601011530001 第 3 页 共 4 页A 、光源B 、原子化器C 、检测器D 、预先已知因素 56. 在原子吸收分析中,吸光度的范围应为( ),以减少读数误差。
A 、0~0.9B 、0.1~0.5C 、0.2~0.8D 、0~0.5 57. 现代原子吸收光谱仪分光系统的组成主要是( )。
A 、棱镜、凹面镜、狭缝B 、棱镜、透镜、狭缝C 、光栅、透镜、狭缝D 、光栅、凹面镜、狭缝 58. 使用原子吸收光谱法分析样品时,火焰温度最高的是( )。
A 、氢气-氧气B 、乙炔-空气C 、煤气-空气D 、乙炔-氧化亚氮 59. 在原子吸收光谱仪检测系统中,将光信号转换为电信号的元件是( )。
A 、放大器B 、对数转换器C 、光电倍增管D 、光电池 60. ( )原子吸收分光光度法不能同时测定两种元素。
A 、单道双光束型B 、双道单光束型C 、双道双光束型D 、多道多光束型 61. 在原子吸收分光光度计中,空心阴极灯发光不稳定与( )无关。
A 、灯电流不稳定 B 、灯质量不好C 、载气压力降低D 、灯内存在杂质气体62. 在石墨炉原子吸收光谱法直接测定中,由于化合物的形态不同而造成的误差,可在试样中加入( )予以消除。
A 、硫酸镁B 、LaC 、二甲苯D 、碘 63. 测定有机液体中微量硫时,燃烧区温度为( )。
A 、420 ℃B 、730 ℃C 、630 ℃D 、1 000 ℃64. 在测定水质的色度时,使用的是Hazen (铂-钴)颜色单位,即每升溶液含( )溶液的颜色。
A 、1 mg 铂(以氯铂酸计)及2 mg 六水合氯化钴 B 、1 mg 铂及2 mg 六水合氯化钴 C 、1 mg 铂及2 mg 氯化钴D 、1 mg 铂(以氯铂酸计)及2 mg 氯化钴65. 测定水中总磷时,显色后生成蓝色配合物,测定波长应选为( )。
A 、300 nmB 、400 nmC 、700 nmD 、350 nm 66. 四氯汞钾是( )毒物。
A 、Ⅰ级B 、Ⅱ级C 、Ⅲ级D 、Ⅳ级67. 液化石油气组成测定法含C 5组分试样(n C 05沸点为36.07 ℃)汽化水浴温度为( )。