采购管理-订单跟踪工具表单
- 格式:docx
- 大小:15.84 KB
- 文档页数:3
ERP系统使用基础操作指南第1章 ERP系统概述 (4)1.1 系统简介 (4)1.2 功能模块介绍 (4)第2章系统登录与退出 (5)2.1 登录系统 (5)2.1.1 打开浏览器,输入ERP系统访问地址,按回车键。
(5)2.1.2 在登录页面,输入用户名和密码,“登录”按钮。
(5)2.1.3 登录成功后,系统将自动跳转到主页面。
若登录失败,请检查用户名、密码是否正确,或联系系统管理员。
(5)2.2 退出系统 (5)2.2.1 在系统主界面的右上角,找到“退出”按钮,。
(5)2.2.2 弹出确认退出提示框,“确定”,即可退出系统。
(5)2.3 修改密码 (5)2.3.1 在系统主界面,右上角的“用户名”,在下拉菜单中选择“修改密码”。
(5)2.3.2 进入修改密码页面,输入原密码、新密码及确认新密码。
(5)2.3.3 按照页面提示,完成密码修改操作。
(5)2.3.4 修改成功后,系统会提示“密码修改成功”,“确定”后,重新登录系统即可使用新密码。
若修改失败,请按照提示信息进行操作或联系系统管理员。
(5)第3章系统界面与基本操作 (5)3.1 系统界面布局 (5)3.2 菜单栏与工具栏 (6)3.2.1 菜单栏 (6)3.2.2 工具栏 (6)3.3 功能快捷键 (6)第4章基础信息管理 (7)4.1 员工信息管理 (7)4.1.1 新增员工信息 (7)4.1.2 修改员工信息 (7)4.1.3 删除员工信息 (7)4.1.4 查询员工信息 (7)4.2 客户信息管理 (7)4.2.1 新增客户信息 (7)4.2.2 修改客户信息 (8)4.2.3 删除客户信息 (8)4.2.4 查询客户信息 (8)4.3 供应商信息管理 (8)4.3.1 新增供应商信息 (8)4.3.2 修改供应商信息 (8)4.3.3 删除供应商信息 (8)4.3.4 查询供应商信息 (8)第5章销售管理 (9)5.1.1 订单录入 (9)5.1.2 订单审批 (9)5.1.3 订单执行 (9)5.1.4 订单跟踪 (9)5.2 销售出库管理 (9)5.2.1 出库单创建 (9)5.2.2 出库单审批 (9)5.2.3 出库操作 (10)5.2.4 物流配送 (10)5.3 销售退货管理 (10)5.3.1 退货申请 (10)5.3.2 退货审批 (10)5.3.3 退货接收 (10)5.3.4 退款处理 (10)第6章采购管理 (10)6.1 采购订单管理 (10)6.1.1 创建采购订单 (10)6.1.2 审批采购订单 (10)6.1.3 采购订单跟踪 (11)6.2 采购入库管理 (11)6.2.1 收货确认 (11)6.2.2 入库验收 (11)6.2.3 入库单管理 (11)6.3 采购退货管理 (11)6.3.1 退货申请 (11)6.3.2 退货审批 (11)6.3.3 退货执行 (11)第7章库存管理 (11)7.1 库存查询 (11)7.1.1 功能描述 (11)7.1.2 操作步骤 (12)7.1.3 注意事项 (12)7.2 库存盘点 (12)7.2.1 功能描述 (12)7.2.2 操作步骤 (12)7.2.3 注意事项 (12)7.3 库存预警设置 (12)7.3.1 功能描述 (12)7.3.2 操作步骤 (13)7.3.3 注意事项 (13)第8章财务管理 (13)8.1 应收账款管理 (13)8.1.1 客户资料管理 (13)8.1.3 收款管理 (13)8.1.4 账龄分析 (13)8.2 应付账款管理 (13)8.2.1 供应商资料管理 (13)8.2.2 采购发票管理 (13)8.2.3 付款管理 (14)8.2.4 账龄分析 (14)8.3 会计凭证管理 (14)8.3.1 凭证录入 (14)8.3.2 凭证审核 (14)8.3.3 凭证过账 (14)8.3.4 凭证查询 (14)8.3.5 凭证打印 (14)第9章报表与分析 (14)9.1 销售报表 (14)9.1.1 销售数据概览 (14)9.1.2 销售明细报表 (14)9.1.3 销售退货报表 (14)9.2 采购报表 (15)9.2.1 采购数据概览 (15)9.2.2 采购明细报表 (15)9.2.3 采购到货情况报表 (15)9.3 库存报表 (15)9.3.1 库存数据概览 (15)9.3.2 库存明细报表 (15)9.3.3 库存预警报表 (15)9.4 财务报表 (15)9.4.1 财务数据概览 (15)9.4.2 应收账款报表 (15)9.4.3 应付账款报表 (15)9.4.4 费用报表 (16)第10章系统设置与维护 (16)10.1 系统参数设置 (16)10.1.1 进入系统参数设置界面 (16)10.1.2 设置系统参数 (16)10.1.3 保存与生效 (16)10.2 用户权限管理 (16)10.2.1 添加用户 (16)10.2.2 设置用户权限 (16)10.2.3 启用与禁用用户 (16)10.3 数据备份与恢复 (17)10.3.1 数据备份 (17)10.3.2 数据恢复 (17)10.4.1 查看系统日志 (17)10.4.2 导出日志 (17)第1章 ERP系统概述1.1 系统简介企业资源计划(ERP)系统是一种集成了企业各项业务流程的信息化管理平台。
用友ERP基本操作(仓库)1.委外到货单供应链—委外管理—委外到货—委外到货单—增加—生单委外订单—输入订单号过滤—双击选择你所需的订单号—确认进行到货—根据供应商所带的手工送货单进行到货—到货时无需的料号直接删行—确认无误保存列印出到货单(材料验收入库单),每到货单只能列印8行。
2.采购到货单供应链—采购管理—采购到货—增加—生单采购订单—输入订单号过滤—双击选择你所需的订单号—确认进行到货—根据供应商所带的手工送货单进行到—到货时无需的料号直接删行—确认无误保存列印出到货单(材料验收入库单),每到货单只能列印8行。
备注:1.模具材料的到货单在保存后要在ERP右上角框中选模板,再打印.2.锌板和铝板材打单是输件数,非重量. 3.领料单输入①车间领料供应链—库存管理—出库业务—材料出库单—增加—出库日期—仓别—订单号为生产订单—确认输入工单号—过滤—双击选择你所需的工单号—确定进行领料—领料时无需的料号直接删行—出库类别为车间领用出库(代码20)—实际领料单据号输入—确认无误保存审核—领料完毕②委外领料供应链—库存管理—出库业务—材料出库单—增加—出库日期—仓别—订单号为委外订单—确认输入订单号—过滤—双击选择你所需的订单号—确定进行领料—领料时无需的料号直接删行—出库类别为委外领用出库(代码23)—实际领料单据号输入—确认无误保存审核—领料完毕4.材料验收入库单输入①采购入库供应链—库存管理—入库业务—采购入库单—增加—入库日期—仓别—到货号为采购到货单—确认输入到单据号—过滤—双击选择你所需的单据号—确定进行收料—确认无误码保存审核—收料完毕②委外入库供应链—库存管理—入库业务—采购入库单—增加—入库日期—仓别—到货号为委外到货单—确认输入到单据号—过滤—双击选择你所需的单据号—确定进行收料—确认无误码保存审核—收料完毕5.库存查询作业供应链—库存管理—报表—库存账—现存量查询/出入库流水账/库存台账6.成品入库单(半成品入库)供应链—库存管理—入库作业—产成品入库单—增加—入库日期—仓别(010保税成品仓)—生产订单—输入生产工单号—过滤—双击选择你所需的工单号—进行入库—入库时无需料号删行—入库类别为成品入库(代码12)—实入库单据号—确认无误保存审核—半成品入库完毕7.其他出入库单供应链—库存管理—出库业务—入库业务—增加—出库日期—仓别—出入库类别—备注—实出入库单据号输入—出入库料号、数量手动输入—保存审核—其他出入库完毕8.退库单、退货单①有工单号和订单号分别在材料出库和采购入库里面以红字进行操作②无工单号的退库单在其他出库以红字进行操作9.其它调拨单、形态转换单、盘点单审核后将自动产生其他出库单和其他入库进行审核。
VMI代管挂账业务流程说明一.VMI管理简介使用VMI管理一方面降低企业库存,保证生产物料及时供应,另一方面供应商能及时了解企业的物料消耗以便于及时供货。
U8VMI采购业务解决方案从创建采购订单到采购到货、入代管库和代管挂帐结算整个流程。
VMI采购业务中,采购部门根据企业物料控制部门下达的采购计划执行采购任务。
根据采购计划由招标部分析供应商存货对照表,从而确定供应商,同时采购部根据招标部确定的供应商及与该供应商签订的采购合同给供应商下达采购订单,根据采购合同规定采购物料品种规格、数量、价格和送货日期。
供应商送货到工厂后,对需要检验的物料由采购部门协调相关品质部门进行质检,并通知仓管部门办理入库。
企业定期对VMI供应商的物料实际消耗情况进行汇总,形成消耗明细数据,由供应商确认消耗明细表数据,并开出发票进行结算。
采购部门将相关入库单据和发票转财务部门进行应付款登帐和存货成本记帐。
二.U8VMI系统处理流程图U8VMI业务流程说明:(1)采购部门执行VMI采购业务时,根据招标部确定的供应商,参照与该供应商签订的采购合同在【采购管理】中生成采购订单,物料名称、价格由采购合同自动代入采购订单,同时确定此次采购的数量、送货日期等信息。
经过审核后的采购订单手工传给相应的供应商备货。
(2)供应商送货时,采购部门参照采购订单在【采购管理】填制采购到货单,需要检验的物料通知品质部门进行检验。
(3)品质部门检验通过,仓储中心对检验合格物料在【库存管理】中参照到货单填制采购入库单。
VMI采购物料办理入库,入代管仓库。
(4)企业实际耗用时,一种方式是企业将需要耗用的数量在【库存管理】中从代管仓库中调拨至企业自由仓库,车间从企业自由仓库中根据限额领料单、配比出库单、其他出库单办理出库;另一种方式是车间直接从代管仓库中根据限额领料单、配比出库单、其他出库单办理出库。
同时在出库单据上记录和匹配相应物料的提供商。
(5)仓储中心定期根据材料出库单、其他出库单单据定期汇总VMI物料耗用明细,并传给供应商进行确认。
物资入库、领料和出库管理办法文件编号:YJCWS09-06 版本:B 页码:第 1 页共 9 页用友ERP基本操作(仓库)1.委外到货单供应链—委外管理—委外到货—委外到货单—增加—生单委外订单—输入订单号过滤—双击选择你所需的订单号—确认进行到货—根据供应商所带的手工送货单进行到货—到货时无需的料号直接删行—确认无误保存列印出到货单(材料验收入库单),每张到货单只能列印8行。
2.采购到货单供应链—采购管理—采购到货—增加—生单采购订单—输入订单号过滤—双击选择你所需的订单号—确认进行到货—根据供应商所带的手工送货单进行到—到货时无需的料号直接删行—确认无误保存列印出到货单(材料验收入库单),每张到货单只能列印8行。
备注:1.模具材料的到货单在保存后要在ERP右上角框中选模板,再打印.2.锌板和铝板材打单是输件数,非重量. 3.领料单输入①车间领料供应链—库存管理—出库业务—材料出库单—物资入库、领料和出库管理办法文件编号:YJCWS09-06 版本:B 页码:第 2 页共 9 页增加—出库日期—仓别—订单号为生产订单—确认输入工单号—过滤—双击选择你所需的工单号—确定进行领料—领料时无需的料号直接删行—出库类别为车间领用出库(代码20)—实际领料单据号输入—确认无误保存审核—领料完毕②委外领料供应链—库存管理—出库业务—材料出库单—增加—出库日期—仓别—订单号为委外订单—确认输入订单号—过滤—双击选择你所需的订单号—确定进行领料—领料时无需的料号直接删行—出库类别为委外领用出库(代码23)—实际领料单据号输入—确认无误保存审核—领料完毕4.材料验收入库单输入①采购入库供应链—库存管理—入库业务—采购入库单—增加—入库日期—仓别—到货号为采购到货单—确认输入到单据号—过滤—双击选择你所需的单据号—确定进行收料—确认无误码保存审物资入库、领料和出库管理办法文件编号:YJCWS09-06 版本:B 页码:第 3 页共 9 页核—收料完毕②委外入库供应链—库存管理—入库业务—采购入库单—增加—入库日期—仓别—到货号为委外到货单—确认输入到单据号—过滤—双击选择你所需的单据号—确定进行收料—确认无误码保存审核—收料完毕5.库存查询作业供应链—库存管理—报表—库存账—现存量查询/出入库流水账/库存台账6.成品入库单(半成品入库)供应链—库存管理—入库作业—产成品入库单—增加—入库日期—仓别(010保税成品仓)—生产订单—输入生产工单号—过滤—双击选择你所需的工单号—进行入库—入库时无需料号删行—入库类别为成品入库(代码12)—实入库单据号—确认无误保存审核—半成品入库完毕7.其他出入库单供应链—库存管理—出库业务—入库业务—增加—出库日期—仓别物资入库、领料和出库管理办法文件编号:YJCWS09-06 版本:B 页码:第 4 页共 9 页—出入库类别—备注—实出入库单据号输入—出入库料号、数量手动输入—保存审核—其他出入库完毕8.退库单、退货单①有工单号和订单号分别在材料出库和采购入库里面以红字进行操作②无工单号的退库单在其他出库以红字进行操作9.其它调拨单、形态转换单、盘点单审核后将自动产生其他出库单和其他入库进行审核。
从订单到交付生产作业管理业务流程与表单下载温馨提示:该文档是我店铺精心编制而成,希望大家下载以后,能够帮助大家解决实际的问题。
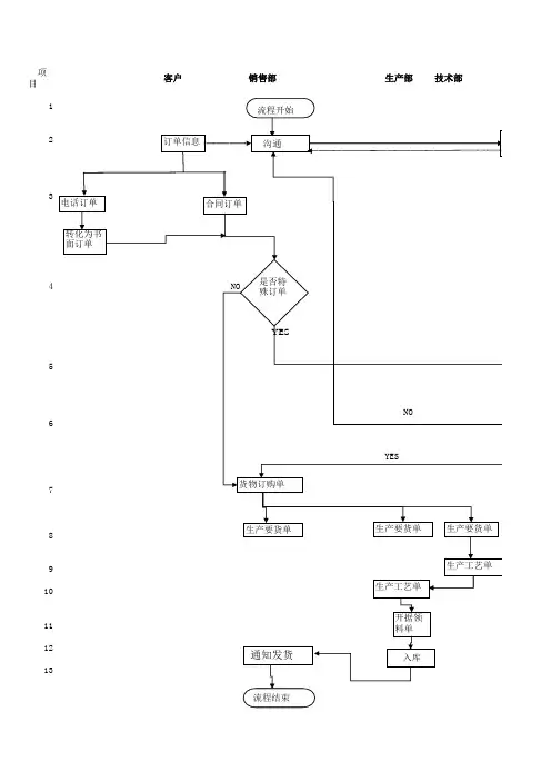
文档下载后可定制随意修改,请根据实际需要进行相应的调整和使用,谢谢!并且,本店铺为大家提供各种各样类型的实用资料,如教育随笔、日记赏析、句子摘抄、古诗大全、经典美文、话题作文、工作总结、词语解析、文案摘录、其他资料等等,如想了解不同资料格式和写法,敬请关注!Download tips: This document is carefully compiled by theeditor. I hope that after you download them,they can help yousolve practical problems. The document can be customized andmodified after downloading,please adjust and use it according toactual needs, thank you!In addition, our shop provides you with various types ofpractical materials,such as educational essays, diaryappreciation,sentence excerpts,ancient poems,classic articles,topic composition,work summary,word parsing,copy excerpts,other materials and so on,want to know different data formats andwriting methods,please pay attention!一、订单接收1.1 客户通过电话、邮件、网站等渠道向公司提交订单需求。
泛微流程表单-概述说明以及解释1.引言1.1 概述泛微流程表单是指在泛微协同办公系统中使用的一种特定形式的表单,用于支持业务流程的自动化处理。
它结合了泛微平台强大的数据处理能力和自定义表单的灵活性,为企业提供了一种高效、可定制的工作流程管理解决方案。
随着企业业务的不断扩张和流程的复杂化,传统的手工处理方式已经无法满足现代企业的需求。
泛微流程表单的出现解决了这一难题,它可以帮助企业实现业务流程的标准化和自动化,提高工作效率和质量。
泛微流程表单的特点之一是其高度可定制性。
用户可以根据具体业务需求自定义表单的布局、字段和逻辑规则,从而实现对工作流程的个性化定制。
这种灵活性使得泛微流程表单适用于各种不同的业务场景,无论是请假申请、报销审批还是合同管理,都可以通过泛微流程表单实现自动化处理。
另一个重要的特点是泛微流程表单的集成能力。
它可以与企业已有的系统和数据进行无缝对接,实现信息的共享和流转。
例如,当员工提交请假申请时,泛微流程表单可以自动与企业的人事系统进行交互,更新请假信息并通知相关人员,减少了信息传递的时间和错误率。
总之,泛微流程表单是一种强大的工作流程管理工具,通过提供高度可定制的表单和集成能力,帮助企业实现业务流程的自动化和优化。
未来,随着智能化、数字化的发展,泛微流程表单将在更广泛的领域得到应用,并不断提升其性能和功能,为企业带来更大的价值和竞争优势。
1.2 文章结构文章结构部分应该对整篇文章进行一个简要的介绍,包括所撰写文章的章节组成和每个章节的主要内容。
在本篇文章中,根据提供的目录结构,可以进行如下的编写:文章结构:本文主要分为引言、正文和结论三个部分。
1. 引言部分将对泛微流程表单进行一个概述,介绍文章的目的和结构。
2. 正文部分将详细阐述泛微流程表单的定义与特点,包括其在工作流程中的作用和功能,并举例说明其具体应用场景,以帮助读者更好地理解泛微流程表单的实际应用价值。
3. 结论部分将对泛微流程表单进行综合评价,分析其优势与不足,并展望未来发展趋势,指出泛微流程表单在未来可能的发展方向和应用领域。
采购作业管里制度1目的为了有效控制采购管理,使采购作业能有序的进行,做到有据可依,有章可循,制定本制度;2适用范围适用于公司所有物料及办公.生活用品(如机器设备,工具,原材料,辅料,委外加工料,电器,笔纸等)等采购作业;3.4. 权责4.1.物流中心采购部负责采购计划单量的原物料请购申请,采购料品质和交期的控制;4.2采购员负责材料采购,采购计划编制,采购材料的进度跟催;4.3物流中心仓储部负责原材料,辅料,外协加工件,设备,工具,生活,办公用品等数量验收;4.4品保中心品管部负责所有来料的检验,品管来料检验物料区分,按4.3分类区分存放检验;4.5物流中心采购部负责本制度编制,修订,执行;4.6计划部,仓储部及相关单位负责对本制度的确认,执行;4.7物流中心总监负责本制度的审核;4.8 董事长/总经理对本制度的审批;5.0流程图:见附页6.0 工作内容6.1.物料需求分析与请观:6.1.1生产中心计划部物控员接到计划员的(生产指令单)或着(周/月生产计划排程表)制定(物料需求分析表),呈计划部经理/总监审批,交采购部,填写内容具体祥见(物料需求分析表);6.1.2生产特殊辅料由相关使用单位填写(请购申请单)经本单位经理或副总审核,总监审批后交物流中心采购部.填写内容具体祥见<请购申请单>6.1.3本公司内部生产的自制件或外采购回来的配件,如需发外供应商加工等半成品需经检验入库后,由物流中心仓储部仓管员开出<委外加工单>交于采购部.填写内容具体祥见<委外加工单>;6.2采购计划:6.2.1采购部接到计划部物控员<物料需求分析表>或者相关单位提出的<请购单>的物需物料,制定采购计划,呈采购经理/副总审核,提交总经理审批,若审批金额超出总经理审批权限或重大物料采购呈总经理审核后,转呈老板审批;6..2.2 若物料是因情况紧急采购时:采购部需作紧急采购物料分类作出紧急采购计划,并在备注栏中说明原因,同时加注"紧急采购"字样,呈采购经理审核,副总审批;6.2.3若物料是因仓库安全库存采购时:采购部视其分类作出安全库存料采购计划,并注明"安全库存"字样呈物流中心总监或副总审批;6.2.4 若是自制件和需要发外加工料件等发出供应商加工的物料,采购部视其分类分供应商作出委加工计划,并注明"委外加工"字样,采购经理审核,副总审批;6.3采购作业:(采购单,委外加工单)6.3.1采购部采购员按照物料正常,紧急,安全库存,委外加工料的采购计划,根据品名规格查寻以前搜集到的供应商资料,从中找出3—5家供应商,进行比较后确定采购合同和供应商;6.3.2采购部采购员根据计划部制定的物料采购周期和时间,根据物料采购物料需用日期(含原材料,产品用料辅料,生活用品,办公用品,特殊辅料如:设备,工具,配件,研发)等物料,结合相同物料属同一供应商应统一采购,下达<采购单>或<委外加工单>经本部经理,物流中心副总审批后,分发或传真给供应商,并电话确认或回传交货日期以便与供应商达成采购任务,生成有效单据可输入ERP系统管制.6.3.3如交期与要求交货期有异,采购部采购员应及时与生产中心计划部物控员进行协调.并同时与供应商沟通确定日期和交货时间.采购员将调好的交货期填入<采购计划进度控制表>,一式二联:一联:采购部留存白二联:计划部物控员黄6.4采购计划跟催表6.4.1<采购单><委外加工单><请购申请单>跟催,按采购,委外加工,请购日期顺序排好,统计成报表,提前一定的时间进行跟催.6.4.2采购员定期跟催,于每周固定的时间将要跟催的<采购单><委外加工单><请购申请单>整理好,制定报表定期统一跟催;6.4.3采购部采购员将供应商回传交货日期进行跟踪,如有异常情况影响生产计划,制造与交货的,应及时与计划部协调处理(准时交货或物料延期交货).6.5送货/收货/入库:6.5.1 供库应商或本公司司机或采购员自拉回物料存放在仓库的<来料待检区>,同时将供应商开具的<送货单>交于仓库仓管,由仓管员清点数量和对物料加以标识挂上<原物料标签>,将送货单,采购单交于品管员进行物料检验,6.5.2若检验员检验为合格物料,由检验员通知仓管员办理入库手续.6.5.3若检验员检验为不合格物料,检验员通知仓管员开出退货单,通知采购员联系供应商安排退货,换货或着补货.7.0 相关表单7.1采购单;7.2委外加工单;7.3请购申请单;7.4采购计划进度控制表;8.0相关支持文件8.1 物料需求分析与请购作业管理制度;8.2仓储规划管理制度;8.3原物料,外购件入作业管理制度;采购部各岗位的工作职责采购经理的工作职责:1.主持采购部全面的工作,提出物料的采购计划,报总经理审批后开始组织实施,确保各项采购任务的完成;2.审核各部门呈报的年度采购计划,统筹策划和确定采购内容,减少不必要的开支,以有效的资金,保证最大的物资供应;3.要熟悉和撑握公司所有各物料的名称,型号,规格,单价,用途和产地,检查购进物料是否符合质量要求,对公司的物料采购和质量要求负有领导作用;4.监督并参与大宗物料的业务洽谈,检查合同的执行和落实情况;5.按计划完成各类物资的采购任务,并在预算内尽量减少开支;6.认真监督各采购员的采购进程和价格控制;7.在部门经理的例会上,定期汇报采购落实结果;8.每月初将上月的全部的采购任务完成与未完成情况逐项列出报表,呈送总经理或着财务经理,以便于上级领导撑握全公司的采购项目;9.督导采购员在从事采购业务活动中,要遵纪守法,讲信誉,不索贿,与供应单位保持良好的关系,在平等互利的原则下开展业务来往.采购员的职责:1.了解各部门物资需求及各种物资的市场供应情况,掌握财务部及采购部对各种物资采购成本及采购资金控制要求,熟悉各种物资采购计划;2.各部门急用的物品要优质采购,要做到按计划采购,认真核实各部的申购计划,根据仓库存货情况,定出采购计划,对定型、常用物资按库存规定及时办理,与仓管员经常沟通,防止物资积压,做好物资使用的周期性计划工;3.采购物资应严格把好质量关,对不符合质量要求的要坚决拒收,根据销售动向和市场信息,积极争取定购货源,保证货源充足;4.认真贯彻执行合同法,严格审核合同款项,订购业务,必须上报经理或主管级,研究后方可实施;5.努力学习业务知识,提高业务水平,接待来访业务要热情有礼,外出采购时要注意维护公司的礼仪、利益和声誉,不谋私利;6.严格遵守财务制度、遵纪守法、不索贿、受贿,在平等互利下开展业务活动。
VMI代管挂账业务流程说明一.VMI管理简介使用VMI管理一方面降低企业库存,保证生产物料及时供应,另一方面供应商能及时了解企业的物料消耗以便于及时供货。
U8VMI采购业务解决方案从创建采购订单到采购到货、入代管库和代管挂帐结算整个流程。
VMI采购业务中,采购部门根据企业物料控制部门下达的采购计划执行采购任务。
根据采购计划由招标部分析供应商存货对照表,从而确定供应商,同时采购部根据招标部确定的供应商及与该供应商签订的采购合同给供应商下达采购订单,根据采购合同规定采购物料品种规格、数量、价格和送货日期。
供应商送货到工厂后,对需要检验的物料由采购部门协调相关品质部门进行质检,并通知仓管部门办理入库。
企业定期对VMI供应商的物料实际消耗情况进行汇总,形成消耗明细数据,由供应商确认消耗明细表数据,并开出发票进行结算。
采购部门将相关入库单据和发票转财务部门进行应付款登帐和存货成本记帐。
二.U8VMI系统处理流程图U8VMI业务流程说明:(1)采购部门执行VMI采购业务时,根据招标部确定的供应商,参照与该供应商签订的采购合同在【采购管理】中生成采购订单,物料名称、价格由采购合同自动代入采购订单,同时确定此次采购的数量、送货日期等信息。
经过审核后的采购订单手工传给相应的供应商备货。
(2)供应商送货时,采购部门参照采购订单在【采购管理】填制采购到货单,需要检验的物料通知品质部门进行检验。
(3)品质部门检验通过,仓储中心对检验合格物料在【库存管理】中参照到货单填制采购入库单。
VMI采购物料办理入库,入代管仓库。
(4)企业实际耗用时,一种方式是企业将需要耗用的数量在【库存管理】中从代管仓库中调拨至企业自由仓库,车间从企业自由仓库中根据限额领料单、配比出库单、其他出库单办理出库;另一种方式是车间直接从代管仓库中根据限额领料单、配比出库单、其他出库单办理出库。
同时在出库单据上记录和匹配相应物料的提供商。
(5)仓储中心定期根据材料出库单、其他出库单单据定期汇总VMI物料耗用明细,并传给供应商进行确认。
***************ERP管理信息系统采购管理详细业务流程创建日期: ****控制编码: ****当前版本: V1.0发布日期:编制/业务:会签/生产:会签/物控:会签/质量:审核/ERP项目负责人:批准/副总经理:文档控制更改记录审阅分发目录文档控制2更改记录2审阅2分发21.采购管理基础数据51.1 供应商编码51.2 采购人员51.3 供应商档案51.4 供应商价格档案51.5 物料采购信息档案51.6 采购关键参数设置52.供应商管理流程62.1 供应商新增流程图与说明62.2 供应商变更流程图与说明72.3 采购询报价流程图与说明82.4 合格供应商评估流程图与说明92.5 样品需求管理流程图与说明10 3.采购和委外业务管理流程113.1 采购订单流程图与说明113.2 采购订单变更图与说明123.3 采购订单退货流程图与说明133.4 委外订单流程图与说明143.5 返修委外订单流程与说明163.6 委外订单变更流程与说明173.7 委外订单退货流程图与说明18 4.单据、报表194.1 采购单据194.2 采购报表194.3 委外单据194.4 委外报表191.采购管理基础数据1.1 供应商编码供应商分类()+流水号1.2 采购人员工号编码+1.3 供应商档案主要数据列:供应编码、名称、1.4 供应商价格档案主要数据列:1.5 物料采购信息档案采购单位、主要供应商、采购提前期、最小订购量(可选项)1.6 采购关键参数设置1)采购订单和委外订单必须有价格才能下达2)采购员无关闭采购和委外订单权限3)采购员只能参照采购申请单生成采购订单4)委外关键物料没配套发够物料无法做委外入库2.供应商管理流程2.1 供应商新增流程图与说明2.2 供应商变更流程图与说明2.3 采购询报价流程图与说明3.采购和委外业务管理流程3.1 采购订单流程图与说明3.2 采购订单变更图与说明3.3 采购订单退货流程图与说明3.4 委外订单流程图与说明4.单据、报表4.1 采购单据●《供应商调查表》FM-PD-001A:采购员制单—采购部长审核●《审核申请表》FM-PD-034A:采购员制单—采购部长审核—生产总监审批●《供应商开发申请表》FM-PD-035A:采购员制单—采购部长审核—生产总监审批●《供应商评估表》FM-PD-002A:采购员制单—采购部长审核—生产总监审批●《合格供应商申批表》FM-PD-036A:采购员制单—采购部长审核—生产总监核实---罗总审批●《供应商报价单》:供应商盖章●《采购报价单》:采购员ERP制单—采购部长审核—生产总监核实---罗总审批—供推中心文员维护价格档案●《采购申请单》:PMC申请单:PMC制单—PMC审核其它部门申购单:部门文员制单—部门负责人审核●《采购订单》:采购员制单—采购部长审核●《供应商送货单》:供应商签字盖章—采购员签字—仓管员签字●《特采申请单》:采购员制单—采购部长审核—各部门会签●《采购变更联络函》:PMC计划员制单—PMC主管审核●《采购订单变更单》:采购员制单—采购部长审核—ERP工程师生效●《采购订单关闭申请》:采购员制单—采购部长审核—PMC确认---ERP工程师关闭订单●《采购退货知单》:采购员制单—采购部长审核●《采购退货单》:物控文员制单—仓管员签名—物控部长审核4.2 采购报表●采购订单执行汇总表、明细表(供应链-采购管理-采购订单):采购主管、采购员●采购订单全程跟踪表(供应链-采购管理-采购订单):采购主管、采购员●采购汇总表(供应链-采购管理-报表分析):采购主管●采购成本汇总表、明细表(供应链-存货核算-入库核算):采购主管4.3 委外单据●《委外申请单》:PMC申请单:PMC制单—PMC审核其它部门申购单:部门文员制单—部门负责人审核●《委外订单》(普通、返修):采购员制单—采购部长审核●《采购变更联络函》:PMC计划员制单—PMC主管审核●《委外出库单》:采购员制单—采购部长签字—仓管员签字—物控文员审核●《投料变更单》:采购员制单—采购部长签字●《物料补料报废单》:采购员制单—采购部长审核--产总监批准●《委外退货退知单》:采购员制单—采购部长审核●《委外退货单》:物控文员制单—仓管员签名—物控部长审核●《委外加工费用单》:采购员制单--采购部长审核●《物料报废单》:采购员制单—采购部长审核—主管副总审批●《采购订单关闭申请》:采购员制单—采购部长审核—PMC确认---ERP工程师关闭订单4.4 委外报表●委外订单全程跟踪表(供应链-委外加工-委外订单):采购主管、采购员●委外领料明细表(供应链-委外加工-委外订单):采购员●委外生产领料差异分析(供应链-委外加工-生产投料):采购主管、采购员、财务●材料耗用明细表(供应链-委外加工-生产投料):采购主管、采购员、财务●生产物料报废统计表(供应链-委外加工-生产物料报废/补料):采购主管、采购员、财务●委外加工入库核算(供应链-委外加工-委外入库):采购员、财务●委外加工材料汇总表、明细表(供应链-委外加工-委外入库):采购员●委外加工核销汇总表、明细表(供应链-委外加工-委外入库):采购主管、采购员、财务。